321贝雷梁重量及尺寸资料
- 格式:doc
- 大小:60.50 KB
- 文档页数:2
贝雷⽚贝雷架图⽚规格尺⼨及构件表贝雷⽚(贝雷架)图⽚、规格尺⼨及构件表“贝雷⽚”⼜称贝雷架,贝雷梁或桁架,最先在⼆战时由⼀名英国⼯程兵发明,以解决战争期间桥梁快速架设的需要,并以他的名字命名。
可⽤于公路桥梁,拼装龙门吊车,导梁,架桥机,吊篮等。
贝雷⽚具有结构简单、运输⽅便、架设快捷、载重量⼤、互换性好、适应性强的特点。
“ 321 ”钢桥是在原英制贝雷桁架桥基础上,结合我国国情和实际情况研制⽽成的快速组装桥梁,于1965年定型⽣产,在我国得到了很⼤发展,⼴泛应⽤于国防、战备、交通⼯程、市政⽔利⼯程,是我国应⽤⼴泛的组装式桥梁。
具有结构简单、运输⽅便、架设快捷、载重量⼤、互换性好、适应性强的特点。
“ HD200 ”型装配式公路钢桥增加了桁架⾼度,提⾼了承载能⼒,增强了稳定性能,增加了疲劳寿命,提⾼了可靠度。
与321型钢桥相⽐,在相同组合情况下,强度提⾼了33%,刚度提⾼了2.3倍。
适⽤范围单车道桥⾯净宽4.2M,组合跨径9.14-76.2m,双车道桥⾯净宽7.4m,组合跨径9.14-57.91m。
贝雷梁现有进⼝与国产两种规格,国产贝雷梁其桁节⽤16锰钢,销⼦采⽤铬锰钛钢,插销⽤弹簧钢制造,焊条⽤T505X型,桥⾯板和护轮⽊⽤松⽊或杉⽊。
材料的容许应⼒按基本应⼒提⾼30%,个别钢质杆件超过上述规定时,不得超过其屈服点的85%,设计时采⽤的容许应⼒如下:⽊料--顺⽊纹弯应⼒、压应⼒及承压应⼒为16.2MPa ;受弯时顺⽊纹剪应⼒为2.7MPa。
弹性模量E= 98.5 X 105MPa钢料⼀16锰钢拉应⼒、压应⼒及弯应⼒为1.3 X 21=0273MPa ;剪应⼒为1.3 X 166208MPa。
30铬锰钛拉应⼒、压应⼒及弯应⼒为0.85 X 13阳1105MPa ;剪应⼒为0.45 X 130€585MPa。
现有进⼝贝雷梁多系20世纪40年代的产品,材料屈服点强度为351MPa,其容许应⼒按0.7 X 35丰245MPa考虑,销⼦容许应⼒可考虑与国产销⼦⼀样。
钢栈桥计算书.二O一五年九月目录一、设计依据 (3)二、结构布置 (3)2.2材料特性 (5)2.3变形控制 (6)2.4有限元模型材料特性参数 (6)3、荷载计算 (7)3.1恒载计算 (7)3.2活载计算 (7)四、工况分析 (8)五、有限元计算 (9)6、结果校核 (13)6.1主要构件校核 (13)6.2结构稳定性验算 (14)6.3混凝土承台处地基承载力 (15)一、设计依据1、《苏峰山1、2号特大桥钢栈桥初步设计图》2、《港口工程荷载规范》(JTJ 215-98)3、《钢结构设计规范》(GB50017-2003)4、《建筑结构荷载规范》GB50009-20125、《混凝土结构设计规范》(GB50010-2010)6、《建筑桩基技术规范》(JGJ94-2008)7、《简明施工计算手册》8、《钢结构工程施工质量验收规范》(GB50205-2001)二、结构布置如下图所示,钢栈桥整体结构从上至下依次为28槽钢的钢面板、25工字钢做分配梁,321型贝雷梁按单层双排布置,采用90的花架,横桥向共布置6片贝雷片、主横梁为双拼56b工字钢,钢管桩型号为Φ630*8,横联及斜撑型号为Φ325*10圆钢管。
支栈桥结构形式与钢栈桥相同。
由于钢栈桥各跨之间的结构相同,因此,本次计算只选取其中的某一跨进行有限元仿真计算。
图1苏峰山1桥钢栈桥立面图图2苏峰山1桥钢栈桥平面图图3苏峰山2桥钢栈桥立面图图4苏峰山2桥钢栈桥平面图主栈桥支栈桥图5钢栈桥及支栈桥侧面图2.2材料特性1、贝雷梁特性a、贝雷结构尺寸贝雷结构尺寸如图:图6 贝雷结构尺寸图b、技术参数指标(1)桁架单元杆件性能如表:表1 桁架单元杆件性能杆件名材料桥断面型式横断面积(cm2)理论容许承载力(KN)弦杆16Mn ][10 2×12.7 560 竖杆16Mn I8 9.52 210 斜杆16Mn I8 9.52 171.5(2)桁架物理力学特性如表:表2 桁架物理力学特性表2、主要材料力学特性主要材料(贝雷如前)力学特性如下:表4主要材料力学特性表2.3变形控制主要承重构件<L/400。
关于“321”不加强型贝雷片受力的详细分析过程“321”贝雷片如下图所示,常用于抢险救灾用便桥、工程用栈桥、支架、施工平台等,具有施工方便、快捷的特点。
0-1 “321”贝雷片实物图下表为“321”型贝雷片的截面设计参数及容许内力表,很多施工人员在进行支架或栈桥设计时,仅仅是将贝雷片简化为简单的梁柱,套用其整体容许内力,很少对各杆件内力及其整体稳定性(绕弱轴和强轴应分别计算)进行计算,由此造成一定的安全隐患。
下面以90cm间距的两片单层不加强“321”贝雷片为例对其承载力进行推导:1.首先采用midas/civil有限元分析软件(此软件弊端:不能显示各杆件整体稳定、局部稳定的详细分析过程),建立如下模型:1-1 midas模型(集中荷载)根据贝雷片设计参数,单排单层不加强贝雷承受容许剪力为245.2KN,因此在每片跨中施加490KN集中荷载(标准荷载),按照简支梁计算公式,剪力为245KN,弯矩为M=245×1.41=345 KN.m<788KN.m(容许弯矩)。
也许一般的施工者就这样算完,觉得结果满足要求了,其实这样的集中荷载完全超过了各杆件的容许承载力。
上表3.8-5中竖杆的容许承载力只有210KN,而这样的集中荷载导致的竖杆内力达430KN(如下图1-2),所以以上单片贝雷结构无法承受跨中490KN的集中荷载。
1-2 midas 轴力图(集中荷载)再看集中荷载下的应力图1-3:1-3 midas 应力图(集中荷载)最大应力为473Mpa,完全超过了16Mn钢材(Q345)的设计值310MPa。
所以采用手工计算贝雷片时,不仅要对整体结构的弯矩、剪力进行计算,还应对每根杆件内力进行计算,可见其复杂程度。
因此为简化计算过程,都采用计算软件分析计算。
但如果施加同样等效的均布荷载会怎样呢?如下图:1-4 midas 应力图(均布)可见,贝雷杆件最大应力为285MPa,超过了国产贝雷材料的容许应力245MPa,不满足要求;再看支撑架的应力,最大为2 25.8Mpa,也超过了A3钢(Q235)的容许值。
贝雷片(贝雷架)图片、规格尺寸及构件表“贝雷片”又称贝雷架,贝雷梁或桁架,最先在二战时由一名英国工程兵发明,以解决战争期间桥梁快速架设的需要,并以他的名字命名。
可用于公路桥梁,拼装龙门吊车,导梁,架桥机,吊篮等。
贝雷片具有结构简单、运输方便、架设快捷、载重量大、互换性好、适应性强的特点。
“321”钢桥是在原英制贝雷桁架桥基础上,结合我国国情和实际情况研制而成的快速组装桥梁,于1965年定型生产,在我国得到了很大发展,广泛应用于国防、战备、交通工程、市政水利工程,是我国应用广泛的组装式桥梁。
具有结构简单、运输方便、架设快捷、载重量大、互换性好、适应性强的特点。
“HD200”型装配式公路钢桥增加了桁架高度,提高了承载能力,增强了稳定性能,增加了疲劳寿命,提高了可靠度。
与321型钢桥相比,在相同组合情况下,强度提高了33%,刚度提高了2.3倍。
适用范围单车道桥面净宽4.2M,组合跨径9.14-76.2m,双车道桥面净宽7.4m,组合跨径9.14-57.91m。
贝雷梁现有进口与国产两种规格,国产贝雷梁其桁节用16锰钢,销子采用铬锰钛钢,插销用弹簧钢制造,焊条用T505X型,桥面板和护轮木用松木或杉木。
材料的容许应力按基本应力提高30%,个别钢质杆件超过上述规定时,不得超过其屈服点的85%,设计时采用的容许应力如下:木料--顺木纹弯应力、压应力及承压应力为16.2MPa;受弯时顺木纹剪应力为2.7MPa。
弹性模量E=98.5×105MPa。
钢料—16锰钢拉应力、压应力及弯应力为1.3×210=273MPa;剪应力为1.3×160=208MPa。
30铬锰钛拉应力、压应力及弯应力为0.85×1300=1105MPa;剪应力为0.45×1300=585MPa。
现有进口贝雷梁多系20世纪40年代的产品,材料屈服点强度为351MPa,其容许应力按0.7×351=245MPa考虑,销子容许应力可考虑与国产销子一样。
贝雷片(贝雷架)图片、规格尺寸及构件表“贝雷片”又称贝雷架,贝雷梁或桁架,最先在二战时由一名英国工程兵发明,以解决战争期间桥梁快速架设的需要,并以他的名字命名。
可用于公路桥梁,拼装龙门吊车,导梁,架桥机,吊篮等。
贝雷片具有结构简单、运输方便、架设快捷、载重量大、互换性好、适应性强的特点。
“321”钢桥是在原英制贝雷桁架桥基础上,结合我国国情和实际情况研制而成的快速组装桥梁,于1965年定型生产,在我国得到了很大发展,广泛应用于国防、战备、交通工程、市政水利工程,是我国应用广泛的组装式桥梁。
具有结构简单、运输方便、架设快捷、载重量大、互换性好、适应性强的特点。
“HD200”型装配式公路钢桥增加了桁架高度,提高了承载能力,增强了稳定性能,增加了疲劳寿命,提高了可靠度。
与321型钢桥相比,在相同组合情况下,强度提高了33%,刚度提高了倍。
适用范围单车道桥面净宽,组合跨径,双车道桥面净宽,组合跨径。
贝雷梁现有进口与国产两种规格,国产贝雷梁其桁节用16锰钢,销子采用铬锰钛钢,插销用弹簧钢制造,焊条用T505X型,桥面板和护轮木用松木或杉木。
材料的容许应力按基本应力提高30%,个别钢质杆件超过上述规定时,不得超过其屈服点的85%,设计时采用的容许应力如下:木料--顺木纹弯应力、压应力及承压应力为;受弯时顺木纹剪应力为。
弹性模量E=×105MPa。
钢料—16锰钢拉应力、压应力及弯应力为×210=273MPa;剪应力为×160=208MPa。
30铬锰钛拉应力、压应力及弯应力为×1300=1105MPa;剪应力为×1300=585MPa。
现有进口贝雷梁多系20世纪40年代的产品,材料屈服点强度为351MPa,其容许应力按×351=245MPa考虑,销子容许应力可考虑与国产销子一样。
NGU"。
λ= Lp/r :19φ:0.953弦杆纵向容许受压荷载(KN):6631、容许内力指的是跨中弯矩和支点剪力;2、桁架销子双剪状态容许剪力 550KN(销子直径为49.53、弦杆螺栓允许剪力150KN,允许拉力80KN。
桁架单元杆件性能(单个贝雷片)杆件名 材料 断面型式 横断面积(cm2) 弦杆 16Mn 2根槽10背靠背 2×12.74 竖杆 16Mn 8#工字钢 9.52 斜杆 16Mn 8#工字钢 9.52称“321”钢桥)是在原英制贝雷桁架桥的基础上,结合我国国情和实际情况研制而成的快速组装桥梁,材料为16Mn。
结构,钢材的容许应力按基本容许应力提高30%,本桥设计时采用的容许应力按下列确定:应力及弯应力:压应力及弯应力各两根10号热轧槽钢背靠背组合而成,腹杆由8号工字钢组成;多数情况下,最大跨径是由容许弯矩控制,但在个别情况下,是由剪力控制。
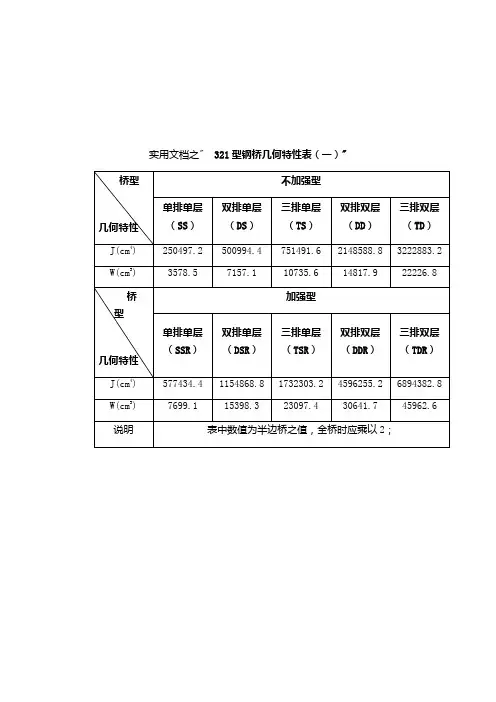
,全桥时应乘2)578.5 250497.2699.1 577434.4157.1 500994.45398.3 1154868.80735.6 751491.63097.4 1732303.24817.9 2148588.80641.7 4596255.22226.8 3222883.25962.6 6894382.8加强桥梁双排单层 三排单层 双排双层 三排双层 单排单层 双排单层 三排单层 双排双层 三排双层1576.4 2246.4 3265.4 4653.2 1687.5 3375.0 4809.4 6750.0 9618.8490.5 698.9 490.5 698.9 245.2 490.5 698.9 490.5 698.9m2):2×12.74=25.48力;剪力 550KN(销子直径为49.5mm);N,允许拉力80KN。
型式 横断面积(cm2) 理论容许承载力(KN)背靠背 2×12.74 560钢 9.52 210钢 9.52 171.5。