FL-120沸腾制粒机使用标准操作规程
- 格式:doc
- 大小:37.00 KB
- 文档页数:3
制粒机FL系列沸腾制粒干燥机安全操作规定
1. 介绍
制粒机FL系列沸腾制粒干燥机是一种常用于制药、食品、化工等行业的机械设备,可以将湿的原料制成粒状。
本文将介绍FL系列沸腾制粒干燥机的安全操作规定,以确保操作人员的安全。
2. 设备结构
FL系列沸腾制粒干燥机是由主机、气体分离器、气流器、加热系统等组成。
主机由汽水混合剂在炉膛内受热,形成沸腾状态。
当气体负载颗粒物时,粒子获得气动能力并得以被带离,随气流进入分离器。
在分离器内颗粒与气体分离,然后由气流器排出。
加热系统对整个过程进行加热、恒温控制等工作。
3. 安全注意事项
1.首先,操作人员必须熟悉设备的结构和操作规程。
在运行
设备之前,应该认真阅读设备的使用说明书和安全手册,遵循操作要求。
2.在停止使用设备前,应该清除设备内的残留物。
操作人员
应该穿戴保护设备,如安全鞋和防护眼镜等。
3.在操作期间,设备周围应该保持干燥、通风、光线明亮的
环境,以免影响操作人员的操作。
4.在加入原料和颗粒物过程中,操作人员应该采取必要的防
护措施,如穿戴手套和护目镜等。
F L沸腾干燥制粒机使用说明书This manuscript was revised by the office on December 10, 2020.中国驰名品牌FL沸腾干燥制粒机使用说明书中美合资常州健达干燥设备有限公司厂址:江苏省常州市东青开发区目录一、技术参数二、用途1、医药品的制粒及包衣制粒:调剂用颗粒,片剂颗粒,胶囊用颗粒,冲剂颗粒,各种重质颗粒。
包衣:颗粒、丸剂、片剂包衣、肠溶包衣等。
2、食品工业制粒砂糖、咖啡、可可、粉末果汁、混合淀粉、氨基酸、调味料、小麦粉等。
3、糊精的制粒CMC、PVA、MC、HEC等。
4、粉末冶金、陶瓷工业制粒。
5、农药、饲料、肥料制粒和包衣。
6、催化剂的制粒和包衣。
7、颜料、色料、燃料的制粒。
8、其他一般化学品的制粒。
三、工作原理及特点1、工作原理将制粒用粉末物料投入流化床内,冷空气从主机后部加热室进入,经初效、中效过滤,加热器加热至进风所需温度后进入流化床,粉末在床内呈流态化,制粒用粘结剂由齿轮泵送入双流体雾化器,经雾化后喷向流化的物料。
粉末间相互架桥聚集成粒并长大,水分挥发后由排风带出机外。
2、特点(1)通过粉体制粒,改善流动性,减少粉尘飞扬。
(2)采用重质法制粒,能够进行重质和轻质制粒。
(3)同时进行喷雾混合、制粒、干燥过程,大大减缩了工序。
(4)采用特种抗静电过滤布袋,防止静电的发生。
(5)设备上部设有泄放孔,一旦爆炸,设备不致损坏。
(6)在密封系统内制粒,无泄漏和粉尘飞扬。
(7)设备即可手动操作,又可自动操作。
(8)造粒工艺参数稳定,重复性极高。
(9)设备无死角,卸料快速,便于冲洗,符合GMP规范。
四、安装场地选择为了方便操作,主机和墙壁的距离应大于800mm,前方应根据操作流程确定,左右方根据流化床安装来确定,工场空间高度应高于主机高度至少350mm。
设备须清洗,特别是更改品种和停用时,要求场地应能排水,地面应酬有1/100的坡度。
设备安全孔设置在主机顶部或侧面,最好将此孔通向户外,一旦发生爆炸,可达到迅速排放。
沸腾制粒干燥机操作规程1. 引言沸腾制粒干燥机是一种广泛应用于制药、食品、化工等行业的设备,用于将湿粉或湿颗粒物料制成均匀的颗粒状物料。
本文档旨在指导操作人员正确、安全地操作沸腾制粒干燥机,以确保设备正常运行和产品质量。
2. 设备概述沸腾制粒干燥机由主机、加热系统、风机、过滤系统、控制系统等部分组成。
主机内部装有制粒床、雾化装置等。
操作人员在操作过程中需熟悉各个部分的功能和构造。
3. 操作流程3.1 准备工作在操作沸腾制粒干燥机前,操作人员需做好以下准备工作: - 确保操作人员已穿戴好防护设备,如工作服、手套、口罩等。
- 检查设备是否正常运行,如有异常情况应及时报修。
- 清理和消毒制粒床和相关管道。
3.2 启动设备按照以下步骤启动设备: 1. 开启主机电源,并确保所有的电源开关处于关闭状态。
2. 按照制粒物料的要求,调整加热系统的温度。
3. 打开风机,将供料口和排料口打开。
3.3 加料操作1.确保供料设备已连接到沸腾制粒干燥机。
2.将制粒物料通过供料设备添加到制粒床中。
3.根据物料的特性和要求,调整制粒床的运行参数,如温度、湿度、风量等。
3.4 制粒过程1.打开制粒床底部的气体流量控制阀,使气体通过雾化装置产生微小的颗粒。
2.控制加热系统的温度和风速,使床层的湿度和温度达到预设的要求。
3.监控制粒床的运行情况,观察物料的制粒过程,根据需要调整运行参数。
3.5 干燥过程1.当物料的湿度达到预设的要求后,关闭雾化装置,停止床层的湿化。
2.继续保持加热系统的温度和风速,使物料充分干燥。
3.根据物料的特性和要求,调整干燥时间和温度。
3.6 排料操作1.当物料的干燥程度达到要求后,关闭加热系统和风机。
2.打开排料口,将制粒好的物料排出。
3.7 清洁和维护1.在每次使用结束后,清理制粒床和相关管道,并清洗制粒床。
2.定期检查设备的运行状态,及时进行维护和保养。
3.在设备使用过程中,发现故障或异常时,立即停止操作,并联系维修人员进行处理。
制粒机FL系列沸腾制粒干燥机安全操作及保养规程
一、安全操作规程
1.在使用制粒机前,应仔细阅读操作手册,并按要求开展操
作;
2.操作人员必须经过专业技术培训,具备操作技能及相关安
全知识;
3.切勿在机器运作时进行机器维护或修理操作;
4.在停机状态下,切勿随意更换操作方式或调整机器结构;
5.切勿在制粒机内添加外界物品或使用不合适的原料。
禁止
使用易燃、易爆、有毒有害的物质;
6.制粒机整机及附件严禁私自拆卸或改装;
7.严格执行制粒机的电气操作,确保设备接地良好;
8.遇到机器故障时,应按照操作手册中的故障排除方法进行
处理。
二、保养规程
1.制粒机在使用前、经常进行设备检查和保养维修;
2.定期对制粒机进行清洗,杜绝杂物引起设备损坏或安全事
故;
3.定期检查制粒机的刀具磨损情况,如出现磨损或损坏情况
应及时更换或修理;
4.确保每次使用后对设备进行清洗,并在上下机过程中,注
意颗粒物掉落引起的伤害,并及时清理;
5.在机器存放期间,应注意设备的通风、除湿、防潮等环境
条件。
维护设备电器和控制系统的耐久性、长寿命。
以上内容是FL系列沸腾制粒干燥机安全操作及保养规程。
FL系列沸腾制粒干燥机主要应用于制药工业、食品工业等有机物制品的制粒加工,是一种高效、环保、先进的设备。
根据FL系列沸腾制粒干燥机的特点,我们总结了一些安全操作和保养规程,以确保设备长期稳定运行,避免安全事故的发生。
希望广大FL系列沸腾制粒干燥机的用户能够认真落实这些规定,确保设备的正常使用,保障员工的人身安全、生产安全,创造更多的生产价值。
.FL沸腾干燥制粒机中国驰名品牌使用说明书中美合资健达干燥设备有限公司厂址:省市东青开发区专业资料Word.目录一、技术参数 (3)二、用途 (5)三、工作原理及特点 (5)四、安装场地选择 (6)五、安装工作 (6)六、操作 (7)七、维护和检修 (10)八、常见故障及处理 (12)九、易损件目录 (13)专业资料Word.一、技术参数专业资料Word.作业时间min 45-90 随物料特性而定专业资料Word.二、用途1、医药品的制粒及包衣制粒:调剂用颗粒,片剂颗粒,胶囊用颗粒,冲剂颗粒,各种重质颗粒。
包衣:颗粒、丸剂、片剂包衣、肠溶包衣等。
2、食品工业制粒砂糖、咖啡、可可、粉末果汁、混合淀粉、氨基酸、调味料、小麦粉等。
3、糊精的制粒CMC、PV A、MC、HEC等。
4、粉末冶金、陶瓷工业制粒。
5、农药、饲料、肥料制粒和包衣。
6、催化剂的制粒和包衣。
7、颜料、色料、燃料的制粒。
8、其他一般化学品的制粒。
三、工作原理及特点1、工作原理将制粒用粉末物料投入流化床,冷空气从主机后部加热室进入,经初效、中效过滤,加热器加热至进风所需温度后进入流化床,粉末在床呈流态化,制粒用粘结剂由齿轮泵送入双流体雾化器,经雾化后喷向流化的物料。
粉末间相互架桥聚集成粒并长大,水分挥发后由排风带出机外。
2、特点(1)通过粉体制粒,改善流动性,减少粉尘飞扬。
(2)采用重质法制粒,能够进行重质和轻质制粒。
专业资料Word.(3)同时进行喷雾混合、制粒、干燥过程,大大减缩了工序。
(4)采用特种抗静电过滤布袋,防止静电的发生。
(5)设备上部设有泄放孔,一旦爆炸,设备不致损坏。
(6)在密封系统制粒,无泄漏和粉尘飞扬。
(7)设备即可手动操作,又可自动操作。
(8)造粒工艺参数稳定,重复性极高。
(9)设备无死角,卸料快速,便于冲洗,符合GMP规。
四、安装场地选择为了方便操作,主机和墙壁的距离应大于800mm,前方应根据操作流程确定,左右方根据流化床安装来确定,工场空间高度应高于主机高度至少350mm。
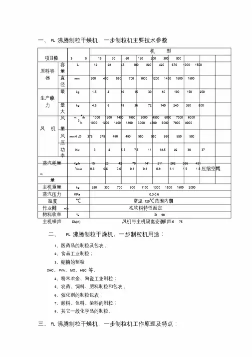
一、FL 沸腾制粒干燥机,一步制粒机主要技术参数:机型项目单位 3 5 15 30 60 120 200 300 500容L 12 22 45 100 220 420 670 1000 1500 原料容量器直mm 300 400 550 700 1000 1200 1400 1600 1800 径最kg 1.5 4 10 15 30 80 100 150 250 生产能小力最kg 4.5 6 18 36 72 140 240 360 600大风m 3/h 1000 1200 1400 1800 3000 4500 6000 700080003/h 1000 1200 1400 1800 3000 4500 6000 7000 8000 风机量风mmH 2O 375 375 480 480 950 950 950 950 950压功Kw 3 4 5.5 7.5 11 18.5 22 30 37率蒸汽耗量Kg/h 15 23 42 70 141 211 282 366 451 3/min 0.6 0.6 0.6 0.9 0.9 0.9 1.1 1.5 1.5 压缩空气耗m量主机重量kg 250 300 700 900 1100 1300 1500 1800 2000 蒸汽压力MPa 0.3-0.6温度℃常温120℃范围内可调节作业时间min 视物料特性而定物料收率% ≥98主机噪声Db(A) 风机与主机隔离安装,噪声≤75二、FL 沸腾制粒干燥机,一步制粒机用途:1、医药品的制粒及包衣;2、食品工业制粒;3、糊糖的制粒CHC、PVA、MC、HEC 等。
4、粉末冶金、陶瓷工业制粒;5、农药、饲料、肥料制粒和包衣;6、催化剂的制粒包衣;7、颜料、色料、染料的制粒;8、其它一般化学品的制粒。
三、FL 沸腾制粒干燥机,一步制粒机工作原理及特点:1、工作原理:将制粒用粉末物料投入流化床内,冷空气从主机后部加热室进入,经初效、中效过滤。
沸腾制粒机安全操作及保养规程沸腾制粒机安全操作及保养规程是保障使用者安全和设备顺利运行的重要保障措施。
本文档着重介绍了沸腾制粒机安全操作的注意事项和保养维护的规程,旨在帮助使用者掌握正确的使用方法,有效延长设备使用寿命。
一、设备安全操作1. 确认设备完好在使用沸腾制粒机前,务必检查设备是否完好,如检查发现设备有损坏、故障等情况,应立即停止使用,联系设备维修人员进行修复。
2. 在规定环境下使用沸腾制粒机应在干燥、通风良好的环境下使用,以免造成操作人员和设备损坏。
3. 确认供电电压符合要求沸腾制粒机的使用电压应与设备标示上的电压相符。
使用时,请务必确保供电电压符合要求,以免造成设备损坏或安全事故。
4. 避免触电沸腾制粒机在运行时,请勿将手或其他物品伸入设备内部或与设备接触,以免触电造成人员伤害。
同时,为了设备的安全,应确保操作过程中人员手部干燥,并且尽量不能穿戴金属物品。
5. 小心处理材料在使用沸腾制粒机过程中,应注意材料的处理。
避免将材料倒入设备时,出现飞溅现象。
同时,在使用设备时应保持注意力集中,避免操作过程中材料的溢出导致安全事故的发生。
6. 正确停机沸腾制粒机停机前应先将加药泵、送风机、振动筛等辅助设备闭锁,然后将温度控制器的设定温度调至最低,停用电源,并将设备清洁干净。
二、设备保养规程1. 定期保养沸腾制粒机的保养通常分为日常保养和定期保养。
定期保养应根据设备使用情况安排,每月或每季度至少进行一次。
2. 清洁作业定期保养应首先进行设备的清洁作业。
清洗应分为内部清洗和外部清洗。
内部清洗应用清洗剂清洗加热管和沸腾床,同时清洗设备内部穴位、振动筛、送料板等部分。
外部清洗则包括清洗设备外表面和输送设备。
3. 维护设备定期保养还需要对设备进行维护,包括检查设备各部位是否运转良好及是否有磨损情况,更换运转不良部位和腐蚀部位的配件等。
4. 检查故障在定期保养中,还需要对设备进行全面性的检查,发现故障及时解决。
沸腾制粒机的操作规程一、准备工作1. 准备工作(1)检查捕集袋固定杆拧紧并固定好捕集袋。
(2)接通控制电源。
(3)检查空气压缩机是否打开,压缩空气是否接通。
(4)检查电流表、电压表指示是否正常。
(5)检查压缩空气开关,调节输出压力至0.4Mpa。
(6)检查温控仪表是否正常。
(7)将喷枪装入到位,拧紧锁帽(8)按配方准备物料。
(9)将蠕动泵安装好,检查蠕动泵进料管内是否进入液料。
(10)检查清灰各动作是否灵活。
(11)将料车推入到主机,开顶升开关,密封主机。
二、开机(1)设置进风温度100-105℃,出风温度100℃。
(2)启动开机电源并加热10-20min后,关闭加热开关,关闭开机电源,放下料车,将物料装进料车,推入到主机。
(3)开顶升开关,密封主机,启动开机电源,打开清灰开关,打开加热开关。
三、造粒(1)干燥过程中可由取料口取料,检查物料是否已经干燥(建议时间间隔10-20min)。
(2)调节进料压缩空气压力至0.2Mpa,开启蠕动泵开关,调节蠕动泵进料方向和速度。
(3)造粒过程中要求使用橡胶锤敲击主机身(建议时间间隔10-15min)。
(4)造粒过程中通过取料口取料,观察造粒情况(建议时间间隔20-30min)。
四、关机(1)造粒完成后关闭蠕动泵,关闭进料空气压力。
(2)持续加热10-20min,成品干燥后,关闭加热开关。
(3)出风温度在45℃以下后,关闭开机电源,关闭清灰,放下料车,倒出成品。
(4)关闭压缩空气压力,关闭压缩空气开关,关闭机箱电源,关闭空压机。
五、维护保养1. 喷枪是制粒机的关键部位,使用不当,不但制粒不理想,严重时将导致制粒失败,因此应正确使用。
喷枪启动时先开雾化,后开喷枪,关闭时先关喷枪,后关雾化。
每次喷枪使用完毕,用清水清洗,以免发生堵塞。
2. 捕集袋一定要拴紧压牢,如有内滑现象,立即处理,以防止跑料。
每班生产前必须仔细检查捕集袋是否完好,如有破裂、针孔泄漏等情况,立即处理或者更换。
FL系列沸腾制粒干燥机一步制粒机使用说明一、安全操作注意事项1.使用前确保电源线接地良好,设备与地面之间没有电气连接。
2.使用前检查设备是否有损坏,若发现损坏应及时修理或更换。
3.操作人员应穿戴好个人防护设备,如手套、防护眼镜等。
4.操作人员在接通电源前,应检查设备的电器部分是否符合要求,电缆是否断裂或损坏等。
5.使用过程中,严禁随意拆卸或更换设备零部件。
二、设备使用步骤1.将FL系列沸腾制粒干燥机放置在平稳的地面上,并接通电源。
2.打开温控仪表上的电源开关,设定适当的制粒温度。
3.在上方的料仓中加入待制粒物料,注意不要超过设备额定容量。
4.打开沸腾制粒机下部的出料阀门,并调节出料阀门的开关角度,控制出料速度。
5.设备开始运行后,使用调节阀门来控制制粒时间和颗粒大小。
6.在制粒过程中,可以根据需要添加辅助剂,如湿润剂、色素等。
7.制粒过程结束后,关闭出料阀门和设备的电源。
8.清理设备时,首先关闭电源并拔掉插头,然后使用清洁剂和水清洗设备的各个部分,特别是制粒腔内部。
三、设备维护保养1.定期清洁设备,尤其是制粒腔,以防止物料残留和污染。
2.定期检查设备的电气部分,确保电线没有断裂或损坏。
3.定期检查设备各个连接部位,发现松动或异常磨损及时修复或更换。
4.使用过程中注意设备的运行情况,如有异常应及时停机检修。
四、故障及解决方法1.设备无法启动:检查电源是否正常,检查电气部分是否损坏。
2.制粒速度太慢:检查出料阀门是否打开,调节出料阀门的开关角度。
3.颗粒大小不均匀:调节调节阀门控制制粒时间和颗粒大小。
4.出料阀门堵塞:清理堵塞物料并确保阀门顺畅开关。
5.温度调控不准确:检查温控仪表的传感器和控制装置是否正常工作。
以上就是FL系列沸腾制粒干燥机的使用说明,希望能对用户的正常使用提供帮助。
在使用设备时,请务必严格按照说明进行操作,确保操作安全,并根据设备维护保养要求进行定期检查和清洁,以保持设备的正常运行和延长使用寿命。
FL-120沸腾制粒机使用、维护保养SOP1.适用范围:本标准适用于FL-120沸腾制粒的使用、维护保养;2.职责:操作工:严格按照本SOP进行FL-120沸腾制粒机的操作;维修人员:及时排除设备故障,并做好定期维护保养工作;QA现场监控员:负责检查本SOP的执行情况。
3.内容:3.1FL-120沸腾制粒机的工作原理及特点3.1.1工作原理将制粒用粉末物料投入流化床内,冷空气从主机后部加热室进入,经初效、中效过滤、加热器加热至进风所需温度后进入流化床,粉末在床内呈不规制流化状态,制粒用粘结剂由输液泵送入双(多)流体雾化器,经雾化后喷向流化的物料,使若干粒子聚集成含有粘合剂的团粒,并不断干燥,水分蒸发,粘合剂凝固,形成理想的、均匀的多微孔状颗粒;水分挥发后由排风带出机外。
3.1.2特点3.1.2.1通过粉体制粒,改善流动性,减少粉尘飞扬,增加溶解性;3.1.2.2采用重质法制粒,能够进行重质和轻质制粒;3.1.2.3同时进行喷雾、混合、制粒、干燥过程,精简了工序、降低成本和时间;3.1.2.4采用特种抗静电过滤布袋,防止静电的发生;3.1.2.5设备上部设有泄放孔,一旦爆炸,设备不致损坏;3.1.2.6在密封系统内制粒,无泄漏和粉尘飞扬;3.1.2.7设备既可手动操作,又可自动操作;3.1.2.8造粒工艺参数稳定,重复性极高;3.1.2.9设备无死角,卸料快速,便于冲洗,符合GMP规范;3.1.2.10网板采用冲孔板,微观小喷泉化,物料流化更均匀;3.1.2.11控制系统的互锁,保证制粒过程的安全和质量;3.1.2.12料斗的定位、出料、均风板的装拆,简单可靠;3.1.2.13出风的最新结构,降低了顶部产生静电的可能性和量,安全性和风量波动性得到了保证;3.1.2.14筒体高度的最优设计,使成品率达比变通机型提高约5~10%;3.1.2.15可选配不同高度的多流体雾化器,确保成粒均匀;可选配触摸屏和PLC 控制,确保工艺的重复性。
FL-120 一步制粒机操作规程
一、目的:制订本标准的目的建立FL-120 一步制粒机操作规程。
二、适用范围:适用于FL-120 一步制粒机的使用
三、责任者:设备维修人员、操作人员。
四、程序:
1准备工作
1.1 将仪表开关合上,检查温度仪表是否正确,并设定所需进风温度。
1.2 将自动一手动开关放于手动,分别合上左风门、左清灰、右风门、右清灰,各动作是否灵活,将自动、手动开关放于自动,合上点动开关,检查自动程序是否正确。
1.3 手动调节雾化压力至0.25~0.4Mpa,合上喷浆,调节压缩气压、泵速、雾化器前的调节帽至雾化良好。
1.4 依照产品工艺要求,设定雾化气量,粘合剂量及空气压力。
2 制粒:
2.1 将喷枪装入到位,拧紧锁帽.
2.2 将物料推入到主塔,开启顶升开关,密封主塔,
2.3 启动风机,
2.4 逐步开启引风阀门,直至物料抛至中筒体视镜处锁死手柄,进入自动程序制粒状态。
2.5 开启加热按钮进行加热。
2.6 出料时,先关闭加热不少于5分钟后,再关闭引风阀门,然后启动顶降进行出料,出料时首先关闭排风阀门,然后关闭风机。
看料时,关闭引风阀门,不得关闭风机。
2.7 停机时,首先关闭加热(不少于5分钟),然后依次关闭引风手动阀门,引风机(及时关闭引风阀门,以防止回风倒流进入洁净区)。
3 当班结束,切断电源,按照《清洁规程》、及《维护保养规程》清洁和保养。
4 认真填写操作记录,并按照《设备状态标志管理规程》进行工作。
沸腾制粒机的操作规程一、设备准备和检查:1.检查沸腾制粒机的机械连接是否牢固,各管道是否畅通。
2.检查设备电气系统是否正常,确认电源是否稳定。
3.检查加热系统是否正常,确认加热介质是否符合要求。
4.检查冷却系统是否正常,确认冷却水流量和温度是否符合要求。
二、操作前准备:1.根据产品工艺要求,准备好所需原材料,并确保其质量合格。
2.根据生产计划,调整好沸腾制粒机的工作参数,包括温度、压力等。
3.清洁设备内部,并确保无杂质和残留物。
4.启动加热系统和冷却系统,预热设备。
三、正常操作流程:1.打开原料进料阀门,将原料缓慢加入设备中。
2.打开加热系统,升温至设定温度。
3.打开冷却系统,控制内部温度在适宜范围内。
4.观察沸腾制粒机的运行情况,保持设备的稳定运行。
5.根据工艺要求,适时调整出料口阀门的开度,控制出料速度。
四、注意事项:1.操作人员应熟悉设备的结构、性能和工作原理,了解各个操作部位的作用和使用方法,并严格按照规程操作。
2.加料时应逐步加入,避免一次性加入过多原料导致设备过载或堵塞。
3.严禁用手或其他物体直接接触沸腾制粒机的运转部件,以免发生事故。
4.定期检查设备各部位的密封性能,及时更换损坏的密封件。
5.在设备运行过程中,如发现异常情况(如噪音增大、振动加剧等),应立即停机检修。
6.操作完毕后,关闭设备的电源、加热系统和冷却系统,清理设备内部,确保设备处于良好状态。
7.停机时,应按照标准程序和顺序依次关闭设备的各种供料和排料阀门,排空管道内余料。
8.设备每天操作结束后,进行日常检查和维护,包括清理设备表面的积尘、检查润滑部位的润滑情况等。
五、事故处理与应急措施:1.如发生设备故障或事故,应立即停机,并采取相应措施进行处理,包括通知相关责任人和维修人员。
2.在设备故障排除前,不得擅自进行操作和维修,以免加重事故或损坏设备。
3.如发生火灾等紧急情况,应立即采取灭火措施,并及时报警和疏散人员,确保人身安全。
F L沸腾干燥制粒机使用说明书文件编码(008-TTIG-UTITD-GKBTT-PUUTI-WYTUI-8256)中国驰名品牌FL沸腾干燥制粒机使用说明书中美合资常州健达干燥设备有限公司厂址:江苏省常州市东青开发区目录一、技术参数二、用途1、医药品的制粒及包衣制粒:调剂用颗粒,片剂颗粒,胶囊用颗粒,冲剂颗粒,各种重质颗粒。
包衣:颗粒、丸剂、片剂包衣、肠溶包衣等。
2、食品工业制粒砂糖、咖啡、可可、粉末果汁、混合淀粉、氨基酸、调味料、小麦粉等。
3、糊精的制粒CMC、PVA、MC、HEC等。
4、粉末冶金、陶瓷工业制粒。
5、农药、饲料、肥料制粒和包衣。
6、催化剂的制粒和包衣。
7、颜料、色料、燃料的制粒。
8、其他一般化学品的制粒。
三、工作原理及特点1、工作原理将制粒用粉末物料投入流化床内,冷空气从主机后部加热室进入,经初效、中效过滤,加热器加热至进风所需温度后进入流化床,粉末在床内呈流态化,制粒用粘结剂由齿轮泵送入双流体雾化器,经雾化后喷向流化的物料。
粉末间相互架桥聚集成粒并长大,水分挥发后由排风带出机外。
2、特点(1)通过粉体制粒,改善流动性,减少粉尘飞扬。
(2)采用重质法制粒,能够进行重质和轻质制粒。
(3)同时进行喷雾混合、制粒、干燥过程,大大减缩了工序。
(4)采用特种抗静电过滤布袋,防止静电的发生。
(5)设备上部设有泄放孔,一旦爆炸,设备不致损坏。
(6)在密封系统内制粒,无泄漏和粉尘飞扬。
(7)设备即可手动操作,又可自动操作。
(8)造粒工艺参数稳定,重复性极高。
(9)设备无死角,卸料快速,便于冲洗,符合GMP规范。
四、安装场地选择为了方便操作,主机和墙壁的距离应大于800mm,前方应根据操作流程确定,左右方根据流化床安装来确定,工场空间高度应高于主机高度至少350mm。
设备须清洗,特别是更改品种和停用时,要求场地应能排水,地面应酬有1/100的坡度。
设备安全孔设置在主机顶部或侧面,最好将此孔通向户外,一旦发生爆炸,可达到迅速排放。
一目的:规范沸腾制粒机标准操作,保证设备正常运行,延长使用寿命二范围:FL-300沸腾制粒机操作人员三责任:操作人员、质量管理部、车间设备管理员对本规程实施负责四内容:1 操作法1.1 检查是否有清洁合格证、设备完好证。
1.2生产前准备工作1.2.1首先要检查空压机运转是否正常,压缩机油面是否在控制线内,排空压缩空气管道内的冷凝水。
1.2.2接通控制电源。
1.2.3接通空压机电源开关并启动,压缩空气输出压力至0.7mpa。
1.2.4检查控制柜压缩空气的气源至各气缸间有无漏气现象,并予以排出。
1.2.5检查电流表、气压表、电压表是否正常。
1.2.6检查温控仪是否正常,并设定进风温度,观察蒸气电磁阀是否灵活。
1.2.7将自动/手动开关置于手动,分别合上左风门、左清灰、右风门、右清灰、各动作是否灵活。
1.2.8将自动/手动开关置于自动,检查自动程序是否正确。
1.2.9将布袋架系上布袋,然后将布袋下端系在桶体下法兰处,并固定,检查松紧程度。
布袋系的太紧布袋易损坏:布袋系的太松,布袋上粉尘不易脱路,然后检查布袋是否有破损。
1.2.10将流化床推进主机内,开顶升将中筒体用螺栓固定。
1.2.11根据工艺要求配好粘合剂。
1.2.12检查蠕动泵进料管内是否进入液料。
2.2生产操作2.2.1启动控制柜电源2.2.2调节气源压力0.6~0.7Mpa。
2.2.4开顶升开关,密封主机。
2.2.5将调风门调至2/3位置。
2.2.6将控制面板的自动/手动开关置于手动,关闭左、右风门。
2.2.7启动风机,待风机电流平衡后,打开左、右风门,并将自动/手动开关置于自动。
2.2.9调节进风温度(根据物料工艺设定)。
2.2.10调节风量,观察物料流化至中筒体视镜位置为佳,然后锁紧手柄。
2.2.11待物料温度上升并混合10分钟后,调节雾化压力至0.2~0.4Mpa(根据粘结剂浓度和颗粒度调节)。
2.2.12 启动蠕动泵调节喷液速度。
2.2.13 30分钟一次取样检查颗粒大小。
FG-120沸腾制粒机基本操作1:开机前先检查所有空开是否全合上;
2:检查布袋是否装好扎紧,确认无误后,打开急停按钮,待触摸屏显示出画面,任意点一下进入操作画面;
3:上料前机器先预热,把料车放好,开顶升使其密封,再打开气密封(注:气密封压力不能超过0.2兆帕)4:打开风机,(注:风机的风量可在0—50HZ之间随意调节)
5:打开加热,(注:加热的温度可根据物料的耐热度而设定);
6:上料,上料时先关闭进风门,再打开进料口;
7: 料上好后,先关闭进料口,再打开进风门;
8:出料时;先关加热,再关风机,连好真空上料机与出料口的管道,打开出料口,开启真空上料机;
9:停机之前,先让加热温度降到30度左右,再关风机,让风机全停下来,再关气密封,最后开顶降。
注:在干燥过程中,根据需要可以手动清灰,手动清灰时,先关左风门,再开关左清灰;右清灰时,先打开左风门,关闭右风门,再开关右风门。
完成时打开左右风门。
FL-120沸腾制粒机使用标准操作规程
1 开机前
在开始操作之前,应将压缩空气接通至控制柜下方的气源两联件上,并检查设备主机筒体上的密封条是否嵌入到位。
2 操作步骤
2.1 开机程序(手动操作)
打开控制柜电源→启动控制电源断路开关→打开钥匙开关→手动操作→安装滤袋→滤袋左右锁紧(操作方法:人工拉动锁紧手柄,抖袋气缸架上升到位,点击“左腔布袋锁紧”及“右腔布袋锁紧”后锁紧装置上的插销随之动作,可随时锁紧和开锁;锁紧后,将手摇绞车回转2~3圈,松开升降钢丝绳)→气囊锁紧(翻布袋密封无此按钮)→旋进喷雾室→推入原料容器(接插好物料温度传感器和接地线)→容器升→设置好除尘参数和温度上限→手动启动→容器升→进风阀开→排风阀开→排风机开→除尘开(按客户需求点击电加热或者蒸汽加热按钮)
2.2 开机程序(自动操作)
打开控制柜电源→启动控制电源断路开关→打开钥匙开关→手动操作→安装滤袋→滤袋左右锁紧(操作方法:人工拉动锁紧手柄,抖袋气缸架上升到位,点击“左腔布袋锁紧”及“右腔布袋锁紧”后锁紧装置上的插销随之动作,可随时锁紧和开锁;锁紧后,将手摇绞车回转2~3圈,松开升降钢丝绳)→气囊锁紧(翻布袋密封无此项)→旋进喷雾室→推入原料容器(接插好物料温度传感器和接地线)→参数设→容器升→自动启动
2.3 手动操作关机程序
制粒干燥结束后,关闭排风机,待排风机停止运行后→关闭排风阀→关闭进风阀→容器降→自动除尘一个周期后原料容器下降→拉出原料容器→旋出喷雾室→拆下滤袋→清洗设备
3操作注意事项
3.1 操作员工作位的描述
沸腾床操作区域为D级洁净区:应将头发、胡须等相关部位遮盖,戴防护帽和防护手套。
应穿合适的工作服和鞋子或鞋套。
应采取适当措施,以避免带入洁净区外的污染物。
3.2 从主机上的视镜内您可以观察到流化状态,一般流化高度以不超过喷嘴高度为宜。
在制粒过程中,要经常观察流化状态,对温度适应范围小的物料更应如此。
当流化床内出现异常,通过调节风量、供液转速、雾化压力等参数。
3.3 在安装滤袋时,注意检查滤袋有无破裂、小孔、掉线,如有则必须修补好。
3.4 检查各执行气缸动作是否灵敏。
再启动风机及加热,检查各测温点的温度传感器是否正常。
3.5 检查引风机旋向:点动1~2秒种后停止,观察风机旋向是否与蜗壳上的标记一致,如果旋向相反,应改变三相电源的两相,使风机叶轮旋向与蜗壳标记一致。
4 物料的投放
4.1 人工进料如采用人工进料应在拉出原料容器前取下原料容器上的温度传感器和接地线。
4.2 真空吸料
4.2.1 在启动系统至运行除尘状态时,关闭进风调节阀至一挡,打开进料阀,使物料在引风机的负压抽吸下进入容器。
4.2.2 真空吸料结束后,关闭进料阀,适量将进风调节阀开大,使物料有良好的流化状态即可。
5 除尘
在除尘步骤,调节风量,使流化态达到合理的状态,同时观察流化高度是否由低到高,否则需检查各通风道是否有堵塞现象。
6 残余风险说明
工况下,移动料桶表面温度大约有60-70℃,用手触摸会烫手,故增加警告标示:高温表面和切勿触摸。
7 维护与保养
7.1 风机要定期清除机内的积灰、污垢等杂质,防止锈蚀、第一次拆修后应更换润滑油。
7.2 进气源的油雾器要经常检查,在用完前必须加油,润滑油为5#、7#机械油(或者齿轮油、变压器油),装油量为油雾器总装量的三分之二,如果缺油会造成气缸故障或损坏。
分水滤气器有水时应及时排放。
7.3 扩散室的支撑轴承转动应灵活,转动处定期加润滑油。
7.4 压缩空气过滤器:6-12个月,过滤器拆开用软刷洗刷全部零件,每次运转前除尽下部积水。
7.5 油雾器: 每15天应加注食用植物油,以便电磁阀能及时得到润滑。
7.6 空压机: 每班工作完毕,清除罐内冷凝水。
7.7 布袋: 随时检查其透气性能,一旦堵塞,应予清洗。
停机和更换品种时,亦应予清洗。
7.8 孔板: 孔板如发生堵塞,粉料流化时就会发生沟流存在,造成流化不良,应及时加以清洗。
7.10 进风过滤器: 过滤器一旦堵塞,将造成进风量严重不足,以致流化恶化,因而每 2-3个月应清洗或更换。
7.11 过滤网: 物料容器下部的过滤网每班工作完毕,应予以清洗,以免堵
塞。
7.12 设备闲置未使用时,应每隔十五天起动一次,起动时间不少于2小时,防止电磁阀、气缸等因时间过长润滑油干枯,造成电磁阀或气缸损坏。
7.13 人工清洗:拉出原料容器,喷雾干燥室,放下滤袋架,取下捕集袋,关闭风门,用有一定压力的自来水冲洗残留在主机各部分的物料,特别对原料容器内气流分布板上的缝隙要彻底清洗干净。
冲洗不起的可用毛刷或布擦拭,洗净后,开启机座下端的放水阀,放出清洗液。
特别对过滤袋应及时清洗干净,烘干备用。
最后用纯化水将设备再清洗干净。
将残留水用压缩空气吹干,再开机进行烘干。