EPS外墙保温施工方法及验收规范
- 格式:doc
- 大小:59.50 KB
- 文档页数:28
EPS外墙保温施工方法及验收规EPS外墙保温施工工艺1. 1原材料要求:1. 1. 1进入工地的原材料必须有出厂合格证或化验单。
1.1. 2聚苯乙烯板采用容重18-20kg/m3自熄型板材。
摆放平整,防止雨淋及曝晒。
1. 1. 3水泥为32.5#普通硅酸盐水泥和425#硫铝酸盐水泥,水泥必须有出厂日期,凡有结块现象或出厂日期超过3个月的必须根据化验结果确定如何使用。
1. 1. 4采用细度模数2.0-2.8,筛除大于2.5 mm颗粒的砂子,其含泥量小于1%。
1. 1. 5玻璃丝布必须放在干燥处,地面必须平整,摆放宜立放平整,避免相互交错摆放。
2. 1基层处理2. 1. 1做EPS外墙保温系统的墙面应进行墙体抹灰,找平基层,墙面平整度用2m靠尺检测,其平整度≤3mm,阴、阳角方正。
局部不平整超限度部位用1:2水泥砂浆找平。
3. 1. 2基层表面应光滑、坚固、干燥、无污染或其它有害的材料。
2. 1. 3墙外的消防梯、水落管、防盗窗预埋件或其它预埋件、进口管线或其它预留洞口,应按设计图纸或施工验收规要求提前施工。
3. 1施工要求:3. 1. 1 施工温度不应低于5℃,而且施工完成后,24小时气温高于5℃。
夏季高温时,不宜在强光下施工。
4. 1. 2 5级风以上或雨天禁止作业。
4. 1. 3抹找平层前,抹灰部位根据情况提前半个小时浇水。
3. 1. 4找平层用1:3水泥砂浆。
3. 1. 5窗口,窗膀水平角及垂直角要挂线施工。
4. 1科龙EPS外墙保温系统的施工4. 1. 1施工程序基面检查或处理→工具准备→阴阳角、门窗膀挂线→基层墙体湿润→配制聚合物砂浆,挑选EPS板→粘贴EPS板→ EPS板塞缝,打磨、找平墙面→配制聚合物砂浆→EPS板面抹聚合物砂浆,门窗洞口处理,粘贴玻纤网,面层抹聚合物砂浆→找平修补,嵌密封膏→外饰面4. 1. 2粘贴EPS板4. 1. 2. 1工具明细1. 锯条或刀锯2. 打磨EPS板的粗砂纸挫子或专用工具3. 小压子或铁勺4. 铝合金靠尺5. 铁卷尺6. 线绳、线坠7. 墨斗4. 1. 2. 2配料工具1.铁灰槽(建议1m×0.4m×0.3m)2.小铁平锹3.提漏(1kg/个或5kg/个)4.塑料桶(建议能装15kg水泥作为量桶)5.铁筛网(16目)4. 1. 2. 3粘贴聚苯乙烯板(EPS板)1.配制聚合物砂浆必须有专人负责,以确保搅拌质量。
EPS板外墙外保温瓷砖饰面施工方案一、施工工艺概述二、施工材料准备1. EPS板:密度为15-25kg/m³,厚度一般为50-200mm。
2.粘结剂:使用专业的瓷砖粘结剂。
3.瓷砖:外墙外保温系统常用的瓷砖为陶瓷釉面砖,规格和颜色按设计要求选定。
4.瓷砖胶:使用专业的瓷砖胶。
5.立柱、螺丝:固定EPS板时使用的支撑材料。
三、施工工艺步骤1.基层处理(1)清洁基层:清理基层表面的灰尘、油污等杂物,以保证后续施工的粘结性能。
(2)修补破损:对存在破损的基层进行修补,确保基层平整完好。
(3)打毛孔:对基层进行打毛孔处理,增加基层的粘结力。
2.EPS板安装(1)规划安装间距:根据建筑设计和EPS板的规格,规划好EPS板的安装间距和构造方式。
(2)固定竖立柱:根据规划好的间距,在基层上固定竖立柱,用螺丝将竖立柱固定在基层上。
(3)安装EPS板:将EPS板按照规划好的间距和构造方式固定在竖立柱上,使用螺丝进行固定。
3.瓷砖粘贴(1)涂抹瓷砖胶:在EPS板表面涂抹瓷砖胶,均匀拉毛。
(2)贴瓷砖:将瓷砖按照规定的位置粘贴在EPS板上,并用塑料尺进行整体压实。
(3)处理缝隙:瓷砖粘贴完成后,及时处理好瓷砖之间的缝隙,保证饰面效果。
4.饰面处理(1)清洁工作:等待瓷砖胶干透后,进行清洁工作,清除瓷砖胶表面的杂物。
(2)填充缝隙:将瓷砖缝隙进行填充,可选用瓷砖填缝剂。
(3)处理边角:对外墙四周和窗户、门洞等边角进行处理,可选用防撞角、装饰线条等材料进行修饰。
四、安全与质量控制要点1.安全控制:施工过程中,要注意安全防护措施,确保施工人员的人身安全。
2.施工规范:按照施工工艺要求进行,避免违规操作,确保施工质量。
3.施工环境:施工环境要干燥、无尘,避免大风、暴雨等恶劣天气施工。
4.粘结剂和瓷砖的质量检验:施工前要对粘结剂和瓷砖进行质量检验,合格后方可使用。
5.定期检查与维护:施工完成后,定期进行检查与维护,及时处理出现的问题。
EPS外墙外保温施工技术要求一、工程概述48~50#楼、17#、19#楼总建筑面积约为11.7万㎡,地下二层、地上34、29层住宅。
图纸设计外墙外保温为聚苯乙烯(EPS)50mm厚B1级保温板板,具体参数见设计文件;采暖与非采暖隔墙采用内外共粉30厚玻化微珠保温浆料,具体参数见设计文件;底面接触室外空气的架空楼板采用25厚岩棉板,具体参数见设计文件;采暖与非采暖空间楼板采用15厚岩棉板,具体参数见设计文件;面层5mm厚抗裂砂浆压入耐碱网格布一道,底层两道。
二、编制依据1、《外墙外保温工程技术规程》JCJ144-20082、《建筑节能工程施工质量验收规范》GB50411—20073、《建筑工程施工质量验收统一规范》GB50300-20134、《外墙外保温建筑构造图集》10J1215、《外墙外保温工程技术规程》JGJ144—20046、《建筑外墙外保温防火隔离带技术规程》JGJ289—20127、建筑设计图纸(包括但不限于以上规范及要求)三、施工要求本工程为粘贴EPS外墙外保温,由基层墙体、粘结层、保温层、抹面层、饰面层等构成的建筑外墙外保温系统.1。
1、基层:外保温系统所依附的外墙。
1.2、保温层:由保温材料组成,在外保温系统中起保温作用的构造层,保温层采用50厚模塑聚苯乙烯EPS板,表观密度为20Kg/㎡、30厚玻化微珠保温浆料、25厚岩棉板,其它参数见设计图纸。
1。
3、抹面层:抹在保温层上,中间夹有增强网、防护保温层并起防裂、防水、抗冲击和一定防火作用的构造层,抗裂砂浆: 以由聚合物乳液和外加剂制成的抗裂剂、水泥和砂按一定比例制成的能满足一定变形而保持不开裂的砂浆。
425号普通硅酸盐水泥、中砂、水泥抗裂砂浆按1:3:1的配合比,用砂浆搅拌机搅拌均匀。
聚合物抗裂砂浆:拉伸粘接强度≥0.10可操作时间≥2h。
注意:抗裂砂浆搅拌时禁止加水,耐碱网布:单位面积质量≥160g/㎡。
1。
4、饰面层:外保温系统的外装饰构造层。
EPS板外墙外保温施工质量控制措施一、EPS粘贴质量控制措施(一)EPS外保温板进场前必须进行抽样检测,检测项目有色泽(均匀)、熔结(良好)、外形(表面平整、无收缩、膨胀现象)、尺寸偏差、吸水率(4%)、氧指数(≥30)、表观密度(20),不得有油渍和杂质。
所检测结果必须符合JG149-2003标准规定。
(二)施工前准备工作:1、基面检查并处理:清理ALC板墙面上残留的浮灰、油污等杂特。
要求ALC板基面表面平整度偏差不超过4mm,阴阳角方正、上下通顺。
2、挂基准线:在建筑物外墙大角(阳角、阴角)及其他必要处挂垂直基准线,每个楼层适当位置挂水平线,以控制EPS板粘贴上墙后的垂直度和平整度。
3、粘贴EPS板:a、配制粘结砂浆:根据产品说明配制粘结砂浆,专人负责,严格计量,机械搅拌,保证搅拌均匀。
拌好的浆料在静置10min后还需经再次搅拌才能使用。
配好的料注意防晒避风,一次配置应在2h内用完。
b、施工前,根据整个外墙立面的设计尺寸编制EPS板的排板图,EPS 板以横向水平铺贴,保证连续结合,上下两排板须竖向错缝1/2板长,局部最小错缝不得小于20mm。
c、按照事先排好的尺寸用电热丝切割EPS板,从拐角处垂直错缝连接,要求拐角处沿建筑物全高顺直、完整。
d、粘贴方式有点框法和条贴法。
点框法适用于平整度较差的墙面,粘结面积不小于50%,实际接触墙面不得小于60%,具体粘贴方法为:在每块EPS板周边涂50mm 宽的粘结砂浆,要求从边缘向中间逐渐加厚,最厚处达10mm;在EPS板的左右两侧留设50mm宽的槽口,以利于贴板时将封闭在板与墙体间的空气溢出。
然后再在EPS板上抹8个厚10mm、直径120mm 的圆形粘结砂浆灰饼。
条贴法具体方法为:将EPS板满批粘结砂浆后用大号齿刀刮成条状,立即粘贴在墙面上,速度要快,以防止粘贴砂浆表面结皮而失去粘结使用。
粘贴时不允许采用使板左右、上下错动的方式调整预粘贴板与已贴板间的平整度,而应采用橡胶锤敲击调整;目的是防止由于EPS板左右错动而导致粘结砂浆溢进板与板间的缝隙内。
饰面层网格布面层抗裂砂浆底层抗裂砂浆聚苯板保温层粘接砂浆1:3水泥砂浆找平层基层墙体一、编制依据:1、《膨胀聚苯板薄抹灰外墙外保温系统》JG149-20032、《外墙外保温构造图集一》02J121-13、《建筑节能施工质量验收规范》GB50411-20074、《EPS 板外墙外保温技术规程》DB21/T2125-20135、《建筑外墙外保温防火隔离带技术规程》JGJ289-20126、该工程建筑节能设计图纸及要求 二、工程设计概况聚苯板玻纤网格布聚合物砂浆做法外保温系统由粘结砂浆(粘接胶浆)、膨胀聚苯乙烯泡沫塑料板(以下简称聚苯板)、玻璃纤维网格布(以下简称网格布)和抗裂砂浆(抹面胶浆)组成。
基本构造如下图所示,首先用粘结砂浆把聚苯板粘贴固定在基层墙体上形成保温层,然后在聚苯板面刮抹薄层抗裂砂浆,在其上铺贴网格布,在网格布上再刮抗裂砂浆形成表面保护层。
保护层干燥后,再按设计要求进行饰面。
具竞争力的体系之一。
三、材料要求1.1、膨胀聚苯板薄抹灰外墙外保温系统指置于建筑物外墙外侧的保温及饰面系统,是由聚苯板、胶粘剂和必要时使用的锚栓、抹面胶浆和耐碱网格布及涂料等组成的系统产品,其性能指标应符合下表要求:1.2、胶粘剂,专用于把膨胀聚苯板粘接到基层墙体上的工业产品;其性能指标应符合下表要求:1.3、膨胀聚苯板,保温材料;专指采用符合GB/T1080.1-2002的阻燃型绝热用模数聚苯乙烯泡沫塑料制作的板材;膨胀聚苯板出厂前应在自然条件下陈化42d或在60℃蒸汽中陈化5d。
其主要性能指标及允许偏差应符合下表要求:膨胀聚苯板允许偏差1.4、抹面胶浆,由水泥基或其他无机胶凝材料、高分子聚合物和填料等材料组成,薄抹在粘贴好的膨胀聚苯板外表面,用以保证薄抹灰外保温系统的机械强度和耐久性;其性能指标应符合下表要求:1.5、耐碱玻纤网格布,是由表面涂覆耐碱防水材料的玻璃纤维网格布制成,埋入抹面胶浆中,形成薄抹灰增强防护层,用以提高防护层的机械强度和抗裂性;其性能指标应符合下表要求:1.6、锚栓,把膨胀聚苯板固定于基层墙体的专用连接件,由具有防腐性能的金属螺钉和带圆盘的塑料膨胀套管两部分组成;其性能指标应符合下表要求:3.1其它材料:(1) 发泡聚乙烯圆棒,用于填塞伸缩缝,做密封膏的背衬材料,深度为缝的50%-70%,直径按缝宽的1.3倍选用;(2) 建筑密封膏,采用聚氨脂、硅酮、丙烯酸脂型建筑密封膏。
外墙保温技术标准一、验收标准1、材料性能指标:1、外墙保温EPS(聚苯板)板要求:80mm厚,密度≥20kg/m3。
出厂前在自然条件下陈化42天,60℃蒸汽中陈化5天其主要性能指标及及其允许偏差应合乎下列要求:2、聚合物粘结砂浆其性能指标符合下列要求:6、外墙保温聚氨酯喷涂材料要求:50mm厚,密度≥35kg/m3。
2、质量控制点:1、弹线控制、挂基准线:在外墙面门窗洞口、变形缝等处弹出水平垂直控制线。
在建筑外墙大角处及必要处挂垂基准钢线,每个楼层适当位置挂水平线控制EPS板的垂直度和平整度。
2、粘贴保温板:保温板标准尺寸600*1200,非标准和局部不规则可在现场裁切,但必须注意切口与板面垂直。
整块墙面的边角处用最小超过300的EPS 板,EPS板的拼缝不得正好留在门窗的四角处,板的拼缝应与门窗洞口离开200以上。
粘贴保温板采用点框条粘法,(即在EPS板四边均匀涂抹宽度大于6cm粘结框、在框内6~8个直径100的粘结饼,保证与墙面的粘结度达40%以上),排版时按水平顺序排列,上下错峰粘结、且材格只见错缝不低于20cm,外墙阴阳角处做接茬处理,粘板时自下而上,在底层板下设托板,避免下滑。
用专用工具轻柔、均匀挤压EPS板,并随时用2m靠尺和托线板检查平整度和垂直度。
粘板时清除溢出的砂浆,板与板缝隙拼严,当缝宽超出2mm时应用聚氨酯发泡填塞。
拼缝高度不得大于1.5mm。
如果大于1.5mm时,应再帖完24小时后,用砂纸钢丝刷或专用磨光机打磨平整,打磨时应轻柔划圈打磨。
保温板短边小于200mm不允许上墙。
3、网格布铺设:网格布铺设方向应自下而上,并沿外墙转角处依次铺设;遇门窗洞口,则应在洞口四角处加贴一块长为300㎜,宽为200㎜的45°斜向网格布;阴阳角处还需从每边双向绕角且相互搭接宽度不小于200mm;标准网格布搭接宽度应大于等于100㎜,转交处应搭接长度不小于200mm,翻包包边宽度不小于100mm。
外墙改性EPS保温施工技术标准一、外墙保温系统性能指标1.不燃型复合膨胀聚苯颗粒保温板外墙外保温系统性能指标不燃性复合膨胀聚苯颗粒保温板外墙外保温系统性能指标2不燃型复合膨胀聚苯颗粒保温板防火外墙保温材料性能指标不燃型复合膨胀聚苯颗粒保温板的物理力学性能指标3不燃型复合膨胀聚苯板防火外墙保温尺寸允许偏差 不燃型复合膨胀聚苯颗粒保温板的尺寸允许偏差长度 ±3GB/T 6342宽度 ±2厚度 不允许负偏差对角线差 ≤3板边平直 ≤2板面平整度 ≤1注:本表的尺寸允许偏差值以1200 mm (长)×600mm (宽)为基板。
4..胶粘剂性能指标5.抹面胶浆性能指标6.耐碱玻纤网格布性能指标项 目性能指标 试验方法 单位面积质量,g/m 3≥160 GB/T 9914.3 耐碱断裂强力(经、纬向),N/50mm≥1 000 GB/T 7689.5 断裂伸长率(经、纬向),%≤5.0 耐碱断裂强力保留率(经、纬向),%≥50 GB/T299067.锚栓性能指标塑料锚栓尺寸及允许偏差塑料锚栓与基层的锚固性能指标二、镁质聚苯板防火外墙保温板(改性EPS板)保温系统质量标准和技术要求2.1 镁质聚苯板防火外墙保温板施工的质量标准和技术要求2.1.1镁质聚苯板防火外墙保温板:燃烧性能等级为A级,表观密度不低于150kg/m3。
2.1.2镁质聚苯板防火外墙保温板应按照顺砌方式粘贴,竖缝应逐行错缝,墙角部位聚苯板应交错互锁,门窗洞口四角的聚苯板应用整快板切割成形,不得拼接,聚苯板接缝离开角部至少200mm。
2.1.3镁质聚苯防火保温板之间的板缝宽度不小于15mm,采用发泡胶填充,填充时注意让发泡胶尽量深地打入缝隙,并稍突出于墙面,待干燥后打磨平整;大于等于15mm应用苯板条填充处理。
2.1.4保温板锚固:当基层墙体为混凝土、页岩多孔砖、烧结空心砖、混凝土小型空心砌块时,锚固件的有效锚固深度应不小于25㎜;当基层墙体为加气混凝土砌块时,锚固件的有效锚固深度应不小于50㎜;建筑高度在24m~60m的墙面每平方米锚固点不少于4个;60m以上的墙面每平米锚固点不少于6个。
EPS外墙保温施工方法及验收规EPS外墙保温施工工艺1. 1原材料要求:1. 1. 1进入工地的原材料必须有出厂合格证或化验单。
1.1. 2聚苯乙烯板采用容重18-20kg/m3自熄型板材。
摆放平整,防止雨淋及曝晒。
1. 1. 3水泥为32.5#普通硅酸盐水泥和425#硫铝酸盐水泥,水泥必须有出厂日期,凡有结块现象或出厂日期超过3个月的必须根据化验结果确定如何使用。
1. 1. 4采用细度模数2.0-2.8,筛除大于2.5 mm颗粒的砂子,其含泥量小于1%。
1. 1. 5玻璃丝布必须放在干燥处,地面必须平整,摆放宜立放平整,避免相互交错摆放。
2. 1基层处理2. 1. 1做EPS外墙保温系统的墙面应进行墙体抹灰,找平基层,墙面平整度用2m靠尺检测,其平整度≤3mm,阴、阳角方正。
局部不平整超限度部位用1:2水泥砂浆找平。
3. 1. 2基层表面应光滑、坚固、干燥、无污染或其它有害的材料。
2. 1. 3墙外的消防梯、水落管、防盗窗预埋件或其它预埋件、进口管线或其它预留洞口,应按设计图纸或施工验收规要求提前施工。
3. 1施工要求:3. 1. 1 施工温度不应低于5℃,而且施工完成后,24小时气温高于5℃。
夏季高温时,不宜在强光下施工。
4. 1. 2 5级风以上或雨天禁止作业。
4. 1. 3抹找平层前,抹灰部位根据情况提前半个小时浇水。
3. 1. 4找平层用1:3水泥砂浆。
3. 1. 5窗口,窗膀水平角及垂直角要挂线施工。
4. 1科龙EPS外墙保温系统的施工4. 1. 1施工程序基面检查或处理→工具准备→阴阳角、门窗膀挂线→基层墙体湿润→配制聚合物砂浆,挑选EPS板→粘贴EPS板→EPS板塞缝,打磨、找平墙面→配制聚合物砂浆→EPS板面抹聚合物砂浆,门窗洞口处理,粘贴玻纤网,面层抹聚合物砂浆→找平修补,嵌密封膏→外饰面4. 1. 2粘贴EPS板4. 1. 2. 1工具明细1. 锯条或刀锯2. 打磨EPS板的粗砂纸挫子或专用工具3. 小压子或铁勺4. 铝合金靠尺5. 铁卷尺6. 线绳、线坠7. 墨斗4. 1. 2. 2配料工具1.铁灰槽(建议1m×0.4m×0.3m)2.小铁平锹3.提漏(1kg/个或5kg/个)4.塑料桶(建议能装15kg水泥作为量桶)5.铁筛网(16目)4. 1. 2. 3粘贴聚苯乙烯板(EPS板)1.配制聚合物砂浆必须有专人负责,以确保搅拌质量。
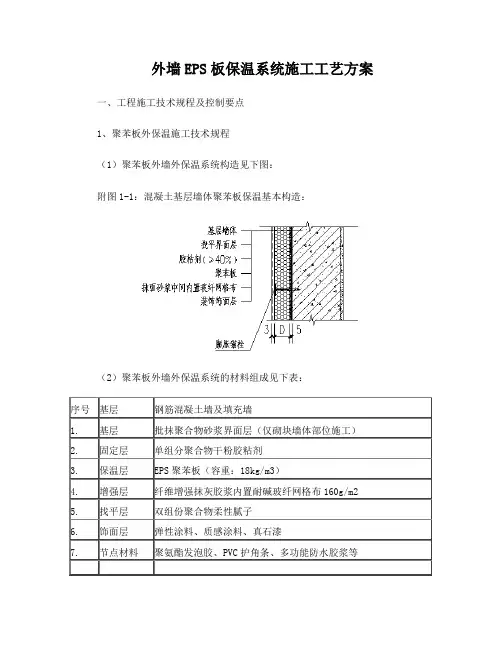
外墙EPS板保温系统施工工艺方案一、工程施工技术规程及控制要点1、聚苯板外保温施工技术规程(1)聚苯板外墙外保温系统构造见下图:附图1-1:混凝土基层墙体聚苯板保温基本构造:(2)聚苯板外墙外保温系统的材料组成见下表:序号基层钢筋混凝土墙及填充墙1. 基层批抹聚合物砂浆界面层(仅砌块墙体部位施工)2. 固定层单组分聚合物干粉胶粘剂3. 保温层EPS聚苯板(容重:18kg/m3)4. 增强层纤维增强抹灰胶浆内置耐碱玻纤网格布160g/m25. 找平层双组份聚合物柔性腻子6. 饰面层弹性涂料、质感涂料、真石漆7. 节点材料聚氨酯发泡胶、PVC护角条、多功能防水胶浆等二、聚苯板外保温系统施工方案(一)、操作流程见下图:(二)、EPS板保温系统控制要点1.对施工环境的要求●施工环境、基层及使用的材料的温度不低于+5Co。
不应在强风环境中或夏季高温阳光直射时墙面上施工,以避免外墙外保温体系在施工过程中结皮而影响施工质量。
●对尚未硬化的材料,应避免雨水的冲刷,必要时应对施工中的墙面加以保护。
●在外墙外保温体系中应使用公司提供或指定的配套材料,以确保材料的相容性及整个体系的质量。
2.建筑物和外墙体的要求●墙体的湿度不应高于其与环境的平衡湿度。
●墙体表面不得有污迹灰尘污或油脂类物质。
●墙体应达到设计要求的强度,特别是墙体表面应具有足够的附着力(≥0.3N/mm2)。
●内墙抹灰砂浆、干粉砂浆地坪应在外保温体系施工前完成,并达到干燥硬化的要求。
●门窗框、水平设置的构件(如窗套预制窗套、穿墙管等),必须在外保温体系施工之前安装完毕,外墙面设置的护拦、固定管道、空调等外挂件所用的支架也应预先安装完毕。
●对所有水平方向的构件(如挑檐、窗台板、女儿墙压顶、固定外墙面构件用的支架等)都需预留外保温体系所需的施工厚度,并做相应的滴水槽(线)和防锈处理。
3、保温施工前条件●屋面防水施工完毕保护层施工完毕,所有出墙管安装完毕(空调出墙管、燃气不锈钢管、新风管等),所有预埋铁件完成(落水管管卡),小露台防水施工完毕,顶层与首层窗框安装完毕。
EPS外墙外保温工程施工方案第一部分:施工程序一、施工程序:基层墙体找平—-EPS板粘贴(24小时后进行下道工序施工)-—EPS板塞缝、打毛、磨平、门窗洞口及女儿墙处理——EPS板面抹胶泥,粘网格布(加强网、标准网、包边加固处理,24小时后进行下道工序施工)—-面层抹胶泥、找平、面层处理,门窗洞口细部处理-—涂料面层二、施工准备及部署(一)、材料准备:外墙采用100mm厚阻燃自熄型聚苯板,密度18kg/m3,玻璃纤维网格布,胶粘剂,抹面胶浆,检查材料进场质量证明文件,确保材料质量;(二)、人员准备:各栋号落实专业队伍施工,必须经培训后方可施工。
第二部分:施工方法一、基层墙体1、基层墙体若为混凝土剪力墙,施工前先将混凝土剪力墙上拉片凿平;如果是红砖砌筑的墙体先将外墙用水泥砂浆进行找平。
2、基层混凝土墙面必须平整牢固,无浮灰、浮浆及油圬等一切杂物,并用清水将墙面冲刷干净.3、将配制好的界面砂浆用棍子或笤帚均匀地涂刷在基层面上,不得漏涂,且不宜过厚2~3mm左右即可。
4、涂好的界面砂浆以不流淌为宜,涂后待其快干固时可进行下道工序(找平层)施工,采用1:3(水泥:中砂)水泥砂浆找平,水泥砂浆找平层施工时随抹随用长度超过2m的靠尺检查垂直度与平整度,墙面平整度≤3mm/m,墙角垂直度≤2mm/m,以保证基层墙体的平整度符合施工规范要求。
5、基层墙体若红砖墙体砌筑,墙面抹一层1:3(水泥:中砂)水泥砂浆找平即可,水泥砂浆找平施工随抹随用长度超过2米的靠尺检查垂直度与平整度,墙面平整度≤3mm/m,墙角垂直度≤2mm/m,以保证基层墙体的平整度符合施工规范要求.二、EPS板的粘贴1、施工用料:水泥32.5#(普通硅酸盐水泥);强力水泥胶泥:节能墙体专业胶粘剂;2、主要施工工具:抹子、槽抹子、角抹子、专用尺抹子、手锯、靠尺、电动搅拌机、刷子、多用刀、灰浆托板、拉线、开槽器、皮尺。
3、施工要求1)施工现场应具备通电、通水施工条件,并保持清洁的施工环境. 2)施工现场环境温度和基层墙体表面温度不能低于5℃,风力不大于5级.3)雨天施工时应采取有效措施(用塑料模或五彩布覆盖遮挡,雨水较大时应停止施工),防止雨水冲刷墙面。
EPS保温板施工规范篇一:聚苯板外墙保温施工方案及施工规范- 1 -外墙保温系统施工规范外墙保温系统施工规范一施工前的准备工作 1施工材料聚合物胶浆:标准耐碱玻纤网布;固定件:伸缩缝塑料条、聚笨板( EPS)或挤塑板(XPS)。
2施工工具电热丝切割器、开槽器、劈纸刀、螺丝刀、剪刀、钢锯条、墨斗、棕刷、粗沙纸、电动搅拌器、塑料搅拌桶、冲击钻、电锤、抹子、压子、阴阳角抿子、托线板、2M靠尺、操平水管等。
3施工准备3.1与施工有关的人员施工前必须认真阅览施工图纸,并与施工现场进行比对,及时检查现场和图纸变更的情况。
- 2 -3.2落实施工材料及施工工具存放地、施工人员住宿安排等相关事宜。
3.3检查吊篮或脚手架,不得有任何安全隐患。
3.4检查施工用水、电的情况。
4施工条件4.1按照GB50210-2001《建筑装饰装修工程施工质量验收规范》普通抹灰标准检查基层墙体。
立面垂直度、表面平整度、阴阳角方正、分格条(缝)直线度等项目的允许偏差均不得大于4mm。
4.2施工期间及完工后的24小时内,环境和基层表面温度均就高于5℃,风力不大于5级。
4.3严禁雨中施工,遇雨或雨季施工应有可靠的防雨措施。
4.4夏季施工应做好防晒措施,抹面层和饰面层应避免阳光直射。
三施工程序系统的安装施工程序如下图所示:基层处理-弹线-操平线-调制聚合物胶浆-铺设翻包网布-铺设保温-安装固定件-涂抹面层聚合物胶浆-铺设网布-涂抹面层聚合物胶浆-验收四施工要点1.1基层墙体应坚实平整,墙面应清洁,清除灰尘、油、脱模剂、涂料、空鼓及风化物等影响粘结强度的杂物。
1.2用2米靠尺检查墙体的平整度,最大偏差大于4mm时,应用1:3的水泥砂浆找平。
1.3若基层墙体不具备粘结条件,可采取直接用固定件固定的方法,固定件数量应视建筑物的高度及墙体性质决定。
2.弹线按照图纸规定弹好散水水平线,在设计伸缩缝处的墙面弹出伸缩缝宽度线等。
在阴阳角位置设置垂线,在两个墙面弹出垂直线,用此线检查保温板施工垂直度。
外墙eps保温施工方案EPS外墙保温施工方案一、方案背景外墙保温施工是为了提高建筑物的保温性能,减少建筑物能量消耗,达到降低能耗、提高室内舒适度和节约能源的效果。
本方案以EPS(聚苯乙烯)作为外墙保温材料,介绍了外墙EPS 保温施工方案。
二、主要材料1. EPS板:选用密度适宜、导热系数低的EPS板作为外墙保温材料。
2. 粘结剂:选用适合EPS板粘接的专用粘结剂。
3. 外墙保温网格布:用于加强外墙保温层的强度。
4. 防护层:选用耐候性好、抗碱性强的防水、防裂涂料。
5. 扣条及螺钉:用于固定EPS板和保温网格布。
三、施工流程1. 清理墙面:将墙面清理干净,清除油污、灰尘等杂物。
2. 粘结剂涂抹:从基层正中心开始涂抹粘结剂,采用V字型或十字型涂抹方法,将粘结剂均匀涂抹在墙面上。
3. EPS板安装:将涂有粘结剂的墙面上贴上EPS板,按照从下到上的顺序一片片贴好。
4. 胶槽开设:在EPS板的四周开设胶槽,用以安装保温网格布。
5. 保温网格布安装:将保温网格布按照规定的位置和间距,用扣条固定在胶槽内。
6. 粘结剂抹涂:在保温网格布上涂刷一层粘结剂,使其牢固粘结。
7. 第二次粘结剂抹涂:等第一次粘结剂固化后,再涂抹一次粘结剂,以增强保温层和背面墙体的粘结力。
8. 纹理处理:等粘结剂固化后,用刮板将保温层表面的凹凸不平处进行调整,使其表面平整。
9. 基层处理:在保温层表面涂抹防水、防裂涂料,保护保温层免受紫外线和风雨的侵蚀。
10. 定型处理:在保温层表面刷上饰面层,使其颜色和风格符合建筑的整体效果。
11. 竣工验收:施工完成后,进行竣工验收,确保施工质量符合要求。
四、施工注意事项1. 施工前需检查墙面的平整度和墙体的结构稳定性,如发现有不稳定的地方需进行修复。
2. 在施工过程中,注意保持施工环境的清洁,避免尘土、水份等杂物进入施工区域。
3. 涂抹粘结剂时,要均匀涂抹,注意控制涂胶层的厚度,避免过厚或过薄。
4. 粘结剂和保温材料的配比需按照施工规范进行,避免配比不当而导致工程质量问题。
外墙内保温工程技术规程(施工工艺及验收规范)要了解外墙保温施工工艺,首先就要了解什么是外墙保温。
外墙保温多种多样,传统外墙保温,是由聚合物砂浆、玻璃纤维网格布、阻燃型模塑聚苯乙烯泡沫板(EPS)或挤塑板(XPS)等材料复合而成,现场粘结施工。
新型保温装饰一体化板是通过流水线生产,集保温、防水、饰面等功能于一体,是满足当前房屋建筑节能需求,提高工业与民用建筑外墙保温水平的优选材料,也是对既有建筑节能改造的首选材料。
外墙保温可以对房子有一定的保温隔热作用,让房子有一定的冬暖夏凉的效果,外墙保温施工工艺怎么样呢?外墙保温材料有哪些?第一:苯板,苯板现在运用的较多,但其保温效果并不理想,会吸水,所以用苯板的话一般会做一些防水措施。
第二:挤塑板,挤塑板相较苯板要好很多,导热系数比苯板低,价格稍高一点。
第三:聚氨酯,是保温材料里相对高端的一种,也是性能最好的一种,一般来说运用于一些对这方面要求极其严格的地方,而且因为它价格高,住宅有的较少。
第四:玻璃棉与岩棉,玻璃棉与岩棉在性能上有很多相似之处,很多人也很容易混淆,但因为玻璃棉手感好于岩棉,故其价格一般比岩棉高。
外墙保温施工范围1、本规程适用范围:以聚苯板为保温材料、聚合物粘结砂浆为粘结材料、聚合物抹面砂浆做抹面层、耐碱玻璃纤维涂塑网格布为增强材料并辅以卡固钉进行锚固的工业与民用建筑外墙外保温系统的施工和验收。
2、产品材料要求:外墙保温施工所使用的所有材料技术性能,均应满足国家有关标准。
3、施工人员要求:根据工程大小和进度要求,组织好施工队伍。
在开工进场前,对施工人员进行思想、工艺、质量、安全等多方面的教育,以确保施工工程质量和工程的进度。
4、施工环境的要求:外墙保温施工的正常施工操作环境温度为5℃~35℃。
外墙外保温施工要求1、外墙和外门窗口施工及验收完毕,基面达到相关规定的要求。
2、外墙外保温系统正常施工的环境温度为5℃~35℃。
3、施工现场应做到路通、水通、电通。
膨胀聚苯板(EPS)薄抹灰外墙外保温系统施工及监理要点EPS薄抹灰外墙外保温系统是以聚合物砂浆为关键技术,与聚苯乙烯泡沫塑料板、耐碱玻璃纤维(下称“玻纤”)网格布共同组成的绝热保温系统。
该保温系统包括聚苯板胶粘剂粘结层、膨胀聚苯板保温层、抹面胶浆复合耐碱涂塑玻璃纤维网格布防护层以及饰面层等部分,集墙体保温、抗裂防护、装饰功能为一体。
通过对建筑物的外部围护结构进行保温隔热处理,可达到降低建筑能耗、改善居住环境等目的。
一、EPS薄抹灰外墙外保温系统特点1.1编制依据主要依据下列的规范、规程:《外墙外保温工程技术规程》(JGJl44—20040):《膨胀聚苯板薄抹灰外墙外保温系统》(JGl49—2003):《外墙外保温建筑构造(一)》(02J12-1):《住宅建筑构造》(03J930 1):《绝热用模塑聚苯乙烯泡沫塑料》(GBl0801.1—2002):《民用建筑热工设计规范》(6850176—93):《砌体工程施工质量验收规范》(GB50203—2002):《玻璃纤维制品试验方法》(JCl76—80):《聚氨酯建筑密封膏》(JC484—92):《耐碱玻璃纤维网格布》(JC/T841—1999):《民用建筑节能设计标准(采暖居住建筑部分)》(JGJ26—95):《建筑装饰装修工程质量验收规范》(68502l0—2001):《夏热冬冷地区居住建筑节能设计标准》(JGJl34—2001);《建筑涂料》(GB9153—88):《合成树脂乳液砂壁状建筑涂料》(JC/T24—2000);《住宅建筑节能工程施工质量验收规程》(DGJ08一113—2005)。
1.2外墙外保温系统组成如图1所示。
图1外墙外保温系统组成1.2.1聚苯板胶粘剂粘结层。
采用聚合物砂浆进行粘贴保温板,其高强、高粘结力的特点能够保证整个外保温系统的安全可靠。
1.2.2膨胀聚苯板保温层。
膨胀聚苯板具有容重轻、导热系数小的特点,其化学性能稳定,无有害物质的挥发,同时,在施工中运输方便,易于切割,是一种轻质、节能、环保的保温材料。
EPS外墙保温施工方法及验收规范EPS外墙保温施工工艺原材料要求:进入工地的原材料必须有出厂合格证或化验单。
1.聚苯乙烯板采用容重18-20kg/m3自熄型板材。
摆放平整,防止雨淋及阳光曝晒。
水泥为#普通硅酸盐水泥和425#硫铝酸盐水泥,水泥必须有出厂日期,凡有结块现象或出厂日期超过3个月的必须根据化验结果确定如何使用。
采用细度模数,筛除大于mm颗粒的砂子,其含泥量小于1%。
玻璃丝布必须放在干燥处,地面必须平整,摆放宜立放平整,避免相互交错摆放。
基层处理做EPS外墙保温系统的墙面应进行墙体抹灰,找平基层,墙面平整度用2m靠尺检测,其平整度≤3mm,阴、阳角方正。
局部不平整超限度部位用1:2水泥砂浆找平。
基层表面应光滑、坚固、干燥、无污染或其它有害的材料。
墙外的消防梯、水落管、防盗窗预埋件或其它预埋件、进口管线或其它预留洞口,应按设计图纸或施工验收规范要求提前施工。
施工要求:施工温度不应低于5℃,而且施工完成后,24小时内气温高于5℃。
夏季高温时,不宜在强光下施工。
级风以上或雨天禁止作业。
抹找平层前,抹灰部位根据情况提前半个小时浇水。
找平层用1:3水泥砂浆。
窗口,窗膀水平角及垂直角要挂线施工。
科龙EPS外墙保温系统的施工施工程序基面检查或处理→工具准备→阴阳角、门窗膀挂线→基层墙体湿润→配制聚合物砂浆,挑选EPS板→粘贴EPS板→EPS板塞缝,打磨、找平墙面→配制聚合物砂浆→EPS板面抹聚合物砂浆,门窗洞口处理,粘贴玻纤网,面层抹聚合物砂浆→找平修补,嵌密封膏→外饰面粘贴EPS板工具明细1.锯条或刀锯2.打磨EPS板的粗砂纸挫子或专用工具3.小压子或铁勺4.铝合金靠尺5.铁卷尺6.线绳、线坠7.墨斗配料工具1.铁灰槽(建议1m×0.4m×0.3m)2.小铁平锹3.提漏(1kg/个或5kg/个)4.塑料桶(建议能装15kg水泥作为量桶)5.铁筛网(16目)4.粘贴聚苯乙烯板(EPS板)1.配制聚合物砂浆必须有专人负责,以确保搅拌质量。
2.把桶盖逆时针旋转打开,用搅拌器或其它工具将粘结剂重新搅拌,避免粘结剂出现分离现象,搅拌适度,以免出现质量问题。
3.聚合物砂浆配合比为:KL粘结剂:425#普通硅酸盐水泥:砂子(用16目筛底):=1::(重量比)4.将水泥、砂子用量桶称好后倒入铁灰槽中进行混合,搅拌均匀后按配合比加入粘结剂,进行搅拌,5.搅拌必须均匀,避免出现离析,呈粥状。
根据和易性可适当加水,加水量为粘结剂的5%。
6.水为混凝土用水。
7.聚合物砂浆应随用随配,配好的聚合物砂浆最好在1小时之内用光。
聚合物砂浆应于阴凉放置,避免阳光曝晒。
8.聚苯板粘贴前若墙体干燥应预先撒水湿润。
聚苯板自上而下逐步粘贴,贴板前应先挂好垂直线,水平线,跟线贴板。
铺好的板为了防止上下滑,用U钩将上下两层拉住临时固定。
上下两层板必须错缝搭接,搭接长度不宜小于1/3板长,阴阳角处咬茬搭接。
9.聚苯板粘贴时,在苯板上打点,如每块板上(600mm×600mm为例)16个点,边缘点距板边25mm为宜,砂浆点直径为60mm左右,厚度为10mm;粘贴直径100mm,厚度为2-3mm,点中心距为150mm-200mm,粘贴墙体面积为EPS板的30%。
10.门窗洞口周边、勒脚、变形缝、女儿墙、其它埋件周边满打聚合物砂浆。
带宽60mm,厚度10mm,再在聚苯板(600mm×600mm)余下部分涂12个点。
粘贴墙体面积为EPS板的50%。
11.贴聚苯板时,所有粘结点与基层同时接触,双手用力均匀左右揉动5-7次,使聚合物砂浆与墙面粘牢。
12.粘贴聚苯板时,先从门窗洞口周边开始粘贴,需切割的板块放在中间。
13.雨蓬、勒角、变形缝处粘贴时应做翻包处理,将宽度200mm-260mm的标准网与墙面粘结,粘结宽度为70mm。
14.基层上粘贴的聚苯板,板与板之间缝隙不得大于2mm,板面垂直、平整,允许偏差不超过3mm,板面高低差不得超过1.5mm。
15.粘贴时挤出板侧的聚合物砂浆应用灰刀清除干净。
16.对下料尺寸偏差或切割等原因造成的板间小缝,应用聚苯板裁成合适的小片塞入缝中。
17.聚苯板粘贴一定面积后,用2m靠尺进行检查,将板压平、压实,进行初步找平,为下一道工序做好准备。
18.待苯板粘贴24小时后方可进行打磨,用粗砂纸挫子或专用工具对整个墙面打磨一遍,打磨时不要沿板缝平行方向,而是作轻柔圆周运动将不平处磨平,墙面打磨后,应将聚苯板碎屑清扫干净,随磨随用2m靠尺检查平整度。
19.网布必须在聚苯板粘贴24小时以后进行施工,并保证先安排朝阳面抹布工序。
20.女儿墙压顶或凸出物下部,应预留5mm缝隙,便于网格布嵌入。
21.装饰分格条须在EPS板粘贴24小时后用分隔线开槽器挖槽。
22.EPS板板边除有翻包网格布的可以在EPS板侧面涂抹聚合物砂浆,其他情况均不得在EPS板侧面涂抹聚合物砂浆。
4.粘贴玻璃纤维网格布4.工具明细1.铁灰槽(建议1m×0.4m×0.3m)8.刀或剪刀2.小铁平锹9.铁抹子3.提漏(1kg/个或5kg/个)10.木靠尺4.塑料桶(建议能装15kg水泥作为量桶)11.线绳、线坠5.铁筛网(18目)12.刷子6.小压子13.分格线开槽器7、木板条(截面为25mm×15mm×10mm)4.粘贴玻璃纤维网格布方法1.配制聚合物砂浆必须专人负责,以确保搅拌质量。
2.把桶盖逆时针旋转打开,用搅拌器或其它工具将粘结剂重新搅拌,避免粘结剂出现分离现象,搅拌适度,以免出现质量问题。
3.聚合物砂浆配合比为:KL粘结剂:425#硫铝酸盐水泥:砂子(用18目筛底):=1::(重量比)。
4.水泥、砂子用量桶称好后倒入铁灰槽中进行混合,搅拌均匀后按配合比加入粘结剂,进行搅拌,搅拌必须均匀,避免出现离析,呈粥状。
根据和易性可适当加水。
5.水为混凝土用水。
6.聚合物砂浆应随用随配,配好的聚合物砂浆最好在1小时之内用光。
聚合物砂浆应于阴凉放置,避免阳光曝晒。
7.按预先需要长度、宽度从整卷玻纤网布上剪下网片,留出必要的搭接长度或重叠部分的长度。
8.在干净平整的地方剪断,下料必须准确,剪好的网布必须卷起来,不允许折叠,不允许踩踏。
9.在建筑物阳角处做加强层,加强层应贴在最内侧,每边150mm。
10.涂抹第一遍聚合物砂浆时,应保持EPS板面干燥,去除板面有害物质或杂质。
11.在聚苯板表面刮上一层聚合物砂浆,所刮面积应略大于网布的长或宽,厚度应一致约为2mm,除有包边要求者外,聚合物砂浆不允许涂在聚苯板侧边。
12.刮完聚合物砂浆后,应将网布置于其上,网布的弯曲面朝向墙,从中央向四周施抹涂平,使网布嵌入聚合物砂浆中,网布不应皱折,待表面干后,再在其上施抹一层聚合物砂浆,厚度 1.0mm,网布不应外露。
13.网布周边搭接长度不得小于70mm,在被切断的部位,应采用补网搭接,搭接长度不得小于70mm。
14.门窗膀周边应做加强层,加强层网格布贴在最内侧.若门窗框外皮与基层墙体表面距大于50mm,网格布与基层墙体粘贴。
若小于50mm需做翻包处理。
大墙面铺设的网格布应嵌入门窗框外侧粘牢。
15.门窗口四角处,在标准网施抹完后,再在门窗口四角加盖一块200mm×300mm标准网,与窗角平分线成90度角放置,贴在最外侧,用以加强;在阴角处加盖一块200mm长,宽度适窗膀宽度标准的网片,贴在最外侧。
16.一层窗台以下,为了防止撞击带来的伤害,应先安置加强型网布,再安置标准型网布。
加强网格布应对接。
17.安置加强层的施工方法与标准型网布相同。
18.墙面粘贴的网格布应覆盖在翻包的网格布上。
19.网布自上而下施抹,同步施工先施抹加强型网布,再做标准型网布20.网布粘完后应防止雨水冲刷或撞击,容易碰撞的阳角,门窗应采取保护措施,上料口部位采取防污染措施,发生表面损坏或污染必须立即处理。
21.施工后保护层4小时内不能被雨淋。
22.保护层终凝后及时喷水养护,昼夜平均气温高于15℃时不得少于48小时,低于15℃时不得少于72小时。
EPS外墙保温施工工艺(二)(系统二)原材料要求:进入工地的原材料必须有出厂合格证或化验单。
.2聚苯乙烯板采用容重18-20kg/m3自熄型板材。
摆放平整,防止雨淋及阳光曝晒。
水泥为#普通硅酸盐水泥和425#硫铝酸盐水泥,水泥必须有出厂日期,凡有结块现象或出厂日期超过3个月的必须根据化验结果确定如何使用。
采用细度模数,筛除大于mm颗粒的砂子,其含泥量小于1%。
1.玻璃丝布必须放在干燥处,地面必须平整,摆放宜立放、平整,避免相互交错摆放。
基层处理做EPS外墙保温系统的墙面应进行墙体抹灰,找平基层,墙面平整度用2m靠尺检测,其平整度≤3mm,阴、阳角方正。
局部不平整超限度部位用1:2水泥砂浆找平。
基层表面应光滑、坚固、干燥、无污染或其它有害的材料。
2.墙外的消防梯、水落管、防盗窗预埋件或其它预埋件、进口管线或其它预留洞口,应按设计图纸或施工验收规范要求提前施工。
施工要求:施工温度不应低于5℃,而且施工完成后,24小时内气温高于5℃。
夏季高温时,不宜在强光下施工。
四级风以上或雨天禁止作业。
3.抹找平层前,抹灰部位根据情况提前半个小时浇水。
找平层用1:3水泥砂浆。
窗口,窗膀水平角及垂直角要挂线施工。
科龙EPS外墙保温系统的施工施工程序基面检查或处理→工具准备→阴阳角、门窗膀挂线→基层墙体湿润→配制聚合物砂浆,挑选EPS板→粘贴EPS板→EPS板塞缝,打磨、找平墙面→配制聚合物砂浆→EPS板面抹聚合物砂浆,门窗洞口处理,粘贴玻纤网,面层抹聚合物砂浆→找平修补,嵌密封膏→外饰面粘贴EPS板工具明细1.锯条或刀锯2.打磨EPS板的粗砂纸挫子或专用工具3.小压子或铁勺4.铝合金靠尺5.铁卷尺6.线绳、线坠7.墨斗配料工具1.铁灰槽(建议1m×0.4m×0.3m)2.小铁平锹3.提漏(1kg/个或5kg/个)4.塑料桶(建议能装15kg水泥作为量桶)5.铁筛网(16目)4.粘贴聚苯乙烯板(EPS板)1.配制聚合物砂浆必须有专人负责,以确保搅拌质量。
2.把桶盖逆时针旋转打开,用搅拌器或其它工具将粘结剂重新搅拌,避免粘结剂出现分离现象,搅拌适度,以免出现质量问题。
3.聚合物砂浆配合比为:KL粘结剂:425#普通硅酸盐水泥:砂子(用16目筛底):=1::(重量比)4.将水泥、砂子用量桶称好后倒入铁灰槽中进行混合,搅拌均匀后按配合比加入粘结剂,进行搅拌,搅拌必须均匀,避免出现离析,呈粥状。
根据和易性可适当加水。
5.水为混凝土用水。
6.聚合物砂浆应随用随配,配好的聚合物砂浆最好在1小时之内用光。
聚合物砂浆应于阴凉放置,避免阳光曝晒。
7.聚苯板粘贴前若墙体干燥应预先撒水湿润。