中国移动IP承载网网络资源命名要求规范(V2.1.5)
- 格式:docx
- 大小:60.32 KB
- 文档页数:35
04-03-中国移动综合网络资源管理系统技术规范资源编码方法(v 10中国移动通信企业标准QB-×××-×××-××××中国移动综合网络资源管理系统技术规范资源编码方法Integrated Network Resource Management System:Resource Objects Coding版本号 1.0.02008-××-××发布2008-××-××实施QB-××-×××-××××中国移动通信集团公司发布目录前言 (IV)1范围 (1)2规范性引用文件 (1)3参照字符集 (2)4资源编码的定位 (2)5资源编码的编码原则 (3)6公共资源的机器编码 (3)7设备的机器编码 (5)7.1设备57.2机架77.3机框87.4槽位97.5板卡107.6端口128连接的机器编码 (14)9编制历史 (16)10修订详细记录 (16)11附录 (17)11.1省份和地市拼音缩写 (17)11.2设备类型英文缩写规则 (33)11.3带宽类型符号规则 (40)前言本规范书是根据相关标准,结合中国移动通信集团公司和省公司具体情况制订的。
编写格式和方法采用我国标准化工作导则的有关规定。
本规范的主要目的是统一中国移动通信集团公司资源编码的命名方法。
本规范只适用于中国移动通信集团公司,尚有待于在具体实施过程中不断地补充和完善。
中国移动通信集团公司拥有本规范的知识产权。
中国移动通信集团公司保留对此规范书的解释权和修改权。
本规范是中国移动综合网络资源管理系统技术规范系列之一,该系列规范的结构、名称如下:序号标准编号标准名称[1] QB-X-XXX-XXXX 中国移动综合网络资源管理系统技术规范基站资源关系管理需求分册[2] QB-X-XXX-XXXX 中国移动综合网络资源管理系统技术规范空间资源管理需求分册[3] QB-X-XXX-XXXX 中国移动综合网络资源管理系统技术规范动力及配套资源管理需求分册[4] QB-X-XXX-XXXX 中国移动综合网络资源管理系统技术规范备品备件管理需求分册[5] QB-X-XXX-XXXX 中国移动综合网络资源管理系统技术规范通用功能分册[6] QB-X-XXX-XXXX 中国移动综合网络资源管理系统技术规范系统架构和接口分册[7] QB-X-XXX-XXXX 中国移动综合网络资源管理系统技术规范技术架构分册[8] QB-X-XXX-XXXX 中国移动综合网络资源管理系统技术规范资源命名规则发布子系统技术要求[9] QB-X-XXX-XXXX 中国移动综合网络资源管理系统技术规范空间资源命名规则[10] QB-X-XXX-XXXX 中国移动综合网络资源管理系统技术规范动力及配套资源命名规则[11] QB-X-XXX-XXXX 中国移动综合网络资源管理系统技术规范资源编码方法[12] QB-X-XXX-XXXX 中国移动综合网络资源管理系统技术规范空间资源模型[13] QB-X-XXX-XXXX 中国移动综合网络资源管理系统技术规范动力及配套资源模型[14] QB-X-XXX-XXXX 中国移动总部综合网络资源管理系统技术规范总册[15] QB-X-XXX-XXXX 中国移动总部综合网络资源管理系统技术规范基础功能规范[16] QB-X-XXX-XXXX 中国移动总部综合网络资源管理系统技术规范 IP承载网资源管理需求规范[17] QB-X-XXX-XXXX 中国移动总部综合网络资源管理系统技术规范应急资源调度管理需求规范本标准的附录A为资料性附录。
中国联通移动IP承载网业务接入规范中国联合网络通信有限公司网络分公司运行维护部2011年1月目 录一.前言 (4)二.移动IP承载网网络结构及路由规划 (5)1、骨干层网络结构 (5)2、接入层网络结构 (6)3、总体路由策略 (7)三.移动IP承载网MPLS VPN资源编码 (8)1、VRF名称及编码规划 (8)1.1华为设备VRF命名 (8)1.2阿朗设备VPN编码规划 (8)2、RD/RT值的分配 (10)2.1RD资源分配 (10)2.2RT资源分配 (15)四.移动IP承载网QOS规划 (17)1、承载的业务等级规划 (17)2、分类和标记 (17)2.1华为设备的分类和标记 (18)2.2阿朗设备的分类和标记 (19)3、队列调度和丢包策略 (20)4、QOS部署方案 (20)4.1CR、BR路由器部署 (20)4.2AR路由器部署 (20)五.移动IP承载网业务接入规范 (21)1、业务接入原则 (21)1.1业务接入方式 (21)方式一:配置专用CE路由器接入(推荐方式) (22)方式二:CE配置二层交换机,PE启动VRRP (23)方式三:个别业务系统直接接入PE (24)1.2PE-CE间的路由协议 (26)1.3QOS策略的部署 (27)2、主要业务VPN的接入实例 (27)2.1移动软交换长途汇接局业务 (27)2.1.1网络结构 (27)2.1.2VPN命名 (28)2.1.3RD/RT值分配 (28)2.1.4PE-CE路由协议 (29)2.1.5IP地址、端口规划及VLAN划分 (29)2.1.1QOS规划 (30)2.2移动软交换端局业务 (30)2.2.1网络结构 (31)2.2.2VPN命名 (31)2.2.3RD/RT值分配 (32)2.2.4PE-CE路由协议 (32)2.2.5IP地址、端口及VLAN规划 (32)2.2.6QOS规划 (33)2.33G IuPs业务 (34)2.3.1网络结构 (34)2.3.2VPN命名 (35)2.3.3RD/RT值分配 (35)2.3.4PE-CE路由协议 (36)2.3.5IP地址、端口及VLAN规划 (36)2.3.6QOS规划 (37)2.4GPRS业务 (38)2.4.1网络结构 (38)2.4.2VPN命名 (38)2.4.3RD/RT值分配 (39)2.4.4PE-CE路由协议 (39)2.4.5IP地址、端口及VLAN规划 (39)2.4.6QOS规划 (40)2.5增值业务平台 (40)2.5.1网络结构 (41)2.5.2VPN命名 (41)2.5.3RD/RT值分配 (41)2.5.4PE-CE路由协议 (42)2.5.5IP地址、端口规划及VLAN ID划分 (42)2.5.6QOS规划 (43)一.前言移动业务的承载,对IP承载网的中继带宽、网络可靠性和安全性、QoS保障、MPLS VPN业务支撑能力及其可管理性提出了严格的要求,为了规范中国联通移动IP承载网MPLS VPN业务接入方式以及相关的数据配置,满足移动业务发展需要,确保网络安全稳定运行,保证业务通信服务质量,特编制本规范。
中国移动城域网IPRAN接入设备技术规范1. 简介城域网(Metropolitan Area Network,简称MAN)是指覆盖一个城市范围内的计算机网络,为城市提供高速数据通信和互联互通的基础设施。
中国移动作为国内领先的电信运营商之一,为了满足城市内优质通信需求,采用了IPRAN(Internet Protocol Radio Access Network)接入设备技术。
本文档将介绍中国移动城域网IPRAN接入设备的技术规范,包括硬件规范、软件规范、安全规范等方面。
2. 硬件规范2.1 设备类型中国移动城域网IPRAN接入设备主要包括以下类型:•路由器(Router):用于实现数据包的转发和路由选择,负责不同网络节点之间的互联。
路由器通常具有多个以太网接口和广域网接口。
•交换机(Switch):用于实现局域网内各设备之间的通信,主要负责数据包的交换和转发。
交换机通常具有多个以太网接口。
•防火墙(Firewall):用于保护网络免受非法访问和攻击,主要负责网络安全策略的实施和控制。
防火墙通常具有多个以太网接口和广域网接口。
2.2 设备性能中国移动城域网IPRAN接入设备的性能要求如下:•路由器性能:支持高速数据传输,具有大缓存和高处理能力,能够处理大量的数据包转发和路由选择任务。
•交换机性能:具有快速的数据包交换能力,支持高速局域网内设备之间的通信。
•防火墙性能:具有高效的安全策略实施和控制能力,能够及时识别和阻止非法访问和攻击。
2.3 设备接口中国移动城域网IPRAN接入设备的主要接口类型包括以下几种:•以太网接口(Ethernet Interface):用于与局域网中其他设备进行连接,支持高速数据传输。
•广域网接口(Wide Area Network Interface):用于与广域网中其他网络节点进行连接,支持远程访问和互联互通。
•管理接口(Management Interface):用于设备的远程管理和配置,支持通过网络进行管理和控制。
中国移动机房/基站标签标识规范China Mobile communication station /baseLabel Specification2010年10月目录1. 总则 (1)2. 机房/基站 (1)2.1 机房标签 (1)2.2 基站标签 (2)3. 设备及机柜 (3)3.1 设备机柜(机架)标签 (3)3.2 传输网元设备标签 (4)3.3 设备机盘标签 (5)3.4 列头柜标签 (5)3.5 电源设备机柜标签 (6)3.6 机架内空开、熔丝、蓄电池单体标签 (7)3.6.1空开(熔丝)标签 (7)3.6.2空开(熔丝)标签蓄电池组单体电池标签 (7)4. 光缆配线架(ODF) (8)4.1ODF机架架顶标签 (8)4.2光缆配线模块(ODM)标签 (8)4.3光配线盘标签 (9)4.4ODF端子标签 (9)4.4.1外线出入局ODF (9)4.4.2波分设备与SDH设备之间的ODF (9)4.4.3电路调度ODF(直接承载业务) (9)5. 数字配线架(DDF)标签 (10)5.1DDF机架架顶标签 (10)5.2DDM(数字配线模块)标签 (10)5.3数字配线端子标签 (10)5.3.1 业务上下点的DDF标签 (11)5.3.2 跳接点的DDF标签 (11)5.3.3 BITS设备的DDF (11)6. 线缆标签 (12)6.1尾纤/跳线标签 (12)6.22M线标签 (13)6.3网线标签 (14)6.4电源线、电缆 (14)6.5馈线 (15)6.6天线 (15)6.7光缆 (16)7 机房环境标识 (17)7.1机房铭牌 (17)7.2清洁用品、维护记录 (18)7.3安全标识 (18)7.4信号覆盖牌 (21)中国移动通信网络资源标签规范1.总则1.本规范包含对机房/基站、机柜、机架、各专业设备、配线架(DDF/ODF)、各种线缆、机房环境等的标签、标识规定。
2.本规范适用于中国移动通信集团公司的传送网,传输网、同步网、核心网、数据网、无线网、IP承载网及电源资源的机房标签、标识应用。
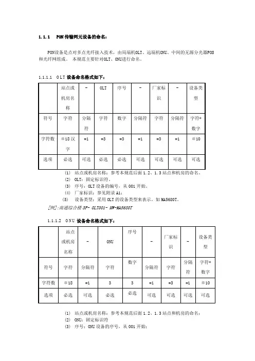
1.1.1PON传输网元设备的命名:PON设备是点对多点光纤接入技术,由局端机OLT、远端机ONU、中间的无源分光器POS 和光纤网组成。
本规范主要针对OLT、ONU进行命名。
1.1.1.1OLT设备命名格式如下:(1)站点或机房名称:参考本规范后面1.2、1.3站点和机房的命名。
(2)OLT:固定标识符。
(3)序号:OLT设备的编号,从001开始。
(4)厂家标识:参见附录A1:(5)设备类型:采用OLT的设备类型来表示。
如MA5680T。
[例]:南通综合楼3F- OLT001- HW-MA5680TONU设备命名格式如下:1.1.1.2(1)站点或机房名称:参考本规范后面1.2、1.3站点和机房的命名;(2)ONU:固定标识符(3)序号:ONU设备的序号,从001开始;(4)厂家标识:参见附录A1(5)设备类型:采用ONU的设备类型来表示。
如HG850E。
[例]:南通田野服饰- ONU001- HW-HG850E1.2站点的命名站点在地理上表现为包含一个或多个通信机房的建筑物或建筑群。
站点的类型主要有:●局用站点:包括汇接局、数据骨干节点、枢纽楼等;●用户站点:指只为其提供传输或其他辅助设备的,而主用交换、数据等设备为用户自身所有的站点等;●接入网点:接入网设备所在的建筑物等;●基站点:指移动基站、无线基站所在的地点。
命名格式如下:说明:(1)所在城市:可以是地级市或县市名。
(2)站点名称:采用站点所在地理位置(马路、街道、建筑物、大厦、住宅小区等)的名称表示(为保持连贯性,现有机楼名称可以保持现状,也可按规则重新命名)。
(3)总长度:≤18个汉字。
省际长途传输站点中存在一干和二干设备,需要在集团和省网管系统中管理,要求省际长途传输站点全国统一命名,见附录A1;1.3机房的命名指包含在站点(机站)内的安装有传输通信设备及其他辅助设施或者光缆成端的房间。
说明:(1)所在站点名:该机房所在的站点的名称;(2)业务类别:如果可能指出机房的类型,如传输机房、综合机房、交换机房、数据机房、接入网机房、用户机房、卡类机房、计算机机房、地下进线间、微波机房等;或者用机房所在的楼层描述机房;(3)总长度:≤18个汉字。
中国移动技术规范文档编号:中国移动无线网资源命名规范(版本V1.0)文档版本:Version 1.0.0版权声明:版权归中国移动通信集团公司所有,未经中国移动通信集团公司书面许可,任何单位或个人不得以任何形式全部或部分使用和传播本技术规范。
发布日期:2010年5月发布单位:中国移动通信集团公司文档说明:本规范用于指导中国移动集团省级无线网设备资源的命名工作,中国移动通信集团公司保留对本规范的解释权和修改权。
以下同志参加了本规范初稿的编写工作,表示感谢!周抒江、李爱成等(本文档编号依照以下原则进行:x.y.z x: 大版本更新,文档结构变化y: 具体方案的更改,部分内容的修正z: 文字修改,奇数为包含对上一版修改记录的稿子偶数为对上修改稿的定稿)文档修改历史目录1.基站控制器设备命名规范 (6)1.1基站控制器设备命名原则 (6)1.2基站控制器设备命名规范 (6)1.3典型基站控制器设备命名示例 (7)1.4基站控制器设备属性命名规则 (7)2.基站设备命名规范 (8)2.1基站设备命名原则 (8)2.2基站设备命名规范 (8)2.3典型基站设备命名范例 (9)2.4基站设备属性命名规则 (9)3.小区命名规范 (10)3.1小区命名原则 (10)3.2小区命名规范 (10)3.3典型小区命名范例 (11)3.4小区属性命名规则 (11)4.板卡命名规范 (11)4.1板卡命名原则 (11)4.2板卡命名规范 (12)4.3典型板卡命名范例 (12)4.4板卡属性命名规则 (12)5.端口命名规范 (13)5.1端口命名原则 (13)5.2端口命名规范 (13)5.3典型端口命名范例 (13)5.4端口属性命名规则 (13)6.电路命名规范 (14)6.1电路命名原则 (14)6.2电路命名规范 (14)6.3典型电路命名范例 (15)6.4电路属性命名规则 (15)7.铁塔命名规范 (15)7.1铁塔命名原则 (15)7.2铁塔命名规范 (15)7.3典型铁塔命名范例 (16)7.4铁塔属性命名规则 (16)8.天线命名规范 (17)8.1天线命名原则 (17)8.2天线命名规范 (17)8.3典型天线命名范例 (17)8.4天线属性命名规则 (17)9.OMC命名规范 (18)9.1OMC命名原则 (18)9.2OMC命名规范 (18)9.3典型OMC命名范例 (19)9.4OMC属性命名规则 (19)10.CE命名规范 (19)10.1 CE命名原则 (19)10.2CE命名规范 (19)10.3典型CE命名范例 (20)10.4CE属性命名规则 (20)11.覆盖延伸系统设备命名规范 (20)11.1覆盖延伸系统设备命名原则 (20)11.2覆盖延伸系统设备命名规范 (21)11.3典型覆盖延伸系统设备命名范例 (21)11.4覆盖延伸系统设备属性命名规则 (21)附录一:中国移动本地网名称和英文缩写对照表 (23)附录二:网元标识编码 (30)附录三:厂商标识编码 (30)附录四:网元标识编码 (31)附录五:端口标识编码 (31)1.基站控制器设备命名规范BSC为GSM系统中的基站控制器,RNC为TD-SCDMA系统中的基站控制器,资管系统中可用两张表格描述。
中国移动通信企业标准中国移动空间资源命名规范I n t e g r a t e d N e t w o r k R e s o u r c e M a n a g e m e n tS y s t e m:S p a t i a l R e s o u r c e s N a m i n g R u l e版本号:2.0.02010-9-1发布2010-9-1实施中国移动通信集团公司发布目录1范围 (1)2规范性引用文件 (1)3术语、定义和缩略语 (1)4参照字符集 (1)5公共资源的命名原则 (1)6公共资源命名的维护原则 (1)7站点命名规则 (2)8机房命名规则 (2)9省份和本地网拼音缩写 (3)10其他公共资源命名规则描述 (4)11编制历史 (4)12附录A 省份和地市拼音缩写 (4)前言本标准是根据相关标准,结合中国移动通信集团公司和省公司具体情况制订的。
编写格式和方法采用我国标准化工作导则的有关规定。
本标准的主要目的是统一中国移动通信集团公司公共资源的命名。
本标准只适用于中国移动通信集团公司,尚有待于在具体实施过程中不断地补充和完善。
本标准是中国移动综合网络资源管理系统技术规范系列之一,该系列标准的结构、名称如下:序号标准编号标准名称[1] QB-W-040-2008 中国移动综合网络资源管理系统技术规范基站资源关系管理需求分册[2] QB-W-041-2008 中国移动综合网络资源管理系统技术规范空间资源管理需求分册[3] QB-W-042-2008 中国移动综合网络资源管理系统技术规范动力及配套资源管理需求分册[4] QB-W-043-2008 中国移动综合网络资源管理系统技术规范备品备件管理需求分册[5] QB-W-044-2008 中国移动综合网络资源管理系统技术规范通用功能分册[6] QB-W-045-2008 中国移动综合网络资源管理系统技术规范系统架构和接口分册[7] QB-W-046-2008 中国移动综合网络资源管理系统技术规范技术架构分册[8] QB-W-047-2008 中国移动综合网络资源管理系统技术规范资源命名规则发布子系统技术要求[9] QB-W-048-2008 中国移动综合网络资源管理系统技术规范空间资源命名规则[10] QB-W-049-2008 中国移动综合网络资源管理系统技术规范动力及配套资源命名规则[11] QB-W-050-2008 中国移动综合网络资源管理系统技术规范资源编码方法[12] QB-W-051-2008 中国移动综合网络资源管理系统技术规范空间资源模型[13] QB-W-052-2008 中国移动综合网络资源管理系统技术规范动力及配套资源模型本标准的附录A为资料性附录。
第一条数据网设备湖南移动通信数据专业设备范围:IP承载网设备,包括BR、AR、CE;MDCN设备;GPRS系统设备,包括:SGSN、GGSN、CG、FW、SW、DNS;短信系统设备,包括:梦网网关、行业网关、互通网关、短信中心、垃圾短信收端拦截平台、垃圾短信发端拦截平台、垃圾缓存系统、专家系统、LBS、1259系统、OTA、企信通、MISC、短彩内容跟踪平台、短号短信平台、DCS、Proxy设备;彩信系统设备,包括:彩信中心和相关网络设备等。
标签包括3个:1、设备机柜在机房空间行列位置标签(建议由机房负责人统一制定和粘贴);2、机柜标签(建议由机柜责任人负责粘贴);3、设备标签(建议由包机人负责粘贴)。
位置: 1、设备机柜在机房空间行列位置标签统一粘贴于设备机架或综合机柜顶端左侧;2、机柜标签贴在设备机柜在机房空间行列位置标签正下方。
3、设备标签:设备标签贴在设备面板左上方或显眼位置。
内容要求:包含不限于以下内容(1)设备名称; (2)设备类型;(3)设备别名;(4)设备覆盖范围;(5)设备负责单位;(6)负责人(或包机人);(7)联系方式。
格式范例:1、设备机柜在机房空间行列位置标签,参照空间资源要求,图例如下:长沙市区妙高峰八楼北机E6第一行为机架所在机房名称;第二行为机架行列编号。
2、机柜标签分两种情况:(1)对于机柜内放置同一套系统设备的机柜,格式如下:CSSGSN14BNK设备类型:设备别名:GSSGSN14BNK为机柜内放置的设备名称,与综合资源管理系统录入名称一致。
如果机柜内放置同一套系统的不同设备,对应位置填写能唯一标示该系统的系统名称;设备类型包括:路由器、交换机、防火墙、服务器等等;设备别名:设备中文名称或者其他便于外专业人员理解的设备命名;设备覆盖范围为:全省、或相关地市(如长沙、湘潭、株洲)等等;设备责任单位为:省网管中心数据室、长沙分公司**部门等等;责任人:为设备负责人或包机人;联系方式:责任人电话号码。
中国移动通信集团广东有限公司IP城域网资源命名规范中国移动通信集团广东有限公司二ΟΟ九年七月阅读指南本规范定义广东移动IP城域网网元设备、VPN实例、端口描述的命名原则和规则,用于指导工程建设及爱护工作中涉及的城域网设备、业务有关命名的配置和爱护工作,适合城域网工程建设人员、网络爱护治理人员阅读。
版本变更记录名目1. 范畴- 1 -2. 参考文献- 1 -3. 缩写词- 1 -4. 参照字符集- 2 -5. 网元设备命名规范- 2 -5.1 网元设备命名原则- 2 -5.2 网元设备命名规则- 3 -5.3 典型网元设备命名示例- 6 -6. VPN实例命名规范- 6 -6.1 VPN实例命名原则- 7 -6.2 VPN实例命名规则- 7 -6.3 典型VPN实例命名示例- 7 -7. 端口描述- 7 -7.1 IP城域网设备互联端口描述- 7 -7.2 业务专线端口描述- 9 -8. 附录- 12 -8.1 附1:广东移动本地网名称和英文缩写对比表- 12 -8.2 附2:中国移动IP承载网承载业务名称和VPN实例名称对比表-13 -8.3 附3:中国移动IP承载网VPN实例名称和业务类不对比表- 13 -范畴本规范定义广东移动IP城域网网元设备、端口等的命名原则,用于指导工程及爱护的网元设备命名、VPN命名及端口描述等。
参考文献下列标准所包含的条文,通过在本规范中引用而构成为本规范的条文。
本规范出版时,所示版本均为有效。
所有标准都会被修订,使用本规范的各方应探讨使用下列标准最新版本的可能性。
《中国移动CMNET省网网管系统技术规范》1.0版,2002年8月《中国移动通信网网元设备编码和路由命名原则》第一版,2002年3月《中国移动传送网资源命名规范》版本v1.0《中国移动IP承载网网络资源命名规范》版本v2.1《中国移动数据网资源命名规范》正式稿缩写词参照字符集本规范中所有的命名规则中用到的字符必须属于下面规定的字符集,字符集包括:汉字(一个汉字等于2个字符数);大写英文字母:A-Z;小写英文字母:a-z;阿拉伯数字:0-9;连接符:“-”(半角);斜线:“/”;其它符号包括:“.”,“+”,“×”(乘号),“λ”,“(”,“)”,“[”、“]”、“《”,“》”,“~”。
中国移动通信网路由组织规范I P承载网局数据设置原则分册WL-CZ-1-005-SJYZ-2013版本号:V1.0.22013-11-22发布2013-11-22实施目录前言 (4)范围 (5)术语、定义和缩略语 (5)1概述 (7)2总体要求 (7)3业务局数据设置原则 (7)3.1 业务描述 (7)3.2 VPN的设置及参数 (8)3.3 路由协议、路由策略参数 (9)3.4 链路配置 (11)3.5 CE与业务网元互联 (12)3.5.1 软交换信令业务 (12)3.5.2 软交换媒体业务 (14)3.5.3 信令网业务 (15)3.5.4 分布式HLR业务 (17)3.5.5 PCC业务 (17)3.5.6 Gb业务 (18)3.5.7 IUPS信令业务 (19)3.5.8 IUPS媒体业务 (19)3.5.9 IMS信令业务 (20)3.5.10 IMS媒体业务 (21)3.6 数据配置模板 (22)3.6.1 创建VPN实例 (22)3.6.2 创建OSPF进程 (23)3.6.3 配置路由策略 (27)3.6.4 配置并发布汇聚路由 (29)3.6.5 配置二层接口 (30)3.6.6 配置三层物理接口 (34)3.6.7 配置三层子接口 (37)3.6.8 配置静态明细路由 (39)3.6.9 配置VRRP (40)3.6.10 配置Trunk链路透传vlan (42)3.6.11 配置BFD并绑定静态路由 (45)3.6.12 配置发布明细路由 (46)3.6.13 CE-网元间开启OSPF (47)3.6.14 配置三层Trunk子接口 (48)3.6.15 配置BGP协议 (49)3.7 特例设备数据配置模板 (51)3.7.1 华为MGW媒体面特殊配置 (51)3.7.2 中兴软交换SS/MGW信令面特殊配置 (54)3.7.3 诺西软交换MGW信令面特殊配置 (56)3.7.4 华为BSC媒体面特殊配置 (57)4支撑局数据设置原则 (59)4.1 NTP对接数据设置原则 (59)4.2 网管平台对接数据设置原则 (59)4.3 数据配置模板 (59)5编制历史 (61)前言随着IP化的推进,公司CS域、PS域、IMS域、网管、支撑等大量业务均已通过IP承载网专用VPN进行承载。
5G逻辑基站命名规范为满足5G网络集中优化、维护和管理工作的需要,进一步加强5G无线基站命名的规范化管理,力求达到“见名知意”,现对5G逻辑基站命名制定指导原则(必填部分为标准格式要求,选填部分如有需求,建议按照总部格式,如无需求可不体现),具体如下:一、基站命名规范1、基站设备命名原则1)能表示出设备的地理位置和主覆盖区域信息;2)能表示出基站保障等级;3)能表示出基站设备的生产厂家;4)能表示出基站设备所属的网络类型;5)能表示出基站类型。
2、5G基站设备命名规范命名格式:地理位置(必填):由1-64个中文字符或英文字母组成,标识基站所覆盖的地理位置名称,若OMC中不支持中文基站名,可输入相对应的全拼(小写字母)或代码,如主覆盖绿城广场的基站应命名为"1Vchengguangchang基站地理位置中,一般包含基站所属地市、区县、乡镇、行政村等行政区信息以及主覆盖区信息。
以唯一确定一个地理位置为原则,兼顾直观性与规范性,地理位置格式不做格式强制要求,可按照省内习惯使用文字、代码、编号等方式表示。
所有基站的命名不能涉及敏感信息(详见第三部分)。
特殊的,对于室分基站,建议能够完全包含其无线覆盖范围,例如:某个室分gNB下挂3个小区,一个覆盖1至U2F,1个覆盖3到4F,一个覆盖A号电梯,则这个gNB名称为:XX楼1到4F和A号电梯,便于后期维护优化工作。
地理位置中不能出现易混淆的不规则字符,如冒号、顿号、双引号、单引号、星号、斜划线等特殊字符。
保障等级(选填):基站地理位置后的保障等级表示,加入“VIP”或“VVIP”字段表示站点重要等级。
分隔符(必填):基站地理位置后的分隔符,统一用“-"(半角字符)表示。
基站名称其余位置不允许出现例如“1-9层”应表示为“1到9层”。
标识位,包括厂商标识(必填)、网络制式(必填)、基站类型(必填)信息,由3位字符组成,详情见下表:3、典型5G基站命名样例:花园商厦站(华为5G室外VIP宏站):金水区花园商厦VIP-H5H,标红部分选填。
中国移动数据网资源命名规范中国移动作为国内主要的移动通信运营商之一,为了更好地管理和利用移动数据网资源,制定了移动数据网资源命名规范。
该规范旨在保证资源命名的统一、规范和易管理,提升网络运维效率和服务质量。
本文将详细介绍中国移动数据网资源命名规范的主要内容。
一、命名规则1. 命名长度资源名称的长度一般不超过32个字符,包括字母、数字和特殊字符。
为了避免命名冲突和混淆,建议使用短小、简洁、有意义的名称。
2. 命名字符范围资源命名只能使用英文字母(不区分大小写)、数字和特殊字符(如短划线“-”和下划线“_”等)。
禁止使用空格、中文字符、特殊符号以及转义字符等。
3. 命名规范资源命名应遵循以下规范:- 使用有意义的名称,能够直观表达资源的用途和功能;- 尽量使用英文单词或常用缩写形式,避免使用拼音或简写;- 采用驼峰命名法或下划线分隔命名法,确保命名清晰易读;- 在命名中可以添加资源的类型或作用,以区分不同的资源。
二、命名分类根据移动数据网资源的不同类型,将资源命名分为以下几个分类:1. 网络设备命名网络设备如路由器、交换机等应按照其所在位置、功能或类型进行命名。
例如,位于北京的核心路由器可以命名为"BJ-Core-Router",交换机可以根据所在楼层和用途命名,如"L2-5F-Server-Room-Switch"。
2. IP地址命名根据IP地址的用途和所属网络进行命名。
例如,用于办公区的IP 地址可以以"Office-"开头,后面跟上具体的楼层和设备名称;用于公共WLAN的IP地址可以以"Public-WLAN-"开头,后面跟上地区或场所的名称。
3. 子网命名子网命名应根据其所属IP地址段和用途进行命名。
例如,用于服务器的子网可以命名为"Server-Subnet",用于内部员工的子网可以命名为"Internal-Subnet"。
中国移动无线局域网终端技术规范1. 引言随着移动互联网的快速发展,无线局域网(Wireless Local Area Network,简称WLAN)在人们日常生活中的应用也越来越广泛。
而中国移动作为全球最大的移动通信运营商之一,也积极推动WLAN技术的发展与应用。
为了规范中国移动无线局域网终端的技术标准,提高用户体验和安全性,制定本技术规范。
2. 概述本技术规范主要针对中国移动无线局域网终端的技术要求进行规范和说明。
其中包括硬件要求、软件要求、网络与协议要求等方面的内容。
3. 硬件要求3.1 硬件平台:终端设备必须采用符合中国移动要求的硬件平台,包括处理器、内存、存储等。
3.2 网络接口:终端设备必须支持符合IEEE 802.11标准的无线网卡,并具备合理的天线设计和传输功率控制。
3.3 安全性要求:终端设备必须支持WPA2-PSK/AES加密,确保数据传输的安全性。
3.4 设备质量:终端设备必须符合相应的电磁兼容性和无线电频率标准,保证设备的质量和稳定性。
4. 软件要求4.1 操作系统:终端设备必须搭载符合中国移动要求的操作系统,如Android、iOS等。
4.2 驱动程序:终端设备必须配备符合中国移动要求的无线网卡驱动程序,确保设备与无线网络的正常连接。
4.3 安全性软件:终端设备必须预装符合中国移动要求的安全软件,如防火墙、杀毒软件等,保护用户不受恶意软件的侵害。
5. 网络与协议要求5.1 网络协议:终端设备必须支持符合IEEE 802.11标准的无线局域网协议,包括WiFi-5(802.11ac)或WiFi-6(802.11ax)等。
5.2 IP地址分配:终端设备必须支持动态主机配置协议(DHCP)或者手动设置IP地址,确保设备能够正常接入网络。
5.3 网络访问控制:终端设备必须支持统一的用户认证和访问控制机制,确保只有经过授权的用户能够接入网络。
5.4 漫游支持:终端设备必须支持无缝漫游,在不同的无线接入点之间实现平稳切换,提供更好的使用体验。
实用文案中国移动IP承载网网络资源命名规范版本号:2. 1. 52010-07-1 发布中国移动通信有限公司发布721描述原则 ................................................. .1.5.722描述规则 (15)7.2.3典型AR-CE端口描述示例 (20)8. 附录.......................................................... 21.8.1附1 :中国移动本地网名称和英文缩写对照表....................... 2.1 8.2附2:中国移动IP承载网承载业务名称和VPN实例名称对照表.. (29)8.3附3:中国移动IP承载网VPN实例名称和业务类别对照表 (31)刖言本规范是根据相关标准,结合中国移动IP承载网络具体情况制订。
编写格式和方法采用我国标准化工作导则的有关规定。
本规范主要目的是统一中国移动IP承载网网络资源的命名。
本规范适用于中国移动IP承载网络,尚有待于在具体实施过程中不断地补充和完善。
中国移动通信有限公司网络部拥有本规范的知识产权。
中国移动通信有限公司网络部保留对此规范书的解释权和修改权。
范围本规范定义中国移动IP承载网网元设备、端口等的命名原则,用于指导工程及维护的网元设备命名、VPN命名及端口描述等。
参考文献下列标准所包含的条文,通过在本规范中引用而构成为本规范的条文。
本规范出版时,所示版本均为有效。
所有标准都会被修订,使用本规范的各方应探讨使用下列标准最新版本的可能性。
本技术规范引用以下标准:-《中国移动CMNET省网网管系统技术规范》1.0版,2002年8月-《中国移动通信网网元设备编码和路由命名原则》第一版,2002年3月-《中国移动传送网资源命名规范》版本v1.0缩写词分。
5.2网元设备命名规则IP承载网网元设备的命名遵照如下格式:说明:(1 )“省名”、“地市名”字段命名规则:A • 直辖市(北京、上海、天津)的“省名”和“地市名”字段,均采用直辖市名字母缩写;直辖市(重庆)“省名”和“地市名”字段分别采用相应的字母缩写。
示例:北京CR1 : BJBJ-BB-IPNET-RT01-NE5000E重庆涪陵AR1 : CQFUL-BA-IPNET-RT01-NE40EB . 非直辖市“省名”和“地市名”字段:表示网元所处的实际地理位置,4-5个大写字母。
省名用2位大写字母表示;省会城市名用2 位大写字母表示,其他地市名用3位大写字母表示。
C. 省名、地市名字母简写参见附录一“中国移动本地网名称和英文缩写对照表”。
(2)“网络层次”:表示网元所处的网络层次,2个大写字母。
A .(3)“业务系统分类”:表示网元设备所属的网络。
对于IP承载网的网元设备此字段统一使用“ IPNET”。
(4) “网元功能”:表示网元设备的基本功能,网元功能的定义如下表所列(5) “序号”:当存在多台物理位置、网络层次、业务系统和网元功能均相同的设备时,用不同序号进行区分。
(6) “设备类型”:表示设备的生产厂商及设备型号。
“设备类型”字段严格按照下表规定填写,包括字母大小写5.3典型网元设备命名示例(1)广东IP承载网核心路由器1: GDGZ-BB-IPNET-RT01-NE5000EIP承载网路由反射器1 : GDGZ-BB-IPNET-RR01-NE40IP承载网广州汇聚路由器1: GDGZ-BC-IPNET-RT01-NE5000EIP承载网深圳汇聚路由器1:G DSZH-BC-IPNET-RT01-NE5000EIP承载网佛山接入路由器1:G DF0S-BA-IPNET-RT01-NE80E(2)江苏IP承载网核心路由器1 (兼汇聚路由器):JSNJ-BB-IPNET-RT01-NE5000EIP承载网无锡汇聚路由器 1 (兼接入路由器):JSWUX-BC-IPNET-RT01-GSR12816 IP承载网苏州接入路由器1:JSSUZ-BA-IPNET-RT01-GSR12416(3)山东IP承载网济南汇聚路由器2(兼接入路由器):SDJN-BC-IPNET-RT02-NE80EIP承载网青岛汇聚路由器2 (兼作接入路由器)SDQHD-BC-IPNET-RT02-NE5000EIP 承载网潍坊接入路由器2:SDWEF-BA-IPNET-RT02-GSR12416(4) 安徽:IP承载网汇聚路由器2(兼作接入路由器):AHHF-BC-IPNET-RT02-NE80EIP 承载网淮南接入路由器2:AHHNA-BA-IPNET-RT02-7750SR12VPN实例命名规范中国移动IP承载网全网统一采用BGP MPLS VPN作为全网业务、应用的组织方式。
在MPLS VPN中,不同VPN之间的路由隔离通过VPN实例实现。
AR 为每个直接相连的CE建立并维护专门的VPN实例。
VPN实例中包含对应CE的VPN成员关系和路由规则。
IP承载网的VPN实例的名称由中国移动通信有限公司网络部统一进行规划,其作用就是在名称上区别各个不同的VPN。
6.1 VPN实例命名原则(1)VPN命名在全网范围内命名唯一;(2)能表示出VPN所承载的业务范围(全国/省内);(3)能表示出VPN所承载的业务类别及子类别。
6.2 VPN实例命名规则IP承载网VPN实例的命名遵照如下格式:说明:(1)“客户名称”:表示VPN所承载的业务所属的客户名称。
对于中国移动自有业务该字段采用“ ChinaMobile ”,对于承载的大客户业务采用大客户名称的缩写。
(2)“业务范围”:表示VPN所承载业务所属的业务范围。
对于全网性业务该字段不写;对于省内的业务该字段采用“省名”的字母简写,“省名” 的字母简写参见附录一“中国移动本地网名称和英文缩写对照表”。
浙江“ DCN ” 业务:ChinaMobile_ZJ_DCN端口描述7.1 IP承载网设备互联端口描述7.1.1端口描述原则(1) 能表示出端口的对端网元设备;(2) 能表示出端口的对端网元设备端口编号;(3) 能表示出端口的类型;⑷能表示出端口的带宽。
注:如果多个物理接口链路聚合成一个逻辑接口使用,物理接口和逻辑接口下均要配置端口描述。
7.1.2端口描述规则IP承载网端口描述遵照如下格式:TO-【对端网元设备名称】-端口类型槽位号/适配卡序号/端口序号-端口带宽说明:(1) TO-:表示后面描述信息是对端网元的信息。
(2) 对端网兀设备名称:对端设备的名称(参见前5.2网兀设备命名规范)⑶“[”,“]” ,“-”,“/”:连接符。
(4) 端口类型:“端口类型”字段严格按照下表规定填写,包括字母大小写。
(5)槽位号:板卡槽位号为w 2位数字,根据该设备厂商的槽位编号规则确定该槽位号。
(6)适配卡序号:适配卡序号为1位数字,适用于一个槽位可插多块适配卡的设备。
根据该设备厂商对同一槽位中适配卡编号规则确定该适配卡序号。
对于一个槽位只插一块板卡的设备(无适配卡),该序号为0。
(7)端口序号:端口序号为w 2位数字,同一板卡上的端口按照厂商编号规则进行排序。
(8)端口带宽:表示端口带宽,单端口带宽类型包括2M、10M、100M、155M、1G、2.5G、10G等,如果是多条链路捆绑,则表示为:N*单端口带宽。
(N=1,2,3,4……)(备注:若是1条链路,也必须表示为1*单端口带宽)7.1.3典型设备端口描述示例北京CR1-北京CR2 :IP承载网北京CR1的POS3/0/0 连接到北京CR2的POS3/0/0,北京CR1的POS4/0/0 连接到北京CR2的POS4/0/0,端口带宽都是2.5G,两条链路都捆绑到逻辑接口ip-tru nk 1 。
(1)北京CR1的Ip-Trunk1 端口描述如下:T0-[BJBJ-BB-IPNET-RT02-NE5000E]-Ip-Tr un k1-2*2.5G(2)北京CR1的P0S3/0/0 端口描述如下:T0-[BJBJ-BB-IPNET-RT02-NE5000E]-P0S3/0/0-2.5G(3)北京CR1的POS4/0/0 端口描述如下TO-[BJBJ-BB-IPNET-RT02-NE5000E]-POS4/0/0-2.5G7.2 AR-CE端口描述7.2.1描述原则(1)能表示出端口的对端CE所承载的业务类别;(2)能表示出端口的对端CE设备名称和设备编号;(3)能表示出端口的对端CE设备型号;(4)能表示出端口的类型;(5)能表示出端口的对端端口编号;(6)能表示出端口的带宽。
注:如果使用物理接口划分逻辑子接口承载VPN业务,物理接口和逻辑接口下均要配置端口描述。
7.2.2描述规则7.2.2.1 AR-CE的物理端口描述规则(业务系统共用CE的情况除外)具体格式如下:TO-业务类别-【对端CE设备名称】-端口类型槽位号/适配卡号/端口序号-端口带宽示例:河南郑州软交换端局CE1: HAZZ-CE01-HWNE40E 江苏扬州软交换端局CE1: JSYZH-CE01-HWNE40湖南长沙软交换端局CE7: HNCS-CE07-CISC07609 (3 )端口类型:端口类型严格按照下表规定填写,包括字母大小写(4)槽位号:板卡槽位号为w 2位数字,根据该设备厂商的槽位编号规则确定该槽位号(5)适配卡序号:适配卡序号为1位数字,适用于一个槽位可插多块适配卡的设备。
根据该设备厂商对同一槽位中适配卡编号规则确定该适配卡序号。
对于一个槽位只插一块板卡的设备(无适配卡),该序号为0。
(6) 端口序号:端口序号为w 2位数字,同一板卡上的端口按照厂商编号规则进行排序。
(7) 端口带宽:表示端口带宽,单端口带宽类型包括2M、10M、100M、155M、1G、2.5G、10G 等。
AR-CE的子接口描述规则(业务系统共用CE的情况除外)具体格式如下:TO-业务类别-【对端CE设备名称】-端口类型端口编号-端口带宽说明:(1) “业务类别”字段:表示对端CE所承载的业务类型,使用业务VPN实例命名规范的简写,如果一个VPN实例内分多种情况,则在“VPN类别”后附加说明,之间使用“连接符,说明在能够区别业务类别的原则下尽量简单。
示例:软交换端局媒体业务,业务类别使用“ NGN_Media_D ”;TDCS多媒体彩铃业务媒体业务,业务类别使用“ TDCS_Media_CL ”。
现网已承载VPN实例名称与业务类别的对应关系参见附录三“中国移动IP承载网VPN实例名称和业务类别对照表”。
附录三会随着承载网承载业务的变化定期更新。
(2)对端CE设备名称:具体CE设备名称参见《CE设备命名规范》,CE设备命名包含:省名地市名(缩写)-CE编号-设备型号。