南通三建表5.3.1土方开挖工程检验批质量验收记录
- 格式:doc
- 大小:87.50 KB
- 文档页数:2
土方开挖工程检验批质量验收记录表
以下是经过格式修正和改写后的文章:
土方开挖工程检验批质量验收记录表
工程单位:(填写单位名称)
工程名称:(填写工程名称)
分部工程名称:(填写分部工程名称)
施工单位:(填写施工单位名称)
分包单位:(填写分包单位名称)
验收部位:(填写验收部位名称)
项目经理:(填写项目经理姓名)
分包项目经理:(填写分包项目经理姓名)
施工执行标准名称及编号:(填写施工执行标准名称和编号)
施工质量验收规范的规定:(填写施工质量验收规范的规定)
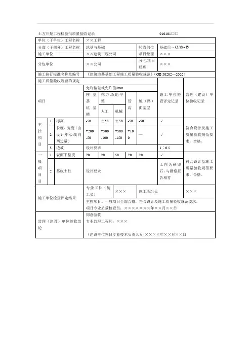
检验批编号:GB5xxxxxxxxxxxxx01□□□
本次检验批涉及的工程部位包括柱基、基坑、基槽、边坡、管沟、地(路)面基层等。
基底土性设计要求应符合规范规定。
表面平整度应满足设计中心线向两边量的要求,允许偏差为±30mm(人工)或
±50mm(机械)。
长度、宽度允许偏差为+200mm和-50mm。
边坡允许偏差为-100mm至-150mm,管沟允许偏差为+
300mm至+500mm,地(路)面基层允许偏差为+100mm至
-50mm。
施工单位应进行检查评定,并填写相应的记录。
监理(建设)单位应进行验收结论,并由专业监理工程师签字确认。
以上为本次土方开挖工程检验批质量验收记录表。
挖方场地平整土方开挖工程检验批质量验收记录话说这天,小明和他的朋友们正在工地上帮忙,他们的任务是负责挖方场地平整土方开挖工程的检验批质量验收。
小明可是第一次干这个活儿,心里既紧张又兴奋。
他知道,这个活儿可不能马虎,否则会影响到整个工程的质量。
于是,他下定决心,一定要把这个活儿干好。
小明和他的朋友们要对施工现场进行全面的检查。
他们要检查地面的平整度、坡度是否符合要求,还要检查挖掘机的工作性能是否良好。
小明一边检查,一边心里嘀咕:“这可不能马虎,得仔细点儿。
”他的朋友们也是如此,大家都在努力地确保施工现场的质量。
接下来,小明和他的朋友们要对挖掘出来的土方进行验收。
他们要检查土方的体积、密度是否符合要求,还要检查土方的杂质含量是否过高。
小明一边验收,一边心里想着:“这可不能马虎,得仔细点儿。
”他的朋友们也是如此,大家都在努力地确保土方的质量。
在验收过程中,小明和他的朋友们还要注意与其他工种的配合。
他们要与砌墙工、铺砖工等紧密配合,确保各个环节的质量。
小明一边配合,一边心里想着:“这可不能马虎,得仔细点儿。
”他的朋友们也是如此,大家都在努力地确保整个工程的质量。
经过一天的努力,小明和他的朋友们终于完成了挖方场地平整土方开挖工程的检验批质量验收。
他们累得满头大汗,但心里却充满了满足感。
因为他们知道,自己的努力确保了整个工程的质量,为建设美好家园做出了贡献。
晚上回家的路上,小明和朋友们还在谈论今天的工作。
他们都觉得这次经历让他们学到了很多东西,不仅仅是专业知识,还有团队合作的重要性。
小明说:“今天真是收获颇丰啊!我们不仅学会了如何检查施工现场的质量,还学会了如何与其他工种配合。
这些都是以后工作中必不可少的技能。
”他的朋友们纷纷表示赞同。
通过这次挖方场地平整土方开挖工程检验批质量验收的经历,小明和他的朋友们深刻地认识到了质量的重要性。
他们明白了,只有严格把关质量,才能保证整个工程的顺利进行,才能让人们住得更安心、更舒适。
土方开挖工程检验批质量验收记录表
文稿归稿存档编号:[KKUY-KKIO69-OTM243-OLUI129-G00I-FDQS58-
土方开挖工程检验批质量验收记录表GB50202-2002
土方回填工程检验批质量验收记录表GB50202-2002
模板安装工程检验批质量验收记录表GB50204-2002
模板拆除工程检验批质量验收记录表
GB50204-2002
钢筋加工检验批质量验收记录表
GB50204-2002
(Ⅰ)
钢筋安装工程检验批质量验收记录表GB50204-2002
现浇结构外观及尺寸偏差检验批质量验收记录表GB50204-2002
配筋砌体工程检验批质量验收记录表
装配式结构施工检验批质量验收记录表
GB50204-2002
(Ⅱ)
一般抹灰工程检验批质量验收记录表。