钢筋安装原始记录
- 格式:doc
- 大小:288.50 KB
- 文档页数:10
钢筋加工分项工程检验批质量检验现场检查原始记录以下是一个示例的钢筋加工分项工程检验批质量检验现场检查原始记录:
工程名称:XXXXXX
检验批编号:XXXXXX
检查日期:XXXX年XX月XX日
一、检查人员:
检查人员:XXX,XXX
二、检验批信息:
检验批部位:XXXXXXX
检验批规模:XXXX平方米
检验批类型:钢筋加工分项工程
三、钢筋加工分项工程检验批质量检验现场检查原始记录:
1. 钢筋材料检验:
钢筋规格与设计图纸相符,质量证明文件齐全;
钢筋表面无锈蚀、损伤,符合规范要求;
钢筋直径、弯曲角度等几何尺寸符合设计要求。
2. 钢筋加工工艺检验:
钢筋加工机械运行正常,精度符合要求;
钢筋调直、切断、弯曲等加工工艺符合规范要求;
钢筋焊接质量符合设计及规范要求,焊缝饱满、平整,无夹渣、气孔等缺陷。
3. 钢筋安装质量检验:
钢筋安装位置准确,间距均匀;
钢筋锚固长度符合设计要求,锚固方式正确;
钢筋连接方式符合设计要求,连接牢固可靠。
四、检查结果:
检查结果:合格
检查结论:该检验批钢筋加工分项工程质量符合设计及规范要求,可以验收。
检查人员签字:XXX,XXX 日期:XXXX年XX月XX日。
2017钢筋连接检验批:原始记录+范例+填写说明二、施工图纸结构总说明:检验批容量:在同一检验批内,对梁、柱和独立基础,应抽查构件数量的10%,且不应少于3件;对墙和板,应按有代表性的自然间抽查10%,且不应少于3间;对大空间结构,墙可按相邻轴线间高度5m左右划分检查面,板可按纵、横轴线划分检查面,抽查10%,且均不应少于3面。
(梁、柱和独立基础检验批容量单位为:件;板检验批容量单位为:间;墙检验批容量单位为:间/面;相应规范未对检验批容量进行限定,检验批容量为无限值。
)直螺纹连接:(一般用于基础筏板、柱、梁)电渣压力焊:(一般用于柱)绑扎连接:(一般用于基础筏板、柱、梁)图片仅供参考,具体连接方法根据实际施工确定。
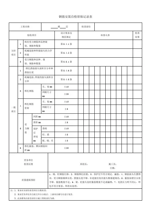
【规范名称及编号】《混凝土结构工程施工质量验收规范》GB50204-20155.4钢筋连接5.4.1 钢筋的连接方式应符合设计要求。
检查数量:全数检查。
检验方法:观察。
5.4.2 钢筋采用机械连接或焊接连接时,钢筋机械连接接头、焊接接头的力学性能、弯曲性能应符合国家现行有关标准的规定。
接头试件应从工程实体中截取。
检查数量:按现行行业标准《钢筋机械连接技术规程》JGJ107和《钢筋焊接及验收规程》JGJ 18的规定确定。
检验方法:检查质量证明文件和抽样检验报告。
5.4.3 钢筋采用机械连接时,螺纹接头应检验拧紧扭矩值,挤压接头应量测压痕直径,检验结果应符合现行行业标准《钢筋机械连接技术规程》JGJ 107的相关规定。
检查数量:按现行行业标准《钢筋机械连接技术规程》JGJ107的规定确定。
检验方法:采用专用扭力扳手或专用量规检查。
一般项目5.4.4 钢筋接头的位置应符合设计和施工方案要求。
有抗震设防要求的结构中,梁端、柱端箍筋加密区范围内不应进行钢筋搭接。
接头末端至钢筋弯起点的距离不应小于钢筋直径的10倍。
检查数量:全数检查。
检验方法:观察,尺量。
5.4.5 钢筋机械连接接头、焊接接头的外观质量应符合现行行业标准《钢筋机械连接技术规程》JGJ 107和《钢筋焊接及验收规程》JGJ 18的规定。
监理校核:检查:记录:** 验收日期:2015年月日
监理校核:检查:记录:** 验收日期:2015年月日
监理校核:检查:记录:** 验收日期:2015年月日
监理校核:检查:记录:** 验收日期:2015年月日
监理校核:检查:记录:** 验收日期:2015年月日
监理校核:检查:记录:** 验收日期:2015年月日
监理校核:检查:记录:** 验收日期:2015年月日
监理校核:检查:记录:** 验收日期:2015年月日
监理校核:检查:记录:** 验收日期:2015年月日
监理校核:检查:记录:** 验收日期:2015年月日
监理校核:检查:记录:** 验收日期:2015年月日
监理校核:检查:记录:** 验收日期:2015年月日
监理校核:检查:记录:** 验收日期:2015年月日
监理校核:检查:记录:** 验收日期:2015年月日。
模板安装检验批现场验收检查原始记录检验批容量:柱件,墙间
山东省建设工程质量监督总站监制
模板安装检验批现场验收检查原始记录
检验批容量:梁件,板间,楼梯4间
山东省建设工程质量监督总站监制
现浇结构外观及尺寸偏差检验批现场验收检查原始记录
检验批容量:柱件,墙间,电梯井4间
现浇结构外观及尺寸偏差检验批现场验收检查原始记录
检验批容量:梁件,板间 ,楼梯4间
山东省建设工程质量监督总站监制
钢筋安装检验批现场验收检查原始记录
检验批容量:柱件,墙件
山东省建设工程质量监督总站监制
钢筋安装检验批现场验收检查原始记录检验批容量:梁件,板间 ,楼梯4间
山东省建设工程质量监督总站监制钢筋连接工程直螺纹接头检验批现场验收检查原始记录
鲁
山东省建设工程质量监督总站监制钢筋加工检验批现场验收检查原始记录
检验批容量:HRB400Φ8、Φ10、Φ12、Φ14、Φ16
钢筋加工检验批现场验收检查原始记录
检验批容量:HRB400Φ8、Φ10、Φ12、Φ14、Φ16、Φ18、Φ19、Φ20、Φ22、Φ25
山东省建设工程质量监督总站监制。