空调冷媒管道隐蔽工程验收记录
- 格式:doc
- 大小:144.00 KB
- 文档页数:15
空调水管道隐蔽工程验收记录(立管保温前隐蔽)空调水管道隐蔽工程验收记录鲁TK—012 0 0 1 工程名称天元商务大厦施工单位天元建设集团有限公司分项工程名称冷热水系统安装监理(建设)单位济南中建建筑设计院环境温度25? 验收日期 2008.01.10 图号及管线号暖施-44 L1 L2 管径 DN20,80 数量 180m 材质无缝钢管、螺旋焊管接头形式焊接工作介质自来水防腐红丹防锈漆绝热离心玻璃棉管40、45 隐蔽方法: 简图及说明:立管系统1#保温绝热将保温棉管套在管道上,缠两道塑料布和玻璃丝布,压接紧密,与木砖等接缝处保温严密。
保温后,装饰工1、保温棉管规格如下:DN50-100保温棉厚度为40mm;DN125-300,保温棉厚度为45mm。
程吊顶 2、防潮层与绝热层紧密粘贴,环向搭接的缝口应朝向低端,纵向搭接缝位于管道侧面,并顺水。
3、水管穿楼板处,套管内保温棉填塞密实,管道与套管无接触;阀门等单独保温,并能单独拆卸。
4、外部金属保护壳应紧贴绝热层,接口的搭接应顺水,并有凸筋加强,采用自攻螺丝固定,螺钉间距匀称,并不得刺破防潮层,外表平整、美观。
验收结论施工单位监理(建设)单位试验人: 专业质量检查员: 项目专业技术质量负责人: 监理工程师:(建设单位项目专业技术负责人):(公章) (公章) 注:1、简图及说明应把坐标、标高、坡向、坡度及其他管线的相互关系等说明。
2、此表适应于给水、排水、采暖、通风、空调、消防等管道的隐蔽工程验收。
山东省建设工程质量监督总站监制空调水管道隐蔽工程验收记录鲁TK—012 0 0 2 工程名称天元商务大厦施工单位天元建设集团有限公司分项工程名称冷热水系统安装监理(建设)单位济南中建建筑设计院环境温度25? 验收日期 2008.01.14 图号及管线号暖施-44 L1 L2 管径 DN20,80 数量 180m 材质无缝钢管、螺旋焊管接头形式焊接工作介质自来水防腐红丹防锈漆绝热离心玻璃棉管40、45 隐蔽方法: 简图及说明:立管系统2#保温绝热将保温棉管套在管道上,缠两道塑料布和玻璃丝布,压接紧密,与木砖等接缝处保温严密。
隐蔽内容供回水管道按照设计要求的连接方式及管道标高安装保温完毕,铝板保护层0.5㎜。
1、管道保温后,与木衬垫接合处保温严密。
2、供回水管道与桥架、其他管道交叉处保温处理严密。
3、水管过墙处,套管内不燃材料填塞密实,管道与套管无接触;排气阀检查完毕,阀门等单独保温,保温层不影响阀门的操作。
4、经监理单位验收,管道防腐与绝热合格。
年 月 日 年 月 日 年 月 日 年 月 日专业工长:专业质量检查员:项目专业技术负责人:专业监理工程师:(建设单位项目专业负责人)接头形式焊接简图及说明:验收结论施工单位监理(建设)单位/管径/数量DN125-DN200隐蔽部位管道井工作介质水材 质无缝钢管77米分项工程名称管道、设备防腐与绝热监理(建设)单位环境温度2℃验收日期2019年1月6日鲁TK-023-001工程名称施工单位隐蔽内容供回水管道按照设计要求的连接方式及管道标高安装保温完毕1、管道保温后,与木衬垫接合处保温严密,标高满足吊顶要求。
2、供回水管道与桥架、其他管道交叉处保温处理严密。
3、水管过墙处,套管内不燃材料填塞密实,管道与套管无接触;排气阀检查完毕,阀门等单独保温,保温层不影响阀门的操作。
4、经监理单位验收,管道与设备的防腐与绝热合格。
管径/数量DN125-DN20077米年 月 日 年 月 日 年 月 日 年 月 日专业工长:专业质量检查员:项目专业技术负责人:专业监理工程师:(建设单位项目专业负责人)接头形式焊接/螺纹简图及说明:验收结论施工单位监理(建设)单位/隐蔽部位管道井工作介质水材 质镀锌钢管无缝钢管分项工程名称管道、设备防腐与绝热监理(建设)单位环境温度2℃验收日期2019年1月6日鲁TK-023-000工程名称施工单位DN125-DN20077米管径/数量年 月 日 年 月 日 年 月 日 年 月 日专业工长:专业质量检查员:项目专业技术负责人:专业监理工程师:(建设单位项目专业负责人)接头形式焊接/螺纹简图及说明:验收结论施工单位监理(建设)单位/隐蔽内容供回水管道按照设计要求的连接方式及管道标高安装保温完毕1、管道保温后,与木衬垫接合处保温严密,标高满足吊顶要求。
SG—A090 通风与空调工程隐蔽验收记录
四川省建设厅制
SG—A090填写说明
一、本记录用于通风与空调中的隐蔽工程,在隐蔽前必须经施工单位有关人员检查评定,且签字确认;同时还必须经监理(建设)单位有关人员验收及认可签证。
二、通风与空调工程系统中的风管或管道,被安装于封闭的部位或埋设于结构内或直接埋地时,均属于隐蔽工程。
在做隐蔽前,必须对被隐蔽的风管或管道的施工质量进行检查验收,且必须得到现场监理(建设)单位有关人员的认可及合格签证,否则不得进行隐蔽。
三、隐蔽工程应较详细地填写检查验收情况,同时还应附图及进行说。
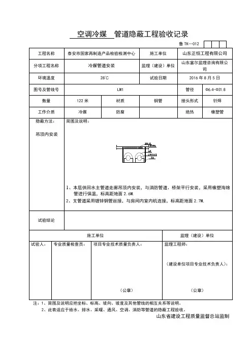
空调冷媒管道隐蔽工程验收记录注:1、简图及说明应把坐标、标高、坡向、坡度及其他管线的相互关系等说明。
2、此表适应于给水、排水、采暖、通风、空调、消防等管道的隐蔽工程验收。
山东省建设工程质量监督总站监制空调冷媒管道隐蔽工程验收记录注:1、简图及说明应把坐标、标高、坡向、坡度及其他管线的相互关系等说明。
2、此表适应于给水、排水、采暖、通风、空调、消防等管道的隐蔽工程验收。
山东省建设工程质量监督总站监制空调冷媒管道隐蔽工程验收记录注:1、简图及说明应把坐标、标高、坡向、坡度及其他管线的相互关系等说明。
2、此表适应于给水、排水、采暖、通风、空调、消防等管道的隐蔽工程验收。
山东省建设工程质量监督总站监制空调冷媒管道隐蔽工程验收记录注:1、简图及说明应把坐标、标高、坡向、坡度及其他管线的相互关系等说明。
2、此表适应于给水、排水、采暖、通风、空调、消防等管道的隐蔽工程验收。
山东省建设工程质量监督总站监制空调冷媒 管道隐蔽工程验收记录鲁TK —012注:1、简图及说明应把坐标、标高、坡向、坡度及其他管线的相互关系等说明。
2、此表适应于给水、排水、采暖、通风、空调、消防等管道的隐蔽工程验收。
山东省建设工程质量监督总站监制空调冷媒管道隐蔽工程验收记录注:1、简图及说明应把坐标、标高、坡向、坡度及其他管线的相互关系等说明。
2、此表适应于给水、排水、采暖、通风、空调、消防等管道的隐蔽工程验收。
山东省建设工程质量监督总站监制空调冷媒管道隐蔽工程验收记录注:1、简图及说明应把坐标、标高、坡向、坡度及其他管线的相互关系等说明。
2、此表适应于给水、排水、采暖、通风、空调、消防等管道的隐蔽工程验收。
山东省建设工程质量监督总站监制空调冷媒管道隐蔽工程验收记录注:1、简图及说明应把坐标、标高、坡向、坡度及其他管线的相互关系等说明。
2、此表适应于给水、排水、采暖、通风、空调、消防等管道的隐蔽工程验收。
山东省建设工程质量监督总站监制空调冷媒管道隐蔽工程验收记录注:1、简图及说明应把坐标、标高、坡向、坡度及其他管线的相互关系等说明。
通风与空调工程管道隐蔽工程检查验收记录一、检查验收地点及时间地点:某某工地时间:20XX年X月X日二、检查验收人员1. 主持验收:某某工程负责人2. 参与验收:某某监理工程师、某某施工单位代表三、检查验收内容1. 检查验收对象:通风与空调工程管道隐蔽工程2. 检查验收内容:(1) 管道铺设是否符合设计要求(2) 管道连接是否牢固(3) 管道是否有渗漏现象(4) 管道保温层是否齐全(5) 管道是否符合防火要求四、检查验收结果经过仔细检查,通风与空调工程管道隐蔽工程符合设计要求,未发现任何质量问题。
五、存在问题及整改要求在检查过程中未发现质量问题,无需整改。
六、检查验收结论经检查验收,通风与空调工程管道隐蔽工程合格,符合相关标准和规范要求,可进行下一步施工工序。
七、检查验收人员签名及日期1. 主持验收:___________________ 日期:20XX年X月X日2. 参与验收:___________________ 日期:20XX年X月X日3. 参与验收:___________________ 日期:20XX年X月X日以上为通风与空调工程管道隐蔽工程检查验收记录,特此备案。
附:相关资料和照片注:此处为检查验收记录中标注的相关资料和照片。
(续写)八、检查过程中的细节记录在进行通风与空调工程管道隐蔽工程的检查验收过程中,我们注意到了一些细节问题,对这些问题我们进行了详细记录并及时进行了整改和修复。
具体情况如下:1. 管道铺设是否符合设计要求在检查过程中,我们发现部分管道的铺设存在一些偏差,导致与设计要求不完全符合,经过与施工单位的交流,我们要求重新测量和调整,确保管道的铺设符合设计要求。
2. 管道连接是否牢固在检查管道连接时,我们发现部分连接处存在松动或者不牢固的现象,这可能会造成管道的渗漏或者漏风。
我们要求施工单位对这些连接处进行加固处理,确保管道连接的牢固性。
3. 管道是否有渗漏现象我们在检查过程中特别关注了管道是否存在渗漏现象,经过仔细观察和测试,未发现管道出现渗漏情况。
多联机空调管道工程隐蔽验收记录范本【一、多联机空调管道工程概述】多联机空调是一种常见的中央空调系统,通过多个室内机与室外主机之间的管道连接,实现空调系统的运行。
在多联机空调管道工程中,隐蔽工程验收记录是一个关键环节,关系到整个空调系统的运行效果和安全性。
【二、隐蔽验收记录重要性】隐蔽验收记录是对多联机空调管道工程中不可见部分的质量把关,包括管道安装、保温、焊接、阀门等一系列环节。
这些环节的质量直接影响到空调系统的稳定运行和能耗。
通过隐蔽验收记录,可以确保工程质量,避免后期出现问题,节省维修成本。
【三、隐蔽验收记录内容详解】1.管道安装:检查管道是否按照设计图纸和规范进行安装,管道间距、弯曲半径、固定方式等是否符合要求。
2.保温层厚度:验收保温层厚度是否符合设计要求,保温材料是否优质,包裹是否严密。
3.焊接质量:检查焊接工艺、焊缝质量、焊接材料是否达标,避免焊缝开裂、渗漏等现象。
4.阀门及附件:验收阀门、压力表、温度计等附件是否齐全,工作性能是否正常。
5.系统冲洗:检查系统冲洗是否彻底,管道内是否有杂质,水质是否清洁。
【四、验收流程与注意事项】1.验收前,施工方应准备好相关资料,包括设计图纸、施工方案、质量检测报告等。
2.验收过程中,需邀请业主、监理、施工方等相关人员共同参与,确保验收的公正性和准确性。
3.验收组应按照设计要求、国家规范和行业标准进行验收,对不合格部分提出整改要求。
4.验收结果需填写在验收报告中,各方签字确认后,存档备查。
5.验收合格后,方可进行下一阶段施工。
【五、总结】多联机空调管道工程隐蔽验收记录是对工程质量的关键把控,只有确保隐蔽工程的质量,才能保障整个空调系统的稳定运行。
从管道安装、保温、焊接到系统冲洗等环节,都需要严格按照规范进行验收。
空调水管道隐蔽工程验收记录注:1、简图及说明应把坐标、标高、坡向、坡度及其他管线的相互关系等说明。
2、此表适应于给水、排水、采暖、通风、空调、消防等管道的隐蔽工程验收。
空调水管道隐蔽工程验收记录注:1、简图及说明应把坐标、标高、坡向、坡度及其他管线的相互关系等说明。
2、此表适应于给水、排水、采暖、通风、空调、消防等管道的隐蔽工程验收。
山东省建设工程质量监督总站监制注:1、简图及说明应把坐标、标高、坡向、坡度及其他管线的相互关系等说明。
2、此表适应于给水、排水、采暖、通风、空调、消防等管道的隐蔽工程验收。
山东省建设工程质量监督总站监制空调水管道隐蔽工程验收记录注:1、简图及说明应把坐标、标高、坡向、坡度及其他管线的相互关系等说明。
2、此表适应于给水、排水、采暖、通风、空调、消防等管道的隐蔽工程验收。
山东省建设工程质量监督总站监制空调水管道隐蔽工程验收记录注:1、简图及说明应把坐标、标高、坡向、坡度及其他管线的相互关系等说明。
2、此表适应于给水、排水、采暖、通风、空调、消防等管道的隐蔽工程验收。
山东省建设工程质量监督总站监制空调水管道隐蔽工程验收记录注:1、简图及说明应把坐标、标高、坡向、坡度及其他管线的相互关系等说明。
2、此表适应于给水、排水、采暖、通风、空调、消防等管道的隐蔽工程验收。
山东省建设工程质量监督总站监制空调水管道隐蔽工程验收记录注:1、简图及说明应把坐标、标高、坡向、坡度及其他管线的相互关系等说明。
2、此表适应于给水、排水、采暖、通风、空调、消防等管道的隐蔽工程验收。
山东省建设工程质量监督总站监制空调水管道隐蔽工程验收记录注:1、简图及说明应把坐标、标高、坡向、坡度及其他管线的相互关系等说明。
2、此表适应于给水、排水、采暖、通风、空调、消防等管道的隐蔽工程验收。
山东省建设工程质量监督总站监制空调水管道隐蔽工程验收记录注:1、简图及说明应把坐标、标高、坡向、坡度及其他管线的相互关系等说明。
空调冷媒管道隐蔽工程验收记录SANY标准化小组 #QS8QHH-HHGX8Q8-GNHHJ8-HHMHGN#注:1、简图及说明应把坐标、标高、坡向、坡度及其他管线的相互关系等说明。
2、此表适应于给水、排水、采暖、通风、空调、消防等管道的隐蔽工程验收。
山东省建设工程质量监督总站监制注:1、简图及说明应把坐标、标高、坡向、坡度及其他管线的相互关系等说明。
2、此表适应于给水、排水、采暖、通风、空调、消防等管道的隐蔽工程验收。
山东省建设工程质量监督总站监制注:1、简图及说明应把坐标、标高、坡向、坡度及其他管线的相互关系等说明。
2、此表适应于给水、排水、采暖、通风、空调、消防等管道的隐蔽工程验收。
山东省建设工程质量监督总站监制注:1、简图及说明应把坐标、标高、坡向、坡度及其他管线的相互关系等说明。
2、此表适应于给水、排水、采暖、通风、空调、消防等管道的隐蔽工程验收。
山东省建设工程质量监督总站监制注:1、简图及说明应把坐标、标高、坡向、坡度及其他管线的相互关系等说明。
2、此表适应于给水、排水、采暖、通风、空调、消防等管道的隐蔽工程验收。
山东省建设工程质量监督总站监制注:1、简图及说明应把坐标、标高、坡向、坡度及其他管线的相互关系等说明。
2、此表适应于给水、排水、采暖、通风、空调、消防等管道的隐蔽工程验收。
山东省建设工程质量监督总站监制注:1、简图及说明应把坐标、标高、坡向、坡度及其他管线的相互关系等说明。
2、此表适应于给水、排水、采暖、通风、空调、消防等管道的隐蔽工程验收。
山东省建设工程质量监督总站监制注:1、简图及说明应把坐标、标高、坡向、坡度及其他管线的相互关系等说明。
2、此表适应于给水、排水、采暖、通风、空调、消防等管道的隐蔽工程验收。
山东省建设工程质量监督总站监制注:1、简图及说明应把坐标、标高、坡向、坡度及其他管线的相互关系等说明。
2、此表适应于给水、排水、采暖、通风、空调、消防等管道的隐蔽工程验收。
注:1、简图及说明应把坐标、标高、坡向、坡度及其他管线的相互关系等说明。
2、此表适应于给水、排水、采暖、通风、空调、消防等管道的隐蔽工程验收。
山东省建设工程质量监督总站监制注:1、简图及说明应把坐标、标高、坡向、坡度及其他管线的相互关系等说明。
2、此表适应于给水、排水、采暖、通风、空调、消防等管道的隐蔽工程验收。
山东省建设工程质量监督总站监制注:1、简图及说明应把坐标、标高、坡向、坡度及其他管线的相互关系等说明。
2、此表适应于给水、排水、采暖、通风、空调、消防等管道的隐蔽工程验收。
山东省建设工程质量监督总站监制注:1、简图及说明应把坐标、标高、坡向、坡度及其他管线的相互关系等说明。
2、此表适应于给水、排水、采暖、通风、空调、消防等管道的隐蔽工程验收。
山东省建设工程质量监督总站监制注:1、简图及说明应把坐标、标高、坡向、坡度及其他管线的相互关系等说明。
2、此表适应于给水、排水、采暖、通风、空调、消防等管道的隐蔽工程验收。
山东省建设工程质量监督总站监制注:1、简图及说明应把坐标、标高、坡向、坡度及其他管线的相互关系等说明。
2、此表适应于给水、排水、采暖、通风、空调、消防等管道的隐蔽工程验收。
山东省建设工程质量监督总站监制注:1、简图及说明应把坐标、标高、坡向、坡度及其他管线的相互关系等说明。
2、此表适应于给水、排水、采暖、通风、空调、消防等管道的隐蔽工程验收。
山东省建设工程质量监督总站监制注:1、简图及说明应把坐标、标高、坡向、坡度及其他管线的相互关系等说明。
2、此表适应于给水、排水、采暖、通风、空调、消防等管道的隐蔽工程验收。
山东省建设工程质量监督总站监制注:1、简图及说明应把坐标、标高、坡向、坡度及其他管线的相互关系等说明。
2、此表适应于给水、排水、采暖、通风、空调、消防等管道的隐蔽工程验收。
山东省建设工程质量监督总站监制注:1、简图及说明应把坐标、标高、坡向、坡度及其他管线的相互关系等说明。
2、此表适应于给水、排水、采暖、通风、空调、消防等管道的隐蔽工程验收。
通风与空调隐蔽验收记录填写范例通风与空调隐蔽验收记录项目名称:记录日期:施工单位:一、隐蔽验收前的准备工作:1.检查通风与空调系统的材料、设备及配件是否齐全;2.清理施工区域,保证通风与空调系统的顺利安装;3.准备验收记录表格和相应的验收工具。
二、隐蔽验收项目及内容:1.通风系统:a.风管布置是否符合设计要求;b.风管连接是否牢固、严密,接头是否经过密封处理;c.风管与支架的连接是否牢固;d.风管是否存在损坏、变形等问题;e.风阀和风口的安装是否正确;f.风机和空气处理设备的安装是否符合要求;g.风道系统的绝热层是否齐全。
2.空调系统:a.空调主机及其配件的安装是否符合要求;b.冷冻水系统及其配件的安装是否符合要求;c.冷却水系统及其配件的安装是否符合要求;d.空调末端设备(如风口、送风口)的安装是否符合要求;e.空调系统的管道是否连接严密,无渗漏;f.空调系统的绝热层是否齐全。
三、隐蔽验收的具体步骤:1.检查通风与空调系统的材料、设备及配件;2.逐一检查通风与空调系统的安装质量;3.对发现的问题进行记录,并指导施工单位进行整改;4.记录并签字确认通风与空调系统的隐蔽验收结果。
四、隐蔽验收结果:1.通风系统隐蔽验收合格;2.空调系统隐蔽验收合格。
五、验收人员:1.施工单位负责人:___________________________2.监理单位负责人:___________________________3.业主代表:_________________________________六、备注:(可填写施工过程中的特殊情况、问题及解决方法等)以上是通风与空调隐蔽验收记录的填写范例,供参考使用。
具体内容可根据实际工程情况进行调整和完善。
空调隐蔽工程验收记录统表验收单位信息
- 项目名称:
- 验收单位:
- 验收人员:
- 日期:
验收内容
1. 空调设备安装
2. 风管及隔热材料安装
3. 管道系统安装
4. 控制系统安装
5. 验收结果
本次空调隐蔽工程验收结果如下:
- 空调设备安装完好,符合规定的安装位置和数量要求。
- 风管及隔热材料安装符合要求,使用了规定的材料。
- 管道系统安装符合要求,使用了规定的管道材料。
- 控制系统安装完好,使用了规定的控制器型号。
验收意见
经验收人员检查,空调隐蔽工程符合设计要求,可以进行下一步工作。
验收人员签名:_________________
日期:_________________。
空调水管道隐蔽工程验收记录(立管保温前隐蔽)空调水管道隐蔽工程验收记录鲁TK—012 0 0 1 工程名称天元商务大厦施工单位天元建设集团有限公司分项工程名称冷热水系统安装监理(建设)单位济南中建建筑设计院环境温度25? 验收日期2008.01.10 图号及管线号暖施-44 L1 L2 管径DN20,80 数量180m 材质无缝钢管、螺旋焊管接头形式焊接工作介质自来水防腐红丹防锈漆绝热离心玻璃棉管40、45 隐蔽方法: 简图及说明:立管系统1#保温绝热将保温棉管套在管道上,缠两道塑料布和玻璃丝布,压接紧密,与木砖等接缝处保温严密。
保温后,装饰工1、保温棉管规格如下:DN50-100 保温棉厚度为40mm;DN125- 300,保温棉厚度为45mm。
程吊顶 2 、防潮层与绝热层紧密粘贴,环向搭接的缝口应朝向低端,纵向搭接缝位于管道侧面,并顺水。
3、水管穿楼板处,套管内保温棉填塞密实,管道与套管无接触; 阀门等单独保温,并能单独拆卸。
4、外部金属保护壳应紧贴绝热层,接口的搭接应顺水,并有凸筋加强,采用自攻螺丝固定,螺钉间距匀称,并不得刺破防潮层,外表平整、美观。
验收结论施工单位监理(建设)单位试验人: 专业质量检查员: 项目专业技术质量负责人: 监理工程师:(建设单位项目专业技术负责人):(公章)(公章)注:1 、简图及说明应把坐标、标高、坡向、坡度及其他管线的相互关系等说明。
2、此表适应于给水、排水、采暖、通风、空调、消防等管道的隐蔽工程验收。
山东省建设工程质量监督总站监制空调水管道隐蔽工程验收记录鲁TK—012 0 0 2 工程名称天元商务大厦施工单位天元建设集团有限公司分项工程名称冷热水系统安装监理(建设)单位济南中建建筑设计院环境温度25? 验收日期2008.01.14 图号及管线号暖施-44 L1 L2 管径DN20,80 数量180m 材质无缝钢管、螺旋焊管接头形式焊接工作介质自来水防腐红丹防锈漆绝热离心玻璃棉管40、45 隐蔽方法: 简图及说明:立管系统2#保温绝热将保温棉管套在管道上,缠两道塑料布和玻璃丝布,压接紧密,与木砖等接缝处保温严密。
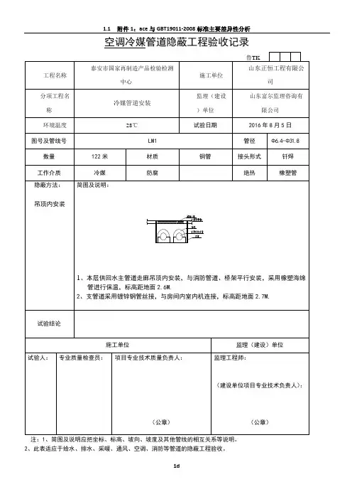
空调冷媒管道隐蔽工程验收记录
鲁TK—012
注:1、简图及说明应把坐标、标高、坡向、坡度及其他管线的相互关系等说明。
注:1、简图及说明应把坐标、标高、坡向、坡度及其他管线的相互关系等说明。
注:1、简图及说明应把坐标、标高、坡向、坡度及其他管线的相互关系等说明。
注:1、简图及说明应把坐标、标高、坡向、坡度及其他管线的相互关系等说明。
注:1、简图及说明应把坐标、标高、坡向、坡度及其他管线的相互关系等说明。
注:1、简图及说明应把坐标、标高、坡向、坡度及其他管线的相互关系等说明。
注:1、简图及说明应把坐标、标高、坡向、坡度及其他管线的相互关系等说明。
注:1、简图及说明应把坐标、标高、坡向、坡度及其他管线的相互关系等说明。
注:1、简图及说明应把坐标、标高、坡向、坡度及其他管线的相互关系等说明。
注:1、简图及说明应把坐标、标高、坡向、坡度及其他管线的相互关系等说明。
注:1、简图及说明应把坐标、标高、坡向、坡度及其他管线的相互关系等说明。
注:1、简图及说明应把坐标、标高、坡向、坡度及其他管线的相互关系等说明。
注:1、简图及说明应把坐标、标高、坡向、坡度及其他管线的相互关系等说明。