监理单位 建设单位对施工单位的评价表
- 格式:pdf
- 大小:174.23 KB
- 文档页数:8
可编辑修改精选全文完整版
附表1:
工程项目建设单位履约评价表
填表日期:年月日填表人:
填表说明:
1、此表为施工企业(总承包企业、专业承包企业)和监理企业对建设单位履约情况进行评价用表,请在评价意见的□内打钩。
2、此表一式两份,施工(监理)企业和建设行政主管部门各留存一份。
附表2:
填表说明:
1、此表为建设单位对总承包企业、专业承包企业履约情况进行评价用表,请在评价意见的□内打钩。
2、此表一式两份,建设单位和建设行政主管部门各留存一份。
附表3:
填表说明:
1、此表为建设单位对监理单位履约情况进行评价用表,请在评价意见的□内打钩。
2、此表一式两份,建设单位和建设行政主管部门各留存一份。
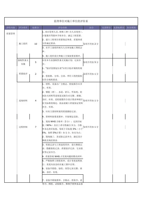
评价内容评分项目标准分评分内容扣分实查得分实查标准分扣分原因质量管理1、项目管理人员、特殊工种(含人员变更)、计量器具等报审手续齐全,满足工程需要。
2、建立工程项目质量保证体系,质量体系施工组织10文件满足要求。
每项不符扣2 分3、在开工前组织相关人员参加施工图纸会审。
4、施工组织设计和施工方案按要求报审。
强制性条文5应有本专业强制性条文实施计划,记录齐每项不符扣5 分实施全。
1、“验评范围划分表”应符合验评规程的规质量验评2定。
每项不符扣1 分2、检验批、分项、分部、单位工程的验收应符合规程要求。
1、材料、设备出厂合格证、检验报告应齐全、有效。
2、钢筋(材)、水泥、砂石、外加剂、防水防火材料等进场复试报告应完整、准确、进场材料4及时、有效、送检批数符合设计要求和现行每项不符扣1 分有关标准的规定,商品混凝土质量保证资料齐全、有效。
3、应有主要材料使用质量跟踪记录。
4、原材料按要求报审,并按规定送检。
1、现场 WHS 合格率( 3 分):达到目标过程控制7值( 90% )及以上者可得满分 3 分;合格每项不符扣1 分率未达到目标值,每低于目标值5% (小于5% ,按照 5% 计算)扣 1 分,扣完为止;2、现场施工、各试验记录齐全,满足设计图纸及规范要求。
3、质量记录与工程进度同步,进行测量记录、隐蔽验收记录、质量验评记录、交安验收等记录齐全。
4、质量控制WHS 点发现问题的整改闭环。
5、严格按照工程联系单、设计变更流程执行,变更内容及时在施工图中注明。
6、设备开箱检、验收、保管记录完整、准确、及时、有效。
7、设备开箱装箱单、合格证、质保书、说明书、图纸、试验报告、维修手册和备品备评价内容评分项目标准分土建基础及22结构土建装修及12装饰评分内容件移交清单等文件齐全。
8、设备缺陷报告处理记录真实、完整、签字齐全。
1、隐蔽工程验收记录:回填夯实、地基处理、地基验槽、钢筋、接地、地下混凝土、砌体、防水、抹灰等记录齐全。
公路工程建设管理综合评价表
工程项目名称:项目法人:
注:1、本表在竣工验收时评分;
2、每项的应得分扣完为止;
3、本表一至七项由竣工委员会根据汇报和有关资料评价,取每个委员每项得分平均值,第八项按竣工验收工程质量得分乘以30%计算。
设计工作综合评价表
工程名称:
设计单位:
评价单位公开,取项目法人、施工单位、监理单位评价得分的平均值为最终得分,提交竣工验收委员会审定;
2、第四项按竣工验收工程质量得分乘以30%计算。
工程名称:
监理单位:
评价单位公开,取项目法人、施工单位评价分的平均值为最终得分,提交质量监督机构审定,作为竣工验收委员会评价的依据。
工程名称:
施工单位:
向被评价单位公开,取项目法人、监理单位评价分的平均值为最终得分,提交质量监督机构审定,作为竣工验收委员会评价的依据。
工程施工反馈评价表格模板项目名称:____________ 工程地点:____________ 施工单位:____________填表时间:__________ 填表人:_____________评价内容序号评价项目评价内容评分1 施工质量1.1 施工技术施工单位是否按照要求采用先进的施工技术进行工程施工?是/否1.2 材料质量材料的采购是否按照要求进行?材料质量是否符合标准?是/否1.3 施工质量施工过程中是否出现质量问题?工程竣工后是否出现问题?是/否2 施工进度2.1 完成情况施工单位是否按照工程计划按时完成工程?是/否2.2 施工效率施工单位的施工效率如何?工程进度是否顺利?是/否2.3 施工安排施工单位的施工安排是否合理?是否有拖延现象?是/否3 安全管理3.1 安全措施施工单位是否有做好安全管理工作?是否安排专人负责安全管理?是/否3.2 安全事故工程施工期间是否发生安全事故?是否及时处理?是/否3.3 安全设备施工单位是否配备正规的安全设备?是否符合相关要求?是/否4 环保管理4.1 环境保护施工单位是否有做好环保管理工作?是否遵守相关环保法规?是/否4.2 废弃物处理施工单位处理废弃物的方式是否合理?是否对环境造成影响?是/否4.3 节能减排施工过程中是否采取节能减排措施?是否有相应效果?是/否5 服务态度5.1 沟通交流施工单位与业主的沟通交流是否顺畅?是否及时回复问题?是/否5.2 协调配合施工单位与相关部门、人员是否配合协调?是否有问题及时处理?是/否5.3 服务态度施工单位的服务态度如何?是否亲切、礼貌?是/否总体评价:1. 施工单位整体工作表现如何?请简要评述:2. 对施工单位的建议和意见:评价人签名:__________ 日期:__________备注:本表格由项目业主或监理单位填写,用于对工程施工质量、进度、安全管理、环保管理和服务态度等方面进行评价,仅供参考。
附件监理企业施工现场质量安全管理评价表说明部分总说明1.监理企业施工现场质量安全管理评价表均按本说明执行。
2.表格“说明”的内容仅为尽量统一评价人员使用本表格的操作方法,不是施工质量的验收标准,因此不得作为施工检查验收的依据。
3.扣减分1是现场扣分值,扣减分2是监理实际扣分值,扣减分2=扣减分1×扣分率,实得分=应得分-扣减分2。
4.扣分率与监理履职情况挂钩,除另有注明外,扣分率按以下确定:A:监理企业未发现相应问题或未对问题发出监理通知或工程暂停令的,扣分率为1;B:监理企业已发现相应问题并向施工单位发出整改通知或工程暂停令而施工单位逾期未整改,监理企业未向建设单位报告的,扣分率为0.5;C:监理企业已发现相应问题并向施工单位发出整改通知或工程暂停令而施工单位逾期未整改,监理企业已向建设单位报告的,扣分率为0.2;D:监理企业对相应问题已向施工单位发出整改通知或工程暂停令并向建设单位报告,在施工单位仍然拒绝整改的情况下,监理企业如有向项目监管部门报告的,扣分率为0。
5.除上述第4点所列情况外,扣分率另有注明的,根据注明的扣分率1、0.5、0.2和0分别勾选A、B、C、D。
6.本次发布的评价表有效期:2020年1月1日~2020年6月30日。
附件监理企业施工现场质量安全管理评价表表1工程项目监理机构管理行为评价表备注:1.按监理企业施工现场质量安全管理评价表总说明实施。
2.实得分=应得分一扣减分×扣分率。
评价人员签名:总监理工程师签名:评价日期:附件监理企业施工现场质量安全管理评价表表2房屋建筑工程实体质量控制履职评价表2.设计违反标准时,不算监理单位责任,对该项目也不打分,但违反强制性施工和验收标准的除外。
评价人员签名:总监理工程师签名:评价日期:附件监理企业施工现场质量安全管理评价表表3房屋建筑工程施工安全生产管理监理履职评价表项目名称:监理单位:2.本表所称重大危险源指超过一定规模的危险性较大分部分项工程、人货两用电梯和临时活动板房。
监理单位综合评价评分表项目名称:单位及项目负责人:填表人:日期:监理单位综合评价评分表(标准版)使用说明一、概述本监理单位综合评价评分表(标准版)是专为全面、客观地评价监理单位在项目执行过程中的表现而设计的。
该评分表覆盖了监理单位的资质、人员配备、工作执行、质量控制、资料管理、客户服务等多个方面,旨在通过细致的考核标准,确保监理单位的工作质量和效率达到既定要求。
二、使用目的评估监理单位综合实力:通过量化的考核指标,准确评估监理单位的整体实力和业务能力。
促进监理单位改进提升:发现监理单位在工作中的不足之处,为监理单位提供改进方向和建议。
保障工程质量与安全:通过严格的监督与评价,确保工程按照既定的标准、规范和质量要求进行实施。
三、评分表结构评分表共包含多个考核内容和对应的分值、考核标准以及得分栏。
具体结构如下:序号:每项考核内容的唯一标识。
考核内容:明确考核的具体项目,如监理单位资质、监理规划执行情况、材料审查、旁站监理等。
分值:每项考核内容的权重分数,表示该内容在综合评价中的重要性。
考核标准:针对不同层次的执行情况,设定具体的评分标准,以便评分时能够准确、客观地判断。
得分:根据监理单位在考核内容上的实际表现,填写的具体得分。
四、评分方法仔细阅读考核标准:在评分前,应仔细阅读每一项考核内容的考核标准,明确各项要求的细节和层次。
现场核查与资料审查:通过现场查看监理单位的工作情况、核查相关文件资料等方式,全面了解监理单位的实际表现。
客观公正评分:根据核查结果,严格按照考核标准进行评分,确保评分的客观性和公正性。
汇总得分:将所有考核内容的得分进行汇总,得出监理单位的综合评价得分。
五、注意事项全面性:在评分过程中,应确保对所有考核内容进行全面、细致的核查,避免遗漏。
公正性:评分时应遵循公正、公平的原则,不受任何主观因素的干扰。
保密性:对于评分过程中获取的监理单位信息和资料,应严格保密,防止泄露。
及时性:应在规定的时间内完成评分工作,以确保评价结果的时效性和准确性。
表4.2.3施工现场质量保证条件评分表表5.1.3地基及桩基工程性能检测评分表表5.2.3地基及桩基工程质量记录评分表表5.3.3地基及桩基工程尺寸偏差及限值实测评分表表5.4.3地基及桩基工程观感质量评分表表6.1.3结构工程性能检测评分表表6.2.3结构工程质量记录评分表结构工程质量记录评分续表6.2.3表6.3.3 结构工程尺寸偏差及限值实测评分表表6.4.3结构工程观感质量评分表表7.1.3屋面工程性能检测评分表表7.2.3屋面工程质量记录评分表表7.3.3屋面工程尺寸偏差及限值实测评分表表7.4.3屋面工程观感质量评分表表8.1.3装饰装修工程性能检测评分表表8.2.3 装饰装修工程质量记录评分表表8.3.3装饰装修工程尺寸偏差及限值实测评分表表8.4.3装饰装修工程观感质量评分表安装工程实际工作量分配表表9.1.3 建筑给水排水及采暖工程性能检测评分表表9.1.6建筑给排水及采暖工程质量记录评分表表9.1.9建筑给水排水及采暖工程尺寸偏差及限值实测评分表表9.1.12 建筑给水排水及采暖工程观感质量评分表表9.2.3建筑电气安装工程性能检测评分表表9.2.6 建筑电气安装工程质量记录评分表表9.2.9建筑电气安装工程尺寸偏差及限值实测评分表表9.2.12 建筑电气安装工程观感质量评分表表9.3.3通风与空调工程性能检测评分表表9.3.6通风与空调工程质量记录评分表表9.3.9通风与空调工程尺寸偏差及限值实测评分表表9.3.12通风与空调工程观感质量评分表表9.4.3电梯安装工程性能检测评分表表9.4.6电梯安装工程质量记录评分表表9.4.9电梯安装工程尺寸偏差及限值实测评分表表9.4.12电梯安装工程观感质量评分表表9.5.3智能建筑工程性能检测评分表表9.5.6智能建筑工程质量记录评分表表9.5.9智能建筑工程尺寸偏差及限值实测评分表表9.5.12智能建筑工程观感质量评分表表10.1.5工程结构质量综合评价表表10.2.5单位工程质量综合评价表表10.3.1单位工程质量各项目评价得分汇总表工程施工现场质量管理及质量责任制度审查表表3-1工程主要工序明细表表3-2地基及桩基工程性能检测评分表表4-17。
建设单位对施工企业的考评表建设单位对施工企业的考评是保障建筑工程顺利进行和提高整体建设水平的重要手段。
通过对施工企业在工程质量、工程进度、安全生产、合同履行、环境保护和施工现场管理等方面的综合评价,有助于选出优秀的施工企业,提高整体建设质量。
本文将对建设单位对施工企业的考评表进行详细解析,以期为广大施工企业提供参考。
一、建设单位对施工企业的考评背景随着我国城市化进程的加快,建筑工程项目的数量和规模不断增大,对施工企业的要求也越来越高。
为确保工程质量和进度,建设单位需要对参与项目的施工企业进行严格考评,以确保项目的顺利完成。
考评表作为评价工具,应运而生。
二、考评表的主要内容1.工程质量:主要包括工程实体质量、材料质量、施工工艺质量等。
评价施工企业在项目实施过程中对质量的控制能力。
2.工程进度:根据施工计划,评价施工企业在项目进度方面的完成情况,包括提前完成、按时完成和延误完成等。
3.安全生产:评价施工企业在项目实施过程中的安全生产管理水平,包括事故发生率、安全事故隐患整改情况等。
4.合同履行:评价施工企业在合同执行方面的表现,包括合同规定的工程范围、工程质量、工程进度等内容的履行情况。
5.环境保护:评价施工企业在项目实施过程中的环境保护工作,包括环保设施运行情况、环保措施落实情况和环保事故发生率等。
6.施工现场管理:评价施工企业在施工现场管理方面的水平,包括现场卫生、绿化、消防、保卫等方面。
三、考评表的填写与审核考评表由建设单位或相关部门制定,施工企业在项目实施过程中定期填写,并对各项指标进行自评。
填写完成后,提交给建设单位进行审核。
建设单位可根据考评表中的评价结果,对施工企业进行奖惩。
四、考评结果与应用考评结果将作为施工企业参与后续项目竞争的重要依据。
优秀的施工企业将获得更多的市场份额,而不合格的施工企业将受到限制。
此外,考评结果还可以为施工企业提供改进方向,帮助企业不断提高管理水平。
五、提升施工企业考评成绩的方法1.加强内部管理,提高员工素质。
1、项目管理人员、特殊工种(含人员变更)、计量器具等报审手续齐全,满足工程需要。
2、建立工程项目质量保证体系,质量体系文件满足要求。
3、在开工前组织相关人员参加施工图纸会审。
施工组织 10 4、施工组织设计和施工方案按要求报审。
每项不符扣2分 强制性条文实施 5 应有本专业强制性条文实施计划,记录齐全。
每项不符扣5分 1、“验评范围划分表”应符合验评规程的规定。
质量验评 2 2、检验批、分项、分部、单位工程的验收应符合规程要求。
每项不符扣1分 1、材料、设备出厂合格证、检验报告应齐全、有效。
2、钢筋(材)、水泥、砂石、外加剂、防水防火材料等进场复试报告应完整、准确、及时、有效、送检批数符合设计要求和现行有关标准的规定,商品混凝土质量保证资料齐全、有效。
3、应有主要材料使用质量跟踪记录。
进场材料 4 4、原材料按要求报审,并按规定送检。
每项不符扣1分 1、现场WHS 合格率(3分):达到目标值(90%)及以上者可得满分3分;合格率未达到目标值,每低于目标值5%(小于5%,按照5%计算)扣1分,扣完为止;2、现场施工、各试验记录齐全,满足设计图纸及规范要求。
3、质量记录与工程进度同步,进行测量记录、隐蔽验收记录、质量验评记录、交安验收等记录齐全。
4、质量控制WHS 点发现问题的整改闭环。
5、严格按照工程联系单、设计变更流程执行,变更内容及时在施工图中注明。
6、设备开箱检、验收、保管记录完整、准确、及时、有效。
质量管理 过程控制 7 7、设备开箱装箱单、合格证、质保书、说明书、图纸、试验报告、维修手册和备品备每项不符扣1分件移交清单等文件齐全。
8、设备缺陷报告处理记录真实、完整、签字齐全。
1、隐蔽工程验收记录:回填夯实、地基处理、地基验槽、钢筋、接地、地下混凝土、砌体、防水、抹灰等记录齐全。
2、检测报告齐全、有效、符合设计规范要求。
3、地基承载力(强夯、真空预压等地基处理形式)检测报告。
4、桩基检测报告。
5、回填土密实度试验报告。
6、混凝土(配合比、试块抗压、抗渗强度)报告;商品混凝土出厂试验报告。
7、钢筋及焊接强度检验报告。
8、砌筑砂浆(配合比、试块强度)报告。
9、建筑物及地下结构无倾斜、不均匀沉降,结构裂缝,无影响使用功能的永久缺陷。
10、混凝土浇注平整密实、色泽均匀,表面无严重缺陷,无破损、无裂缝,尺寸偏差在许可范围内。
土建基础及结构 22 11、砖砌体接槎密实、平整,灰缝横平竖立、密实饱满。
每项不符扣2分1、建筑物内外墙面、地面、屋面不漏水、不渗水。
2、抹灰砂浆配合比符合设计要求,无脱层、空鼓、面层应无爆灰和裂缝。
3、门窗的类型、规格、尺寸、开启方向、安装位置符合设计要求安装牢固,开关灵活、关闭严密。
4、防水材料选用符合设计规范要求,屋面防水层无破损、空鼓、起皱,坡度,坡度正确、排水顺畅,无积水。
土建装修及装饰 12 5、通风、空调:设施齐全、功能正常、位置正确、操作方便;管道排列合理整齐,坡度正确;支吊架安装符合规定、端面平整;风机转向正确。
每项不符扣2分6、土建交安经监理、土建、电气安装三方签证确认。
1、所有设备和构支架金属部分无锈蚀。
2、主变瓦斯继电器、温度计、压力释放阀、变压器油样检验合格、报告齐全;冲撞记录仪数据合格,套管无裂缝、损伤;本体和组部件等各部位均无渗漏、油位表指示正确;有载分接开关操作灵活,无卡涩;铁芯接地符合要求;冷却装置转动灵活、方向正确。
3、GIS 电气SF6气体及气体密度继电器等检验合格;母线与线筒内壁平整无毛刺,盆式绝缘子清洁、完好;气室气体的压力值和含水量符合规定;密封良好,无渗透。
4、断路器支架牢固、接地可靠,SF6气压正常,泄漏;分合操作正常。
5、隔离开关架牢固、接地可靠,接线端子及载流部分清洁,且接触良好,触头镀银层无脱落;分合操作正常;三相同期符合要求。
6、互感器、避雷器及支柱绝缘子外观应完整、附件应齐全,无锈蚀、无机械损伤;密封良好,无渗油漏;引线端子应连接牢固,接地可靠;CT 、PT 及避雷器等双接地,接地线接到不同方向来的接地干线且满足稳定要求。
7、高压开关柜断路器操作机构操作正常,隔离开关操作灵活、无卡阻现象;“五防”闭锁完好;母线搭接符合规范,母线对地及相与相之间最小电气距离应符合规程中的规定。
8、电容器外壳无变形、无锈蚀、无渗漏。
电气一次 部分 18 9、导线拉力试验、管母焊接试验报告齐全。
每项不符扣2分1、金属电缆支架、电缆导管必须接地。
2、电缆排列整齐、美观,标示清晰。
3、控制保护屏连接牢固,接地可靠,端子排无损坏。
电气二次 部分 12 4、控制保护屏上设备及元件器件完好、无损伤;空气开关、熔断器参数符合设计要求。
每项不符扣2分5、二次回路接线正确、绝缘良好,接地符合规范要求。
6、电缆孔洞封堵完好、美观。
1、钢筋(材)、水泥、砂石、外加剂等进场复试报告应完整、准确、及时、有效,送验批数符合设计要求和现行有关标准的规定,混凝土(配合比、试块抗压、抗渗强度)报告;商品混凝土质量保证材料齐全、有效。
2、混凝土强度、钢筋和地脚螺栓规则、数量,必须符合设计。
3、基础混凝土表面平整,无蜂窝、麻面及露筋等缺陷。
4、混凝土保护帽符合设计,外形美观,不积水。
5、回填土防沉层整齐、规范、工程移交时坑口回填土的上表面不低于原始地面。
线路部分24每项不符扣2分6、基础地面平整、无积水,基础至边坡距离及边坡坡度符合设计。
7、桩基础检测报告合格。
8、钢筋及焊接强度检验报告合格。
9、材料、设备出厂合格证、检验报告应齐全、有效。
10、塔材、导线、金具等成品与半成品按规范进行进场检验。
11、导线拉力试验报告合格。
12、质量记录与工程进度同步,进行测量记录、隐蔽验收记录、质量验收记录、交安验收等记录齐全;线路参数值准确,核相记录等记录完整。
电缆施工18每项不符扣2分1、电缆弯曲半径符合规定要求。
2、附件规格应与电缆型号相符。
3、电缆支架安装稳固可靠,金属支架接地符合规范要求。
4、电缆头制作前,电缆绝缘测试良好,无受潮、进水。
5、电缆端子及接线管压接规范,表面打磨光滑。
6、终端头端子与设备连接处搭接面接触良好,牢固可靠。
7、电缆相序与接入系统相位对应,相色表示正确清晰。
8、中间头三相间距符合要求。
9、顶管施工必须有通管隐蔽记录。
1、试验单位资质、试验人员资格满足试验要求。
2、仪器、仪表必须经具备相应资质的计量单位检验合格,并在有效期内使用。
3、试验及调试项目齐全,结果合格。
4、回路传动及保护动作正常。
试验及调试105、压板投退、定值整定正确。
每项不符扣2分质量管理评价得分:144 实际得分:1、按要求编制三级进度计划且计划安排合理。
好:3分;一般:2分;差:0分。
2、及时、合理调配资源实现进度计划。
好:2分;一般:1分;差:0分。
3、根据业主方的进度计划调整及时调整三级进度计划。
好:2分;一般:1分;差:0分。
进度管理104、进度计划滞后在接到监理项目部通知后采取行之有效的措施追赶进度。
好:3分;一般:2分;差:0分。
进度管理评价得分实际得分合计评价得分工程质量、进度管理情况评价得分=质量管理评价得分+进度管理评价得分建设单位对施工单位的评价表1、项目部岗位设置合理,项目经理、副经理、五大员等符合投标文件。
完全符合:5分;一人不符合扣1分,扣完为止。
2、施工劳动力安排合理、充足,具备持证上岗(进网作业证)资格。
好:3分;不具备上岗证一人扣1分,扣完为止。
1 工程前期准备3、施工机械、施工机具、工器具配置充足、合理;进行进场前的检查,确认合格,建立清册和维护保养台帐。
好:3分;一般:2分;差:1分。
4、项目部、材料站按照规范要求进行设立,办公设施配备齐全。
好:1分,一般:0.5分,差:0分。
5、资料报审及时。
好:1分,一般:0.5分,差:0分。
6、图纸审查意见全面、合理。
好:0.5分,差:0分。
7、施工材料经过监理见证、取样、送检。
好:0.5分,差:0分。
8、分包队伍经过审批,组织架构完善。
好:1分,一般:0.5分,差:0分。
1、按照南方电网《安全基准风险指南》,制定某项目基准风险分析表,并进行差异化分析。
好:1分,一般:0.5分,差:0分。
2、制定应急预案,并有针对性的组织演练。
好:1分,一般:0.5分,差:0分。
3、结合本专业和项目安全施工要求进行危险点辨识、并对危险点制定预控措施,并进行了危险点及预控措施交底。
好:1分,一般:0.5分,差:0分。
4、按照规定为作业人员提供符合安全标准、规范和卫生要求的作业环境、安全设施以及合格的劳动防护用品。
好:1分,一般:0.5分,差:0分。
5、三级安全交底记录齐全,开工前或分部、分项工程开工前,对参加施工的所有人员进行安全交底,交底记录中无未签字、代签字或机打签字等问题。
好:3分;一般:2分;差:0分。
6、认真组织班前、班后会,并形成记录,每周的安全活动,每月的安全例会是否组织,并形成记录。
好:3分,一般:2分,差:0分。
7、组织对本施工现场的安全隐患排查和整治工作,并积极参与项目管理单位组织的安全会议和其他安全生产活动。
好:1分,一般:0.5分,差:0分。
8、施工现场管理有序,做到安全警示标志齐全、安全防护措施有效、施工材料定置摆放、现场道路过道畅通无阻。
好:3分,一般:2分,差:0分。
9、与分包单位在签订分包合同的同时签订了安全协议,分包单位按规定配备了专职或兼职安全员。
好:1分,一般:0.5分,差:0分。
10、总包单位对分包单位管控到位、有效,能很好地完成工程安全目标。
好:2分;一般:1分;差:0分。
11、规定的期限内,按照项目管理单位及监理单位下发的安全隐患整改通知单及时进行隐患原因分析及整改。
好:1分,一般:0.5分,差:0分。
2 安全文明施工管理 12、按要求编写施工安全作业票并能有效执行。
好:2分,一般:1分,差:0分。
1、施工组织设计及施工方案审批流程准时完整、作业指导书设置齐全、合理,实施前有针对性的差异化分析,施工安全、质量、进度等各项措施合理,技术方案安全、可靠,总平布置合理、全面,有利于提高效率,在工程中能够起到指导性作用。
好:3分,一般:2分,差:1分。
2、已审批的施工组织设计及施工方案、作业指导书能在工程施工中认真、有效地执行。
好:2分,一般:1分,差:0分。
3、对施工存在的质量缺陷,认真整改并及时回复整改意见。
好:1分,一般:0.5分,差:0分。
4、积极配合中间验收、竣工验收、工程质量监督检查。
好:1分,一般:0.5分,差:0分。
5、三级质量检查流程完整。
好:2分;一般:1分;差:0分。
6、工程质保资料、验评记录及签证记录内容真实、数据准确,能与工程保持同步。
好:2分;一般:1分;差:0分。
7、出现质量事故应及时向监理及建设单位汇报。
好:2分;一般:1分;差:0分。