风机变频器操作规程
- 格式:doc
- 大小:25.50 KB
- 文档页数:2
变频器操作规程
《变频器操作规程》
一、前言
变频器是一种用于控制电机转速的设备,具有广泛的应用范围。
为了确保安全和正常运行,需要遵循一定的操作规程。
二、操作规程
1. 接通电源前,确保变频器处于关闭状态,并检查电源线路是否接地良好。
2. 按照说明书正确接线,并严格按照额定电压、电流接入电源。
3. 在正确接通电源后,按照说明书设定变频器的各项参数,包括电压、频率等。
4. 启动前应检查电机旋转方向是否正确,如果不正确需及时更换两相的线序。
5. 启动前需确保负载正常,无阻塞等异常情况。
启动后注意观察变频器和电机运行是否正常。
6. 在运行过程中,如果发现异常情况、响声或异味,应立即停止变频器并排除故障。
7. 变频器停止后,需等待电容器放电后再进行任何操作。
三、注意事项
1. 变频器应安装在通风良好的环境,避免灰尘、潮湿等影响运行。
2. 严禁私自更改变频器的参数,必须由专业人员进行。
3. 变频器在运行过程中,不宜频繁启停,以免损坏设备。
4. 定期对变频器进行维护保养,清洁设备表面、通风口等。
5. 在变频器出现故障时,需立即停止运行并联系专业人员进行检修。
四、结语
变频器是一种需要谨慎操作的设备,只有在严格遵守操作规程的情况下,才能确保其安全运行和长期稳定使用。
希望广大操作人员严格遵守规程,避免不必要的事故发生。
变频器操作规程1.变频器送点开机将控制柜内的断路器合上,按住UPS的开机按钮两秒钟,UPS启动,同时,人机界面启动,自动进入监控程序。
(绝对不允许在控制电未送上的时候送高压电)2、操作隔离开关操作高压开关,因负载为两台主扇风机一般同时运行,则K1、K2、K3均合闸;(控制电送上后按住电磁锁的红色按钮,电磁锁发出震动声,指示灯亮,说明可以操作,将锁栓拉出,然后再操作隔离开关,若是电磁阀不发出震动声,指示灯不亮,则说明不允许操作隔离开关。
严禁用钥匙擅自改变工作状态。
)3、送高压电用原系统开关操作高压电,先将高压电送至变频器的旁路柜,变压器柜上的温控仪显示温度时和旁路柜上的高压带电显示装置指示灯闪烁时,表示高压电已送,3秒钟后,旁路柜中的接触器KM1闭合,高压电送电完毕,变频器处于就绪状态,可以根据需要开机。
4、高压变频器开机开机前确认变频器的转向,即在DCS选择“正/反转。
开机方式有两种:本控为触摸屏开机和控制柜按钮开机,外控分为DCS开机。
(操作箱、上位机、多段速、自动曲线为可选)。
如果需要本地运行,请设置为本控状态。
按控制柜柜门上的开机按钮,变频器启动,在人机界面上进行给定频率调节,使变频器按设定频率拖动电机运行。
如果需要远程运行,设置为外控状态,在远控DCS室给定频率,然后操作变频启动按钮,变频器启动,使变频器按设定的频率拖动电动机运行。
开机后,电机处于变频运行状态。
开机方式改变后,在对应的开停机方式下,频率给定必须在停机状态下设定有效。
5、高压变频器停机断电正常停机:若选择“本控”操作,按柜门上的“停机”或人机界面的“变频停止”按钮后,变频器按设定时间缓慢停机。
频率降为0时,此时高压变频器处于待机状态,可以根据需要再次开机。
若选择“外控”操作后,如果需要远程运行,请设置为外控状态。
在远程DCS 室操作变频器停机按钮,变频器按设定时间缓慢停机。
频率降为0时,此时高压变频器处于待机状态,可以根据需要再次开机。
变频器操作规程变频器操作规程一、概述变频器是一种用于调节电动机运行速度的装置,广泛应用于工业生产中。
为了保证变频器的正常运行和安全使用,制定一套操作规程是非常必要的。
本文将介绍变频器操作规程。
二、变频器的启动与停止1. 启动:a. 检查变频器的电源是否接好,各控制线路是否连接正确。
b. 打开变频器控制柜门,检查变频器运行指示灯是否正常亮起。
c. 打开电源总开关,将变频器的启动方式选择开关置于手动位置。
d. 将电机的运行指示灯设置为手动状态,按下启动按钮。
e. 观察电机的运行状态,确认无异常后,将启动方式选择开关置于自动位置。
2. 停止:a. 将电机的运行指示灯设置为手动状态,按下停止按钮。
b. 将电源总开关关闭。
三、变频器的调速1. 调整输出频率:a. 打开变频器控制柜门,选择频率手动调节方式。
b. 通过频率调节旋钮或数字调节面板,逐步调整输出频率。
c. 观察电机的运行状态和变频器的显示屏,进行相应调整。
2. 信号反馈调节:a. 打开变频器控制柜门,选择信号反馈调节方式。
b. 根据需要,调整相应的参数,如反馈电压、反馈电流等。
c. 检查电机的运行状态和变频器的显示屏,进行相应调整。
四、变频器的保护与故障排除1. 变频器的保护:a. 变频器过载保护:当电机运行过载时,变频器会发出警报声并停止运行,此时应检查负载情况并进行合理调整。
b. 变频器过热保护:当变频器温度过高时,变频器会自动停机。
此时应检查散热系统是否正常工作,并根据需要进行冷却处理。
c. 变频器输出短路保护:当变频器输出短路时,变频器会发出警报声并停止运行。
此时应检查输出线路是否正常连接,并排除短路故障。
2. 故障排除:a. 当变频器出现故障时,应首先查看变频器的故障显示屏,了解故障信息。
b. 根据故障信息,参照变频器的操作手册进行故障排除。
c. 若故障排除无效,应联系专业技术人员进行维修。
五、变频器的维护保养1. 定期检查变频器的外观,确认无损坏或松动的部件。
高温风机高压变频器操作步骤西门子高压变频器运行操作步骤一.变频器启动电机操作1.确定电机处于可以运行状态。
2.合上变频器控制电源开关CDS1,按下UPS电源键,此时键盘上最左边的power on灯亮,表示380V控制电源已经上电,变频器电源正常,确认风机转动正常(时常用一张A4的纸,放在滤网上,看能否吸住),系统初始化(约1分钟),观看键盘显示。
3.观察变频器的键盘显示,如果键盘上显示有故障(键盘上故障指示灯长亮),按键盘上的故障复位键,确定故障是否能被复位,如不能复位说明设备有问题,察看键盘的故障提示,采取相应解决的措施,或按控制柜上提供的电话联系罗宾康公司。
如果键盘上的故障灯闪烁,说明内部有报警,查看报警情况,看完后按故障位键,若不能复位,采取相应的措施。
4.确认变频器处于中控控制状态,并且运行允许信号已经发到变频器。
注意:如果在就地控制状态,则DCS无法操作变频器,此时可以通过键盘来控制变频器。
5.合上上级10KV高压开关之后,键盘左下角的NOMV变成OFF,DCS接收到变频器备妥信号。
DCS发出转速给定信号给变频器,然后发出启动信号给变频器,变频器运行。
注意:必须通上380V控制电源且系统初始化正常后才可以通10000V高压电源.二.变频器停止电机操作1.当变频器处于中控控制状态时, DCS发出停止信号让变频器停止,电机进入受控停车状态,电机速度逐渐减到零速。
断开上级开关。
2.当变频器处于就地控制时,按键盘Manual STOP按钮, 电机速度逐渐降到零速.最后断开上级开关.注意:如果变频器在运行过程中,运行允许信号丢失,则变频器立即封锁输出,电机自由停车。
3.按下UPS电源按钮,此时风机停机,断开变频器控制电源开关CDS1,操作完毕。
三.变频器使用时要注意的问题:变频器有任何异常情况都会发出报警或者故障信号,在键盘上表示为:故障灯长亮表示故障,若是闪烁表示报警。
报警不影响变频器运行。
变频器运行操作步骤一. 变频器启动电机操作1.确定电机处于可以运行状态。
2.变频器的控制系统电源是从电厂的UPS上给出的,所以要一直保持控制系统带电,此时键盘上最左边的power on灯亮,表示220V控制电源已经上电,变频器电源正常,合上CDS1,CDS2,确认风机转动正常(时常用一张A4的纸,放在滤网上,看能否吸住),过60秒后,观看键盘显示。
建议每次在启动变频设备之前,一定要确定风机的旋转方向正确。
3.观察变频器的键盘显示,如果键盘上显示有故障(键盘上故障指示灯长亮),按键盘上的故障复位键,确定故障是否能被复位,如不能复位说明设备有问题,察看键盘的故障提示,采取相应解决的措施,或按控制柜上提供的电话联系罗宾康公司。
如果键盘上的故障灯闪烁,说明内部有报警,查看报警情况,看完后按故障位键,若不能复位,采取相应的措施。
4.确认变频器控制柜上的就地/远程 旋钮开关打到远程位置,可以从远程的DCS启动变频器,如果打到就地位置,就从变频器的键盘上进行操作。
5.确认将要起机泵的上级高压开关已经断开并且在试验位置,然后将要起机的泵的接触器小车推在工作位置。
注意:在合上述刀闸的时候,一定要确认相应的刀闸已经在正确位 置。
6.合上要起机的泵接触器,然后合上变频器的上级用户高压开关,观察变频器有无故障显示,要按复位按钮将报警或故障复位,若不能消除故障或报警,则查看是何原因引起的故障和报警,并采取相应的措施。
注意:如果先合变频器上级用户的高压开关,再合泵接触器,那么变频器会显示报警信号,因为变频器内部已经设定在上级高压开关合上的情况下,应该将相应的泵接触器合闸,才能够使变频器运行,并且在变频器运行时,只能有一台泵工作在变频器状态,当相应的接触器合闸后,报警信号即消失,如果没有将相应的接触器合闸,当DCS发出启动信号时,变频器不能启动,并且如果在运行中当接触器分闸的时候,变频器也停止运行。
当在DCS上显示变频器准备好时,就可以由DCS进行启动变频器的操作。
变频器安全操作规程范文一、总则1. 本规程是为了确保变频器的安全操作,保护操作人员的人身安全和设备设施的正常运行,减少事故和故障的发生。
2. 所有使用变频器的人员必须严格遵守本规程的规定,不得私自更改设置参数,否则一切后果自负。
3. 变频器的操作人员必须经过专业培训并持有相应证书,熟悉变频器的结构、性能和操作方法。
二、安全准备1. 在操作前,必须检查变频器及其周围环境是否存在异常情况,如发现异常应立即报告负责人并停止操作。
2. 操作人员必须穿戴必要的个人防护设备,如安全帽、工作服、工作鞋等,并确保这些设备处于良好状态。
三、操作流程1. 启动前,必须检查变频器的电源是否接好,接地是否良好,并确保电源电压符合设备要求。
2. 操作人员必须按照正常启动流程进行操作,严禁跳过任何环节或忽略任何警告信息。
3. 在变频器启动后,必须及时观察变频器的运行状态,如发现异常应立即停止操作,报告负责人并进行检修。
四、操作注意事项1. 操作人员在操作过程中必须保持清醒,不得饮酒或服用药物影响判断能力。
2. 变频器在运行过程中会产生一定的热量,因此操作人员不得将易燃物品、易熔物品等放置在变频器周围。
3. 操作人员在操作前必须熟悉变频器的工作原理和操作方法,并了解操作过程中可能发生的故障和事故处理方法。
4. 操作人员在操作过程中必须严格按照操作规程进行,不得随意更改参数或私自调试设备。
5. 操作人员在操作过程中必须保持设备的清洁,不得将异物、水等物质进入变频器内部。
6. 当发生故障或异常情况时,操作人员必须立即停止操作,切断电源,并报告负责人并进行维护和修理。
五、操作禁止事项1. 未经许可,任何人不得擅自进入变频器的操作区域,不得进行任何操作。
2. 未接受过专业培训和持有证书的人员不得擅自进行变频器的操作和维护。
3. 禁止在变频器操作区域吸烟或进行其他可能引发火灾的行为。
4. 禁止将任何金属物品等导电物品放置在变频器周围,以防发生触电事故。
变频器安全操作规程一、引言变频器是一种用于调节电机转速的装置,广泛应用于工业领域。
为了确保工作人员的安全和设备的正常运行,制定变频器安全操作规程是非常重要的。
本文将详细介绍变频器的安全操作规程,以保障工作人员的人身安全和设备的正常运行。
二、安全操作规程1. 变频器的安装1.1 在安装变频器前,必须确保设备处于停电状态,并使用合适的绝缘手套和绝缘工具进行操作。
1.2 变频器的安装位置应远离易燃、易爆物品,并保持通风良好。
1.3 安装变频器时,应遵循制造商提供的安装指南,并确保连接正确可靠。
2. 变频器的启动与停止2.1 在启动或停止变频器之前,必须确保工作区域内没有人员。
2.2 启动变频器时,应逐步增加转速,避免突然启动导致设备损坏或人员受伤。
2.3 停止变频器时,应先将负载卸载,然后逐步降低转速,最后将电源关闭。
3. 变频器的操作3.1 操作变频器时,必须穿戴符合安全要求的个人防护装备,如安全帽、防护眼镜、防护手套等。
3.2 操作人员应熟悉变频器的控制面板和功能,确保正确操作。
3.3 在操作过程中,应注意设备运行状态,如异常声音、异味或异常振动等,及时停机检查。
3.4 禁止擅自更改变频器的参数设置,如需调整应由专业人员进行。
4. 变频器的维护与保养4.1 定期检查变频器的连接线路和接地情况,确保电气连接可靠。
4.2 定期清洁变频器外壳和散热器,保持良好的散热效果。
4.3 定期检查变频器的冷却风扇和滤网,确保正常运转。
4.4 定期检查变频器的故障报警功能,确保及时发现并排除故障。
5. 变频器的紧急情况处理5.1 在发生紧急情况时,应立即切断变频器的电源,并采取相应的应急措施。
5.2 紧急情况处理人员应经过专业培训,熟悉紧急情况处理流程,并掌握相应的紧急救援设备和装置的使用方法。
6. 变频器的培训与教育6.1 所有操作人员必须接受变频器的安全操作培训,并持有相应的操作证书。
6.2 定期组织变频器的安全操作培训,提高操作人员的安全意识和操作技能。
变频器的操作规程一、变频器的操作规程1、在使用变频器时,请务必仔细阅读并按照说明书操作,避免造成人身伤害或设备损坏。
2、在接通电源前,请检查供电电压与变频器额定电压是否相同,否则可能会导致变频器损坏。
3、应该在恰当的地方安装变频器,确保通风、散热良好,并且保证变频器不会产生震动。
4、当变频器工作时,请不要随意拆卸电缆和电路,否则可能会导致电击或设备损坏。
5、在使用变频器过程中,避免使变频器处于过载状态,以及使电机超出规定的容许负载范围,否则可能会导致设备损坏。
6、在使用变频器时,应注意变频器本身的负荷,避免使变频器超负荷工作,并按需设定电机转速。
7、在操作变频器时,应逐渐增加转速,而不要突然加速或减速,特别是在起动电机时。
8、在关闭电源前,应先将变频器设为停止状态,避免变频器损坏或危及人身安全。
9、在使用变频器时,如发现设备异常,应及时关掉电源并寻求专业技术支持。
10、在使用变频器时,应遵循所有相关的安全操作规程,并确保所有操作人员了解和遵守这些规程。
二、变频器的日常维护1、定期清洁变频器,以保持通风口畅通。
2、定期检查变频器的电缆、接线、接头等是否松动或磨损,及时更换或紧固。
3、定期检查变频器的电容器是否正常工作,如发现电容器异常,应及时更换。
4、定期检查变频器的散热器和风扇是否正常运转,确保变频器散热无异常。
5、定期检查变频器的接地是否牢固,避免漏电等安全隐患。
6、定期进行变频器的防护功能测试,确保变频器的保护功能正常。
7、定期检查变频器电路板的电子元件和连接是否正常,如发现损坏应及时更换。
8、定期检查变频器的参数设定是否正确,如需要更改参数,应关掉电源后再进行修改。
9、防止变频器潮湿、受到热源影响或长时间不使用,防止变频器内部元件发生氧化、老化等异常情况。
10、定期进行变频器的校验、调试和保养,确保变频器的长期稳定性,延长变频器的使用寿命。
三、变频器的安全措施1、在使用变频器时,应遵循相关的安全标准和操作规程,确保安全性。
风机岗位操作规程模版一、操作前准备1.1 确认风机所在位置及周围环境,确保没有危险物品或障碍物存在。
1.2 检查风机的工作状态,包括电源开关、控制面板、显示器等设备是否正常。
1.3 穿戴防护装备,包括安全帽、护目镜、耳塞、防护手套等,确保自身安全。
1.4 确保有足够的工作人员,并分配各岗位的职责。
二、操作步骤2.1 检查电源及电气设备2.1.1 确保电源开关处于关闭状态,插头已拔除。
2.1.2 检查电线和插头是否完好无损,无松动现象。
2.1.3 检查电源线是否正常连接,接地端是否良好接地。
2.2 操作控制面板2.2.1 打开风机控制面板,检查屏幕是否正常显示。
2.2.2 按照操作说明书操作控制面板,调整风机的运行参数。
2.2.3 观察控制面板上的指示灯,确保其正常运行。
2.2.4 如发现异常情况,立即停止操作,并报告相关负责人。
2.3 进行风机启动操作2.3.1 将电源插头插入电源接口,确保插头连接牢固。
2.3.2 打开电源开关,听到风机启动声音后,观察风机运行状态。
2.3.3 观察风机转速、风量等参数,确保其在正常范围内。
2.3.4 如发现异常情况,立即停止风机并检查故障原因。
2.4 进行风机停止操作2.4.1 关闭电源开关,确保电源已切断。
2.4.2 观察风机停止运转并等待片刹停后,拔除电源插头。
2.4.3 检查风机工作区域,确保没有任何人员留在风机周围。
2.4.4 定期检查风机的机械部件、电气设备等是否存在异常磨损,如有问题及时进行维修并记录。
三、安全措施3.1 操作人员必须熟悉风机的操作规程,并具备相关的操作技能和经验。
3.2 在操作过程中,严禁擅自改变风机的工作参数或操作方式。
3.3 操作过程中,禁止将手、头等部位靠近风机的散热口或旋转部件。
3.4 发现风机异常声音、异味等异常情况时,应立即停止操作并上报相关负责人。
3.5 在操作风机过程中,应保持操作区域的整洁,避免杂物堆积或堵塞。
3.6 如需进行维修或更换部件时,应先切断电源并等待风机停止运行后再进行操作。
变频器安全操作规程一、引言变频器是一种用于控制电动机转速的设备,广泛应用于工业生产和机械设备中。
为了确保安全操作和防止事故发生,制定变频器安全操作规程是非常必要的。
二、适用范围本规程适用于所有使用变频器的工作人员,包括操作人员、维护人员和管理人员。
三、安全操作要求1. 变频器的安装与维护- 变频器的安装应由专业人员进行,确保设备牢固稳定,避免震动和倾斜。
- 定期检查变频器的外部和内部连接线路,确保线路连接牢固。
- 禁止在变频器周围堆放杂物,保持通风良好。
- 定期清洁变频器外壳,防止灰尘积累导致故障。
2. 变频器的操作- 操作人员应接受专业培训,了解变频器的基本原理和操作方法。
- 在操作前,确保变频器和电机的电源已经断开,并使用绝缘手套和工具进行操作。
- 操作人员应按照设定的参数进行设置,避免随意更改参数。
- 在启动前,检查变频器的各个部件是否正常运行,确保无异常声音或异味。
- 启动变频器时,应逐步增加转速,避免突然加速或减速。
- 在变频器运行过程中,如发现异常情况或故障,应立即停止操作,并报告维护人员进行检修。
3. 变频器的维护- 定期检查变频器的散热器,确保散热良好,避免过热。
- 定期清洁变频器内部和外部的灰尘和杂物,防止故障发生。
- 定期检查变频器的电缆连接,确保连接牢固。
- 定期检查变频器的电源线路,确保电源稳定。
- 定期检查变频器的软件版本,如有需要,及时升级软件。
四、事故应急处理1. 如发生变频器故障或异常情况,操作人员应立即停止操作,并按照规定的程序进行故障排除。
2. 如发生火灾、漏电等紧急情况,操作人员应立即切断电源,并报告相关部门进行处理。
五、安全培训和意识提升1. 公司应定期组织变频器安全操作培训,提高员工的安全意识和操作技能。
2. 公司应建立安全意识宣传制度,通过海报、宣传册等形式提醒员工注意变频器的安全操作。
六、附则1. 本规程的解释权归公司所有。
2. 如有需要,本规程可根据实际情况进行修订和补充。
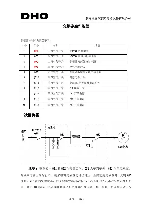
变频器操作规程变频器控制柜内开关说明:序号代号名称功能1 QF1二刀空气开关220VAC控制电源2 QF3 四刀空气开关380VAC柜顶风机总电源4 QF2二刀空气开关变频器内部总控制电源5 QF8三刀空气开关充电电源开关5 QFB 刀二空气开关变压器柜底部风机电源开关6 QF20 单刀空气开关瞬停电源开关7 QF14 单刀空气开关变压器/声音报警电源开关8 QF12 单刀空气开关PLC电源开关QF16 单刀空气开关PW1开关电源9 QF17 单刀空气开关PW2开关电源10 QF18 单刀空气开关PW4开关电源一次回路图说明:变频器中QS1和QS2为隔离刀闸,QS1为单刀单掷,QS2为单刀双掷。
变频器的输出端配有PT,用来检测变频器的输出电压。
当要使用变频器时,先将QS1合通,QS2置为变频状态,给变频器发出启动指令,变频器在收到启动指令后开始充电,时间40秒后,变频器给出用户开关合闸指令信号,QF1合通,变频器自动运行到设定频率。
一、安全信息,请先阅读对于任何设备,正常的操作和使用以及必要的维护是保证其安全运行的一个十分重要的方面,变频器的运行及维护人员必须详细了解和严格遵守“本注意事项”中的相关内容。
厂家应根据自身工艺要求,结合本“操作注意事项”制定出相应的操作规程,以确保变频器的安全稳定运行。
1.1变频器操作注意事项1.1.1变频器为高压危险装置,任何操作人员必须严格遵守操作规程;1.1.2严禁无关人员任意指点触摸屏,以防产生误操作,影响生产;1.1.3严禁在变频器运行时点触摸屏“复位”键;1.1.4严禁人为合分开关柜高压开关,以免冲断单元熔断器;1.1.5使用触摸屏时,只需用手指轻触即可,严禁使劲敲击或用硬物点击;1.1.6变频器运行时不要随便打开柜门,否则有安全隐患,系统将进行声音报警;1.1.7变频器出现轻故障时,虽然不会立即停机,但必须及时处理,否则会演变成重故障,导致停机;1.1.8严格保证变频器运行的环境温度不超过40℃,否则变频器的寿命及运行可靠不能保证;1.1.9变频器所有参数在设备交付运行前都已进行合理设置,用户不得随意更改。
变频器操作规程一,变频投入时上电前的准备工作1,检查旁路柜的两刀闸的位置(变频投入时两刀闸都应在向上的位置)2,检查变频器单元柜控制触摸控制界面的上面的三个指示灯,分别为“高压指示”“运行指示”和“故障指示”,这时候三个指示灯应全灭。
如有重故障(故障指示灯常亮),只要按高压分断按钮旁边的复位按钮即可。
3,检查变频器单元柜控制触摸控制界面的下面的“高压分断”按钮是否为弹起状态。
4,检查变频器单元柜上的触摸控制界面,里面操作界面上显示的为“高压不就绪”并且无其他的故障显示。
这样的情况下,就可以上高压。
二,变频器上高压、运行(DCS)1,首先按变频合闸,自动旁路柜接触器KM1、KM2闭合,变频投入状态指示灯亮。
2,合高压电源柜,变频器带高压电,变频器自检正常后,高压指示灯亮。
3,变频启动:高压指示灯亮后,按变频启动,变频器运行、风机转动同时运行指示亮。
三,变频器停机、断高压电(DCS)1,变频停机:按变频停止,风机停止转动同时运行指示消失。
2,断高压电源柜,变频器高压指示灯灭。
注:(变频器应先停机,再断高压。
变频器停机时间较短时,可不断高压,变频器在待机状态即可,下次启动可直接启动变频器。
)四:注意事项1,严禁带负荷拉动旁路柜的刀闸手柄。
严禁用钥匙操作刀闸手柄。
2,变频器运行过程中除了专业人士外,严禁打开变频出线室及变频器的柜门以及旁路柜的柜们。
3,当变频器高压带电过程中,严禁将变频器的AC220V用户电源断开。
4,柜门上的高压分断按钮严禁在变频运行时拍下(除特殊情况外)5,变频器有故障时会发出警报,变频器的故障指示灯有两种状态,一是轻故障,故障指示灯为一闪一闪的状态,此情况不影响变频器的运行,复位排除不了,只要检查一下柜门是否关紧,和查看一下变压器的温度。
二是重故障,故障指示灯为常亮状态,这时候说明变频器有重故障,如果复位排除不了的话,请与厂家联系,并说清故障现象。
6,如果发现变频器的故障指示灯一闪一闪的,查看变频器门是否关好,同时查看变压器温度和单元柜温度。
( 操作规程 )单位:_________________________姓名:_________________________日期:_________________________精品文档 / Word文档 / 文字可改变频器运行操作规程(2021年)Safety operating procedures refer to documents describing all aspects of work steps and operating procedures that comply with production safety laws and regulations.变频器运行操作规程(2021年)1.了解上次运行、停机情况后,配电屏上合上电源开关,接通电源,若有异常情况应立即关掉电源,并通知有关人员;2.将控制箱电位器旋转到底,转速表设定为零3.按运行按钮启动变频器,变频器输出0.5Hz的启动频率后输出“0”,转速显示为“0”;4.顺时针缓慢旋转电位器按钮,电机转速由“0”开始增加,电机开始运行;5.观察电机运行是否正常,若有异常立即停止运行,断电查清原因后再运行;将电位器顺时针旋转到所需转速,若旋转到底,则变频器的输出转速为电机的额定转速;按停止按钮,电机停止运行;切断电源开关;第一次停止时,控制箱电位器未动则第二次启动时只需按启动按钮,则电机自动运行到所需转速。
10.注意事项10.1电动机的温升,在使用变频器时会比工频运行时略有增加,属正常现象,但电机的温度不得超过60℃;10.2在较低频率运行时可能出现电机散热风叶不能及时散热问题,应注意观察电机温度,如超过使用温度应停机并采取相应措施。
云博创意设计MzYunBo Creative Design Co., Ltd.。
变频器运行操作规程变频器运行操作规程一、规范背景和目的为了确保变频器的正常运行、延长设备的使用寿命,提高生产效率和产品质量,特制定本操作规程。
二、工作职责1. 变频器操作员负责变频器的开机、运行、监控和关机等工作。
2. 变频器维修人员负责变频器的日常检修、维修和保养。
三、操作流程1. 开机操作(1)变频器操作员首先检查变频器的外观是否完好,机箱是否有异常噪音和异味。
(2)检查变频器的进、出线端子和连接线是否松动或有氧化现象。
(3)检查变频器的停机时间是否满足要求,如长时间停机需先通电预热。
(4)打开电源总开关,检查是否有电压波动的情况。
若正常,按下开机按钮。
(5)在触摸屏上确认变频器的运行参数是否设定正确,包括电机额定功率、运行频率等。
(6)点击启动按钮,变频器开始工作。
2. 运行操作(1)观察变频器运行状态,确保其正常运行。
(2)通过触摸屏监控变频器的运行参数,如电流、电压、频率等。
(3)定期检查变频器的温度,确保不超过额定温度范围。
(4)及时处理变频器故障和报警信息,避免因故障而导致停机。
3. 监控操作(1)观察变频器的工作状态,检查各个部件是否正常运行,如是否有异味、异响等。
(2)定期检测变频器的电流、电压、频率等运行参数,确保其在正常范围内。
(3)根据工艺要求调整变频器的运行频率和电流等参数。
(4)及时处理变频器故障和报警信息,确保设备运行的可靠性。
4. 关机操作(1)在停机前,先将负载卸下,减少变频器的负担。
(2)通过触摸屏切换到停机模式,确保变频器平稳停机。
(3)关闭电源总开关,切断电源供应。
五、安全防护1. 变频器操作员应穿戴好劳动防护用品,如安全帽、防护眼镜、防滑鞋等。
2. 变频器操作员禁止穿戴金属饰品和宽松的衣物,以防意外事故。
3. 在操作和维修变频器时,严禁随意触摸高压电源和运行机器。
4. 对于维修和保养变频器的人员,需要有相关的操作证书和经验。
5. 在操作和维修变频器时,要将设备停机并切断电源。
变频器安全操作规程(经典版)编制人:__________________审核人:__________________审批人:__________________编制单位:__________________编制时间:____年____月____日序言下载提示:该文档是本店铺精心编制而成的,希望大家下载后,能够帮助大家解决实际问题。
文档下载后可定制修改,请根据实际需要进行调整和使用,谢谢!并且,本店铺为大家提供各种类型的经典范文,如工作报告、合同协议、心得体会、演讲致辞、规章制度、岗位职责、操作规程、计划书、祝福语、其他范文等等,想了解不同范文格式和写法,敬请关注!Download tips: This document is carefully compiled by this editor. I hope that after you download it, it can help you solve practical problems. The document can be customized and modified after downloading, please adjust and use it according to actual needs, thank you!Moreover, our store provides various types of classic sample texts, such as work reports, contract agreements, insights, speeches, rules and regulations, job responsibilities, operating procedures, plans, blessings, and other sample texts. If you want to learn about different sample formats and writing methods, please pay attention!变频器安全操作规程一、变频器的使用要点在使用变频器时,为确保变频器安全、高效、可靠地运行,应注意以下几点:1.变频器接地端子必须可靠接地,以有效抑制射频干扰,曾强系统可靠性。
变频器安全操作规程引言概述:变频器是一种用于调节电机运行速度的设备,广泛应用于工业生产中。
然而,由于其特殊的工作原理和高压电流的特点,变频器的操作存在一定的安全风险。
为了保障工作人员的人身安全和设备的正常运行,制定一套严格的变频器安全操作规程是非常必要的。
一、变频器操作前的准备工作1.1 确认电源和电缆的接线是否正确:在操作变频器之前,必须仔细检查电源和电缆的接线情况,确保接线牢固可靠,避免因接线不良导致的电流泄漏或短路等安全隐患。
1.2 检查变频器的外部环境:在操作变频器之前,应检查周围环境是否存在易燃、易爆等危险物质,确保操作场所的安全性。
1.3 确保操作人员具备相关知识和技能:操作变频器需要一定的专业知识和技能,操作人员应接受相关培训,熟悉变频器的工作原理和操作流程,确保能够正确、安全地操作变频器。
二、变频器的启动和停止2.1 启动变频器的步骤:在启动变频器之前,首先应检查电源是否正常,然后按照变频器的启动顺序进行操作,确保各个部分能够按照预定的程序启动,避免因启动不当导致的设备故障或安全事故。
2.2 变频器的停止方法:在停止变频器之前,应先将负载逐渐减小,然后按照停止顺序进行操作,确保变频器能够平稳停止,避免因突然停止导致的设备损坏或人身伤害。
2.3 紧急停止按钮的使用:在紧急情况下,应立即按下紧急停止按钮,切断变频器的电源,以防止事故的进一步发展。
操作人员应熟悉紧急停止按钮的位置和使用方法,并经常进行演练,以确保能够快速、准确地使用紧急停止按钮。
三、变频器的维护和保养3.1 定期检查变频器的运行状态:定期检查变频器的运行状态,包括温度、电流、振动等参数,及时发现异常情况并采取相应措施,确保变频器的正常运行。
3.2 清洁变频器的外壳和散热器:定期清洁变频器的外壳和散热器,防止灰尘和杂物堆积,影响散热效果,导致变频器过热或无法正常工作。
3.3 注意变频器的防护等级和安装位置:根据变频器的防护等级和安装位置要求,采取相应的防护措施,确保变频器的安全性和可靠性。
风机变频器操作规程
1.变频器运行前的准备
1.1运行前的检查
检查设备状态,单元、变压器、电机、开关柜、励磁柜、制动电阻柜中的所有主电缆接线是否有松动;单元内的各个接插件、光纤等是否插到位;柜体及单元内部是否有异物。
2.启动前准备
2.1控制系统送电
(1)在低压开关柜中把变频控制柜的控制进线电源(1#变频控制电源)送电;
(2)把控制柜内所有空气开关(ZK1~ZK7)送电;
(3)变频控制柜送UPS电源(在柜后)送电方法如下:用手指按住ON按钮3秒钟后松开,这时:①、控制柜内PLC的各电源指示灯均亮;
②、延时10秒后控制机的运行显示器和指示灯亮。
运行显示器显示“000.0”;“故障处理板”的15个单元故障指示灯均亮。
(4)PLC状态复位,将PLC内的工作状态操作杆从RUN位置搬到STOP位置,在从STOP 位置搬回RUN位置。
2.2励磁准备
(1)首先确保原两台励磁柜电源处于分闸状态;
(2)确保连接柜内两台接触器处于分闸状态;
(3)合上低压柜中变频励磁电源空气开关;
(4)合上变频励磁柜中的总电源开关和直流及交流电源开关;
(5)如报警,按复归按钮清除;
(6)检查励磁柜门各开关状态:
①远程/就地控制开关两台都拨到远程控制,连接柜内接触器自动控制;
②本机/备机两台励磁柜工作的选择“本机”备用的打到“备机”位置;
③开/闭环控制选择“闭环”位置;
④励磁电流和励磁电压已经设定完毕不需调节.
3.变频高压开关柜
(1)闭合变频高压开关柜内电源空气开关;
(2)将各隔离开关置于如下位置:
①“旁路开关K2”置于分断位置
②“电源开关K1”置于合闸位置
③“负载开关K3”置于合闸位置
以上操作一定按顺序操作,具体方法:用左手的大拇指按住电磁锁的红色按钮,这时电磁锁带电,用左手的食指拨开电磁锁的红色锁销,这时用右手拉下隔离开关K2,同样方法合上电源隔离开关K1和负载隔离开关K3,在此过程结束时一定注意要把锁销恢复到锁紧位置,每次操作隔离刀闸后观察隔离刀闸的接触情况。
注意:如果隔离刀闸的电磁锁不解锁,请检查原6KV高压油开关是否处于分闸状态
4.原高压6KV开关柜送电
(1)首先必须确认变频高压开关柜的绿色JC1分闸指示灯亮;
(2)打开一个功率单元柜门,观察功率单元上是否有显示;如显示值慢慢上张代表送
电正常;
(3)高压送电开关合闸后约15秒(电力电容充电饱和),JC1会自动合闸,高压开关柜上红色JC1合闸指示灯亮。
送控制电→励磁准备→K2断→K1合→K3合→送6K电→准备启动
5.变频启动
(1)把ZK8防止误操作开关合上,启动正常后把ZK8断开防止误操作;
(2)到控制柜后按下“单元复位”按钮和“KC复位”按钮,柜内的“故障处理板”的15个单元故障指示灯均熄灭,如有还亮的指示灯重新按下“单元复位”按钮和“KC复位”按钮;
(3)按下“启动”按钮,再按一下“升频”按钮。
变频器将自动启动并运行到17Hz(170转)并投励,还要有工作人员观察高开柜的电流表变化,投励成功后定子电流应由100A 变为50A。
当定子电流基本稳定后,这时按升速按扭(励磁电流随着转速增加自动增减),调到生产时需要的转速。
如升速超过需要转速时一定要等到速度显示没有变化时,按降速按钮。
6.停机操作
(1)可以直接按停机按钮停机;
(2)停高压油开关;
(3)旁路隔离开关合闸操作流程
①“负载隔离开关K3”置于分断位置
②“电源隔离开关K1”置于分断位置
③“旁路隔离开关K2”置于合闸位置
7.原系统运行
旁路隔离刀闸置于合闸状态,隔离开关K1、K3置于分闸位置,可以按原操作正常投入工频运行;
8.故障倒机
当工矿出现问题或变频自身发生故障时,为了保证井下的正常通风,马上倒到工频运行。
先把6KV主电拉下来,断隔离刀K1、K3合合隔离刀K2。
按原操作正常启动。
当变频发生故障时记住故障代码和哪个单元报警。
停电30分钟后若确认损坏则更换此变频单元。