温湿度传感器管脚及应用
- 格式:wps
- 大小:195.00 KB
- 文档页数:6
温度传感器功能,组成部分及应用场景
温度传感器是一种能够测量其周围环境温度的装置。
下面是温度传感器的功能、组成部分及应用场景。
功能:
1. 测量和监测环境温度。
2. 提供数字或模拟输出来表示温度值。
3. 可以实时监测温度的变化。
4. 可以与其他设备或系统进行通信,实现自动控制或数据记录。
组成部分:
1. 温度感知器:用来感知环境的温度。
常见的温度感知器有热敏电阻、热电偶、热电阻、红外线温度传感器等。
2. 信号转换器:将温度感知器感知到的信号转换成能够读取或处理的信号形式,如电压或数字信号。
3. 接口:用于与其他设备或系统进行通信,如串行接口、模拟输出等。
4. 控制电路:用于控制传感器的工作状态,如供电、校准、滤波等。
应用场景:
1. 家用电器:用于空调、冰箱、热水器、洗衣机等家用电器,用于温度控制或温度显示。
2. 工业自动化:用于工业生产过程中的温度监测和控制,例如炼油厂、化工厂、冶金工厂等。
3. 医疗设备:用于体温计、温度控制系统等医疗设备中。
4. 汽车领域:用于汽车冷却系统、座椅加热系统、发动机控制
系统等。
5. 天气预报:用于气象站、气象探测仪器等,用于监测和预测天气变化。
DS18B20数字温度传感器应用详解电路图参考图:在传统的模拟信号远距离温度测量系统中,需要很好的解决引线误差补偿问题、多点测量切换误差问题和放大电路零点漂移误差问题等技术问题,才能够达到较高的测量精度。
另外一般监控现场的电磁环境都非常恶劣,各种干扰信号较强,模拟温度信号容易受到干扰而产生测量误差,影响测量精度。
因此,在温度测量系统中,采用抗干扰能力强的新型数字温度传感器是解决这些问题的最有效方案,新型数字温度传感器DS18B20具有体积更小、精度更高、适用电压更宽、采用一线总线、可组网等优点,在实际应用中取得了良好的测温效果。
新的"一线器件"DS18B20体积更小、适用电压更宽、更经济。
美国Dallas半导体公司的数字化温度传感器DS1820是世界上第一片支持 "一线总线"接口的温度传感器,在其内部使用了在板(ON-B0ARD)专利技术。
全部传感元件及转换电路集成在形如一只三极管的集成电路内。
一线总线独特而且经济的特点,使用户可轻松地组建传感器网络,为测量系统的构建引入全新概念。
现在,新一代的DS18B20体积更小、更经济、更灵活。
使你可以充分发挥“一线总线”的优点。
目前DS18B20批量采购价格仅10元左右。
DS18B20、DS1822 "一线总线"数字化温度传感器同DS1820一样,DS18B20也支持"一线总线"接口,测量温度范围为-55°C~+125°C,在-10~+85°C范围内,精度为±0.5°C。
DS1822的精度较差为±2°C。
现场温度直接以"一线总线"的数字方式传输,大大提高了系统的抗干扰性。
适合于恶劣环境的现场温度测量,如:环境控制、设备或过程控制、测温类消费电子产品等。
与前一代产品不同,新的产品支持3V~5.5V的电压范围,使系统设计更灵活、方便。
AM2301温湿度传感器模块AM2301数字温湿度传感器是一各包括有数字校准输出的温湿度传感器。
它采用独特的数字采集模块和高新温湿度采集传感技术,可以确保产品可靠性高以及稳定性好。
该款传感器具有响应快、抗干扰力强、性价比高、品质卓越等优点。
以及超小的体积、极低的功耗,信号传输距离可达20米以上,使其成为各类应用的最佳选则。
[9]AM2301 引脚图图3-10 AM2301引脚图AM2301各引脚说明表3-7 AM2301引脚引脚颜色名称注释1 红色VDD 供电 3.3-5.5VDC2 黄色SDA 串行数据,单总线3 黑色GND 接地,电源负极4 NC 空脚,请悬空(不要接Vcc或Gnd)AM2301 技术参数表3-8 AM2301技术参数参数条件Min Typ Max 单位湿度分辨率0.1 %RH16 Bit重复性±1 %RH 精度25℃±3 %RH 0-50℃±5 %RH 互换性可完全互换采样周期 1 2 S2 S响应时间1/e(63%)25℃,1m/s 空气迟滞±0.3 %RH 长期稳定性典型值±1 %RH/yr温度分辨率0.1 ℃16 Bit重复性±0.5 ℃精度±1 ℃量程范围-40 80 ℃响应时间1/e(63%) 6 20 S AM2301 驱动电路图3-11 AM2301驱动电路图温湿度传感器模块流程设计用户主机(MCU)发送一次开始信号后,AM2301自动从休眠模式转换到高速模式。
等待主机开始,信号发送后,AM2301发送响应信号,送出40比特的数据,发送数据结束之后触发一次信号采集,对外部环境进行数据采集,采集结束传感器自动转入休眠模式,直到下一次通信信号的来临。
此时AM2301的SDA数据线由上拉电阻拉高,一直保持高电平,且AM2301的SDA引脚处于输入状态,时刻检测外部图4-10温湿度传感器流程图1602 LCD显示屏测试根据第三章说明的LCD硬件连线要求,将屏幕的14个接口按要求分别连接至单片机的各端口,确认无误后,个单片机上电,并将编完的程序通过STC-ISP 软件烧入到单片机中,连线图如下:图5-3 LCD1602连线图给单片机上电之后,屏幕显示如下:图5-4 LCD1602显示效果该LCD显示屏能正常显示预期设置字幕。
HK3035型数字温湿度传感器产品概述HK3035 是具有高可靠性和准确性的集成智能温湿度传感器。
它有增强信号处理的功能,具有两个不同的用户可选择的I 2C 地址,通信速度高达1MHz 的。
DFN 封装尺寸为2.5mm ×2.5mm ×0.9mm 。
此外,2.15 V 到5.5 V 的宽供电电压范围保证了与各种装配情况的兼容性。
封装外形及管脚说明DFN2.5×2.5-8L 封装产品特征◆ 供电范围:2.15V —5.5V ◆ 温度范围:-40℃—+125℃ ◆ 温度准确度:±0.1℃(典型值)◆ 温度分辨率:0.015℃◆ 湿度范围:0%RH —100%RH◆ 湿度准确度: ±1.5%RH (典型值) ◆ 湿度分辨率:0.01%RH ◆ 完全标定◆ 数字信号输出◆ 微型2.5×2.5-8L 封装 ◆ 低功耗产品应用◆ 健康与舒适温湿度很大程度上会影响个人的健康和舒适度;因此,在这种情况下温湿度测量可以提高个人幸福感。
应用于包括加湿器、婴儿监护器和家用呼吸设备。
◆ 质量和可靠性温湿度影响许多过程的质量和可靠性。
测量温湿度有助于提高这些过程的质量和可靠性。
应用包括敏感商品运输、打印机、关键电子设备的水入侵检测等。
◆ 节能温湿度测量有助于过程优化,从而节省能源和成本。
应用包括汽车发动机控制、冰箱智能冷凝控制和空调冷却周期的优化。
◆ 安全温湿度可能会影响系统、过程或人的安全性;因此,温湿度测量可以帮助确保它们的安全。
应用包括汽Jun.-2021 REV.0.1三浩实创车挡风玻璃防雾、电池组水入侵检Array测,以及基于保险目的的建筑管理。
三浩实创HK3035型数字温湿度传感器目录1主要技术参数 ....................................................................................................................................... 4 1.1绝对最大额定值 .............................................................................................................................. 4 1.2传感器性能 ...................................................................................................................................... 4 1.3直流电气特性 .................................................................................................................................. 5 1.4交流电特性 ...................................................................................................................................... 5 1.5 ESD 警告 ......................................................................................................................................... 6 2 管脚定义 .............................................................................................................................................. 6 2.1电源引脚(VDD 、VSS) ................................................................................................................... 7 2.2串行时钟和串行数据(SCL, SDA) .................................................................................................. 7 2.3 中心焊盘 ......................................................................................................................................... 8 2.4 ADDR 引脚 ...................................................................................................................................... 8 2.5 ALERT 引脚 .................................................................................................................................... 8 2.6 nRESET 引脚 ................................................................................................................................... 8 3基本工作原理简述 ............................................................................................................................... 8 3.1产品概述 .......................................................................................................................................... 8 3.2传感器的通讯 .................................................................................................................................. 9 3.2.1 开机和通讯启动 ........................................................................................................................ 9 3.2.2开始测量 ..................................................................................................................................... 9 3.2.3进入单次数据采集模式的测量命令 ....................................................................................... 10 3.2.4读取单次测量模式结果 ........................................................................................................... 10 3.2.5 进入周期性数据采集模式的测量命令 .................................................................................. 11 3.2.6 读取周期模式测量结果 .......................................................................................................... 12 3.2.7 ART 命令 .................................................................................................................................. 12 3.2.8中断命令/停止定期数据采集模式 .......................................................................................... 13 3.2.9复位 ........................................................................................................................................... 13 3.2.10加热器 ..................................................................................................................................... 14 3.2.11状态寄存器 ............................................................................................................................. 15 3.2.12 CRC 校验 ................................................................................................................................ 16 3.2.13信号输出转换 ......................................................................................................................... 17 3.2.14通讯时序 ................................................................................................................................. 17 4封装信息 ......................................................................................................................................... 19 5订购信息 ......................................................................................................................................... 19 6联系我们 .. (19)三浩实创HK3035型数字温湿度传感器1主要技术参数1.1绝对最大额定值表 1-1 绝对最大额定值1.2传感器性能表 1-2 传感器性能注释:1. 重复性是在所述重复性和恒定环境条件下多次连续测量的标准偏差(3σ)的3倍。
ds18b20详细引脚功能描述
DS18B20是一种数字式温度传感器,具有精准度高、精度稳定、结构简单、易于接口、功耗低等特点,因此被广泛应用于温度测量和监控等领域。
下面详细介绍DS18B20的引脚
功能。
引脚1(VCC):为DS18B20供电的引脚,电压范围为3V到5.5V。
在供电电压不高于5.5V的情况下,可以直接使用单个电池或锂电池提供电源。
引脚2(DQ):数字信号引脚,用于传输温度数据和控制指令,并与外部设备进行通讯。
DQ引脚实现了1-Wire总线协议,可以连接多个DS18B20传感器,实现多个传感器的温度测量和监控。
引脚3(GND):接地引脚。
引脚4(NC):该引脚没有任何功能,可以不连接。
在工作过程中,DS18B20可以通过控制器对其进行复位、开始转换温度、读取温度等
操作。
控制器可以采用单片机、单片机开发板或适配器等设备。
因此,DS18B20是一种灵
活可配的数字式温度传感器,可以方便地应用于各种需要温度测量和监控的场合。
十位数字温度传感器(AD7416 )和四通道、单通道ADC(AD7417/AD7418)1。
概述AD7416是有8个管脚的温度监测器。
该温度监测器可通过多路复用器的0通道进行访问。
片上寄存器可编程控制极限温度,当温度超过极限时漏极开路温度过热指示器(OTI)处于工作状态。
AD7417和AD7418分别是10位,4通道和单通道的ADC,其片上温度传感器可用2.7V~5。
5V电压供电.该装置包含一个约15μs的转换器,5通道多路复用器,温度传感器,时钟振荡器,跟踪—保持器和一个2.5V的参考电压.1。
1 AD7416/AD7417/AD7418的主要特点●10位ADC,转换时间15μs和30μs●单通道和4单通道模拟输入●片上温度传感器测量范围:-40℃~+25℃●片上跟踪—保持●温度过热指示●转换结束自动掉电●供电电压范围:2.7V~5.5V●I2C兼容串口●串行总线地址允许八个AD7416/AD7417连接到一条总线上●AD7416可代替LM751。
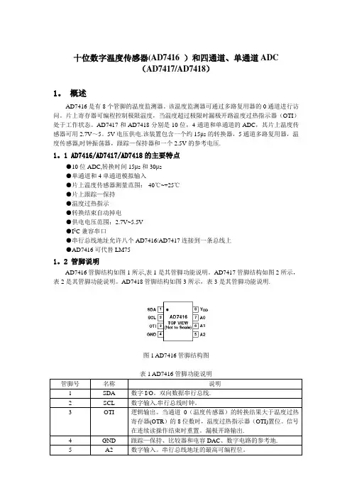
2 管脚说明AD7416管脚结构如图1所示,表1是其管脚功能说明。
AD7417管脚结构如图2所示,表2是其管脚功能说明。
AD7418管脚结构如图3所示,表3是其管脚功能说明.图1 AD7416管脚结构图管脚号名称说明1 SDA 数字I/O。
双向数据串行总线.2 SCL 数字输入.串行总线时钟。
3 OTI 逻辑输出。
当通道0(温度传感器)的转换结果大于温度过热寄存器(OTR)的8位数时,温度过热指示器(OTI)置位。
信号在连续读操作结束时重置。
漏极开路输出.4 GND 跟踪—保持、比较器和电容DAC、数字电路的参考地.5 A2 数字输入。
串行总线地址的最高可编程位。
6 A1 数字输入.串行总线地址的中间可编程位.7 A0 数字输入。
串行总线地址的最低可编程位。
8 V DD正向供电电压,2.7V~5。
5V。
图2 AD7417管脚结构图表2 AD7417管脚功能说明管脚号名称说明1,16 NC 无连接。
中科银河芯技术温湿度传感器GXHT3X-DIS产品概述:GXHT3x-DIS是中科银河芯开发的新一代单芯片集成温湿度一体传感器。
它基于中科银河芯极微弱信号检测设计平台以及MEMS工艺设计平台开发完成。
在硅基CMOS晶圆上集成高灵敏度MEMS湿敏元件,从而可以减少多芯片信号传输的干扰,降低芯片面积,提高封装可靠性。
它有两个供用户选择的I2C地址,I2C通信速度高达1MHz,芯片采用小型化DFN封装,外形尺寸2.5 x 2.5 mm2,高度0.9 mm. 这使得GXHT3x-DIS可以集成在各种应用场合。
此外2.2-5.5V宽供电电压范围使得它可以适应各种供电环境。
特征:★全温湿度范围校准和温度补偿数字输出★宽电源电压范围,从2.2 V到5.5 V★I2C接口,通信速度高达1MHz★两个用户可选择的地址★GXHT30典型精度为±3%RH和±0.3°C★GXHT31典型精度为±2%RH和±0.3°C★GXHT35典型精度为±1.8%RH和±0.1°C★单芯片集成温湿传感器★高可靠性和长期稳定性★测量0-100%范围相对湿度★测量-45-130℃范围内温度★集成16位高精度ADC★测量时间低至2.5ms目录1传感器性能 22技术规范 53管脚定义 74通信协议和操作说明 85封装形式 136注意事项 15 温湿度传感芯片:图1 芯片效果图图2GXHT3x-DIS的功能原理框图。
温湿度传感器出厂前已对温度和供电电压的变化进行补偿校准。
1 传感器性能湿度传感规格参数条件数值单位GXHT30精度 典型值 ±3 %相对湿度最大值 图3 -GXHT31精度 典型值 ±2 %相对湿度最大值 图4 -GXHT35精度 典型值 ±1.5 %相对湿度最大值 ±2 %相对湿度重复率误差 低 0.25 %相对湿度中 0.15 %相对湿度高 0.10 %相对湿度分辨率 典型值 0.01 %相对湿度回滞 在25°C ±1 %相对湿度工作范围 测量范围 0-100%相对湿度响应时间 τ63%8秒长期稳定性 典型值 <0.25%相对湿度/年表1 湿度传感器规格温度传感规格参数条件数值单位GXHT30精度典型值-40°C 到90°C±0.3°CGXHT31精度典型值-40°C 到90°C±0.3°CGXHT35精度典型值-40°C 到90°C±0.2°C重复率误差低0.24°C中0.12°C高0.06°C分辨率典型值0.015°C工作范围测量范围-45 to 130°C响应时间τ63%>2秒长期漂移最大值<0.03度/年表2 温度传感规格湿度传感器性能图图 3 Tolerance of RH at 25°C for GXHT30图4 Tolerance of RH at 25°C for GXHT31.1.1推荐工况在推荐的正常温度和湿度范围(分别为5°C–60°C和20%RH–80%RH)下运行时,传感器显示出最佳性能。
智能家居中的温度与湿度传感器设计与应用智能家居是指通过各种智能设备和互联网技术实现家庭生活的智能化和自动化。
而温度和湿度传感器作为智能家居中重要的部分,广泛应用于室内环境监测、智能空调、智能门窗等领域。
本文将介绍温度与湿度传感器的设计原理、应用场景以及未来发展方向。
一、温度与湿度传感器的设计原理温度与湿度传感器是基于微机械原理和传感原理制成的微型传感器。
其主要通过测量温度和湿度的变化来实现室内环境的监测和控制。
一般而言,温度传感器采用热敏电阻、热电偶或半导体材料等作为测量传感元件,通过测量元件电阻或电压的变化来获取温度数值。
湿度传感器则通常采用电容式、电阻式或共振式等传感原理,测量空气中的湿度。
在设计温度与湿度传感器时,需要考虑以下几个关键因素:精确度、响应时间、功耗和稳定性。
高精度是确保传感器准确测量温湿度的关键要素。
较短的响应时间可以提供实时的环境反馈。
功耗低则有助于延长传感器的使用寿命。
而稳定性则能够确保测量的准确性和可靠性。
二、温度与湿度传感器的应用场景1. 室内环境监测温度与湿度传感器在智能家居中被广泛应用于室内环境监测系统中。
通过实时感知和测量室内温度与湿度的变化,智能家居系统可以实现智能空调的控制、自动化通风和湿度调节等功能,提供舒适、健康的室内环境。
2. 智能空调系统温度与湿度传感器在智能空调系统中起到至关重要的作用。
传感器测量室内温湿度数据,并将数据反馈给智能空调控制系统,实现温度调节和节能控制。
用户可以通过智能手机或语音助手与智能空调系统进行互动,实现个性化的温度控制和定时开关功能。
3. 智能门窗系统温度和湿度传感器可以用于智能门窗系统中,根据室内外温度和湿度的差异,智能门窗系统可以自动调节开关,实现室内外温湿度的平衡。
这不仅能提供更加舒适的室内环境,还能有效节约能源。
三、温度与湿度传感器的未来发展方向随着智能家居的快速发展,温度与湿度传感器在技术和功能上也在不断创新和改进。
温湿度传感器实验一、实验目的理解温/湿度传感器采集温/湿度的工作过程。
理解温/湿度传感器驱动的编写。
二、实验环境硬件:PC机,EBDCC2530节点板(附带SHT1X型温湿度传感器),USB接口仿真器,6Pin串口线,交叉串口线。
软件:Windows98/2000/NT/XP,IAR集成开发环境,串口调试助手。
三、实验原理温/湿度传感器SHT1X有四个引脚接口,它和EBDCC2530节点板的连接方式如下图所示:CND NCDATA NCSCK NCVDD NC图3-2-1温湿度传感器的引脚连接电路图传感器的DATA引脚和SCK引脚连接到CC2530的P0.4和P1.5上,SCK引脚是传感器的时序输入,主机可以通过P1.5引脚输出高低变换的时序控制传感器的工作;DATA引脚为传感器的双向数据输入/输出引脚,用来向传感器发送命令或者读取采集的温/湿度值。
该传感器的工作时序类似于IIC总线,每个命令对应着一个特殊的时序输出,根据SHT1X的时序特点,依次控制DATA和SCK的输出,可以实现对传感器的命令写入和数据读出。
传感器驱动程序的流程图如下:开始各引脚及传感器的的初始化写入数据采集命令等待最大转换时间图3-2-2温湿度传感器程序流程图首先通过设置至少9个周期的DATA高电平来初始化SHT1X;然后发送“传输开始”命令开始数据的采集;如果传感器正确的接收到命令,会在DATA引脚回复一个先低后高ACK信号,否则继续发送“传输开始”命令。
在正确接收到ACK 应答后温度采集将等待大约320ms(温度采集的分辨率为14位,为此手册给出的14位分辨率的最大等待时间),湿度采集将等待80ms(湿度采集的分辨率为12位,为此为手册给出的12位分辨率的最大等待时间)内传感器就能计算出采集到的温/湿度值,并且通过在DATA引脚输出低电平表示计算的完成。
判断出这个低电平到来之后,接下来每个周期内采集一个bit,直到采集两个字节的温/温度值,最后处理器应当通过下拉DATA通知传感器该采集过程的结束。
温度传感器:DS18B20是DALLAS公司生产的一线式数字温度传感器,具有3引脚TO-92小体积封装形式;温度测量范围为-55℃~+125℃,可编程为9位~12位A/D转换精度,测温分辨率可达0.0625℃,被测温度用符号扩展的16位数字量方式串行输出;其工作电源既可在远端引入,也可采用寄生电源方式产生;多个DS18B20可以并联到3根或2根线上,CPU只需一根端口线就能与诸多DS18B20通信,占用微处理器的端口较少,可节省大量的引线和逻辑电路。
以上特点使DS18B20非常适用于远距离多点温度检测系统。
2 DS18B20的内部结构DS18B20内部结构如图1所示,主要由4部分组成:64位ROM、温度传感器、非挥发的温度报警触发器TH和TL、配置寄存器。
DS18B20的管脚排列如图2所示,DQ为数字信号输入/输出端;GND为电源地;VDD为外接供电电源输入端(在寄生电源接线方式时接地,见图4)。
ROM中的64位序列号是出厂前被光刻好的,它可以看作是该DS18B20的地址序列码,每个DS18B20的64位序列号均不相同。
64位ROM的排的循环冗余校验码(CRC=X8+X5+X4+1)。
ROM的作用是使每一个DS18B20都各不相同,这样就可以实现一根总线上挂接多个DS18B20的目的。
图2DS18B20的管脚排列DS18B20中的温度传感器完成对温度的测量,用16位符号扩展的二进制补码读数形式提供,以0.0625℃/LSB形式表达,其中S 为符号位。
例如+125℃的数字输出为07D0H,+25.0625℃的数字输出为0191H,-25.0625℃的数字输出为FF6FH,-55℃的数字输出为FC90H。
温度值高字节高低温报警触发器TH和TL、配置寄存器均由一个字节的EEPROM组成,使用一个存储器功能命令可对TH、TL或配置寄存器写入。
其中配置寄存器的格式如下:R1、R0决定温度转换的精度位数:R1R0=“00”,9位精度,最大转换时间为93.75ms;R1R0=“01”,10位精度,最大转换时间为187.5ms;R1R0=“10”,11位精度,最大转换时间为375ms;R1R0=“11”,12位精度,最大转换时间为750ms;未编程时默认为12位精度。
温湿度传感器的电路接口及使用方法概述说明1. 引言1.1 概述本文将详细介绍温湿度传感器的电路接口及使用方法。
温湿度传感器是一种能够测量环境中温度和湿度的设备,广泛应用于各个领域,如室内温湿度监测、农业温室环境控制以及工业生产过程中的温湿度监测等。
1.2 文章结构本文将分为五个主要部分来介绍温湿度传感器的电路接口及使用方法。
第一部分为引言,对文章主题进行概述说明;第二部分将深入探讨温湿度传感器的电路接口原理和常用类型;第三部分将详细介绍连接方式及硬件要求,以及编写代码和调试过程;第四部分将通过应用案例分析,分享室内温湿度监测系统实现方案、温室环境控制系统设计思路与实践经验以及工业生产过程中的技术应用研究;最后一部分为结论,总结全文内容。
1.3 目的本文旨在提供读者对于温湿度传感器电路接口和使用方法的全面了解。
通过本文的阅读,读者将能够掌握温湿度传感器的基本原理和工作方式,了解常用的温湿度传感器类型,并学会如何进行连接、编写代码和分析数据。
此外,通过应用案例分析部分,读者可以获取到关于室内温湿度监测系统、温室环境控制系统和工业生产过程中的技术应用实践经验。
最终,通过本文的阅读,读者将能够更好地应用温湿度传感器于实际项目中,提高环境监测和控制的效率与准确性。
2. 温湿度传感器的电路接口:2.1 温湿度传感器介绍温湿度传感器是一种能够测量环境中温度和湿度的设备。
它可以通过电子或光学方式来检测环境中的温湿度,并将其转换成相应的电信号输出。
2.2 电路接口原理温湿度传感器通常由一个含有感温元件和感湿元件的复合芯片组成。
这些元件可以通过改变其阻值、频率等方式来反映环境中的温度和湿度变化。
在设计温湿度传感器电路接口时,需要考虑以下几个方面:- 供电电压选择:根据不同型号的温湿度传感器,其供电需求可能会有所不同。
需要根据实际使用情况选择合适的供电电压。
- 信号采集:温湿度传感器输出的信号通常是模拟信号,在接口设计时,需要使用模拟信号输入模块进行采集,并进行相应的放大、滤波等处理。
温湿度传感器SHT111 SHT11简介SHT11是瑞士Scnsirion公司推出的一款数字温湿度传感器芯片。
该芯片广泛应用于暖通空调、汽车、消费电子、自动控制等领域。
共主要特点如下:◆高度集成,将温度感测、湿度感测、信号变换、A/D转换和加热器等功能集成到一个芯片上;◆提供二线数字串行接口SCK和DATA,接口简单,支持CRC传输校验,传输可靠性高;◆测量精度可编程调节,内置A/D转换器(分辨率为8~12位,可以通过对芯片内部寄存器编程米选择);◆测量精确度高,由于同时集成温湿度传感器,可以提供温度补偿的湿度测量值和高质量的露点计算功能;◆封装尺寸超小(7.62 mm×5.08mm×2.5 mm),测量和通信结束后,自动转入低功耗模式;◆高可靠性,采用CMOSens工艺,测量时可将感测头完全浸于水中。
2 SHT11的引脚功能SHT11温湿度传感器采用SMD(LCC)表面贴片封装形式,接口非常简单,引脚名称及排列顺序如图1所示。
各引脚的功能如下:◇脚1和4--信号地和电源,其工作电压范围是 2.4~5.5 V;◇脚2和脚3--二线串行数字接口,其中DA-TA为数据线,SCK为时钟线;◇脚5~8--未连接。
3 SHT11的内部结构和工作原理微处理器是通过二线串行数字接口与SHT11进行通信的。
通信协议与通用的I2C总线协议是不兼容的,因此需要用通用微处理器I/O口模拟该通信时序。
微处理器对SHT11的控制是通过5个5位命令代码来实现的,命令代码的含义如表1所列。
4 SHT11应用设计微处理器采用二线串行数字接口和温湿度传感器芯片SHT11进行通信,所以硬件接门设计非常简单;然而,通信协议是芯片厂家自己定义的,所以在软件设计中,需要用微处理器通用I/O口模拟通信协议。
4.1 硬件设计SHT11通过二线数字串行接口来访问,所以硬件接口电路非常简单。
需要注意的地方是:DATA数据线需要外接上拉电阻,时钟线SCK用于微处理器和SHT11之间通信同步,由于接口包含了完全静态逻辑,所以对SCK最低频率没有要求;当工作电压高于 4.5V时,SCK频率最高为10 MHz,而当工作电压低于 4.5 V时,SCK最高频率则为 1 MHz。
小型智能系统设计------- 实验项目报告实验名称:基于STC 89C52单片机的温湿度变送器实验日期: 2014年5月——2014年6月院系:电子科学与工程学院专业:微电子科学与工程指导老师:张熠姓名:高波学号:B13020927EDA实验室开课时间:2013/2014 学年第二学期摘要随着人们生活水平的不断提高,利用单片机实现智能控制无疑是人们追求的目标之一,它给人带来的方便也是毋庸置疑的,其中温度传感器就是其中的一个典型例子,但是人们对单片机的控制要求越来越高。
要为现代人工作,生活,科研,学习提供更好、更方便、更人性化的设施就要从单片机技术入手,一切向数字化、智能控制化方向发展。
温湿度变送器基于STC 89C52 单片机,配以DHT11传感器、DS1302显示器以及RS485中继站,具有精度高、适用范围广、生产加工简单、成本低、支持远距离传送、操作简单等优点。
是工农业生产和日常生活都非常实用的一种器件。
目录序言 (3)第一章温度采集器总体设计方案 (4)1.0 温度采集器设计方案论述 (4)1.1 方案明细 (4)第二章硬件设计 (7)2.0 1-wire总线协议介绍 (7)2.1S T C89C52的简单介绍 (8)2.2D H T11特点及电气特性 (9)2.3 MAX232特点及电气特性 (10)2.4 11.0592晶体振荡器电气特性 (13)第三章系统软件设计 (13)3.0主程序设计 (13)3.1 温度程序设计(DHT11模块) (13)3.2 时间程序设计(DS1302模块) (14)第四章总结与体会 (14)第五章软件仿真与系统调试 (16)5.0 protues软件仿真 (19)5.1 keil version仿真 (25)5.2 实物照片 (29)第六章附录 (29)6.0 主程序源代码 (30)序言智能温度传感器智能温度传感器(亦称数字温度传感器)是在20世纪90年代中期问世的。
温湿度传感器实验报告温湿度传感器实验报告引言:温湿度传感器是一种常见的传感器,用于测量周围环境的温度和湿度。
它广泛应用于气象观测、室内环境监测、农业生产等领域。
本实验旨在通过实际操作和数据分析,探究温湿度传感器的工作原理和性能。
实验设备和方法:实验中使用的温湿度传感器是DHT11型号,其工作电压为3-5V,输出为数字信号。
实验所需的其他设备包括Arduino开发板、面包板、杜邦线等。
首先,将DHT11传感器连接到Arduino开发板上。
将传感器的VCC引脚连接到Arduino的5V引脚,GND引脚连接到Arduino的GND引脚,DATA引脚连接到Arduino的数字引脚2。
接下来,编写Arduino代码,通过读取传感器的数据并将其显示在串口监视器上。
代码的主要功能是通过Arduino的数字引脚读取传感器的数据,并将温度和湿度值发送到串口监视器上。
实验结果和分析:经过实验测量和数据分析,我们得到了一组温湿度传感器的测量结果。
在一个封闭的房间环境中,温度和湿度的变化是不可避免的。
我们将这些数据用图表的形式呈现,以更直观地观察温湿度的变化趋势。
首先,我们观察到在一天的不同时间段,温度和湿度的变化是有规律的。
例如,在白天温度较高,湿度较低;而在晚上温度较低,湿度较高。
这是由于太阳的照射和人体活动等因素的影响。
其次,我们还发现温湿度传感器对环境的变化非常敏感。
例如,当有人进入房间时,体温和呼吸会导致温度和湿度的瞬时变化。
这进一步验证了温湿度传感器的精确度和灵敏度。
此外,通过对数据的分析,我们还可以得出一些结论。
例如,温度和湿度之间存在一定的相关性。
当温度升高时,湿度往往会降低;反之亦然。
这可能是由于水分的蒸发和空气的冷却等因素的影响。
结论:通过本次实验,我们深入了解了温湿度传感器的工作原理和性能。
它可以准确地测量周围环境的温度和湿度,并对环境的变化做出敏感的反应。
温湿度传感器在气象观测、室内环境监测和农业生产等领域具有广泛的应用前景。