岩沥青性能
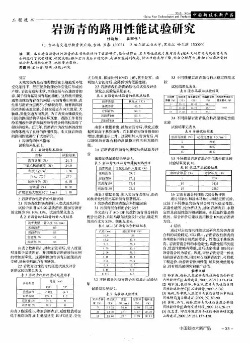
- 格式:doc
- 大小:567.00 KB
- 文档页数:15
天然岩沥青、改性沥青及沥青混合料性能评价摘要:本文就天然岩沥青\改性沥青及沥青混合料性能评价的一些课题做一简要的陈述,论述了天然岩沥青\改性沥青性能评价、天然岩沥青\改性沥青技术要求、天然岩沥青\改性沥青混合料性能评价、确定基质沥青及适宜天然岩沥青掺量等四个方面的内容,仅供交流学习。
关键词:天然岩沥青;改性沥青;混合料性能;评价中图分类号:文献标识号:a 文章编号:2306-1499(2013)02- 不同改性沥青,使用性能差异较大,不同沥青-改性剂的组合,其性能有较大的差异。
改性沥青的应用应结合工程实际情况选择适宜的改性沥青。
根据当地的气候和交通条件,选择适当的基质沥青。
如希望提高高温性能的路段,基质沥青的标号宜为当地同类公路使用的沥青标号;如希望提高低温性能的路段,基质沥青的标号宜为针人度大一个等级(软一些)的沥青。
同时,对每一类改性沥青的路用性能,采用不同的评价指标,但要针对改性沥青的特点及改性目的,选择有代表性的试验指标作为重点评价指标。
采用天然岩沥青作为改性剂主要是用来提高沥青路面的高温稳定性,所以,以高温性能评价指标作为主要评价指标,同时兼顾到低温性能。
下面,仅就天然岩沥青\改性沥青及沥青混合料性能评价的一些课题做一简要的陈述。
1.天然岩沥青\改性沥青性能评价作为改性剂的天然岩沥青主要技术指标满足表1要求。
本论文所用的岩沥青的指标是多少试验严格按照《公路工程沥青及沥青混合料试验规程》(jtj052-2000)有关试验方法进行室内试验。
室内试验制作改性沥青的工艺尽可能与生产现场的实际加工工艺一致,经改性的沥青能够模拟实际生产时的情况。
使用国产天然岩沥青资源,使经济、实用的天然岩沥青改性剂得到广泛应用,促进改性沥青在高等级公路路面中的应用,特别是能促进天然岩沥青在面广量大的干线公路网中得到广泛应用,提高路面使用性能。
天然岩沥青在国外路面工程有较多应用,长期的工程实践表明天然沥青通常就有较好的抗车辙性能、抗水损坏能力、抗老化性能和较高的强度。
岩沥青技术手册引言:岩沥青是一种自然出现的矿物质,在建筑、道路和其他工程领域中具有广泛的应用。
本手册旨在提供关于岩沥青技术的全面概述,并介绍其在不同领域中的使用方法和最佳实践。
从岩沥青的定义和形成到其性能特点和常见用途,本手册将为读者提供有关岩沥青技术的深入了解。
第一部分:岩沥青的基本知识1.1 岩沥青的定义1.2 岩沥青的形成过程1.3 岩沥青的分类和成分第二部分:岩沥青的应用领域2.1 建筑领域中的岩沥青应用- 2.1.1 岩沥青在建筑防水中的应用- 2.1.2 岩沥青在建筑材料中的应用- 2.1.3 岩沥青在建筑胶黏剂中的应用2.2 道路领域中的岩沥青应用- 2.2.1 岩沥青在道路沥青混合料中的应用- 2.2.2 岩沥青在路面防水中的应用- 2.2.3 岩沥青在路面维修中的应用2.3 其他工程领域中的岩沥青应用- 2.3.1 岩沥青在隧道工程中的应用- 2.3.2 岩沥青在海洋工程中的应用- 2.3.3 岩沥青在挖掘和挖掘工程中的应用第三部分:岩沥青的性能特点3.1 岩沥青的物理性能- 3.1.1 密度和颗粒大小- 3.1.2 热胀冷缩性能- 3.1.3 硬度和抗压强度3.2 岩沥青的化学性能- 3.2.1 化学组成- 3.2.2 稳定性和耐候性- 3.2.3 耐酸碱性能3.3 岩沥青的工程性能- 3.3.1 黏性和粘附性能- 3.3.2 弹性和柔韧性能- 3.3.3 抗滑性和抗磨性能第四部分:岩沥青的使用方法和最佳实践4.1 岩沥青的选材和质量控制- 4.1.1 岩沥青的选择和采购- 4.1.2 岩沥青的质量检测和监控4.2 岩沥青的施工技术- 4.2.1 岩沥青的加热与搅拌- 4.2.2 岩沥青的喷涂和涂覆- 4.2.3 岩沥青的养护和维护4.3 岩沥青的安全性和环保性考虑- 4.3.1 岩沥青施工中的安全措施- 4.3.2 岩沥青的环境影响评估结论:岩沥青作为一种重要的建筑材料,在各个工程领域中都发挥着重要的作用。
布敦岩沥青混合料性能试验研究摘要:本文通过不掺布敦岩沥青和掺3%布敦岩沥青进行车辙试验、冻融劈裂试验、马歇尔试验,低温弯曲试验,评价掺布敦岩沥青混合料得高温性能,低温性能、水稳定性。
研究表明掺3%的布敦岩沥青其路用性能有很好的改善。
关键词:道路工程;岩沥青;混合料;路用性能0引言印尼布敦岩沥青[1](buton rock asphalt简称bra)是产于印度尼西亚布敦岛的天然岩沥青,其中沥青含量约20%, 其余为石灰岩矿物质。
岩沥青中沥青的软化点达到70︿90℃,耐老化性能好,可作为石油沥青的改性剂。
同济大学刘树堂、杨永顺[2],利用电子探针检测知:bra中主要含有碳、氧、硫、硅、镁、铝、钙、钾及铁等元素,由于电子探针只能检测5号硼元素至92号铀元素之间的元素,所以氢元素不能被检测出来。
由于沥青主要是碳、氢化合物,因此其中应含有大量的氢元素。
现有研究表明采用布敦沥青做改性沥青沥青混合料具有良好的力学性能,适用于重交通公路,机场跑道等路面工程。
本文采用室内马歇尔试验,车辙试验和低温弯曲试验,评价外掺布敦岩沥青的路用性能。
为岩沥青改性沥青混合料组成设计提供参考。
主要评价指标为稳定度、动稳定度、弯曲应变能。
1 原材料性质1.1沥青试验表1 sk70沥青技术性能项目试验结果技术要求针入度(25℃,100g, 5s,0.1mm) 58 50~70针入度指数p.i -1.17 ≥0.5延度(5cm/min,5℃,cm)>150 ≥100软化点(℃)48 40~60闪点(℃)>230 ≥230溶解度(%)99.5 ≥99.0密度(15℃,g/cm3) 1.036 实测1.2集料试验本项目ac-13型沥青混料试验所采用的集料为安徽巢湖散兵石灰岩,集料粒径规格分别为s10(10~15mm)、s11(5~10mm)、s14(3~5mm)和s16(0~3mm)试验结果见表2。
表2 面层集料技术性质集料规格/mm 压碎值/(%) 含泥量/(%) 表观密度/(g/cm-3) 吸水率/(%)19~37.518.2 0.35 2.741 0.189.5~19 0.96 2.734 0.214.75~9.5 1.12 2.746 0.450~4.75 13.7 2.730 2.471.3矿粉试验表3 矿粉技术性质试验项目试验结果技术要求表观相对密度(g/cm3) 2.783 ≮2.50矿粉亲水系数0.87 <1含水量(%)0.09 ≯1塑性指数 2 <4粒度范围<0.6mm<0.15mm<0.075mm 10093.589.5 10090~10075~1001.4岩沥青试验由于我国还没有布敦岩沥青的技术指标,因此在进行试验时采用印尼的国家准。
岩沥青对SMA沥青混合料路用性能影响分析摘要:本文对不同掺量岩沥青的改性沥青混合料的高温稳定性能、低温性能和水稳定性能进行了对比试验研究。
研究表明,岩沥青能够有效改善并提高沥青混合料的高温稳定性、低温抗裂性和水稳定性,其中改善高温稳定性和低温性性最为显著,对其路用性能的验证表明,3.5%的岩沥青掺量可作为其最佳掺量使用。
关键词:沥青混合料;岩沥青;路用性能中图分类号:u414.3 文献标识码:a 文章编号:0 前言沥青改性可以改善沥青的高温稳定性和低温抗裂性,近年来改性沥青在我国高速公路上面层的使用成为普遍。
岩沥青是石油在自然界长期受地壳挤压不断地从地壳中冒出,存在于山体、岩石裂隙中,并与空气、水接触逐渐变化,经长期蒸发凝固而形成的,其中常混有一定比例的矿物质。
由于岩沥青本身性质属于沥青,其加入基质沥青后,机理上属于沥青基对沥青基的掺配,与基质沥青具有优良的配伍性。
我国目前对岩沥青的研究较为不足,本文针对目前岩沥青的研究现状和存在的技术问题,以提高沥青混合料的路用性能为主要目标,结合sma沥青混合料的级配设计,利用确定的岩沥青适宜掺量,对岩沥青混合料的路用性能进行了分析研究。
1 岩沥青混合料级配设计本文分析时采用sma-10的级配,通过马歇尔试验法进行混合料的配合比设计和性能评价。
先通过基质沥青的沥青混合料 sma-10 的实验确定最佳矿料级配,然后在此矿料级配的基础上分别配制岩沥青改性沥青混合料、通过对沥青混合料体积指标和力学指标的分析,分别确定该混合料的最佳油石比。
同时为了研究岩沥青掺量对沥青混合料性能影响,本文采用了4种岩沥青掺量,即掺量为0%,3.0%,3.5%,4.0%和6.0%(其中掺量为岩沥青占沥青混合料质量的比例)。
在此基础上,确定了对应掺量下沥青混合料的最佳油石比。
2岩沥青混合料路用性能验证对沥青混合料的沥青混合料的高温性能、低温性能等路用性能进行室内对比试验,其试验结果如表1所示。
202总490/491/492期2019年第04/05/06期(2月)0 引言沥青主要分为湖沥青、岩沥青、石油沥青、煤焦油沥青四大类。
其中岩沥青是一种天然沥青,呈固体颗粒状,是石油在地壳运动的挤压下,从地壳中冒出,在山体、岩石裂缝中,经过长达亿万年的蒸发凝固与沉积变化,在热、压力、氧化、融媒、细菌的综合作用下生成的。
改革开放以来,我国社会经济的迅速发展,对道路交通运输行业带来了极大的挑战。
道路交通运输需求逐年加大,交通运输量迅速增长,载重量和抽重都有了急剧增加,逐渐产生越来越多的超载现象。
在我国的自然条件下,大部分地区夏季温度较高,南方地区降雨量普遍较大,这样的自然气候条件容易导致不利的交通荷载条件,使我国沥青路面建设与维护面临重大的挑战和严峻的考验,部分沥青路面通车一段时间后便会出现严重的车辙病害、水损害、低温收缩、路面坑槽等早期破坏现象。
1 天然岩沥青的物质特性天然岩沥青主要具有以下几个物质特性:①高软化点。
天然岩沥青自身拥有极高的软化点,一般在160~175℃左右。
②具有高氮元素含量。
天然岩沥青的含氮量通常要高于石油沥青、湖沥青等其他种类沥青,且氮元素在物质中官能团形式存在,致使沥青具有较强的浸润性并对自由氧化基具有抵抗性,表现为具有极高的黏度和抗氧化性。
③具有极强的抗老化性。
天然岩沥青常年存在于岩石、山体夹缝中,性质及其稳定,与自然环境的长期共存导致其具有极强的抵抗微生物侵蚀作用的能力。
④无蜡含量。
天然岩沥青不含有蜡成分,沥青品质相对较高。
2 天然岩沥青应用于沥青路面的方式2.1 干法应用天然岩沥青干法应用于沥青路面,是指将天然岩沥青作为矿料加入到料仓中,与路面沥青搅拌融合后直接使用的方法。
这种方法是直接投放天然岩沥青,方便快捷。
2.2 湿法应用天然岩沥青湿法应用于沥青路面,是指先将沥青加入改性剂,再与集料搅拌混合成新的改性沥青混合材料使用的方法。
这种方法对于提高路面的水稳定性作用较为明显。
SBS与岩沥青复合改性沥青混合料性能评价SBS(丁苯橡胶)与岩沥青复合改性沥青混合料是一种常用的道路建设材料,它具有优异的抗老化、抗裂纹、抗滑移和耐久性能。
本文针对SBS与岩沥青复合改性沥青混合料的性能进行评价,主要从抗剪强度、抗拉强度、抗老化性能和耐久性能四个方面进行分析。
首先,抗剪强度是评价沥青混合料性能的重要指标之一、SBS与岩沥青复合改性沥青混合料通过增加岩沥青的黏度和SBS的弹性模量,可提高其抗剪强度。
这主要是由于SBS具有良好的粘附性和弹性,能够有效地提高沥青的黏性和抗剪强度。
研究发现,SBS与岩沥青复合改性沥青混合料的抗剪强度明显高于传统的岩沥青混合料,具有更好的综合力学性能。
其次,抗拉强度也是评价沥青混合料性能的重要指标之一、SBS与岩沥青复合改性沥青混合料通过增加SBS的拉伸性能,能够显著提高其抗拉强度。
应力-应变曲线测试结果表明,SBS与岩沥青复合改性沥青混合料的抗拉强度明显高于传统的岩沥青混合料,具有更好的抗拉性能。
第三,抗老化性能是评价沥青混合料耐久性能的重要指标之一、经过一段时间的使用和氧化,沥青会发生老化,导致其性能下降。
SBS与岩沥青复合改性沥青混合料通过添加SBS改善了沥青的老化性能。
研究发现,SBS与岩沥青复合改性沥青混合料的抗老化性能明显优于传统的岩沥青混合料,具有更好的耐久性能。
最后,耐久性能是评价沥青混合料的重要指标之一、沥青混合料在长期使用过程中,会受到日晒、雨淋、车辆负荷和温度变化等多种环境因素的影响。
SBS与岩沥青复合改性沥青混合料具有较好的耐久性能,能够在复杂的气候和重载交通条件下保持稳定性能。
研究发现,SBS与岩沥青复合改性沥青混合料在大范围的温度变化下,仍能够保持较好的强度和变形性能。
综上所述,SBS与岩沥青复合改性沥青混合料在抗剪强度、抗拉强度、抗老化性能和耐久性能方面具有明显的优势。
通过合理控制SBS与岩沥青的复合比例和改性工艺,可以进一步提高混合料的性能。
目录第一章天然岩沥青介绍 (1)一、天然岩沥青概述 (1)二、性状描述 (2)第二章岩沥青改性沥青 (3)一、加工工艺 (3)二、岩沥青改性沥青性能研究与工艺优化 (3)1、岩沥青改性沥青性能研究 (3)2、岩沥青改性沥青技术要求 (5)第三章岩沥青改性沥青混合料 (6)一、岩沥青改性沥青性能研究 (6)1、高温车辙实验 (6)2、高温汉堡车辙实验 (8)3、抗水损害性能 (10)二、岩沥青改性沥青混合料设计及施工工艺 (11)1、集料 (11)2、岩沥青改性沥青混合料配合比设计 (11)3、混合料拌制 (11)4、岩沥青改性沥青混合料的施工工艺 (12)5、开放交通管理 (13)第四章市场分析 (14)第一章天然岩沥青介绍一、天然岩沥青概述天然岩沥青是以分子量高达一万的沥青质为主要成分,包含氢、氮、氧等其他化学成分组成的混合物。
其化学构成如下:碳81.7%、氢7.5%、氧2.3%、氮1.95%、硫4.4%、铝1.1%、硅0.18%及其他金属0.87%。
在这些沥青质中,几乎每个大分子中都含有由上述元素组成的极性官能团,这些极性官能团使得天然岩沥青与岩石表面之间有着非常强的吸附力。
岩沥青中的极性官能团吸附硅酸岩、石英岩、石灰石、高岭石和硅铝酸盐等岩体表面能量的能力,比普通沥青胶质要高出数倍,具有良好的抗剥落性能。
同时,岩沥青还含有多种能促进石油沥青中活性基团(羧基、羰基、醛、萘等)交联聚合的有机链,使得掺入岩沥青中的石油沥青分子的排列方式和网状结构(结点和强度)得到改善,增强了沥青内聚力,使改性沥青的抗流动性、抗氧化性、粘附性和感温性等获得明显的改善,尤其在抗车辙方面,更是表现出十分优异的特性。
二、性状描述图1-1 岩沥青样块试验用布敦岩沥青天然沥青采自于印度尼西亚布敦地区,黑色块状,易碎,易于松解,有类似矿物解理,结构紧密,断面有光泽,呈不规则棱角状,而不似普通沥青由于结构均一,而呈现的半贝壳状或贝壳状断面。
第二章岩沥青改性沥青一、加工工艺岩沥青改性沥青采用普通加热拌合和高速剪切两种加工工艺,剪切温度为170℃±10℃。
进行加热,保持养生发育时间约1小时。
试验流程如图所示。
图2-1 改性试验流程图二、岩沥青改性沥青性能研究与工艺优化1、岩沥青改性沥青性能研究根据现行规范要求,每种试样均进行三大指标试验:25℃针入度、软化点、15℃延度试验;为了验证沥青低温性能,增加4℃针入度试验;针入度指数PI、闪点、脆点、弹性恢复、密度、溶解度、离析;粘度指标是反映沥青性能的重要指标,每种试样分别作不同试验温度下的粘度试验:60℃、135℃、175℃粘度试验;为了验证沥青改性后的抗老化性能,分别进行了沥青短期老化(RTFO)后的沥青指标。
表2-1 齐鲁70#基质-岩沥青改性沥青试验数据PG性能分级对外掺0%、10%、13%、20%、27%、33%的岩沥青改性沥青进行了PG性能试验与分级。
得到的PG分级结果如表所示,岩沥青改性沥青提升了基质沥青的高温性能等级,提高了沥青的高温性能、抗变形能力。
2、岩沥青改性沥青技术要求制造岩沥青改性沥青的基质沥青应与岩沥青有良好的配伍性,其质量应符合JTG F40-2004《公路沥青路面施工技术规范》表2-3中70号A级道路石油沥青的技术要求。
岩沥青改性沥青宜在固定式工厂集中制作,在路面使用过程中应遵照供应商提供的使用技术要求。
表2-3 岩沥青改性70号沥青技术要求TFOT(或RTFOT)后中的“沥青布氏旋转粘度试验方法(布洛克菲尔德粘度计法)”进行测定。
若在不改变改性沥青物理力学性质并符合安全条件的温度下易于泵送和拌和,或经试验证明适当提高泵送和拌和温度时能保证改性沥青的质量,容易施工,可不要求测定。
②老化试验以TFOT方法为准,允许以RTFOT方法代替,但必须在报告中注明,且不得作为仲裁结果。
③PG分级试验以AASHTO MP1,1995标准为准。
④上述技术指标是由70#基质沥青所制作的岩沥青改性沥青所得到的。
第三章岩沥青改性沥青混合料一、岩沥青改性沥青混合料性能研究沥青混合料是一种粘弹性材料,其物理力学性能与温度和荷载作用时间密切相关。
通常所说的“高温稳定性”的“高温”是指在使用过程中受交通荷载的反复作用,容易产生车辙、推移、拥包等永久性变形的温度范围。
沥青路面在高温下往往劲度迅速下降,路面抗剪强度不足,易形成高温变形,尤其在道路的交叉口或长纵坡路段,随着交通渠化和轴载加重,高等级沥青路面永久性变形问题越来越引起重视。
针对多种混合料级配类型进行多种高温性能试验,主要有车辙试验、汉堡试验和多重蠕变试验等,对多种基质沥情和SBS改性沥青进行了对比研究。
1 高温车辙试验外掺岩沥青10%、13%、33%的改性沥青混合料进行车辙试验,同时横向对比的还有滨化基质沥青90#、外掺15%、30%特拉尼达湖沥青,外掺5%、10%北美硬质岩沥青改性沥青混合料。
结果表明:随着岩沥青掺量的增加,混合料动稳定度迅速增加,33%布敦岩沥青改性沥青混合料动稳定度是基质沥青混合料动稳定度的4.9倍,证明了其优良的改性效果和高温性能。
表3-1 岩沥青改性沥青车辙试验数据沥青种类滨化90#沥青13%岩沥青27%岩沥青33%岩沥青动稳定度(次/mm)2550 4074 7481 12508 沥青种类15%特立尼达湖沥青30%特立尼达湖沥青动稳定度(次/mm)5136 7434 沥青种类5%北美岩沥青10%北美岩沥青动稳定度(次/mm)4442 7749对滨化70#、加德士70#、中海油70#及其各自外掺20%的布敦岩沥青改性沥青进行车辙试验对比,同时也对SBS改性沥青进行了高温性能对比。
结果表明,同基质沥青掺加相同掺量的岩沥青,获得的改性沥青混合料的抗车辙能力基本相同,岩沥青掺量为20%时,其改性沥青混合料动稳定度均增加一倍以上,改性效果相当明显。
通过比较可以看出,采用70#基质沥青掺加20%岩沥青,其混合料的动稳定度均要略高于SBS改性沥青混合料。
2 高温汉堡车辙试验汉堡轮辙试验是目前测试沥青混合料抗水损害和抗车辙性能试验条件最苛刻的试验设备之一。
而且汉堡轮辙试验结果与沥青混合料的现场性能具有良好的相关性,能很好的模拟现场最恶劣的环境,因此采用汉堡轮辙试验对混合料性能进行比较评价具有很好的可参考性。
分别采用AC-20、AC-25、ATB-25三种级配沥青混合料进行汉堡试验。
结果表明,岩沥青的掺加可以显著提高沥青混合料的高温抗变形能力及抗水剥落能力。
表3-2 汉堡轮辙试验结果汇总混合料类型沥青类型沥青含量,%理论最大相对密度毛体积相对密试件空隙率,%10000次变形,mm20000次变形,mmAC-20 普通70号沥青 4.4 2.522 2.333 7.50 4.50 7.37 AC-20 SBS改性沥青 4.6 2.515 2.351 6.49 2.98 3.88 AC-20 50号沥青 4.3 2.526 2.325 7.95 2.20 3.12 AC-20 岩沥青 4.6 2.515 2.337 7.08 3.00 3.99 AC-20 70+矿纤维 5.0 2.507 2.359 5.90 4.22 7.00 AC-20 70+纺纶纤维 4.8 2.509 2.345 6.55 4.10 5.88表3-3 不同沥青AC- 25混合料汉堡试验结果对比级配类型沥青沥青含量(%) 碾压20000次变形(mm)拐点(次)AC-25 普通70# 4.2 11.1 6700AC-25 岩沥青改性沥青(13%)4.2 7.08 15000AC-25 岩沥青改性沥青(20%)4.3 3.66 无表3-4 ATB-25汉堡试验结果级配类型沥青用量(%) 碾压20000次变形(mm)拐点(次/mm)ATB-25 普通70# 3.7 6.75 无ATB-25 岩改沥青(13%) 3.9 5.34 无ATB-25 岩改沥青(20%) 4.0 3.21 无3 抗水损害性能采用加德士70号沥青及不同岩沥青掺量改性沥青混合料进行冻融劈裂试验以对其抗水损害进行评价。
表3-5 岩沥青改性沥青混合料的冻融劈裂试验试验结果表明,岩沥青改性沥青混合料抗水损害性能得到了明显的改善,随着掺量的增加,混合料抗水损害性能逐渐增强,当掺量为20%时TSR值到达峰值,当岩沥青掺量继续增加,混合料TSR值迅速降低。
二、岩沥青改性沥青混合料设计及施工工艺1、集料执行部颁《公路工程集料试验规程》(JTG E42)和《公路沥青路面施工技术规范》(JTG F40)标准。
2、岩沥青改性沥青混合料配合比设计岩沥青改性沥青混合料配合比设计方法按部颁《公路沥青路面施工技术规范》(JTG F40)规定执行,拌和必须采用小型沥青混合料拌和机进行,拌和温度为165~170℃,试件制作温度为160~165℃。
岩沥青改性沥青可用于表面层、加铺层和过渡层以提高高温抗车辙性能为主要目的兼有承重、抵抗反射裂缝以及阻挡水分渗入路面结构内部的作用。
低温性能可按普通沥青混合料的要求执行。
3、混合料的拌制岩沥青改性沥青的贮存罐必须加设搅拌设备,搅拌设备每2小时搅拌一次,每次搅拌30分钟。
第一次储存岩沥青改性沥青前,沥青储存罐清理干净,储存罐内不得存留原有的沥青及其它杂质,空罐体未泵入沥青前,应对罐体进行预先加热。
岩沥青改性沥青由于粘度较大,泵送时间较长,所以应尽量缩短沥青的供给管道长度,并且提前60分钟用导热油对管道进行加热。
岩沥青改性沥青的加热温度应保持在160~170℃。
岩沥青改性沥青混合料拌和时间根据具体情况经试拌确定,以沥青均匀裹覆集料为度。
间歇式拌和机每盘的生产周期不宜少于50s(其中干拌时间不少于5~10s)。
集料温度应比沥青高15~20℃,热混合料贮存过程中温降不得大于10℃,且不能有沥青滴漏,岩沥青改性沥青混合料只限当天使用。
岩沥青改性沥青混合料的出厂温度应控制在175~190℃之间,超过195℃者应予废弃。
4、岩沥青改性沥青混合料的施工工艺由于岩沥青改性混合料对温度的要求比较高,因此在摊铺施工前要提前1h进行熨平板的预热工作,熨平板温度不低于120℃。
摊铺过程中,熨平板应选择较高的振动频率,提高初始压实度,以保证岩沥青改性沥青路面的整体压实效果。
岩沥青改性混合料的松铺系数应由混合料类型试铺试压确定。
岩沥青改性混合料摊铺温度不低于160℃。
岩沥青改性沥青混合料的压实温度为:初压温度≥150℃,终压温度≥120℃。
岩沥青改性沥青混合料的碾压温度要求较高,为防止碾压过程中沥青混合料温度降低过快,初压:采用双钢轮压路机,驱动轮面向摊铺机,第一遍必须采用静压方式,紧跟摊铺机后,从外侧向内侧碾压,振动碾压时遵循“紧跟、慢压、高频、低幅”的原则,采用高频率、低振幅的方式碾压2~3遍。