汽车焊装点焊工艺
- 格式:ppt
- 大小:5.91 MB
- 文档页数:75
焊装车间工艺流程
《焊装车间工艺流程》
焊装车间是汽车生产线上至关重要的一部分,其工艺流程的设计和执行直接关系到汽车的质量和效率。
下面将介绍焊装车间的工艺流程。
1. 车身焊接:车身焊接是焊装车间的核心环节,各个零部件需要进行精密的焊接,以确保车身的结构牢固和安全。
焊接工艺包括点焊、缝焊、激光焊等,每一道焊缝都需要严格按照工艺要求进行焊接,确保焊接质量达标。
2. 车身组装:车身焊接完成后,需要进行车身的组装工艺。
这包括车门、引擎盖、行李箱盖等零部件的安装,同时需要对车身进行检测,确保各个零部件的安装位置准确,对接严密。
3. 车身喷漆:车身组装完成后,需要进行车身的喷漆工艺。
这一环节需要进行底漆、面漆、清漆等多道工艺的喷涂,以确保车身的颜色鲜艳和耐久。
4. 质量检测:在焊装车间的每个环节都需要进行严格的质量检测。
这包括焊接质量、安装质量、喷漆质量等多个方面,以确保车身的质量符合标准。
5. 检测修正:如果在质量检测中发现车身有任何质量问题,需要及时进行修正。
这包括重新焊接、重新组装、重新喷漆等多个环节,直到车身的质量符合标准。
焊装车间的工艺流程对汽车的质量和性能有着至关重要的影响,各个环节的工艺都需要严格按照要求执行,以确保生产出高质量的汽车产品。
汽车点焊工艺流程
汽车点焊工艺是一种常用的车身焊接方法,下面是简要的汽车点焊工艺流程:
1.准备工作:根据焊接任务,准备好所需的焊接设备、电极、工件等。
2.工件准备:将待焊接的工件清洁干净,确保表面无油污、氧化物等杂质,以保证焊接质量。
3.电极选择:根据焊接材料的种类和厚度,选择合适的电极类型和规格。
4.参数设定:根据焊接工艺规范,设置合适的焊接参数,如电流、电压、焊接时间等。
5.夹紧工件:使用专用夹具将工件固定在焊接位置,确保焊接位置的精确性和稳定性。
6.焊接操作:将电极接触工件上的焊接位置,按下焊接按钮或开启自动焊接程序,使电流通过电极和工件,产生局部加热并熔化工件表面,完成焊接。
7.检查质量:焊接完成后,对焊点进行目视检查和质量检测,确保焊接质量符合要求。
8.后续处理:根据需要,对焊接部位进行去毛刺、打磨、喷涂等后续处理工作,使焊接部位外观整洁,提高防腐能力。
需要注意的是,汽车点焊工艺流程可能会因不同车型、不同焊接任务而略有差异,具体操作步骤应根据实际情况和工艺规范进行调整。
此
外,安全操作是非常重要的,确保操作人员的人身安全和设备的正常运行。
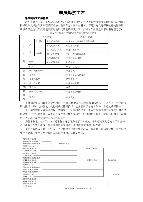
车身焊接工艺一、车身装焊工艺的特点汽车车身壳体是一个复杂的结构件,它是由百余种、甚至数百种薄板冲压件经焊接、铆接、机械联结及粘接等方法联结而成的。
由于车身冲压件的材料大都是具有良好焊接性能的低碳钢,所以焊接是现代车身制造中应用最广泛的联结方式。
表1列举了车身制造中常用的焊接方法:表1 车身制造中常用的焊接方法及典型应用实例用电阻焊。
除此之外就是二氧化碳碳气体保护焊,它主要用于车身骨架和车身总成的焊接中。
由于车身零件大都是薄壁板件或薄壁杆件,其刚性很差,所以在装焊过程中必须使用多点定位夹紧的专用装焊夹具,以保证各零件或合件在焊接处的贴合和相互位置,特别是门窗等孔洞的尺寸等。
这也是车身装焊工艺的特点之一。
为便于制造,车身设计时,通常将车身划分为若干个分总成,各分总成又划分为若干个合件,合件由若干个零件组成。
车身装焊的顺序则是上述过程的逆过程,即先将若干个零件装焊成合件,再将若干个合件和零件装焊成分总成,最后将分总成和合件、零件装焊成车身总成。
轿车白车身装焊大致的程序图为如图1所示:电阻焊1.电阻焊及其特点将置于两电极之间的工件加压,并在焊接处通以电流,利用电流通过工件本身产的的热量来加热而形成局部熔化,断电冷却时,在压力继续作用下而形成牢固接头。
这种工艺过程称为电阻焊。
电阻焊的种类很多,按接头形式可分为搭接电阻焊和对接电阻焊两种。
结合工艺方法,搭接电阻焊又可分为点焊、缝焊和凸焊三种,对接电阻焊一般有电阻对焊和闪光对焊两种。
特点:(1)利用电流通过工件焊接处的电阻而产生的热量对工件加热。
即热量不是来源于工件之外,而是内部热源。
(2)整个焊接过程都是在压力作用校完成的,即必须施加压力。
(3)在焊接处不需加任何填充材料,也不需任何保护剂。
形成电阻焊接头的基本条件只有电极压力和焊接电流。
2.点焊点焊是利用在焊件间形成的一个个焊点来联接焊件的。
两焊件被压紧于两柱形电极之间并通以强大的电流,利用电阻热将工件焊接区加热到形成应有尺寸的熔化核心为止。
汽车焊装工艺流程
《汽车焊装工艺流程》
汽车焊装工艺流程是汽车制造过程中的重要环节。
焊装是指将各个零部件通过焊接工艺连接成整车的过程。
在汽车制造过程中,焊接工艺是非常关键的环节,它直接影响着汽车的质量和性能。
汽车焊装工艺流程通常包括以下几个步骤:
1. 材料准备:在焊装工艺开始之前,首先需要准备好各种焊接材料,包括焊丝、焊剂、焊接工具等。
2. 零部件安装:在焊接之前,需要将各个零部件先进行安装,确保它们的位置和角度都是正确的。
3. 焊接工艺选择:根据不同的零部件和焊接要求,选择合适的焊接工艺,包括气体保护焊、电弧焊、激光焊等。
4. 焊接操作:根据焊接工艺的要求,进行具体的焊接操作,确保焊接的质量和牢固度。
5. 检测和修复:完成焊接后,需要进行质量检测,确保焊接的质量达标。
如有不合格的地方,需要及时修复。
6. 表面处理:最后还需要对焊接部位进行表面处理,确保其外观和防腐性能。
总的来说,汽车焊装工艺流程是一个非常复杂和精细的过程,需要工匠们的精湛技艺和严谨态度。
只有通过严格的流程控制和质量管理,才能保证汽车焊装工艺的质量和可靠性。
汽车焊装工艺整体流程
汽车焊装工艺流程概述如下:
①零部件准备:冲压件、铸件、型材等按序排列,涂防锈剂;
②定位夹紧:使用夹具将各部件精准定位并固定于焊接工位;
③电阻点焊/弧焊:对车身骨架关键连接处进行点焊或连续缝焊;
④激光焊/焊接机器人:高精度部位采用激光焊,自动化生产线运用机器人完成焊接;
⑤自冲铆接/粘接:部分非金属材料或特殊结构采用自冲铆或结构胶粘接;
⑥尺寸检验:焊接后进行在线或离线尺寸检测,确保精度;
⑦车身防腐处理:焊缝清理、涂密封胶、电泳涂装等防腐措施;
⑧总成合装:将焊接完成的白车身与底盘、内外饰等总成件装配成整车。
轿车车身都采用金属构件和复盖件的分块组合。
将各种预先制好的结构件,例如风窗立柱,门立柱、门上横、前后冀子板、前后围板、顶盖等零部件通过焊接和铆接的方式进行组合装配。
其中焊接是汽车装配流水线上不可缺少的工序。
车身焊接主要有电阻电焊、缝焊、二氧化碳焊等方式。
电阻电焊通过施加在点焊电极上的电流将零件的接触表面熔化,然后在压力作用下连接在一起,主要用于车身构件及车架的焊接。
缝焊用滚轮电极代替电阻电焊的点焊电极,滚轮电极传递焊接电流和压力,其转动与零件的移动相互协调,产生连续的焊缝,主要用于密封性焊接或缝点焊工件,例如油箱。
二氧化碳焊是一种电弧焊,即局部加热来熔化和连接零件而不需要施压的一种焊接方法,在电极与工件之间的电弧作为热源,同时施加二氧化碳遮住电弧和熔化区,使之与大气隔开,主要用于车身蒙皮的焊接。
根据不同的零件和要求,在汽车工业中采用了多样化的焊接技术,应用到的焊接技术还有闪光焊、电子束焊、电栓焊、脉冲焊、摩擦焊等等。
近年,还出现了激光焊,并且发展得很快,我国生产的一些轿车车身焊接,也采用了激光焊接。
激光技术采用偏光镜反射激光产生的光束使其集中在聚焦装置中产生巨大能量的光束,如果焦点靠近工件,工仵就会在几毫秒内熔化和蒸发,这一效应可用于焊接工艺。
激光焊接设备的关键是大功率激光器,主要有两大类,一类是固体激光器,又称Nd:Y AG激光器。
Nd(钕)是一种稀土族元素,Y AG代表钇铝柘榴石,晶体结构与红宝石相似。
Nd:Y AG激光器波长为1.06μm,主要优点是产生的光束可以通过光纤传送,因此可以省去复杂的光束传送系统,适用于柔性制造系统或远程加工,通常用于焊接精度要求比较高的工件。
汽车工业常用输出功率为3-4千瓦的Nd:Y AG激光器。
另一类是气体激光器,又称CO2激光器,分子气体作工作介质,产生平均为10.6μm的红外激光,可以连续工作并输出很高的功率,标准激光功率在2-5千瓦之间。
激光焊接的特点是被焊接工件变形极小,几乎没有连接间隙,焊接深度/宽度比高,因此焊接质量比传统焊接方法高。
汽车点焊工艺摘要 (2)第一章绪论 (3)1.1研究背景及现实意义 (3)1.2轿车车身铝合金点焊现状 (3)第二章电阻点焊焊概述 (4)2.1电阻点焊简介 (4)2.2点焊方法分类 (5)2.3电阻点焊的基本原理 (5)2.3.1电阻点焊的基本过程 (5)2.3.2焊接热的产出及影响因素 (7)第三章点焊工艺参数选择 (8)3.1 主要规范参数分析 (8)3.1.1 .电极压力对点焊质量的影响 (8)3.1.2 .通电电流对点焊质量的影响 (9)3.1.3 通电时间对点焊质量的影响 (10)3.2 焊接规范参数的确定原则 (11)3.3 调整方法 (11)第四章点焊质量保证与缺陷分析 (12)4.1 点焊质量保证 (12)4.1.1 焊点工艺设计的优化 (12)4.1.2 电极 (12)4.1.3 焊点的强度保证 (12)4.1.4 焊点外观质量的保证 (13)4.2 点焊接头主要缺陷产生的原因及预防措施 (13)第五章点焊焊枪驱动控制 (14)5.1 电动伺服焊枪应用现状 (14)5.2 点焊焊枪气动力伺服系统的组成及特点 (15)5.3 气动伺服系统的数学模型 (15)毕业设计总结参考文献摘要电阻点焊是一种被广泛应用的生产工艺,尤其被广泛应用于现代制造业及其它一些高科技产业与领域,如汽车制造、飞机制造及航空航天领域等。
点焊是现在汽车车身及其它部件的主要连接工艺方法,在汽车制造工业中发挥着不可替代的重要作用。
汽车车身点焊的连接质量决定了汽车的整体结构刚度和完整性,所以检测和保证点焊的连接质量具有重要的实际意义。
本文基于超声检测的基本原理,进行了汽车车身焊点连接质量的检测和评价研究。
在微型车车身装配焊接中,电阻焊占有相当重要的地位。
但是在焊接过程中所出现的缺陷给汽车装配带来一定的影响,这些问题如到了总装流水线上装配才发现,需要进行补焊、补漏、校正,变形,影响流水线的作业进度,因此消除焊接缺陷,对汽车装配具有重要意义。
汽车车身焊接工艺流程汽车车身焊接工艺流程一、概述汽车车身焊接技术是汽车制造过程中的重要环节之一,通过对不同部件进行焊接,使其形成固定的结构。
汽车车身焊接工艺流程是一个复杂的过程,需要严格按照规定的操作流程进行操作才能保证焊接质量。
二、焊接工艺准备1. 焊接设备准备:包括焊接机、焊枪等焊接设备的检修和调试,确保设备正常运行。
2. 焊接材料准备:包括焊丝、焊剂等焊接材料的准备,确保质量合格且足够使用。
3. 焊接工艺参数设定:根据焊接材料和焊接部件的要求,确定合适的焊接电流、电压等参数,确保焊接质量。
三、焊接工艺流程1. 焊接件准备:将需要焊接的部件进行检查和清理,确保表面光洁,无杂质和污垢。
2. 焊丝准备:根据焊接部件的要求,选择合适的焊丝,并将其装入焊枪。
3. 焊接位置确认:根据焊接部件的要求,确定焊接位置和焊缝。
4. 焊接点固定:将需要焊接的部件按照要求进行固定,以保证焊接过程中的稳定性。
5. 焊接准备:将焊接枪与焊接部件对准焊接位置,确保枪头与焊接部件之间的距离合适。
6. 焊接开始:按下焊接机的开关,开始进行焊接。
焊机会将焊丝和电流进行控制,将焊丝瞬间加热至熔化状态,使其与焊接部件熔合。
7. 焊缝焊接:焊接时,焊枪要保持稳定的移动速度,并且焊丝要均匀地喷射出来,以保证焊缝的质量。
8. 焊接结束:当焊接完成时,松开焊接机的开关,停止焊接。
然后将焊接枪从焊接部件上松开,进行下一步操作。
四、焊接质量控制1. 规范操作:严格按照焊接工艺流程进行操作,确保每一步都符合要求。
2. 焊接质量检查:对焊接部件进行检查,确保焊接质量符合要求。
包括焊缝的质量、焊接部件的强度等。
3. 焊接缺陷处理:对于焊接部件中可能存在的缺陷,及时进行修复和处理。
五、安全注意事项1. 焊接过程中,操作人员必须佩戴防护眼镜、手套等防护用品,确保自身安全。
2. 焊接过程中,禁止在焊接区域内有易燃物品,以防发生火灾。
3. 焊接过程中,操作人员应时刻保持专注,避免发生意外。
汽车焊装工艺知识点总结一、焊接概述焊接是一种通过热量和/或压力将材料永久连接在一起的工艺。
在汽车制造中,焊接是一项重要的工艺,用于连接汽车各个部件,如车身、底盘、发动机等。
焊接工艺在汽车制造过程中起着至关重要的作用,因为它可以确保汽车组件的稳固连接,从而保证汽车的安全和可靠性。
二、焊接类型1. 点焊点焊是一种常用的汽车焊接方法,它使用电流和压力在两个金属表面之间形成一个小的焊点来连接两个部件。
点焊通常用于连接汽车车身和底盘等部件,以确保它们能够牢固地连接在一起。
2. 熔化焊熔化焊是一种将金属材料熔化并连接在一起的焊接方法,包括氩弧焊、保护气体焊和电弧焊等。
在汽车焊接中,熔化焊通常用于连接车身和其他部件,以确保汽车的结构牢固和耐用。
3. 焊接接头类型焊接接头通常分为角接头、对接头、搭接头和T型接头等。
在汽车焊接中,不同类型的接头会影响焊接质量和连接强度,因此需要根据要连接的部件选择合适的接头类型。
4. 焊接电流和电压在汽车焊接过程中,焊接电流和电压是非常重要的参数。
通过正确地调节电流和电压,可以确保焊接质量,避免出现焊缝质量不良、材料变形等问题。
三、焊接设备1. 焊接机焊接机是实现焊接过程中的重要设备,通常分为手工焊机和自动焊机两种类型。
手工焊机主要由焊接电源、焊接枪和控制系统等部件组成,适用于小型和中小型车身部件的点焊和熔化焊。
自动焊机通常是通过编程控制焊接过程,用于大型汽车部件的焊接。
2. 焊接工具焊接工艺中常用的工具包括焊接枪、电焊头、电极和焊丝等。
这些工具对焊接质量和效率有着重要的影响,因此在选择和使用时需要注意。
3. 焊接工装焊接工装是用于夹持焊件并辅助焊接的设备,包括夹具和夹具板等。
这些设备可以提高焊接效率和质量,并保证焊接件的准确度和一致性。
四、焊接工艺1. 焊接前准备在进行焊接之前,需要对焊接件进行清洁处理,消除表面氧化物和油污等,以确保焊接质量。
此外,还需要对焊接工件的准备和定位进行严格控制,保证焊接位置正确和稳定。
汽车焊装工艺技术汽车焊装工艺技术是指将汽车零部件进行焊接组装的技术方法和操作规程。
在汽车制造过程中,焊接工艺是至关重要的一环,直接关系到汽车的质量和安全性。
下面将介绍一些常见的汽车焊装工艺技术。
首先是汽车焊接的常用方法。
目前,汽车焊接常使用的方法有点焊、线焊、冲焊和激光焊等。
其中,点焊是最常见的焊接方法,可以快速将零部件与车身焊接在一起。
线焊是利用焊接枪在零部件上进行移动焊接,适用于焊接长条状的零部件。
冲焊是利用冲击力将零部件紧固在一起,适用于接合面积较大的零部件。
激光焊则是利用激光束进行焊接,具有高精度、高速度的特点。
其次是焊接的准备工作。
在进行汽车焊接前,需要进行一系列的准备工作,包括材料准备、设备准备、工件准备和工艺准备。
材料准备包括选择合适的焊条、焊丝和焊接剂等。
设备准备包括选择适合的焊接设备和工具,确保其安全可靠。
工件准备包括对零部件进行清洗和表面处理,以确保焊接时的质量。
工艺准备包括制定焊接工艺参数和操作规程,确保焊接过程中的稳定性和可靠性。
最后是焊接的注意事项。
在进行汽车焊接时,需要注意以下几点。
首先是焊接质量的控制,包括焊接缺陷的预防和质量检验的执行。
其次是焊接安全的保障,包括焊接操作的安全措施和环境的安全检查。
再次是焊接工艺的优化,包括选择合适的焊接方法和工艺参数,以提高焊接质量和效率。
最后是焊接人员的技术培训和素质提高,以提升其操作水平和安全意识。
总之,汽车焊装工艺技术在汽车制造过程中具有重要的地位和作用。
只有通过科学有效的焊接工艺技术,才能保证汽车零部件的牢固连接和安全操作。
汽车焊装工艺技术的不断创新和发展,将为汽车制造业的发展提供更大的支持和推动力。
汽车焊接工艺相关步骤及要求等材料一、汽车焊接工艺步骤汽车焊接是指车身钢板零部件之间的连接加工过程,其目的是将需要连接的材料加工成为合适的形状和结构,然后通过焊接的方式连接在一起,完成车身零部件的组装工作。
实际上,汽车焊接的工艺步骤也是比较复杂的,主要包括如下几个方面:1、准备工作:这个阶段的任务是准备好焊接所需要的各种材料和设备,比如焊机、焊条、钳子、切割机等等,在保证安全的基础上安排好各种设施和人员的布局。
2、焊前处理:这个阶段的任务是将焊接所需要的零部件进行表面处理,包括去除表面的油脂、锈垢、腐蚀物等,以确保焊接前的焊缝能够得到很好的接合和质量。
3、焊接工艺:这个阶段的任务是按照设定的焊接参数和工艺流程进行焊接,确保焊接质量的一致性和稳定性。
4、焊后处理:这个阶段的任务是对焊接完成后的零部件进行检查和处理,以确定焊接质量是否符合要求,同时处理焊缝的残余物,避免影响下一步的工作。
这些是汽车焊接的主要步骤,而在实际操作中,还需要考虑到各种因素的影响,包括焊接材料的选择、焊接设备的配置和维护、人员的技术水平、工作环境的安全性等等,只有做好这些工作,才能有效提高汽车焊接的质量和效率。
二、冲压材料筛选、工作原理汽车冲压工艺是现代企业汽车零部件制造的重要工艺,主要是通过冲压模具对钢板材料按照所需结构、尺寸和形状等进行加工和成型。
这个过程中需要使用一些特殊的材料,比如冷轧板、热轧板、不锈钢板等,以及一些特殊性能的钢带如高强度钢带、热成形钢带等等。
除此之外,还需要考虑到产品的使用环境和性能要求,比如抗压、耐磨、防锈、防脱落等性能的要求等等。
针对不同的材料、工艺要求和汽车应用需求,可以制定不同的技术标准和材料配比方案,进而提高汽车零部件的品质和可靠性。
三、安全防范开展1、保护设施:要保证车间内的设施设备完好无损,通道畅通有序,各种维护保养措施得到落实,以确保员工在工作场所的安全性。
2、人员防护:要加强员工的安全教育和技能指导,让他们熟知各种安全规程和操作程序,掌握各种急救措施和人员撤离方法,提高自身安全意识,预防各种安全事故的发生。