静电放电测试报告
- 格式:doc
- 大小:174.50 KB
- 文档页数:7
静电放电抗扰度测试5则范文第一篇:静电放电抗扰度测试静电放电抗扰度测试静电的产生与危害静电放电是一种自然现象,经验表明,人在合成纤维的地毯上行走时,通过鞋子与地毯的摩擦,只要行走几步,人体上积累的电荷就可以达到10-6库仑以上(这取决于鞋子与地毯之间的电阻),在这样一个“系统”里(人/地毯/大地)的平均电容约为几十至上百pF,可能产生的电压要达到15kV.研究不同的人体产生的静电放电,会有许多不同的电流脉冲,电流波形的上升时间在100ps至30ns之间.电子工程师们发现,静电放电多发生于人体接触半导体器件的时候,有可能导致数层半导体材料的击穿,产生不可挽回的损坏静电放电以及紧跟其后的电磁场变化,可能危害电子设备的正常工作。
2 静电放电试验GB/T17626.2描述的是在低湿度环境下,通过摩擦使人体带电.带了电的人体,在与设备接触过程中就可能对设备放电.静电放电抗扰度试验模拟了两种情况: ⑴设备操作人员直接触摸设备时对设备的放电,和放电对设备工作的影响;⑵设备操作人员在触摸邻近设备时,对所关心这台设备的影响.其中前一种情况称为直接放电(直接对设备放电);后一种情况称为间接放电(通过对邻近物体的放电,间接构成对设备工作的影响).静电放电可能造成的后果是:(1)通过直接放电,引起设备中半导体器件的损坏,从而造成设备的永久性失效.⑵由放电(可能是直接放电,也可能是间接放电)而引起的近场电磁场变化,造成设备的误动作.试验配置由于静电放电的电流波形十分陡峭,前沿己经达到0.7~1ns,其包含的谐波成分至少要达到500MHz以上,因此试验室里试验配置的规范性是保证试验结果重复性和可比性的一个关键.下图上海三基电子工业有限公司提供的台式与落地式两种设备的试验配置.①木制试验台1700×900×800mm ①绝缘支座1100×800×100mm ②参考接地板2700×1800×1.5mm ②参考接地板2700×1800×1.5mm ③垂直耦合板500×500×1.5mm ③垂直耦合板500×500×1.5mm④水平耦合板1600×800×1.5mm④垂直耦合板支架500×500×1200mm⑤绝缘垫板1400×600×0.5mm ⑤两端带470kΩ电阻的连接线(一根)⑥两端带470kΩ电阻的连接线(两根)静电放电试验的实验室配置可以由用户自行制作,标准对此作出了规定,归结起来有以下几点:⑴参考接地板采用0.25mm以上铜板或铝板(铝板易氧化,慎用).如用其他金属,厚度至少是0.65mm以上.参考接地板实际尺寸不限,要求四周均超出被试设备(指地面设备)或试验桌台面水平耦合板(用于台式设备)的每边0.5m以上.参考接地板要和试验室的保护接地线相连.⑵水平耦合板(仅台式设备有)和垂直耦合板(后者有绝缘支架)的材料与参考接地板相同.两块耦合板各有一根两端接有470kΩ电阻的电缆线与参考接地板相连,以便泄放试验中静电电荷.要求所用电阻有承受放电的能力;整个电缆有绝缘保护,避免与接地板短路.⑶对台式设备,在水平耦合板上覆一块0.5mm的绝缘薄板,要求试验中此板不明显积聚电荷.在台式设备试验中,水平耦合板至少比试品的每一边大出0.1m.如试品太大,要么选用更大的试验台;要么选用两张同样的试验台来摆放试品,桌面上的水平耦合板不必焊在一起,而可以在两张桌子的并合处覆一块同样材质的金属,只要各压住每个桌面0.3m以上即可.但要求两张桌子的水平耦合板用电阻线分别与参考接地板相连.⑷对地面设备,在参考接地板上要有一个0.1m高的绝缘支座,试品和试品电缆放在绝缘支座.⑸所有连接线(包括参考接地板的接地电缆;耦合板上的带电阻的连接电缆;以及放电枪接到参考接地板上的接地回线等)都必须保持低阻抗的连接.⑹其他应注意的地方A.在距试品1m以内应无墙壁和其他金属物品(包括仪器).B.试验中的试品要尽可能按实际情况布局(包括电源线,信号线和安装脚等等).接地线要按生产厂的规定接地(没有接地线的就不接),不允许有额外的接地线.C.放电时,放电枪的接地回线与试品表面至少保持0.2m的间距,避免相互间有附加感应,影响试验结果.试验方法标准规,凡被试设备正常工作时,人手可以触摸到的部位,都是需要进行静电放电试验的部位(这样的部位,除机壳以外,其他如控制键盘,显示屏,指示灯,旋钮,钥匙孔,电源线等都在考核范围内).试验时,被试设备处在正常工作状态.试验正式开始前,试验人员对试品表面以20次/秒的放电速率快速扫视一遍,以便寻找试品的敏感部位(凡扫视中有引起试品数显跳动,动作异常迹象的部位,都作为正式试验时的重点考查部位,应记录在案,并在正式试验时应在其周围多增加几个考查点).正式试验时,放电以1次/秒的速率进行(也有规定为1次/5秒的产品),以便让试品来得及作出响应.通常对每一个选定点上放电20次(其中10次是正的,还有10次是负的).原则上,凡可以用接触放电的地方一律用接触放电.对有镀漆的机壳,如制造厂未说明是作绝缘的,试验时便用放电枪的尖端刺破漆膜对试品进行放电.如厂家说明是做绝缘使用时,则改用气隙放电.对气隙放电应采用半圆头形的电极,在每次放电前,应先将放电枪从试品表面移开,然后再将放电枪慢慢靠近试品,直到放电发生为止.为改善试验结果的重复性和可比性,放电电极要垂直试品表面.间接放电:①对水平耦合板,放电枪垂直地在离开试品0.1m处用接触放电方式进行放电.②对垂直耦合板,耦合板应放在离试品0.1m处,放电枪要垂直于耦合板一条垂直边的中心位置上进行放电.对试品垂直方向的四个面都要用垂直耦合板做间接放电试验.电快速瞬变脉冲群产生的原理:当电感性负载(如继电器、接触器等)在断开时,由于开关触点间隙的绝缘击穿或触点弹跳等原因,在断开处产生的瞬态骚扰。
第1篇一、实验目的1. 理解静电接地的原理及其在防止静电危害中的作用。
2. 掌握静电接地实验的基本操作步骤和注意事项。
3. 通过实验验证静电接地装置的有效性。
二、实验原理静电接地是指将物体上的静电通过接地线导入大地,从而消除或降低静电的积累,防止静电放电造成的危害。
实验中,通过在物体上施加静电,再通过静电接地装置将其导入大地,观察静电放电现象,验证静电接地装置的有效性。
三、实验仪器与材料1. 静电发生器:用于产生静电。
2. 静电接地装置:包括接地线和接地极。
3. 接地电阻测试仪:用于测量接地电阻。
4. 橡胶手套:用于保护实验者免受静电伤害。
5. 纸屑:用于观察静电放电现象。
四、实验步骤1. 准备实验环境,确保实验场地干燥、清洁。
2. 将静电发生器放置在实验台上,连接好电源。
3. 将静电接地装置的接地线一端连接到静电发生器,另一端连接到接地极。
4. 将橡胶手套戴在手上,以防止静电伤害。
5. 将静电发生器产生的静电施加到实验物体上,观察静电放电现象。
6. 使用接地电阻测试仪测量接地电阻,确保接地装置正常工作。
7. 改变实验物体的位置和方向,重复步骤5和6,观察静电放电现象的变化。
8. 实验结束后,关闭静电发生器,断开接地线。
五、实验结果与分析1. 实验过程中,当静电发生器产生静电时,实验物体上的静电通过静电接地装置导入大地,静电放电现象明显减弱或消失。
2. 测量接地电阻时,结果显示接地电阻在正常范围内,说明静电接地装置工作正常。
3. 通过改变实验物体的位置和方向,观察静电放电现象的变化,验证了静电接地装置在不同位置和方向上均能有效地消除静电。
六、实验结论1. 静电接地是防止静电危害的有效方法,通过将物体上的静电导入大地,可以降低静电积累,减少静电放电造成的危害。
2. 静电接地装置在实验中表现良好,能够有效地消除静电,确保实验安全进行。
3. 在实际应用中,应合理设计静电接地装置,确保接地电阻在正常范围内,提高静电接地效果。
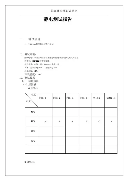
静电测试报告一、测试项目:
二、测试环境:
静电枪:KES4021静电模拟器
其他设备:
要求:空气放电15KV,接触放电8KV
环境温度:
相对湿度:
三:测试数据:
1、接触放电:
(1)、后面板
A.正电压:
(3)、上盖
(4)、侧盖
2、空气放电(1)、后面板
(2)、前面板
(3)、上盖
(4)、侧盖
3、耦合板放电(1)、垂直耦合
说明:1、表格中的测试点请看《静电测试规范》中的图中所示。
2、侧面板的测试,以正对机器的前面板,分左、右侧面板
3、空气放电时,只打BNC头的外壳即可
4、耦合板放电均采用接触式放电
5、喷塑等绝缘材料时,只打空气放电,不测接触放电
6、在表中填写“A”、“B”、“C”、“D”四个等级
A:为通过测试,正常
B:为有重起现象,但重起后正常
C:为花屏
D:为误操作,如继电器响或发错误键值等
E:为死机,但不重起
X:为此项不测试
四:结论
1)。
第1篇一、实验目的1. 了解静电现象的基本原理和特点。
2. 通过实验观察静电现象,加深对静电知识的理解。
3. 掌握静电实验的基本操作和注意事项。
二、实验原理静电现象是指物体在摩擦、接触、分离等过程中,由于电子的转移而产生的电荷现象。
静电现象具有以下特点:1. 电荷的守恒性:在静电现象中,电荷不会消失或产生,只会从一个物体转移到另一个物体。
2. 电荷的异性相吸、同性相斥:带正电的物体与带负电的物体相互吸引,带同种电荷的物体相互排斥。
3. 电荷的量子性:电荷是量子化的,即电荷只能取整数倍的电子电荷。
三、实验器材1. 静电球2. 毛刷3. 静电棒4. 橡皮擦5. 玻璃棒6. 铁丝7. 铝箔8. 纸屑9. 绝缘棒10. 记录本和笔四、实验步骤1. 摩擦起电:用毛刷摩擦静电球,观察静电球表面是否出现静电现象。
2. 接触起电:将静电棒与静电球接触,观察静电棒是否出现静电现象。
3. 分离起电:将静电棒与静电球分离,观察静电球表面是否出现静电现象。
4. 电荷转移:将静电棒分别与橡皮擦、玻璃棒、铁丝、铝箔接触,观察电荷转移现象。
5. 电荷的排斥和吸引:将带正电的静电球与带负电的静电球靠近,观察电荷的排斥和吸引现象。
6. 电荷的量子性:用绝缘棒将静电球表面的电荷分为两部分,观察电荷的量子性。
五、实验结果与分析1. 摩擦起电:用毛刷摩擦静电球后,静电球表面出现静电现象,表明摩擦可以使物体带电。
2. 接触起电:将静电棒与静电球接触后,静电棒表面出现静电现象,表明接触可以使物体带电。
3. 分离起电:将静电棒与静电球分离后,静电球表面出现静电现象,表明分离可以使物体带电。
4. 电荷转移:将静电棒分别与橡皮擦、玻璃棒、铁丝、铝箔接触后,观察到电荷转移现象,说明不同物体之间的电荷转移能力不同。
5. 电荷的排斥和吸引:将带正电的静电球与带负电的静电球靠近后,观察到电荷的排斥和吸引现象,验证了电荷的异性相吸、同性相斥的特点。
6. 电荷的量子性:用绝缘棒将静电球表面的电荷分为两部分后,观察到电荷的量子性,即电荷只能取整数倍的电子电荷。
Official Test Report正式的测试报告测试项目:静电放电测试Conclusion结论:Pass通过Fail 不通过Other其它: 测量PIN耐受电击的极限值,作为设计参考,具体请阅报告正文Performed by测试: 樊佳伦&黄俊伟Signature Date: 2015-12-22 Written by撰写: 邓文签名:日期:2015-12-23 Checked by核查: 董安庆2015-12-24 Approved by批准: 穆剑权2015-12-25Revision History修订履历Contents目录Contents目录 (3)1 Purpose目的 (4)2 References 参考文件 (4)3 Glossary术语 (4)4 Sample Information 样品信息 (4)4.1 General Information 基本信息 (4)4.2 Hardware &Software Information 软硬件信息 (5)5 Equipment & Device Information设备信息 (5)6 Approach测试方法和步骤 (5)7 Pass/ Fail Criteria 通过标准 (6)8 Results 分析与结果 (6)9 Conclusion 结论 (7)江苏博强新能源科技有限公司报告编号:BQ-72V-BMS-0004ESD Test Report1 Purpose目的验证该BMS的抗静电干扰的性能指标是否在产品规范内。
2 References 参考文件Specification 产品规格书:Standard 执行标准: ISO106053 Glossary术语4 Sample Information 样品信息4.1 General Information 基本信息4.2 Hardware &Software Information 软硬件信息软件版本:V1.2硬件版本:V1.25 Equipment & Device Information设备信息6 Approach测试方法和步骤7 Pass/ Fail Criteria 通过标准如章节68 Results 分析与结果1)ESD极限测试不通过的情况如下:对保护板Pin脚,控制口端,-8KV 接触放电,测试结束,BMS上电,发现启动不了,分析电路,元器件被电击损坏测试场景如下图:江苏博强新能源科技有限公司报告编号:BQ-72V-BMS-0004 2)其他检测点经过静电放电测试后,BMS恢复上电,其各采样和通信功能良好,测试布置如下:9 Conclusion 结论该BMS在软件版本V1.2和硬件版本V1.2的阶段,其静电放电抗扰性能指标合格。
Electrostatic Discharge test Condition5PCS /2014-9-22The electrostatic voltage tester 静电电压测试机Test environment 测试环境Drawing NO.工程图号HDMI 19P A/M CONN.Ye Yong Tai Sample Q'ty 样品数量Part/No.产品料号Test machine 测试设备温度:28℃/湿度:75%SHENZHEN EAST-TOPTECH ELECTRONIC TECHNOLOGY CO.,LTD深圳市东景盛电子技术有限公司Electrostatic Discharge test静 电 释 放 测 试 报 告Sample name 样品名称Product spec.产品规格HDMI AM TO AM 30AWG 1.4REV. OD :5.0mm Length :1.5/2.0M ( HDMI 19PIN CONNECTOR)Supplier 供应商名称/Test date测试日期Note 备注According to IEC-801-2Test Item测试项目Electrostatic Discharge test 静 电 释 放 测 试Result of measurement 测 试 结 果Test Requirement 测 试 要 求1.Test unmated each connectors from 1 kVolt to 8kVolts in 1 kVolt steps using 8mm ball probe. No evidence of Discharge to Contacts at 8 kVolts测试未对插连接器从1kV 到 8kV ,在1kV 段使用球状探头挥测,在8kV 段接触PIN 无静电排出;1. Electrostatic Discharge test 静电释放测试:No evidence of Discharge to Contacts at 8 kVolts ,It's OK在8kV 段接触PIN 无静电排出,判定为OK ;Judgement综合判定■ PASS 合格 □ NG 不合格NO.报告编号:DJS-LQC-20140922A014 表单编号:DJS-QR-045。
后
顶部
右
前
左
E S D
1. 规格
没有伤害,没有任何功能损失.
2. 测试条件:
ESD 测试的目的是为了确定产品暴露的易感性,当操作下所有潜在的环境条件。
针对试验条件和常规的设置应当符合
IEC61000-4-2.
✧ 能量储存容量 (Cs+Cd): 150pF+10% ✧ 放电电阻(RD): 330Ω±10%
✧ 充电电阻(Rc): 50Mohm 到 100Mohm ✧ 输出电压容许范围: ±5% ✧ 输出电压极性:正极和负极 ✧ 保持时间: 至少 5 sec
✧ 工作放电模式:单次放电 (连续排放之间至少1秒)
接触放电
空气放电
标准 测试电压 (KV)
标准 测试电压 (KV)
1 2 1 2 2 4 2 4 3 6 3 8 4 8 4 15 X
Special
x
Special
“X” is an open level.
✧ AC 输入: 230Vac/50Hz
✧ 接触放电: 标准 2 and 空气放电: Level 3.
✧ 环境温度: 25℃
负载
输出功率
备注 满载。
防静电检测报告一、检测目的。
本次检测旨在对公司生产车间的静电情况进行全面的调查和评估,以确保生产过程中的安全性和稳定性。
通过对静电的检测,可以及时了解静电的产生和传播情况,为制定有效的防静电措施提供科学依据。
二、检测范围。
本次检测范围包括公司生产车间的各个区域,包括生产线、仓储区、办公区等。
通过对不同区域的检测,可以全面了解静电在不同环境下的情况,为针对性的防静电措施提供依据。
三、检测方法。
1. 静电仪检测,采用静电仪对各个区域的静电情况进行实时监测和记录,包括静电电压、静电电荷量等参数的测量。
2. 静电地面测试,对各个区域的地面进行测试,包括地面的导电性能、接地情况等。
3. 静电放电测试,通过模拟实际生产过程中的操作,对静电放电情况进行模拟测试,以了解静电放电的频率和强度。
四、检测结果。
经过对各个区域的检测,得出以下结论:1. 生产线区域,静电电压较高,存在一定的静电积累情况,需要加强对生产设备的静电防护措施。
2. 仓储区域,地面导电性能良好,但存在静电放电情况较为频繁,需要对货物包装和搬运工具进行静电处理。
3. 办公区域,静电电荷量较低,但存在静电放电情况,需要对办公设备和人员进行静电防护培训。
五、改进措施。
基于检测结果,制定以下改进措施:1. 对生产设备进行静电防护处理,包括增加静电消除装置、优化接地系统等。
2. 对仓储区域进行静电防护培训,加强货物包装的防静电处理,减少静电积累和放电频率。
3. 对办公区域进行静电防护培训,加强办公设备的静电防护措施,提高员工的静电防护意识。
六、总结。
通过本次静电检测,发现了公司生产车间存在的静电问题,并提出了相应的改进措施。
希望通过这些措施的实施,能够有效减少静电对生产过程的影响,确保生产过程的安全稳定进行。
同时,也希望能够加强对静电防护的宣传和培训,提高员工对静电防护的重视和意识。
一、实验目的1. 了解静电现象的基本原理。
2. 掌握静电感应和静电吸引的基本规律。
3. 通过实验验证静电力的存在及其影响因素。
二、实验原理静电现象是指物体在摩擦、接触、感应等过程中,由于电荷的转移而使物体带电的现象。
静电力的存在可以通过实验进行验证。
当两个带电体靠近时,由于电荷的相互作用,它们之间会产生吸引力或排斥力。
本实验通过测量不同条件下带电体之间的吸引力或排斥力,来验证静电力的存在及其影响因素。
三、实验仪器1. 橡皮一块2. 牙签一根3. 布一块4. 彩纸剪成的四角星一个5. 吸管一根6. 激光笔一支7. 毫米尺一把8. 记录本一本四、实验步骤1. 将橡皮放在桌子上,用牙签将其固定。
2. 将彩纸剪成的四角星小心地放在牙签上。
3. 用布摩擦吸管,使其带上静电。
4. 将带静电的吸管竖直靠近四角星旁边,观察四角星的反应。
5. 改变吸管与四角星之间的距离,观察四角星的反应。
6. 将激光笔对准四角星,观察激光光斑的变化。
7. 记录实验数据,分析静电力的存在及其影响因素。
五、实验数据1. 当吸管与四角星距离较近时,四角星会明显受到吸引,靠近吸管。
2. 当吸管与四角星距离较远时,四角星受到的吸引力减小,但仍能观察到一定的吸引现象。
3. 当吸管与四角星平行时,四角星受到的吸引力最小,几乎可以忽略不计。
4. 随着吸管与四角星距离的增加,激光光斑的变化越来越小,说明静电力的作用范围有限。
六、实验结果分析1. 通过实验观察到,当吸管与四角星靠近时,四角星受到吸引,说明静电力的存在。
2. 随着吸管与四角星距离的增加,四角星受到的吸引力减小,说明静电力的作用范围有限。
3. 激光光斑的变化与吸管与四角星之间的距离有关,进一步验证了静电力的存在及其影响因素。
七、实验结论1. 静电力的存在可以通过实验进行验证。
2. 静电力的作用范围有限,随着距离的增加,吸引力逐渐减小。
3. 静电力的存在与带电体的电荷量、带电体之间的距离以及介质等因素有关。
第1篇一、实验目的1. 了解静电现象的基本原理;2. 掌握静电实验的操作方法和注意事项;3. 通过实验观察静电现象,加深对静电理论的理解。
二、实验原理静电现象是由于物体表面电荷的积累而产生的。
当两个物体接触或摩擦时,电荷会从一个物体转移到另一个物体,使它们带上等量异号的电荷。
带电体之间会相互吸引或排斥,产生静电现象。
三、实验仪器与材料1. 实验仪器:静电计、橡胶棒、丝绸、玻璃棒、棉布、金属箔、导线、绝缘板、铅笔等;2. 实验材料:橡胶棒、丝绸、玻璃棒、棉布、金属箔、导线、绝缘板、铅笔等。
四、实验步骤1. 静电计校准:将静电计置于绝缘板上,调整其零点,确保静电计准确测量电荷。
2. 摩擦起电:用丝绸摩擦橡胶棒,用棉布摩擦玻璃棒,使它们分别带上等量异号的电荷。
3. 观察静电现象:a. 将摩擦过的橡胶棒靠近金属箔,观察金属箔的跳动情况;b. 将摩擦过的玻璃棒靠近金属箔,观察金属箔的跳动情况;c. 将摩擦过的橡胶棒和玻璃棒分别靠近绝缘板,观察绝缘板的反应。
4. 静电感应:将摩擦过的橡胶棒和玻璃棒分别靠近棉布,观察棉布的反应。
5. 静电放电:将摩擦过的橡胶棒和玻璃棒分别接触导线,观察静电放电现象。
6. 实验数据记录:记录实验过程中观察到的现象和静电计的读数。
五、实验结果与分析1. 摩擦起电:摩擦过的橡胶棒和玻璃棒分别带上等量异号的电荷,证明了摩擦起电现象。
2. 静电现象观察:a. 靠近金属箔:摩擦过的橡胶棒和玻璃棒分别靠近金属箔时,金属箔跳动,说明带电体之间存在静电吸引力;b. 靠近绝缘板:摩擦过的橡胶棒和玻璃棒分别靠近绝缘板时,绝缘板反应不明显,说明静电现象在绝缘体上的表现较弱;c. 靠近棉布:摩擦过的橡胶棒和玻璃棒分别靠近棉布时,棉布被吸引,说明静电现象在非导体上的表现较强。
3. 静电感应:摩擦过的橡胶棒和玻璃棒分别靠近棉布时,棉布被吸引,说明静电感应现象的存在。
4. 静电放电:摩擦过的橡胶棒和玻璃棒分别接触导线时,静电放电现象明显,说明静电能量可以通过导线释放。
一、实验目的1. 了解放电现象的基本原理和影响因素。
2. 观察不同条件下放电现象的特点。
3. 掌握实验操作技能,提高实验分析能力。
二、实验原理放电现象是指电荷在电场作用下,从高电势区域向低电势区域移动的过程。
放电现象可以分为直流放电和交流放电两种。
本实验主要研究直流放电现象。
在直流放电过程中,放电电压、电极间距、气体种类等因素都会影响放电现象。
当电极间距减小、电压升高或气体种类发生变化时,放电现象会随之改变。
三、实验仪器与材料1. 直流高压电源2. 针-板电极3. 气体间隙室4. 高压绝缘变压器5. 气体压力表6. 数字电压表7. 数字电流表8. 精密计时器9. 气体(如空气、氮气、氩气等)四、实验步骤1. 按照实验接线图连接好直流高压电源、针-板电极、气体间隙室等实验仪器。
2. 将气体间隙室内的气体压力调至所需值。
3. 将针-板电极间隙调至预定距离。
4. 开启直流高压电源,逐渐升高电压,观察放电现象。
5. 记录不同电压下的放电电流、电压和放电持续时间。
6. 改变气体种类、电极间距等条件,重复实验步骤。
五、实验结果与分析1. 在空气间隙室中,当电压升高至一定值时,针-板电极间开始出现放电现象。
随着电压继续升高,放电电流和放电持续时间逐渐增加。
2. 当改变气体种类时,放电电压和放电电流均发生变化。
例如,在氮气间隙室中,放电电压比在空气间隙室中高,放电电流比在空气间隙室中小。
3. 当改变电极间距时,放电电压和放电电流均发生变化。
例如,当电极间距减小时,放电电压降低,放电电流增加。
六、实验结论1. 放电现象是电荷在电场作用下从高电势区域向低电势区域移动的过程。
2. 放电电压、电极间距、气体种类等因素都会影响放电现象。
3. 在实际应用中,合理选择放电电压、电极间距和气体种类等参数,可以提高放电效果,降低能耗。
七、实验讨论1. 在本实验中,我们观察了空气间隙室中的放电现象。
在实验过程中,我们发现放电电压和放电电流与电极间距、气体种类等因素密切相关。
塑料桶防静电检测报告一、引言静电是指物体表面带有正负电荷的现象。
在工业生产和物流领域中,静电的积聚会给产品质量和安全带来风险,特别是在处理塑料桶等材料时。
本报告旨在通过对塑料桶的防静电检测研究,提供相关数据和建议,以确保塑料桶的安全和可靠性。
二、防静电原理静电可以从接触、摩擦以及电离等途径产生。
对于塑料桶来说,主要是由于半导体填充剂的添加,例如碳黑粉末或导电材料,可以将电荷导入地面,以减少静电的产生和积聚。
三、防静电检测方法3.1 电位差测试通过电位差测试,可以测量塑料桶表面与地面之间的电位差,进而评估其防静电性能。
测试过程中,需要使用专业仪器,并遵循标准操作程序。
结果以电压值表示,较小的电位差值表明较好的防静电效果。
3.2 表面电阻测试表面电阻测试用于检测塑料桶表面的电阻值,以评估其导电性能。
测试方法包括两针法和四针法,可以根据具体要求选择合适的方法。
测试结果以电阻值表示,符合规定标准范围内的塑料桶表明具备良好的防静电性能。
3.3 静电放电测试静电放电测试是评估塑料桶抗静电性能的关键指标之一。
测试中,塑料桶放置在带有静电电荷的环境中,通过测量静电放电时间和幅度来判断其防静电效果。
较短的放电时间和较小的放电幅度表明较优秀的抗静电性能。
3.4 防静电措施评估在测试过程中,可以结合实际使用情况,评估塑料桶所采取的防静电措施的有效性。
例如,观察是否存在静电火花、静电粘附等现象,以及措施对于工作环境的适应性。
四、防静电检测结果根据以上测试方法,对一批塑料桶进行了防静电检测,结果如下:1.电位差测试结果:–样品1:电位差为2V;–样品2:电位差为4V;–样品3:电位差为1.5V。
2.表面电阻测试结果:–样品1:电阻值为10^9Ω;–样品2:电阻值为10^8Ω;–样品3:电阻值为10^7Ω。
3.静电放电测试结果:–样品1:放电时间为0.5s,放电幅度为50V;–样品2:放电时间为0.3s,放电幅度为30V;–样品3:放电时间为0.4s,放电幅度为40V。
法制税政科工作总结在过去的一年中,我作为法制税政科的一员,参与了许多重要的工作和项目。
经过深入的学习和实践,我收获了很多知识和经验,并对法制税政科的工作有了更深入的了解和认识。
在这篇总结中,我将回顾我所参与的工作,并对接下来的工作提出一些建议。
首先,我参与了税收法律法规的研究和解读工作。
税收是国家财政的重要来源,税收法规的制定和修订对于税收征管具有重要意义。
在过去的一年中,我认真研读了相关的法律法规,并参与了一些法规的解读工作。
通过这些工作,我对税收法律法规的体系和精神有了更深入的了解,并且能够熟练运用这些知识解决实际问题。
其次,我参与了一些税收政策的研究和评估工作。
税收政策的制定和调整对于国家经济的稳定和发展具有重要的影响。
通过参与税收政策的研究和评估工作,我能够了解税收政策的背景和目的,并且能够评估政策的效果和影响。
在这些工作中,我还学习了一些政策评估的方法和技巧,提升了自己的研究能力和分析能力。
另外,我还参与了一些税收案件的法律援助工作。
税收案件是法制税政科的重要工作内容之一。
在过去的一年中,我参与了一些税收案件的审理和辩护工作。
通过这些工作,我更加深入地了解了税收案件的特点和审理过程,并且提高了自己的法律实践能力和法律运用能力。
除了以上的工作,我还参与了一些法律培训和研讨会议。
这些培训和研讨会议为我提供了一个学习和交流的平台,使我能够与各地的法律从业人员互相学习和分享经验。
通过这些培训和研讨会议,我扩大了自己的视野,并且认识到法律工作的重要性和责任。
综上所述,过去的一年是我在法制税政科工作中的丰富和收获的一年。
通过参与一系列的工作和项目,我对法制税政科的工作有了更深入的了解和认识,并提高了自己的专业水平和能力。
在接下来的工作中,我将继续努力学习和提高自己的专业能力,为税收征管和法制建设做出更大的贡献。
但是,在过去的一年中,我也发现了一些问题和挑战。
首先,由于税收法律法规的不断修订和变化,我们需要及时更新和学习最新的税收法规,以保证我们的工作能够紧密配合。
Official Test Report正式的测试报告
测试项目:静电放电测试
Conclusion结论:
Pass通过Fail 不通过
Other其它: 测量PIN耐受电击的极限值,作为设计参考,具体请阅报告正文
Performed by测试: 樊佳伦&黄俊伟Signature Date: 2015-12-22 Written by撰写: 邓文签名:日期:2015-12-23 Checked by核查: 董安庆2015-12-24 Approved by批准: 穆剑权2015-12-25
Revision History修订履历
Contents目录
Contents目录 (3)
1 Purpose目的 (4)
2 References 参考文件 (4)
3 Glossary术语 (4)
4 Sample Information 样品信息 (4)
4.1 General Information 基本信息 (4)
4.2 Hardware &Software Information 软硬件信息 (4)
5 Equipment & Device Information设备信息 (5)
6 Approach测试方法和步骤 (5)
7 Pass/ Fail Criteria 通过标准 (6)
8 Results 分析与结果 (6)
9 Conclusion 结论 (7)
ESD Test Report 1 Purpose目的
验证该BMS的抗静电干扰的性能指标是否在产品规范内。
2 References 参考文件
Specification 产品规格书:
Standard 执行标准: ISO10605
3 Glossary术语
4 Sample Information 样品信息
4.1 General Information 基本信息
4.2 Hardware &Software Information 软硬件信息
软件版本:V1.2
硬件版本:V1.2
5 Equipment & Device Information设备信息
6 Approach测试方法和步骤
次,持续60S
1.使用静电枪圆头;
2.针对表面导电层,采用+8KV,-8KV,+10KV,-10KV,+15KV,-15KV;
3.在2#步骤中,每打次静电后需要给BMS上电查看其基本的监控能力
是否正常(上位机界面截图);
4.针对BMS外壳的螺钉(各个面取一个中心点),采用+8KV,-8KV,
+10KV,-10KV,+15KV,-15KV;
5.在4#步骤中,每打次静电后需要给BMS上电查看其基本的监控能力
是否正常(上位机界面截图);
6.针对PIN脚(每个接口各取2个点),采用+4KV,-4KV,+6KV,-6KV,
+8KV,-8KV;
7.在6#步骤中,每打次静电后需要给BMS上电查看其基本的监控能力
是否正常(上位机界面截图);
收尾:每次放电结束,用导线对被试设备进行泄电
7 Pass/ Fail Criteria 通过标准
如章节6
8 Results 分析与结果
1)ESD极限测试不通过的情况如下:
对保护板Pin脚,控制口端,-8KV 接触放电,测试结束,BMS上电,发现启动不了,分析电路,元器件被电击损坏
测试场景如下图:
2)其他检测点经过静电放电测试后,BMS恢复上电,其各采样和通信功能良好,测试布置如下:
9 Conclusion 结论
该BMS在软件版本V1.2和硬件版本V1.2的阶段,其静电放电抗扰性能指标合格。