常用规格电机尺寸
- 格式:pdf
- 大小:400.96 KB
- 文档页数:3
双电机排钻尺寸规格表1. 引言双电机排钻是一种常见的工业设备,用于钻孔和排钻等作业。
本文将介绍双电机排钻的尺寸规格,并详细说明其构造和工作原理。
2. 双电机排钻的尺寸规格2.1 外观尺寸双电机排钻的外观尺寸通常由长度、宽度和高度三个参数来描述。
具体尺寸规格如下:•长度:2000mm•宽度:1000mm•高度:1500mm2.2 电机规格双电机排钻配备两台电机,分别用于驱动钻头和排钻装置。
电机的规格如下:•驱动电机功率:5kW•驱动电机转速:5000转/分钟•排钻电机功率:3kW•排钻电机转速:3000转/分钟2.3 钻头规格钻头是双电机排钻的核心部件,用于实现钻孔作业。
钻头的规格如下:•最大钻孔直径:50mm•钻头材料:硬质合金•钻头长度:200mm•钻头直径:25mm2.4 排钻装置规格排钻装置用于将排出的杂质和碎屑从钻孔中排出。
排钻装置的规格如下:•排钻装置长度:500mm•排钻装置直径:30mm•排钻装置材料:不锈钢3. 双电机排钻的构造和工作原理3.1 构造双电机排钻主要由钻头、驱动电机、排钻电机、排钻装置和控制系统等组成。
钻头位于排钻装置的前端,通过驱动电机的旋转实现钻孔作业。
排钻装置连接在钻头后方,通过排钻电机的旋转将排出的杂质和碎屑排出钻孔。
3.2 工作原理当双电机排钻开始工作时,驱动电机和排钻电机同时启动。
驱动电机通过传动装置将旋转动力传递给钻头,使钻头旋转并钻入工件。
钻头的直径和长度决定了钻孔的尺寸。
排钻电机通过传动装置将旋转动力传递给排钻装置,使排钻装置旋转并将排出的杂质和碎屑从钻孔中排出。
控制系统可根据需要调节驱动电机和排钻电机的转速,以适应不同的钻孔和排钻作业要求。
4. 结论双电机排钻是一种常用的工业设备,用于钻孔和排钻等作业。
本文介绍了双电机排钻的尺寸规格,包括外观尺寸、电机规格、钻头规格和排钻装置规格。
同时,还详细说明了双电机排钻的构造和工作原理。
了解双电机排钻的尺寸规格和工作原理,有助于正确使用和维护该设备,提高工作效率。
电机规格型号表型号电压(V)额定功率(W)额定转速(rpm)额定电流(A)尺寸(mm)M10 12 100 2000 8 50x50x100M20 24 200 2500 10 60x60x120M30 24 300 3000 12 70x70x140M40 48 400 3500 16 80x80x160M50 48 500 4000 20 90x90x180以上是电机规格型号表,总共列出了5种不同型号的电机,并且列出了各项参数规格。
型号在表格中,第一列为电机的型号,分别为M10、M20、M30、M40和M50。
不同型号的电机适用于不同应用场景,用户可以根据自己的需求来选择合适的型号。
电压第二列为电机的额定电压,单位为V(伏特)。
这是电机运行所需的电压,用户在使用时需要根据电机的额定电压来提供相应的电源。
额定功率第三列为电机的额定功率,单位为W(瓦)。
额定功率是电机在额定工作条件下所能持续输出的功率。
用户在选择电机时,需考虑所需的工作功率是否在额定功率内。
额定转速第四列为电机的额定转速,单位为rpm(每分钟转数)。
额定转速是指电机在额定电压和额定负载下所能达到的转速。
用户在选择电机时,需根据应用需求来确定所需要的转速范围。
额定电流第五列为电机的额定电流,单位为A(安培)。
额定电流是电机在额定电压下所消耗的电流。
用户在使用电机时需要确保电源供应能够满足电机的额定电流。
尺寸最后一列为电机的尺寸,单位为mm(毫米)。
尺寸是电机的外部尺寸,用户在安装电机时需要根据尺寸来确定合适的安装空间。
通过以上电机规格型号表,用户可以对不同型号的电机进行比较和选择,以满足不同应用场景下的需求。
小型无刷电机是一种应用广泛的驱动电机,通常需要适配编码器或者齿轮箱一起使用,这种具有减速、调速功能的电机称为小型无刷减速电机;标准直径规格的小型无刷电机的直径规格在38mm以内,电压在24V内;非标小型无刷电机的直径规格、电压、功率、输出转速、减速比等参数可定制;下面详细介绍标准型号的小型无刷电机和非标准定制小型无刷电机产品参数。
标准小型无刷电机参数:产品分类:无刷减速电机产品规格:Φ20MM产品电压:12V空载转速:15000rpm空载电流:220 mA (可定制)负载转速:2.4-1000 rpm(可定制)减速比:5/25/125/625:1(可定制)产品应用:应用于智能厨卫、智能医疗传动齿轮箱、汽车智能传动、智能化家居传动、工业智能传动、电子产品智能传动等多个行业,可根据不同需求定制解决方案。
非标定制小型无刷电机参数:产品名称:健身器材无刷电机产品分类:无刷减速电机产品用途:健身器材驱动无刷电机工作电压:12V空载转速:5.2±10% RPM空载电流:1.6A MAX负载力矩:8.0N.m负载转速:4.8±10% RPM负载电流:2.3A MAX减速比:1280允许大力矩:15.0N.m产品说明:通过优化调整跑步机踏板调节齿轮箱结构结合无刷电机,智能调整跑步机踏板的角度,实现根据运动强度需求改变跑步机踏板的运动轨迹。
小型无刷电机定制参数范围:尺寸规格系列:3.4mm、4mm、6mm、8mm、10mm、12mm、16mm、18mm、20mm、22mm、24mm、28mm、32mm、38mm;电压范围:3V-24V功率范围:0.1W-40W齿轮材质:塑胶齿轮、金属齿轮输出力矩范围:1gf.cm到50Kgf.cm减速比范围:5-1500;输出转速范围:5-2000rpm;生产厂家深圳市兆威机电股份有限公司成立于2001年,是一家研发、生产精密传动系统及汽车精密注塑零组件的制造型企业,为客户提供传动方案设计,零件的生产与组装的定制化服务。
电动机型号大全及参数对照表2021-12-01 10:02每个电机的型号和参数都不一样,不同型号的电机型号变化也不一样。
电机型号便于设计和使用,用于标准化产品的名称、规格和类型。
在这里,我们将介绍电机型号和综合参数对照表。
一、电动机型号大全1、电动机的型号由电机类型、电机特点、电机序号、励磁方式代号组成。
电动机类型代号用汉语拼音组成:Y代号异步电动机、T代号同步电动机、TF代号同步发电机、Z代号直流电动机、ZF代号直流发电机。
2、电动机的特点代号象征着电机的性能、结构及用途,也是用汉语拼音组成:B代号隔爆型、YT代号YB轴流通风机、YEJ 代号电磁制动式、YVP代号变频调速式、YD代号变极多速式、YZD代号起重机。
3、电动机励磁方式代号用字母表示:S-三次谐波,J-晶闸管,X-相复励磁。
4.规格代号主要是指中心的高度,框架和铁芯的长度以及极数。
根据中心的高度,电机可分为大型、中型、小型和微型。
5、在特殊环境下也有代号规定:“高”原用 G、船(“海”)用 H、户“外”用 W、化工防“腐”用 F、热带用 T、湿热带用 TH、干热带用 TA。
二、电动机参数对照表1.电机防护等级为触点防护等级和防水防护等级。
(防护等级表)2、电动机铁芯长度短机座为M代表着中机座、L代表着长机座。
3.三相异步电动机的安装尺寸和外形尺寸。
电机的安装形式有立式安装和卧式安装。
(三相异步电动机尺寸表)4.电机轴的中心高度为36、40、45、50、56、63、71、89、90、100、112、132、150、180、200、225、250、280、315、355和400。
以上是电机型号和参数对照表,详细解释了电机型号和参数。
该电机应用于机械设备、压缩机、搅拌机、农业机械等多种场景,具有高效、节能、低噪音的优点。
130电机的电机轴有多粗?是什么马达?变频电机的分析是什么?有哪些类型?。
y系列电机参数及安装尺寸标题:Y系列电机参数及安装尺寸引言:Y系列电机是一种常用的三相感应电动机。
它具有结构简单、体积小、转速范围广、效率高等特点,在工业生产中得到广泛应用。
本文将介绍Y系列电机的参数及安装尺寸,以便用户能够更好地了解和选择适合自己需求的电机。
一、Y系列电机的参数1.额定功率(Rated Power):Y系列电机的额定功率表示电机在额定工作状态下所能输出的功率,通常以千瓦(kW)为单位。
电机的额定功率与电机的容量直接相关,可以根据实际需要选择合适的额定功率。
2.额定电压(Rated Voltage):Y系列电机的额定电压是指电机在额定工作状态下所能承受的电压范围,通常以伏特(V)为单位。
额定电压一般有220V、380V、660V等多种选择,用户应根据实际电源条件来选取合适的额定电压。
3.额定频率(Rated Frequency):Y系列电机的额定频率表示电机在额定工作状态下所能承受的频率范围,通常为50Hz或60Hz。
用户应根据实际工作环境选择合适的额定频率。
4.极数(Pole Number):Y系列电机的极数是指电机转子上的磁极数目,通常为2、4、6、8个等。
不同极数的电机转速范围不同,用户应根据实际需求选择合适的极数。
5.效率(Efficiency):Y系列电机的效率表示电机将输入的电能转化为机械能的比例,通常以百分比表示。
电机的效率越高,能耗越低,对于节能减排有重要意义。
二、Y系列电机的安装尺寸Y系列电机的安装尺寸包括安装底脚高度H、安装尺寸A、安装尺寸B、安装尺寸C等。
1.安装底脚高度H:安装底脚高度H是指电机底座与地面的垂直距离。
根据不同的型号和规格,Y系列电机的安装底脚高度H可能会有所不同,用户应根据实际需求来确定安装底脚高度。
2.安装尺寸A:安装尺寸A是指电机立式安装时电机外壳的宽度。
通过安装尺寸A,用户可以确定电机的安装空间,避免出现与其他设备或结构物发生干涉的情况。
电机型号及参数对照表电动机型号是便于使⽤、设计、制造等部门进⾏业务联系和简化技术⽂件中产品名称、规格、型式等叙述⽽引⽤的⼀种代号。
常⽤电动机参数1、电动机轴的中⼼⾼度尺⼨系列如下:电动机轴的中⼼⾼度如下(单位mm):36 、40 、45 、50 、56 、63 、71 、89 、90 、100 、112 、132 、150 、180 、200 、225 、250 、280 、315 、355 、400 、450 、500 、560 、630 、710 、800 、900 、1000 。
2、电动机轴的中⼼⾼度尺⼨的误差系列如下:电动机轴的中⼼⾼度尺⼨的误差分别为:25 ~ 50mm范围内的误差是-0.4mm ,50 ~ 250mm范围内的误差是-0.5mm ,250~ 630mm范围内的误差是-1.0mm ,630~ 1000mm范围内的误差是-1.0mm 。
3、电动机的安装形式:电动机的安装形式有两种:⽴式(B)与卧式(V)。
4、电动机的结构形式:电动机的常⽤结构形式有以下⼏种:1:B3型(端盖式轴承有两个,机座有地脚,端盖上⽆凸缘,地脚安装。
)2:B6型、B7型、B8型(端盖式轴承有两个,机座有地脚,分别安装在墙上或天花板上。
)5、电动机的防护等级:电动机的防护等级分为防接触的防护等级和防⽔的防护等级。
IP23 :表⽰防⽌⼤于12mm的固体进⼊,且防淋⽔的电动机。
IP44 :表⽰防⽌⼤于1mm的固体进⼊,且防溅⽔⽔的电动机。
电动机型号及参数⼤全6、交流电动机的类型分类:按照电动机的转⼦绕组形式分为笼型和绕线型。
按照电动机的尺⼨分为⼤型电动机、中型电动机、⼩型电动机。
按照电动机的防护形式分为开启式、防护式、封闭式。
7、交流电动机的铁芯长度代号:S —代表短机座M —代表中机座L —代表长机座8、B3、B6、B7、B8、V6三相异步电动机的安装尺⼨和外形尺⼨如下表:电动机型号及参数⼤全电动机型号组成及含义由电机类型代号、电机特点代号、设计序号和励磁⽅式代号等四个⼩节顺序组成。
直流无刷电机规格upfile/proimage/2009581339836589.jpg额定输出W6090120180250370马达型号AM-60L/MAM-90L/M/HAM-120L/M/HAM-180L/M/HAM-250L/M/HAM-370L/M/H驱动器型号BL2-101L/MBL2-101L/M/HBL2-102L/M/HBL2-102L/M/HBL2-104L/M/HBL2-104L/M/HD305输入电压AC 220V ±10%输入频率Hz 50 / 60最大.输入电流(220VAC)A 2.0 2.5 4.0 4.2 7.0 7.6马达相数3Ø额定转矩kg-cm 2.9/2.04.4/2.9/1.55.8/3.9/2.08.8/5.8/2.912.0/8.1/4.018.0/12.0/6.0额定速度RPM L:2000 / M:3000 / H:6000最大效率% >80 >80 >80 >80 >80 >80最大输出W 180 220 280 330 520 670最大转矩kg-cm 8.0/5.08.8/5.8/3.017.0/11.0/5.017.6/11.6/5.835.0/23.0/11.036.0/24.0/12.0调速范围RPM L:150~2000 / M:150~3000 / H & CM:300~6000速度变动RPM 1% 以下 (0~额定转矩在额定速度)马达绝缘等级 /最大工作温度B 级 (130o C/266o F) / 最大. 100o C/212o F控制方式矩形波 PWM 方式输入信号输入方式:内部速度设定器 / 外部速度设定器(2KΩ以上) /RS-485保护功能任何以下情况将会输出警告信号,马达停止。
·过负载保护功能:马达工作温度不超过 120o C。
·过热保护功能:驱动器内部过热自我保护。
常用电动机参数总汇常用电动机参数总汇1、电动机轴的中心高度尺寸系列如下:电动机轴的中心高度如下(单位m m):36、40、45、50、56、63、71、89、90、100、112、132、150、180、200、225、250、280、315、355、400、450、500、560、630、710、800、900、1000。
2、电动机轴的中心高度尺寸的误差系列如下:电动机轴的中心高度尺寸的误差分别为:25~50m m范围内的误差是-0.4m m,50~250m m范围内的误差是-0.5m m,250~630m m范围内的误差是-1.0m m,630~1000m m范围内的误差是-1.0m m。
3、电动机的安装形式:电动机的安装形式有两种:立式(B)与卧式(V)。
4、电动机的结构形式:电动机的常用结构形式有以下几种:○1:B3型(端盖式轴承有两个,机座有地脚,端盖上无凸缘,地脚安装。
)○2:B6型、B7型、B8型(端盖式轴承有两个,机座有地脚,分别安装在墙上或天花板上。
)5、电动机的防护等级:电动机的防护等级分为防接触的防护等级和防水的防护等级。
I P23:表示防止大于12m m的固体进入,且防淋水的电动机。
I P44:表示防止大于1m m的固体进入,且防溅水水的电动机。
6、交流电动机的类型分类:按照电动机的转子绕组形式分为笼型和绕线型。
按照电动机的尺寸分为大型电动机、中型电动机、小型电动机。
按照电动机的防护形式分为开启式、防护式、封闭式。
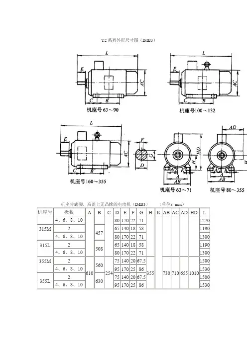
7、交流电动机的铁芯长度代号:S—代表短机座M—代表中机座L—代表长机座8、Y系列(I P44)封闭式三相异步电动机的技术数据列表如下:9、B3、B6、B7、B8、V6三相异步电动机的安装尺寸和外形尺寸如下表:10、B5(卧式)、和V1(立式)三相异步电动机的安装尺寸和外形尺寸如下表:另外:315S—2、315M—2电机的输出轴径为Ф65m m,315S—4(6、8、10极)、315M—4(6、8、10极)电机的输出轴径为Ф80m m。
7.5kw6极电机外形尺寸参数
7.5kw6极电机是一种常用的电机类型,具有多种应用领域。
它的外形尺寸参数对于设计和安装来说非常重要。
在本文中,我们将详细介绍7.5kw6极电机的外形尺寸参数,以帮助读者更好地了解这种电机的特点和使用方法。
7.5kw6极电机的外形尺寸参数主要包括外径、长度、轴径和安装孔尺寸等。
其中,外径是指电机外壳的最大直径,长度是指电机从轴心到外壳两端的距离,轴径是指电机轴的直径,安装孔尺寸是指电机安装孔的直径和间距。
对于7.5kw6极电机来说,其外径通常在300mm左右,长度在400mm左右。
轴径一般为40mm,安装孔尺寸则根据具体型号和安装要求而有所不同。
一般来说,安装孔的直径为10mm 至16mm,间距为50mm至100mm。
除了以上基本尺寸参数外,7.5kw6极电机还有一些其他的外形尺寸参数需要注意。
例如,电机的重量通常在30kg左右,转速在1500rpm至3000rpm之间。
此外,电机的绝缘等级、防护等级和冷却方式也是需要考虑的因素。
在实际应用中,7.5kw6极电机常用于工业生产中的各种设备和机械。
它具有功率大、转速稳定、噪音低等优点,适用于各
种负载条件下的工作。
同时,由于其外形尺寸适中,安装和维护相对简单,因此广泛应用于各个行业。
总之,7.5kw6极电机的外形尺寸参数对于设计和安装来说非常重要。
通过了解这些参数,可以更好地选择和使用电机,并确保其正常运行和高效工作。
希望本文对读者有所帮助,谢谢阅读!。
三相异步电动机的型号及选用标签:杂谈分类:电机的学习研究三相异步电动机的分类三相异步电动一般为系列产品,其系列、品种、规格繁多,因而分类也较繁多。
1、按电动机尺寸大小分类大型电动机:定子铁心外径D>1000mm或机座中心高H>630mm。
中型电动机:D=500~1000mm或H=355~630mm。
大型电动机:D=120~500mm或H=80~315mm。
2、按电动机外壳防护结构分类3、按电动机冷方式分类电动机按冷却方式可分为自冷式、自扇冷式、他扇冷式等。
可参见国家标准GB/T1993-93《旋转电机冷却方式》。
4、按电动机的安装形式分类IMB3:卧式,机座带底脚,端盖上无凸缘。
IMB5:卧式,机座不带底脚,端盖上有凸缘。
IMB35:卧式,机座带底脚,端盖上有凸缘。
5、按电动机运行工作制分类S1;连续工作制S2:短时工作制S3~S8:周期性工作制6、按转子结构形式分类三相笼型异步电动机三相绕线型异步电动机三相异步电动机的型号及选用我国电机产品型号的编制方法是按国家标准GB4831-84《电机产品型号编制方法》实施的,即有汉语拼音字母及国际通用符号和阿拉伯数字组成,按下列顺序排列。
1 产品(类型)代号CHANPINGUI 异步电动机同步电动机同步发电机直流电动机直流发电机汽轮发电机水轮发电机测功机潜水电泵纺织用电机交流换向器电动机产品代号 Y T TF Z ZF QF SF C Q F H2 特殊环境代号使用场合热带用湿热带用干燥带用高原用船用户外用化工防腐用汉语拼音字母 T TH TA G H W F产品规格代号:L-----长机座;M-----中机座;S-----短机座。
下面为两个产品举例:(1)三相异步电动机Y2---132M---4 规格代号,中心高132mm,M中机座,4极产品代号,异步电动机,第二次改型设计(2)户外防腐型三相异步电动机Y---100L2---4---WF1 特殊环境代号,W户外用,F化工防腐用,1中等防腐规格代号,中心高100,长机座第二铁心长度,4极产品代号,异步电动机3 常用三相异步电动机产品型号、结构特点及应用场合序号名称型号机座号与功率范围结构特点应用场合新老1 小型三相异步电动机(封闭式) Y2(IP55) Y(IP44)JO2JO H80~3550.75~315KW 外壳为封闭式,可防止灰尘、水滴浸入。
35by48l步进电机规格书摘要:1.步进电机的概述2.35by48l 步进电机的规格介绍a.尺寸和形状b.力矩特性c.转速和分辨率d.电源和接口3.35by48l 步进电机的应用领域4.步进电机的优势和局限性5.结论正文:步进电机是一种将电脉冲转换为精确旋转运动的电机。
它们广泛应用于需要高精度定位和控制的应用中,如机器人、数控机床、自动化设备等。
今天我们来详细了解一下35by48l 步进电机的规格。
首先,35by48l 步进电机的尺寸为35mm×48mm。
这种紧凑的尺寸使得它非常便于集成到各种设备中。
电机的形状为长方体,这种设计有利于提高电机的力矩特性。
在力矩特性方面,35by48l 步进电机在低速运行时具有很高的力矩,这使得电机在启动和低速运行时能够提供足够的驱动力。
电机的力矩随着速度的增加而减小,但在高速运行时仍能保持良好的性能。
35by48l 步进电机的转速和分辨率也非常出色。
在合适的控制条件下,电机可以实现高达1000 转/分钟的速度。
此外,电机具有高达2000 步/转的分辨率,这意味着电机可以实现极高的定位精度。
在电源和接口方面,35by48l 步进电机采用常见的24V 电源,并配有4 线或5 线接口,方便与各种控制器连接。
35by48l 步进电机广泛应用于各种需要高精度定位和控制的应用中,如机器人关节、自动化设备、数控机床等。
这种电机具有高精度、高可靠性、低噪音等优点,使其成为许多领域的理想选择。
然而,步进电机也存在一定的局限性。
例如,它们的转矩波动和振动可能影响设备的性能。
此外,步进电机的效率通常低于其他类型的电机,这可能影响设备的整体能效。
总的来说,35by48l 步进电机是一种具有出色性能的电机,适用于各种高精度定位和控制应用。
三轮车电机尺寸规格表三轮车电机的尺寸规格表是评估三轮车电机性能和适用范围的重要依据。
通过对电机尺寸的了解,我们可以更好地选择合适的电机来满足三轮车的需求。
下面将详细介绍三轮车电机尺寸规格表的各项指标和其意义。
1. 电机类型三轮车电机尺寸规格表首先会列出电机的类型,如直流电机、交流电机等。
不同类型的电机在结构和工作原理上存在差异,因此需要根据实际情况选择合适的电机类型。
2. 额定功率额定功率是指电机在标准工作条件下能够持续输出的功率。
通常以瓦特(W)为单位。
额定功率的大小与电机的输出能力直接相关,可以帮助我们了解电机的工作能力和适用范围。
3. 额定电压额定电压是指电机正常工作所需的电压。
不同的电机具有不同的额定电压,我们需要根据实际情况选择合适的电压等级。
同时,额定电压还与电机的功率和效率有关,需要在选型过程中综合考虑。
4. 额定转速额定转速是指电机在额定电压下的旋转速度。
通常以转每分钟(rpm)为单位。
额定转速可以帮助我们了解电机的工作效率和输出能力,对于三轮车的加速性能和行驶速度具有重要影响。
5. 额定转矩额定转矩是指电机在额定电压下的输出转矩。
通常以牛顿·米(N·m)为单位。
额定转矩可以帮助我们了解电机的起动能力和负载能力,对于三轮车的爬坡能力和承载能力具有重要影响。
6. 外形尺寸外形尺寸是指电机在长度、宽度和高度等方面的尺寸参数。
这些参数对于三轮车的安装和布局具有重要意义,需要根据实际情况选择合适的电机尺寸,以确保电机能够良好地嵌入三轮车结构中。
7. 重量重量是指电机本身的重量。
电机的重量不仅与电机的材质和结构有关,还与电机的功率和尺寸等参数相关。
重量的大小对于三轮车的悬挂系统和整车的重心平衡具有一定影响,需要在设计中进行合理考虑。
通过对三轮车电机尺寸规格表的分析,我们可以了解到电机的类型、功率、电压、转速、转矩、外形尺寸和重量等关键参数。
这些参数对于正确选择合适的电机具有重要意义。
电动窗帘,其实它就是在原有的手动窗帘上加了一个电机,比较智能化。
那电动窗帘电机尺寸一般是多少?带大家一起来了解下吧
电机是电动窗帘的龙头,要想选择好的电动窗帘,首先必须选择适合的电机。
电动窗帘电机通常使用12付电机(需要小型变压器),功率6-24W不等,是要看你带动的窗帘重量等因素决定的。
电机尺寸大小具体如下:
1、一般电动窗帘电机的尺寸在12-15cm之间,如果是双层窗帘的话,安装的电机的尺寸应该是18-20cm左右。
2、如果是偏向大型的飘窗窗帘的话,单层的窗帘电机的尺寸要在18cm左右,而双层的窗帘电机的尺寸是25-30cm。
以上就是关于电机尺寸的简单分享,希望对大家有所帮助,同时也感谢大家一直以来的关注与支持!。
◆ 湿度范围:20%RH-90%RH特点◆ RoHS 符合品◆ 绝缘耐压:500V AC /1分钟◆ 马达表面最高承受温度:100℃◆ 轴向容许负载:20N◆ 径向容许负载:90N(距安装面15mm)◆ 匹配驱动器:Y2SD2◆ 绝缘电阻:100MΩ◆ 法兰尺寸:□60mm◆ 安装孔距:47.14mm◆ 角度误差:±0.09°规格型号步距角电流deg A/PHASE Ω/PHASE 电阻电感mH/PHASE 保持力矩 N.m 转子惯量引线数量LEAD 质量kg 马达长度mm机械尺寸(单位mm )2g.cm 驱动器A+A-B+B-棕橙红黄01020304000.20.40.60.81.01.2SPEED(RPS)T O R Q U E (N .m )5024V 36V 48V 驱动器:Y2SD2标配连接线:长度300min力矩曲线0510152000.51.01.52.02.53.0SPEED(RPS)T O R Q U E (N .m )2524V 36V 48V 驱动器:Y2SD2接线图010********.30.60.91.21.51.8SPEED(RPS)T O R Q U E (N .m )5024V 36V 48V 驱动器:Y2SD2Y09-59D3-1305-PY09-59D3-3305-P Y09-59D3-5001-P0.61.2 1.81.22.43.61.83.6 5.42.44.87.23.06.09.03.67.210.8SPEED(RPS)SPEED(RPS)SPEED(RPS)24V 24V 24V 48V 48V 48V 60V 60V 60V 驱动器:Y2SD3(并联6A)驱动器:Y2SD3(并联6A)驱动器:Y2SD3(并联6A)◆ 湿度范围:20%RH-90%RH◆ 绝缘耐压:1500V AC /1分钟◆ RoHS 符合品◆ 法兰尺寸:□86mm◆ 马达表面最高承受温度:100℃◆ 轴向容许负载:60N特点◆ 角度误差:±0.09°◆ 绝缘电阻:100MΩ◆ 径向容许负载:320N(距安装面20mm)◆ 匹配驱动器:Y2SD3 or Y2SA2规格型号步距角电流deg A/PHASE Ω/PHASE 电阻电感mH/PHASE 保持力矩 N.m 转子惯量引线数量LEAD 质量kg 马达长度mm机械尺寸(单位mm )2g.cm 驱动器力矩曲线000555101010151515202020000T T T O O O R R R Q Q Q U U U E E E (((N N N ...m m m )))252525并联直流驱动型号步距角电流deg A/PHASE Ω/PHASE 电阻电感mH/PHASE 保持力矩 N.m 转子惯量引线数量LEAD 质量kg 马达长度mm2g.cm 驱动器串联交流驱动Y09-59D3-7430-PY09-59D3-7536-P Y09-59D3-7655-P102030400.61.2 1.81.22.43.61.83.6 5.42.44.87.23.06.09.03.67.210.8SPEED(RPS)SPEED(RPS)SPEED(RPS)50驱动器:Y2SA2(220VAC,串联3A)驱动器:Y2SA2(220VAC ,串联3A)驱动器:Y2SA2(220VAC ,串联3A)00055101015152020000T T T OO O RR R QQ Q U U U EE E (((NN N ...mm m )))2525接线图A+A-A+A-B+B-黑绿红蓝黄橙白棕并联接线串联接线Y09-59D3-7430-P Y09-59D3-7536-P Y09-59D3-7655-P。