现场收方单模板
- 格式:docx
- 大小:14.22 KB
- 文档页数:3
工地收方单模板甲方:____________________________乙方:____________________________甲乙双方经友好协商就工地收方事宜达成如下协议:21 工地名称:22 工程地点描述:23 合同编号:24 施工日期:自____年____月____日至____年____月____日25 收方日期:____年____月____日26 收方负责人:27 监理单位:28 工程项目列表:29 各项工程量详细说明:210 工程变更记录:211 工程验收标准:212 材料使用情况:213 设备使用情况:214 安全措施执行情况:215 环保措施执行情况:216 劳务人员安排情况:217 施工进度:218 质量检查记录:219 问题及解决方案:220 双方确认事项:221 其他补充条款:222 备注:31 双方同意按照本收方单所列明的工程量及质量标准进行验收。
32 若发现工程量与合同不符或工程质量未达到约定标准,双方应协商解决并在本单上注明处理结果。
33 对于超出原计划的工程量变化,需附有双方签字确认的变更单据作为本单附件。
34 工程材料设备使用情况由乙方负责记录并提供相关证明文件。
35 安全环保措施需符合国家相关规定,如有违反情况应在本单中明确记载并提出整改措施。
36 劳务人员需持有效证件上岗,工作时间记录清晰准确。
37 施工进度须严格按照合同约定执行,如有延误需提前通知对方并说明原因。
38 质量检查由监理单位进行,发现问题及时整改,确保工程质量达标。
39 本收方单为工程结算依据之一,双方应妥善保管。
310 本单一式两份,甲乙双方各执一份,具有同等法律效力。
311 本单自双方代表签字盖章之日起生效。
41 甲方代表签字:__________42 乙方代表签字:__________43 监理单位代表签字:__________44 签订日期:____年____月____日。
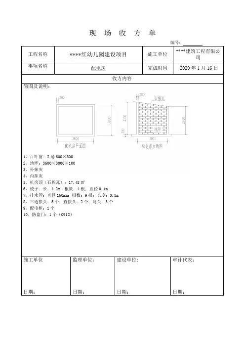
现场收方单
项目名称: 编号:
备注:1.本表由施工单位填报,监理单位、建设单位现场工程师及专业造价师、施工单位共同签字确认(注明收方时间),缺一方签字本表无效(如监理单位未进场或已退场,由建设单位项目经理在对应栏注明)。
本表污损、字迹模糊无效。
2.本表仅对现场发生的工作内容及工程量予以确认,签署任何与此无关的信息,如价格、结算方式等,本表无效。
3.造价事务所收方人员请在建设单位专业造价师一栏签字确认。
物业项目工程收方人员请在建设单位现场工程师一栏签字确认。
4.在工程结算确认之前,过程中签证中的数量若甲方在后期有真实可靠的证据、或经计算可以得出新的数量减少,则承包人须无条件地承认新的数量。
5.本表原件一式肆份,建设单位(工程、成本)各1份,施工单位2份(办理结算时,必须以原件报送,复印件无效)。
工程量现场收方单注:本收方单一式三份,各方一份工程量现场收方单编号:0002 工程名称綦江区三江四级站高位水池围墙工程工程部位挡土墙工程内容自编L2 段;中联厂对面新增条石挡土墙(大门左侧),其长度为45米1、条石挡土墙基槽开挖断面图如下:开挖至基岩平均深度为1.1米,底宽为1.3米,放坡系数为1:0.3,土石比为7:3,基岩采用人工凿石嵌岩,分段整平,平均深度为0.15米(注:嵌岩部分全部为石方开挖),弃土外运5KM。
2、采用C15细石砼砌条石挡土墙,挡土墙平均高度为1.7米,顶宽为0。
6米,底宽为1。
3米,底部采用0.1米厚的C15砼垫层。
条石挡土墙外侧采用灰砂比为1:2的水泥砂浆勾凹缝。
开挖至基岩土石方(土石比为7:3):(1.3+1.1*0.3*2+1。
3)/2*1。
1*45=80。
685 m3基岩石方:1.3*0.15*45=8。
775 m3C15砼砌条石挡墙:(0。
6+0。
7)/2*0。
7*45+(0.9+1。
3)/2*1*45=69。
975 m3C15砼垫层:1。
3*0。
1*45=5.85 m3勾缝面积(凹缝):(1。
7+0。
1-1。
1—0。
15)*45=24.75 m2建设单位施工单位监理单位注:本收方单一式三份,各方一份工程量现场收方单编号:0003注:本收方单一式三份,各方一份工程量现场收方单编号:0004工程内容自编W1——K0+75m段,其长度为75米1、围墙基槽开挖断面图如下:开挖至基岩平均深度为1。
3米,底宽为1米,放坡系数为1:0。
3,土石比为7:3,基岩采用人工凿石嵌岩,分段整平,平均深度为0。
2米(注:嵌岩部分全部为石方开挖)。
弃土外运5KM2、围墙基础采用C15细石砼砌条石基础,基础平均高度为1.8米,顶宽为0.55米,底宽为1米,底部采用0。
1米厚的C15砼垫层。
开挖至基岩土石方(土石比为7:3):(1+1。
3*0.3*2+1)/2*1.3*75=135。
525 m3基岩石方:1*0。