签证、收方单模板
- 格式:doc
- 大小:49.50 KB
- 文档页数:2
竣尊〃******项目工程收方(签证)单
编号:工程名称***“竣尊.****国际”小区工程
建设单位:重庆***房地产开发有限公司监理单位:重庆****建设工程咨询有限公司工施工单位:重庆精物实业(集团)有限公司
收方(签证部位):“*****〃***国际”项目公路排水沟
收方(签证内容):我单位于2014年8月1日应甲方指令修建场内公路排水沟,排水沟总长度374米:
其中人工踢打C20砼路面16米长,体积为0.5*0.2*16=1.6立方,挖土方16*0.2*0.5=1.6立方。
人工开挖排水沟88米,其中开挖土方22*0.8=17.6立方,开挖软质软22*0.2=4.4立方。
机械开挖排水沟270米。
其中开挖土方135*0.4=54立方,开挖软质岩135*0.6=81立方。
表面抹C15细石砼清光面:88*1.5*0.05=6.6立方。
人工、机械、材料以当期核价单价格进行组价。
请建设单位酌情予以补助
附件:1边沟收方表
签字栏:
建设单位:(签字)现场代表:
年月日监理单位:(签字)
现场监理工程师:
年月日
施工单位:(签字)
现场负责人:
年月日。
园林收⽅单、签证单格式
页码:
王传斌
合同外
收⽅时间
2011.6.15
页码:
王传斌合同外
收⽅时间2011.6.15
合同名称:
燕西华府C4区A标段(含分包)
合同名称:燕西华府C4区A标段硬景计量⼈⼯现场收⽅(产值)单
合同名称:
燕西华府C4区A标段
收⽅班组:合同内(外):
软景计量⼈⼯现场收⽅(产值)单
合同名称:
燕西华府C4区A标段
收⽅班组:
合同内(外):
1、合同内⼈、机、分包按⽩⾊单据⾛流程,合同外及超合同内数量的⼈、机、分包数量按红⾊单据⾛流程。
4、产值单由项⽬部每⽉25⽇前填制好,采⽤纸制与电⼦两种⽅式传到造价部,造价部核算出当⽉产值,作为班组预挂帐依据和进度款付款依据。
3、收⽅单由项⽬部相关⼈员与班组办理,在该班组施⼯任务完成经验收合格(内部验收)后15天内填制好,采⽤纸制与电⼦两种⽅式传到造价部,主管造价员根据施(竣)⼯图、经济签证单及协议核定⼯程量,在收到单据30天内办理完相关决算。
如有施(竣)⼯图或经济签证单等不能说明的或在此之外的,由主管造价员到现场收⽅确定。
2、合同外增加⼯程量必须填写清楚原因(设计变更XX号,⼯程洽商XX号或签证单XX号等经济资料),否则不能办理决算;每张单据每栏均按要求填写完整,本⼈签字;否则⽆效。
页码:
王传斌
合同外收⽅时间:审核时间:
页码:
王传斌
合同外
收⽅时间:
审核时间:
软景计量⼈⼯费收⽅结算单收⽅班组:
合同内(外):
2011.6.15
硬景计量⼈⼯费收⽅结算单(含分包)
收⽅班组:合同内(外):2011.6.15。
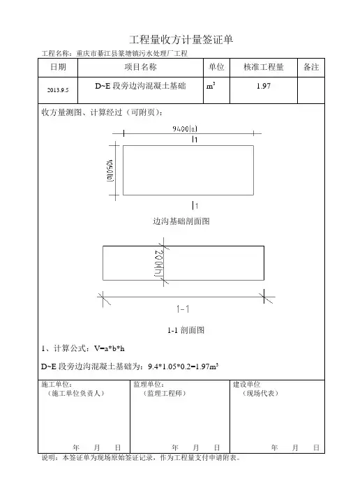
工程名称綦江县通惠新城核桃湾分区A段Ⅱ标段道路工程时间2013年1月25日施工单位四川德友建筑工程有限公司地点通惠核桃湾收方部位公路K0+400.000~K0+450.000处土石方开挖收方依据及原因由于指定渣场变更,导致费用增加。
详情见现场施工记录收方单位及人员施工单位监理单位建设单位其它收方及签证内容、简图及计算式自2013年1月9日~2013年1月25日止。
共计外运土石方为583车(18m³/车):1、车辆运输费用:583车×180.00元/车=104940.00元2、渣场费用:583车×90.00元/车=52470.00元收方汇总工程量确认施工单位:(施工负责人)综上所述:合计费用:157410.00元监理单位:(监理工程师)建设单位:(现场代表)备注工程名称綦江县通惠新城核桃湾分区A段Ⅱ标段道路工程时间2013年2月21日施工单位四川得友建筑工程有限公司地点通惠核桃湾收方部位公路K0+000~K0+040.396右侧边坡土石方开挖收方依据及原因由于当地居民阻拦挖机未能正常开挖作业收方单位及人员施工单位监理单位建设单位其它收方及签证内容、简图及计算式320挖机进出场费、现场杂工工资:1、320挖机进出场费用:1500.00元3、现场杂工费用:4人×100.00元/天=400.00元收方汇总工程量确认施工单位:(施工负责人)综上所述:合计费用:1900.00元监理单位:(监理工程师)建设单位:(现场代表)备注工程名称綦江县通惠新城核桃湾分区A段Ⅱ标段道路工程时间2013年2月25日施工单位四川得友建筑工程有限公司地点通惠核桃湾收方部位公路K0+000~K0+040.396右侧边坡土石方开挖收方依据及原因由于当地居民阻拦挖机未能正常作业收方单位及人员施工单位监理单位建设单位其它收方及签证内容、简图及计算式320挖机进出场费、现场杂工工资:1、320挖机进出场费用:1500.00元2、现场杂工费用:4人×100.00元/天=400.00元收方汇总工程量确认施工单位:(施工负责人)综上所述:合计费用:1900.00元监理单位:(监理工程师)建设单位:(现场代表)备注工程名称綦江县通惠新城核桃湾分区A段Ⅱ标段道路工程时间2013年3月4日施工单位四川得友建筑工程有限公司地点通惠核桃湾收方部位公路K0+000~K0+040.396右侧边坡土石方开挖收方依据及原因由于当地居民阻拦挖机未能正常作业收方单位及人员施工单位监理单位建设单位其它收方及签证内容、简图及计算式320挖机进出场费、现场杂工工资:1、320挖机进出场费用:1500.00元2、现场杂工费用:4人×100.00元/天=400.00元收方汇总工程量确认施工单位:(施工负责人)综上所述:合计费用:1900.00元监理单位:(监理工程师)建设单位:(现场代表)备注工程名称綦江县通惠新城核桃湾分区A段Ⅱ标段道路工程时间2013年3月3日施工单位四川得友建筑工程有限公司地点通惠核桃湾收方部位渣场修临时施工道路及移动现场光纤收方依据及原因现场实测数据及施工记录收方单位及人员施工单位监理单位建设单位其它收方及签证内容、简图及计算式经现场实测:1、修路土石方开挖工程量:长21.5m×宽12.3m×厚5.8m=1533.81m³2、移动现场光纤人工:2人×120.00元/天=240.00元收方汇总工程量确认施工单位:(施工负责人)综上所述:1、渣场修路土石方开挖量:1533.81m³2、人工:240.00元监理单位:(监理工程师)建设单位:(现场代表)备注停工报告重庆市綦江县东部新城开发建设有限公司:我公司承建的綦江县通惠新城核桃湾分区A段Ⅱ标段.B段道路工程。