2019年中考物理试题分类汇编——电功率计算专题(版含答案)(最新整理)
- 格式:pdf
- 大小:819.17 KB
- 文档页数:31
电功和电功率计算题真题分类汇编3 电功率与电压、电流的关系(共11题,有答案)1.(2019•贵阳)如图所示电路,电源电压恒为8V,小灯泡标有“6V 3W“字样。
若不考虑温度对灯泡电阻的影响,闭合开关S,求:(1)小灯泡的额定电流;(2)小灯泡正常发光时,滑动变阻器R接入电路的阻值。
(3)移动滑动变阻器的滑片,当电压表示数为3V时,小灯泡的实际功率。
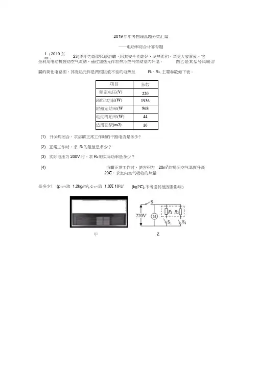
2.(2019•东营)图甲为新型风暖浴霸,因其安全性能好、发热柔和,深受大家喜爱。
它是利用电动机鼓动空气流动,通过加热元件加热冷空气带动室内升温。
图乙是某型号风暖浴霸的简化电路图,其发热元件是两根阻值不变的电热丝R1、R2.主要参数如下表。
项目参数额定电压(V)220R1额定功率(W)1936R2额定功率(W)968电动机功率(W)44适用面积(m2)10(1)开关均闭合,求浴霸正常工作时的干路电流是多少?(2)正常工作时,求R1的阻值是多少?(3)实际电压为200V时,求R2的实际功率是多少?(4)浴霸正常工作时,使容积为20m3的房间空气温度升高20℃,求室内空气吸收的热量是多少?(ρ空气取1.2kg/m3,c空气取1.0×103J/(kg•℃),不考虑其他因素影响)3.(2019•随州)随州的冬季不像北方有集中供暖,所以本地居民常选用一些小型电暖器越冬。
如图甲电暖器有“高温、中温、低温”三档,铭牌见下表(“中温”档功率空出),其电路原理如图乙,S是自我保护开关,当电暖器倾倒时S自动断开,切断电源保证安全。
当S、S1闭合,S2断开时电暖器为“低温”档。
(R1>R2)求:(1)R1的阻值;(2)“中温”档正常工作时电路中的电流;(3)若室内空气质量为50kg,用该电暖器的“高温”档正常工作10min,放出热量的50%被室内空气吸收,那么可使室内气温升高多少?(假设空气的比热容为 1.1×103J/(kg•℃))4.(2019•淮安)如图是一款家庭常用的电热水壶,经测量该电热水壶的质量为0.6kg,它与桌面的接触面积为0.02m2.该电热水壶的额定电压为220V,额定功率为1000W.[g取10N/kg,水的比热容为4.2×103J/(kg•℃)](1)求电热水壶的额定电流(保留一位小数);(2)求电热水壶静止放在水平桌面上对桌面的压强;(3)用此电热水壶将1kg,初温为20℃的水加热到100℃,沸腾水至少吸收多少热量?(4)电热水壶正常工作时,若不考虑热量损失,将壶中质量为1kg、初温为20℃的水加热到100℃需要多长时间。
2019年中考物理真题分类汇编一一电功率1. (2019南京,18)如图所示,电源电压恒定,R i、R2为定值电阻,R2 = 20Q,灯泡L标有“ 6V 3W ” 字样。
(1 )当S、Si、S2都闭合时,灯泡L正常发光,电流表示数为__________ A,电路消耗的总功率为_______ W ;(2)当S闭合,S、S2断开时,电压表示数为2V,贝U R1的阻值为 _________ Q,通电1minR1产生的热量为_______ J。
2. (2019阜新,18)要使质量为50kg的水,温度升高4 C (若不计能量损失),“ 220V 2000W”的电热水器正常工作时,需要消耗电能________ J,需要工作_______ min,这些电能可使规格为3000revs/ (kW?h)的电能表转____ 转。
(c 水=4.2 x 103J/ (kg? C), p水=1.0 x 103kg/m3)3. (2019南充,19)如图甲所示,电源电压保持不变,小灯泡L标有“ 6V 3W字样,图乙是通过小灯泡的电功率随其两端电压变化的图象。
滑动变阻R1的最大值为40Q,定值电阻R2=10 Q,当闭合S、S1、断开S、P在中点时,R2的功率为0.9W,电源电压为 ________________ V, 当闭合S、S2、断开S1、小灯泡功率为1.6W时,滑动变阻器连入电路中的阻值 ________________Qo4. (2019南充,17)如图是电热饮水机电路原理图,已知R1=100 Q, R2=20 Q,当开关$、S闭合时,饮水机处于____________ 状态(填“保温”或“加热”),饮水机的保温功率与加热功率之比为_____________5. (2019绵阳,27)某一天晚上睡觉前,小文同学用有预约功能的电饭煲为家人第二天早餐煲粥。
小文将大米等食材放入电饭煲内,接通220V家庭电路,经过了待机、加热、保温三个过程,早餐前断开电源,电饭煲消耗的电功率随时间变化的图像如图甲所示,电饭煲加热过程消耗的电能是______ kW -h。
2019年中考物理真题集锦——专题十九:电功率综合计算1.(2019龙东,36)如图甲为家用电热饮水机,图乙为它的电路原理图,下表为它的铭牌数据。
(1)当S1闭合,S2断开时,电热饮水机处于状态(填“加热”或“保温”),此时电路中的电流是多大?(2)饮水机正常工作时,将热水箱中的水从20℃加热到90℃,求:水吸收的热量是多少?(水的比热容4.2×103J/(kg•℃))(3)电热饮水机正常工作时加热效率为80%.求:将热水箱中的水从20℃加热到90℃的时间为多少秒?2.(2019随州,19)随州的冬季不像北方有集中供暖,所以本地居民常选用一些小型电暖器越冬。
如图甲电暖器有“高温、中温、低温”三挡,铭牌见下表(“中温”挡功率空出),其电路原理如图乙,S是自我保护开关,当电暖器倾倒时S自动断开,切断电源保证安全。
当S、S1闭合,S2断开时电暖器为“低温”挡。
(R1>R2)求:(1)R1的阻值;(2)“中温”挡正常工作时电路中的电流;(3)若室内空气质量为50kg,用该电暖器的“高温”挡正常工作10min,放出热量的50%被室内空气吸收,那么可使室内气温升高多少?(假设空气的比热容为1.1×103J/(kg•℃))3.(2019益阳,27) 洞庭湖区域盛产水稻,早稻收获期恰逢长江中下游梅雨季节。
为解决早稻收获后稻谷霉变问题,某科技小组设计了一个稻谷烘干机。
它的电路图如图甲所示,M为电动鼓风机,R为湿敏电阻,其阻值能根据相对湿度(水蒸气含量)的变化而改变,且能满足实际需要。
R0为10Ω的定值发热电阻。
(1)若鼓风机的额定电压为220V,额定功率为440W,鼓风机正常工作的电流为多大?(2)相对湿度在40%~80%范围内时,R的阻值随相对湿度变化的关系如图乙所示。
当相对湿度为70%时,试求发热电阻R0的电功率为多大?4.(2019益阳,25) 为解决某偏远山区的用电困难,利用当地水力资源丰富的特点,扶贫工作队筹措资金为当地建设了一座小型水力发电站,让水坝的水下泄时冲动水轮发电机发电,供当地居民生活所需。
2019年中考物理真题集锦——专题十九:电功率综合计算1.(2019龙东,36)如图甲为家用电热饮水机,图乙为它的电路原理图,下表为它的铭牌数据。
(1)当S1闭合,S2断开时,电热饮水机处于 状态(填“加热”或“保温”),此时电路中的电流是多大?(2)饮水机正常工作时,将热水箱中的水从20℃加热到90℃,求:水吸收的热量是多少?(水的比热容4.2×103J/(kg•℃))(3)电热饮水机正常工作时加热效率为80%.求:将热水箱中的水从20℃加热到90℃的时间为多少秒?2.(2019随州,19)随州的冬季不像北方有集中供暖,所以本地居民常选用一些小型电暖器越冬。
如图甲电暖器有“高温、中温、低温”三挡,铭牌见下表(“中温”挡功率空出),其电路原理如图乙,S是自我保护开关,当电暖器倾倒时S自动断开,切断电源保证安全。
当S、S1闭合,S2断开时电暖器为“低温”挡。
(R1>R2)求:(1)R1的阻值;(2)“中温”挡正常工作时电路中的电流;(3)若室内空气质量为50kg,用该电暖器的“高温”挡正常工作10min,放出热量的50%被室内空气吸收,那么可使室内气温升高多少?(假设空气的比热容为1.1×103J/(kg•℃))3.(2019益阳,27) 洞庭湖区域盛产水稻,早稻收获期恰逢长江中下游梅雨季节。
为解决早稻收获后稻谷霉变问题,某科技小组设计了一个稻谷烘干机。
它的电路图如图甲所示,M为电动鼓风机,R为湿敏电阻,其阻值能根据相对湿度(水蒸气含量)的变化而改变,且能满足实际需要。
R0为10Ω的定值发热电阻。
(1)若鼓风机的额定电压为220V,额定功率为440W,鼓风机正常工作的电流为多大?(2)相对湿度在40%~80%范围内时,R的阻值随相对湿度变化的关系如图乙所示。
当相对湿度为70%时,试求发热电阻R0的电功率为多大?4.(2019益阳,25) 为解决某偏远山区的用电困难,利用当地水力资源丰富的特点,扶贫工作队筹措资金为当地建设了一座小型水力发电站,让水坝的水下泄时冲动水轮发电机发电,供当地居民生活所需。
2019年中考物理真题分类汇编 多挡位电热器电功率的计算 专题【难点中心】电功、电功率一直都是初中物理考查的重要内容,一般与串并联、欧姆定律等电学知识结合起来考查,综合性较强,命题形式多种多样,故也是个难点,其中与生活实际相联系的命题形式仍是今后的主流考查方向,两档位用电器电功率的计算是近几年常考的热点。
【考点难点突破】 【知识链节】 电功率:定义:电功率等于电功和时间之比。
意义:表示消耗电能的快慢。
符号:P[来单位:瓦特(瓦,W ),常用单位为千瓦(kW ),1 kW =103W 电功率的定义式:t W P =W=Pt PW t = 第一种单位:P ——电功率——瓦特(W );W ——电功——焦耳(J );t ——通电时间——秒(s )。
第二种单位:P ——电功率——千瓦(kW );W ——电功——千瓦时(kW·h);t ——通电时间——小时(h )。
电功率计算公式:tWP ==UI (适用于所有电路) 对于纯电阻电路可推导出:P=I 2R =RU 2【技能方法】所谓的两档位电热器一般分为高温档和低温档,是在电源电压不变的情况下,通过改变电阻的大小,高档位电阻小,低档位电阻大,由RU P 2=可知,电热器的电功率发生了改变。
两档位电热器一般是通过开关来改变档位的,常见的电路有以下两种: (1)短路型S 闭合时,电阻R 被短路,只有R 0工作,此时为高温档挡;断开时,两电阻串联总电阻较大,此时为低挡.(2)单刀双掷型主要工作的电阻放在干路上,一条支路用导线,一条之路连接在附加电阻上,当S 接附加电阻时两电阻串联,是低温挡;S 接导线时,电路中只有一个电阻,为低温挡。
【中考真题1】(2019·武威第十九中学初三月考)小明同学家里的电热饮水机有加热和保温两种功能,可由机内温控开关S 0进行自动控制。
小明从说明书上收集到如下表中的部分数据和如图所示的电路原理图。
请解答如下问题:(计算结果若不能整除,保留一位小数)(1)这个电热饮水机正常工作时,在加热状态下的总电流大约是多大 (2)若电阻R 2的阻值为1 210 Ω,则电阻R 1的阻值为多少 【答案】(1)4.2 A (2)55 Ω【解析】(1)当开关S 、0S 闭合时,12R R 与并联,是加热状态,正常加热状态下的电流:I =P U加热=920W220V= 4.2 A ; (2)当开关S 闭合、S 0断开时,电热饮水机只有R 2工作,处于保温状态。
2019年中考物理真题汇编:电功率(含答案)一、选择题。
1.(2019 青岛,12)如图甲是一个电加热器的工作原理图,其中R1和R2是阻值不变的发热电阻;图乙是它的部分参数。
当电加热器正常工作时,下列说法正确的是( )A.只闭合开关S,加热器的功率为990WB.开关S闭合,S1由断开到闭合,电路中电流变大,R2的功率变大C.加热器在保温状态下工作5min,产生3.3×104J的热量D.电阻R1与R2的阻值之比为1∶8【答案】B C2.(2019通辽,13)某建筑工地需要架设临时供电线路,实现照明和电加热功能,其简化电路如图所示,供电处电压U不变,从供电处到工地用长导线(有电阻)连接。
闭合开关S1、S2时加热器和照明灯同时工作。
断开S2后与断开S2前相比较,下列说法正确的是()A.照明灯亮度不变B.照明灯亮度变暗C.相同时间内长导线上消耗的电能不变D.相同时间内整个供电线路消耗的电能减少【答案】D3.(2019湘潭,18)如图是一把既能吹冷风、又能吹热风的简化电路图,其中M是吹风机,R是电热丝。
由电路图可知()A.只将开关S1闭合,吹出的是热风B.M和R是串联在电路中的C.将S1和S2都闭合,吹出的是热风D.开关S2可以控制整个电路【答案】C4.(2019河北,9)如图所示,电源电压不变,R1、R2为定值电阻,R为滑动变阻器,a、b 是电流表或电压表。
当只闭合开关S、S1时,a、b的指针均明显偏转,将位于中点的滑片P向左移动,a的示数不变,b的示数有变化。
以下说法正确的是()A.b是电流表B.只闭合S、S2,移动滑片P,则a示数的变化量与b示数的变化量的比值可能等于R1+R2C.若将b换成另一种电表,只闭合S、S2,将滑片P向右移动,R2消耗的功率一定变大D.若将a与b的位置互换,只闭合S、S2,则a的示数与b的示数的比值可能等于R2 【答案】A D5.(2019泰安,14)如图所示,电路中电源电压保持不变,小灯泡标有“3V 1.5W”字样,不考虑灯泡电阻随温度的变化,滑动变阻器R的最大阻值为24Ω,电流表量程为0~0.6A,电压表量程为0~3V。
2.19 电功、电功率综合计算1.(2019年·云南)如图,R 1=6Ω,当S 1闭合,S 2、S 3断开时,电流表示数为1A ;S 3闭合,S 1、S 2断开时,电流表示数为0.2A .求:(1)电源电压; (2)电阻R 2的阻值;(3)当S 1、S 2闭合,S 3断开时,电路的总功率。
【答案】(1)6V ;(2)24Ω;(3)7.5W 【解析】(1)当S 1闭合,S 2、S 3断开时,电路为R 1的简单电路, 由I =UR可得,电源的电压:U =I 1R 1=1A×6Ω=6V ;(2)当S 3闭合,S 1、S 2断开时,R 1与R 2串联,电流表测电路中的电流, 此时电路中的总电阻:R =U I =6V0.2A =30Ω,因串联电路中总电阻等于各分电阻之和,所以,电阻R 2的阻值:R 2=R -R 1=30Ω-6Ω=24Ω; (3)当S 1、S 2闭合,S 3断开时,R 1与R 2并联,因并联电路中各支路两端的电压相等,且电路的总功率等于各用电器功率之和, 所以,电路的总功率:P =U 2R 1 + U 2R 2=(6V)26Ω+ (6V)224Ω=7.5W 。
2.(2019年·荆州)如图,电源电压恒为4.5V ,灯泡L 上标有“3V 1.5W”字样,滑动变阻器R 2上标有“15Ω 1A”字样,定值电阻R 1阻值为10Ω,电流表量程为0~3A ,电压表量程为0~3V ,不计温度对灯丝电阻的影响。
求:(1)灯泡正常工作时电阻为多大;(2)当开关S 、S 1、S 2闭合,S 3断开时,电路最小总功率为多大;(3)当开关S 、S 3闭合,S 1、S 2断开时,在确保电路元件安全的情况下,滑动变阻器R 2的取值范围。
【答案】(1)6Ω;(2)3.375W ;(3)当3Ω~12Ω。
【解析】解:(1)根据P =U 2R 得,灯泡正常工作时电阻:R L =U 额2P 额=(3V)21.5W =6Ω;(2)当开关 S 、S 1、S 2 闭合,S 3 断开时,灯泡 L 被短路,定值电阻 R 1与滑动变阻器R 2 并联,当滑动变阻器R 2的阻值最大为15Ω时,电路总电流最小,电路总功率最小, 通过 R 1的电流:I 1=U R 1 =4.5V10Ω=0.45A ,通过滑动变阻器R 2的电流:I 2=U R 2 =4.5V15Ω=0.3A ,电路最小总功率:P 最小=U ×(I 1+I 2)=4.5V×(0.45A+0.3A )=3.375W ;(3)当开关S 、S 3闭合,S 1、S 2 断开时,R 1断路,灯泡L 与滑动变阻器R 2串联,电压表测滑动变阻器R 2两端电压。
2019年中考物理真题分类汇编――电功率综合计算专题1. (2019 东营,23)图甲为新型风暖浴霸,因其安全性能好、发热柔和,深受大家喜爱。
它是利用电动机鼓动空气流动,通过加热元件加热冷空气带动室内升温。
图乙是某型号风暖浴霸的简化电路图,其发热元件是两根阻值不变的电热丝R i、R2.主要参数如下表。
项目參数额定电压(V)220%额定功率(W)1936附嬪定幼率(W968电动机珀率(W)44适用面駅(m2)10(1) 开关均闭合,求浴霸正常工作时的干路电流是多少?(2) 正常工作时,求R i的阻值是多少?(3) 实际电压为200V时,求R2的实际功率是多少?(4) 浴霸正常工作时,使容积为20m3的房间空气温度升高20C,求室内空气吸收的热量是多少? (p 空气取 1.2kg/m3, c空气取1.0X 103J/ (kg?C),不考虑其他因素影响)甲Z(1)该饮水机处于加热状态时, 正常工作3min,在1标准大气压下能否把 0.5kg 的水从20° C 加热至沸腾?【c 水=4.2 X 103 ( kg •C )】(2)保温功率是指 S 断开时电路消耗的总功率。
该饮水机正常保温时,R i 实际消耗的电功率是多少? 3 (2019武威,24)某学校建了一个植物园,园内有一个温室大棚,大棚内设计了模拟日光 和自动调温系统,对大棚进行照明、保温和加热。
冬季白天有日光的时候,灯泡不亮;白天 开启该系统的保温功能,晚上开启该系统的加热功能。
大棚照明调温功能的原理电路图如图 所示。
已知电源电压恒为 220V , R 1和R 2是两个电热丝(不考虑温度对电阻的影响) ,保温 时R 1与R 2的电功率之比为1 : 3, R 2=30 Q, L 是标有“ 220V 100W ”的灯泡。
请解答下列 问题:2. (2019淄博,25)下表为一台饮水机的铭牌,其内部简化电路如图所示,热丝且阻值不变。
R i 和R 2均为电Xx 牌饮水机额定电压22QV 额足功率1000W 保温 22W 加热效率 80%(1) ______________________________ 灯泡正常工作时的电阻多大?(2) ___________________________________ 开启加热功能时开关S2处于 (选填“断开”或/闭合”)状态。
2019年中考物理真题分类汇编——电功率综合计算专题1.(2019东营,23)图甲为新型风暖浴霸,因其安全性能好、发热柔和,深受大家喜爱。
它是利用电动机鼓动空气流动,通过加热元件加热冷空气带动室内升温。
图乙是某型号风暖浴霸的简化电路图,其发热元件是两根阻值不变的电热丝R1、R2.主要参数如下表。
(1)开关均闭合,求浴霸正常工作时的干路电流是多少?(2)正常工作时,求R1的阻值是多少?(3)实际电压为200V时,求R2的实际功率是多少?(4)浴霸正常工作时,使容积为20m3的房间空气温度升高20℃,求室内空气吸收的热量是多少?(ρ空气取1.2kg/m3,c空气取1.0×103J/(kg•℃),不考虑其他因素影响)2.(2019淄博,25)下表为一台饮水机的铭牌,其内部简化电路如图所示,R1和R2均为电热丝且阻值不变。
(1)该饮水机处于加热状态时,正常工作3min,在1标准大气压下能否把0.5kg 的水从20°C加热至沸腾?【c水=4.2×103(kg·℃)】(2)保温功率是指S断开时电路消耗的总功率。
该饮水机正常保温时,R1实际消耗的电功率是多少?3.(2019武威,24)某学校建了一个植物园,园内有一个温室大棚,大棚内设计了模拟日光和自动调温系统,对大棚进行照明、保温和加热。
冬季白天有日光的时候,灯泡不亮;白天开启该系统的保温功能,晚上开启该系统的加热功能。
大棚照明调温功能的原理电路图如图所示。
已知电源电压恒为220V,R1和R2是两个电热丝(不考虑温度对电阻的影响),保温时R1与R2的电功率之比为1∶3,R2=30Ω,L是标有“220V 100W”的灯泡。
请解答下列问题:(1)灯泡正常工作时的电阻多大______?(2)开启加热功能时开关S2处于__________(选填“断开”或/闭合”)状态。
(3)若每天保温状态和加热状态各连续工作10h,—天中电热丝放出的热量完全由该植物园自产的沼气提供,其热效率为50%,则每天需要完全燃烧多少立方米的沼气_______?(已知热值q沼气=1.8×107J/m3)4.(2019兰州,34)如图所示的电路中,电源电压恒定,灯泡L上标有“6V 3W”的字样,R1为定值电阻,滑动变阻器R2上标有“10Ω0.8A”的字样,电流表A的量程为0~3A,电压表V的量程为0~3V,忽略温度对灯丝电阻的影响。
2019年中考物理真题集锦——专题十八:电功率1.(2019广安,27)小蕊同学在学习了电学知识后,观察到生活中的许多电热器都有多个挡位,于是他利用电压恒为10V的电源和两个阻值不同的定值电阻,设计了如图所示的电路来探究电热器的多挡位问题。
已知R1=20Ω、R2=30Ω,请计算:(1)S2闭合,S1、S3断开时,电路中的电流;(2)S3断开,S1、S2闭合时,通电5min电路消耗的电能;(3)该电路的最大功率和最小功率之比。
2.(2019自贡,30)图13是小邦同学设计的调光灯电路,R0为定值电阻,S为选择开关,当S接触a点时,小灯泡正常发光但不能调光,当S接触b点时,电路断开,当S接触c点时,电路可连续调光。
已知滑动变阻器R的规格为“10Ω2A”,灯泡L上标着“10V 12W”的字样,电源电压恒为16V.灯泡电阻随温度变化。
(1)求定值电阻R0的阻值;(2)当S接触c点时,调节R的滑片至中点位置,电路中的电流为1A,求此时灯泡的实际功率。
3.(2019泸州,21)小明家电热水器铭牌标识为“220V 1000W”。
由于使用了多年,该电热水器中的电热丝明显氧化导致其电阻发生了变化,为准确测量氧化电热丝的实际电阻值,小明在家中把该电热水器单独接入220V的家庭电路中工作5min,发现电能表指示灯闪烁了242次,电能表规格如图所示。
问:(1)小明测得该电热水器的实际电功率是多少?(2)该电热水器氧化电热丝的实际电阻值是多少?(3)为恢复该电热水器的铭牌功率,可与氧化电热丝并联一段新的电热丝,则并联的这段电热丝的电阻值为多少?4.(2019宿迁,18)某电器厂设计了一种具有高、中、低温三挡的家用电火锅,该火锅产品铭牌和电路图如图所示:(1)当开关S1断开,S2接a时,该电火锅选用______档工作(选填“高温”、“中温“或“低温”)。
(2)当电火锅使用中温档正常工作时,电路中电流是多大?接入电路的电热丝的阻值是多少?(3)用电火锅高温档在额定电压下烧水7分钟,电流做了多少功?若电热丝产生的热量全部被水吸收,在1个标准大气压下,能使1kg初温为20℃的水升高多少℃(c水=4.2×103J/(kg•℃))?5.(2019黔西南,21)如图所示的电路,电源电压保持不变,R1=30Ω,R2=10Ω.当闭合开关S1、S,断开S2时,电流表的示数为0.4A。
2019年中考物理真题集锦——专题十九:电功率综合计算1.(2019龙东,36)如图甲为家用电热饮水机,图乙为它的电路原理图,下表为它的铭牌数据。
(1)当S1闭合,S2断开时,电热饮水机处于状态(填“加热”或“保温”),此时电路中的电流是多大?(2)饮水机正常工作时,将热水箱中的水从20℃加热到90℃,求:水吸收的热量是多少?(水的比热容4.2×103J/(kg•℃))(3)电热饮水机正常工作时加热效率为80%.求:将热水箱中的水从20℃加热到90℃的时间为多少秒?2.(2019随州,19)随州的冬季不像北方有集中供暖,所以本地居民常选用一些小型电暖器越冬。
如图甲电暖器有“高温、中温、低温”三挡,铭牌见下表(“中温”挡功率空出),其电路原理如图乙,S是自我保护开关,当电暖器倾倒时S自动断开,切断电源保证安全。
当S、S1闭合,S2断开时电暖器为“低温”挡。
(R1>R2)求:(1)R1的阻值;(2)“中温”挡正常工作时电路中的电流;(3)若室内空气质量为50kg,用该电暖器的“高温”挡正常工作10min,放出热量的50%被室内空气吸收,那么可使室内气温升高多少?(假设空气的比热容为1.1×103J/(kg•℃))3.(2019益阳,27) 洞庭湖区域盛产水稻,早稻收获期恰逢长江中下游梅雨季节。
为解决早稻收获后稻谷霉变问题,某科技小组设计了一个稻谷烘干机。
它的电路图如图甲所示,M为电动鼓风机,R为湿敏电阻,其阻值能根据相对湿度(水蒸气含量)的变化而改变,且能满足实际需要。
R0为10Ω的定值发热电阻。
(1)若鼓风机的额定电压为220V,额定功率为440W,鼓风机正常工作的电流为多大?(2)相对湿度在40%~80%范围内时,R的阻值随相对湿度变化的关系如图乙所示。
当相对湿度为70%时,试求发热电阻R0的电功率为多大?4.(2019益阳,25) 为解决某偏远山区的用电困难,利用当地水力资源丰富的特点,扶贫工作队筹措资金为当地建设了一座小型水力发电站,让水坝的水下泄时冲动水轮发电机发电,供当地居民生活所需。
2019年中考物理真题分类汇编——电功率计算专题1.(2019宜宾,18)如图所示电路中,已知电源电压保持不变,小灯泡L的规格为“6V 3W”,滑动变阻器的最大阻值为30Ω,R0为定值电阻。
(1)小灯泡L正常发光时的电流为多少?(2)只闭合开关S1和S2,将变阻器滑片从最左端a向右滑动,当变阻器接入电路的阻值为4Ω时,小灯泡L恰好正常发光,则电源电压是多少?(3)只闭合开关S1和S3,当滑片置于a时,电压表示数为6V,电流表示数为0.2A,此时滑动变阻器消耗的电功率为1.2W,当滑片向右滑动到另外某个位置时,变阻器消耗的电功率仍然为1.2W,试求在这个位置时电流表的示数。
2.(2019枣庄,31)节能减排,绿色环保,新能源汽车成为未来汽车发展的方向。
某种型号纯电动汽车的部分参数如表:假如汽车上只有司机一人,质量为60kg,汽车以60km/h的速度匀速行驶36km,耗电9kW•h,汽车所受的阻力为汽车总重的0.05倍。
g=10N/kg,试问:(1)电动机的工作原理是(选填“电流的磁效应”、“磁场对电流的作用”)电动汽车前进和倒退是通过改变来改变电动机的转动方向的。
(2)电动汽车对水平地面的压强是多少?(3)电动汽车牵引力所做的功是多大?(4)电动汽车电能转化为机械能的效率是多大?3.(2019枣庄,32)如图所示是某款电养生壶及其铭牌的部分参数,当养生壶正常工作时,求:(1)养生壶正常工作的电阻。
(2)若该养生壶的加热效率为80%,在标准大气压下,将初温是12℃的一壶水烧开,需要多长时间?(c水=4.2×103J/(kg•℃),ρ水=1.0×103kg/m3](3)在物理综合实践活动中,小明和小丽同学利用所学习的物理知识,合作测量养生壶的实际功率。
电表上标着“1200r/(kW•h)”,他们把家中的其他用电器都与电源断开,仅让养生壶接入电路中烧水,2min电能表的转盘转了40r,求电养容量生壶的实际功率。
2019年中考物理真题分类汇编——电功率综合计算专题1.(2019东营,23)图甲为新型风暖浴霸,因其安全性能好、发热柔和,深受大家喜爱。
它是利用电动机鼓动空气流动,通过加热元件加热冷空气带动室内升温。
图乙是某型号风暖浴霸的简化电路图,其发热元件是两根阻值不变的电热丝R1、R2.主要参数如下表。
(1)开关均闭合,求浴霸正常工作时的干路电流是多少?(2)正常工作时,求R1的阻值是多少?(3)实际电压为200V时,求R2的实际功率是多少?(4)浴霸正常工作时,使容积为20m3的房间空气温度升高20℃,求室内空气吸收的热量是多少?(ρ取1.2kg/m3,c空气取1.0×103J/(kg•℃),不考虑其他因素影响)空气2.(2019淄博,25)下表为一台饮水机的铭牌,其内部简化电路如图所示,R1和R2均为电热丝且阻值(1)该饮水机处于加热状态时,正常工作3min,在1标准大气压下能否把0.5kg 的水从20°C加热至沸腾?【c水=4.2×103(kg·℃)】(2)保温功率是指S断开时电路消耗的总功率。
该饮水机正常保温时,R1实际消耗的电功率是多少?3.(2019武威,24)某学校建了一个植物园,园内有一个温室大棚,大棚内设计了模拟日光和自动调温系统,对大棚进行照明、保温和加热。
冬季白天有日光的时候,灯泡不亮;白天开启该系统的保温功能,晚上开启该系统的加热功能。
大棚照明调温功能的原理电路图如图所示。
已知电源电压恒为220V,R1和R2是两个电热丝(不考虑温度对电阻的影响),保温时R1与R2的电功率之比为1∶3,R2=30Ω,L 是标有“220V 100W”的灯泡。
请解答下列问题:(1)灯泡正常工作时的电阻多大______?(2)开启加热功能时开关S2处于__________(选填“断开”或/闭合”)状态。
(3)若每天保温状态和加热状态各连续工作10h,—天中电热丝放出热量完全由该植物园自产的沼气提供,其热效率为50%,则每天需要完全燃烧多少立方米的沼气_______?(已知热值q沼气=1.8×4.(2019兰州,34)如图所示的电路中,电源电压恒定,灯泡L上标有“6V 3W”的字样,R1为定值电阻,滑动变阻器R2上标有“10Ω0.8A”的字样,电流表A的量程为0~3A,电压表V的量程为0~3V,忽略温度对灯丝电阻的影响。
2019年中考物理真题集锦——专题十八:电功率1.(2019广安,27)小蕊同学在学习了电学知识后,观察到生活中的许多电热器都有多个挡位,于是他利用电压恒为10V的电源和两个阻值不同的定值电阻,设计了如图所示的电路来探究电热器的多挡位问题。
已知R1=20Ω、R2=30Ω,请计算:(1)S2闭合,S1、S3断开时,电路中的电流;(2)S3断开,S1、S2闭合时,通电5min电路消耗的电能;(3)该电路的最大功率和最小功率之比。
2.(2019自贡,30)图13是小邦同学设计的调光灯电路,R0为定值电阻,S为选择开关,当S接触a点时,小灯泡正常发光但不能调光,当S接触b点时,电路断开,当S接触c点时,电路可连续调光。
已知滑动变阻器R的规格为“10Ω2A”,灯泡L上标着“10V12W”的字样,电源电压恒为16V.灯泡电阻随温度变化。
(1)求定值电阻R0的阻值;(2)当S接触c点时,调节R的滑片至中点位置,电路中的电流为1A,求此时灯泡的实际功率。
3.(2019泸州,21)小明家电热水器铭牌标识为“220V1000W”。
由于使用了多年,该电热水器中的电热丝明显氧化导致其电阻发生了变化,为准确测量氧化电热丝的实际电阻值,小明在家中把该电热水器单独接入220V的家庭电路中工作5min,发现电能表指示灯闪烁了242次,电能表规格如图所示。
问:(1)小明测得该电热水器的实际电功率是多少?(2)该电热水器氧化电热丝的实际电阻值是多少?(3)为恢复该电热水器的铭牌功率,可与氧化电热丝并联一段新的电热丝,则并联的这段电热丝的电阻值为多少?4.(2019宿迁,18)某电器厂设计了一种具有高、中、低温三挡的家用电火锅,该火锅产品铭牌和电路图如图所示:(1)当开关S1断开,S2接a时,该电火锅选用______档工作(选填“高温”、“中温“或“低温”)。
(2)当电火锅使用中温档正常工作时,电路中电流是多大?接入电路的电热丝的阻值是多少?(3)用电火锅高温档在额定电压下烧水7分钟,电流做了多少功?若电热丝产生的热量全部被水吸收,在1个标准大气压下,能使1kg初温为20℃的水升高多少℃(c水=4.2×103J/ (kg?℃))?5.(2019黔西南,21)如图所示的电路,电源电压保持不变,R1=30Ω,R2=10Ω.当闭合开关S1、S,断开S2时,电流表的示数为0.4A。
2019年中考物理试题分类汇编——电功率计算专题1.(2019哈尔滨,51)随着智能化的普及,机器人在人类的生活中扮演着重要的角色.在图书管理领域机器人可以辅助或替代管理员整理图书,表中所列数据是某新型图书智能管理机器人工作的部分技术参数.现在智能机器人以最大负重将图书匀速竖直提升至最大高度,用时5 s. 则此次提升过程中:(l)机器人提升图书速度是多少?(2)机器人对书做功是多少?(3)机器人的电动机工作电流是多少(结果保留两位小数)?电动机做功是多少?2.(2019包头,12)如图所示是某温控装置的简化电路图,工作电路由电压为220V的电源和阻值R=88Ω的电热丝组成;控制电路由电源、电磁铁(线圈电阻R0=20Ω)、开关、滑动变阻器R2(取值范围0~80Ω)和热敏电阻R1组成;R1阻值随温度变化的关系如下表所示,当控制电路电流I≥50mA时,衔铁被吸合切断工作电路;当控制电路电流I≤40mA时,衔铁被释放接通工作电路。
(1)工作电路正常工作时,R在1min内产生的热量是多少?(2)当温度为60℃,滑动变阻器R2=50Ω时,衔铁恰好被吸合,控制电路的电源电压是多少?(3)若控制电路电源电压不变,此装置可控制的温度最大范围是多少?(4)要想要该装置所控制的最高温度降低一些,请分析说明如何改变R2的阻值。
3.(2019杭州,15)如图是一电动机提升物体的示意图。
电源电压为120伏,电动机将一个质量为50千克的物体1秒内匀速上提0.9米,电路中的电流为5安培。
(g取10牛/千克)(1)求该电动机工作1秒钟所产生的电热。
(2)求电动机线圈阻值。
(3)当该重物上升到一定高度时,电动机的转子突然破卡住,为什么这种情况下电动机容易烧坏?4..(2019上海,22)在图8 所示的电路中,电源电压为12 伏且保持不变,电阻R1的阻值为10欧, 滑动变阻器R2上标有“1A”字样。
电键S 闭合后,电压表V 的示数为5 伏。
求:①通过电阻R1的电流I1②电路正常工作10 秒后,电流通过电阻R1做的功W1③移动滑动变阻器的滑片P,电源电压和电压表示数的比值最大为3,求电压表示数的最大值和最小值的差值。
5.(2019德州,27)如图(a)所示电路,电源电压保持不变。
小灯泡L标有“4V0.5A”字样,电流表量程0~0.6A,电压表量程0~3V,滑动变阻器R1的最大阻值20Ω.只闭合开关S、S1,调节滑动变阻器滑片P,得到电流表与电压表示数关系如图(b)所示。
求:(1)小灯泡的额定功率;(2)电源电压及定值电阻R2的阻值;(3)只闭合开关S和S2,移动滑动变阻器的滑片P,小灯泡L的I﹣U图象如图(c)所示,在保证各元件安全工作的情况下,滑动变阻器R1允许的取值范围。
6.(2019烟台,27)某家用电热水器,其工作模式和相关参数如下表。
如图为电热水器的原理图,包括工作电路和控制电路两部分,通过电磁继电器自动控制电热水器实现加热状态和保温状态的档位变换。
R 0、R 1为电热丝,R 2为滑动变阻器,R 为热敏电阻(置于电热水器内),其阻值随温度的升高而减小。
红灯、绿灯是电热水器工作时的指示灯,忽略指示灯对电路的影响。
(1)分析说明当绿灯亮时,电热水器处于保温状态还是加热状态?(2)工作时,若要提高电热水器的保温温度,如何调节保护电阻R 2的滑片?(3)R 1工作时的电阻是多大?(4)电热水器处于加热状态时,工作4.2min ,可使1L 水的温度升高40℃。
则该电热水器的效率是多少?[。
计算结果保留一位小数]()34.210/c J kg =⨯⋅水℃7.(2019聊城,)如图所示,电源电压恒为12V ,小灯泡上标有“6V 3.6W “字样且灯丝电阻保持不变,当只闭合S 、S 1时,小灯泡正常发光;当所有开关都闭合,滑动变阻器的滑片滑到最右端时,电流表A 的示数是1.8A .求:(1)定值电阻R1的阻值;(2)滑动变阻器R2的最大阻值;(3)小灯泡通电时消耗的最小电功率。
8.(2019威海,27)火锅是人们比较喜欢的一种饮食方式,如图为小明家使用的一款电火锅工作电路的原理图。
它有高、中、低三个加热档位,旋钮开关可以分别置于“0和1“、“1和2”、“2和3”或“3和4”接线柱。
正常工作时,低温档功率为高温档功率的,R1为242Ω,R2为60.5Ω.(忽略温度对电阻的影响)(1)请指出开关置于什么接线柱时,火锅处于低温档?(2)R3的阻值是多少欧姆?电火锅处于低温档正常工作时,在1分钟内产生的热量是多少焦耳?(3)小明关闭家中的其他用电器,只让电火锅独立工作,用高温档加热汤液2分钟,电能表的表盘转了81转。
请通过计算判断此时电火锅是否正常工作?[电能表的铭牌上标有3000r/(kW•h)]9.(2019潍坊,26)在如图所示电路中,小灯泡R1标有“4V1.6W”字样,定值电阻R2=20Ω,滑动变阻器R3允许通过的最大电流为1A,电流表A1的量程为0~0.6A,电流表A2的量程为0~3A,电压表的量程为0~3V,电源电压和小灯泡的阻值均保持不变。
只闭合开关S2时,电压表的示数为2V;将滑动变阻器滑片滑到最左端,闭合所有开关,此时电流表A2示数为0.5A.求:(1)电源电压;(2)滑动变阻器R3的最大阻值;(3)只闭合开关S3,在电路安全的情况下,小灯泡电功率的变化范围。
10.(2019海南,23)小明根据如图甲所示的电路组装成调光灯,并进行测试。
电源电压保持不变,小灯泡的额定电压是6V,小灯泡的I-U图像如图乙所示。
求:(1)小灯泡正常发光时的电阻。
(2)小灯泡正常发光10min消耗的电能。
(3)经测算,小灯泡正常发光时的功率占电路总功率50%,如果把灯光调暗,使小灯泡两端电压为3V,小灯泡的实际功率占电路总功率的百分比是多少?(4)小明认为这个调光灯使用时,小灯泡的功率占电路总功率的百分比太低,请写出一种出现这种情况的原因。
11.(2019呼和浩特18,)如图所示,灯泡上标有“9V 5.4W”的字样(假设灯丝电阻不变),只闭合S1,当滑动变阻器滑动到某处时,电流表A2读数为0.2A.电压表V读数为9V;两个开关全部闭合,滑动变阻器滑动到最左端时,灯泡恰好正常发光,电流表A2读数为1.0.A,则(1)只闭合S1,电流表A2读数为0.2A时,滑动变阻器接人电路的电阻值;(2)电阻R1的电阻值;(3)滑动变阻器从左向右滑动过程中,滑动变阻器的最大功率。
12.(2019赤峰,23)同学们发现电饭锅、电高压锅等用电器的功率都是可以调节的。
于是,他们利用实验室中的器材,设计了一个功率可以调节的电路(如图所示)来模拟上述电器的工作状况。
已知R1=10Ὡ,学生电源提供的电压为12V且保持不变R1、R2电阻保持不变。
(1)开关S1闭合且开关S2接a时,电路的总功率为21.6W。
①此时R1与R2 联;②求:电路中总电流和R2阻值(2)开关S1断开且开关S2接b时,求:10s时间内电流通过整个电路做的功。
13.(2019昆明,25)如图所示电路,电源电压保持不变,滑动变阻器R′的最大阻值为30Ω,小灯泡L上标有“2.5W”字样(忽略温度对灯泡电阻的影响)。
(1)滑片移至最右端,闭合开关后,电流表的示数为0.3A,小灯泡的功率为0.9W,求电源电压。
(2)将滑片移至某一位罝时,电压表的示数为7V,此时小灯泡正常发光,求小灯泡正常发光时的电流和电路的总功率。
(3)若把小灯泡换成一个定值电阻R,假设电流流过电阻R产生的热量为Q、转化的电能为E、做的功为W,请写出这三个物理量的大小关系。
14.(2019江西,22)如图所示,是小姬妈妈为宝宝准备的暖奶器及其内部电路的结构示意图和铭牌,暖奶器具有加热、保温双重功能,当双触点开关连接触点1和2时为关闭状态,连接触点2和3时为保温状态,连接触点3和4时为加热状态(温馨提示:最适合宝宝饮用℃的牛奶温度为40)(1)求电阻R2的阻值;℃℃℃(2)把400g牛奶从20加热到40,求牛奶所吸收的热量【c牛奶=4.0×103J/(kg·)】(3)如图所示,是暖奶器正常加热和保温过程中温度随时间变化的图象,求暖奶器在加过程中的热效率.(结果保留到小数点后一位)15.(2019重庆A卷,19)如图所示,电源电压恒定,电阻R1为20,R2为10Ω,闭合开关S,电流表A1、A2的示数分别为0.9A和0.6A。
求:(1)通过R1的电流;(2)通电10秒电阻R2产生的电热。
16.(2019重庆B卷,20)如图所示,定值电阻R1的阻值为10Ὠ,R2的阻值为30Ὠ,闭合开关后电流表的示数为0.1 A。
求:(1)电源电压;(2)电限R1在1分钟内产生的热量。
17.(2019重庆B卷,22)特高压技术可以减小输电过程中电能的损失。
某发电站输送的电功率为1.1×105 kW ,输电电压为1100 kV,经变压器降至220V供家庭用户使用。
小明家中有一个标有“220 V 2200 w"的即热式水龙头,其电阻为R0,他发现冬天使用时水温较低,春秋两季水温较高,于是他增加两个相同的发热电阻R和两个指示灯(指示灯电阻不计)改装了电路,如图所示.开关S1,可以同时与a .b相连或只与c相连.使其有高温和低温两档。
求:(1)通过特高压输电线的电流;(2)改装前,若水龙头的热效率为90%,正常加热1分钟提供的热量;(3)改装后,水龙头正常工作时高温档与低温档电功率之比为4:1,请计算出高温档时的电功率。
2019年中考物理试题分类汇编——电功率计算专题答案1.(2019哈尔滨,51)随着智能化的普及,机器人在人类的生活中扮演着重要的角色.在图书管理领域机器人可以辅助或替代管理员整理图书,表中所列数据是某新型图书智能管理机器人工作的部分技术参数.现在智能机器人以最大负重将图书匀速竖直提升至最大高度,用时5 s. 则此次提升过程中:(l)机器人提升图书速度是多少?(2)机器人对书做功是多少?(3)机器人的电动机工作电流是多少(结果保留两位小数)?电动机做功是多少?2.(2019包头,12)如图所示是某温控装置的简化电路图,工作电路由电压为220V的电源和阻值R=88Ω的电热丝组成;控制电路由电源、电磁铁(线圈电阻R0=20Ω)、开关、滑动变阻器R2(取值范围0~80Ω)和热敏电阻R1组成;R1阻值随温度变化的关系如下表所示,当控制电路电流I≥50mA时,衔铁被吸合切断工作电路;当控制电路电流I≤40mA 时,衔铁被释放接通工作电路。
(1)工作电路正常工作时,R 在1min 内产生的热量是多少?(2)当温度为60℃,滑动变阻器R2=50Ω时,衔铁恰好被吸合,控制电路的电源电压是多少?(3)若控制电路电源电压不变,此装置可控制的温度最大范围是多少?(4)要想要该装置所控制的最高温度降低一些,请分析说明如何改变R2的阻值。