设备返厂维修记录表
- 格式:doc
- 大小:76.00 KB
- 文档页数:3
1.目的为了加强对出厂及返厂物资的管理,规范物流采购物资的出厂、返厂手续,特制订本制度。
2.范围适用于XX重工制造有限公司内物流管理部采购物资出门、返厂等活动的管控。
3.定义与说明3.1.返厂物资:指物流管理部采购或外协物资因不合格导致需进行换货、退货、维修、加工等情况。
包括以下几种情况:A.外购/外协物资入厂但未办理入库手续,经品质检验员检验质量不合格需办理出厂手续;B.外购/外协物资已入库后,出现质量问题需要办理出厂手续。
C.将已入库材料运至外协厂加工的办理出厂手续。
3.2.申办人员:指需申请办理物资出厂的直接部门人员,如物流管理部仓库人员或制造部车间人员等。
4.职责4.1.物流管理部4.1.1.物流管理部采购员负责办理物流采购物资的出厂、返厂手续,并跟催待返厂的物资;4.1.2.物流管理部仓储管理员负责对入库数量进行清点核实,并对仓库内需出厂、返厂物资的信息在U8供应链系统中进行登记,跟踪相关物资返厂情况;4.1.3.物流管理部采购员需对返厂物资进行核定,并将返厂物资报检。
4.2.制造部4.2.1.制造部设备动力室负责办理设备及备件的出厂、返厂手续,并建立返厂设备清单。
4.3.风险管理总部4.3.1.风险管理总部经警需在《物资出门审批单》签名确认,并对出厂物资实物与审批单进行核实,并将《物资出门审批单》留存。
4.3.2.风险管理总部不定期对物资出门情况进行抽查,并对制度的执行情况进行落实。
4.4.财务管理部4.4.1.财务管理部负责定期(每月)核查U8系统和账务记录,对异常情况进行反馈和预警,对造成经济损失的反馈给营运管理部。
4.5.营运管理部营运管理部对未返厂的物资和未落实的情况进行核查,对造成经济损失或工时损失的进行考核。
5.内容与要求5.1.物资出门审批:需带物资出门单位填写《物资出门审批单》,经部门主管审核后,由部门领导批准。
《物资出门审批单》一式三联:一联交财务,一联交经警,一联经办部门留底。
弱电系统保护维修记录表企业名称: ____________________保护负责人: __________________系统保护、维修平时记录单日期:年月日编号:客户名称客户联系人项目名称联系电话保护、维修人联系电话员保修期内□过保修期□人为破坏□不行蒙受力破坏□其维修性质他状况□设施、点位名故障现象故障原由解决方案称第一联:客报修时间:年月日达成时间:年月日维工作态度:特别满意□满意□基本满意□不满意□修工作效率:特别满意□满意□基本满意□不满意□、故障解决状况及建议:维护结果客户负责人:年月日取走设施取回返厂确认署名 /设施数目日期接收设施返厂达成确认署名 /设施数目日期注: 1、本表由保护负责人填写,为提高售后服务效率,提高售后服务质量,需客户署名确认的,请赐予支持。
2、本表一式两份,客户一份,保护单位一份。
系统保护、维修平时记录单日期:年月日编号:客户名称客户联系人项目名称联系电话保护、维修人联系电话员保修期内□过保修期□人为破坏□不行蒙受力破坏□其维修性质他状况□设施、点位名故障现象故障原由解决方案称第二联:公报修时间:年月日达成时间:年月日维工作态度:特别满意□满意□基本满意□不满意□修工作效率:特别满意□满意□基本满意□不满意□、故障解决状况及建议:维护结果客户负责人:年月日取走设施取回返厂确认署名 /设施数目日期接收设施返厂达成确认署名 /设施数目日期注: 1、本表由保护负责人填写,为提高售后服务效率,提高售后服务质量,需客户署名确认的,请赐予支持。
2、本表一式两份,客户一份,保护单位一份。
产品返厂维修管理制度一、概述产品返厂维修管理制度是为了规范公司的返修流程,提高返修效率、降低维修成本,保证产品质量的关键制度。
本制度适用于所有需要返厂维修的产品。
二、返厂维修申请1、附件:返厂维修申请单2、客户填写返厂维修申请单,并提供产品购买日期、返修原因、故障情况、联系人、电话等信息。
3、客户将返厂维修申请单一并寄回厂家。
三、产品返厂维修流程1、收到客户返厂维修申请单后,售后服务专员将对申请单进行初步审核,确定产品是否符合返修条件。
2、如属可维修产品,售后服务专员将联系客户提供更详细的故障问题证明。
3、售后服务专员进行维修评估,如属无法现场维修的产品,售后服务部门将尽快协调售后工程师进行返厂维修。
4、售后服务部门安排对返厂维修产品进行清洗、检测和更换故障零部件。
5、返厂维修完成后,售后服务专员将通知客户返还产品,并提供保修期限以及产品的保养教育等。
四、返厂维修记录管理1、售后服务专员必须将每一次返厂维修的记录详细记录下来,包括产品型号、故障情况、维修周期等,制作成维修记录表。
2、售后服务部门进行定期审核返厂维修记录表,并对维修过程中存在的问题进行复盘,以期不断完善返厂维修流程。
五、根据客户需求交换产品的管理1、如果客户对产品不满意,并要求进行换货时,售后服务部门将严格按照换货要求来处理,对客户输入的所有需求予以认真处理。
2、如果售后服务部门无法满足客户的需求,需要将问题上报至公司管理层,由公司领导进行决策,并向客户提供解决方案。
六、售后服务投诉处理流程1、客户对售后服务流程或者售后服务质量不满意时可以进行投诉。
2、售后服务专员必须及时记录客户的投诉详情,并向客户表达歉意。
3、售后服务部门将会对客户的投诉进行调查,争取在最短时间内提供最佳解决方案。
4、售后服务部门将对投诉进行分类汇总,统计售后服务表现及不足,通过不断改进提升服务质量。
七、其他1、如客户在返厂维修期间要求更换产品相关配件时,需要提供明确的需求和相关文件。
菏泽学院机电工程学院实验实训设备维修保养方案根据机电工程学院实验实训设备实际损耗情况,确定维修设备数量及维修项目,维修设备67台(套),预计维修维护经费265000.00元一、普通机床、实验台维修保养附录1:二级维护标准:对设备进行部分解体检查和修理,更换或修复磨损件,清洗、换油,检查修理电器部分,使设备技术状况(包括精度)全面达到设备完好标准的要求。
主要完成以下方面内容:1、完成一保作业的全部内容。
2、全部清洗各润滑部位,更换液压油、润滑油。
3、检查设备的主要精度与技术性能状况,调整安装水平。
4、修复或更换必要的磨损另件;局部刮研必要的磨损部位。
5、测绘无图的关键零件,为下次维修作好准备。
6、检查修理电器部分7、排除作业中发现设备存在的重大故障隐患,确保设备达到完好标准的要求。
8、对二保作业进行自检;如实填报“仪器设备保养维修记录表”和“设备精度或性能检查记录表”。
9、二保作业后设备应达到的标准:(1)达到一保的的标准。
(2)主要精度和性能应达到技术工艺要求。
(3)确保设备达到完好标准的要求。
二、数控加工中心维护维修附录2:数控加工中心维修项目清单维修要求:1、完成一保作业的全部内容。
2、全部清洗各润滑部位,更换液压油、润滑油。
3、检查设备的主要精度与技术性能状况,调整安装水平。
4、修复或更换必要的磨损另件;局部刮研必要的磨损部位。
5、排除作业中发现设备存在的重大故障隐患,确保设备达到完好标准的要求。
6、对维修作业进行自检;如实填报“仪器设备保养维修记录表”和“设备精度或性能检查记录表”。
7、维修后设备应达到的标准:(1)主要精度和性能应达到技术工艺要求。
(2)确保设备达到完好标准的要求。
移动设备售后维护计划1. 背景移动设备在现代社会中扮演着重要的角色,人们越来越依赖手机、平板电脑等设备进行工作和日常生活。
然而,这些设备在长时间使用后可能会出现各种问题,需要进行售后维护以确保其正常运行。
2. 目标本计划的目标是建立一套高效的移动设备售后维护流程,以提供快速、可靠的维修服务,以满足用户的需求和期望。
3. 售后服务流程3.1 报修申请用户在设备出现问题时,可以通过以下渠道提交报修申请:- 在线提交:用户可以访问我们的官方网站,在售后服务页面填写报修申请表格,并提供必要的设备信息和问题描述。
- 电话联系:我们将提供售后服务热线,用户可以拨打该电话并向客服人员描述问题以提交报修申请。
3.2 问题诊断一旦收到报修申请,我们的售后团队将进行问题诊断以确定设备的具体问题。
诊断可能包括以下步骤:- 远程诊断:通过远程访问用户的设备,我们可以尝试诊断问题并提供解决方案。
- 用户描述分析:根据用户提供的问题描述,我们的售后团队将分析可能的问题原因,并提供初步解决方案。
3.3 维修方案根据问题诊断的结果,我们将为用户提供相应的维修方案。
维修方案可能包括以下选项:- 返厂维修:对于较为复杂的问题,我们可能需要将设备送回生产厂家进行维修。
- 现场维修:对于一些简单的问题,我们的售后团队可以直接在用户处进行维修。
- 零部件更换:如果设备需要更换某些零部件才能正常运行,我们将提供相应的更换服务。
3.4 维修执行一旦用户接受了维修方案,我们将尽快安排维修工作的执行。
维修执行可能包括以下步骤:- 维修预约:我们将与用户协商维修时间,并确保维修团队按时到达。
- 维修操作:根据维修方案,我们的售后团队将进行相应的维修工作,以解决设备问题。
- 维修记录:我们将详细记录维修过程,并向用户提供相应的维修报告。
3.5 维修反馈维修完成后,我们将与用户进行维修反馈,以确保用户满意度和维修质量。
维修反馈可能包括以下内容:- 维修报告解释:我们将向用户解释维修报告中的维修过程和结果。
监控系统售后服务承诺书监控系统售后服务承诺书一.售后服务承诺我们郑重承诺,在本合同项下,对所提供的监控系统及相关设备,将提供以下售后服务:1. 安装调试服务:我们将派遣专业技术人员上门进行设备的安装、调试和系统的测试,确保各项功能正常运行。
在确认安装完成之后,我们将向客户提供一份安装调试报告,其中包括设备安装位置、调试过程和测试结果等详细信息。
2. 售后维修服务:在系统设备正常使用期间,如果出现设备故障或损坏,我们将提供免费的维修服务。
客户可通过方式、或在线服务平台联系我们的售后技术支持团队,并提供详细的故障描述。
我们将尽快响应并派遣专业技术人员进行现场维修或对故障设备进行返厂维修。
3. 远程技术支持服务:我们将提供远程技术支持服务,即通过方式、远程控制等方式协助客户解决系统使用中的问题。
客户可随时联系我们的技术支持团队,我们将尽力提供及时、有效的。
4. 系统升级与优化服务:针对客户的实际需求,我们将不断进行监控系统的升级与优化,以提升系统的性能和功能。
在升级过程中,我们将确保系统的稳定性,尽量减少对客户正常使用的影响。
5. 售后培训服务:在系统交付使用之前,我们将为客户提供相关的操作培训,以客户熟悉系统的使用方法和注意事项。
如有需要,客户还可随时连系我们进行进一步的培训。
6. 售后保修期限:针对所提供的监控系统及相关设备,我们承诺提供一年的免费保修服务。
保修期间,我们将负责修复故障设备,并承担相应的维修费用。
若设备需要更换零部件,我们将提供免费的零部件更换服务。
二.附件本文所涉及的附件如下:1. 安装调试报告:包括设备安装位置、调试过程和测试结果等详细信息。
2. 维修记录表:记录设备维修的时间、地点、故障原因和维修措施等相关信息。
3. 培训资料:详细介绍系统的操作方法和注意事项的培训资料。
三.法律名词及注释本文所涉及的法律名词及注释如下:1. 监控系统:指由摄像机、录像机等组成的用于监视和录制特定区域活动的设备和系统。
产品返厂维修单范文通用18篇(经典版)编制人:__________________审核人:__________________审批人:__________________编制单位:__________________编制时间:____年____月____日序言下载提示:该文档是本店铺精心编制而成的,希望大家下载后,能够帮助大家解决实际问题。
文档下载后可定制修改,请根据实际需要进行调整和使用,谢谢!并且,本店铺为大家提供各种类型的经典范文,如工作总结、工作计划、合同协议、条据文书、策划方案、句子大全、作文大全、诗词歌赋、教案资料、其他范文等等,想了解不同范文格式和写法,敬请关注!Download tips: This document is carefully compiled by this editor. I hope that after you download it, it can help you solve practical problems. The document can be customized and modified after downloading, please adjust and use it according to actual needs, thank you!Moreover, our store provides various types of classic sample essays for everyone, such as work summaries, work plans, contract agreements, doctrinal documents, planning plans, complete sentences, complete compositions, poems, songs, teaching materials, and other sample essays. If you want to learn about different sample formats and writing methods, please stay tuned!产品返厂维修单范文通用18篇产品返厂维修单范文第一篇售后服务工作作为产品售出后的一种服务,而这种服务关系到公司的产品后续的维护和改善,也是增强与客户之间交流的一个重要平台。
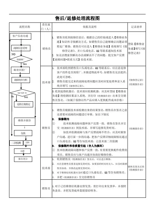
产品返厂维修管理制度第一章总则第一条为进一步加强产品返厂维修过程管理,确保现场故障产品按照规定流程在公司内实施维修、处置与管理,特制定本制度.第二条本制度对公司生产的产品返厂方式、维修过程及管理工作流程作出规定.第三条本制度所称电子产品返厂维修系指公司生产的产品在现场应用或现场开通过程中因发生现场无法解决的故障而需要返回公司进行检验并修复的一种维修方式.第四条产品返厂维修由公司售后服务部统一归口管理.第五条产品返厂维修工作纳公司“资产质量损失责任追究、管理工作失职行为”考核范畴,考核职能由售后服务部按公司相关规定履行.第二章产品返厂方式第六条需返厂维修的产品以下简称维修产品,其返厂方式通常为如下两种形式:1、公司生产的产品在现场应用或现场开通过程中发生故障,由公司相关部门或使用单位工作人员带回公司;2、公司生产的产品在现场应用或现场使用过程中发生故障,由公司相关部门或使用单位工作人员邮寄回公司.第三章过程控制及管理第七条维修产品自厂外至厂内的所有环节,经手人必须严格履行交接签字手续.第八条实物及信息传递过程控制及管理1、维修产品由公司相关部门现场接收开通人员带回公司时,现场接收开通人员应按照产品现场质量问题信息传递表的规定格式对“厂外信息”部分进行记录和描述.现场接收开通人员回厂后应在两个工作日内将维修产品连同信息传递表一并移交售后服务部并履行交接签字手续.2、维修产品由公司相关部门工作人员自现场以邮寄方式返回公司时,其信息传递表“厂外信息”部分由负责现场故障处理的公司相关人员填写,并随产品一并邮寄回公司.3、维修产品由使用单位或研制单位工作人员自现场带回公司、或以邮寄方式返回公司的,其信息传递表“厂外信息”部分由售后服务部详询后填写.4、维修产品的相关信息记录须完整,问题及故障情况描述内容可加附件须翔实、准确、全面,涉及维修产品的信息内容应尽可能查实,特殊情况无法查实的应对过程进行记录和描述,尽量避免以“不详”等类似字样进行简单描述.5、售后服务部接收维修产品后,按照产品返厂维修登记表对产品进行汇总登记,按规定区域集中管理.6、任何情况下,公司现场接收人员或厂公司内收货单位不得将维修产品在未经售后服务部统一接收的情况下直接送交维修部门实施维修.第九条返厂维修计划的编制与下达维修产品维修计划由售后服务部负责编制,经生产处部会签后下达至相关部门.在会签过程中如需变更计划,生产处应以书面形式及时将变更计划信息反馈至售后服务部.第十条维修与检验过程控制及管理1、维修计划经生产处下达后,售后服务部即按照实际下达计划所列产品类型及数量将维修产品及对应的信息传递表一并送交维修部门.维修部门依计划内容进行接收,同时办理交接签字手续.2、维修部门接收维修产品后应及时组织维修人员对故障现象进行问题确认和原因分析并开始实施维修.维修过程应按信息传递表“厂内信息”格式形成完整记录.3、维修部门在维修产品修复后,应及时将修复后产品及信息传递表一并移交质检部实施功能检验.4、维修部门在维修产品修复过程中如发现产品损坏严重,无法修复或无修复必要时,应将维修产品退回技术服务处,由技术服务处根据产品保修期限进行处理.当维修产品处于保修期内且需要返还用户的,由售后服务部按工厂报废程序进行报废和处置并为用户调换相应产品;由于用户自身原因造成器材无法修复的,直接退还给用户;当维修产品超过保修期时,技术服务处直接将产品实物返还用户,并通过必要的沟通进行解释和说明.保修期内产品经两次返厂维修后仍无法排除故障时,由技术服务处按照公司报废程序进行报废和处置,需要返还用户的,由售后服务部为其调换相应产品.经两次返厂维修无法查出故障原因即两次返修都测试无故障的产品,不再返给用户,由售后服务部为其调换相应产品如用户要求必须同时返还维修产品的,技术服务处视情况向用户收取相应的费用.测试无故障的维修产品经开发部技术认定后,由售后服务部按照公司报废程序进行报废和处置,产品较新、出厂时间较短的,由售后服务部报废后提供给开发部用于产品研发分析和实验.5、质检部在维修产品修复后应及时进行功能检验,检验过程应按信息传递表格式形成完整记录,并将月汇总结果交质检部.6、为便于公司及时掌握产品本身存在的质量问题或缺陷,确保产品可靠性得到及时、持续改进,质检部对返厂维修过程中所反应出的因产品本身质量问题元器件质量、设计及工艺缺陷、生产过程控制等导致的现场应用故障,应定期总结、归集,并以月度为周期形成返厂维修产品质量问题分析报告,传递至公司相关领导及开发部,供其进行具体的质量分析、研究和改进.7、维修产品修复后经检验合格,由质检部加盖或粘贴维修合格标识,并将合格品随信息传递表及时移交售后服务部,同时办理交接签字手续.8、信息传递表随产品流转完成后,由质检部负责将原件存档.9、维修产品修复后需返还用户的,技术服务处应及时安排将其交付用户;无需返还用户的,售后服务部作为维修备品登记并实行区域集中管理.第十一条返厂维修紧急处置原则1、现场产品发生故障来不及返厂维修而用户又急需时,允许用维修备品系指经修复后的维修产品,下同代替.现场服务人员应按照维修备品现场使用情况记录表对备品使用情况进行记录,同时及时索取维修产品并随信息传递表一并返厂.维修产品返厂后经返厂维修工作流程修复后作为维修备品实行区域集中管理.对于部分生产日期较短、价值较高、数量较大且在技服维修中极少应用的维修产品,经返厂维修后,售后服务部可按规定流程办理退库.2、现场产品发生故障来不及返厂维修且现场无维修备品替代时,由售后服务部下达投产计划、生产部统一安排紧急生产.生产实现过程应形成相应的产品档案记录.第十二条维修产品储存及管理1、维修产品在修复前及修复后一律实行区域化集中定置管理.2、售后服务部对产品储存定置管理区域,应严格界定“待维修产品区”、“修复待返产品区维修产品修复后返还用户”、“维修备品储存区”、和“报废品处置区”的区域划分,且标识明显、清晰,并分别按定置区域建立管理台帐.3、产品储存区域环境应满足产品技术要求.各类产品应按定置区域放置,不得混放.产品出、入区域应严格执行管理规定由售后服务部负责制定.4、为及时满足用户需求,真实反映和分析公司产品在现场应用中的当期质量状况,售后服务部接收维修产品后应及时编制计划安排维修,常规维修产品在工厂的全过程返厂维修周期最多不得超过两周.对于用户有特殊时间要求的情况,售后服务部应安排并督促维修进程.技术服务处在日常管理工作中须杜绝维修产品长期累积存放、一次性集中维修处置的情况发生.相关单位在接到维修产品任务时,须及时安排,确保维修周期.第四章附则第十四条本办法未尽事宜在实际工作中逐步完善.第十五条本办法由售后服务部负责解释,修订亦同.第十六条本办法自印发之日起生效执行.。
系统保护、维修平时记录单日期:年月日编号:客户名称项目名称
客户联系
联系电话
人
维修人员联系电话
保修期内□ 过保修期□ 人为破坏
□ 不行蒙受力破坏□维修性质
其余状况□
设施、点
故障现象故障原由解决方案位名称
报修时间年月日达成时间年维
月日
修
工作态度特别满意□满意□基本满意□、不满意□
维工作效率特别满意□满意□基本满意□不满意□
护
故障解决状况及建议:
结
果
取回返厂设施数目
返厂达成设施数目
客户负责人:年月日
取走设施
确认署名 /
日期
接收设施
确认署名 /
日期
注: 1、本表由保护负责人填写,为提高售后服务效率,提高售后服务质量,需客户署名确认的,请赐予支持。
2、本表一式两份,客户一份,保护单位一份。
合同保修服务和维修方式1. 定义和解释1.1 合同保修服务合同保修服务是指卖方在货物或服务交付给买方后,按照合同约定的一定期限内,对货物或服务存在的质量问题提供免费维修、更换部件或重新提供的服务。
1.2 维修方式维修方式包括现场维修、返厂维修和远程维修等方式。
2. 保修服务内容2.1 保修范围卖方提供的保修服务范围包括但不限于以下内容:•货物或服务的功能性故障;•货物或服务的非人为损坏;•货物或服务的零部件更换。
2.2 保修期限保修期限自货物或服务交付给买方之日起计算,具体期限如下:•硬件设备:1年;•软件服务:6个月;•其他配件:3个月。
3. 维修服务流程3.1 维修申请买方在保修期内发现货物或服务存在质量问题,应立即向卖方提出维修申请,并提供必要的证明材料。
3.2 维修评估卖方在收到维修申请后,将在3个工作日内对申请进行评估,并根据评估结果确定维修方式。
3.3 维修实施卖方将根据确定的维修方式,为买方提供维修服务。
维修时间如下:•现场维修:3个工作日内完成;•返厂维修:5个工作日内完成;•远程维修:1个工作日内完成。
3.4 维修结果反馈卖方在维修完成后,将向买方反馈维修结果,并确保货物或服务恢复正常使用。
4. 维修配件和费用4.1 维修配件卖方在为买方提供维修服务时,将使用原厂配件或经过认证的配件。
4.2 维修费用在保修期内,卖方提供免费维修服务。
保修期外,维修费用如下:•现场维修:xx元/小时;•返厂维修:xx元/件;•远程维修:xx元/次。
5. 特殊说明5.1 人为损坏由于买方的人为操作不当导致的货物或服务损坏,不在保修服务范围内。
5.2 不可抗力由于不可抗力因素导致的货物或服务损坏,不在保修服务范围内。
6. 法律适用和争议解决本合同的签订、履行、解释及争议解决均适用中华人民共和国法律。
如发生争议,双方应友好协商解决;协商不成的,可以向有管辖权的人民法院起诉。
7. 其他条款本合同未尽事宜,双方可另行协商补充。