表 餐饮服务日常监督检查要点表
- 格式:docx
- 大小:16.21 KB
- 文档页数:4
附件1食品生产经营日常监督检查要点表告知页被检查单位:地址:检查人员及执法证件名称、编号:1. 2.检查时间:年月日检查地点:告知事项:我们是监督检查人员,现出示执法证件。
我们依法对你(单位)进行日常监督检查,请予配合。
依照法律规定,监督检查人员少于两人或者所出示的执法证件与其身份不符的,你(单位)有权拒绝检查;对于监督检查人员有下列情形之一的,你(单位)有权申请回避:(1)系当事人或当事人的近亲属;(2)与本人或本人近亲属有利害关系;(3)与当事人有其他关系,可能影响公正执法的。
问:你(单位)是否申请回避?答:被检查单位签字:检查人员签字:年月日年月日表1-1食品生产日常监督检查要点表食品通用检查项目:重点项(*)21项,一般项30项,共51项。
食品添加剂通用检查项目:重点项(*)19项,一般项31项,共50项。
说明:1.上表中打*号的为重点项,其他为一般项。
2.每次检查抽查重点项不少于10个,总检查项目不少于20个。
3.上表中除1.7、3.4、3.5、3.6项以及2.1项中关于“食品相关产品”的检查部分,其他项目均适用于食品添加剂生产者。
4.对食品添加剂生产者每次检查,还需检查第9项,对食品生产者的检查不需检查第9项。
5.如果检查项目存在合理缺项,该项无需勾选“是或否”,并在备注中说明,不计入不符合项数。
表1-2食品销售日常监督检查要点表食品通用检查项目:重点项(*)12项,一般项22项,共34项。
特殊场所和特殊食品检查项目:共19项。
场所和特殊食品检查项目,不区分重点项和一般项,应逐项检查。
2.检查过程中,被检查的经营者不涉及的项目,可视为合理缺项并在“备注”栏标注为不适用。
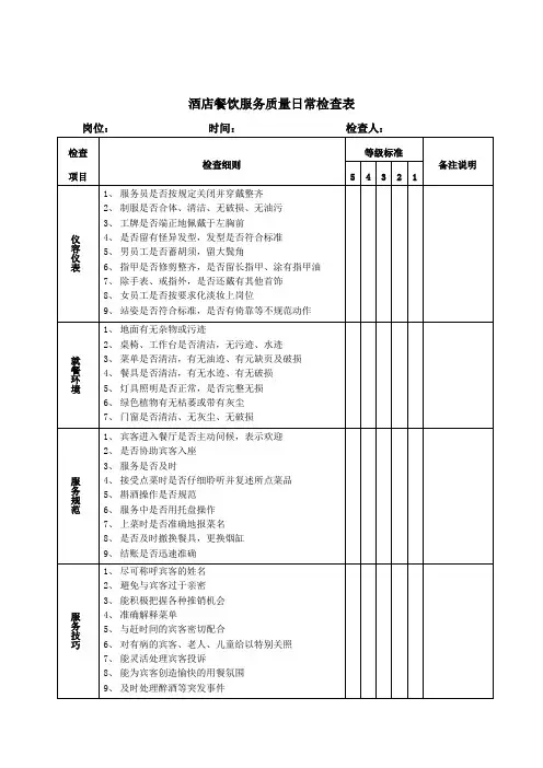
表1-3餐饮服务日常监督检查要点表重点项(*)7项,一般项23项,共30项说明:1.表中*号项目为重点项,其他项目为一般项。
每次检查的重点项应不少于3项,一般项应不少于7项。
2.检查结果判定方法:①符合:未发现检查的重点项和一般项存在问题;②基本符合:发现检查的重点项存在1项及以下不合格且70%≤一般项合格率<100%;③不符合:发现检查的重点项存在2项及以上不合格,或一般项合格率<70%。
餐饮服务日常监督检查要点表Table 1-3: XXX Catering Services。
with 7 important items and 23 general items。
totaling 30 items.n Items:I。
License Management1.Food business license is legal and valid。
and the operating n。
business type。
and business items are consistent with the food business license.2.The food business XXX.II。
n Disclosure3.The time and n of the n and XXX.4.The level of XXX.5.(XXX)III。
System Management6.Establish food safety management systems for employee health management。
n of food safety。
n of purchased goods。
and food recall.7.Develop a food safety accident response plan.XXX Management8.The main responsible person is aware of food safety responsibilities and has food safety management personnel.9.XXX.10.Employees have records of food safety training.11.XXX。
clean their hands。
and maintain personal XXX.12.The food business n is kept clean and hygienic.V。
表1-3餐饮服务日常监督检查要点表重点项(*)7项,一般项23项,共30项
说明:1.表中*号项目为重点项,其他项目为一般项。
每次检查的重点项应不少于3项,一般项应不少于7项。
2.检查
结果判定方法:①符合:未发现检查的重点项和一般项存在问题;②基本符合:发现检查的重点项存在1项及以下不合格且70%≤一般项合格率<100%;③不符合:发现检查的重点项存在2项及以上不合格,或一般项合格率<70%。
3.当次检查发现的不合格项目,应列入下次检查必查项目。
4.存在合理缺项时,一般项合格率的计算方法为:合格项目数/(检查的项目数-合理缺项的项目数)×100%。
表1-4保健食品生产日常监督检查要点表重点项(*)34项,一般项55项,共89项。
2.每次检查重点项不应少于10项。
3.以抽查形式检查的项目等,在备注栏中要填写必要的检查记录信息,评价仅针对本次抽查内容。
表1-3 餐饮服务日常监督检查要点表*
说明:1.表中*号项目为重点项,其他项目为一般项。
每次检查的重点项应不少于3项,一般项应不少于7项。
2.检查结果判定方法:①符合:未发现检查的重点项和一般项存在问题;②基本符合:发现检查的重点项存在1项及以下不
合格且70%≤一般项合格率<100%;③不符合:发现检查的重点项存在2项及以上不合格,或一般项合格率<70%。
3.当次检查发现的不合格项目,应列入下次检查必查项目。
4.存在合理缺项时,一般项合格率的计算方法为:合格项目数/(检查的项目数-合理缺项的项目数)×100%。
表1-4 保健食品生产日常监督检查要点表重点项(*)34项,一般项55项,共89项。
说明:1.上表中打*号的为重点项,其他为一般项。
2.每次检查重点项不应少于10项。
3.以抽查形式检查的项目等,在备注栏中要填写必要的检查记录信息,评价仅针对本次抽查容。
校园及周边餐饮服务监督检查要点表摘要:一、许可管理二、信息公示三、制度管理四、从业人员健康管理五、食品原料采购与储存六、加工制作过程七、餐饮具清洗消毒八、食品留样九、应急处置十、食品安全管理培训正文:一、许可管理餐饮服务提供者应当具备合法的食品经营许可证,经营场所、主体业态、经营项目等事项与食品经营许可证一致。
相关部门会对许可证进行定期检查,确保餐饮服务单位的合法经营。
二、信息公示餐饮服务单位应在经营场所醒目位置公示食品经营许可证、监督检查结果记录表和量化等级标识。
这有助于增强消费者对餐饮服务单位的信任,提高食品安全意识。
三、制度管理餐饮服务单位应建立完善的食品安全管理制度,包括从业人员健康管理制度、食品安全自查制度、食品原料采购索证制度等。
这些制度有助于规范餐饮服务单位的经营行为,确保食品安全。
四、从业人员健康管理餐饮服务单位的从业人员应定期进行健康检查,取得健康合格证明。
从业人员在工作过程中应穿戴清洁的工作衣、帽,保持个人卫生。
五、食品原料采购与储存餐饮服务单位应确保食品原料的采购来源正规,遵循新鲜、安全、卫生的原则。
食品原料储存应分类、分架、离地、防潮、防虫,确保原料质量。
六、加工制作过程餐饮服务单位应严格执行食品加工制作规范,需要熟制加工的食品必须烧熟煮透,确保食品安全。
同时,注意食品的冷藏、冷冻和保鲜,防止食品变质。
七、餐饮具清洗消毒餐饮服务单位应定期对餐饮具进行清洗、消毒,确保餐饮具的清洁卫生。
消毒后的餐饮具应妥善保管,避免二次污染。
八、食品留样餐饮服务单位应对每餐次的食品进行留样,留样品种、数量、时间、保存条件等应符合相关规定,以备查验。
九、应急处置餐饮服务单位应制定食品安全应急预案,建立健全食品安全事故应急处置机制。
在发生食品安全事故时,能迅速采取措施,确保事故得到及时、妥善处理。
十、食品安全管理培训餐饮服务单位应定期对从业人员进行食品安全管理培训,提高从业人员的食品安全意识和技能,确保食品安全。
表1-3 餐饮服务日常监督检查要点表重点项(*) 7项,一般项23项,共30项
精品文档
精品文档
说明:1.表中*号项目为重点项,其他项目为一般项。
每次检查的重点项应不少于3项,一般项应不少于7项。
2.检查结果判定方法:①符合:未发现检查的重点项和一般项存在问题;②基本符合:发现检查的重点项存在1项及以下不
合格且70%≤一般项合格率<100%;③不符合:发现检查的重点项存在2项及以上不合格,或一般项合格率<70%。
3.当次检查发现的不合格项目,应列入下次检查必查项目。
4.存在合理缺项时,一般项合格率的计算方法为:合格项目数/(检查的项目数-合理缺项的项目数)×100%。
精品文档
表1-4 保健食品生产日常监督检查要点表重点项(*)34项,一般项55项,共89项。
精品文档
精品文档
精品文档
精品文档
精品文档
2.每次检查重点项不应少于10项。
3.以抽查形式检查的项目等,在备注栏中要填写必要的检查记录信息,评价仅针对本次抽查内容。
精品文档。
表1-3餐饮服务日常监督检查要点表重点项(*) 7项,一般项23项,共30项
说明:1.表中*号项目为重点项,其他项目为一般项。
每次检查的重点项应不少于3项,一般项应不少于7项
2.检查结果判定方法:①符合:未发现检查的重点项和一般项存在问题;②基本符合:发现检查的重点项存在1项及以下不
合格且70%c—般项合格率v 100%③不符合:发现检查的重点项存在2项及以上不合格,或一般项合格率V 70% 3 •当次检查发现的不合格项目,应列入下次检查必查项目。
4•存在合理缺项时,一般项合格率的计算方法为:合格项目数/ (检查的项目数—合理缺项的项目数)X 100%
表1-4保健食品生产日常监督检查要点表重点项(*)34项,一般项55项,共89项
说明:1.上表中打*号的为重点项,其他为一般项。
2. 每次检查重点项不应少于10项。
3. 以抽查形式检查的项目等,在备注栏中要填写必要的检查记录信息,评价仅针对本次抽查内容。
附件1食品生产经营日常监督检查要点表告知页1 / 20表1-1 食品生产日常监督检查要点表食品通用检查项目:重点项(*)21项,一般项30项,共51项。
2 / 203 / 204 / 205 / 20说明:1.上表中打*号的为重点项,其他为一般项。
2.每次检查抽查重点项不少于10个,总检查项目不少于20个。
3.上表中除1.7、3.4、3.5、3.6项以及2.1项中关于“食品相关产品”的检查部分,其他项目均适用于食品添加剂生产者。
4.对食品添加剂生产者每次检查,还需检查第9项,对食品生产者的检查不需检查第9项。
5.如果检查项目存在合理缺项,该项无需勾选“是或否”,并在备注中说明,不计入不符合项数。
6 / 20表1-2 食品销售日常监督检查要点表食品通用检查项目:重点项(*)12项,一般项22项,共34项。
7 / 208 / 209 / 2010 / 20所和特殊食品检查项目,不区分重点项和一般项,应逐项检查。
2.检查过程中,被检查的经营者不涉及的项目,可视为合理缺项并在“备注”栏标注为不适用。
11 / 20表1-3 餐饮服务日常监督检查要点表重点项(*) 7项,一般项23项,共30项12 / 20说明:1.表中*号项目为重点项,其他项目为一般项。
每次检查的重点项应不少于3项,一般项应不少于7项。
2.检查结果判定方法:①符合:未发现检查的重点项和一般项存在问题;②基本符合:发现检查的重点项存在1项及以下不合格且70%≤一般项合格率<100%;③不符合:发现检查的重点项存在2项及以上不合格,或一般项合格率<70%。
3.当次检查发现的不合格项目,应列入下次检查必查项目。
4.存在合理缺项时,一般项合格率的计算方法为:合格项目数/(检查的项目数-合理缺项的13 / 20项目数)×100%。
14 / 20表1-4 保健食品生产日常监督检查要点表重点项(*)34项,一般项55项,共89项。
15 / 2016 / 2017 / 2018 / 2019 / 202.每次检查重点项不应少于10项。
餐饮服务日常监督检查要点表
说明:1.表中*号项目为重点项,其他项目为一般项。
每次检查的重点项应不少于3项,一般项应不少于7项。
2.检查结果判定方法:①符合:未发现检查的重点项和一般项存在问题;②基本符合:发现检查的重点项存在1项及以下不合格 且70%≦一般项合格率<100%;③不符合:发现检查的重点项存在2项及以上不合格,或一般项合格率<70%。
3.当次检查发现的不合格项目,应列入下次检查必查项目。
4.存在合理缺项时,一般项合格率的计算方法为:合格项目数/(检查的项目数-合理缺项的项目数)×100%。
附件1餐饮服务食品安全监督检查操作指南— 21 —适用对象范围说明餐饮服务提供者:包括社会餐饮服务经营者、单位食堂、中央厨房和集体用餐配送单位等。
餐饮服务企业:指具有《企业法人营业执照》的餐饮服务提供者。
特定餐饮服务提供者:包括学校(含托幼机构)食堂、养老机构食堂、医疗机构食堂、中央厨房、集体用餐配送单位、连锁餐饮企业等。
集中用餐单位食堂:包括学校食堂、托幼机构食堂、养老机构食堂、建筑工地食堂等。
— 22 —附件2餐饮服务食品安全监督检查参考要点表— 23 —11 废弃物要求1101 专间内的废弃物容器的盖子为非手动开启式。
□是□否专用操作区12 加工制作1201 在专用操作区内从事备餐、制作现榨果蔬汁或果蔬拼盘、制作植物性冷食类食品(不含非发酵豆制品)及预包装食品的拆封、装盘、调味等加工制作。
□是□否13 人员1301 加工制作人员穿戴专用的工作衣帽并按规定佩戴口罩,加工制作前严格清洗消毒手部。
□是□否烹饪区14 工具容器1401 盛放调味料的容器表面清洁,加盖存放。
□是□否1402 用于加工动物性、植物性、水产品等食品原料的容器、工用具分开使用,并有明显区分标识。
□是□否15 防尘、防有害生物设施1501 配备防尘、防蝇、防鼠、防虫等设施设备。
□是□否16 照明、通风排烟设施1601 配备通风、排烟、充足的自然光或人工照明设施,定期清洁,光源不改变食品的感官颜色。
□是□否17 加工制作1701 未在餐饮加工场所贮存和添加由国务院食品安全监督管理部门会同国务院卫生行政等部门发布的非食品用化学物质和其他可能危害人体健康的物质。
□是□否1702 油炸类食品、烧烤类食品、火锅类食品、糕点类食品、自制饮品等加工过程符合要求。
□是□否1703 未超范围、超限量使用食品添加剂,准确称量和记录有“最大使用量”规定的食品添加剂。
□是□否1704 未采购、贮存、使用亚硝酸盐(包括亚硝酸钠、亚硝酸钾)。
□是□否18 食品留样1801 集体聚餐人数超过100人或为重大活动供餐,每餐次食品成品留样,每个品种留样量不少于125克,并有留样记录。
重庆市餐饮服务食品安全日常监督检查要点表(2018年版)注:1.本表用于规范和指导食品安全监管部门及其监管人员开展餐饮经营者的现场检查、动态风险因素量化分值的评定和食品安全等级的评定。
2.现场检查项目共十类38项(检查内容118条),其中重点项目(序号栏中带*号的项目)10项(检查内容26条),一般项目28项(检查内容92条)。
采用随机抽取检查项目方式开展检查时,重点项目必查,一般项目不得少于10 项;开展动态风险因素量化分值评定时,必须全项目检查。
3.检查项目判定:①根据本表和《检查操作手册》,对照所检查餐饮经营者的实际,对检查项目是否合格、缺项进行判定和记录;②检查项目中如有多条检查内容的,只要有1条内容不合格,则判该项不合格;③根据餐饮经营者的实际,检查项目可以有合理缺项。
4.检查结果的判定和被检查者食品安全等级评定标准如下。
①符合:检查的重点项目全合格,且一般项目合格率≥90%。
A级:检查的重点项目全合格,且一般项目合格率≥90%。
②基本符合:检查的重点项目不合格数≤2项,或90%>一般项目合格率≥70%。
B级:检查的重点项目不合格数≤1项,或90%>一般项目合格率≥80%;C级:检查的重点项目不合格数≤2项,或80%>一般项目合格率≥70%。
③不符合:检查的重点项目不合格数>2项,或一般项目合格率<70%。
检查结果不符合的,不给予或取消其原有的食品安全等级评定结果。
5.存在合理缺项时,一般项目合格率=检查合格的一般项目数/(检查的一般项目总数-合理缺项的一般项目数)×100%。
6.当次检查发现的不合格项目,应列入下次检查必查项目。
7.动态风险因素量化分值的评定:①在全项目检查时,根据表中量化分值标准,逐项确定检查项目得分;②检查内容中只要有1条内容不合格,则判该检查项量化分值为零分;③统计检查项目分值、合理缺项的分值;④动态风险因素量化分值=60×(1-累加检查项目分值/(100-合理缺项标准分值))。
表1-3 餐饮服务日常监督检查要点表重点项(*) 7项,一般项23项,共30项
说明:1.表中*号项目为重点项,其他项目为一般项。
每次检查的重点项应不少于3项,一般项应不少于7项。
2.检查结果判定方法:①符合:未发现检查的重点项和一般项存在问题;②基本符合:发现检查的重点项存在1项及以下不
合格且70%≤一般项合格率<100%;③不符合:发现检查的重点项存在2项及以上不合格,或一般项合格率<70%。
3.当次检查发现的不合格项目,应列入下次检查必查项目。
4.存在合理缺项时,一般项合格率的计算方法为:合格项目数/(检查的项目数-合理缺项的项目数)×100%。