脚手架计算示例
- 格式:docx
- 大小:97.24 KB
- 文档页数:22
可编辑修改精选全文完整版脚手架计算书一.计算条件:本工程脚手架采用扣件式钢管脚手架,用于地上及地下室部分,双排脚手架用在外墙的施工,悬挑脚手架用在裙楼的施工,满堂脚手架用于顶板支撑。
脚手架立杆横距b=1.05m,立杆纵距l=1.50m,脚手架步距h=1.80m。
内立杆距建筑物外墙皮距离为0.5米,铺设5cm 厚木脚手板。
连墙件的竖向距离H=2h=3.60m,水平距离L1=3l=4.5m。
脚手架钢管规格为Ф48×3.5,钢管、挡脚板、安全网、护拦等自重查阅相关建筑结构荷载规范,施工荷载Q k=3.0KN/m2。
二.扣件式钢管脚手架荷载的传递与计算简图该工程脚手架的受力均可简化为:脚手板---横杆---立杆---基础,扣件是脚手架的连接件和传力杆,因脚手架在纵向设有足够的剪刀撑,因而脚手架的纵向刚度比横向抗弯刚度大得多,故可将扣件式钢管脚手架的验算简化为由横向两立柱与小横杆组成的一榀脚手架为计算单元,若上下步脚手架传递荷载的横杆分别装于立柱的不同侧面。
则有利于减小因扣件联结对立柱所产生的偏心受荷影响,使偏心减小至最小限度。
因此荷载的偏心影响可以忽略不计,因此,脚手架的计算简图可简化为:三.验算脚手架的整体稳定性脚手架结构的整体稳定性验算按下公式计算:N /(ΦA)≦K A K Hƒ其中:N——压杆的轴心压力,按N=1.2(n.N GK1+N GK2)+1.4N QK计算N GK1——脚手架一步一纵距自重产生的轴心力,查相关规范。
(取值为0.442KN)N GK2——脚手板、栏杆、安全网等一步一纵距产生的轴心力,查相关规范。
(取值为2.95KN)N QK——一个纵距内脚手板上堆积物、各操作人员等标准荷载所产生的轴力,查相关规范。
(取值为6.3KN)———脚手架的步距数。
A———脚手架内、外排立杆的毛截面积之和。
Ф———压杆整体稳定性系数,换算长细比λoX= λXK H———高度调整系数:K H=1/[1+(H/100)]。
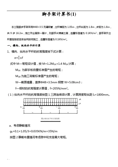
脚手架计算书(1)本工程脚步手架采用Φ48×3.5无缝钢管,立杆横距为1.05m,立杆纵距为1.8m,步距为1.8m,共9步16.2m;施工作业层按一层计,则脚手片满铺三层,自重标准值为0.1KN/m2;脚手架外立杆里侧挂密目安全网封闭施工,自重标准值为0.1KN/m2。
一、横向、纵向水平杆计算1、横向、纵向水平杆的抗弯强度按下式计算:≤fσ=MW式中M—弯矩设计值,按M=1.2M GK+1.4 M GK计算;M GK为脚手板自重标准值产生的弯矩;M QK为施工荷载标准值产生的弯矩;W—截面模量,查表Φ48×3.5mm钢管W=5.08cm3;f(1。
图1:纵向水平杆计算简图ag k=0.1×1.05/3=0.035KN/m=35N/m按图2静载布置情况考虑跨中和支座最大弯矩。
图2:静载状况下计算简图M1M B=M C=-0.1g K l a2b、考虑活载情况图3:活载最不利状况计算简图之(1)图4:活载最不利状况计算简图之(2)M1中=0.101q K l a2按图5种活载最不利位置考虑支座最大弯矩。
图5:活载最不利状况计算支座弯矩1中M GK =0.08g K l a 2=0.08×35×1.82=9.07N.m M QK =0.101q K l a 2=0.101×1050×1.82=343.6 N.m M=1.2M GK +1.4M QK =1.2×9.07+1.4×343.6= 491.92N.m σ=M W =491.92×105.08×103=96.8N/mm 2〈f=205N/mm 2(2)横向水平杆的抗弯强度计算图6:横向水平杆计算简图P/2PPP/2挡脚板竹笆脚手板Q/2Q Q Q/2木板q p横距l 0=1050mm ,脚手架横向水平杆的构造计算外伸长度a 1=350mm ,a 2=100mm 。
脚手架工程施工计算
一、脚手架搭设面积及高度计算
1、搭设面积计算:脚手架搭设面积=总楼层面积×1.2(安全系数)。
2、搭设高度计算:脚手架搭设高度=h1+(n-1)×3.5m
式中:n为层数,h1为首层高度,m为每层高度。
二、立杆、横杆材料数量计算
1、立杆数量计算:立杆数量=2×搭设高度/3.5
2、横杆数量计算:横杆数量=(搭设宽度+0.3)×2/3
式中:搭设宽度=m×层数,m为每层高度,n为层数。
三、斜杆与斜撑的数量计算
根据脚手架搭设面积和搭设高度计算斜杆和斜撑的数量。
四、脚手架横向连接件数量计算
1、脚手架横向连接件数量=(搭设宽度+0.3)×(n-1)
2、脚手架结台数量=(搭设宽度+0.3)/1.5
式中:n为层数,m为每层高度。
五、脚手架脚座数量计算
1、脚手架脚座数量=搭设面积/3。
六、脚手板数量计算
1、脚手架搭设面积大于1000平方米时,脚手板数量=搭设面积/4。
2、脚手架搭设面积小于1000平方米时,脚手板数量=搭设面积/2。
七、安全网及附件数量计算
根据搭设面积计算安全网及其附件的数量。
八、总计
将以上所有材料数量加总得到脚手架工程的全部材料数量。
以上为脚手架工程施工计算的一般性方法,工程实际应根据具体需求及现场情况做出调整。
脚手架荷载计算书一、工程概述本次脚手架搭建工程位于具体工程地点,主要用于具体施工用途,如建筑外墙施工、装修等。
脚手架的搭建高度为具体高度,立杆间距为具体间距,横杆步距为具体步距。
二、荷载分类在进行脚手架荷载计算时,需要考虑以下几种荷载类型:1、恒载(永久荷载)脚手架结构自重,包括立杆、横杆、剪刀撑、扣件等构配件的自重。
脚手板自重,根据所选用的脚手板类型和铺设层数计算。
栏杆、挡脚板自重。
2、活载(可变荷载)施工荷载,按照施工过程中的人员、材料和设备的重量计算。
风荷载,根据当地的气象资料和建筑高度计算。
三、荷载取值1、脚手架结构自重立杆:根据所选钢管的规格和长度,计算每米立杆的自重。
横杆:同样根据钢管规格和长度,计算每米横杆的自重。
剪刀撑:考虑其布置方式和钢管长度,计算自重。
扣件:按每个扣件的重量乘以扣件数量计算。
2、脚手板自重选用具体脚手板类型,如竹笆脚手板、木脚手板等,其自重标准值为具体数值kN/m²。
根据铺设层数和面积计算总自重。
3、栏杆、挡脚板自重栏杆自重标准值为具体数值kN/m,挡脚板自重标准值为具体数值kN/m。
4、施工荷载一般取值为具体数值kN/m²,考虑施工过程中的人员和小型工具、材料的重量。
5、风荷载风荷载标准值按下式计算:ωk =07μzμsω0其中,ω0 为基本风压,根据当地气象资料取值;μz 为风压高度变化系数,根据脚手架所在高度和地面粗糙度确定;μs 为风荷载体型系数,根据脚手架的封闭情况和挡风系数计算。
四、荷载组合在计算脚手架的稳定性和强度时,需要按照不同的工况进行荷载组合。
一般考虑以下两种组合:1、承载能力极限状态组合一:由恒载控制,荷载组合为 135 恒载+ 14×07 活载。
组合二:由活载控制,荷载组合为 12 恒载+ 14 活载。
2、正常使用极限状态组合:恒载+活载五、立杆稳定性计算1、不组合风荷载时计算公式:N/(φA)≤f其中,N 为立杆所受的轴力设计值,根据荷载组合计算;φ 为轴心受压构件的稳定系数,根据立杆的长细比查表得到;A 为立杆的截面面积;f 为钢材的抗压强度设计值。
脚手架计算规则及计算实例一、脚手架工程量计算一般规则:1、建筑物外墙脚手架,凡设计室外地坪至檐口(或女儿墙上表面)的砌筑高度在15m以下的,按单排脚手架计算;砌筑高度在15m以上的或砌筑高度虽不足15m,但外墙门窗及装饰面积超过外墙表面积60%以上的,均按双排脚手架计算。
2、建筑物内墙脚手架,凡设计室内地坪至顶板下表面(或山墙高度的1/2处)的砌筑高度在3.6m以下的,按里脚手架计算;砌筑高度超过3.6m以上时,按单排脚手架计算。
3、石砌墙体,凡砌筑高度超过1m以上时,按外脚手架计算。
4、计算内、外墙脚手架时,均不扣除门、窗洞口、空圈洞口等所占的面积。
5、同一建筑物高度不同时,应按不同高度分别计算。
6、现浇钢筋混凝土框架柱、梁按双排脚手架计算。
7、围墙脚手架,凡室外自然地坪至围墙顶面的砌筑高度在3.6m以下的,按里脚手架计算;砌筑高度超过3.6m以上时,按单排脚手架计算。
8、室内天棚装饰面距设计室内地坪在3.6m以上时,应计算满堂脚手架,计算满堂脚手架后,墙面装饰工程不再计算脚手架。
9、滑升模板施工的钢筋混凝土烟筒、筒仓,不另计算脚手架。
10、砌筑储仓,按双排脚手架计算。
11、储水(油)池,大型设备基础,凡距地坪高度超过1.2m以上的,按双排脚手架计算。
12、整体满堂钢筋混凝土基础,凡其宽度超过3m时,按其底板面积计算满堂脚手架。
二、砌筑脚手架工程量计算:1、外脚手架按外墙外边线长度,乘以外墙砌筑高度以平方米计算,突出墙外宽度在24cm以内的墙垛,附墙烟筒等不计算脚手架;宽度超过24cm以外时按图示尺寸展开计算,并入外脚手架工程量之内。
2、里脚手架按墙面垂直投影面积计算。
3、独立柱按图示柱结构外围周长另加3.6m乘以砌筑高度以平方米计算,套用相应外脚手架定额。
三、现浇钢筋混凝土框架脚手架工程量计算:1、现浇钢筋混凝土柱,按柱图示周长尺寸另加3.6,乘以柱高以平方米计算,套用相应外脚手架定额。
2、现浇钢筋混凝土梁、墙,按设计室外地坪或楼板底之间的高度,乘以梁、墙净长以平方米计算,套用相应双排外脚手架定额。
脚手架稳定性计算在建筑施工领域,脚手架是一种常用且至关重要的临时结构,为施工人员提供了安全的作业平台,同时也用于承载施工材料和设备。
然而,若脚手架的稳定性不足,可能会导致严重的安全事故,造成人员伤亡和财产损失。
因此,准确计算脚手架的稳定性是确保施工安全的关键环节。
脚手架的稳定性主要取决于其结构的强度、刚度和整体稳定性。
在进行稳定性计算时,需要考虑多种因素,包括脚手架的搭设高度、立杆间距、横杆步距、荷载分布、节点连接方式等。
首先,我们来了解一下脚手架所承受的荷载类型。
主要包括恒载和活载。
恒载指的是脚手架自身的重量,包括立杆、横杆、脚手板、防护栏杆等构件的重量。
活载则包括施工人员、施工材料、设备的重量以及风荷载等。
对于立杆的稳定性计算,通常采用轴心受压构件的计算方法。
计算时需要考虑立杆的截面特性,如截面面积、惯性矩等,以及所承受的轴向压力。
轴向压力是由恒载和活载产生的竖向力通过一定的分配方式传递到立杆上的。
在计算横杆的稳定性时,需要考虑其在水平方向上所承受的荷载,以及横杆的跨度和支撑情况。
横杆的稳定性对于保证脚手架的整体稳定性起着重要作用。
节点连接的可靠性也是影响脚手架稳定性的关键因素。
常见的节点连接方式有扣件连接、焊接和螺栓连接等。
在计算中,需要根据实际的连接方式和连接强度来评估节点的承载能力。
风荷载对脚手架的稳定性影响不容忽视。
风荷载的大小取决于当地的基本风压、脚手架的挡风系数以及搭设高度等因素。
在强风地区或高层建筑施工中,风荷载可能成为导致脚手架失稳的主要因素。
接下来,我们通过一个具体的例子来看看脚手架稳定性的计算过程。
假设我们有一个高度为 20 米的双排脚手架,立杆间距为 15 米,横杆步距为 18 米。
恒载标准值为 03kN/m²,活载标准值为 2kN/m²,基本风压为 05kN/m²。
首先计算恒载和活载产生的轴向压力。
恒载产生的轴向压力:N1= 01248×20 = 2496kN。
脚手架计算书示例在建筑施工中,脚手架是一种常用且重要的临时性结构,为施工人员提供安全的作业平台和支撑。
为了确保脚手架的稳定性和安全性,需要进行详细的计算。
下面将为您呈现一个脚手架计算书的示例,以便您更好地理解脚手架设计中的计算过程。
一、工程概况本次施工的建筑物为建筑物名称,总高度为具体高度米,结构形式为结构形式。
脚手架的搭设高度为脚手架搭设高度米,用于具体施工用途。
二、脚手架设计参数1、脚手架类型:选择脚手架类型,如扣件式钢管脚手架、碗扣式脚手架等。
2、立杆横距:具体数值米。
3、立杆纵距:具体数值米。
4、步距:具体数值米。
5、内立杆距建筑物距离:具体数值米。
三、荷载计算1、恒载标准值脚手架结构自重标准值:根据所选脚手架类型和搭设高度,计算每米立杆承受的结构自重。
构配件自重标准值:包括脚手板、栏杆、挡脚板等构配件的自重。
2、活载标准值施工均布活荷载标准值:根据施工实际情况确定,通常取值为具体数值kN/m²。
风荷载标准值:根据当地的基本风压、脚手架的受风面积等参数计算。
四、纵向水平杆计算1、荷载计算均布恒载:考虑纵向水平杆上的脚手板自重等恒载。
均布活载:施工人员和设备等产生的活载。
2、强度计算按简支梁计算最大弯矩,然后进行强度验算。
3、挠度计算验算纵向水平杆在荷载作用下的挠度是否满足规范要求。
五、横向水平杆计算1、荷载计算集中荷载:来自纵向水平杆传来的荷载。
2、强度计算计算最大弯矩并进行强度验算。
3、挠度计算验算横向水平杆的挠度。
六、扣件抗滑力计算1、纵向水平杆计算纵向水平杆通过扣件传递给立杆的竖向力,验算扣件的抗滑承载力是否满足要求。
2、横向水平杆同理,计算横向水平杆通过扣件传递给立杆的竖向力,进行扣件抗滑验算。
七、立杆稳定性计算1、不组合风荷载时计算立杆的轴心力设计值,然后验算稳定性。
2、组合风荷载时考虑风荷载的作用,计算立杆的稳定性。
八、连墙件计算1、连墙件轴向力设计值包括风荷载产生的连墙件轴向力设计值和连墙件约束脚手架平面外变形所产生的轴向力。
满堂脚手架计算单位(满堂脚手架计算公式)范本1(正式商务风格):本文档旨在详细介绍满堂脚手架计算单位,包括满堂脚手架计算公式及相关细节。
请在使用时仔细阅读本文,并根据实际情况进行操作。
1. 总览满堂脚手架是建筑施工中常用的一种支撑结构,主要用于支撑工人和材料,保证施工安全。
在使用满堂脚手架时,需要计算合适的支撑单位,以确保脚手架的稳定性和安全性。
2. 满堂脚手架计算公式满堂脚手架的计算单位可以使用以下公式进行计算:单位 = (负荷1 + 负荷2 + … + 负荷n) / (支撑1 + 支撑2 + … + 支撑n)3. 计算细节3.1 负荷在计算单位时,需要考虑脚手架上的所有负荷,包括工人、材料及设备的重量。
根据实际情况,确定每个负荷的具体数值。
3.2 支撑支撑是指满堂脚手架中的支撑杆件,通过支撑杆件将脚手架牢固地固定在地面上。
支撑的数量和类型可以根据满堂脚手架的高度和长度进行确定。
4. 示例计算以下是一个示例计算,以您更好地理解满堂脚手架计算单位的过程:负荷:工人(10人 × 70kg) + 材料(500kg) + 设备(200kg) = 900kg支撑:根据满堂脚手架的高度和长度,确定需要的支撑数量和类型。
计算单位:单位 = 900kg / (支撑1 + 支撑2 + … + 支撑n)根据实际情况进行具体计算。
5. 附件附件1:满堂脚手架计算单位示例表格6. 法律名词及注释6.1 脚手架:建筑施工中用于支撑工作人员和材料的结构。
6.2 支撑:脚手架中用于固定和支撑结构的杆件。
范本2(活泼时尚风格):本文档旨在为您提供满堂脚手架计算单位的相关信息,包括满堂脚手架计算公式和详细细节。
请您参考本文档,并根据实际需要进行操作。
1. 总览满堂脚手架是建筑施工中常用的一种支撑结构,用于支撑工人和材料,确保施工安全。
在使用满堂脚手架时,需要计算适当的支撑单位,以保证脚手架的稳定和安全。
2. 满堂脚手架计算公式满堂脚手架的计算单位可以使用以下公式进行计算:单位 = (负荷1 + 负荷2 + … + 负荷n) / (支撑1 + 支撑2 + … + 支撑n)3. 计算细节3.1 负荷计算单位时,需要考虑脚手架上的所有负荷,包括工人、材料和设备的重量。
脚手架计算书(1)本工程脚步手架采用Φ48×3.5无缝钢管,立杆横距为1.05m,立杆纵距为1.8m,步距为1.8m,共9步16.2m;施工作业层按一层计,则脚手片满铺三层,自重标准值为0.1KN/m2;脚手架外立杆里侧挂密目安全网封闭施工,自重标准值为0.1KN/m2。
一、横向、纵向水平杆计算1、横向、纵向水平杆的抗弯强度按下式计算:≤fσ=MW式中M—弯矩设计值,按M=1.2M GK+1.4 M GK计算;M GK为脚手板自重标准值产生的弯矩;M QK为施工荷载标准值产生的弯矩;W—截面模量,查表Φ48×3.5mm钢管W=5.08cm3;f(1。
ag k=0.1×1.05/3=0.035KN/m=35N/m按图2静载布置情况考虑跨中和支座最大弯矩。
M B=M C=-0.1g K l a2b、考虑活载情况M1中=0.101q K l a2按图5种活载最不利位置考虑支座最大弯矩。
1中M GK=0.08g K l a2=0.08×35×1.82=9.07N.mM QK=0.101q K l a2=0.101×1050×1.82=343.6 N.mM=1.2M GK+1.4M QK=1.2×9.07+1.4×343.6= 491.92N.m横距l0=1050mm,脚手架横向水平杆的构造计算外伸长度a1=350mm,a2=100mm。
a、考虑静载情况P= g k×l0=35×1.8=63N=M W =540.79×10 5.08×103=106.45N/mm 所以横向水平杆的抗变强度满足安全要求。
2、纵向水平杆与立杆连接时扣件的抗滑承载力应符合下式规定:R≤Rc式中R—纵向水平杆传给立杆的竖杆作用力设计值;Rc—扣件抗滑承载力设计值,按规范表取Rc=8000N。
由图7可知,R PA=32P+ M PA1.05=1.5×63+0.28/1.05=94.77N由图8可知,当M QA=12qa12=0.5×5400×0.32=243 N.m,最大支座反力为R QA=3 2Q+M QA1.05=1.5×1890+243/1.05=3066.42N则R=1.2R PA+1.4R QA=1.2×94.77+1.4×3066.42=4406.72N〈Rc=8000N 所以横向水平杆与立杆连接时扣件的抗滑承载力满足安全要求。
脚手架计算表格脚手架计算表格通常用于确定搭建脚手架所需的材料、工时和成本等信息。
以下是一个简化的脚手架计算表格示例,其中包括一些常见的项目和计算项:+------------------------+--------------+------------------+-------------+-------------+| 项目 | 材料 | 数量 | 单位价格 | 总成本 |+------------------------+--------------+------------------+-------------+-------------+| 主立杆 | 铝合金 | 20 根 | $50/根 | $1,000 || 横梁 | 铝合金 | 30 根 | $30/根 | $900 || 斜撑 | 钢管 | 15 根 | $20/根 | $300 || 钢管连接夹 | 钢 | 50 个 | $5/个 | $250 || 脚轮 | 合成材料 | 4 个 | $15/个 | $60 || 工人工时(安装) | 人时 | 40 人时 | $20/人时 | $800 || 工人工时(拆卸) | 人时 | 20 人时 | $20/人时 | $400 |+------------------------+--------------+------------------+-------------+-------------+| 总计 | | | | $3,510 |+------------------------+--------------+------------------+-------------+-------------+表格中的列包括:项目:脚手架的不同部分或组件。
材料:使用的材料类型,例如铝合金、钢等。
数量:每种材料或组件的数量。
单位价格:每个单位的价格。
总成本:计算得出的每项的总成本。
脚手架材料用量计算公式明细全文共四篇示例,供读者参考第一篇示例:脚手架搭建是建筑施工中常见的一项工作,而脚手架所需的材料用量计算是搭建过程中至关重要的一环。
正确计算脚手架材料用量能够保证施工安全顺利进行,同时也可以有效控制成本。
下面将介绍一些常用的脚手架材料用量计算公式明细。
我们需要确定脚手架搭建的高度和面积,这将直接影响到需要的材料用量。
一般来说,脚手架的高度越高,搭建所需材料的数量就会越多。
脚手架的面积也会影响材料用量的计算,需要根据需要搭建的宽度和长度来确定。
接下来是计算脚手架立杆和横梁的数量。
脚手架立杆一般按照一定的间距设置,常用的间距有1米、1.5米和2米。
根据实际情况选择不同的间距,然后根据脚手架的高度和宽度计算立杆的数量。
横梁的数量一般取决于脚手架的长度,需要根据脚手架的面积来确定。
除了立杆和横梁,还需要考虑脚手架的连接件和支撑件。
连接件一般用于连接立杆和横梁,需要根据立杆和横梁的数量计算连接件的用量。
支撑件用于支撑脚手架,一般需要根据脚手架的高度来确定支撑件的数量。
还需要考虑脚手架的板材和配重块。
板材主要用于搭建脚手架的平台,需要根据脚手架的面积和高度来确定板材的用量。
配重块用于固定脚手架,需要根据脚手架的高度和面积来确定配重块的数量。
第二篇示例:脚手架是建筑施工中常用的辅助设施,用于支撑工人和材料以确保安全施工。
在搭建脚手架时,需要计算所需的材料用量,以确保脚手架结构稳固并能承受施工负荷。
下面我们将介绍脚手架材料用量的计算公式明细。
1. 基本公式:脚手架的用量计算主要取决于脚手架的高度、长度和宽度。
一般情况下,脚手架的用量可以通过以下公式计算得出:脚手架材料用量= 基本材料长度x 高度x 宽度基本材料长度指的是搭建脚手架所需的单元材料长度,可以根据实际情况灵活调整。
2. 立杆用量计算:脚手架的立杆是支撑整个结构的关键部件,其用量可以通过以下公式计算:立杆用量= 脚手架内外长+ 网格布长度脚手架内外长是指脚手架的高度和长度之和,网格布长度是指用于固定立杆和横杆的网格布长。
48型搭接脚手架重量表
本文档旨在提供48型搭接脚手架的重量表,以便在使用和运
输脚手架时能够准确了解其重量情况。
一、脚手架部件重量
脚手架由以下几个主要部件组成,每个部件的重量如下:
1. 立杆:平均重量为XX千克
2. 横杆:平均重量为XX千克
3. 斜杆:平均重量为XX千克
4. 斜撑:平均重量为XX千克
5. 底座:平均重量为XX千克
二、脚手架组装后的重量
在组装完整个脚手架后,其总重量取决于以下几个因素:
1. 脚手架的高度:脚手架的高度越高,其总重量也会相应增加。
2. 脚手架的长度:脚手架的长度对总重量的影响不大。
3. 使用的材料和规格:脚手架的材料和规格对总重量有重要影响。
根据实际情况和具体要求,可通过加减各个部件的数量,以及调整脚手架的高度和长度来实现所需的重量。
三、脚手架重量表示例
以下为一份脚手架重量表的示例,仅供参考:
结论
通过本文档提供的48型搭接脚手架重量表,您可以清楚了解到每个部件的重量以及组装后的总重量。
根据具体需求,您可以灵活调整脚手架的部件数量、高度和长度,以满足不同工程项目的要求。
请注意,本文档中提供的重量数值是根据一般情况下的平均值得出的,具体数值可能会因不同品牌和规格而有所不同。
在使用和运输脚手架时,务必遵守相关安全规定,并根据实际情况进行合理调整。
如有任何关于脚手架重量的疑问或需要进一步了解的内容,请随时与我们联系。
落地脚手架计算实例(一)1.脚手架参数一、双排脚手架搭设高度为46.0 米,20.00米以下采用双管立杆,20.00米以上采用单管立杆;采用的钢管类型为Φ48×3.5;搭设尺寸为:立杆的纵距为 1.50米,立杆的横距为1.20米,大小横杆的步距为1.50 米;内排架距离墙长度为0.30米;脚手架沿墙纵向长度为290 米;小横杆在上,搭接在大横杆上的小横杆根数为2 根;横杆与立杆连接方式为单扣件;取扣件抗滑承载力系数为0.80;连墙件采用两步三跨,竖向间距3.00 米,水平间距4.50 米,采用扣件连接;连墙件连接方式为双扣件;2.活荷载参数施工均布活荷载标准值:4.500 kN/m2;脚手架用途:结构脚手架;同时施工层数:1 层;3.风荷载参数本工程地处北京市,基本风压为0.45 kN/m2;风荷载高度变化系数μz为0.84,风荷载体型系数μs为0.65;脚手架计算中考虑风荷载作用;4.静荷载参数每米立杆承受的结构自重标准值(kN/m2):0.1394;脚手板自重标准值(kN/m2):0.300;栏杆挡脚板自重标准值(kN/m2):0.110;安全设施与安全网(kN/m2):0.010;脚手板铺设层数:1;脚手板类别:冲压钢脚手板;栏杆挡板类别:栏杆、冲压钢脚手板挡板;每米脚手架钢管自重标准值(kN/m2):0.038;5.地基参数地基土类型:素填土;地基承载力标准值(kN/m2):135.00;立杆基础底面面积(m2):0.30;地面广截力调整系数:0.40。
二、小横杆的计算:小横杆按照简支梁进行强度和挠度计算,小横杆在大横杆的上面。
按照小横杆上面的脚手板和活荷载作为均布荷载计算小横杆的最大弯矩和变形。
1.均布荷载值计算小横杆的自重标准值: P1= 0.038 kN/m ;脚手板的荷载标准值: P2= 0.300×1.500/3=0.150 kN/m ;活荷载标准值: Q=4.500×1.500/3=2.250 kN/m;荷载的计算值: q=1.2×0.038+1.2×0.150+1.4×2.250 = 3.376 kN/m;小横杆计算简图2.强度计算最大弯矩考虑为简支梁均布荷载作用下的弯矩,计算公式如下:最大弯矩M qmax =3.376×1.2002/8 = 0.608 kN.m;最大应力计算值σ = M qmax/W =119.625 N/mm2;小横杆的最大应力计算值σ =119.625 N/mm2小于小横杆的抗压强度设计值[f]=205.0 N/mm2,满足要求!3.挠度计算:最大挠度考虑为简支梁均布荷载作用下的挠度荷载标准值q=0.038+0.150+2.250 = 2.438 kN/m ;最大挠度V = 5.0×2.438×1200.04/(384×2.060×105×121900.0)=2.622 mm;小横杆的最大挠度 2.622 mm 小于小横杆的最大容许挠度1200.0 / 150=8.000 与10 mm,满足要求!三、大横杆的计算:大横杆按照三跨连续梁进行强度和挠度计算,小横杆在大横杆的上面。
脚手架工程量计算实例
脚手架是建筑工程中不可或缺的搭建工具,它能够在建筑工地上起到关键的支撑作用,为工人们提供更加安全的工作环境。
而脚手架的搭建工程量计算问题则是建筑工人关注的一个焦点。
本文将为您介绍一个关于脚手架工程量计算的实例。
假设建筑工地上有一栋大楼,目前正在施工过程中。
该大楼共有6层,每层高度为20米。
根据建筑规范,每层都需要设立一个脚手架,那么总共需要设立18个脚手架。
每个脚手架的工程量计算公式如下:
工程量=高度(米)×长度(米)×层数
其中,高度是指脚手架的搭建高度,长度是指脚手架的搭建长度,层数是指脚手架所处的楼层数。
根据上述计算公式,我们可以得出每个脚手架的工程量。
在此需要注意的是,由于搭建脚手架需要大量的钢管、扣件等材料,因此计算工程量时还需要考虑到材料的重量和损耗。
另外,由于脚手架的搭建需要严格遵循建筑规范,因此在计算工程量时还需要考虑到搭建过程中的安全和质量问题。
在实际施工过程中,脚手架的搭建工程量计算是一个非常重要的问题。
只有了解了这一问题的计算方法,才能确保施工过程的安全和质量。
同时,还需要考虑到脚手架的搭建成本,为工程节约成本。
因此,对于建筑工人们来说,计算脚手架的工程量是一项非常实用的技能,也是他们工作中不可或缺的一部分。
总之,脚手架的搭建工程量计算是建筑工人在施工过程中需要关注的一个重要问题。
只有掌握了这一问题的计算方法,才能确保施工过程的安全和质量。
脚手架计算公式脚手架计算公式模板范本:一、引言脚手架是一个基本的工具,广泛应用于建造和工程行业。
计算脚手架的公式可以施工人员评估和计划脚手架的搭建。
本将介绍脚手架计算的基本原理和公式,并提供详细的步骤和示例,以供参考。
二、脚手架计算公式的基本原理脚手架计算公式基于结构力学和安全规范,考虑了各种因素,包括负载、材料强度、施工条件等。
以下是脚手架计算的基本原理:1. 负载计算:脚手架必须能够承受施工现场的各种负载,如工人、材料、设备等。
负载计算需要考虑负载的类型、大小和分布情况。
2. 材料强度:脚手架的材料必须具备足够的强度来承受负载。
材料强度可以通过材料测试和标准来确定。
3. 结构稳定性:脚手架的结构必须足够稳定,以防止倾倒和坍塌。
稳定性计算需要考虑脚手架的高度、支撑条件和风荷载等因素。
三、脚手架计算公式的具体步骤下面是脚手架计算的具体步骤:1. 确定负载:根据施工现场的需要,确定脚手架的负载类型和大小。
常见的负载有自重、分布负载和点负载等。
2. 计算负载分布:根据负载的类型和分布情况,计算脚手架上各个支撑点的负载。
3. 选择材料:根据计算的负载和安全要求,选择合适的脚手架材料。
材料的选择应考虑强度、耐久性和成本等因素。
4. 计算脚手架尺寸:根据负载和材料强度,计算脚手架的尺寸,包括高度、宽度和长度等。
5. 验证结构稳定性:根据脚手架的尺寸和支撑条件,验证脚手架的结构稳定性。
这可以通过计算结构的倾覆系数和稳定系数来完成。
6. 设计连接件:根据脚手架的尺寸和结构,设计连接件,包括连接脚手架杆件和支撑件等。
7. 评估安全性:根据设计的脚手架结构和连接件,评估脚手架的安全性能。
这包括考虑脚手架的承载能力、破坏模式和安全系数等。
四、脚手架计算公式的示例下面是一个脚手架计算的示例:1. 确定负载:假设脚手架需要承受1000kg的自重和500kg的分布负载。
2. 计算负载分布:假设脚手架有4个支撑点,将负载均匀分布到每一个支撑点上,即每一个支撑点承受375kg的负载。
第1篇一、项目背景随着我国建筑行业的快速发展,脚手架作为建筑施工中的重要临时设施,其安全性和稳定性直接关系到施工人员的人身安全和工程进度。
本计算书针对某建筑工程项目,对脚手架的施工方案进行详细计算,以确保施工过程中的安全与效率。
二、工程概况1. 工程名称:某住宅楼工程2. 建筑地点:XX市XX区3. 建筑结构:框架结构4. 建筑高度:18层(地上)5. 建筑层数:地下1层,地上17层6. 施工周期:预计18个月三、脚手架选型根据工程概况和施工要求,本工程采用双排落地式钢管脚手架。
四、脚手架搭设参数1. 立杆间距:1.5m2. 水平杆步距:1.2m3. 纵横向水平杆步距:0.9m4. 剪刀撑设置间距:4跨设置5. 连墙件设置间距:3跨设置6. 脚手板铺设间距:0.3m五、脚手架材料1. 钢管:Q235钢,φ48.3×3.6mm2. 扣件:国标扣件3. 脚手板:竹笆板或钢笆板4. 安全网:密目式安全网5. 防护栏杆:高度1.2m,间距不大于2m六、脚手架计算1. 立杆稳定性计算根据《建筑施工扣件式钢管脚手架安全技术规范》(JGJ130-2011)的相关要求,立杆的稳定性计算公式如下:\[ K = \frac{F_{\text{允许}}}{F_{\text{实际}}} \]其中,\( F_{\text{允许}} \)为立杆允许承载力,\( F_{\text{实际}} \)为立杆实际受力。
立杆允许承载力计算如下:\[ F_{\text{允许}} = \frac{\pi d^2 S}{4} \]其中,\( d \)为钢管直径,\( S \)为钢管抗弯截面模量。
代入参数计算得:\[ F_{\text{允许}} = \frac{3.14 \times 0.0483^2 \times 0.018}{4} = 1.26 \text{ kN} \]立杆实际受力计算如下:\[ F_{\text{实际}} = \frac{G}{A} \]其中,\( G \)为立杆所受荷载,\( A \)为立杆横截面积。
承重脚手架计算书(满堂脚手架)承重脚手架计算书(满堂脚手架)1. 引言在建筑施工中,脚手架的重要性不言而喻。
它不仅为工人提供安全、稳定的工作平台,还承担着起重、支撑建筑结构等重要功能。
本文将以满堂脚手架为例,详细介绍其承重脚手架计算书的编制过程。
2. 满堂脚手架概述满堂脚手架是一种常用于建筑施工的承重脚手架系统。
它由立杆、横杆、斜杆等组成,通过连接件进行连接和固定。
满堂脚手架具有结构简单、施工方便、承重能力高等特点,因此得到广泛应用。
3. 承重脚手架计算书编制步骤承重脚手架的计算书是设计、搭建和使用脚手架时必备的文件。
具体的编制步骤如下:步骤1:确定设计要求首先,根据具体工程需求和相关规范要求,确定脚手架的设计要求,包括使用条件、承载标准、搭建高度等。
步骤2:计算脚手架结构参数在确定设计要求后,根据结构力学原理,计算脚手架的结构参数,如立杆、横杆、斜杆的长度、截面尺寸等。
步骤3:估算承载荷载根据设计要求和使用条件,估算脚手架所承受的荷载,包括自重、使用荷载、风荷载等。
步骤4:进行结构分析将结构参数和荷载数据输入结构分析软件中,进行受力分析,并计算脚手架结构的安全性。
步骤5:编制计算书根据步骤2和步骤3中计算的结果,编制承重脚手架计算书,包括结构参数表、荷载计算表、分析结果表等。
4. 承重脚手架计算书的要求承重脚手架计算书在编制时需要满足一定的要求,以保证其准确、可靠、全面。
主要要求如下:要求1:计算过程详细承重脚手架计算书应当清晰明了地展示计算过程,包括力学原理、受力分析、结构参数计算等,以方便审查和使用。
要求2:数据准确可靠计算书中的数据应当准确无误,并来源于可靠的材料参数、荷载标准等,以保证脚手架设计的正确性和安全性。
要求3:规范合规性承重脚手架计算书应当符合相关国家和地方规范标准,保证设计、搭建和使用的合规性。
5. 结论承重脚手架计算书是脚手架设计的重要文件,编制过程需要严谨、细致,以确保设计的准确性和安全性。
脚手架计算书⑴本工程脚步手架采用①48x3、5无缱钢管,立杆横距为1、05m,立杆纵距为1、8m,步距为1、8m,共9步16、2m;施工作业层按一层计,则脚手片满铺三层『自重标准值为0、IKN/m?;脚手架外立杆里侧挂密目安全网封闭施工『自重标准值为0、1K N/m2。
一、横向.纵向水平杆计算1、横向、纵向水平杆得抗弯强度按下式计算:式中M —弯矩设计值按M"、2M GK +1、4M GK 计算;M GK 为脚手板自重标准值产生得弯矩;M QK 为施工荷载标准值产生得弯矩;W —®面模量,查表e48x3、5mm 钢管W=5、0 8 cm3;f —40材得抗弯强度计算值,住2 05N/mm2.(1)纵向水平杆得抗弯强度按图1三跨连续梁计算,计算跨度取纵距1 a=l 8 00mm 。
a 、考虑静载情况gk = 0、1x1、05/3=0、0 35KN/m= 3 5N/m按图2静载布置情况考虑跨中与支座最大弯矩。
图1:纵向水平杆计篦简图厶ckMl中=0、08gMa2M B =M C= - 0、Igda?b、考虑活载情况qk=3kN/m2xl、0 5 m/3=10 5 ON/m按图久4两种活载最不利位置考虑跨中最大弯矩。
■p图3:活救最不利状况计算简图之(1)nr HZI"图4:活栽最不利状况计算简图之(2)Ml中=0、lOlqda^按图5种活载最不利位置考虑支座最大弯矩。
M B=M C=-O, 17 7 q K 1.|knlo图5:活戦战不利状况计算支座弯矩根据以上情况分析,可知图2与图3(或图4)这种静载与活载最不利组合时Ml 中跨中弯矩最大。
M GK=0、08gKla2=0、08x35x1, 8—9、07N、mM QK=O、10 5以=0、101x1050x1, 82=343. 6 N、mM = l, 2M GK +1.4M QK=1.2X9. 07+1、4x343、6= 491、92 N、m 注汽卷器9 6、8N/mm2 (f=2O5N/mm2(2)横向水平杆得抗弯强度计算木板11tt 笆wrts —,1 L1$图6:横向水平杆计》简图计算横向水平杆得内力时按简支梁计算如图6,计算跨度取立杆横距lo=lO5Omm,KI手架横向水平杆得构造计算夕卜伸长度a i=350mm,a 2= 1OOrnrrioa.考虑静载情况P= gkxlo=35xl, 8 = 63Np=0、35x10=0、35x1、8=0、63 N/m35C p 330 』 350iC=:Q :;图7:静载情况下计算简图M PA W pai2=0、5x0, 6 3x0、32=0、28N. mMp^PxO 、3 5=63x0. 35 = 22、05N 、mM GK =1 Mp 中与 M PA b 、考虑活载情况Q= qkxlo=lO5ON/m2xl, 8m=1890N q = 3000 N/mxlo=3OOOxl, 8=54 00 N/mQ/2当M QA =0,最大弯矩为跨中弯矩M QKM QK =Q X O 、35=1050X 0. 35=367、5N 、m贝IJM = 1. 2 M GK +1,4 M QK = 1、2x21、91 + 1、4x367、5 = 540、79 N.=^^7^=106. 4 5N/mm2 <f = 205 N/mm^所以横向水平杆得抗变强度满足安全要求。
图8:活载最不利情况下计算简图=|22、05-0. 5x0、2 8 | = 21. 91 N. mQ/22、纵向水平杆与立杆连接时扣件得抗滑承载力应符合下式规定:R<Rc式中R—纵向水平杆传给立杆得竖杆作用力设计值;Rc—件抗滑承载力设计值,按规范表取Rc=8000No由图7 可知,R PA二畀 + 陽1、5x63+0、28/1、05=94、77N由图8可知,当M QA今qaF=0、5x5400x0、3—243 N、m,最大支座反力为R QA WQ+先=1、5x 1890+2 43/1. 05=3066, 42N则R"、2R PA+1.4R QA=1.2X94、77 + 1、4x3066、42=4406、7 2N <Rc= 8000N所以横向水平杆与立杆连接时扣件得抗滑承载力满足安全要求。
3、纵向、横向水平杆得挠度按下式计算:u = [u]式中uF度;[U ]—允许挠度,按规范表格取1/150。
(1)纵向水平杆得挠度a、考虑静载情况(图2 )5=0、67 7X 器式中ET冈材得弹性模量,E = 2、06xl05N/mm2;1—048x3. 5mm 钢管得惯性矩,1 = 12、IScm^b、考虑活载情况(图3)5 = 0、999X寻;两种情况叠加,得U二5+5 = 0、677xy^] + 0、999x盘_(0. 667x0、035+0. 999)<1・ 05)x1 800」~ 100x2. O6X1O5X 12. 19x10-'=4、48mm <i^ = T^=12mm所以纵向水平杆得挠度满足安全要求。
(2 )横向水平杆得挠度a 、考虑静载情况(图7)P B I Q -/ R /I E \ Mio U 1 = 2 4 El X ( 3 -d 1 J?) - "leEIb 、考虑活载情况(图8)两种情况叠加,得-賢+磐X ( 3・4匕) 3 5 02、 21. 9 1x 106x1050 lO5oJ"16x2. 06x105x12. 19xlO< + X ( 3-4—) ^24x2. 06x10^x12. 19x10*^ \ ]05()2丿=3、14mm 〈驚鑼=6、67mm所以横向水平杆得挠度满足安全要求。
二立杆稳定性计算立杆得稳定性按下列公式计算:式中N —计算立杆段得轴向设计值;屮一轴向受压构件得稳定系数;A —立杆得截面面积,查表e48x 3、5mm 钢管A=489mm;Mg —计算立杆段由风荷载设计值产生得弯矩;u = u 1 +u2=f^x(3・4九)_________ 63x 3 50x105 0 2 ( *力~24x2. 06x10^^x12, 19x10^^ V "•糾W—截面模量,查表048x3、5mm钢管W=5、OScm^;ff 材得抗压强度设计值,f二205 N/mm2。
1、风荷载标准值3K=0、7|J Z|J S30式中3K—风荷载标准值;|Jz—风压高度变化系数,取庆=0. 74;山一脚手架风荷载体型系数,取山=1、3x0、4=0、52,密目安全网得挡风系数为0、4;30—S本风压,上海地区取30=0、5 5;3K=0、7pz|Js30=0、7x0、74x0、52x0、55 = 0、ISKN/m^2、计算立杆段由风载设计值产生得弯矩MD、85x1、4*3」D、85x1、4x0* ISxlO^x 1, r 人v、i3= = ------ =104、1N、m 3、轴向受压构件得稳定系数轴向受压构件得稳定系数屮,根据立杆长细比入规范用表取值,当入〉25 0时按屮二7320 X 1 =—2计算。
计算长度10= k|jh式中k为计算长度附加系数,取k = 1、15 5;卩为考虑脚手架整体因素得单杆计算长度系数,按规范用表取= 1、5;h为立杆步距。
lo=kp h =1^ 15 5x1、5x1、8=3、12m立杆得长细比入=)式中i为截面回转半径,查表e48x3、5mm钢管i = I、5 8c入乞*3、12/0、0158 = 197, 5根据立杆长细比A查范用表得轴向受压构件得稳定系数屮=0、1854、立杆段得轴向设计值N = l. 2(N GIK+N G2K) + 0. 85x1、4》N QK (1)脚手架结构自重标准值产生得轴向力N GIK本工程架体共9步,实际架高H=:L6、2mNGiK=Hgk=16. 2x0、1248 = 2、022KN=2022N构件配件自重标准值产生得轴向力N G2K ;(2)施工荷载标准值产生得轴力总与》N QK 外主杆可按一纵距内施工荷载总与得1/2取值:XN QK =300 0X 1, 05X 1、8X ^=2 835N N=l. 2(N GIK +N G 2K )+0. 85X 1, 4》N QK=1、2x ( 2 022+1 3 91、6)+0、85x 1, 4x2835 = 7469、97N 5、验算立杆得稳定性紬沪二能船+氏窃=116、7N/mm2<f=205N/mm2 所以立杆得稳定性满中安全要求。
三.连墙件计算(二步三跨)5m 处1、计算连墙件轴向力设计值N17x0、74x0、52x0、55=0、1 5 KN / 4x0. 15x( 2x1、8x3x1、8)=4、08KNNo=5KN2. 计算连墙件稳定承载力\1 = 500mm, A=l / i=70/l. 58= 44, 查表知(P = O 、827-■-Ni/cp A = 110 8 0/(0. 912x4 8 9)=24. 8N/mm2<f= 2 OSN/mm^ 3、计算扣件得抗滑移承载力3K=O 、7(J Z P S 30 = 0、 N iw=l 、4"U)k*Aw=lx /-N1 = Niw+ No=9、 08KN直角扣件得抗滑移设计值Rc=8KN<Ni = 9、08KN,所以抗滑移承载力不满足要求,可以减小连墙件得设置间距,也可采用两只直角扣件与脚手架得内外立杆连接。
4、连墙件与墙体连接侧得钢管净截面强度计算与预埋钢筋得抗剪承载力计算钢管得净截面强度计算:a=Ni/(A-2xdxt)= 11080/(489-2x20x3. 5)=31. 75N/mm2< f =205N/mm2预埋钢筋抗剪强度验算:T=4N I/( 2nd2)=24. 6N / mm2<12 5N/mm2满足要求。
㈣立杆地基承载力计算(1)计算地基承载力设计值KcO、5, fgk=O、18N/mm2 fg= k C* f gk=O、5x0、18= 0、09N/mm2(2)计算立杆基5岀底面平均压力p有效基础底面积取0、2 5m 2p= N/A=164 50/250000=0、0 658(N/mm^)■.■p<fg,地基满足要求。
脚手架计算书(2 )1、计算依据(1)《建筑施工扣件式钢管脚手架安全技术规范》(JGJ 130-2001)(2)《建筑结构荷载规范》(GB 50009 -20 01)(3)海湾浪琴工程设计图纸及地质资料等2、脚手架得计算参数搭设高度H = 39、6米(取最大高度,2 2排),步距h=l、8米,立杆纵距/a=l. 5 米,立杆横距1米旌墙件为2步3跨设置脚手板为毛竹片披同时铺设7排计算, 同时作业层数rn=l。