上海民办新复兴初级中学物理电与磁(培优篇)(Word版 含解析)
- 格式:doc
- 大小:366.00 KB
- 文档页数:19
上海民办新复兴初级中学物理内能的利用(培优篇)(Word版含解析)一、初三物理内能的利用易错压轴题(难)1.如图所示,甲、乙、丙三图中的装置完全相同.燃料的质量都是10g,烧杯内的液体质量也相同.假设燃料完全然烧释放热量都被液体吸收.(1)若比较不同燃料的热值,应选择______两图进行实验,燃料完全燃烧放出热量的多少,是通过_____来反映的,通过本次试验得到的燃料热值与实际热值相比偏______(选填“大”或“小”).(2)若比较不同物质的吸热本领,应选择____两图进行实验;不同物质吸热的多少是通过____来反映的.【答案】甲乙升高的温度小甲丙加热时间【解析】【分析】【详解】(1)[1]为了比较不同燃料的热值,应控制被加热液体相同而燃料不同,应选择甲、乙两图进行实验;[2]燃料燃烧放出的热量被液体吸收,燃料完全燃烧放出热量的多少,可以通过液体升高的温度来反映;[3]因为燃料燃烧释放的热量不能全部被液体吸收,则通过实验得到的燃料热值与实际相比是偏小;(2)[4]若比较不同物质的吸热本领,应控制燃料相同而被加热的液体不同,应选择甲、丙两图进行实验;[5]用相同的加热装置对液体加热,相等时间内液体吸收的热量相等,加热时间反应了不同物质吸热的多少.2.物理小组的同学们组装了如图所示的装置,在完全相同的烧杯中分别装有质量相同的A、B两种液体,在完全相同的燃料盒中分别装有两种不同的燃料.(1)若要比较液体的吸热本领,应选_____两图的实验装置进行实验.(在“甲、乙、丙”中选填)(2)实验过程中,若浸在液体中的温度计示数都升高了50 ℃,加热时间较短的液体比热容较_____.(3)实验过程中,若加热相同的时间,温度升高较多的液体比热容较_____.(4)根据实验数据同学们绘制出如图所示的图象.由图象可知:液体_____的比热容较大.(选填“A”或“B”)【答案】甲丙小小 B【解析】【分析】【详解】(1)在比较液体的吸热本领时,应使质量相同的不同液体在相同时间内吸收的热量相同,所以需要的燃料的种类相同,液体的质量相同但液体种类不同,所以选择甲、丙;(2)实验过程中,两种液体的温度都升高了50℃,加热时间短的液体吸热能力较弱,它的比热容较小;(3)质量相同的两种物质,加热时间相同时,温度升高较少的液体比热容较大,温度升高较多的液体比热容较小;(4)质量和初始温度均相同的A、B两种液体,吸热后它们的温度随时间变化的图象如图所示,由图可以看出,在相同时间内(即吸收的热量相同),B液体的温度升高得较慢,B 液体的比热容较大.3.小明同学学习了燃料的热值后,考虑到燃料燃烧放出的热量会被水吸收,而水的比热已知。
一、初二物理物态变化实验易错压轴题(难)1.做“观察水的沸腾”实验时:(1)实验使用的温度计是根据液体的________规律制成的.(2)如图甲为某同学实验时测沸水温度的情形.他的错误之处是________.(3)纠正错误后,他观察到从开始加热至水沸腾,所用时间过长,造成这种现象的原因可能是________.(4)他对实验进行了改进之后,每隔1min记录温度计示数(见下表),直到水沸腾一段时间后停止读数,根据表中的数据在图乙中画出水温随时间变化的图象.(_____________)时间t/min0123456789温度T/℃90929496989999999999(5)他们观察到水沸腾时的现象应该是丙图中的________图.从实验可得出,液体在沸腾过程中要________热,但温度________;实验测出水的沸点为________℃.【答案】热胀冷缩温度计的玻璃泡碰到了烧杯底水太多(或水的初温较低)a吸保持不变99【解析】【分析】【详解】(1)实验室中常用的液体温度计是根据液体的热胀冷缩规律制成的.(2)在甲图中,温度计的玻璃泡接触了烧杯的底部,会导致测量结果偏大;(3)水加热时间过长可能是水的初温太低,可以用初温较高的水开始加热;也可能是水量太多,可以减小水量;也可能是酒精灯火焰太小,可以增大火焰,也可能使烧杯未加盖等;(4) 根据表中的数据描点,并用平滑的曲线连接起来,如图所示:(5) a图中气泡在上升过程中体积不断变大,所以a图是沸腾时的情况;b图中气泡在上升过程中体积不断减小,所以b图是沸腾前的情况.从实验可得出,液体在沸腾过程中仍要加热,还在不断吸热,从表中数据来看,沸腾后温度不变,实验测出水的沸点为99℃.故答案为热胀冷缩;温度计的玻璃泡接触了容器底;水太多(或水的初温较低);图见详解;a;吸;保持不变;99.2.在“观察水的沸腾”的实验中:(1)请你指出图1中实验操作错误之处是______;(2)图2______(选填“甲”或“乙”)是水在沸腾时的情况。
上海民办新复兴初级中学物理第十三章电路初探(培优篇)(Word版含解析)一、初三物理第十三章电路初探易错压轴题提优(难)1.瑞瑞和欢欢在网络上看到用土豆点亮LED小灯泡的视频,为了验证视频的真实性,他们找来一些物品,按照视频中的方式连接了如图所示的实验电路:(1)闭合开关后,LED小灯泡果真被点亮了。
此时,土豆相当于电路中的__________,该装置实现的能量转化是___________能转化为电能;(2)为什么土豆能够点亮LED小灯泡呢?通过查找资料他们了解到:铜片和锌片在电解质(即土豆中富含的果酸)的作用下,使电子由锌片处出发并沿着导线经过LED小灯泡到达铜片处,因此闭合电路中会产生电流。
由此可知,该土豆电池的正极是________片;(3)为了验证土豆电池的正负极,他们还可以选用下列实验仪器中的_______(填字母代号)进行判断;A.小灯泡 B.电压表 C.电阻极板铜片和铝片间的电压/V铜片和锌片间的电压/V果蔬材料种类西红柿0.470.93苹果0.550.96柠檬0.620.99(4)根据获得的知识,瑞瑞和欢欢又找来了更多物品进行创新实验。
在果蔬中插入不同金属制成的极板(极板材料不同),并保持两块极板间的距离、极板与果蔬的接触面积不变,测量两块极板之间的电压,结果如上表中数据及相关条件可知:果蔬电池的电压与________和________有关。
【答案】电源化学铜 B 果蔬种类极板材料【解析】【分析】【详解】(1)[1][2]闭合开关后,土豆消耗化学能,产生电能,使LED小灯泡被点亮,所以土豆相当于电路中的电源,该装置实现的能量转化是化学能转化为电能。
(2)[3]铜片和锌片在电解质的作用下,使电子由锌片处出发并沿着导线经过LED小灯泡到达铜片处,因此闭合电路中会产生电流,因为电流方向与电子定向移动方向相反,则电流方向是由铜片流向锌片,而电流是从电源正极流出,所以该土豆电池的正极是铜片。
一、选择题1.如图所示为一款“智能照明灯”的电路,灯L天暗时自动发光,天亮时自动熄灭,控制电路中,电源电压恒定,R1为定值电阻,R2为光敏电阻,其阻值随光照强度的变化而变化,以下说法正确的是()A.R2的阻值随光照强度的增大而增大B.当光照强度减小时,电压表示数减小C.当光照强度增大时,电磁铁的磁性变弱D.若将R1换成阻值稍小的电阻,可使灯L的发光时间变短2.如图所示,把两个玩具车上的电机的接线柱用导线连接起来,如果用力快速拨动甲电机的转叶,你会发现乙电机的转叶也缓慢转动起来。
对这个现象分析正确的是()A.“乙电机”将机械能转化为电能B.“甲电机”相当于一个手摇发电机C.“乙电机”依据电磁感应原理来工作D.两电机的工作原理完全相同3.直升飞机拖曳着一根很长的金属线,沿海面水平地从东向西飞行,金属线的下端与海面海水接触。
下列说法中正确的是()A.金属线中有直流电B.金属线中有交流电C.金属线中没有感应电流D.与电动机的工作原理是一样的4.如图所示,电磁铁的左端固定,条形磁铁固定于条形磁铁小车上,闭合开关,小车向右运动,下列分析正确的是()A.电磁铁左端是N极B.条形磁铁左端是N极C.小车向右运动是因为异名磁极相互排斥D.对调电源正负极,再次闭合开关,小车运动方向不变5.《事林广记》中记载了“指南龟”(如图所示)的制法:先以木刻龟,在龟体上沿首尾方向开一洞,放入条形磁石,以黄蜡填满,在龟尾部敲入一铁针与磁石一段相连。
将木龟支于竹针之上,使木龟转动,静止后,针指南。
关于“指南龟”,下列说法中正确的是()A.磁石靠近龟尾一端为磁石的北极B.铁针指向的是地理的北极附近C.铁针指向的是地磁的南极D.“指南龟”能指南是因为其受到地磁场的作用6.无线充电技术开始逐渐进入到人们的生活中,如图所示,将手机等电子设备靠近或放置在像鼠标垫一样的充电板上时,手机内的线圈就产生电流,对电池进行充电。
下列四幅图中能反映这种无线充电原理的是()A.B.C.D.7.如图所示,支架上的条形磁铁N极端的下方吸引了两根金属棒,两金属棒被磁化后下端张开,此现象说明两金属棒()A.可能是铝棒,下端是N极B.可能是铜棒,下端是N极C.可能是铁棒,下端是S极D.可能是铁棒,下端是N极8.图是电子警察抓拍系统原理图,若行人违规闯红灯,就会接通摄像系统电源,“电子警察”就会自动抓拍人脸。
2023学年第一学期物理期中考试注意:1.本试卷物理部分含四个大题。
2.答题时,考生务必按答题要求在答题纸规定的位置上作答,在草稿纸、本试卷上答题一律无效。
一、选择题下列各题均只有一个正确选项,请将正确选项的代号用2B 铅笔填涂在答题纸的相应位置上,更改答案时,用橡皮擦去,重新填涂。
1. 下列实例中,属于减小压强的是A. 图钉钉帽宽大B. 锥尖尖锐C. 刀刃锋利D. 缝衣针尖细 【答案】A 【解析】【分析】(1)增大压强的方法:在受力面积一定时,增大压力;在压力一定时,减小受力面积.(2)减小压强的方法:在受力面积一定时,减小压力;在压力一定时,增大受力面积.【详解】A. 图钉钉帽宽大是在压力一定时,增大受力面积减小压强,符合题意;B. 锥尖做得尖锐是在压力一定时,减小受力面积增大压强,不合题意;C. 刀刃磨得锋利是在压力一定时,减小受力面积增大压强,不合题意;D. 缝衣针尖细是在压力一定时,减小受力面积增大压强,不合题意.故选A . 2. 下列各实例中,属于利用连通器原理工作的是( )A. 吸尘器B. 船闸C. 体温计D. 脱排油烟机 【答案】B 【解析】【分析】几个底部互相连通的容器,注入同一种液体,在液体不流动时连通器内各容器的液面总是保持在同一水平面上,这就是连通器的原理.【详解】A. 吸尘器是利用流体压强与流速的关系制成的,故本选项不符合题意;B. 船闸左右两个闸室上端开口,底部相连,构成了一个连通器,符合题意;C. 温度计是利用液体的热胀冷缩的性质制成的,故本选项不符合题意;D. 由流体压强与流速的关系:流速越大的位置压强越小,可知抽油烟机在工作时,由于转动的扇叶处气体的流速大,压强小,从而在周围大气压的作用下将油烟压向扇口排出,故D 不合题意.故选B.3. 体积相等的均匀实心铅球、铜球、铁球(ρρρ>>铅铜铁)浸没在水中,所受的浮力( ) A. 铅球大 B. 铜球大 C. 铁球大 D. 一样大【答案】D 【解析】【详解】体积相等的均匀实心铅球、铜球、铁球浸没在水中,排开水的体积等于自身的体积,则排开水的体积一样大,根据F gV ρ=浮水排可知,受到的浮力一样大。
上海民办新复兴初级中学物理电功率(培优篇)(Word 版 含解析)一、初三物理 电功率 易错压轴题(难)1.0U P U I U I R ==-额额额额额().用“伏安法”测未知电阻的阻值. (1)请用笔画线表示导线,将图甲所示的实物连接成完整电路.要求:滑动变阻器的滑片P 向右移动时,电流表示数变小(请勿更改原有导线,导线不能交叉).(________)(2)连接电路前,开关必须___.电路接通前,滑动变阻器的滑片P 应该移至图中_____处(选填“A ”或“B ”).(3)小林闭合开关后,发现电流表示数为零,但电压表有示数,此时电路中的一处故障是待测电阻R x _____(选填“短路”或“断路”).(4)小林排除故障后,用滑动变阻器调节接入电路中的电阻,对应每次变化各测一次电流值和相应的电压值并记录到表格中.有一次测量电流表的指针如图乙所示,其示数为_____A ;另一次测量电压表的指针如图丙所示,其示数为_____V .小林根据几组实验数据计算出R x 的值,为了进一步减小误差,绘制了R x 的U -I 图像.(5)另一组的小宇用相同的器材进行实验,并根据自己所记录的实验数据绘制了如图丁所示的U -I 图像.小林发现小宇绘制的U-I 图像和自己绘制的U -I 图像不同,你认为其原因是_____;小林根据小宇的图像也可计算出待测电阻R x =_____Ω.(实验过程中电源电压保持不变).【答案】 断开 B 断路 0.28 2.6 电压表并联在滑动变阻器的两端 10【解析】【分析】【详解】(1)滑动变阻器的滑片P 向右移动时,电流表示数变小,说明变阻器连入电路的电阻变大,故变阻器左下接线柱连入电路中,如下图所示: (2)连接电路前,开关必须断开.电路接通前,滑动变阻器的滑片P 应该移至图中阻值最大处的B 端;(3)若待测电阻短路,电压表示数为0,不符合题意;若待测电阻断路,电流表示数为零,电压表串联在电路中测电源电压,电压表有示数,符合题意,电路中的一处故障是待测电阻R x 断路;(4)有一次测量电流表的指针如图乙所示,电流表选用小量程,分度值为0.02A ,其示数为0.28A ;另一次测量电压表的指针如图丙所示,电压表分度值为0.1V ,其示数为2.6V ;2.(5)待测电阻与变阻器串联,当变阻器连入电路的电阻变小时,由欧姆定律I =U R可知,电路的电流变大,根据U =IR 得到待测电阻的电压变大,由串联电路电压的规律可知,变阻器两个的电压变小,根据绘制的如图丁所示的U -I 图象可知,电压表并联在变阻器的两端了;由图乙可知,当电流I 1=0.1A 时,变阻器两端的电压U 1=2V ,当电流I 2=0.2A 时,变阻器两端的电压U 2=1V ,设电源电压为U ,由串联电路电压的规律和欧姆定律可知,1212=U U U U R I I --=,即2V 1V =0.1A 0.2AU U --,U =3V ,待测电阻:113V 2V =0.1AU U R I --==10Ω.小明同学为了“测量小灯泡的电功率”,准备有如下器材:电源(电压6V ,保持不变),小灯泡(额定电压3.8V ,电阻约为20Ω),滑动变阻器A “10Ω 1A ”,滑动变阻器B “20Ω 1A ”,电压表(量程为0-3V 、0-15V)、电流表(量程为0-0.6A 、0~3A)各一个,开关一个,导线若干。
上海民办新复兴初级中学物理第十四章欧姆定律(培优篇)(Word版含解析)一、初三物理第十四章欧姆定律易错压轴题提优(难)1.现有下列器材:学生电源,电流表(0~0.6A 0~3A)、电压表(0~3V 0~15V)、定值电阻8(2.5Ω、5Ω、10Ω、15Ω、20Ω、25Ω各一个)、开关、滑动变阻器(15Ω 1A)和导线若干,利用这些器材探究“电压一定时,电流与电阻的关系”,实验中电阻R两端的电压始终保持3V不变。
(1)请用笔画线代替导线,将图中实物电路连接完整,要求滑动变阻器的滑片P向B端移动时电压表示数变小;______(2)实验中,不能被选用的电阻为___Ω;判断的依据是______;(3)保证所选电阻均能正常进行实验,电源电压应该控制在3V至______V之间;(4)实验中依次接入其中三个定值电阻,调节滑动变阻器的滑片,保持电压表示数不变,测得相应的电流值,如下表所示。
分析表中的数据可以得出结论______;实验次数…234…R/Ω…101520…I/A…0.30.20.15…(5)做完探究“电压一定时,电流与电阻的关系”,把定制电阻换成小灯泡,测定小灯泡电功率的实验中,选用的电源电压为4.5V,小灯泡的额定电压为2.5V、电阻约为10Ω。
①闭合开关、移动滑片P至电压表的示数如图乙所示,如要获得小灯泡额定功率的数据,滑片P应向______(选填“A”或“B”)移动,使电压表的示数为______V。
②改变滑片P的位置,获得多组对应的电压、电流值。
根据记录的数据,绘制得如图丙所示的I﹣U图像。
由图像可知,小灯泡的额定功率是______W;同时发现小灯泡的电流与电压不成正比,原因可能是______。
【答案】 2.5 此时电流超过了电流表的量程 4.8电压一定时,电流与电阻成反比 A 2.5 0.5 小灯泡电阻受到温度的影响【解析】【分析】【详解】(1)[1]由题意可知,当滑动变阻器滑片P 向B 端移动时,接入电路中的电阻变大,故滑片左侧的电阻丝应当连入电路中,电路连接图如图所示。
上海复兴实验中学物理第十三章电路初探单元练习(Word版含答案)一、初三物理第十三章电路初探易错压轴题提优(难)1.进一步探究电容器是电气设备中的重要元件,是储存电荷的装置。
通常简称其容纳电荷的本领为电容,用字母C表示,单位为法拉,用字母F表示。
两个相距很近又彼此绝缘的平行金属板形成一个最简单的电容器,在电路中用表示。
(1)如图,闭合开关,电容的两个极板将带等量异种电荷,这个过程叫电容器充电。
充电过程中,经过开关的电流方向是______(选填“从A到B”或“从B到A”)。
改变电源电压,电容器所带电荷量Q也发生改变,实验数据如下表。
电压U/V282电荷量Q/C4×10-36×10-32×10-35×10-3电容C/F2×10-30.75×10-31×10-32×10-3(2)分析数据可知,电容C与电容器两端电压U及电荷量Q的关系式为:C=______。
(3)请把表格补充完整______。
(4)电容的大小不是由带电量或电压决定的,常见的平行板电容器,电容决定式为SCdε=(ε是一个常数,S为极板面积,d为极板间距离)。
多电容器串联时,121111=nC C C C++…,(C表示总电容,C1、C2.……C n表示各电容器的电容)。
现有两个极板面积分别为S1、S2,极板间的距离分别为d1、d2的平行板电容器串联接到电压为U的电源上,则总电容C=______,总共能够储存的电荷量为______。
【答案】B到AQCU= 2.5V 121221S SS d S dε+121221S Sd dUS Sε+【解析】【分析】【详解】(1)[1]充电过程中负电荷从A运动到B,正电荷从B运动到A,则根据电流方向的规定,经过开关的电流方向为B到A。
(2)[2]由表中数据可知3-3210F 2V 410C -⨯⨯=⨯3-30.7510F 8V 610C -⨯⨯=⨯3-3110F 2V 210C -⨯⨯=⨯即Q CU =则Q C U =(3)[3]根据上题所得公式Q U C=,将表中数据带入可得 33510C 2.5V 210FQ U C --⨯===⨯ (4)[4][5]现有两个极板面积分别为S 1、S 2,极板间的距离分别为d 1、d 2的平行板电容器串联接到电压为U 的电源上,电容决定式为S C d ε=则 111S C d ε= 222S C d ε=因为多电容器串联时 121111=nC C C C ++… 则12111=C C C + 带入12C C 、可得121221S S C S d S d ε=+则总共能够储存的电量为 121221US S S d C S d Q U ε+==2.在“探究串联电路电压特点”的实验中:(1)某次测量时,电压表的示数如图所示,则此时灯L1两端的电压为_____V;(2)某同学在测量了灯L1两端的电压后,断开开关,然后将AE导线的A端松开,接到D接线柱上,测量灯L2两端的电压,这一做法存在的问题是_____;(3)闭合开关S后,发现灯L1发光,L2不发光。
上海复兴实验中学物理电与磁单元练习(Word版含答案)一、三物理电与磁易错压轴题(难)1.在观察“磁场对通电直导线的作用”活动中,小明用导线在固定的接线柱MN下悬挂一根轻质的铝棒ab,然后将其作为通电导线接入电路放在蹄形磁体的磁场里,如图甲所示。
(1)小明闭合开关,看到铝棒稳定时如图乙所示;在探究导线在磁场中受力方向与电流方向、磁场方向的关系时,小明先仅对调磁极位置,闭合开关,观察到铝棒ab稳定时如丙所示,由此可知通电导线在磁场中受力的方向与____________方向有关。
然后小明保持图甲中的磁极位置不动,将铝棒ab两端对调后接入电路,发现铝棒ab的摆动方向依然如图乙所示,由此小明认为通电导线在磁场中的受力方向与电流方向无关。
你认为小明的做法对吗?____为什么?_________。
(2)小明进一步猜想:在同一磁场中,磁场对导线的作用力是否与通过导线的电流大小有关呢?为此小明决定在图丙所示的实验基础上,在电路中串入电流表,并通过将铝棒ab换成长短、粗细均相同但电阻更大的铁棒和电阻更小的铜棒来改变电路中的电流,进行对比实验。
① 实验过程中,小明应根据______(选填“电流表的示数”或“导线摆动角度”)来推断通电导线在磁场中的受力大小。
② 闭合开关,小明发现铁棒稳定时的位置都如图丁所示,与丙图实验现象相比,小明感到非常困惑。
请你指出小明实验设计中存在的问题并提出改进方法。
存在问题:_____________。
改进方法:_________________。
(3)若想利用小明的实验装置继续探究电磁感应现象,我们只需将图甲中的__________(选填“开关”、“铝棒ab” 或“电源”)替换成_____________即可。
【答案】磁场不对因为将铝棒ab两端对调后接入电路,电流方向还是不变导线摆动角度铁棒在磁场中会受到磁铁的吸引力把丁图的铁棒换成与丙图相同的铜棒电源灵敏电流表【解析】【详解】(1)[1]仅对调磁极位置,由此可知通电导线在磁场中受力的方向与磁场方向有关;[2][3]小明的做法不对;因为将铝棒ab两端对调后接入电路,电流方向还是不变,那么受力方向也不变,电流方向实际上是没有变化的;(2)[4]为了探究磁场对导线的作用力是否与通过导线的电流大小有关,需改变电流的大小,观察金属棒的受力大小,应根据导线摆动角度来推断通电导线在磁场中的受力大小;[5][6]由于铁棒比铝棒电阻大,根据UIR可知,在电源电压不变时,通过铁棒的电流较小,当磁场强度相同时,电流越小,导体受到的磁场力越小,因此铁棒比铝棒摆动的幅度小;所以实验中存在的问题是:铁棒在磁场中会受到磁铁的吸引力;改进方法是:把丁图的铁棒换成与丙图相同的铜棒;(3)[7][8]探究电磁感应现象,即磁生电,只需将图甲中的电源替换成灵敏电流表即可,这电流表能显示是否有电流产生。
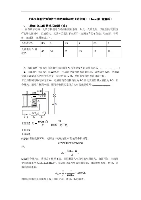
上海民办新北郊初级中学物理电与磁(培优篇)(Word版含解析)一、三物理电与磁易错压轴题(难)1.如图所示电路,是某学校楼道自动控制照明系统,R3是一光敏电阻,其阻值随“光照度E“的增大而减小,且成反比,其具体关系如下表所示(光照度E的单位是:勒克斯,符号Lx:光越强,光照度越大),光照度E/L x0.51 1.52 2.53光敏电用R3阻值/Ω603020151210(1)根据表格中数据写出光敏电阻的阻值R3与光照度E的函数关系式_________________;(2)当线圈中电流减小至10mA时,电磁继电器衔铁被弹簧拉起,启动照明系统,利用该装置可以实现当光照度低至某一设定值E0 Lx时,照明系统内照明灯自动工作。
若已知控制电路电源电压U v,电磁继电器线圈电阻为R1Ω.滑动变阻器最大阻值为R2Ω。
闭合开关,把滑片移到b端,则可得到照明系统启动时的光照度E0=______________。
【答案】330LxΩRE⋅=1230100U R R--【解析】【详解】(1)[1]由表格数据可知,光照度与光敏电阻R3阻值的乘积相等,E×R3=0.5lx×60Ω=30lx•Ω即:330LxΩRE⋅=;(2)[2]闭合开关S,将滑片P移至b端,变阻器接入电路中的电阻最大,由题可知,当线圈中电流减小至I0=10mA=0.01A时,电磁继电器衔铁被弹簧拉起,启动照明系统,所以,电路中的总电阻:=100Ω0.01AU UR UI==总;因串联电路中总电阻等于各分电阻之和,所以,R3的阻值:R3=R 总-R 1-R 2=100U -R 1-R 2,根据第一步的结果可知:03123030=100E R U R R =-- 。
2.如图所示是老师设计的一个实验装置,用来探究“影响电磁铁磁性强弱因素”,它是由电源、滑动变阻器、开关、带铁芯的螺线管(线圈电阻忽略不计)和自制的针式刻度板组成,通过观察指针偏转角度的大小,来判断电磁铁磁性的强弱.用竹片削制的指针下方加装固定一物体E ,导线 a 与接线柱 2 相连.(1)为了使指针在受磁场力的作用在能绕 O 点转动,需在 E 处加装铁块,加装物体后,为了确保指针能正确指示且具有一定的灵敏度,老师在 O 点转轴处涂抹润滑油,目的是_____,使指针转动更灵活.(2)按如图所示连接好电路,闭合开关,调节滑动变阻器滑片 P 到某一位置,记下此时指针偏转的角度,保持滑片 P 位置不变,导线 a 改为与接线柱 1 相连,可以探究电磁铁磁性强弱与_____的关系;保持接线方式不变,移动变阻器滑片 P ,可以探究电磁铁磁性强弱与另外一个因素的关系.(3)当滑动变阻器的滑片 P 向左滑动时,指针偏转的角度将会______(选填“增大”或“减小”).(4)细心观察的小锋同学发现在实验过程中该自制装置的指针均向右偏转,只是偏转角度不同,该同学向老师提出能否让指针向左偏转,老师马上将一块小磁铁换装在如图 E 处, 且让磁铁的右端为_____极,闭合开关后,同学们发现指针果然向左偏转.(5)你认为该装置中指针的偏转角度大小可能还与哪些因素有关?______(只写出一个即可)【答案】减小摩擦 线圈匝数 减小 N 铁芯大小【解析】【分析】(1)根据减小摩擦的方法解答;(2)根据1、2位置比较接入电路线圈匝数多少可知答案;(3)当滑动变阻器的滑片 P 向左滑动时,电阻变大,电流变小,磁场减弱;(4)首先判断电磁铁的N 、S 极,然后利用电磁铁与所放磁铁的磁极相互作用做出判断;(5)该装置中指针的偏转角度大小要受磁力大小、竹片削制的指针质量、电磁铁距离指针的距离等因素影响.【详解】(1)在O点转轴处涂抹润滑油可以使接触面变光滑,从而减小了摩擦;(2)保持滑片P位置不变,忽略线圈电阻,则电流不变,导线a改为与接线柱1相连,增加了线圈匝数,因此可以探究电磁铁磁性强弱与线圈匝数的关系;保持接线方式不变,移动变阻器滑片P,改变电流大小,可以探究电磁铁磁性强弱与电流大小的关系.(3)当滑动变阻器的滑片P向左滑动时,接入电路电阻增大,电流减小,磁性减弱,所以指针偏转的角度将会减小;(4)由图中通电线圈电流流入方向,利用右手螺旋定则可以判断出通电线圈左端为N极,右端为S极,在E处放小磁铁让磁铁的右端为N极、左端为S极时,则通电线圈右端S极与小磁铁左端为S极就会相互排斥,指针就会向左偏转;(5)该装置中指针的偏转角度大小要受磁力大小、竹片削制的指针质量、电磁铁距离指针的距离等因素影响;所以指针的偏转角度大小还与铁芯大小有关,也与竹片削制的指针质量有关.3.如图所示是小华实验小组探究电磁感应现象的实验装置.(1)保持ab棒不动,闭合电路,检流计的指针不动,说明这时导线中________(选填“有“或“无”)电流.(2)当αb棒水平运动时,可以观察到电流表指针发生偏转,如果它的偏转的方向向左,若将ab棒看成是一个电源,则________端为正极.(3)保持电路闭合,当ab棒向左运动和向右运动时,检流计的指针会向左和向右偏转,表明导线中的感应电流方向与________有关.(4)将U形磁铁反转对调磁极,闭合电路,当ab棒向左运动和向右运动时,检流计的指针会向右和向左偏转,表明导线中的感应电流方向与________有关.(5)实验中小华同学为了使检流计指针明显偏转,你认为他可能会采取哪些措施?(写出一条即可)________.【答案】无b切割磁感线运动方向磁场方向换用磁性更强的磁体【解析】【详解】(1)闭合电路,若保持ab棒不动,即不做切割磁感线运动,故电路中没有感应电流;(2)在正常情况下,电流表的指针向右偏,而在这里发现电流表的指针向左偏转,故表明与电流表正接线柱相连的是电源的负极;与电流表负接线柱相连的是电源的正极,故此时b端相当于电源的正极;(3)保持电路闭合,当ab棒向左运动和向右运动时,检流计的指针会向左和向右偏转,表明导线中的感应电流方向与切割磁感线运动方向有关;(4)将U形磁铁反转对调磁极,闭合电路,当ab棒向左运动和向右运动时,检流计的指针会向右和向左偏转,表明导线中的感应电流方向与磁场方向有关.(5)使检流计指针明显偏转,即使得电路中的电流增大,故可以换用磁性更强的磁体,也可以加快导体的运动速度等均可;4.课堂上,老师做了如图甲所示的演示实验,给直导线(铝棒)通电,观察到直导线运动起来。
一、选择题1.如图所示,能反映电动机工作原理的是A.B.C.D. B解析:BA.如图是奥斯特实验,反映通电导体周围存在磁场,不符合题意;B.通电导体在磁场中受力运动,是电动机的工作原理,符合题意;CD.电路中都没有电源,是电磁感应现象,选项D是发电机的工作原理图,选项C反映电磁感应,都不符合题意.故选B.2.如图所示,下列有关电磁学的知识,说法正确的是()A.甲图中,说明电磁铁的磁性强弱与电流大小有关B.乙图中,闭合开关,滑片向右侧滑动时,弹簧测力计的示数变小C.丙图中,电动机运用了此原理,电动机将电能转化为机械能D.丁图中,此实验是由奥斯特发现的电磁感应现象C解析:C【解析】A、甲图中,两电磁铁串联,电流相同,线圈匝数越多,吸引的大头针越多,磁性越强,说明电磁铁的磁性强弱与线圈匝数有关,故A错误;B、乙图中,闭合开关,电流从螺线管的上端流入,根据安培定则可知,通电螺线管上端为S极,异名磁极相互吸引;滑动变阻器滑片P向右侧滑动时,滑动变阻器接入的电阻减小,电流变大,电磁铁磁性变强,则吸引力增大,故弹簧测力计示数变大,故B错误;C、丙图中有电源,若闭合开关,磁场中的金属棒会受力运动,说明通电导体在磁场中受力的作用,这是电动机的原理,电动机将电能转化为机械能,故C正确;D、丁图中没有电源,闭合开关后,当金属棒ab做切割磁感线运动时,电路中就会产生感应电流,这是法拉第发现的电磁感应现象,故D错误。
故选:C。
【点睛】注意分清楚研究电磁感应和磁场对通电导线作用力的两个实验,两个实验从图看很相似,容易混淆,区分的方法是,有电源的是研究磁场对通电导线作用力的实验,有灵敏电流计的是研究电磁感应的实验。
3.中华民族有着悠久的文明历史,我国古代人对自然现象进行观察和研究留下了许多史料记载,下列是有关记载和相应物理本质的解释,其中错误的是A.“湖光映彩霞”──光的反射现象B.“潭清疑水浅”──光的折射现象C.“司南之杓,投之于地,其抵指南”──地球周围存在磁场D.“山顶有泉,煮米不成饭”──山顶气压较低,泉水的沸点较高,水不容易沸腾D解析:D【解析】A、“湖光映彩霞”是平面镜成像,利用的是光的反射,所以A是正确的;B、当光从水底斜射入空气时发生折射,当人逆着折射光线看时,看到的是水底的虚像,比实际位置偏高,故B说法正确;C、地球周围存在着地磁场,“司南”在地磁场中受到了磁力作用,故总是指南,故C说法正确;D、由于大气压随高度的增加而减小,所以在山顶气压低,液体的沸点随气压的减小而降低,所以水沸腾时温度低,不能把食物煮熟,故D说法错误,符合题意;故选:D。
上海民办新复兴初级中学中考物理试题含答案一、选择题1.如图所示的简单机械,在使用中属于省力杠杆的是()A.钳子B.筷子C.理发剪刀D.食品夹2.如图所示,电源电压保持不变,闭合开关S,将滑动变阻滑片P向右移动,下列说法中正确的是()A.电路消耗的总电功率变大B.电压表与电流表的示数之比变小C.电流表的示数变大,电压表的示数变小D.电流表的示数变小,电压表的示数不变3.如图所示,将一个条形磁铁置于水平桌面上,电磁铁左端固定在竖直墙壁上并保持水平。
当开关S闭合后,条形磁铁能保持静止状态,下列说法正确的是()A.条形磁铁受到的摩擦力的方向是水平向右的B.条形磁铁受到的摩擦力的方向是水平向左的C.在滑片P向上移动的过程中,电磁铁的磁性减弱D.在滑片P向下移动的过程中,条形磁铁所受的摩擦力增大4.生活处处有物理,爱动脑的小张同学对图作出的解释错误的是()A.吸管的一端一般是斜的,目的是为了增大压力B.在输液时,要将液瓶挂高是为了增大压强C.茶壶盖上有个小孔,目的是为了平衡气压D.船闸设计成上图形式,是利用了连通器原理5.只利用如图各组给定的器材做实验,不能完成其实验目的是()A.探究压力作用效果与受力面积的关系B.研究液体压强与液体密度的关系C.证明大气压强的存在D.验证电磁波的存在A.A B.B C.C D.D6.以下事例与物理知识对应的是()A.高压锅的原理﹣﹣﹣沸点与气压的关系B.用验钞机检验人民币的真伪﹣﹣﹣利用红外线使荧光物质发光C.吹电风扇感到凉爽﹣﹣﹣风扇转动降低了室温D.运动员打鼓用的力越大,鼓声越高﹣﹣﹣振幅越大,音调越高7.在体育测试过程中,以下选项正确的是()A.跳远测试时,必须选用分度值为1mm的刻度尺进行测量B.小明在50m测试中看到旁边的看台向后运动,选取的参照物是跑道C.小明50m测试的成绩是7s,则他的平均速度为6.25m/sD.1000m测试小明的平均速度为5m/s、小亮的成绩是240s,小明更快8.下列物态变化过程中,需要吸收热量的是()A.湖水结成冰B.樟脑丸变小C.露珠的形成D.雾凇的形成9.一束平行光从水中射入空气,OP是其中的一条反射光线,如图所示.能正确反映光线OP的光路图是()A.B.C.D.10.类比法、控制变量法、实验推理法、转换法、模型法等是科学实验中常用的研究方法。
一、选择题1.如图所示的实验装置,当开关闭合时,能观察到导体棒ab沿金属导轨运动。
图中利用这一现象所揭示的原理制成的设备是()A.电饭锅B.手摇发电机C.电风扇D.电热壶2.如图所示是实验室电流表的内部结构图,处在磁场中的线圈有电流通过时,线圈会带动指针一起偏转。
下列四幅图中与此电流表工作原理相同的是( )A.B.C.D.3.如图所示,条形磁铁置于水平桌面上,电磁铁水平放置且左端固定,当电路中滑动变阻器的滑片P逐渐向右移动,条形磁铁仍静止,在此过程中,条形磁铁受到的摩擦力A.逐渐增大,方向向右B.逐渐减小,方向向右C.逐渐增大,方向向左D.逐渐减小,方向向左4.如图所示,条形磁铁置于水平面上,电磁铁与其在同一水平面上,右端固定并保持水平,当电路中滑动变阻器滑片P逐渐向右移动时,条形磁铁仍保持静止,在此过程中条形磁铁受到的摩擦力的方向和大小是A.方向向左,逐渐增大B.方向向左,逐渐减小C.方向向右,逐渐增大D.方向向右,逐渐减小5.如图所示是电机示意图,对于图示的说法,正确的是A.图中绘出的是直流电动机的示意图,线圈正转到平衡位置B.图中绘出的是直流电动机的示意图,线圈受到磁场的作用力而转动C.图中绘出的是交流发电机的示意图,此时导线切割磁感线,线圈中产生电流D.图中绘出的是交流发电机的示意图,此时导线不切割磁感线,线圈中没有电流6.下列关于物理概念的说法中,正确的是()A.多次测量取平均值可以有效避免误差的产生B.有力作用在物体上且移动了距离,则该力对物体一定做了功C.热传递改变物体内能的实质是内能的转移D.磁场对放入其中的物体会产生磁力的作用7.如图所示,是一种自行车前轮的结构图,行驶中,磁铁靠近传感器时磁场能使其中的带电粒子发生偏转(即相当于通电导体在磁场中受力运动),产生一种信号,信号传入速度计能测出自行车行驶的速度和里程.下列能说明其原理的是图()A.B.C.D.8.如下图所示,弹簧下吊一块条形磁铁,磁铁的下端是N极,下面有一个螺线管,P是滑动变阻器的滑片,通电后如果将滑片P向右移动。
上海民办新复兴初级中学初三九年级物理电与磁汇编一、电与磁压轴实验培优题1.下列是创新小组对电流磁场的研究.(1)如图甲所示的实验,闭合开关前,小磁针静止且能指向南北,这是因为_____的作用;闭合开关后,导线下方的小磁针偏转,说明通电导体周围存在_____,这一发现是丹麦科学家_____首先完成的.(2)为探究通电直导线周围的磁场分布情况,用小磁针、铁屑、硬纸板等做了如图乙所示的实验,发现了直导线周围的磁场是以导线为圆心的同心圆圈,根据图乙的情景判断图丙中小磁针N极将_____.(选填“转向纸内”、“转向纸外”或“保持不动”).改变电流的方向,小磁针N极的指向_____(选填“不变”或“变化”).(3)在做“探究通电螺旋管外部磁场的方向”的实验时,在螺线管周围摆放了一些小磁针通电后小磁针的指向如图丁所示,由此可看出通电螺线管外部的磁场与_____磁体的磁场相似.改变螺线管中的电流方向,发现小磁针静止时北极所指方向与原来相反,由此可知:通电螺线管外部磁场方向与螺线管的_____方向有关.(4)写出增强通电螺线管周围磁场的一个方法_____.2.在探究通电螺线管外部磁场的实验中,采用了图所示的实验装置.(1)当闭合开关S后,小磁针____发生偏转(填“会”或“不会”),说明通电螺线管与小磁针之间是通过____发生力的作用.(2)用铁屑来做实验,得到了图所示的情形,它与____磁铁的磁场分布相似.为描述磁场而引入的磁感线____真实存在的.(3)为了研究通电螺线管的磁极性质,老师与同学们一起对螺线管可能的电流方向和绕线方式进行了实验,得到了如图所示的四种情况.实验说明通电螺线管的磁极极性只与它的____有关,且这个关系可以用____判断.(4)闭合开关S,通电螺线管周围的小磁针N极指向如图所示,由图可知:在通电螺线管外部,磁感线是从____极发出,最后回到____极.3.发电机是如何发电的呢?同学们用如图所示的装置进行探究.(1)当导体ab静止悬挂起来后,闭合开关,灵敏电流计G指针不偏转,说明电路中________(填“有”或“无”)电流产生.(2)小芳无意间碰到导体ab,导体ab晃动起来,小明发现电流表指针发生了偏转,就说:“让导体在磁场中运动就可产生电流.”但小芳说:“不一定,还要看导体怎样运动.”为验证猜想,它们继续探究,并把观察到的现象记录如下:分析实验现象后,同学们一致认为小芳的观点是______(填“正确”或“错误”)的,比较第2、3次实验现象发现,产生的电流的方向跟_____有关;比较第3、6次实验现象发现,产生的电流的方向还跟_____有关.(3)在整理器材时,小明未断开开关,先撤去蹄形磁铁,有同学发现指针又偏转了!他们再重复刚才的操作,发现电流表的指针都偏转,请教老师后得知,不论是导体运动还是磁体运动,只要闭合电路的一部分导体在________中做________________运动,电路中就会产生感应电流,这就是发电机发电的原理,此原理最早由英国物理学家________发现.4.在“探究什么情况下磁可以生电”的实验中:(1)小星设计的电路如图甲所示,在蹄形磁体的磁场中放置一根导线ab,ab的两端分别跟开关,螺线管连接,螺线管旁放置一个小磁针,当ab中产生电流时,螺线管中有_____通过,小磁针会发生偏转.(2)小星闭合开关后,不管导线ab在磁场中怎样运动,小磁针都不偏转,是没有产生电流,还是产生的电流太微弱?他换用了一个灵敏电流表代替螺线管和小磁针,如果灵敏电流表指针发生偏转,表明ab中产生电流,实验的情况如图乙所示.A.观察并分析①②③现象可知:导体静止时,_____产生感应电流;导体沿着磁感线方向运动时,_____产生感应电流;导体切割磁感应线运动时,_____产生感应电流.(均选填“能”或“不能”)B.观察并分析③④现象可知:产生感应电流的条件之一是_____ .(3)对比图甲和图乙两次实验后,小星认为:图甲中小磁针不发生偏转,不是没有产生电流,而是_____ .(4)实验中,如果导体不动,只要马蹄形磁体_____ 运动(填“上下”“前后”或“左右”)也能产生感应电流.5.小波小组在“探究通电螺线管的外部磁场”实验中,设计了如图甲所示电路。
一、选择题1.下列说法中,正确的是()A.风能、水能、太阳能,都属于一次能源B.太阳向外辐射的能量,来源于内部原子核发生的裂变C.核电站利用核聚变反应发电D.能量的转化与转移都是有方向的,因此,能量守恒定律不成立2.一桶汽油用去一半,剩下的半桶汽油不变的物理量是A.热值,内能 B.比热容,密度C.质量,体积 D.热量,温度3.关于电与磁的材料,下列说法中正确的是()A.地磁场的磁感线是从地球南极附近发出回到北极附近B.导体在磁场中运动就一定会产生感应电流C.在真空中,无线电波的传播速度小于光的传播速度D.集成电路中的三极管是利用超导体材料制成的4.下列说法正确的是()A.负电荷的移动能够形成电流B.汽车导航仪在与“北斗”卫星联系时,利用的是电磁波C.提着桶从一楼走到五楼,人对桶不做功D.使弹起的足球落回地面的力是弹力5.如图所示,能反映电动机工作原理的是A.B.C.D.6.我国未来的航母将采用自行研制的电磁弹射器.电磁弹射器的弹射车与飞机前轮连接,并处于强磁场中,当弹射车内的导体通以强电流时,舰载机受到强大的推力而快速起飞.电磁弹射器工作原理与下列设备或用电器工作原理一致的是()A.B.C.D.7.在如图的家庭电路中,当闭合开关后,发现电灯不亮,用测电笔测试图中的a、b、c、d四点时,发现只有测a点时测电笔的氖管不发光,那么可能发生的故障是()A.ab之间某处断路B.cd间某处断路C.开关处短路D.电灯灯丝断了8.下列实例中,符合安全用电要求的是()A.使用绝缘层破损的电线B.洗衣机的金属外壳安装接地线C.用湿抹布擦拭正在工作的台灯D.未断开电源的情况下更换灯泡9.下列数据符合生活实际的是()A.手机正常通话时的电流约为5A B.人体的安全电压是36VC.液晶电视的额定功率约为100W D.普通白炽灯泡工作1小时耗电1kW·h 10.如下图所示电路中,L1、L2是小灯泡,电源电压为3V,当开关S闭合时,两灯均能发光,电压表的示数为1.2V。
一、选择题1.如图,磁场垂直于纸面,磁感应强度在竖直方向均匀分布,水平方向非均匀分布。
一铜制圆环用丝线悬挂于O点,将圆环拉至位置a后无初速释放,在圆环从a摆向b的过程中()A.感应电流方向先逆时针后顺时针再逆时针B.感应电流方向一直是逆时针C.安培力方向始终与速度方向相反D.安培力方向始终沿竖直方向2.如图所示,在同一个水平而内的彼此绝缘的两个光滑圆环A、B,大圆环A中还有顺时针方向的恒定电流I。
小圆环B的一半面积在环A内、一半面积在环A外,下列说法正确的是()A.穿过环B的磁通量为0B.环B中有持续的感应电流C.若增大环A内的电流,则环B会向右移动。
D.若减小环A内的电流,则环B会产生道时针方向的电流3.如图所示,水平放置的两条光滑轨道上有可自由移动的金属棒PQ、MN,MN的左边有一闭合电路,当PQ在外力的作用下运动时,MN向右运动。
则PQ所做的运动是()A.向右加速运动B.向左减速运动C.向右减速运动或向左加速运动D.向右加速运动或向左减速运动4.如图所示的电路中,A,B,C是三个完全相同的灯泡,L是自感系数很大的电感,其直流电阻与定值电阻R阻值相等,D是理想二极管.下列判断中正确的是()A.闭合开关S的瞬间,灯泡A和C同时亮B.闭合开关S的瞬间,只有灯泡C亮C.闭合开关S后,灯泡A,B,C一样亮D.断开开关S的瞬间,灯泡B,C均要闪亮一下再熄灭5.如图所示,光滑的金属轨道分水平段和圆弧段两部分,O点为外侧圆弧的圆心。
两金属轨道之间的宽度为0.5m,匀强磁场方向如图所示,大小为0.5T。
质量为0.05 kg、长为0.5m的金属细杆置于金属轨道上的M点。
当在金属细杆内通以2A的恒定电流时,金属细杆可以沿轨道由静止开始向右运动。
已知MN=OP=1 m,则(g取10 m/s2)()A.金属细杆开始运动时的加速度大小为5 m/s2B.金属细杆运动到P点时的速度大小为5 m/sC.金属细杆运动到P点时的向心加速度大小为10 m/s2D.金属细杆运动到P点时对每一条轨道的作用力大小为 0.75N6.图中两条平行虚线之间存在匀强磁场,虚线间的距离为L,磁场方向垂直纸面向里。
一、选择题1.如图所示,P 、Q 是两个完全相同的灯泡,L 是电阻为零的纯电路,且自感系数L 很大,C 是电容较大且不漏电的电容器,下列判断正确的是( )A .S 闭合,P 灯逐渐变亮,Q 灯逐渐变暗B .S 闭合,P 灯、Q 灯同时亮,然后P 灯变暗,Q 灯亮度不变C .S 闭合,电路稳定后,S 再断开时,P 灯突然亮一下,然后熄灭,Q 灯立即熄灭D .S 闭合,电路稳定后,S 再断开时,P 灯突然亮一下,然后熄灭,Q 灯逐渐熄灭D 解析:DAB .S 刚闭合后,由于L 的自感系数很大、对电流的阻碍作用很大,使得电流绝大部分通过灯泡P ,而电容器C 的电容很大,要通过灯泡P 充电,并且充电电流越来越小,故P 亮一下又逐渐变暗,最后P 被L 短路,所以P 最后会熄灭;通过Q 的电流逐渐增大,故Q 逐渐变亮,故AB 错误;CD .S 闭合足够长时间后再断开,电容器要对Q 放电,故Q 要逐渐熄灭,而线圈L 对P 放电,导致P 灯突然亮一下,然后熄灭,故C 错误,D 正确;故选D 。
2.科学家发现一种新型合金材料N 45Co5n40Sn10i M (),只要略微加热该材料下面的铜片,这种合金就会从非磁性合金变成强磁性合金。
将两个相同的条状新型合金材料竖直放置,在其正上方分别竖直、水平放置两闭合金属线圈,如图甲、乙所示。
现对两条状新型合金材料下面的铜片加热,则( )A .甲图线圈有收缩的趋势B .乙图线圈有收缩的趋势C .甲图线圈中一定产生逆时针方向的感应电流D .乙图线圈中一定产生顺时针方向的感应电流B解析:BAC .对两条状新型合金材料加热,均会从非磁性合金变成强磁性合金,甲图中,穿过线圈的磁通量为零,故甲图线圈中始终无感应电流产生,也不受安培力,无收缩扩张趋势, AC 错误;B .乙图线圈中磁通量增加,依据楞次定律,线圈有收缩并远离趋势, B 正确; D .依据感应电流产生条件,乙图线圈中一定产生感应电流,但磁场方向未知,所以感应电流方向不确定, D 错误。
上海民办新复兴初级中学物理电与磁(培优篇)(Word版含解析)一、三物理电与磁易错压轴题(难)1.在安装直流电动机模型的实验中,小明将组装好的电动机模型、滑动变阻器、电源、开关串联起来如图甲所示:(1)小明闭合开关,发现线圈不转,他用手轻轻转了一下线圈,电动机模型开始正常转动。
线圈原来不转的原因是_______;(2)若要电动机转速加快,小明应将滑动变阻器的滑片向_______移动;(3)接下来,小明把永磁铁换成图乙所示的电磁铁,并将电磁铁线圈的两个接线柱M、N分别与电刷A、B相连,使电磁铁线圈与电动机模型线圈并联后,合用一个电源。
当对调接在电源正、负极上的导线时,电动机线圈转动的方向会不会改变?答:_______,理由是_______;(4)完成以上实验后,小明取下图甲中的电源换上小灯泡,在模型的转轴上绕上细线,如图丙所示,然后快速拉动细线,使线圈转动起来,结果小灯泡发光,此时这模型就相当于_______机。
【答案】线圈刚好处在平衡位置左不会电流方向和磁场方向同时改变发电【解析】【分析】【详解】(1)[1]线圈不转,用手轻轻转了一下线圈,电动机模型开始正常转动,说明线圈原先刚好处在平衡位置。
(2)[2]要使电动机转速变快,就要增大电流,所以滑动变阻器电阻应变小,即滑片要向左移动。
(3)[3][4]电磁铁和线圈共用一个电源,当对调电源正负极时,电磁铁的磁场方向改变,线圈中的电流方向也发生改变,所以电动机的转向不变。
(4)[5]拉动细线,线圈转动,切割磁感线,产生感应电流,所以是发电机的模型。
2.如图所示是课本上“通电导线在磁场中受力”的实验示意图。
小谦同学实际探究时,在下表记录了实验情况。
实验序号磁场方向ab中电流方向ab运动方向1向下无电流静止不动2向下由a向b向左运动3向上由a向b向右运动4向下由b向a向右运动(1)比较实验2和3,说明通电导线在磁场中受力方向与________有关;比较实验__________和____________,说明通电导线在磁场中受力方向与电流方向有关。
(2)小谦通过观察导线运动方向,来判断导线在磁场中受力方向,用到的物理学方法是____________(选填下列选项对应的符号)。
A.类比法 B.控制变量法 C.转换法(3)小谦想在这个实验的基础上进行改造,来探究“哪些因素影响感应电流的方向”。
为了观察到明显的实验现象,他应把图中的电源换成很灵敏的___________(选填“电流表”或者“电压表”)。
【答案】磁场方向24C电流表【解析】【详解】(1)比较实验2和3,电流方相相同,磁场方向不同,导体运动的方向不同,说明通电导线在磁场中受力方向与磁场方向有关;比较实验2、4,磁场方向相同,电流方向不同,导体运动方向不同,说明通电导线在磁场中受力方向与电流方向有关。
(2)实验中通过观察导线运动方向,来判断导线在磁场中受力方向,用到的科学方法是转换法;(3)探究影响感应电流方向的因素,为了观察到明显的实验现象,需要用灵敏电流表代替电源来显示产生感应电流的方向。
3.在学习了电和磁的知识后,小杰在家里饶有兴趣地做起了小实验.他找了一枚缝衣针,在“吸铁石”上擦了几下,然后用一根细软的棉线将缝表针悬挂起来井保持水平,结果发现静止后针尖总是指向南方,这说明缝衣针已经磁化成了一枚小磁针。
为验证奥斯特实验,小杰把通电的台灯(60 W)导线移到缝衣针的下方,并靠近缝衣针平行放置,结果发现缝衣针并未发生偏转,带着疑问,小杰在科学课堂上与大家展开讨论。
结果出现了两种不同观点,这时,老师让小杰用两节干电池(3 V)和一段电阻丝(15 Ω)重新做这个实验.结果缝衣针发生了偏转。
(1)磁化后,这枚缝衣针的针尖是________极;(填“S ”或“N ”)(2)在课堂实验中,电阻丝中通过的电流大小为________安;(3)下面是同学们在课堂讨论中形成的两种观点,通过小杰的课堂实验可以否定的是______(填“A ”或“B ”)A .台灯线内有两根导线,且电流方向相反,产生的磁性相互抵消B .台灯线内电流太小,产生的磁场太弱,不足以让小磁针偏转【答案】S 0.2 B【解析】【分析】【详解】(1)[2]缝衣针被悬挂起之后针尖总是指向南方,根据人们对磁极的规定可知,针尖是南极,即S 极。
(2)[2]由欧姆定律公式可得,课堂实验中,电阻丝中通过的电流大小为3V ==0.2A 15ΩU I R =(3)[3]台灯导线中的电流为 60W =0.27A 220VP I U 台灯台灯台灯=≈ 可见电阻线中的电流与台灯导线中的电流大小相差不大,所以台灯线不能使缝衣针偏转不是由于电流太小引起的;其真正的原因应该是,台灯是交流电,并行的导线中瞬间的电流方向是相反的,因此产生的磁场相互抵消,不会使缝衣针发生偏转,故B 可以否定。
4.李明用天然磁石仿制图甲所示的勺状的指南针﹣﹣司南.(1)他用的材料是图乙所示的天然磁石,该磁石的D 端为________ (选填“北极”或“南极”).(2)他用该磁石的D 端磨成勺柄,打磨成勺状指南针(即“司南”),再用细线将其悬挂,如图丙所示,司南静止时,勺柄指向地球的________(3)将该司南悬挂在电磁铁正上方,闭合开关S ,司南静止时的指向如图丁所示,则电磁铁左端是_____ (选填“北极”或“南极”)极,则电源M 端是________ (选填“正极”或“负极”).(4)为增强司南的磁性,可用图丁所示装置,通过________(填字母序号),来增强电磁铁对司南磁化的效果.A.改变电源的正负极 B.让司南垂直放置在AB中点的正上方 C.增加电源的电压.【答案】南极南极北极负极 C【解析】【分析】【详解】(1)人们规定磁场的方向由北极出发到南极,由图可知,在磁体外部磁感线由B端到D 端,因此,磁石的D端为该磁体S极,即南极;(2)地磁的北极在地理的南极附近,由于异名磁极相互吸引,因此,司南静止时,勺柄指向地球的南极;(3)因为异名磁极相互吸引,所以通电螺线管的左端是N极;再用安培定则,右手大母指向左握住螺线管,可判断通电螺线管中的电流方向为:右端电流向上,左端向下;再根据电流方向是从电源正极出发通过用电器回到负极,所以电源左端,即M端为电源的负极;(4)为了增强司南的磁化效果,可以增加电源电压,使线圈中电流增大,则线圈磁性增强,磁化效果更好.故选C.【点睛】牢记磁场方向的规定,即磁体周围的磁感线,都是从磁体的N极出发,回到S极;磁极间的作用规律是:同名磁极相互排斥,异名磁极相互吸引,再结合安培定则判断电源的正负极5.某次旅游,密闭大巴内坐满了游客,司机忘了打开换气设备,时间一久,车内二氧化碳浓度上升,令人头晕脑胀.为此,小明设计了车载自动换气设备(一)小明找来二氧化碳气敏电阻R x,其电阻值与空气中二氧化碳浓度关系如表格所示,其中二氧化碳浓度为0时,R x阻值模糊不清,他对该电阻阻值进行测量小明把空气通过氢氧化钠溶液,得到二氧化碳浓度为0的空气,并收集于集气瓶中,再将R x置于其中(1)图甲电源电压恒为6V,请以笔画导线完成电路图剩余部分的连接.要求,滑片P向B 端移动时,电压表、电流表的示数都变大.(___)(2)开关S闭合前,滑片P应移至_____(选填“A”或“B”)端.(3)闭合开关S,发现电流表无示数,电压表有示数.电路某一故障可能为_____.A、S断路B、R'断路C、R x短路D、R x断路(4)排除故障后,移动滑片P,电压表、电流表示数如图乙所示,二氧化碳为0时,R x的阻值为_____Ω(5)请在丙图中画出R x阻值与空气中二氧化碳浓度的关系图象.(___)(二)小明利用电磁继电器设计车载自动换气设备,如图丁所示,控制电路,恒为6V的蓄电池,开关S,定值电阻R0,二氧化碳气敏电阻R x,电磁继电器的线圈电阻不计,线圈电流大0.1A时衔铁被吸下,线圈电流小于0.1A衔铁被弹回,受控电路包括,恒为24V的蓄电池,额定电压均为24V的绿灯、红灯、换气扇.(6)请以笔画线完成电路连接,要求:闭合开关S,周围空气中二氧化碳浓度小于8%时,绿灯亮;大于8%时,红灯亮且换气扇正常工作.(___)(7)定值电阻R0的阻值应为_____Ω.【答案】A D3535【解析】【分析】(1)由图乙确定两表的量程,根据要求滑片P向B端移动时,电压表、电流表的示数变大确定变阻器的连接与电压表的连接;(2)为保护电路,开关S闭合前,滑片P应移至阻值最大处;(3)若电流表示数为0,说明电路可能断路;电压表有示数,说明电压表与电源连通,则与电压表并联的支路以外的电路是完好的,则与电压表并联的电阻断路了;(4)分别图中电压表大量程和电流表小量程读数,根据欧姆定律求电阻;(5)根据描点作图;(6)将控制电路串联起来;根据电流大于0.1A,电磁铁将衔铁吸下,红灯亮且换气扇正常工作,同时绿灯断开不亮;当电流小于0.1A,绿灯亮:故红灯亮与换气扇并联,根据衔铁吸下时与下触点接触,电流小于0.1A时与上触点接触,按要求连接工作电路;(7)由图2可知,当周围空气中二氧化碳浓度为8%时,气敏电阻大小为R′X=25欧姆,根据欧姆定律和电阻的串联求出定值电阻的大小.【详解】(1)用伏安法测电阻大小,电流表要串联在电路中,由图乙可知,电压表选用大量程,电流表选用小量程,因要求滑片P向B端移动时,电流表的示数变大,则电路中的电阻变小,即滑动变阻器连入电路中的电阻变小,故滑片以右电阻丝连入电路中,根据欧姆定律的变形公式U=IR,待测电阻的电压变大,由串联电路的电压规律,电压表示数变小,故电压表并联在待测电阻的两端,如下图1所示:(2)开关S闭合前,滑片P应移至阴性阻值最大处,即A端;(3)闭合开关S,发现电流表无示数,电压表有示数.电路某一故障可能为R x断路,选D;(4)图中电压表选用大量程,分度值为0.5V,示数为为3.5V;电流表选用小量程,分度值为0.02A,示数为0.1A,由欧姆定律,待测电阻:R X=3.5=350.1U VI A=Ω;(5)由表中数据,在坐标系中确定对应的点,用平滑的曲线连接起来,如下图2所示所示:(6)闭合开关S,因周围空气中二氧化碳浓度越大,气敏电阻越小,当大于8%时,电阻小于某一值,电流大于0.1A,电磁铁将衔铁吸下,红灯亮且换气扇正常工作,同时绿灯断开不亮;当周围空气中二氧化碳浓度小于8%时,电阻大于某一值,电流小于0.1A,绿灯亮;将控制电路与电源串联起来;电流小于0.1A时,上触点与衔铁接触,绿灯与电源连接,绿灯亮;电流流大于电0.1A时,磁铁将衔铁吸下,下触点与衔铁接触,上触点与衔铁分离,红灯与换气扇并联,红灯亮且换气扇正常工作,绿灯断路;电路连接如下所示:(7)由图2可知,当周围空气中二氧化碳浓度为8%时,气敏电阻大小为R′X=25欧姆,电路中电流I=0.1A,根据欧姆定律和电阻的串联规律,R0=UI﹣R′X=60.1VA﹣25Ω=35Ω;【点睛】本题考查测电阻的电路连接、注意事项、故障分析、电表读数、电阻计算,同时也考查了电磁继电器的运用及电路的连接,并汲及运用图象解决问题的思想,综合性强,难度较大.6.磁体具有吸引铁、钴、镍等物质的性质。