包络检波器的设计与实现
- 格式:docx
- 大小:186.67 KB
- 文档页数:8
二极管峰值包络检波器的设计峰值包络检波器是一种广泛应用于无线通信和雷达系统中的电路,用于从调制信号中提取出包络信号。
与常规的整流电路不同,峰值包络检波器能够准确地提取出输入信号的包络,同时不失真信号的高频特性。
本文将介绍如何设计一个基于二极管的峰值包络检波器。
首先,让我们了解一下峰值包络检波器的工作原理。
该电路的基本原理是利用二极管的非线性特性,使得输入信号的正半周被整流为直流信号,并在其中一个时刻保持其峰值。
下面是该电路的基本结构图:```+---------+IN---,---->OU+---------+```图中的IN表示输入信号,OUT表示输出信号。
接下来,我们将介绍该电路的设计步骤。
第一步是选择合适的二极管。
峰值包络检波器的设计需要选择具有合适的非线性特性的二极管。
一般情况下,选择肖特基二极管或者高速稳压二极管。
第二步是选择合适的电容。
电容的选择应尽可能大,以便提高信号的低频响应。
一般情况下,选择0.1μF或更大的电容。
第三步是确定电路的截止频率。
峰值包络检波器的截止频率取决于输入信号的最高频率和电容的值。
一般情况下,选择截止频率为输入信号频率的两倍。
第四步是电路的仿真。
可以使用电路仿真软件如Multisim或者LTSpice来模拟电路的性能,以便调整参数并优化电路性能。
第五步是实际的电路实现。
根据仿真结果,选择合适的元器件并进行电路布局和焊接。
注意保持元器件的引脚长度一致,以减少对信号的串扰。
第六步是电路的测试和调试。
使用信号发生器输入不同频率和幅度的信号,并使用示波器观察输出信号的波形和幅度。
根据测试结果,调整元器件的数值以实现最优性能。
最后,设计完成的峰值包络检波器可以应用于无线通信系统或雷达系统中。
前言ﻩ11 设计目的及原理ﻩ21。
1设计目的和要求 (2)1。
1设计原理ﻩ22包络检波器指标参数的计算 (6)2。
1电压传输系数的计算 (6)2。
2参数的选择设置 (6)3 包络检波器电路的仿真.......................................................................................... 93.1Multisim的简单介绍.......................................................................... 103。
2 包络检波电路的仿真原理图及实现 (10)4总结 (13)5参考文献 (14)调幅波的解调即是从调幅信号中取出调制信号的过程,通常称为检波。
广义的检波通常称为解调,是调制的逆过程,即从已调波提取调制信号的过程。
对调幅波来说是从它的振幅变化提取调制信号的过程;对调频波,是从它的频率变化提取调制信号的过程;对调相波,是从它的相位变化提取调制信号的过程。
工程实际中,有一类信号叫做调幅波信号,这是一种用低频信号控制高频信号幅度的特殊信号。
为了把低频信号取出来,需要专门的电路,叫做检波电路。
使用二极管可以组成最简单的调幅波检波电路.调幅波解调方法有二极管包络检波器、同步检波器。
目前应用最广的是二极管包络检波器,不论哪种振幅调制信号,都可采用相乘器和低通滤波器组成的同步检波电路进行解调.但是,对普通调幅信号来说,它的载波分量被抑制掉,可以直接利用非线性器件实现相乘作用,得到所需的解调电压,而不必另加同步信号,通常将这种振幅检波器称为包络。
为了生动直观的分析检波电路,利用最新电子仿真软件Multisim11。
0进行二极管包络检波虚拟实验。
Multisim具有组建电路快捷、波形生动直观、实验效果理想等优点。
计算机虚拟仿真作为高频电子线路实验的辅助手段,是一种很好的选择,可以加深学生对一些抽象枯燥理论的理解,从而达到提高高频电子线路课程教学质量的目的.1设计目的及原理1.1 设计目的和要求通过课程设计,使学生加强对高频电子技术电路的理解,学会查寻资料﹑方案比较,以及设计计算等环节。
包络检波电路设计原理
包络检波电路设计原理是将调制信号进行检波,获取其包络信号的电路。
通常用于调幅解调电路中。
设计原理如下:
1. 输入信号为调制信号,一般是调幅信号或者调频信号。
2. 输入信号经过高频滤波器滤波,去除高频成分,得到基带信号。
3. 基带信号经过整流电路,将其变成单方向电流,同时对信号的幅度进行检测。
4. 接下来,基带信号经过低通滤波器滤波,去除高频杂波,得到原始的包络信号。
5. 最后,经过放大器对包络信号进行放大,以便后续信号处理。
包络检波电路的设计要点:
1. 高频滤波器的设计要根据信号的调制方式来选择合适的截止频率。
2. 整流电路直接将信号变成单方向电流,可以使用二极管进行整流。
3. 低通滤波器的设计要选择合适的截止频率,以保留信号的低频成分。
4. 放大器的设计要根据需要进行选择,以达到合适的信号放大倍数。
包络检波电路的设计原理基本上就是通过滤波和整流处理信号,然后放大得到包络信号。
这样就可以将调制信号转变为调幅信号的包络信号进行后续处理或者解调。
包络检波器的设计与实现包络检波器的设计原理是基于信号的幅度调制(AM)特性。
在AM信号中,载频信号的振幅被调制成与待传输信息的振幅成正比的高频信号。
包络检波器可以将这个高频信号转换成与它的包络成正比的直流电压。
其整体设计由输入滤波器、偏置电路、包络检波、滤波器和输出级组成。
输入滤波器的作用是去除输入信号中的高频分量。
这是因为高频信号主要包含了信号的幅度信息,所以必须先去除它们,以便后续的包络检波和滤波处理。
常用的滤波器包括低通滤波器和带通滤波器,其选择取决于特定应用中信号频率的范围。
偏置电路的作用是为包络检波电路提供恒定的直流偏置电压。
这是因为包络检波电路只能工作在正电压范围内,所以必须将输入信号通过偏置电路上移至正半轴。
常用的偏置电路包括电路电源和耦合电容。
包络检波电路的核心部分是包络检波器。
它将经过滤波器和偏置电路处理过的信号转换成与输入信号包络成正比的直流电压。
常用的包络检波器包括二极管检波器和放大器检波器。
二极管检波器利用二极管的非线性特性实现包络检波,放大器检波器则通过将输入信号放大后再进行整流达到类似的效果。
滤波器的作用是去除包络检波后的直流电压中的噪声和高频分量。
这是因为在包络检波过程中,噪声和高频成分可能会被放大,所以需要通过滤波器进行去除。
常用的滤波器包括低通滤波器和带通滤波器,其选择取决于特定应用中的要求。
输出级的作用是将经过滤波处理的直流电压转换成易于读取和显示的模拟或数字信号。
在这一阶段中,可以使用模拟输出电路、数模转换器以及显示器等设备。
包络检波器的实现可以通过模拟电路、数字电路或其组合来完成。
模拟电路实现简单,但存在温度漂移、干扰和误差累积等问题;数字电路实现复杂,但可提供更高的精度和稳定性。
实际应用中,可以根据需求选择适当的实现方法。
包络检波器在通信、雷达、声波处理等领域中有着广泛的应用。
它可以用于解调和检测各种调幅信号,如振幅调制(AM)、频率调制(FM)和相位调制(PM)等。
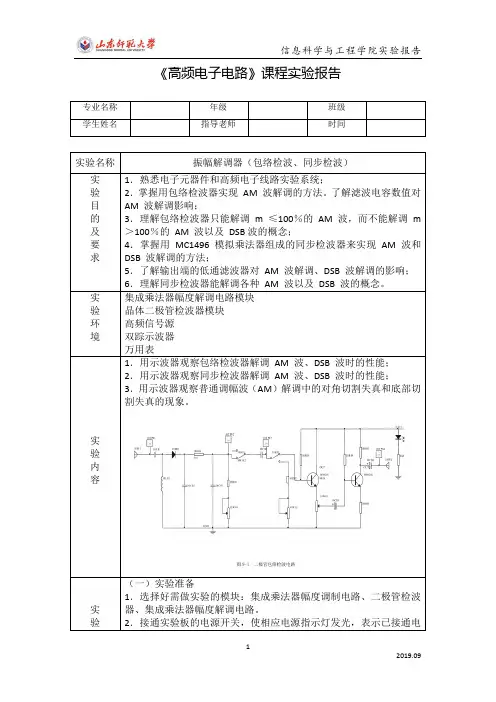
《高频电子电路》课程实验报告万用表1.用示波器观察包络检波器解调AM 波、DSB 波时的性能;2.用示波器观察同步检波器解调AM 波、DSB 波时的性能;3.用示波器观察普通调幅波(AM)解调中的对角切割失真和底部切割失真的现象。
(一)实验准备采用实验8 中五、3 相同的方法得到DSB 波形,并增大载波信号及调制信号幅度,使得在调制电路输出端产生较大幅度的DSB 信号。
然后把它加到二极管包络检波器的输入端,观察并记录检波器的输出波形,并与调制信号作比较。
(三)集成电路(乘法器)构成的同步检波1.AM 波的解调将幅度调制电路的输出接到幅度解调电路的调幅输入端(9P02)。
解调电路的恢复载波,可用铆孔线直接与调制电路中载波输入相连,即9P01 与8P01 相连。
示波器CH1接调幅信号9TP02,CH2 接同步检波器的输出9TP03。
分别观察并记录当调制电路输出为ma=30%, ma>100%, ma=100%时三种AM 的解调输出波形,并与调制信号作比较。
2.DSB 波的解调采用实验8 的五、3 中相同的方法来获得DSB 波,并加入到幅度解调电路的调幅输入端,而其它连线均保持不变,观察并记录解调输出波形,并与调制信号作比较。
改变调制信号的频率及幅度,观察解调信号有何变化。
将调制信号改成三角波和方波,再观察解调输出波形。
3.SSB 波的解调采用实验8 的五、4 中相同的方法来获得SSB 波,并将带通滤波器输出的SSB 波形(15P06)连接到幅度解调电路的调幅输入端,载波输入与上述连接相同。
观察并记录解调输出波形,并与调制信号作比较。
改变调制信号的频率及幅度,观察解调信号有何变化。
由于带通滤波器的原因,当调制信号的频率降低时,其解调后波形将产生失真,因为调制信号降低时,双边带(DSB)中的上边带与下边带靠得更近,带通滤波器不能有效地抑制下边带,这样就会使得解调后的波形产生失真。
(四)调幅与检波系统实验按图9-3 可构成调幅与检波的系统实验。
目录前言 (1)1包络检波器设计原理 (2)1.1原理框图 (2)1.2原理电路 (2)1.3工作原理分析 (3)1.4 峰值包络检波器的应用型输出电路 (5)1.5 电压传输系数 (5)1.6检波器的惰性失真 (7)1.7检波器的底部切割失真 (7)2包络检波器电路设计 (9)3包络检波器电路的仿真实现与分析 (10)3.1Multisim10 使用介绍 (10)3.2包络检波器电路的仿真电路 (12)3.3包络检波的惰性失真 (13)3.4包络检波的底部切割失真 (15)3.5检波器电压传输系数计算 (16)课设总结 (17)参考文献 (18)前言无线通信的发展经历了三个阶段,首先,远古时期的手段是用烽火和旗语。
其次,到近代出现了有线通信,其中著名的发明就是1837年Morse发明得电报和1876年Bell发明的电话。
电话的发明加速了通信领域的发展,为无线通信的出现奠定了坚实的基础。
无线通信的出现加快了现代通信领域的飞速发展。
无线通信(Wireless Communication)是利用电磁波信号可以在自由空间中传播的特性进行信息交换的一种通信方式,近些年信息通信领域中,发展最快、应用最广的就是无线通信技术。
在移动中实现的无线通信又通称为移动通信,人们把二者合称为无线移动通信。
无线通信主要包括微波通信和卫星通信。
微波是一种无线电波,它传送的距离一般只有几十千米。
但微波的频带很宽,通信容量很大。
微波通信每隔几十千米要建一个微波中继站。
卫星通信是利用通信卫星作为中继站在地面上两个或多个地球站之间或移动体之间建立微波通信联系。
无线通信系统可以分为:信源、调制、高频功放、天线、高频小放、混频和解调。
其中解调就是从高频已调信号的过程,又称为检波。
对于振幅调制信号,解调就是从它的幅度变化上提取调制信号的过程。
解调是调制的逆过程,实质上是将高频信号搬移到低频段,这种搬移正好与调制的搬移过程相反。
振幅解调方法可以分为包络检波和同步检波。
学院通信电路课程设计AM信号包络检波器系别班级:电气系08通信指导教师:王老师实验日期:第17周2010——2011学年度第一学期目录一.设计目的 (3)二、设计容及原理 (3)三、设计的步骤及计算 (4)1.电压传输系数 (7)2.流通角 (7)3.参数选择 (8)四、设计的结果与结论 (10)1.结果 (10)2.结论 (11)3.心得体会 (11)五、参考文献 (12)AM信号包络检波器一、设计目的:通过课程设计.使学生加强对高频电子技术电路的理解.学会查寻资料﹑方案比较.以及设计计算等环节。
进一步提高分析解决实际问题的能力.创造一个动脑动手﹑独立开展电路实验的机会.锻炼分析﹑解决高频电子电路问题的实际本领.真正实现由课本知识向实际能力的转化;通过典型电路的设计与制作.加深对基本原理的了解.增强学生的实践能力。
要求:掌握串、并联谐振回路及耦合回路、高频小信号调谐放大器、高频功率放大器、混频器、幅度调制与解调、角度调制与解调的基本原理.实际电路设计及仿真。
设计要求及主要指标:用检波二极管2AP12设计一AM信号包络检波器.并且能够实现以下指标。
●输入AM信号:载波频率15MHz正弦波。
●调制信号:1KHz正弦波.幅度大于1V.调制度为60%。
●输出信号:无明显失真.幅度大于5V。
二.设计容及原理:调幅调制和解调在理论上包括了信号处理.模拟电子.高频电子和通信原理等知识.涉及比较广泛。
包括了各种不同信息传输的最基本原理.是大多数设备发射与接收的基本部分。
因为本次课题要求调制信号幅度要大于1V.而输出信号幅度需要大于5V.所以本课题设计需要运用放大电路。
本次实验采用二极管包络检波以及运算放大电路。
在确定电路后.利用EDA 软件Multisim进行仿真来验证设计结果设计框图如下:输入信号→非线性器件→二极管包络检波器→运放电路→输出信号。
检波原理电路图图1三、设计的步骤及计算检波的物理过程如下:在高频信号电压的正半周期.二极管正向导通并对电容C充电.由于二极管正向导通电阻很小.所以充电电流I很大.是电容的电压Vc很快就接近高频电压峰值.充电电流方向如下图2所示:图2这个电压建立后.通过信号源电路.又反向地加到二极管D的两端。
实验十一包络检波及同步检波实验一、实验目的1、进一步了解调幅波的原理,掌握调幅波的解调方法。
2、掌握二极管峰值包络检波的原理。
3、掌握包络检波器的主要质量指标,检波效率及各种波形失真的现象,分析产生的原因并思考克服的方法。
4、掌握用集成电路实现同步检波的方法。
二、实验内容1、完成普通调幅波的解调。
2、观察抑制载波的双边带调幅波的解调。
3、观察普通调幅波解调中的对角切割失真,底部切割失真以及检波器不加高频滤波时的现象。
三、实验仪器1、信号源模块1块2、频率计模块1块3、4号板1块4、双踪示波器1台5、万用表1块四、实验原理及实验电路说明检波过程是一个解调过程,它与调制过程正好相反。
检波器的作用是从振幅受调制的高频信号中还原出原调制的信号。
还原所得的信号,与高频调幅信号的包络变化规律一致,故又称为包络检波器。
假如输入信号是高频等幅信号,则输出就是直流电压。
这是检波器的一种特殊情况,,在测量仪器中应用比较多。
例如某些高频伏特计的探头,就是采用这种检波原理。
若输入信号是调幅波,则输出就是原调制信号。
这种情况应用最广泛,如各种连续波工作的调幅接收机的检波器即属此类。
从频谱来看,检波就是将调幅信号频谱由高频搬移到低频,如图11-1所示(此图为单音频Ω调制的情况)。
检波过程也是应用非线性器件进行频率变换,首先产生许多新频率,然后通过滤波器,滤除无用频率分量,取出所需要的原调制信号。
常用的检波方法有包络检波和同步检波两种。
全载波振幅调制信号的包络直接反映了调制信号的变化规律,可以用二极管包络检波的方法进行解调。
而抑制载波的双边带或单边带振幅调制信号的包络不能直接反映调制信号的变化规律,无法用包络检波进行解调,所以采用同步检波方法。
1、二极管包络检波的工作原理当输入信号较大(大于0.5伏)时,利用二极管单向导电特性对振幅调制信号的解调,称为大信号检波。
大信号检波原理电路如图11-2(a)所示。
检波的物理过程如下:在高频信号电压的正半周时,二极管正向导通并对电容器C充电,由于二极管的正向导通电阻很小,所以充电电流i D很大,使电容器上的电压V C很快就接近高频电压的峰值。
实验六 AM 包络检波仿真电路一、实验目的1.掌握二极管包络检波的原理及电路设计方法。
2.了解二极管包络检波电路中元件选择要求及对检波器性能的影响; 3. 学会检波器的检测方法。
二、实验仪器1.计算机(EWB 仿真软件)三﹑实验原理 1.二极管包络检波器调幅波的解调是从调幅信号中取出调制信号的过程,通常称之为检波。
调幅波解调方法有二极管包络检波器,同步检波器。
本实验主要完成二极管包络检波。
二极管包络检波器是包络检波中最简单、最常用的一种电路。
它适合于解调含有较大载波分量电平的AM 波(俗称大信号,通常要求峰-峰值为1V 以上)。
它具有电路简单,检波线性好,易于实现等优点。
电路构成如图4-6-1所示: 图4-6-1包络检波器电路图图中D 为检波二极管,C 、L R 为检波负载,C 起高频旁路作用。
当输入电压su 为正半周时,二极管D 导通,电流对C 迅速充电,由于二极管的正向电阻D R 较小,C 上的电压很快上升到峰值;当s u 由最大下降时,D 截止,C 通过L R 放电,由于D L R R ,所以放电很慢,C 上的电压稍有下降。
第二个周期正半周上升到 C 上的电压后,二极管D再次导通。
这样循环往复的结果,在C 、L R 上得到包含直流分量、低频调制信号分量和微小高频信号分量的低频输出电压o u ,如图4-6-2所示。
图4-6-22.检波器的非线性失真在二极管峰值型检波器中,如果电路参数选择不恰当,将出现两种特有失真,(1)惰性失真:在二极管峰值型检波器中,如果检波负载时间常数C R L 太大,则电容C 的放电速度很慢,C 的两端电压不能随输入已调波包络而迅速变化,就会产生输出信号的非线性失真,这种非线性失真是因电容放电的惰性引起的,故称为惰性失真,如图4-6-3所示。
图4-6-3由此可知,在二极管峰值型检波器中,RC 时间常数的选择很重要,RC 时间常数过大,则会产生惰性失真。
RC 常数太小,高频分量会滤不干净。
包络检波器课程设计一、课程目标知识目标:1. 学生能理解包络检波器的基本原理,掌握其工作流程和电路组成。
2. 学生能掌握包络检波器的性能参数及其影响因素,并能运用相关公式进行计算。
3. 学生了解包络检波器在无线电通信中的应用,了解不同类型的检波器及其特点。
技能目标:1. 学生能够独立搭建并调试简单的包络检波器电路,观察其工作状态,分析实验现象。
2. 学生能够运用所学知识,解决实际应用中与包络检波器相关的问题,提高实际操作能力。
情感态度价值观目标:1. 培养学生对电子技术的兴趣,激发他们探索无线电通信领域的热情。
2. 培养学生的团队协作意识,提高沟通与交流能力,培养共同解决问题的精神。
3. 增强学生的环保意识,让他们认识到电子设备在实际应用中应遵循节能、环保的原则。
课程性质:本课程为电子技术专业课程,以理论教学和实践操作相结合的方式进行。
学生特点:学生已具备一定的电子基础知识和实验操作能力,对无线电通信有一定了解。
教学要求:注重理论与实践相结合,强化学生的动手能力,培养解决实际问题的能力。
通过本课程的学习,使学生能够将所学知识应用于实际工作中,提高综合素养。
二、教学内容1. 理论教学:a. 包络检波器的基本原理及其在无线电通信中的应用。
b. 包络检波器的电路组成、工作流程和性能参数。
c. 不同类型的包络检波器及其特点。
d. 影响包络检波器性能的因素及其计算方法。
2. 实践教学:a. 搭建并调试简单的包络检波器电路,观察实验现象。
b. 分析实验结果,探讨影响包络检波器性能的各种因素。
c. 针对实际应用中的问题,设计改进方案,提高包络检波器性能。
教学大纲安排:第一周:包络检波器的基本原理及其应用。
第二周:包络检波器的电路组成、工作流程和性能参数。
第三周:不同类型的包络检波器及其特点。
第四周:影响包络检波器性能的因素及其计算方法。
第五周:实践操作,搭建并调试包络检波器电路。
第六周:分析实验结果,探讨问题解决方案。
包络检波解调电路设计包络检波解调电路是一种常用的电路设计,用于将调幅信号解调成原始的基带信号。
在无线通信、广播电视等领域中广泛应用。
本文将详细介绍包络检波解调电路的原理、设计和应用。
一、原理介绍包络检波解调电路的基本原理是通过将调幅信号转换成其包络信号,然后再对包络信号进行解调,得到原始的基带信号。
其主要由三个部分组成:调幅信号输入部分、包络检波部分和解调输出部分。
1.调幅信号输入部分调幅信号输入部分主要是将调幅信号输入到电路中,通常采用微弱的射频信号作为输入信号。
该部分的主要功能是将输入信号进行放大以提高信号的幅度,以便后续电路能够进行正常工作。
2.包络检波部分包络检波部分是整个电路的核心部分,主要由包络检波器和低通滤波器组成。
包络检波器的作用是将调幅信号转换成其包络信号,一般采用二极管、二极管桥等元件实现。
而低通滤波器的作用是滤除高频噪声,使得输出信号更加纯净。
3.解调输出部分解调输出部分主要是将包络信号再次进行解调,得到原始的基带信号。
解调方法可以采用整流解调、同步解调等方式。
整流解调是将包络信号直接进行整流,然后通过低通滤波器滤除高频成分;同步解调是通过与载波信号进行相乘,然后再通过低通滤波器滤除高频成分。
二、电路设计包络检波解调电路的设计需要考虑多个因素,如输入信号的频率范围、信号幅度、噪声等。
下面将介绍一种常见的包络检波解调电路设计。
1.选择合适的元件根据实际需求选择合适的二极管、电容和电阻等元件。
一般情况下,二极管的整流电压降应小于输入信号峰值,电容的容值要满足低通滤波的要求,电阻的阻值要适当。
2.确定放大倍数根据输入信号的幅度和电路的增益要求,确定放大倍数。
放大倍数过大会导致失真,放大倍数过小会影响解调效果。
3.设计滤波器根据需要设计合适的低通滤波器,选择合适的滤波器类型和参数,以滤除高频噪声。
4.确定解调方法根据实际需求选择合适的解调方法,如整流解调、同步解调等。
不同的解调方法具有不同的特点和适用范围,需要根据实际情况进行选择。
一、实验目的1.熟悉电子元器件和高频电子线路实验系统;2.掌握用包络检波器实现AM波解调的方法。
了解滤波电容数值对AM波解调影响;3.理解包络检波器只能解调m≤100%的AM波,而不能解调m>100%的AM波以及DSB 波的概念;4.掌握用MC1496模拟乘法器组成的同步检波器来实现AM波和DSB波解调的方法;5.了解输出端的低通滤波器对AM波解调、DSB波解调的影响;6.理解同步检波器能解调各种AM波以及DSB波的概念。
二、实验任务1.用示波器观察包络检波器解调AM波、DSB波时的性能;2.用示波器观察同步检波器解调AM波、DSB波时的性能;3.用示波器观察普通调幅波(AM)解调中的对角切割失真和底部切割失真的现象。
三、实验仪器集成乘法器幅度解调电路模块、晶体二极管检波器模块、高频信号源、双踪示波器、万用表、四、实验电路图5-1 二极管包络检波电路图5-2 MC1496 组成的解调器实验电路五、实验步骤(简单描述)及测量结果(一)实验准备1.选择好需做实验的模块:集成乘法器幅度调制电路、二极管检波器、集成乘法器幅度解调电路。
2.接通实验板的电源开关,使相应电源指示灯发光,表示已接通电源即可开始实验。
注意:做本实验时仍需重复实验8中部分内容,先产生调幅波,再供这里解调之用。
(二)二极管包络检波1.AM 波的解调(1)%30=a m 的AM 波的解调① AM 波的获得与实验8的五、4.⑴中的实验内容相同,低频信号或函数发生器作为调制信号源(输出300mV p-p 的1kHz 正弦波),以高频信号源作为载波源(输出200mV p-p 的2MHz 正弦波),调节8W 03,便可从幅度调制电路单元上输出%30=a m 的AM 波,其输出幅度(峰-峰值)至少应为0.8V 。
② AM 波的包络检波器解调先断开检波器交流负载(10K01=off ),把上面得到的AM 波加到包络检波器输入端(10P01),即可用示波器在10TP02观察到包络检波器的输出,并记录输出波形。
包络检波实验报告总结
一、实验目的
二、实验原理
三、实验步骤
四、实验结果与分析
五、实验结论
一、实验目的:
本次实验旨在通过包络检波器对调制信号的解调,掌握包络检波技术的基本原理和方法,并了解其在通信领域中的应用。
二、实验原理:
包络检波是一种将调制信号解调的技术,其基本原理是将调制信号与高频载波进行幅度调制,再经过一个低通滤波器,即可得到原始信号的包络线。
在这个过程中,高频载波起到了传输信息的作用,低通滤波器则起到了去除高频成分和保留低频成分的作用。
三、实验步骤:
1. 将信号源连接至示波器并观察正弦波形。
2. 将信号源连接至包络检波器输入端,并将输出端连接至示波器。
3. 调整包络检波器参数直至得到正确的解调效果。
4. 更换不同类型的调制信号并重复上述步骤。
四、实验结果与分析:
通过对不同类型的调制信号进行包络检测,我们可以观察到不同形式的解调效果。
对于正弦波调制,我们可以得到一个与原始信号相同频率的包络线,而对于方波调制,则会出现明显的包络失真现象。
这是因为方波调制信号具有更多的高频成分,而低通滤波器并不能完全去除这些成分。
五、实验结论:
本次实验通过包络检波技术的应用,使我们进一步了解了其在通信领域中的重要性和应用。
同时也加深了我们对于调制信号和滤波器原理的理解和掌握。
数据库系统原理实验包络检波
包络检波(envelope detection)是一种用于检测调幅(AM)信号的技术。
在AM调制中,一个高频信号(称为载波)与一个低频信号(称为调制信号)进行调制,产生的信号即为AM信号。
在包络检波中,我们提取出AM信号中的包络(envelope),也就是调制信号的波形。
对于AM信号,其包络的变化频率等于调制信号的频率。
包络检波的实验步骤如下:
1. 准备一台AM信号发生器和一台示波器。
2. 将AM信号发生器的输出连接到示波器的通道1。
3. 调节AM信号发生器的载波频率和调制信号频率,使其产生一个明显的AM信号。
4. 将示波器的通道1设置为AC耦合,并将触发模式设置为自动。
5. 观察示波器上的信号波形,可以看到一个带有明显包络的信号。
6. 将示波器的通道1连接到一个包络检波器(envelope detector)。
7. 观察包络检波器输出的信号波形,可以看到一个与调制信号
相同频率的入口信号的包络。
8. 使用示波器观察调制信号波形,并将其与包络检波器输出的信号进行比较。
通过包络检波实验,我们可以深入理解AM调制和包络检波的原理和应用,也可以了解其在通信系统中的重要性。
包络检波器的设计与实现Company Document number:WTUT-WT88Y-W8BBGB-BWYTT-19998目录前言 (1)4总结5参考文献前言调幅波的解调即是从调幅信号中取出调制信号的过程,通常称为检波。
广义的检波通常称为解调,是调制的逆过程,即从已调波提取调制信号的过程。
对调幅波来说是从它的振幅变化提取调制信号的过程;对调频波,是从它的频率变化提取调制信号的过程;对调相波,是从它的相位变化提取调制信号的过程。
工程实际中,有一类信号叫做调幅波信号,这是一种用低频信号控制高频信号幅度的特殊信号。
为了把低频信号取出来,需要专门的电路,叫做检波电路。
使用二极管可以组成最简单的调幅波检波电路。
调幅波解调方法有二极管包络检波器、同步检波器。
目前应用最广的是二极管包络检波器,不论哪种振幅调制信号,都可采用相乘器和低通滤波器组成的同步检波电路进行解调。
但是,对普通调幅信号来说,它的载波分量被抑制掉,可以直接利用非线性器件实现相乘作用,得到所需的解调电压,而不必另加同步信号,通常将这种振幅检波器称为包络。
为了生动直观的分析检波电路,利用最新电子仿真软件进行二极管包络检波虚拟实验。
Multisim具有组建电路快捷、波形生动直观、实验效果理想等优点。
计算机虚拟仿真作为高频电子线路实验的辅助手段,是一种很好的选择,可以加深学生对一些抽象枯燥理论的理解,从而达到提高高频电子线路课程教学质量的目的。
1设计目的及原理设计目的和要求通过课程设计,使学生加强对高频电子技术电路的理解,学会查寻资料﹑方案比较,以及设计计算等环节。
进一步提高分析解决实际问题的能力,创造一个动脑动手﹑独立开展电路实验的机会,锻炼分析﹑解决高频电子电路问题的实际本领,真正实现由课本知识向实际能力的转化;通过典型电路的设计与制作,加深对基本原理的了解,增强学生的实践能力。
要求:掌握串、并联谐振回路及耦合回路、高频小信号调谐放大器、高频功率放大器、混频器、幅度调制与解调、角度调制与解调的基本原理,实际电路设计及仿真。
设计要求及主要指标:用检波二极管设计一AM信号包络检波器,并且能够实现以下指标。
输入AM信号:载波频率200kHz正弦波。
●调制信号:1KHz正弦波,幅度为2V,调制度为40%。
●输出信号:无明显失真,幅度大于6V。
设计原理调幅调制和解调在理论上包括了信号处理,模拟电子,高频电子和通信原理等知识,涉及比较广泛。
包括了各种不同信息传输的最基本的原理,是大多数设备发射与接收的基本部分。
因为本次课题要求调制信号幅度大于1V,而输出信号大于5V,所以本课题设计需要运用放大电路。
本次实验采用二极管包络检波以及运算放大电路。
在确定电路后。
利用EAD软件Multisim进行仿真来验证假设结果。
总设计框图如1-1:二极管包络检波器的工作原理:检波原理电路图如图1-2图 1-2检波原理电路图检波的物理过程如下:在高频信号电压的正半周期,二极管正向导通并对电容C充电,由于二极管正向导通电阻很小,所以充电电流I很大,是电容的电压Vc很快就接近高频电压峰值,充电电流方向如下图1-3所示:图1-3这个电压建立后,通过信号源电路,又反向地加到二极管D的两端。
这时二极管是否导通,由电容C上的电压Vc和输入电压Vi共同决定。
当高频信号的瞬时值小于Vc时,二极管处于反向偏置,处于截止状态。
电容就会通过负载电阻R放电。
由于放电时间常数RC远大于调频电压周期,故放电很慢。
当电容上的电压下降不多时,调频信号第二个正半周期的电压又超过二极管上的负压,使二极管导通。
如图1-3中t1到t2的时间为二极管导通(如图1-4)的时间,在此时间内又对电容充电,电容的电压又迅速接近第二个高频的最大量。
如图1-3中t2至t3时间为二极管截止(如图1-5)的时间,在此时间内电容又通过负载R放电。
这样不断地反复循环。
所以,只要充电很快,即充电时间常数RdC很小(Rd为二极管导通时的内阻)而放电时间很慢即放电时间常数RC很大,就能使传输系数接近1。
另外,由于正向导电时间很短,放电时间常数又远大于高频周期,所以输出电压Vc的起伏很小,可看成与高频调幅波包络基本一致,而高频调幅波的包络又与原调制信号的形状相同,故输出电压Vc 就是原来的调制信号,达到解调得目的。
根据上述二极管包络检波的工作原理可设计出符合本次课程设计“包络检波器的设计与实现”的检波器,其原理电路图如图1-7所示。
图1-7 包络检波器电路图 2 包络检波器指标参数的计算电压传输系数的计算等幅载频:K d =cos cos Vo Vs Vs Vs ϕ==ϕ AM 波 :K d =cos cos V mVs mVs VsΩϕ==ϕ φ仅于RD2R 有关,与包络无关。
Kd 为常数,理想:R >>R D ,φ→0,K d=1理想:R >>R D ,φ→0,K d=1参数的选择设置①v s 较小时,工作于非线性区;②R 较小时,R D 的非线性作用↑。
图1-4 二极管导通图1-5 二极管截止解决:R足够大时,R D的非线性作用↓,R的直流电压负反馈作用↑。
但R(RC)过大时,将产生:(a)惰性失真(τ放跟不上v s的变化);(b)负峰切割失真(交流负载变化引起)。
(a)惰性失真(如图)图2-1由图可见,不产生惰性失真的条件:v s包络在A点的下降速率≤C的放电速率。
即:τ=RC≤2maxmax max1+mmΩ(b)负峰切割失真(交流负载的影响及m的选择)图2-2C c为耦合电容(很大)直流负载为:R交流负载为:R交=(RR L)/(R+R L)∵C c很大,在一个周期内,V c(不变)≈V s(K d≈1时)∴V R=V AB=V c[R/(R+R L)]由图:临界不失真条件:V smin=V c-m V s≈V s-mV s=V s(1-m)m较大时,若V R>V smin,则产生失真。
则要求:τ=RC≤2maxmax max1+mmΩ例:m=,R=Ω时,要求:R L≥2kΩ;m=,R=Ω时,要求:R L≥Ω;即:m较大时,要求负载阻抗R L较大(负载较轻)。
负峰切割失真的改进:图2-3检波器的改进电路R直=R1+R2R交=R1+(R2R L)/(R2+R L)=R1+R交'即:R1足够大时,R交'的影响减小,不易负峰切割失真。
但R1过大时,VΩ的幅度下降,一般取R1/R2=~(2)检波电路R i大,即检波电路的R L大。
(3)晶体管和集成电路包络检波,为直接耦合方式,不存在C c。
3包络检波器电路的仿真的简单介绍Multisim是Interctive Image Technologies公司推出的一个专门用于电子电路仿真和设计的软件,目前在电路分析、仿真与设计等应用中较为广泛。
该软件以图形界面为主,采用菜单栏、工具栏和热键相结合的方式,具有一般应用软件的界面风格,用户可以根据自己的习惯和熟练程度自如使用。
尤其是多种可放置到设计电路中的虚拟仪表,使电路的仿真分析操作更符合工程技术人员的工作习惯。
包络检波电路的仿真原理图及实现如下图所示为Multisim的仿真原理图图3-1 仿真原理图a)如果将仿真原理图中开关A、C闭合,打开仿真按钮,此时二极管包络检波后的波形,如下图:图3-2 检波不失真波形此时输出的为正弦波,输出波形不失真,与试验要求相符。
b)如果将仿真原理图中开关B、C闭合,打开仿真按钮,此时二极管包络检波后的波形,如下图:图3-3 惰性失真的波形此时输出波形呈锯齿状变化,输出发生了失真,为惰性失真,与试验要求相符。
c) 如果将仿真原理图中开关A、D闭合,再将滑动变阻器旋钮移到100%,即使所接电阻为最大。
打开仿真按钮,观察示波器,可得到二极管包络检波后的波形,如下图:图3-4 切割失真此时发现输出的正弦波底部被切割了一部分,输出发生了失真,为底部切割失真,与试验要求相符。
再次旋动滑动变阻器到75%,观察示波器,看到输出波形如下图:图3-5 切割失真发现输出的正弦波底部也被切割了一部分,发生了失真,为底部切割失真,与试验要求相符。
与图3-4相比,发现图3-5切割的更多,即失真变大。
继续旋动滑动变阻器到50%,观察示波器,看到输出波形如下图:图3-6 切割失真结论:滑动变阻器接入电阻越小越易发生切割失真,即失真越明显。
4总结这次的设计,给自己的印象很深刻。
通过本次实验的课题设计,对本课题有了一定的了解。
但是,在对该课题有一定了解的前提下,也发现了很多问题,当然,都是自身的不足。
认识到理论与实践之间的差距,联系实际的应用去理解知识比一大堆理论来的直接与清晰明了。
在设计中难免会遇到很多学习中不会注意到的问题,比如说在调制中,在取某些值后输出是失真的波形,在设计开始并没有想过会存在那样多的问题,当着手时才发现要完成一个信号的调制与解调,在元器件、电路和取值都要有一部分的要求。
当然,在设计中也遇到很多学习上的问题,有些地方自己根本看不明白,但经过同组有些同学一提,才发现有些很简单的地方自己却并不理解,确实是一个很纠结的问题。
不过,我相信,通过自己的努力,不会让自己失望的。
5参考文献[1] 曾兴文,刘乃安,陈健.高频电子线路[M].北京:高等教育出版社,2007[2] 张肃文等.高频电子线路[M](第四版).北京:高等教育出版社,2004[3] 路而红等.虚拟电子实验室[M].北京:人民邮电出版社,2006[4] 华成英,童诗白.模拟电子技术[M](第四版).北京:高等教育出版社,2006[5] 清华大学通信教研组.高频电路[M].北京:人民邮电出版社,1979[6] 杨欣,王玉凤.电子设计从零开始[M].北京:清华大学出版社,2009[7] 谢嘉奎.高频电子线路[M](第二版).北京:高等教育出版社,1984[8] 武秀玲,沈伟慈.高频电子线路[M].西安:西安电子科技大学出版社,1995。