防锈油简介
- 格式:pptx
- 大小:785.45 KB
- 文档页数:10
防锈油培训资料防锈油是一种用于保护金属制品免受氧化腐蚀的化学涂层。
为了正确和有效地使用防锈油,有必要进行相应的培训。
本文将详细介绍防锈油的特性、使用方法以及使用防锈油的注意事项。
一、防锈油的特性防锈油具有以下几个主要特性:1. 腐蚀保护:防锈油在金属表面形成一层薄膜,起到隔绝空气和水分的作用,有效防止金属生锈和腐蚀。
2. 润滑功能:防锈油具有一定的润滑性,可以减少金属表面之间的摩擦,提高机械设备的工作效率。
3. 渗透性:防锈油可以在金属表面渗透,填充微小的孔隙和裂纹,提高涂层的稳定性和耐久性。
二、防锈油的使用方法1. 表面准备:使用防锈油之前,首先需要对金属表面进行清洁和处理。
清除表面的污垢、油脂和锈迹,保证涂层与金属表面之间的黏附力。
可以使用溶剂或金属清洁剂来清洗表面。
2. 涂覆方式:防锈油可以通过喷涂、刷涂、浸泡等方式涂覆在金属表面上。
根据具体的应用需求,选择合适的涂覆方式。
3. 涂覆厚度:根据不同的防锈油品牌和金属材料的特性,涂覆的厚度也会有所不同。
在涂覆过程中,需要根据产品说明书或经验经要求控制涂层的厚度。
4. 干燥时间:涂覆防锈油后,需要等待一定的干燥时间。
在干燥过程中,需要避免外界因素对涂层的影响,保持良好的通风环境和温度。
三、使用防锈油的注意事项1. 存储要求:防锈油应存放在干燥、通风、阴凉的地方,远离火源和明火,避免日晒和高温。
2. 使用工具:使用防锈油时,请使用专用的喷涂器、刷子或浸泡设备,避免与其他涂料或化学品混合使用。
3. 个人防护措施:在使用防锈油时,应佩戴防护手套、口罩和护目镜等个人防护装备,避免直接接触皮肤和吸入有害气体。
4. 废弃物处理:处理防锈油的废弃物时,应按照当地环保法规进行处理。
不得将废弃物倾倒到水源或自然环境中。
结语:防锈油在现代工业中扮演着非常重要的角色,可以保护金属制品免受氧化腐蚀的侵害。
正确和有效地使用防锈油需要掌握其特性、使用方法以及注意事项。
通过本文提供的培训资料,相信您已经对防锈油有了更深入的了解,并能够正确地应用于实际工作中。
101防锈油技术指标101防锈油是一种专门用于保护金属产品免受氧化、腐蚀和锈蚀的润滑油。
它在工业制造和日常生活中广泛应用,具有优异的抗锈性能。
下面是101防锈油的主要技术指标和特点:1.抗腐蚀性能:101防锈油具有出色的抗腐蚀能力,能够有效防止金属表面与空气、水、酸碱等物质发生化学反应,延长金属制品的使用寿命。
2.润滑性能:101防锈油具有卓越的润滑性能,能够有效降低金属制品在运动摩擦过程中的磨损,减少能量损失,提高工作效率。
3.渗透性:101防锈油具有较好的渗透能力,能够迅速渗入金属表面微小缝隙中,提供全面的保护,有效抵抗外界物质的侵蚀。
4.高温稳定性:101防锈油具有良好的高温稳定性,能够在高温环境下保持其物理和化学性质的稳定,不易分解,不产生有害物质。
5.蒸发性:101防锈油具有较低的蒸发性,能够在金属表面形成长效的润滑保护膜,不易挥发,有效保持其润滑性能。
6.环境友好性:101防锈油非常环保,不含有害物质,不会对环境造成污染和危害。
7.兼容性:101防锈油能与不同类型的材料相容,不会对金属、橡胶、塑料等材料产生腐蚀或损害。
8.使用方便性:101防锈油易于涂抹,可以通过刷涂、浸渍、喷涂等方式使用,涂覆均匀,容易形成保护膜。
9.长期有效性:101防锈油的保护效果持久,可以长时间保持金属表面的防锈性能。
在实际应用中,101防锈油广泛用于机械制造、汽车维护、航空航天、电子设备等领域。
例如,在机械制造过程中,对于需要贮存和运输的金属制品,可以使用101防锈油进行涂抹,形成保护膜,防止氧化和腐蚀;在汽车维护中,可以通过喷射101防锈油对零部件进行全面保护,延长其使用寿命;在电子设备中,可以喷涂101防锈油以防止电器部件受潮和生锈。
总之,101防锈油具有优异的抗锈性能、润滑性能和渗透性能,能够有效延长金属制品的使用寿命,提高工作效率。
在不同领域的应用中,101防锈油都能发挥出色的防护作用,为金属制品的长期正常运行提供了可靠的保障。
防锈油MSDS化学品安全技术说明书(MSDS)危化品名称:防锈油中文名:防锈油主要组成与性状:防锈添加剂、干洗油、基础油、锭子油。
外观与性状为淡黄色透明油状液体,带有轻微的石油味。
主要用途为机械的摩擦部分起润滑、冷却和防锈作用。
健康危害:急性吸入可引起乏力、头晕、头痛、恶心,严重者可引起油脂性肺炎。
慢接触者暴露部位可发生油性痤疮和接触性皮炎。
长期接触可引起神经衰弱综合征、呼吸道和眼刺激症状以及慢性油脂性肺炎。
有资料报道,接触石油防锈油类的工人有致癌的病例报告。
急救措施:皮肤接触:脱去污染的衣着,用大量流动清水冲洗,就医。
眼睛接触:提起眼睑,用流动清水或生理盐水冲洗,就医。
吸入:迅速脱离现场至空气新鲜处。
保持呼吸道通畅。
如呼吸困难,给输氧。
如呼吸停止,立即进行人工呼吸,就医。
食入:饮足量温水,催吐,就医。
燃爆特性与消防:闪点为52℃。
遇明火、高热可燃。
消防人员须佩戴防毒面具、穿全身消防服,在上风向灭火。
尽可能将从火场移至空旷处。
喷水保持火场冷却,直至灭火结束。
处在火场中的若已变色或从安全泄压装置中产生声音,必须马上撤离。
灭火剂:雾状水、泡沫、干粉、二氧化碳、砂土。
泄漏应急处理:迅速撤离泄漏污染区人员至安全区,并进行隔离,严格限制出入。
切断火源。
建议应急处理人员戴自给正压式呼吸器,穿防毒服。
尽可能切断泄漏源。
防止流入下水道、排洪沟等限制性空间。
小量泄漏:用砂土或其它不燃材料吸附或吸收。
大量泄漏:构筑围堤或挖坑收容。
用泵转移至槽车或专用收集器内,回收或运至废物处理场所处置。
储运注意事项:储存于阴凉、通风的库房。
远离火种、热源。
应与氧化剂分开存放,切忌混储。
配备相应品种和数量的消防器材。
储区应备有泄漏应急处理设备和合适的收容材料。
防护措施:中国MAC和前苏联MAC均未制定标准。
密闭操作,注意通风。
呼吸系统防护:当空气中的浓度超标时,必须佩戴自吸过滤式防毒面具(半面罩)。
在紧急情况下,需要抢救或撤离时,应该佩戴空气呼吸器。
∙普通油性防锈油:是一款外观呈棕红色具有一定防锈功能的普通防锈油产品。
是由油溶性缓蚀剂、抗氧化剂、基础油和油性防锈辅助添加剂等组成。
∙电镀防锈油:电镀防锈油是一种外观呈浅黄色液体,常温比重
0.68-0.85kg/L,防锈耐盐雾能力强,能在铜,铁,不锈钢等金属表面形
成一层致密的保护薄膜,电镀防锈油是由浓缩防锈添加剂、抗氧剂、降凝剂、抗磨剂、抗泡剂及油性剂等多种添加剂组成。
∙
∙水溶性防锈油:外观呈棕褐色,主要是由石油磺酸钠、环烷酸钠、机械油、石油成酸钡、成化油等成分所组成。
∙选用防锈油注意事项:
∙普通油性防锈油:适用于各种五金制品长期存放或海上运输。
∙电镀防锈油:适用于各种不同镀种工件如镀镍、镀锌、镀铬、镀锡等,是一种十分理想的防锈耐盐雾防锈产品。
∙水溶性防锈油:适用于各种金属制品加工工序短期防锈,最大的特点就是成本低、不易燃烧、环保无毒等,能在金属表面形成一种致密的保护膜,对工件后续加工无影响。
1,如果是水性的防锈液,可以直接使用清洗剂清洗,使用纯水漂洗也可以,但要注意烘干。
2,如果是含有树脂的水性防锈液,这个就比较麻烦了,需要和厂家了解是哪种树脂,最好让他出清洗方案,正常情况下都应该有去除方案的。
防锈油是如何防锈的以及防锈的时间定义防锈油是一种呈红褐色的具有防锈功能的油溶剂。
这种油溶剂是由缓蚀剂、基础油和辅助添加剂等等组成的。
它根据不同的用途可以分为能够去除指纹的油溶剂、可以用水稀释的油溶剂、还有溶剂稀释的油溶剂以及可以润滑的防锈油溶剂等等。
防锈油由油溶性缓蚀剂、基础油和辅助添加剂等组成。
根据性能和用途,可分为•指纹除去型防锈油、•水稀释型防锈油、•溶剂稀释型防锈油、•防锈润滑两用油、•封存防锈油、•置换型防锈油、•薄层油、•防锈脂•气相防锈油防锈油中常用的缓蚀剂有脂肪酸或环烷酸的碱土金属盐、环烷酸铅、环烷酸锌、石油磺酸钠、石油磺酸钡、石油磺酸钙、三油酸牛脂二胺、松香胺、失水山梨醇单油酸酯、聚乙二醇二油酸酯、聚乙二醇二硬脂酸酯、油酰基肌氨酸及其胺盐、酰胺咪唑啉、苯并三唑、烷基磷酸酯等。
普通润滑油大部份主要是靠油膜粘附在工件上,让工件与空气和水份隔离,从而起到了防锈,不过这样的防锈效果很一般。
而防锈油它是由基础油加上防锈添加剂,该油品注重防锈功能,同时可因工件表面不同要求,防锈周期的长短进行调配,比如工件是经过乳化液加工过,上面有水份,就可以用脱水防锈油,而要求工件表面是干净的,这就可以用挥发性防锈油等等,这些是一般润滑油所以不能够达到的。
防锈油的防锈时长也是受很多外界因素的影响的,其中有对环境、储存方式、涂油方式、包装工艺、环境温度、湿度、空气质量、灰尘、气流等都会影响到防锈油的防锈时间长短的,也会因为金属的材质不同,而产生不同的效应。
防锈时间:•润滑型的防锈油,最长防锈周期可以达到3年。
•硬膜防锈油的防锈周期在2年左右。
•挥发型防锈油在半年到一年。
比如一般金属如果要求表面不能太油并且防锈时间较久,可以选择挥发型防锈油,挥发性能良好后续易清洗防锈时间在1-1.5年左右。
•脱水防锈油防锈周期半年到一年。
•除指纹防锈油防锈周期在1到3个月左右。
比如电子配件类产品对于工件表面要求较高,表面油膜不能厚,接近干燥,这个时候需要选择快干型的防锈油,当然此时的防锈油的防锈时间在3-6个月左右;•抗盐雾等防锈油,比如电镀产品防锈封闭处理可用挥发型的抗盐雾等防锈油,挥发性良好配合离芯机使用表面效果好,耐盐雾防锈周期可长达1-2年;•水性加工液加工过的工件,比如:切削件、拉伸件、磷化件、发黑件、电镀水洗件可选择脱水性防锈油,脱水效果好脱水快防锈时间在6个月-2年左右;如果要求工件表面的油膜呈油性状态且油膜较厚话,此时也是推荐使用油性防锈油,抗盐雾能力强且防锈时间长。
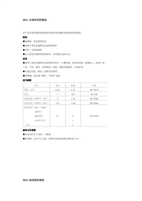
3501.长效封存防锈油本产品是采用精制基础油和高效添加剂调配成的低粘度防锈油。
特性●抗潮湿、抗盐雾性优良●适用于黑色金属和有色金属的防护●具有一定的润滑性●对工件的长期防锈效果显著,封存期可达2年以上应用●适用于黑色金属和有色金属零件的中、长期防锈,如各种武器、机械加工、机电产品、工具、刀具、量具、各种轴承、齿轮、精密仪器成品、半成品等。
●可通过浸泡、喷涂、涂刷方法使用。
●防锈期:室内18∽30月,室外8∽16月。
技术参数项目单位参数标准密度,15℃g/ml 0.86 GB/T2540闪点℃180 GB/T267湿热试验(45#钢片,49℃)天≮30GB/T2361盐雾试验(45#钢片,35℃)小时≮168SH/T0081腐蚀试验(55℃×168h)10#钢片H62黄铜Ly12铝合金(4h)级01SH/T0080储存与有效期●本品应贮存于室内、干燥处。
●有效期:自生产之日起,原密封包装有效储存期为24个月。
3502.溶剂型防锈油本系列产品是采用高效防锈添加剂和环保型溶剂调配成的溶剂稀释型防锈油。
特性●油膜厚度很薄,呈现金属本色,一般无需清除●可对黑色金属和有色金属提供很好的保护●较强的抗手汗腐蚀性●工序间和封存防锈均可使用应用●适用于黑色金属和有色金属零件的防锈,广泛应用于轴承、轴瓦、工具等金属零部件和机械设备。
●可通过浸泡、喷涂、涂刷方法使用,必要时,可用溶剂清除。
●防锈期:室内6∽15月,室外3∽9月。
技术参数项目单位 1 2 3 标准密度,15℃g/ml 0.76 0.76 0.78 GB/T2540 闪点℃65 68 68 GB/T267 湿热试验(45#钢片,49℃)天≮30≮30≮30GB/T2361 盐雾试验(45#钢片,35℃)小时≮36≮72≮100SH/T0081 腐蚀试验(55℃×168h)10#钢片H62黄铜Ly12铝合金(4h)级0111SH/T0080油膜厚度μm 0.5 1.5 3.5 SH/T0105 储存与有效期●本品应贮存于室内、干燥处。
防锈油的简介\使用及发展趋势作者:葛峰来源:《群文天地》2010年第02期金属由于受温度、湿度、氧气浓度以及其它带腐蚀性气体等介质的影响下,会发生腐蚀和变色现象,也即通常所说的生锈。
为了有效避免金属生锈,最常用的方法是在金属表面覆盖各种防锈保护层,以隔绝金属表面与腐蚀性物质的接触,从而防止金属锈蚀。
正确使用防锈油脂可对金属制品起到保护作用,达到较为理想的防锈效果。
本文就防锈油的组成、性能、分类、应用和今后发展趋势进行分析。
—、防锈油的简介(一)防锈油的组成及功能防锈油主要是由基础油、防锈添加剂、成膜剂等组成,其各成分的作用如下:1、基础油:作为载体,使防锈剂在基础油中均匀分散,在添加剂的共同作用下,在金属表面形成牢固致密的吸附膜,起到防锈作用。
2、防锈添加剂:防锈油之所以能对金属起保护作用,主要是添加防锈剂的缘故,因此,防锈油的性能好坏与添加剂有直接关系。
3.成膜剂:增强防锈油膜的机械强度。
(二)防锈油的分类根据用途和状态不同,目前常用的分类方法有以下2种1、按SH/T0692-2000《防锈油》标准分类,防锈油可分为除指纹型防锈油、溶剂稀释型防锈油、脂型防锈油、润滑油型防锈油和气相防锈油共5类产品。
其中:除指纹型防锈油:主要用于除去在金属表面留下的手汗及指纹痕迹和少量水分的防锈油。
溶剂稀释型防锈油:由稀释剂、成膜剂、防锈剂组成,按溶剂种类不同,可分为石油系列溶剂、有机溶剂和水稀释3种类型;按油膜形状,又可分硬膜油和软膜油。
脂型防锈油:以凡士林和石蜡为基础,在常温下为脂状的一种防锈油,其特点是油膜厚,不易流失和挥发。
润滑油型防锈油:以基础油中加入防锈剂及抗氧防腐剂等多种添加剂组成,以防锈为主,并具有一定的润滑作用。
气相防锈油:在润滑油型防锈油基础上,加入气相缓蚀剂调制而成,主要依靠气相缓蚀剂在常温下变成气体对金属腐蚀起到抑制作用。
2、按产品防锈周期分类,防锈油可分为工序间防锈油(防锈期1~3个月)、中短期防锈油(防锈期3~6个月)、中长期封存防锈油(防锈期6~12个月)、长期封存防锈油(防锈期大于1年)共4类产品。
概述:防锈油;rust preventing oil antirust oil;inhibitive oil 防锈油是一款外观呈红褐色具有防锈功能的油溶剂。
由油溶性缓蚀剂、基础油和辅助添加剂等组成。
根据性能和用途,除锈油可分为指纹除去型防锈油、水稀释型防锈油、溶剂稀释型防锈油、防锈润滑两用油、封存防锈油、置换型防锈油、薄层油、防锈脂和气相防锈油等。
防锈油中常用的缓蚀剂有脂肪酸或环烷酸的碱土金属盐、环烷酸铅、环烷酸锌、石油磺酸钠、石油磺酸钡、石油磺酸钙、三油酸牛脂二胺、松香胺等。
分类:第一种1、2.0电镀防锈油电镀防锈油是一种浅黄色液体,常温比重0.68-0.85kg/L,防锈耐盐雾能力强,能在铜、铁、不锈钢等金属表面形成一层致密的保护薄膜,膜层结合力强,有效地预防外界物质腐蚀金属,保护膜不易被划花,不影响导电烧焊,。
工件与工件之间不会贴连在一起,防指纹﹑防变色﹑防水和防氧化能力强,常温原液操作,所需设备简单(离心机﹑胶盒﹑胶桶各一个,筛网一张)。
使用十分方便,成本低。
是一种十分理想的防锈耐盐雾封闭原料。
适用工件:各类五金标准件,冲压件,螺丝、螺母、鸡眼、介子、弹簧、铆钉、电子配件各种五金制品等。
适用客户群:电镀厂,表面处理厂,五金厂;铜,铁,不锈钢,等金属;镍、化学镍,铬、发黑、锡等镀种。
操作流程:电镀工件水洗钝化烘干,913浸泡封闭剂风干包装。
2、2.1薄层防锈油薄层防锈油,经多数紧固件企业的各种不同工艺进行生产性应用,证明对紧固件产品具有良好的防锈性能,同时,易涂覆,色泽浅亮,溶剂挥发少,用量省,为厚层防锈油的三分之一以下,故节约生产成本三分之二以上,主要用途为紧固件常温发黑后的处理。
薄层防锈油可用于室内工序间防锈,也可以用于包装封存防锈。
3、2.2 蜡膜防锈油在溶剂稀释型防锈油或超薄层防锈油中加入某些油溶性蜡,可以获得含蜡的防锈保护膜,能明显的提高油膜的抗盐雾和耐大气性能。
然而,常温下蜡是固态或半固态,在油品中极易析出,影响油品的外观和质量,甚至难以获得理想的防锈效果,因此,寻找油溶性较好,能明显改善防锈性的蜡是获得稳定性好、成膜均匀含蜡防锈油的关键。
防锈油简介一般来说, 防锈油的外观都是红褐色。
防锈油由油溶性基础油, 抗蚀剂和一些添加剂等组成。
在防锈油中比较常用的抗蚀剂有脂肪酸、环烷酸铅、环烷酸锌、石油磺酸类, 包括: 石油磺酸钠, 石油磺酸钡, 石油磺酸钙、也有含有胺类, 如: 三油酸牛脂二胺、松香胺等。
除锈油根据不同的性能和用途, 发展出不同种类的除锈油以应该不同加工和处理要求. 大致可以分为水稀释型防锈油、溶剂稀释型防锈油、防锈润滑两用油、封存防锈油、置换型防锈油、薄层油、防锈脂和气相防锈油等。
各种防锈油简介2.1 薄层防锈油薄层防锈油,经多数紧固件企业的各种不同工艺进行生产性应用,证明对紧固件产品具有良好的防锈性能,同时,易涂覆,色泽浅亮,溶剂挥发少,用量省,为厚层防锈油的三分之一以下,故节约生产成本三分之二以上,主要用途为紧固件常温发黑后的处理。
薄层防锈油可用于室内工序间防锈,也可以用于包装封存防锈。
2.2 蜡膜防锈油在溶剂稀释型防锈油或超薄层防锈油中加入某些油溶性蜡,可以获得含蜡的防锈保护膜,能明显的提高油膜的抗盐雾和耐大气性能。
然而,常温下蜡是固态或半固态,在油品中极易析出,影响油品的外观和质量,甚至难以获得理想的防锈效果,因此,寻找油溶性较好,能明显改善防锈性的蜡是获得稳定性好、成膜均匀含蜡防锈油的关键。
蜡膜防锈油是由成膜剂、高效缓蚀剂和基础油组成的一种溶剂稀释型防锈油。
与其他类型的防锈油相比,蜡膜油具有油膜薄、防锈性好、涂层美观等特点。
2.3 水溶性防锈油我国目前的防锈油基本上都是以汽油、煤油或机械油作为溶剂的,都是由石油分馏出来的产物,目前因无法使含在石油里面的芳香烃脱出来,所以汽油、煤油和机械油都含有芳香烃,使用汽油、煤油做溶剂油,一是它的闪点低,易着火,二是污染环境,有害于人的身体健康,以水作为溶剂的水溶剂性防锈油不含芳香烃、铅等对人体有害的物质,生产中无三废排放,防锈效果也是较理想的,就是这种防锈油易涂、易除,用在封存紧固件的防锈上,可用自来水清洗,此产品经国家有关部门鉴定达到了环保要求。
防锈油原理一、引言防锈油是一种广泛应用于金属表面保护的化学品,其主要作用是在金属表面形成一层薄膜,防止金属与空气、水等物质接触而发生氧化反应,从而达到防锈的目的。
本文将从防锈油的原理、组成和应用等方面进行详细介绍。
二、防锈油的原理1. 阻止空气和水进入金属表面防锈油在金属表面形成一层薄膜,可以有效地隔离空气和水等物质对金属表面的侵蚀,从而达到防锈的目的。
2. 抑制电化学反应由于金属在接触空气或水时会发生电化学反应,导致金属表面发生氧化或腐蚀。
而防锈油中含有抑制剂,可以抑制电化学反应发生,减少金属表面的损伤。
3. 形成保护膜防锈油中含有吸附剂和胶体颗粒等物质,在涂覆到金属表面后可以形成一种保护膜,防止金属表面与空气、水等物质接触,从而达到防锈的目的。
三、防锈油的组成1. 基础油基础油是防锈油的主要组成部分,其主要作用是提供润滑和保护作用。
不同种类的基础油可以根据不同需求进行选择。
2. 抗氧化剂抗氧化剂是一种能够抑制氧化反应发生的物质,可以延长防锈油的使用寿命。
3. 抑制剂抑制剂可以抑制金属表面的电化学反应,减少金属表面的损伤。
常用的抑制剂包括磷酸盐、亚磷酸盐等。
4. 吸附剂和胶体颗粒吸附剂和胶体颗粒可以在涂覆到金属表面后形成一种保护膜,防止金属表面与空气、水等物质接触。
常用的吸附剂包括脱脂棉、硅酸盐等;常用的胶体颗粒包括纳米二氧化钛、纳米氧化铝等。
5. 溶剂溶剂是将各种组分混合在一起的介质,可以使防锈油涂布到金属表面上。
常用的溶剂包括石油醚、丙酮等。
四、防锈油的应用1. 防锈油可以广泛应用于金属制品的保护,如机械零件、汽车零部件、钢材等。
2. 防锈油可以作为金属加工液的添加剂,提高加工效率和产品质量。
3. 防锈油还可以作为清洗剂使用,清洗金属表面的污垢和氧化物,保持金属表面光洁度和亮度。
五、总结防锈油是一种广泛应用于金属表面保护的化学品,其主要作用是在金属表面形成一层薄膜,防止金属与空气、水等物质接触而发生氧化反应,从而达到防锈的目的。
美孚拉玛防锈油
MOBIL RUST PREVENTATIVE OIL
本产品系列专为使用者提供优良的防锈方法本产品内含特殊的化学反应添加剂,可使金属表面留下一层保护膜,保护各种机械设备以及金属产品,为客户解决后顾之忧
特性及用途
1润滑防锈剂
特性:*油性防锈油,具有润滑和防锈双重功效;
*防锈期可达半年以上;
*挥发性底,无毒,使用安全。
用途:*各种金属零件存放;
*适用于机械在贮存,运输及停用期的内部润滑兼防锈;
*各种机械需要防锈之部位。
2:挥发性防锈油
特性:*挥发性防锈剂,留下一层极薄的保护膜;
*可置换汗责以及指纹,绝对排水。
防潮;
*防绣期可达半年以上;
*浸涂,抹涂或喷涂均可
用途:*各金属零件存放防锈;
*金属加工,工序期间防锈:
*各类模具防锈:
*需要排水,防潮之金属表面防锈
3 油性防锈油
特性:*油性防锈剂,在金属表面留下一层保护油膜
*微黄色低粘性液体:
*渗透力强,能渗进细微缝隙:
*浸涂,抹涂或喷涂均可:
*防锈期达一年以上
用途*各类模具防锈:
*各种金属存放防锈:
*金属加工。
工序期间防锈:。
防锈油及其分类
1、防锈油
防锈油是由基础油、油脂性缓蚀剂和辅助添加剂等组成的一种混合物。
基础油通常是具有如下两种功能:一是添加剂的载体;二是与缓蚀剂一道在金属表面形成定向吸附层,增强缓蚀剂分子吸附层的密集性。
油溶性缓蚀剂主要以三种状态存在于基础油中:
(1)一部分在金属表面形成定向吸附层,其中极性基团朝向金属面,非极性集团朝向基础油,阻止有害物质对金属表面的侵蚀;
(2)另一部分以分子状态溶于基础油中,随时补充和修复金属表面的缓蚀剂吸附层;
(3)还有一部分以胶束状态分散于基础油中,一方面补充分散状态的缓蚀剂分子的消耗,另一方面捕集从金属表面置换下来的水分、汗液等有害物质,将其溶于胶束中,增强防锈油的防锈性;
(4)为了满足防锈油、脂的某些性能或使用要求,通常还需加入抗氧化剂、助溶剂、乳化剂、成膜剂、消泡剂等。
2、分类
按SH/T 0692—2000行业标准中规定,将防锈油分为五大类:
(1)除指纹型防锈油(置换型防锈油)
(2)溶剂型防锈油①硬膜防锈油②软膜防锈油③水置换型防锈油
(3)脂型防锈油
(4)润滑油型防锈油
(5)气相防锈油
本文由营口康如科技有限公司整理。
防锈油配方防锈油是一种涂料或润滑剂,用于保护金属制品免受氧化、腐蚀和生锈的影响。
它通常由多种成分组成,每种成分都具有特定的化学性质和功能。
以下是一种常见的防锈油配方,其中包含了常用的成分和工艺。
基础油:基础油是防锈油的主要成分,通常是由矿物油、合成油或动植物油制成。
基础油具有较低的蒸发率和较高的稳定性,可以提供润滑和保护金属表面的功能。
它还可以起到稳定其他成分和调节黏度的作用。
溶剂:溶剂是添加到防锈油中的成分,用于稀释和溶解其他成分。
常用的溶剂包括石油醚、酮类、醇类和醚类化合物。
溶剂可以改变防锈油的流动性和润湿性,使其更容易涂抹和渗透到金属表面。
抗氧化剂:抗氧化剂是一种常见的成分,用于防止防锈油在空气中暴露时氧化和变质。
常见的抗氧化剂包括芳香胺类化合物、苯酚类化合物和二苯胺类化合物。
它们可以通过捕捉自由基和抑制氧化反应来防止防锈油的降解。
界面活性剂:界面活性剂是一种增加防锈油润湿和涂附能力的成分。
它们可以降低防锈油与金属表面之间的表面张力,使其更容易覆盖和附着在金属表面上。
界面活性剂还可以提高防锈油的渗透性和扩散性,使其更好地进入金属细微的凹陷和孔隙中。
腐蚀抑制剂:腐蚀抑制剂是另一种重要的成分,用于减少金属表面与环境中氧、水和其他腐蚀因子的接触。
常见的腐蚀抑制剂包括有机酸、草酸盐、亚磷酸酯和硝酸盐等。
它们通过与金属表面形成保护性的薄膜或与腐蚀因子发生化学反应来抑制腐蚀过程。
钝化剂:钝化剂是一种用于形成保护性钝化膜的成分。
钝化膜能够隔绝金属表面与腐蚀因子的接触,从而减缓或阻止腐蚀的发生。
常用的钝化剂包括铬酸盐、铷酸盐和磷酸盐等。
钝化剂的选择和添加量要根据具体的金属对和腐蚀介质来确定。
其他添加剂:此外,防锈油还可以添加其他各种辅助性的成分,以提供各种特殊的功能和性能。
例如,防锈剂、减摩剂、染色剂、香料等。
这些添加剂的选择和使用量需要根据实际应用的要求来确定。
总而言之,防锈油的配方涉及多种成分,包括基础油、溶剂、抗氧化剂、界面活性剂、腐蚀抑制剂、钝化剂和其他添加剂。
防锈油的分类和介绍根据性能和用途不同,防锈油在国内可分为以下几类:1、置换型防锈油置换型防锈油一般以具有强烈吸附性的磺酸盐为主要防锈剂,能置换金属表面沾附的水分和汗液,防止人汗造成锈蚀,同时本身吸附于金属表面并生成牢固的保护膜,防止外来腐蚀介质的侵入。
因此,大量用于工序间防锈和长期防锈前的表面预处理。
还有很多置换型防锈油可直接用于封存防锈。
使用时可用石油溶剂如煤油或汽油来稀释,故有时此类防锈油脂中的某些种类也属于溶剂稀释型防锈油范围,使用时由于溶剂挥发,应注意防火通风等问题。
根据国内置换型防锈油标准SH0367-92规定,此类油品分为1号、2号、3号、4号。
其中1号、2号、3号油,主要用于各类金属产品及零部件的包装封存,并有一定的人汗置换性。
1号油用于黑色金属。
2号油用于黑色金属和铜,3号油用于黑色金属和有色金属。
1号、2号、3号油用石油溶剂稀释后可作为工序间封存用油,4号油是汗液洗净油,用于工序间清洗防锈。
2、溶剂稀释型防锈油这类防锈油含有挥发性石油溶剂,或在常温使用时以溶剂稀释。
它包括溶剂稀释型硬膜防锈油、溶剂稀释型软膜防锈油、溶剂稀释型置换性防锈油等。
这类防锈油涂布于金属表面后,溶剂便自然挥发掉,形成一层均匀的保护膜。
若成膜材料为沥青、树脂(如烷基酚氨基树脂、叔丁基酚甲醋树脂、石油树脂等),则溶剂挥发后形成的膜为硬膜,一般不粘手,不粘尘埃杂质,是抹、擦不掉的透明或不透明的薄膜,在石油溶剂如汽油中很易清洗掉。
一般用在大型机械设备表面的防锈,有的甚至可用于露天条件下存放的原材料、设备的封存。
但它的缺点是必须待溶剂挥发后,才允许相互接触和包装,不然会粘在一起。
故只适用于结构简单的工件。
对于大批量生产的中、小件的结构复杂带有小孔的工件则不适用,也不宜用作内部封存。
若成膜材料为油脂,如一般的羊毛脂及其衍生物、蜡、凡士林、氧化石油脂及其钡皂,则溶剂挥发后形成的膜为软膜,即油膜。
它比较软,能擦,抹掉。
这类油品可用作长期封存用油,要求有一定的厚度,防锈性能好,但解封比较困难。