起重吊装作业许可申请表
- 格式:doc
- 大小:41.00 KB
- 文档页数:1
吊装作业票四级吊装作业许可证编号:生产单位作业单位作业区域作业人员作业内容描述吊装货物名称货物规格(长×宽×高)m货物质量(最大单件质量):kg吊装质量(货物质量×1.25)kg吊装半径:m吊装角度起重机额定载荷:kg(在以上吊装半径和吊装角度的情况下)是否附图纸是否有效期:从年月日时至年月日时本人在工作开始前,已同吊装相关人员讨论了该工作及吊装计划,并对上述内容进行了检查确认,申请我对本工作安全措施的落实负责。
作业单位现场负责人:年月日时本人确认收到许可证,了解工作对本单位的影响,将安排人员对此项工作给予关注,并与相关各相关方方保持联系。
单位:确认人:单位:确认人:本人已同工作执行单位(人员)讨论了该工作及吊装计划,并对人员及设备进行了检查,该工作批准许可证的安全措施已落实,我对本次工作和人员的安全负责。
生产单位基层站队:年月日时本许可证延期从年月日时至年月日时延期申请人:相关方:批准人:年月日时图纸说明:工作结束,以确定现场无任何遗留安全隐患,许可证关闭。
关闭申请人:相关方:批准人:年月日时因以下原因,此许可证取消:取消提出人:相关方:批准人:年月日时附录B(资料性附录)起吊前检查工程1吊装准备是否已核实货物准确重量是否无3起重机及人员是否已确认起重人员的工作任务是否已确定作业人员负责人起重机司机身体及心理状态良好起重机司机是否持证上岗在起重机操作室中是否能清楚看到指挥信号起重机司机是否有克服吊装盲点的措施是否无线电通讯工具是否举行了计划交底与培训是否已明确批示旌旗灯号是否已明确唯一的指挥人员指挥人员是否持证上岗确认已对起重机进行了日常检查支腿处的地面是否平整坚实支腿支撑加固措施是否已落实天气情况是否适合吊装应急步伐是否已落实4关键性吊假装业是否已制定关键性吊装计划是否已指定监护人是否确认操作地区的电线及防护步伐5其他(请注明):项目是否无是否已考虑起吊附件造成起吊重量增加吊装角度是否合适(吊脚最差角度)是否符合起重机额定载荷检查作业人员是否经过培训检查是否按规定对起重机进行了检查与保护已核实吊索具及附件满足吊装要求已检查吊索具及附件有无缺陷是否已清楚货物的规格尺寸及重心是否已清楚货物的绑缚及牢固方法货物支持物是否符合是否明确吊装路线是否明确如何运输货物是否明确货物摆放地点是否考虑吊装货物时的平衡方法是否需要引绳或拉钩是否需要货物缓冲防震保护是否考虑强风下操作货物的稳定措施是否带有突出物的货物2吊装区域是否需要路障或警戒标志是否需要梯子或脚手架设障地区是否涵盖货物旋转半径是否已考虑辅佐工具及设备货物吊装、移动过程中是否有停滞注:满足“是”打“√”,不满足“否”打“√”,与本次吊装无关“无”打“√”。
工作许可必须在工作现场填写,并仅在注明的时间内有效编号:
注:第一联(白色)悬挂作业现场;
作业完毕交由吊装单位司机保管
第二联(黄色)张贴在值班室或控制室;
作业完毕交由吊装单位司机保管
第三联(粉色)送交相关方。
1、厂级之间的吊装作业,此联交由非吊装作业属地方。
例,阜康电厂在阜康氯碱厂公用工程车间所管辖区域进行吊装作业,电厂组织吊装作业时,需将此联交由氯碱厂公用工程车间作业属地,作业完毕,此联由作业属地留存。
/2、未存在厂级检修作业时,该联由作业属地车间在吊装作业完成后自行留存。
吊装作业安全许可证
说明:1.表中选择项,符合的打“√”;不符合或不需要的打“×”;
2.本许可证安全员存审批后的纸质版,监理单位可留存电子版;
3.安全员/作业所在单位负责人将填写完毕的本许可证,由监理工程师进行最终审批;
4.表内有“签字”字样的必须本人签字,其他栏内他人可以代写;
5.《吊装作业许可证》有效期限,一般危险不超过7天,较大、高度危险不超过8小时。
吊装作业安全技术交底表
作业级别:☑一般危险□较大危险□高度危险
说明: 1.安全交底后,安全措施落实完毕,方可申办《吊装作业安全许可证》;
2.本交底表和签字后的作业许可证由作业所在单位及监理单位存档(纸版);
3.表中选择项符合或需要的打“√”,不符合或不需要的打“×”;
4.吊装作业时间不得超过规定期限,超期需要重新办理。
工作许可必须在工作现场填写,并仅在注明的时间内有效编号:
注:第一联(白色)悬挂作业现场;
作业完毕交由吊装单位司机保管
第二联(黄色)张贴在值班室或控制室;
作业完毕交由吊装单位司机保管
第三联(粉色)送交相关方。
1、厂级之间的吊装作业,此联交由非吊装作业属地方。
例,阜康电厂在阜康氯碱厂公用工程车间所管辖区域进行吊装作业,电厂组织吊装作业时,需将此联交由氯碱厂公用工程车间作业属地,作业完毕,此联由作业属地留存。
/2、未存在厂级检修作业时,该联由作业属地车间在吊装作业完成后自行留存。
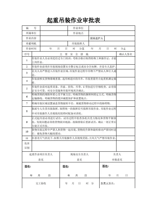
吊装作业许可审批表
作业等级:□一级□二级□三级编号:作业名称
作业时间段作业地点
作业单位
起重司机/证书起重指挥/证书监护人其他作业人员
作业设备
安全风险分析□物体坠落□物体打击□触电□机械伤害□其他伤害
安全防范措施
一般安全性要求是否满足三级以上吊装作业、物体形状复杂,作业条件特殊的吊
装作业应编制作业方案
□是□否吊装设备、组件应齐全、质量符合要求□是□否吊装现场应设置安全警戒标志,并设专人监护,非作业
人员禁止人内
□是□否不应靠近输电线路进行吊装作业□是□否大雪、暴雨、大雾及六级以上风时,不应露天作业□是□否吊装,吊具、索具应经计算选择使用,不应超负荷吊装□是□否起重司机、指挥人员具有特种设备作业人员证,并在有
效期内
□是□否
其他补充安全防范措施
作业申请单位/
部门已进行安全风险分析,上述安全防范措施已落实到位。
申请单位/部门负责人:
申请时间:
作业主管部门
已进行现场检查核实,安全防控措施已到位,符合标准要求。
现场检查人员:作业主管部门负责人:
检查时间:审核时间:
安全管理部门安全风险分析、安全防范措施符合作业安全管理规定,批准作业。
安全管理部门负责人:
审批时间:
一级吊装作业吊装重物的质量:>100t;二级吊装作业吊装重物的质量:≥40t至≤100t;三级吊装作业吊装重物的质量:<40t。
Signat ure 签Time 时间:o o o ooo o o oooo o oo o o o o o o o o o o o o oo o PTW Issue rPTW Recei verSpecific Work to Be Done 具体工作:Permit Applicant & Crew Menber 许可证申请人或班组人员:Description of Work(s)工作描述:Equipment Depressurized 设备压力被释放Equipment Drained 设备排水Power off Verified By 电源切断检验者:Will Lockout Remain Past your Shift? Lock 锁定延至下一班? 锁定Pre-Job Safety Meeting Held (JSA Reviewed) 召开班前安全会(审核作业安全分析)Lockout/Tagout Required: Breaker Switch 锁定和标识:断路开关Multiple crane lift 多个起重机吊装Rig No 钻机号:Well No 井号:Date 日期:Time Starts 开始时间:Time Expires 结束时间:Area to Be Worked On 工作区域 :PA Announcement Prior To Starting Job 在开始工作前时间PA 通知Install, Inspect & Operate the 3rd Party Contractor Equipment 是否安装、检查和操作第三方的设备Agent 介质Limit(s)极限Result 结果o o Rigging gear in good condition 索具装备处于良好状态Sling lubricated 绳索是否润滑Area checked and debris free 工作区是否检查无碎屑Work related procedures on location 作业现场有相关程序oo o Comments and Additional Requirements: 说明和其它要求:o o o o Partical Dust Mask Required 是否需要防尘口罩Lifts inside of confined space 在限制空间中的提升Physical Separation Reqiured 是否需要隔离o o o o o This permit is required for any of the fllowing lift 本许可证用于任何游动吊装Any special requirements and equipments place an "√" if required or leave blank if not required.对于特殊的要求和设备,如果需要则打“√”,不需要则留空。