01070301边坡开挖检验批质量验收记录
- 格式:xlsx
- 大小:14.69 KB
- 文档页数:1
边坡开挖检验批质量验收记录范文一、工程名称。
[具体工程名称]二、分项工程名称。
三、验收部位。
[详细的验收部位,比如XX区边坡]# (一)施工单位。
[施工单位名称]# (二)专业工长。
[工长名字]# (三)项目经理。
[项目经理名字]# (四)施工执行标准名称及编号。
[相关标准编号]四、质量验收规范的规定。
# (一)主控项目。
1. 边坡坡度。
设计要求:这个边坡的坡度啊,设计要求是1:1.5,就像一个斜坡滑梯的比例一样,得刚刚好呢。
验收情况:咱拿测量工具仔细量了量,坡度符合设计要求,一点也不马虎。
坡的斜度就像是按照模板刻出来的,稳得很。
验收结论:合格。
2. 基底处理。
设计要求:基底得平整干净,不能有那些乱七八糟的杂物和松散土。
就好比你打扫房间,得一尘不染才行。
验收情况:我们下去看的时候,基底平得像镜子似的,那些松散的土啊,石子啊,都被清理得干干净净。
就像给大地做了个深度清洁。
验收结论:合格。
# (二)一般项目。
1. 坡面平整度。
设计要求:坡面平整度允许偏差是±20mm,这就像你铺地板砖,得平整,不能坑坑洼洼的。
验收情况:用靠尺沿着坡面一量,大部分地方都在这个偏差范围内,只有个别小地方稍微有点偏差,不过也不影响大局,就像脸上长了颗小痘痘,不影响整体的帅气。
验收结论:合格。
2. 边坡防护。
设计要求:该边坡要进行防护,防护材料的种类和铺设方式都有规定。
就好比给边坡穿上一件合适的防护服。
验收情况:防护材料用得对,铺设得也整齐,就像裁缝精心裁剪的衣服一样,严严实实地保护着边坡。
验收结论:合格。
五、施工单位检查评定结果。
我们施工的时候那可是小心翼翼的,每个环节都盯着呢。
经过自检,这些主控项目和一般项目都合格。
就像自己精心打造的一件艺术品,没毛病。
项目专业质量检查员:[检查员名字]日期:[具体日期]六、监理(建设)单位验收结论。
监理工程师(建设单位项目专业技术负责人)在现场看了看,这边坡开挖得确实不错。
各个项目都达到了要求,就像学生考了个好成绩,让人满意。
边坡开挖检验批质量验收记录一、项目名称:边坡开挖二、施工单位:XXX公司三、监理单位:XXX公司四、质量验收日期:XXXX年XX月XX日一、施工情况1.开挖范围:边坡长度为X米,坡度为X度,开挖高度为X米,开挖面积为X平方米。
2.开挖方法:采用机械挖掘方式,使用X台挖掘机进行开挖。
3.坡度处理:根据设计要求,边坡开挖后进行坡度处理,采取倒坡或者坡度修整,确保坡面坡度符合设计要求。
4.开挖深度:根据设计要求,边坡开挖达到了设计要求的深度,未发生越界或不足的情况。
1.施工质量检查(1)检查挖掘机的作业质量,机械设备是否正常运行,对于有故障的机械设备及时修复或更换。
(2)检查边坡开挖的水平度和垂直度,确保开挖面平整,坡度符合设计要求。
(3)检查边坡开挖的边坡防护和排水设施,确保边坡的稳定性和排水能力。
(4)检查开挖过程中是否遇到地质灾害和地下设施,及时采取措施防止地质灾害和地下设施的破坏。
2.施工质量验收情况(1) 开挖面平整度:经过测量,开挖面平整度符合设计要求,平整度达到了Xmm/m。
(2) 坡面平整度:经测量,坡面平整度符合设计要求,平整度达到了Xmm/m。
(3)边坡防护设施:检查边坡防护设施的安装情况,满足设计要求,防止边坡塌方,确保工地安全。
(4)排水设施:检查排水设施的安装情况,确保边坡在雨季不积水,排水能力符合设计要求。
(5)地质灾害和地下设施:在开挖过程中,未发现地质灾害和地下设施破坏。
三、质量验收结论经过专业人员的检查和测量,边坡开挖质量符合设计要求和施工规范。
施工单位在开挖过程中严格按照设计要求进行施工,采取了必要的安全防护措施,确保了施工质量和工地安全。
根据上述情况,经过质量验收,边坡开挖工程质量合格。
四、质量问题整改建议在开挖过程中,施工单位需要加强对挖掘机的维护保养工作,及时修复或更换有故障的机械设备,确保施工过程中的机械设备的正常运行。
五、质量验收人员监理方:XXX(监理人员姓名)签名:____________________施工方:XXX(施工人员姓名)签名:____________________六、质量验收日期XXXX年XX月XX日以上是边坡开挖检验批质量验收记录,共计1200字以上。
填方边坡检验批质量验收记录一、工程概述方边坡是指工程建设中在土地平面方向所形成的边坡,主要用于保护工程结构和土地资源的利用。
本次方边坡的验收对象是道路工程项目的施工,在验收过程中将对方边坡的批质量进行测试和评定。
二、验收内容1.方边坡的设计参数:坡度、高度、抗滑安全系数等。
2.方边坡的土质类型及批质量。
3.方边坡的施工工艺和施工质量。
4.方边坡的边坡管理措施和监测情况。
三、验收人员及设备验收人员:项目负责人、工程监理人员、土建工程师等。
设备:倾斜度测量仪、强度测试仪、地质探测器等。
四、验收过程及结果记录1.方边坡的设计参数验收1.1坡度验收:检测人员使用倾斜度测量仪,按照设计要求对方边坡的坡度进行测量。
结果显示方边坡的坡度符合设计要求,通过验收。
1.2高度验收:检测人员使用测量仪器对方边坡的高度进行测量。
结果显示方边坡的高度符合设计要求,通过验收。
1.3抗滑安全系数验收:检测人员使用强度测试仪,对方边坡的土体抗剪强度进行测试。
测试结果显示方边坡的抗滑安全系数符合设计要求,通过验收。
2.方边坡的土质类型及批质量验收2.1土质类型验收:检测人员使用地质探测器对方边坡的土质类型进行测定。
确定其为黏土类型,符合设计要求,通过验收。
2.2批质量验收:检测人员对方边坡土体进行取样,送交实验室进行室内试验和分析。
试验结果显示方边坡的土体质量达到设计要求,通过验收。
3.方边坡的施工工艺和施工质量验收3.1施工工艺验收:检验人员对方边坡的施工过程进行巡视和记录,确保施工工艺符合设计要求。
验收结果显示方边坡的施工工艺符合要求,通过验收。
3.2施工质量验收:检验人员对方边坡表面进行目测和触摸,确保表面平整度、坡度、无裂缝等方面达到要求。
验收结果显示方边坡的施工质量符合要求,通过验收。
4.方边坡的边坡管理措施和监测情况验收检验人员对方边坡的边坡管理措施和监测情况进行检查和记录,确保边坡的稳定性受到有效的保护和监测。
验收结果显示方边坡的边坡管理措施和监测情况符合要求,通过验收。
路堤边坡检验批质量验收记录表
路堤边坡检验批质量验收记录表
02010202
说明
主控项目
1.路堤边坡应密实、稳固,其压实质量应符合设计要求。
检验数量:边坡压实质量施工单位每100 m等间距检验4点(距路基边缘0.5 m处,每侧2点),监理单位每200 m见证检验2点。
检验方法:根据填料种类按下表规定的方法进行检验。
压实质量检测方法
2.边坡肩棱整齐,曲线圆顺,坡面平整,无浮碴。
检验数量:施工单位每100 m等间距每侧检查2处。
监理单位每100 m见证检验1处。
检验方法:观察、尺量。
一般项目
1.路堤边坡坡率、变坡点位置、平台高程、平台宽度允许偏差及检验方法应符合下表的规定。
路堤边坡坡率、变坡点位置、平台高程、平台宽度允许偏差及检验方法。
甬统表 C02-50-2
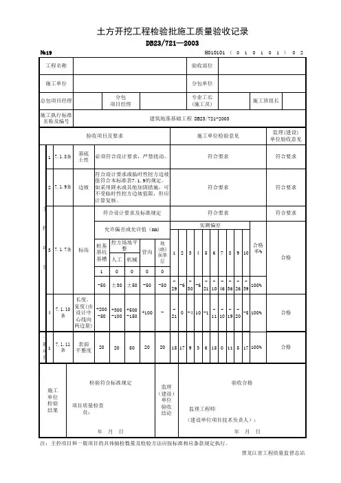
边坡开挖检验批质量验收记录
01060301
单位(子单位)
桂阳县健康路道路工程
工程名称
分部(子分部)
边坡分部分项工程名称边坡开挖分项工程名称
施工单位湖南中胜市政建
项目负责人郭向阳检验批容量设有限公司
分包单位湖南湘核华宇建分包单位
周述灿检验批部位设工程有限公司项目负责人
施工依据桂阳县健康路路堑边坡支护工程施
验收依据
《建筑边坡工程技术规范》工图设计(GB50330-2013)
验收项目设计要求及最小/ 实际
检查记录
检查规范规定抽样数量结果
1开挖分段长度不宜大于 10m/全部检查,合格
2开挖分层高度不宜超过 5m/全部检查,合格主
3分层开挖标高±50/全部检查,合格控
项
目4
/
5/
6/
1按坡率法施工/符合设计要求
一
2直面平整度±200/全部检查,合格
般3
/
项
4/
目5/
6/
施工单位
检查结果
专业工长:
项目专业质量检查员:年月日监理(建设)
单位验收结论专业监理工程师:
月日
年
(建设单位项目专业技术负责人)。
边坡开挖检验批质量验收记录范文下载提示:该文档是本店铺精心编制而成的,希望大家下载后,能够帮助大家解决实际问题。
文档下载后可定制修改,请根据实际需要进行调整和使用,谢谢!本店铺为大家提供各种类型的实用资料,如教育随笔、日记赏析、句子摘抄、古诗大全、经典美文、话题作文、工作总结、词语解析、文案摘录、其他资料等等,想了解不同资料格式和写法,敬请关注!Download tips: This document is carefully compiled by this editor. I hope that after you download it, it can help you solve practical problems. The document can be customized and modified after downloading, please adjust and use it according to actual needs, thank you! In addition, this shop provides you with various types of practical materials, such as educational essays, diary appreciation, sentence excerpts, ancient poems, classic articles, topic composition, work summary, word parsing, copy excerpts, other materials and so on, want to know different data formats and writing methods, please pay attention!边坡开挖检验批质量验收记录范文1. 检验批基本信息。