带头导柱制造工艺课程设计
- 格式:doc
- 大小:453.37 KB
- 文档页数:16
《塑料成型工艺与模具设计》课程设计指导书一、课程设计的目的(1)培养学生树立正确的设计思想,理论联系实际的工作作风,严肃认真、实事求是的科学态度和勇于探索的创新精神。
(2)培养学生对具体设计任务的理解和分析能力。
(3)培养学生编制注射成型工艺规程的能力和设计塑料模具的能力。
(4)培养学生综合运用所学知识与生产实践经验,分析和解决工程技术问题的能力。
(5)通过课程设计实践,训练并提高学生在理论计算、结构设计、查阅设计资料和应用计算机辅助设计软件以及编写技术文件等方面的能力。
二、课程设计的要求(1)塑料模具设计题目为中等复杂程度塑件,并满足教学要求和生产实际的要求,设计题目选自生产第一线。
(2)及时了解模具技术发展动向,查阅有关资料,准备好设计所需资料和工具。
(3)树立正确的设计思想,结合生产实际综合地考虑经济性、实用性、可靠性、安全性及先进性等方面的要求,严肃认真地进行模具设计。
(4)要敢于创新,勇于实践,充分发挥自己主观能动性和创造性,注意培养创新意识和工程意识。
(5)严格遵守学习纪律,遵守作息时间,不得迟到、早退和旷课。
(6)注射工艺计算正确,编制的塑料注射成型工艺规程符合生产实际;(7)模具结构合理,凡涉及国家标准之处均应采用国家标准,图面整洁,图样及标注符合国家标准。
(8)图纸机绘(计算机绘图)。
三、设计前的准备工作和注意事项1.先期课程塑料成型工艺与模具设计是在学生具备了机械制图、公差与技术测量、材料及热处理、机械设计基础、金属塑性成形原理、成形设备、机械制造技术、模具设计与制造等必要的基础知识和专业知识的基础上进行的。
完成本专业教学计划中所规定的认识实习和生产实习,也是保证学生顺利进行塑料成型工艺与模具设计的必要实践教学环节。
2.设计前应注意的事项(1)设计前必须预先准备好资料、手册、图册、绘图仪器、计算器、图板(计算机)、图纸、报告纸等;(2)设计前应对塑料成型工艺与模具设计的原始资料进行认真地消化,并明确设计要求再进行工作。
导柱课程设计一、教学目标本课程的教学目标是让学生掌握导柱的基本原理、结构特点和应用范围,培养学生运用导柱解决实际问题的能力。
具体目标如下:1.知识目标:(1)了解导柱的定义、分类和性能参数;(2)掌握导柱的工作原理和结构特点;(3)熟悉导柱在机械设计中的应用和选型方法。
2.技能目标:(1)能够分析导柱在实际工程中的应用场景;(2)具备导柱选型和设计的基本能力;(3)学会使用相关软件工具进行导柱的设计和仿真。
3.情感态度价值观目标:(1)培养学生对机械设计的兴趣和热情;(2)增强学生的创新意识和团队合作精神;(3)培养学生关注社会热点、关爱环境、遵守职业道德的意识。
二、教学内容本课程的教学内容主要包括导柱的基本原理、结构特点、应用范围和选型方法。
具体安排如下:1.第一章:导柱概述(1)导柱的定义和发展历程;(2)导柱的分类和性能参数;(3)导柱在机械设计中的重要性。
2.第二章:导柱的工作原理和结构特点(1)导柱的工作原理;(2)导柱的结构特点;(3)导柱的选用原则。
3.第三章:导柱的应用和选型方法(1)导柱在典型机械中的应用;(2)导柱的选型方法;(3)导柱的设计实例。
4.第四章:导柱的设计软件及仿真(1)导柱设计软件的基本功能;(2)导柱设计软件的操作方法;(3)导柱仿真分析及优化。
三、教学方法本课程采用多种教学方法,以激发学生的学习兴趣和主动性。
具体方法如下:1.讲授法:通过讲解导柱的基本原理、结构和应用,使学生掌握相关知识;2.案例分析法:分析实际工程中的导柱应用案例,培养学生解决实际问题的能力;3.实验法:学生进行导柱实验,加深对导柱工作原理和结构特点的理解;4.讨论法:分组讨论导柱设计方法和软件操作技巧,提高学生的团队合作精神。
四、教学资源本课程所需教学资源包括教材、参考书、多媒体资料和实验设备。
具体如下:1.教材:选用国内外优秀教材,如《机械设计基础》等;2.参考书:提供相关领域的经典著作和最新研究成果,如《机械设计手册》等;3.多媒体资料:制作精美的PPT课件,为学生提供直观的学习体验;4.实验设备:配置导柱实验装置,让学生亲自动手操作,提高实践能力。
项目教学课程教案项目名称模具零件机械加工模具制造技术模块名称冲压模具导柱的加工工艺编制时间课型新授课班级教学目标知识目标:进一步掌握工艺分析的基本方法和加工工艺规程的编制。
能力目标:1、掌握导柱零件的工艺分析方法2、学会编制导柱零件的加工工艺过程3、学会填写模具零件的工艺过程卡片情感目标:通过对所给图样的工艺分析,培养学生勤于动脑、善于反思,分析与总结的良好学习习惯。
教学重点冲压模导柱零件的工艺分析和加工工艺规程的编制教学难点导柱零件加工工艺规程的编制和工艺过程卡片中技术参数的确定课前准备讲义教学情境设计教师布置学习任务,学生分组讨论,探究零件加工工艺的编制方法,并且填写工艺过程卡片,真正体现在做中学,在学中做,学生是学习的主角,教师在学生的学习中起到引导、启发的作用,任务完成后,教师对学生学习效果进行评价、总结。
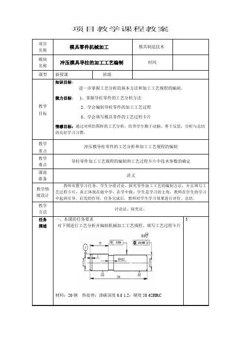
教学方法讨论法、探究法、任务描述一、本课的任务要求对下图进行工艺分析并编制机械加工工艺规程、填写工艺过程卡片材料:20钢热处理:渗碳深度0.8-1.2;硬度58-62HRC3′教学过程教学活动教师活动学生活动时间分配任务分析任务实施1、导柱的作用:导向2、导柱结构工艺性分析(1)几何形状由同轴不同直径的外圆、倒角、退刀槽组成。
(2)技术要求分析:①导柱配合表面的尺寸和形状精度②导柱配合表面间的同轴度③导柱配合面有较高的硬度:HRC50-55加工表面分析:Φ32r6:Ra0.4-----精磨才能达到要求(导柱要进行渗碳/淬火硬度HRC58-62)Φ32h6:Ra0.1-----圆柱度:0.006---研磨才能达到精度要求。
Φ32r6与Φ32h6:Ra0.1 同轴度:Φ0.008初步确定两端外圆的加工方案:Φ32h6:粗车-半精车-粗磨-精磨-研磨Φ32r6:粗车-半精车-粗磨-精磨2、毛坯的种类选择:构成导柱的基本表面都是回转体表面,材料为20钢,可以直接选择适当尺寸的热轧圆钢作为毛坯。
导柱加工工艺流程导柱加工是指将圆柱体加工成具有导向功能的零件,广泛应用于机械制造、汽车制造和航空航天等领域。
下面是一个简单的导柱加工工艺流程。
第一步:确定加工尺寸和要求在进行导柱加工之前,首先需要根据实际需要确定导柱的加工尺寸和要求,包括直径、长度、表面粗糙度等。
第二步:选材根据导柱的使用环境和要求,选择合适的材料。
常见的导柱材料有45#钢、40Cr等。
第三步:切削首先,用车床将选定的材料锯成所需长度。
然后,用车床将导柱的两端面削平。
接下来,用车床将导柱的外径加工到所需直径。
在车削过程中,要保证导柱的圆度和粗糙度满足要求。
第四步:砂轮修整在车削完导柱外径后,可能会有一些毛刺和不平整的地方。
此时,需要用砂轮进行修整。
将导柱固定在夹具上,通过砂轮的旋转摩擦,去除表面的毛刺,保证导柱的光滑度和外形。
第五步:镗孔根据需要,导柱可能需要镗孔处理。
在刀具确定好位置的情况下,使用铣床或镗床进行镗孔操作。
第六步:表面处理为了提高导柱的耐磨性和耐腐蚀性,常常需要对其进行表面处理。
常见的表面处理方法有镀铬、镀镍、热处理等。
根据需要,选择合适的表面处理方法进行操作。
第七步:检验在导柱加工完成后,需要进行检验。
主要检查导柱的尺寸、表面粗糙度、硬度等是否符合要求。
第八步:包装当导柱经过检验合格后,将其进行包装。
常见的包装方法有塑料袋包装、泡沫包装等。
包装完毕后,可以进行出厂销售或者存储。
以上就是导柱加工的基本工艺流程。
当然,在实际加工中还会有其他操作和细节需要考虑,如刀具选择、切削参数调整等。
导柱加工的每一个步骤都需要高度的技术水平和严谨的操作方式,以确保加工效果和质量。
只有在正确的工艺流程指导下,才能保证导柱在使用过程中具有良好的导向功能。
导柱套注塑模设计课程设计一、课程目标知识目标:1. 学生能理解导柱套注塑模的基本结构及其工作原理;2. 学生能掌握注塑模设计中涉及的关键技术参数和计算方法;3. 学生能了解并运用CAD软件进行导柱套注塑模的设计。
技能目标:1. 学生能运用所学知识,独立完成导柱套注塑模的设计;2. 学生能运用CAD软件进行模具设计,提高设计效率;3. 学生能在团队协作中发挥自己的专长,共同解决问题。
情感态度价值观目标:1. 学生对模具设计产生兴趣,培养良好的学习动机;2. 学生养成严谨、细致的工作态度,提高对工程质量的意识;3. 学生在团队协作中学会沟通与交流,培养合作精神和责任感。
本课程针对高年级学生,结合模具设计与制造专业的特点,注重理论知识与实践技能的结合。
课程旨在使学生掌握导柱套注塑模设计的基本方法,培养实际操作能力,并提高团队协作能力。
通过本课程的学习,学生将为从事模具设计及相关工作打下坚实基础。
二、教学内容1. 导柱套注塑模结构及工作原理- 模具分类及导柱套注塑模的应用范围- 导柱套注塑模的组成及各部分功能- 注塑成型过程及原理2. 注塑模设计关键技术参数及计算方法- 塑件收缩率的计算与确定- 模具型腔和型芯的设计- 导柱和导套的设计与布局- 模具冷却系统的设计3. CAD软件在导柱套注塑模设计中的应用- CAD软件的基本操作与功能介绍- 导柱套注塑模的CAD设计流程- 模具设计实例分析与操作演练4. 导柱套注塑模设计实践- 设计任务书及要求- 设计过程指导与问题解答- 团队协作设计与成果展示教学内容依据课程目标,结合教材章节进行组织,保证教学内容的科学性和系统性。
教学大纲明确规定了各部分内容的安排和进度,使学生能够在学完本课程后,系统掌握导柱套注塑模设计的相关知识,为实际工作奠定基础。
三、教学方法本课程采用以下多样化的教学方法,旨在激发学生的学习兴趣,提高教学效果:1. 讲授法:通过系统讲解导柱套注塑模的结构、工作原理和设计方法,使学生掌握基本理论知识,为后续实践操作奠定基础。
导套工艺课程设计一、课程目标知识目标:1. 学生能理解导套工艺的基本概念,掌握其原理和应用范围;2. 学生能掌握导套工艺的操作步骤和关键技巧;3. 学生能了解导套工艺在现实生活中的应用案例。
技能目标:1. 学生能独立操作导套工艺,完成简单的导套制作;2. 学生能运用导套工艺解决实际问题,提高动手能力;3. 学生能通过观察、分析,对导套工艺进行优化和创新。
情感态度价值观目标:1. 学生培养对导套工艺的兴趣,激发学习热情;2. 学生树立正确的工艺观念,认识到导套工艺在工业生产中的重要性;3. 学生养成合作、探究的学习态度,培养团队精神和创新精神。
分析课程性质、学生特点和教学要求:1. 课程性质:导套工艺课程属于实践性较强的学科,注重理论知识与实际操作的相结合;2. 学生特点:六年级学生具有较强的动手能力和好奇心,对新鲜事物充满兴趣;3. 教学要求:结合学生特点,注重激发兴趣,引导学生主动探究,提高实践操作能力。
二、教学内容1. 导套工艺基本概念与原理:包括导套的定义、分类、作用及其在工业生产中的应用;教材章节:第二章“导套工艺概述”2. 导套工艺操作步骤与技巧:详细讲解导套的制作过程,包括选材、加工、装配等环节;教材章节:第三章“导套的制作与安装”3. 导套工艺在实际应用案例:分析导套工艺在日常生活和工业生产中的应用实例;教材章节:第四章“导套的应用案例”4. 导套工艺的优化与创新:探讨导套工艺的改进方法,激发学生的创新意识;教材章节:第五章“导套工艺的优化与创新”5. 实践操作:组织学生进行导套工艺的实践操作,巩固所学知识,提高动手能力;教材章节:第六章“实践操作与技巧”教学进度安排:第一课时:导套工艺基本概念与原理第二课时:导套工艺操作步骤与技巧第三课时:导套工艺在实际应用案例第四课时:导套工艺的优化与创新第五课时:实践操作与总结教学内容确保科学性和系统性,注重理论与实践相结合,以培养学生的实践操作能力和创新精神为目标。
目录1.引言 12.塑料工艺分析与模具方案确定 22.1 制件的分析 22.2 模具方案的初步确定 32.3总装图 33. 塑料的成型特性及工艺参数 44. 注塑设备的选择 44.1 计算塑件的体积和重量 44.2 选择设备型号、规格、确定型腔数 45. 浇注系统 65.1 确定成型位置 65.2 分型面的选择 65.3 浇口套的选用 65.4 流程比的校核 76. 脱模机构的设计 76.1 顶出机构 76.2 脱模力的计算 87. 侧向抽芯机构的设计 87.1 抽拔距与抽拔力的计算 97.1.1抽芯距 97.1.2抽芯力的计算 97.2 抽芯机构的设计 107.2.1滑块与滑块槽的设计 107.2.2定位装置的设计 117.2.3斜导柱的设计与计算 118. 温度调节机构的选择 128.1模具温度调节对塑件质量的影响 12 8.2冷却系统的设计原则 128.3冷却装置的布置如下 139. 注射机有关工艺参数的校核 139.1 注射量的校核 139.2 锁模力与注射压力的校核 149.2.1锁模力的校核 149.2.2注射压力的校核 159.3模具与注射机安装部分相关尺寸的校核 1510. 成型零部件的设计与计算机构形式 16 10.1 成型零部件的结构形式 1610.1.1凹模的结构设计 1610.1.2型芯的结构设计 1610.2成型零部件的工作尺寸的计算 1611. 模架、支承与连接零件的设计与选择 19 11.1定模座板(400mm×350mm×30mm) 19 11.2定模板(350 mm×350mm×36mm) 19 11.3动模板(350mm×350mm×90mm) 1911.4 动模座板(4000mm×350mm×30mm) 1912. 合模导向与定位机构的设计 2012.1 导柱导向机构 1012.2 导向孔、导套的结构及要求 2112.3 导柱布置 2113. 排气与引气系统 2113.1.1排气系统的作用及气体来源 2113.1.2排气系统的设计要点 2113.2引气装置 22结 论 22谢辞 22参考文献 231.引言随着各种性能优越的工程塑料不断开发,注塑工艺越来越多地被各个制造领域用以成型各种性能要求的制品。
模具导柱加工工艺流程一、模具导柱的概念及作用模具是工业制造中常用的一种工具,它由上模和下模组成。
导柱是模具中的一个重要组成部分,它的作用是使模具在工作时能够保持稳定的定位,提高模具使用寿命。
模具导柱通常由导柱套、导柱杆、导柱座组成。
导柱套是一种圆筒形的零件,用于固定导柱杆,在模具安装时具有一定的固定作用。
导柱杆则是一种长条形的零件,用于支撑上下模具,并保证模具能够在加工过程中保持稳定。
导柱座则是连接导柱套和导柱杆的一个零件,固定在模具的底座上,用于支撑导柱套和导柱杆的安装。
模具导柱的加工工艺流程对模具的精密度、稳定性和寿命都有重要影响,因此,合理的加工工艺流程对模具的使用性能具有至关重要的意义。
二、模具导柱的材料选择模具导柱通常采用优质的工具钢或不锈钢材料。
工具钢具有硬度高、耐磨性好等特点,是制作模具导柱的常用材料。
不锈钢具有耐腐蚀、抗氧化等特点,适合用于一些特殊环境下的模具导柱。
选择适合的材料是模具导柱加工成功的第一步,它直接影响到导柱的整体性能和使用寿命。
三、模具导柱的精密加工1. 材料准备对于工具钢材料,首先要对其进行坯料的切割,通常使用锯床进行切割。
然后要对坯料进行精确的尺寸测量,确保后续加工过程中能够保证准确的尺寸要求。
对于大型的模具导柱,还需要考虑坯料的加热处理,以保证在加工过程中能够保持稳定的硬度。
2. 钻孔在导柱杆上进行钻孔,这是导柱加工中最基本的工序。
首先要进行定位,然后使用钻床进行精准的钻孔,保证导柱套能够准确的安装在导柱杆上。
在钻孔过程中要使用合适的冷却液,以避免导致导柱杆表面温度过高,影响其硬度。
3. 精益车削对导柱杆进行车削处理,保证其表面的光洁度和精度。
车削过程中要逐步调整刀具的位置、进给速度和主轴转速,确保导柱杆的表面粗糙度和直径尺寸符合要求。
4. 铣削对导柱套进行铣削处理,保证其内孔的光洁度和尺寸精度。
铣削过程中要考虑到导柱套的圆度和同心度要求,采取适当的进给速度和刀具转速控制,以保证导柱套的内孔尺寸符合要求。
导杆机械加工课程设计一、课程目标知识目标:1. 理解导杆机械的基本结构、工作原理及加工流程;2. 掌握导杆机械加工过程中涉及的关键技术参数和工艺要求;3. 了解导杆机械加工领域的发展趋势及新技术应用。
技能目标:1. 能够运用CAD软件绘制导杆机械零件图,并进行简单的设计修改;2. 学会使用数控机床进行导杆机械零件的加工操作;3. 能够对加工过程中出现的问题进行分析和解决,提高加工精度和效率。
情感态度价值观目标:1. 培养学生热爱机械加工专业,树立正确的职业观;2. 增强学生的团队协作意识和沟通能力,培养合作共赢的精神;3. 培养学生严谨、细致的工作态度,提高对工程质量和安全的认识。
本课程针对高年级学生,结合导杆机械加工的实际情况,注重理论与实践相结合,培养学生的实际操作能力和解决问题的能力。
课程目标具体、可衡量,旨在帮助学生全面掌握导杆机械加工的相关知识,提高技能水平,同时培养良好的情感态度和价值观。
为确保教学效果,课程目标将分解为具体的学习成果,以便后续教学设计和评估。
二、教学内容1. 导杆机械基本结构及工作原理:- 导杆机械的分类及特点;- 导杆机械的工作原理及关键组成部分;- 导杆机械在工业生产中的应用。
2. 导杆机械加工工艺与关键技术参数:- 导杆机械加工的工艺流程;- 常用加工方法及适用范围;- 关键技术参数对加工质量的影响。
3. CAD软件在导杆机械设计中的应用:- CAD软件的基本操作;- 导杆机械零件图的绘制与修改;- 设计优化与工程图输出。
4. 数控机床操作与编程:- 数控机床的基本结构及功能;- 常用数控编程指令及其应用;- 导杆机械零件的数控加工操作。
5. 加工过程中的问题分析与解决:- 常见加工缺陷的产生原因及解决办法;- 加工误差分析与控制;- 提高加工精度和效率的措施。
6. 导杆机械加工新技术与发展趋势:- 现代制造技术在导杆机械加工中的应用;- 导杆机械加工领域的发展趋势;- 绿色制造与可持续发展。
目录1设计任务 (3) (3)2工艺方案分析及确定 (5) (5) (5) (5) (5) (5)3模具结构型式的选择 (6) (6) (7)、卸料装置的选择 (7)、导套位置的选择 (7) (8)4工艺尺寸的计算 (8) (8) (8) (9) (9) (10)、推、卸料力的计算 (11) (11) (11) (12) (12) (12)5确定模具各主要零部件结构尺寸 (13) (13) (13) (14) (14)、下垫板的设计 (14) (15) (15) (15) (15)、销钉的选择 (15)6模具主要零件加工工艺的编制 (15) (15) (16) (18) (20) (20)结束语 (21)谢辞 (22)参考文献 (23)1设计任务用冲压设备将材料或工序件冲压成所需外轮廓坯料的模具,材料沿封闭轮廓被分离冲下成为产品,废料留在模板上的精度高,寿命长,使用安装方便,但轮廓尺寸较大,模具较重、制造工艺复杂、成本较高的导柱式单工序落料模设计工件如图1-1所示:图1-1技术要求:1.本产品为落料件,材料为08,厚度为2mm2.工件对公差要求较高,公差按IT8级制造。
3.工件外观必须平顺,毛边物等均需去除。
模具的总体结构草图如图1-2图1-22工艺方案分析及确定冲裁件的工艺性是指从冲压工艺方面来衡量设计是否合理。
一般的讲,在满足工件使用要求的条件下,能以最简单最经济的方法将工件冲制出来,就说明该件的冲压工艺性好,否则,该件的工艺性就差。
当然工艺性的好坏是相对的,它直接受到工厂的冲压技术水平和设备条件等环境因素的影响。
:该冲裁件的材料08F钢,具有较好的可冲压性能:该冲裁件结构简单,形状简单,比较适合冲裁:该落料件的外形尺寸是根据拉深件的尺寸计算出拉深的毛胚尺寸,即为该零件的落料的尺寸。
没标尺寸的可按IT14级确定工件尺寸的公差。
按IT14级处理,并按“入体”原则标注公差。
查公差表可得各尺寸公差为:零件外形:Φ22062.0- mm 19± mm 12.0+mm以上要求是确定冲压件的结构,形状,尺寸等对冲裁件工艺的实应性的主要因素。
《冲压模具课程设计》范例《冲压模具课程设计》范例【范例】(1)题目:东风EQ-1090汽车储气简支架(2)原始数据数据如图7—1所示。
大批量生产,材料为Q215,t=3mm。
图7-1零件图(3)工艺分析此工件既有冲孔,又有落料两个工序。
材料为Q235、t=3mm的碳素钢,具有良好的冲压性能,适合冲裁,工件结构中等复杂,有一个直径φ44mm的圆孔,一个60mm×26mm、圆角半径为R6mm的长方形孔和两个直径13mm的椭圆孔。
此工件满足冲裁的加工要求,孔与孔、孔与工件边缘之间的最小壁厚大于8mm。
工件的尺寸落料按ITll级,冲孔按IT10级计算。
尺寸精度一般,普通冲裁完全能满足要求。
(4)冲裁工艺方案的确定①方案种类该工件包括落料、冲孑L两个基本工序,可有以下三种工艺方案。
方案一:先冲孔,后落料。
采用单工序模生产。
方案二:冲孔一落料级进冲压。
采用级进模生产。
方案三:采用落料一冲孔同时进行的复合模生产。
②方案的比较各方案的特点及比较如下。
方案一:模具结构简单,制造方便,但需要两道工序,两副模具,成本相对较高,生产效率低,且更重要的是在第一道工序完成后,进入第二道工序必然会增大误差,使工件精度、质量大打折扣,达不到所需的要求,难以满足生产需要。
故而不选此方案。
方案二:级进模是一种多工位、效率高的加工方法。
但级进模轮廓尺寸较大,制造复杂,成本较高,一般适用于大批量、小型冲压件。
而本工件尺寸轮廓较大,采用此方案,势必会增大模具尺寸,使加工难度提高,因而也排除此方案。
方案三:只需要一套模具,工件的精度及生产效率要求都能满足,模具轮廓尺寸较小、模具的制造成本不高。
故本方案用先冲孔后落料的方法。
③方案的确定综上所述,本套模具采用冲孔一落料复合模。
(5)模具结构形式的确定复合模有两种结构形式,正装式复合模和倒装式复合模。
分析该工件成形后脱模方便性,正装式复合模成形后工件留在下模,需向上推出工件,取件不方便。
《模具制造技术》教学案例:制定导柱的加工工艺“模具制造技术”是模具制造技术专业骨干课程。
该课程是在学习了模具零件加工工艺的编制基础内容后,为零件工艺制定奠定理论基础。
文章从教学准备、教学过程、教学反思三个环节阐述了课程的教学教学设计内容。
标签:《模具制造技术》;教学策略;加工工艺一、教学准备1.教材及教学内容分析本课程采用学校自编的校本教材《模具制造技术》,是在学生学习了机械制图、机械基础、模具结构等课程的基础上,进行模具加工工艺制订的教学。
2.教学策略及教学法分析根据教学内容及学生情况,本节课教学主要采用以工作过程为导向的教学法。
即按照零件加工流程安排教学环节及内容,在教学过程中辅以演示法、讲授法、模拟仿真法等多种教学手段。
3.校内实训情况分析校内有12台车床能充分满足学生的实训需要,每个班级都有多媒体设备,可以演示PPT,班级的电脑可以联网随时查找相应资料。
4.课前准备在QQ群中下发预习资料及视频,下发工作页及图纸。
二、教学过程学习情境描述:学校实训工厂要单件加工冲压模导柱。
同学们要根据图纸(如下图所示)制定导柱的加工工艺规程,填写相关工艺文件,完成零件的加工,并加工出合格的工件。
1.制定导柱加工工艺(1)任务描述。
根据零件图所示,制定导柱加工工艺,填写工艺文件。
本项目主要学习车削加工工艺。
了解车床加工的工作原理、结构组成。
(2)任务分析。
导柱零件是导向零件,与导套配合使用,对同轴度要求较高,所采取的加工方法不同于一般机械加工方法。
因此,必须采取一些工艺加工技巧。
构成导柱的基本表面都是回转体表面,按照图示的结构尺寸和设计要求,可以直接选用适当尺寸的热轧圆钢做毛坯。
(3)任务实施(是本节课的重、难点)。
2.按照导柱零件图,分析导柱的加工工艺,制定导柱的加工工艺规程(1)分析零件图。
①分析零件结构:该零件是导柱,零件的外形尺寸是φ105mm×30mm。
引导锥部分轴向尺寸公差不受控,该零件加工的关键是同轴度的保证和表面光洁度的保证,减小导柱与导套的摩擦。
模具制造工艺课程设计内容:1、编制图示零件的加工工艺规程要求:(1)进行工艺性分析(2)制订工艺规程2、任选一模具装模图(附图)制订其装配工艺规程(必做)姓名班级学号日期目录一、导柱的加工工艺规程————————————1二、导套的加工工艺规程————————————3三、上模座的加工工艺规程———————————6四、下模座的加工工艺规程———————————8五、凹模的加工工艺规程————————————10六、凹模的加工工艺规程————————————12七、典型凹模的加工工艺规程——————————14八、凹凸模的加工工艺规程———————————16九、凹模的加工工艺规程————————————18十、模具装配图————————————————20一、导柱的加工工艺规程导柱(20钢渗碳58-62HRC)1.导柱的作用导柱是磨具上的导向零件。
与导套配合,起导向和定位作用。
导柱安装在下模座上,导柱与导套滑动配合以保证凸模与凹模工作时有正确的位置,为了保证良好的导向作用,导柱与导套的配合间隙小于凹凸模之间的间隙,导柱与导套的配合间隙一般采用H7/h6,精度要求高时采用H6/h5,导柱与下模座采用H7/r6过盈配合。
为了保证导向精度。
加工时除了使导柱导套精度符合要求外,还应满足配合表面间的同轴度。
即两个外圆表面间的同轴度,以及导套外圆与内孔表面的同轴度。
2.导柱的工艺性分析1)几何形状有同轴不同直径的外圆、倒角、退刀槽组成。
2)技术要求分析⑴导柱配合表面的尺寸和形状精度⑵导柱配合表面间的同轴度⑶导柱配合表面有较高的硬度:HRC50-553)加工表面分析φ32r6:Ra0.4——精磨才能达到要求φ32h6:Ra0.1——圆柱度0.006—研磨才能达到要求φ32h6:精车—半精车—粗磨—精磨—研磨φ32r6:精车—半精车—粗磨—精磨4)毛坯的种类选择构成导柱的基本表面都是回转体表面,材料20钢,可以直接选择适当尺寸的热轧圆钢作为毛坯。
标准有肩导柱课程设计一、课程目标知识目标:1. 学生能够理解标准有肩导柱的原理、结构和应用,掌握其基本概念及分类。
2. 学生能够运用数学知识,分析并解决与标准有肩导柱相关的问题。
3. 学生了解标准有肩导柱在工程技术领域的实际应用,拓展相关知识视野。
技能目标:1. 学生能够运用CAD软件绘制标准有肩导柱的三视图,提高空间想象能力和绘图技能。
2. 学生能够通过动手实践,正确组装和拆卸标准有肩导柱,培养实际操作能力和团队协作能力。
3. 学生能够运用所学知识,分析实际工程案例,提出改进和优化方案,提高解决问题的能力。
情感态度价值观目标:1. 学生培养对机械工程领域的兴趣,激发学习热情,形成积极的学习态度。
2. 学生通过学习标准有肩导柱,认识到科技与生活的密切关系,增强学以致用的意识。
3. 学生在团队合作中,培养沟通协调能力和集体荣誉感,树立正确的价值观。
课程性质:本课程为机械设计基础课程,旨在帮助学生掌握标准有肩导柱的知识,提高实践操作能力。
学生特点:学生处于初中阶段,具有一定的数学基础和空间想象力,对新鲜事物充满好奇。
教学要求:结合学生特点,注重理论与实践相结合,充分调动学生的积极性,培养其动手能力和解决问题的能力。
通过分解课程目标,为后续教学设计和评估提供依据。
二、教学内容本章节教学内容主要包括以下几部分:1. 标准有肩导柱的基本概念:讲解标准有肩导柱的定义、分类和作用,使学生了解其在机械设计中的应用。
2. 标准有肩导柱的结构与原理:介绍标准有肩导柱的结构特点、工作原理,通过图示和实例分析,帮助学生掌握其内部构造。
3. 标准有肩导柱的绘图方法:结合CAD软件,教授标准有肩导柱的三视图绘制方法,提高学生的空间想象能力和绘图技能。
4. 标准有肩导柱的应用案例:分析实际工程案例,让学生了解标准有肩导柱在不同场合的应用,并学会提出改进和优化方案。
5. 动手实践:组织学生进行标准有肩导柱的组装和拆卸实验,培养实际操作能力和团队协作能力。
设计计算说明书课程名称:模具制造技术课程设计题目:带头导柱制造工艺课程设计学院名称:专业:班级:姓名:学号2011年12月1日目录1 准备工作 (3)1.1拆画零件图 (3)1.2生产纲领及生产类型确定 (3)1.3零件工艺性分析 (4)1.3.1导柱的作用 (4)1.3.2导柱的结构特点 (5)1.3.3导柱的结构工艺性 (5)1.3.4轴形零件加工要求 (6)1.4毛坯选择 (7)2 工艺过程设计 (7)2.1定位基准选择 (7)2.2零件表面加工方法选择 (9)2.3零件加工路线设计 (9)3 定量设计 (10)3.1加工余量确定及切削用量的确定 (10)3.2设计毛坯图 (12)4 工序设计 (12)4.1加工设备选择 (12)4.2工艺装备选择 (12)4.3工序尺寸确定 (12)结论 (15)参考文献 (16)1 准备工作1.1 拆画零件图1.2 生产纲领及生产类型确定生产纲领的大小对生产组织和零件加工工艺过程起着重要的作用,它决定了各工序所需专业化和自动化的程度,决定了所应选用的工艺方法和工艺装备。
该型导柱的年产量可按下式计算:N=Qn(1+a%+b%)⑴式中N——零件的年产量,件/年;Q——产品的年产量,台/年;n——每台产品中该零件的数量,件/台;a——零件的备品率,%b——零件的平均废品率,%根据设计任务要求:Q=2000,n=4,a=10,b=1将上述数据代入计算公式⑴,解得:N=8880 (件)根据生产纲领与生产类型及产品大小和复杂程度的关系如表1:表1 年产量和生产类型的关系生产类型同类零件的年产量(件)轻型零件(零件质量小于100kg)中型零件(零件质量100~2000kg)重型零件(零件质量大于2000kg)单件生产<100 <10 <5成批生产小批100~500 10~200 5~100 中批500~5000 200~500 100~300 大批5000~50000 500~5000 300~1000大量生产>50000 >5000 >1000 由上表,可以确定其生产类型为成批生产,按照批量的大小,成批生产又分为小批量生产,中批生产和大批生产,由500<N<50000,可最终确定该导柱的生产类型为大批量生产。
设计计算说明书课程名称:模具制造技术课程设计题目:带头导柱制造工艺课程设计学院名称:专业:班级:姓名:学号2011年12月1日目录1 准备工作 (3)1.1拆画零件图 (3)1.2生产纲领及生产类型确定 (3)1.3零件工艺性分析 (4)1.3.1导柱的作用 (4)1.3.2导柱的结构特点 (5)1.3.3导柱的结构工艺性 (5)1.3.4轴形零件加工要求 (6)1.4毛坯选择 (7)2 工艺过程设计 (7)2.1定位基准选择 (7)2.2零件表面加工方法选择 (9)2.3零件加工路线设计 (9)3 定量设计 (10)3.1加工余量确定及切削用量的确定 (10)3.2设计毛坯图 (12)4 工序设计 (12)4.1加工设备选择 (12)4.2工艺装备选择 (12)4.3工序尺寸确定 (12)结论 (15)参考文献 (16)1 准备工作1.1 拆画零件图1.2 生产纲领及生产类型确定生产纲领的大小对生产组织和零件加工工艺过程起着重要的作用,它决定了各工序所需专业化和自动化的程度,决定了所应选用的工艺方法和工艺装备。
该型导柱的年产量可按下式计算:N=Qn(1+a%+b%)⑴式中N——零件的年产量,件/年;Q——产品的年产量,台/年;n——每台产品中该零件的数量,件/台;a——零件的备品率,%b——零件的平均废品率,%根据设计任务要求:Q=2000,n=4,a=10,b=1将上述数据代入计算公式⑴,解得:N=8880 (件)根据生产纲领与生产类型及产品大小和复杂程度的关系如表1:表1 年产量和生产类型的关系生产类型同类零件的年产量(件)轻型零件(零件质量小于100kg)中型零件(零件质量100~2000kg)重型零件(零件质量大于2000kg)单件生产<100 <10 <5成批生产小批100~500 10~200 5~100 中批500~5000 200~500 100~300 大批5000~50000 500~5000 300~1000大量生产>50000 >5000 >1000 由上表,可以确定其生产类型为成批生产,按照批量的大小,成批生产又分为小批量生产,中批生产和大批生产,由500<N<50000,可最终确定该导柱的生产类型为大批量生产。
1.3 零件工艺性分析1.3.1导柱的作用(1)定位作用模具装配或闭合过程中,避免模具动、定模的错位,模具闭合后保证型腔形状和尺寸的精度。
(2)导向作用动、定模合模时,首先导向零件相互接触,引导动定模准确闭合,避免成型零件先接触而可能造成成型零件的损坏。
(3)承受一定的侧向压力塑料熔体在注入型腔过程中可能产生单项侧向压力,或由于注射机精度的限制,会使导柱在工作中不可避免受到一定的侧向压力。
当侧向压力很大时,不能仅靠导柱来承担,还需加设锥面定位装置。
1.3.2导柱的结构特点由上图所示,导柱由直径φ10mm,长为80mm的圆柱和直径φ14mm,长为5mm的圆柱头构成,中间磨有越程槽,带头导柱根部有1x45倒角。
导柱结构的几何要素主要有端面平面,内外圆柱回转面构成,这是一种标准的滑动导柱结构。
1.3.3导柱的结构工艺性零件的结构对零件的工艺过程影响很大。
使用性能完全相同而结构不同的两个零件,其加工方法与制造成本却可能有很大的差别。
因此,要求所设计的零件应具有良好的结构工艺性。
良好的结构工艺性是指根据使用要求所设计的零件结构,能在同样的生产条件下,采用高效率、低消耗和低成本的方法制造出来。
满足零件的使用要求是考虑零件结构工艺性的前提。
在此前提下,还应注意尽可能使毛坯生产、切削加工、热处理和装配调试等各个阶段都具有良好的结构工艺性。
如果不能兼顾各阶段,也应做到保证主要,照顾次要。
零件结构工艺性的优劣是相对的,与现有设备条件、生产类型和技术水平以及科学技术的发展和新工艺性方法的出现等密切相关。
例如非圆形通孔在批量小的情况下,结构工艺性不好,但在批量大的情况下,可采用拉削方法加工,则具有较好的结构工艺性;又如电火花加工的出现,使原来认为不易加工的复杂形腔、直径很小的孔等表面变得容易加工。
在整个制造过程中,零件的切削加工所消耗的时间及费用最多,因此零件结构的切削加工工艺性好坏就显得特别重要。
我们要以“便于零件安装、加工,提高切削效率,减少切削加工量和易于保证加工质量”为指导原则,来分析零件切削加工工艺性优劣,进而选择导柱的正确的加工工艺性。
导套和导柱一起组成了模具的导向机构,导柱是在导套中滑动而导向的。
有些精度要求不高的模具,也可不用导套,而用模板上的孔导向,这种孔叫导向孔。
为了使导柱能顺利地进入导向孔,在导向孔的前端应倒成圆角,滑动部分按H8/f7的间隙配合。
由于导向孔直接做在模板上,所以模板材料常为T8等碳素工具钢,淬火后硬度为55HRC左右,也可用45钢调质后用。
1.3.4轴形零件加工要求柱形零件的加工工艺主要有:外圆与端面车削加工;外圆磨削加工;外圆的研磨加工。
导柱的形状、位置、配合精度与表面粗糙度。
确定导柱的加工工艺,除取决于导柱的形状、结构外,其形状、位置、尺寸、配合精度和表面粗糙度的要求,是确定加工工艺、工艺顺序和定位、装夹方式的主要依据。
导柱的技术要求分别呈述如下:(1)带头导柱头部与导柱工作部分圆柱度要求圆柱度是指任一垂直截面最大尺寸与最小尺寸差为圆柱度。
圆柱度误差包含了轴剖面和横剖面两个方面的误差。
.圆柱度的公差带是两同轴圆柱面间的区域,该两同轴圆柱面间的径向距离即为公差值。
此公差值应达到、控制在允许的范围内。
(2)导柱的形状精度与表面粗糙度带头导柱滑动或滚动部分的圆柱度见表2:表2直径/㎜圆柱度01、1级0Ⅱ、Ⅱ级根据模具零件标准要求,带有导柱滑动与滚动部分的表面粗糙度为:滑动导向外表面粗糙度Ra=0.05μm 。
可见,导套内孔须经过研磨。
(3)有台肩导柱的台肩侧面对空中心线的跳动量为0.005㎜。
因此,在以外圆为基准、一次装夹的条件下,精密车削外圆的同时;或精密磨削的同时,亦精密车削、或精密磨削导柱台肩端面。
以保证台肩端面对外圆面的垂直度误差,以保证其端面对外圆面中心线的圆跳动量。
1.4 毛坯选择按零件特点,可选棒料。
比较接近并能满足加工余量要求,可选φ17mm ,91mm 。
2 工艺过程设计2.1 定位基准选择导柱加工过程中为了保证各外圆柱面之间的位置精度和均匀的磨削余量,对外柱面的车削和磨削一般采用设计基准和工艺基准重合的两端中心孔定位。
因此,在车削和磨削之前先加工<30 0.004 0.006 >30-450.005 0.007 >450.0060.008中心孔,为后继工序提供可靠的定位基准。
中心孔加工的形状精度对导柱的加工质量有着直接影响,特别是加工精度要求高的轴类零件。
另外保证中心孔与顶尖之间的良好配合也是非常重要的。
导柱中心孔在热处理后需要修正,以消除热处理变形和其他缺陷,使磨削外圆柱面时能获得精确定位,保证外圆柱面的形状和位置精度。
表3 导柱的加工工艺过程工序号工序名称工序内容设备工序简图1 下料按图纸尺寸Φ17×91 锯床2 车端面,打中心孔车端面保持长度88.5,打中心孔。
调头车端面至尺寸86,打中心孔车床3 车外圆粗车外圆柱面至尺寸Φ10×80,并倒角。
调头车外圆Φ17至尺寸并倒角。
切槽1×1至尺寸车床4 检验5 热处理按热处理工艺对导柱进行处理,保证表面硬度HRC55~606 研中心孔研中心孔,调头研另一端中心孔车床7 磨外圆磨Φ10f7外圆柱面,留研磨余量0.01,并磨C1倒角磨床8 研磨研磨外圆Φ10f7至尺寸,抛光C1角磨床9 检验中心孔的钻削和修正,是在车床、钻床或专用机床上按图纸要求的中心定位孔的型式进行的。
如图1.1.1所示为在车床上修正中心孔示意图。
用三爪卡盘夹持锥形砂轮,在被修正中心孔处加入少许煤油或机油,手持工件,利用车床尾座顶尖支撑,利用车床主轴的转动进行磨削。
此方法效率高,质量较好,但砂轮易磨损,需经常修整。
如果用锥形铸铁研磨头代替锥形砂轮,加研磨剂进行研磨,可达到更高的精度。
采用图1.1.2所示的硬质合金梅花棱顶尖修正中心定位孔的方法,效率高,但质量稍差,一般用于大批量生产,且要求不高的顶尖孔的修正。
它是将梅花棱顶尖装入车床或钻床的主轴孔内,利用机床尾座顶尖将工件压向梅花棱顶尖,通过硬质合金梅花棱顶尖的挤压作用,修正中心定位孔的几何误差。
图 1.1.1锥形砂轮修正中心定位孔1-三爪卡盘2-锥形砂轮3-工件4-尾座顶尖图1.1.2硬质合金梅花棱顶尖2.2 零件表面加工方法选择⑴主要表面可能采用的终加工方法:按IT7 级精度,Ra0.4μm,应为精车加磨削或超精车或成形磨削。
⑵选择确定;按零件材料、批量大小、现场条件等因素,并对照各加工方法特点及适应范围确定采用磨削加成形磨削。
⑶其它表面终加工方法:结合主要表面加工及表面形状特点,各回转面采用半精车。
⑷各表面加工路线确定:φ10 外圆:粗车-半精车-磨削。
2.3 零件加工路线设计⑴注意把握工艺设计总原则。
加工阶段可划分为粗、半精、精加工三个阶段。
⑵以机加工艺路线作主体。
以主要表面加工路线为主线,穿插次要表面加工。
⑶穿插热处理。
考虑轴细长等因素,将渗炭处理安排于半精加工之后进行。
⑷安排辅助工序。
热处理前安排中间检验。
⑸调整工艺路线。
对照技术要求,在把握整体的基础上作相应调整。
3 定量设计3.1 加工余量确定及切削用量的确定因为该零件是大批生产,所以用查表法确定各工序的加工余量。
由工艺设计手册差得径向余量:研磨余量0.01mm,精磨余量为0.1mm,粗磨余量为0.3mm,半=∑Z i可得加工总余量为3.51mm。
取加工精车为1.1mm,粗车余量2mm,由式Z总总余量为3.5mm,并将粗车余量修正为1.99mm。
计算各工序的基本尺寸。
研磨后最小径向工序的基本尺寸为45mm(最小径向尺寸),其他各工序的基本尺寸依次为:精磨10mm+0.01mm=10.01mm粗磨10.01mm+0.1mm=10.11mm半精车10.11mm+0.3mm=10.41mm粗车10.41mm+1.1mm=11.51mm毛坯11.51mm+1.99mm=13.5mm最大径向工序的基本尺寸为14mm(最小径向尺寸),其他各工序的基本尺寸依次为:半精车14mm+0.3mm=14.3mm粗车14.3mm+1.1mm=15.4mm毛坯15.4mm+1.99mm=17.39mm确定各工序的加工精度和表面粗糙度。
由工艺设计手册查得:研磨后为IT5,R a0.04um(零件的设计要求),精磨后为IT6,R a0.16um,粗磨后为IT8,R a1.25um,半精车后为IT11,R a2.5um,粗车为IT13,R a16um。