液晶面板等级鉴定
- 格式:pdf
- 大小:275.45 KB
- 文档页数:4
如何识别液晶电视屏幕种类液晶电视的屏幕称之为液晶面板,现在市面上的液晶屏分为三大阵营:一、夏普屏;二、日韩厂商的液晶屏,如三星索尼(S-LCD)液晶屏和LGD液晶屏(原为LPL,飞利浦已撤资);三、台湾厂商生产的屏,如友达和奇美。
下面来介绍几种常见的液晶面板的辨别方法。
一、夏普屏夏普屏,顶级液晶面板,夏普屏采用的ASV技术型和NEC推出的ExtraView型的液晶面板,其特点是色彩还原真实、可视角度优秀,被称之为“液晶之父”夏普屏的像素是蜂窝状或者六角形,很有特点,仔细辨认很容易看出来。
夏普原装日本进口屏为日本龟山生产,夏普原装屏指的是台湾厂商利用夏普技术生产出来的液晶屏,可通过电视型号以及广告语识别。
二、日韩屏三星索尼屏 S-LCD面板:三星索尼屏是由三星及索尼合作研发,一般称为三星屏。
软屏类面板是现在高端液晶应用较多的面板类型,16.7M色彩数和大的可视角度是该类面板定位高端的资本,同时VA类又可分为MVA面板和PVA面板。
1、 MVA(Multi-domain Vertical Alignment)模式的液晶面板,其液晶分子长轴在未加电时不像TN模式那样平行于屏幕,而是垂直于屏幕,并且每个像素都是由多个这种垂直取向的液晶分子组成。
2、 PVA(Patterned Vertical Alignment,垂直取向构型)广视角技术,PVA广视角技术同样属于VA技术的范畴,可以说是MVA的一种变形。
PVA采用透明的ITO电极代替MVA 中的液晶层凸起物,透明电极可以获得更好的开口率,最大限度减少背光源的浪费。
S-LCD面板就是PVA面板,三星主推的PVA模式广视角技术,由于其强大的产能和稳定的质量控制体系。
仔细看是半象素的鱼鳞状象,线条较细。
S-LCD面板采用PVA技术,该技术采用透明的ITO电极层,因此其更高的开口率可获得优于MVA的亮度输出;PVA技术还具有500:1的高对比能力以及高达70%的原色显示能力。
LCD液晶显示屏等级划分1. LCD 液晶面板的等级区分实质上每个面板厂家的标准都不一样,比较详细的属AUO的面板等级标准划分,如下面附图。
2.目前主要的分级标准为:面板厂商标准:韩系厂商,3个以下为A级日系厂商,5个以下为A级台系厂商,8个以下为A级4. 主流液晶显示器品牌关键指标:AA级:无任何坏点的LCD显示器为AA级。
A级:3个坏点以下,其中亮点不超过一个,且亮点不在屏幕中央区内。
B级:3个坏点以下,其中亮点不超过二个,且亮点不在屏幕中央区内。
5.目前国内一般谈到的A规指335B规指5586.面板厂出货的标准一般都是有点和无点的比例是8:2;7. 这个等级划分是针对中尺寸显示屏(7寸-26寸之间)定义的。
小尺寸的目前还没有等级划分出来。
目录内容提要写作提纲正文一、资产减值准备的理论概述 (4)(一)固定资产减值准备的概念 (4)(二)固定资产减值准备的方法 (5)(三)计提资产减值准备的意义 (5)二、固定资产减值准备应用中存在的问题分析 (5)(一)固定资产减值准备的计提模式不固定 (5)(二)公允价值的获取 (6)(三)固定资产未来现金流量现值的计量 (7)(四)利用固定资产减值准备进行利润操纵 (8)三、解决固定资产减值准备应用中存在的问题的对策 (10)(一)确定积累时间统一计提模式 (10)(二)统一的度量标准 (11)(三)提高固定资产可收回金额确定方式的操作性 (11)(四)加强对固定资产减值准备计提的认识 (12)(五)完善会计监督体系 (12)参考文献 (15)内容提要在六大会计要素中,资产是最重要的会计要素之一,与资产相关的会计信息是财务报表使用者关注的重要信息。
然而长期以来,我国的企业普遍存在资产不实、利润虚增的情况,从而使资产减值问题一度成为我国会计规范的热点问题。
人们也期望通过会计上的法律法规减少信息的不对称,让企业向广大投资者提供真实有效的信息。
在企业生产经营过程中,资产减值是一个不可避免的现象,本文通过对新旧会计准则的对比,针对会计实务中对资产减值准备会计处理,分析资产减值准备在会计实务操作中的存在的问题,并对新会计准则下的会计处理方法进行分析与评价,进而提出解决问题的方法,阐述了资产减值准备提取在实务操作中面临的境况。
面板也分等級概念!液晶面板鑒別四個方面2006年液晶顯示器便搶足了市場上的風頭,伴隨著長時間大幅度的價格滑坡,液晶顯示器已經成為了消費者裝機時的寵兒。
消費者在各個品牌各個檔次的液晶顯示器中進行選擇時,最有力的根據往往就是液晶顯示器的性能參數。
回應時間、對比度、亮度、可視角度這些名詞都是消費者耳熟能詳的性能參數,而惟一不瞭解的概念便是液晶面板的等級。
筆者將在這篇文稿中敍述液晶面板的等級概念,消費者在購買液晶顯示器尤其是低價產品時或許就會用到!1.液晶面板的壞點在未介紹液晶面板的等級之前,筆者先為各位讀者介紹液晶面板上所存在的“壞點”的具體概念,以便於後面以此為根據來區分液晶面板的等級。
液晶面板是由大量的圖元點所組成的,它們都能夠顯示黑白兩色和紅、黃、藍三原色。
再由顯示著不同顏色的圖元點進行組合,我們便可以看到液晶面板所顯示的圖像。
但液晶面板上的少數圖元點則無法產生顏色變化,不管液晶螢幕所顯示的是怎樣的圖像,這些圖元點都永遠顯示著同一種顏色。
這些存在故障的圖元點是無法修復的,只能更換整個液晶面板才能夠解決。
而這些存在故障的圖元點又通常分為兩類,其中“暗點”是無論螢幕顯示圖像如何變化都無法顯示的“黑點”,而更令人討厭的則是那種只要開機便一直發光的“亮點”。
液晶顯示技術發展到現在,仍然無法從根本上克服這一缺陷。
因為液晶面板由兩塊玻璃板所構成,中間的夾層是厚約5微米的水晶液滴。
這些水晶液滴被均勻分隔開來,並包含在細小的單格裏,每三個單格構成螢幕上的一個圖元點。
在放大鏡下圖元點呈正方形,一個圖元點即是一個發光點。
每個發光點都有獨立的電晶體來控制其電流的強弱,如果控制該點的電晶體壞掉,就會造成該光點永遠點亮或不亮。
這就是前面提到的亮點或暗點,統稱為“壞點”!2.液晶面板的等級液晶面板按照品質可以分為A、B、C三個等級,其等級區分的依據便是壞點數量的多少。
但國際上並沒有相關的硬性規定,所以各個國家地區的等級標準也不盡相同。
LCD液晶显示屏等级划分摘要:LCD液晶显示屏现在市场上鱼目混珠,低屏高卖时有发生,本文从现有行业标准和国际标准带你认识不同等级的LCD屏幕区别,让你认识屏幕的真正含义。
关键词:LCD液晶显示屏;显示屏等级划分;1什么是液晶显示屏1.1液晶显示屏定义液晶显示屏 liquid crystal display,外加电压使液晶分子取向改变,以调制透过液晶的光强度,产生灰度或彩色图像的显示屏,简称;LCD显示屏。
1.2 常用液晶显示屏分类目前市场上生产LCD液晶显示屏面板的主流厂家有三星、LG、夏普、NEC和京东方,京东方是我国自主研发的产品,其他均是进口产品。
根据液晶面板的发光光源不同现在主要分为LED背光和CCFL背光(也就是荧光灯),分别是二极管和冷阴极灯管,目前LED背光是主流产品。
1.3 液晶显示屏在市场的运用有哪些目前市场上的液晶显示屏运用主要在商用和工业级两个方向使用,商用的屏幕有家用电视、电脑显示屏。
工业用屏主要使用在监控室和ECC运维指挥室拼接屏上使用;商用屏幕一般不能24h开机,且故障率较高;工业屏可以24h开机,故障率低。
1.4 液晶显示屏在市场的价位如何在京东方生产出屏幕之前国内市场屏体主要被三星、NEC等国际品牌占据很大份额,5年前原产进口的46寸进口品牌的液晶拼接屏在国内市场价格在40000元以上,随着国内京东方大屏上市后,国内大屏市场价格整体有了大幅度的降低,目前原装46寸进口拼接屏的价格不到原先的一半,国产的屏幕更加便宜。
2液晶显示屏都有哪些等级划分由于目前国内没有一套针对大屏幕等级的认定标准,目前各显示器制造商多采用ISO(International Standards Organization,国际标准化组织)9241标准,这个是所有显示器制造商参考、依据的一系列有关液晶显示器图像品质的规范。
国内目前参考的是SJ/T 11292-2016计算机用液晶显示器通用规范;ISO9241:2008标准里面将显示屏幕划定了四个等级,Class1~Class4。
A级?B级?C级?液晶面板基础知识快速充电液晶面板就是液晶显示器的屏幕,它的产量、优劣以及市场环境等多种因素都关系着液晶显示器自身的质量、价格和市场走向,因为一台液晶显示器其80%左右的成本都集中在了面板上。
对于液晶面板这个话题,相信诸位老生百谈不厌,下面,我们给大家带来这篇液晶面板相关知识充电文章。
液晶面板就是液晶显示器的屏幕,它的产量、优劣以及市场环境等多种因素都关系着液晶显示器自身的质量、价格和市场走向,因为一台液晶显示器其80%左右的成本都集中在了面板上。
对于液晶面板这个话题,相信诸位老生百谈不厌,下面,我们给大家带来这篇液晶面板相关知识充电文章。
一、液晶面板的坏点、亮点、暗点我们先为各位读者介绍液晶面板上所存在的“坏点”的具体概念,是为了便于后面以此为根据来区分液晶面板的等级。
液晶面板是由大量的像素点所组成的,它们都能够显示黑白两色和红、黄、蓝三原色。
再由显示着不同颜色的像素点进行组合,我们便可以看到液晶面板所显示的图像。
但液晶面板上的少数像素点则无法产生颜色变化,不管液晶屏幕所显示的是怎样的图像,这些像素点都永远显示着同一种颜色。
这些存在故障的像素点是无法修复的,只能更换整个液晶面板才能够解决。
而这些存在故障的像素点又通常分为两类,其中“暗点”是无论屏幕显示图像如何变化都无法显示的“黑点”,而更令人讨厌的则是那种只要开机便一直发光的“亮点”。
亮点:在黑屏情况下呈现R、G、B三个像素的点。
液晶显示器亮点暗点:在白屏情况下出现非单纯R、G、B三个像素的色点。
液晶显示器暗点液晶显示技术发展到现在,仍然无法从根本上克服这一缺陷。
因为液晶面板由两块玻璃板所构成,中间的夹层是厚约5微米的水晶液滴。
这些水晶液滴被均匀分隔开来,并包含在细小的单元格里,每三个单元格构成屏幕上的一个像素点。
在放大镜下像素点呈正方形,一个像素点即是一个发光点。
每个发光点都有独立的晶体管来控制其电流的强弱,如果控制该点的晶体管坏掉,就会造成该光点永远点亮或不亮。
液晶面板的分类有几种规格是什么?答:液晶面板专业知识平时在我们销售液晶时,总有销费者问到你的屏是什么等级的,大家可能随口说是A级的,A+级的,其实这样的回答都是不专业的,如果消费者是专业的消费者,跟本就不屑与这样的SALES去谈了,只会一走了之,如果能成交的十有八九是客户已把外面的行情了解的差不多了,只不过是让你出个最低价而,做液晶销售我们一定要做有价值的推销员,一味的低价出货,并不是优秀的销售员,只有让客户信服,让客户相信你的专业,你的服务,你才算成功!常规意义的面板等级分级标准请见: 液晶面板的分级标准真正专业的面板等级工厂标准请见: AU面板的等级标准想做一个专业的液晶推销员必须对液晶的专业名词有很深的了解,你要比客户懂的多,最起码不能客户说的的名词你却完全听不懂,下面即是我收集的一些液晶专有名词,大家可以结合各自销售的型号了解:液晶面板液晶面板是液晶显示器的主要组件,占去了液晶显示近80%的成本。
目前世界上拥有面板制造技术的厂家并不多,只有 SHARP(夏普)、SANYO(三洋)、三星、LG-Philips、台湾的友达等厂商拥有核心技术,大多数液晶显示器都是用它们的面板来组装生产的。
蚂蚁心得:我们可以举证一些我们在销售中碰到的,液晶面板被人为损坏后售后换屏,各大厂家售后的客服回答的(液晶屏+换屏人工)收费标准接近或超过一台新的液晶成本,让客人明白液晶屏好坏的重要性,三年全免服务的重要性!在前不久我们碰到丹江口一对夫妻打架,把屏摔破了,要换屏,而厂家客服回答是人为损坏,收费要1000元,建议客户不修,把电路板卖了再买台新的.还有就是我们以前销售四年之久的”笨Q”牌液晶很多客户在使用一年后发现屏不亮,发黑,灯管发光泛黄,其客服拒修的例子.上周我们就碰到了鄂州一客户的VA721屏有灰影,因其是三年全免,被免费换了一块新屏.面板的质量和身价目前分为三档:猪仔的三洋、夏普属于一档,多被采用在高端的产品上,如:EIZO,SONY,优派(VP,VG系列)等,价格也相对高昂;韩国的三星、LG 与Philips属于二级,多数使用在搭配品牌机出售的显示器上;友达等台湾厂商则属于第三档。
液晶屏亮度等级表摘要:I.液晶屏亮度等级表的概述- 液晶屏亮度等级表的定义和作用- 液晶屏亮度等级表的历史和发展II.液晶屏亮度等级表的详细内容- 液晶屏亮度等级的分类- 液晶屏亮度等级的具体数值和意义- 液晶屏亮度等级与显示效果的关系III.液晶屏亮度等级表的应用领域- 在电子产品中的运用- 在日常生活中的应用- 在科研领域的应用IV.液晶屏亮度等级表的未来展望- 技术进步对液晶屏亮度等级表的影响- 液晶屏亮度等级表的未来发展趋势正文:液晶屏亮度等级表是一个用于描述液晶屏亮度性能的表格,它将液晶屏的亮度分为不同的等级,使我们能够更好地了解和评价液晶屏的性能。
液晶屏亮度等级表的发展历程与液晶屏技术的发展密切相关,随着科技的进步,液晶屏亮度等级表的内容也在不断丰富和完善。
在液晶屏亮度等级表中,亮度等级通常被分为多个级别,如高亮度、中亮度和低亮度等。
每个亮度等级都有对应的具体亮度数值,这些数值反映了液晶屏在相应亮度等级下的显示效果。
亮度等级与液晶屏的显示效果密切相关,较高的亮度等级通常能够带来更清晰、鲜明的显示效果,而较低的亮度等级则适用于低照度环境,可以降低能耗并保护视力。
液晶屏亮度等级表在许多领域都有广泛的应用。
在电子产品中,液晶屏亮度等级表被用于评价和比较不同型号液晶屏的性能,帮助消费者选择适合自己的产品。
在日常生活中,液晶屏亮度等级表为人们在使用液晶屏设备时提供了参考依据,如在室内和室外环境下选择合适的亮度等级以获得最佳的显示效果。
在科研领域,液晶屏亮度等级表为研究人员提供了实验和分析的基础数据。
随着科技的不断进步,液晶屏技术也在不断发展,未来的液晶屏亮度等级表将会更加完善,以适应新型液晶屏技术的需要。
此外,随着物联网、大数据等技术的普及,液晶屏亮度等级表的应用领域将进一步扩大,为人们带来更多便利。
液晶板类型一个液晶显示器的好坏首先要看它的面板,因为面板的好坏直接影响到画面的观看效果,并且液晶电视面板占到了整机成本了一半以上,是影响液晶电视的造价的主要因素,所以要选一款好的液晶显示器,首先要选好它的面板。
液晶面板可以在很大程度上决定液晶显示器的亮度、对比度、色彩、可视角度等非常重要的参数。
液晶面板发展的速度很快,从前些年的三代,迅速发展到四代、五代,然后跳过六代达到七代,而更新的第八代面板也在谋划之中。
目前生产液晶面板的厂商主要为三星、LG-Philips、友达等,由于各家技术水平的差异,生产的液晶面板也大致分为机种不同的类型。
常见的有TN面板、MVA和PVA等VA类面板、IPS面板以及CPA面板。
1、TN面板TN全称为Twisted Nem ati c(扭曲向列型)面板,低廉的生产成本使TN成为了应用最广泛的入门级液晶面板,在目前市面上主流的中低端液晶显示器中被广泛使用。
目前我们看到的TN面板多是改良型的TN+film,film即补偿膜,用于弥补TN面板可视角度的不足,目前改良的TN面板的可视角度都达到160°,当然这是厂商在对比度为10∶1的情况下测得的极限值,实际上在对比度下降到100:1时图像已经出现失真甚至偏色。
作为6Bit的面板,TN面板只能显示红/绿/蓝各64色,最大实际色彩仅有262.144种,通过“抖动”技术可以使其获得超过1600万种色彩的表现能力,只能够显示0到252灰阶的三原色,所以最后得到的色彩显示数信息是16.2 M色,而不是我们通常所说的真彩色16.7M 色;加上TN面板提高对比度的难度较大,直接暴露出来的问题就是色彩单薄,还原能力差,过渡不自然。
TN面板的优点是由于输出灰阶级数较少,液晶分子偏转速度快,响应时间容易提高,目前市场上8ms以下液晶产品基本采用的是TN面板。
另外三星还开发出一种B-TN(Best-TN)面板,它其实是TN面板的一种改良型,主要为了平衡TN面板高速响应必须牺牲画质的矛盾。
彩电屏等级判断标准:
液晶屏加工过程会伴随不良产生,根据我在某王牌彩电厂工作的经验,归结起来有亮暗点,屏内异物,屏不转场,自动转台,屏内有气泡,屏内大片污痕,横线,竖线,屏闪,画面异常,画面分布不均等。
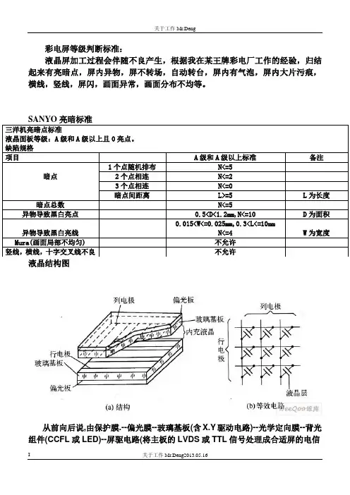
液晶结构图
从前向后说,由保护膜.--偏光膜--玻璃基板(含X.Y驱动电路)--光学定向膜--背光组件(CCFL或LED)--屏驱电路(将主板的LVDS或TTL信号处理成合适屏的电信
号)--金属边框和少量的紧固螺丝........
另外,从严格意义来说,驱动背光模组的电路也是属于LCD液晶屏的构成部分
以上最复杂的要数玻璃基板部分,是由两个极薄的玻璃在中间留有微米级的间隙,里面填有液晶分子,每个像素都是独立的液晶单元格,每个液晶单元格都有电极连到基板上的控制单元,要注意的是,这里的每个像素是指RGB各一个,而不是RGB 共一个,所以要将液晶的物理分辨率像素乘以3,才是真正的物理单元像素,有些特殊的像夏普新出的"四色"液晶面板,要由RGB加上"Y"(黄色),物理单元像素是标称分辨率的4倍.....所以,在玻璃基板上有大量的极细电极和引线,基本是透明的,肉眼难以分辩。
知识拓展
/view/62a28adead51f01dc281f1c9.html
/view/6990d13110661ed9ad51f3c3.html
/view/f3d7305677232f60ddcca1c3.html
/view/88719e050740be1e650e9a7d.html。
液晶面板等级标准
一、分级介绍
液晶面板按照品质可以分为A+、A、B、C等级,其等级区分的主要依据便是坏点数量的多少。
液晶面板的等级国际上并没有相关的硬性规定,所以各个国家地区的等级标准也不尽相同。
通常情况下,液晶面板的坏点数量在5个以内便是A级,坏点数量多于5个而少于10个便属于B级,坏点数量在10个以上则属于C级面板。
对于三星、飞利浦、LG这些知名品牌来说,对于液晶屏的质量要求也相对高出许多,都会采用“A”级的屏,以保证质量。
各地面板厂商对产品的分级、各不相同:
韩系厂商,3个以下为A级
日系厂商,5个以下为A级
台系厂商,8个以下为A级
(台系如友达,也有用P/Z/N规格表示)
二、坏点分类
亮点是当设定屏幕显示的画面全黑时,屏幕上所显示的红、绿蓝光点。
暗点是当设定屏幕显示的画面全白或为同一颜色时,屏幕上不显示颜色的点。
二、屏幕区域
质检除对每块屏的坏点有检验标准,同时对每个批次的坏点比率也提出了要求。
韩系液晶产品所标称的等级检验标准为:
A+级:各区域无任何坏点。
A级:≤3个坏点,亮点不超过一个,且亮点不在屏幕中央区内。
B级:≤3个坏点,亮点不超过二个,且亮点不在屏幕中央区内。
A区不允许有坏点,B区坏点数如果有两个坏点,坏点间距应大于1/2对角线长度。
每批次液晶屏有坏点比率应小于10%。
PANEL级别判定A+级:全无亮点:B区允许有3个微小暗点(D≤0.3MM L≥10MM)除此之外PANEL无其它任何缺陷A级:3-3-5标准(B区允许有3个亮点合起来不超过5个点)A区不可有任何点当无其它任何点时B区允许有一个亮点或暗点(0、5MM ≤D≤1、0MM)其它亮点或暗点(D≤0、5MM L≥15MM)B区允许有一个刺伤视为一个亮点/暗点:(D≤0、5MM H≤0、1MM)A-级:3-3-5标准但A区允许有1个亮点(D≤0、5MM )B区允许有2个点(0、5MM≤D≤1、0MM)其它:(D≤0、5MM L≥15MM)允许有轻微的漏光(H≤1MM L≤3MM N≤3)。
灯偏暗:约烧机半分钟到一分钟之后变正常。
内玻璃划伤:黑色画面隐约可见其它画面不可见。
暗(灰)线/宽带:白画面及PC画面不可见其它画面隐约可见。
轻微画面显示不均匀/粗糙,模糊,暗影/角边水印B+级:5-5-8标准(整个画面允许有5个亮点合或5个暗点合起来不超过8个点)A/B区各允许有一个亮点(D≤1、0MM)其它:(D≤0、5MM L≥10MM)。
内膜脏(毛屑/异物类):(L≤5MM)只允许发生于屏边四周。
小漏光(明显)(R≤1MM L≤5MM N≤4)白斑正视PC画面隐约可见,其它画面隐约可见允许两处:(D≤6MM L≥50MM )宽带/暗(灰)线:白画面及PC画面隐约可见,其它画面轻微可见(在A区)画面稍明显显示不均匀/粗糙/角边水印当PANEL无其它任何缺陷,可允许B区有一个点(1、0MM≤D≤1、5MM )B-级:5-5-8标准A区有点(D≤1、0MM N≤1MM)B区有点:D≤1、0MM L≥10MM N≤2MM其它(D≤0、5MM L≥5MM)漏光:(R≤4MM L≤10MM N≤3)白斑压伤(轻微):A区只允许一处(D≤10MM)A区不同时发生B区只允许2处(D≤20MM)暗灰线/宽带:PC画面及灰色画面较明显,白画面轻微可见(不要产生在A区)画面显示不均/粗糙/角边水印轻微偏色(黄/红/蓝)。
液晶屏的质量等级由于液晶屏生产企业不可能做到所有产品都达到很高的质量,因此液晶屏根据质量上的差别可以分为A+、A、B、C等等级,除了A级屏基本和以上国家标准相同之外,A+屏高于国家标准,可以做到0亮点;B级屏的次点相对以上国家标准要多,主要用于工业类用途;C级屏甚至连图像都会比较模糊。
从实践来看,友达、奇美在A+屏上可以做到100%0亮点的质量承诺,而三星、LG—飞利浦只承诺做到90%。
其实台湾屏和日韩屏在质量上并没有明显的差别。
”依照2001年修订完成的ISO(国际标准组织)13406-2标准,这个标准定义了有关LCD屏幕影像质量与人体工学规范。
这个规范包含了亮度、对比、反射、亮度与色彩的一致性、闪烁、特性分析与屏幕坏点等。
在屏幕坏点方面,ISO 13406-2共定义了4个等级的质量。
Class 1是最高等级,(不允许有任何坏点),Class 4是最差等级,一般不会有厂商使用此两种规格。
以目前的制造技术,几乎所有厂商都是引用介于Class 2或Class 3之间的规格当作产品故障保固的标准。
一、液晶面板的坏点、亮点、暗点先介绍液晶面板上所存在的“坏点”的具体概念,是为了便于后面以此为根据来区分液晶面板的等级。
液晶面板是由大量的像素点所组成的,它们都能够显示黑白两色和红、黄、蓝三原色。
再由显示着不同颜色的像素点进行组合,我们便可以看到液晶面板所显示的图像。
但液晶面板上的少数像素点则无法产生颜色变化,不管液晶屏幕所显示的是怎样的图像,这些像素点都永远显示着同一种颜色。
这些存在故障的像素点是无法修复的,只能更换整个液晶面板才能够解决。
而这些存在故障的像素点又通常分为两类,其中“暗点”是无论屏幕显示图像如何变化都无法显示的“黑点”,而更令人讨厌的则是那种只要开机便一直发光的“亮点”。
亮点:在黑屏情况下呈现R、G、B三个像素的点。
暗点:在白屏情况下出现非单纯R、G、B三个像素的色点。
液晶显示技术发展到现在,仍然无法从根本上克服这一缺陷。
怎么来判断液晶面板的好坏
怎么来判断液晶面板的好坏以及给其分类呢?现在我们就来说说判断液晶面板质量的具体方法。
在给华立诺液晶面板进行分类时首先得了解下亮点、暗点、斑和亮线的概念:
1)亮点:亮点是指在显示大屏幕在开机的状态下没有工作却一直在发亮的一个像素。
2)暗点:暗点在屏幕开机的状态下我们是用肉眼看不到的,但是可以在专业的测试软件TFT-LCD下可以看到。
3)斑:斑在屏幕使用的时候是不怎么明显的,但是在TFT-LCD测试下会有非常明显的显示。
4)亮线:亮线是有横扫描线和竖扫描线中的某一跟线出现开路或者是短路现象而出现的情况。
根据液晶面板有无亮点、暗点、斑和两线的特征,目前行业内将液晶面板的等级分为A+、A、B、C四个等级。
1)A+屏是等级最好的,指的是在TFT-LCD测试下没有斑、亮点、暗点和两线的出现,而且屏幕显示效果稳定没有抖动的现象发生。
2)A屏:A屏比A+屏稍差,指的是在TFT-LCD测试下没有班出现,但是有亮点和暗点,数量在2个以内,图像显示没有抖动。
3)B屏:行业内把B屏定义为屏幕的亮点数量在2个以上的屏幕。
4)C屏:C屏在四种屏幕中是最差的,一般称带有两线的A屏为C屏。
液晶面板质量的好坏与否,将会对液晶拼接屏的工作性能和使用寿命有着最为直接的影响,也对产品品牌在用户心目中的形象有着较大的影响。
为了抢夺市场,以次充好,以C屏冒充A+屏的现象在市场上屡见不鲜,这样不仅严重损害了用户的切身利益,而且也对整个行业的发展造成了一定的影响。
通过上面对几种液晶面板的介绍,希望可以提高大家对面板的鉴别能力,防止在购买液晶拼接大屏时上当受骗。
鉴别各种液晶屏的方法鉴别各种液晶屏的方法就目前市面上,国产品牌中40寸的面板绝大多数都是用的是三星的,37寸都是LG-PHILIPS的,32寸大多数也是LG-PHILIPS的。
而且现在屏也有软硬之分,鉴别办法就是直接用手指轻摁或用指甲轻划各种液晶显示屏表面,如果出现水印痕似的暗影,就属“软屏”,若暗影很淡甚至几乎没有,则可称“硬屏”。
目前市面上夏普的屏均为软屏,LG的屏均为硬屏,三星的屏均为软屏,台湾屏杂,软硬兼有,软屏代表为厦华,硬屏代表为其他品牌中小尺寸液晶产品,这些大家要记住,对大家鉴别有好处。
另外再教大家一招液晶屏辨别的方法——那就是像素点辨别法。
基本上很多厂家采用的屏的像素点都是有区别的,目前国内企业只要用的液晶屏主要有夏普、三星、LG-飞利浦、友达光电、奇美电子等等几条线。
为了能方便消费者辨认,我们来一一分析:1、Sharp液晶分子排列:夏普屏是最容易分辨出来的一种液晶屏。
Sharp屏的液晶像素都是六棱硅(蜂窝状)排列方式,每个像素周围都有六个不同色的像素(如红色像素点周围有三个绿像素和三个蓝像素)。
并且像素点在横向、纵向、斜向、都能构成一条线,尤其是斜向成线,也是夏普屏最大的特点。
2、LG的S-IPS技术:LG屏的液晶像素是呈月牙(三角)状,开口向右排列,其中也有很少的一部分是向左排列的(由于机芯以及引擎的关系,只属少数)。
而LG第七代屏的像素都是呈月牙状的,开口向左排列,在每个月牙状的顶尖处不封口。
3、三星的S-PVA技术:三星屏的液晶像素呈微螺旋,竖条状排列。
三星七代屏的最大特点就是像素“善变”,有时月牙,有时直线。
当画面不需要太高亮度时,像素会呈现月牙状,当画面需要表现亮丽色彩时,则像素充分发光,月牙就变成了方形的像素,这也是三星七代屏的魅力之处。
国产企业谎称的三星七代屏其实没有这种效果,大家要注意分辨。
4、台湾友达PVA技术:友达PVA屏呈微螺旋,竖条状排列,螺旋间距更大。
电视机屏幕—电视机屏幕的种类以及等级舒适100网讯随着时代的进步,电视已经成为一种必不可缺的家庭电器。
但是,市场上的电视不仅品牌繁多,而且材质也是大不相同,其中,电视屏幕便是一个极为重要的部分。
那么,各种电视屏幕各有什么特点呢?电视机屏幕电视屏幕的种类—各种常见的电视屏幕IPS硬屏对于不少消费者来说,IPS硬屏应该并不陌生。
这种屏幕很早就开始应用在平板电视以及手机中。
相对于一般液晶屏幕来说,IPS硬屏液晶分子水平排列,结构更加稳固,能够准确更加准确地还原色彩,展现更加丰富的层次感。
此外,IPS硬屏还具有高响应速度、大的观看视角以及按压无变形等优点。
但是,由于IPS硬屏液晶分子的水平排列,导致面板透光率低,为了达到足够的亮度就需要提高背光亮度。
而问题也就由此产生了,高背光加剧了屏幕边缘的漏光,也使得画面中黑色的纯度不够,对比度方面表现欠佳。
此外,高亮的背光也一定程度上增加了电视的耗电量。
X超晶面板X超晶面板是日本夏普公司生产的一种CPA面板,属于一种软屏。
这种面板拥有独特的液晶颗粒排列方式和特有的光传递技术,能够精密控制液晶分子的偏转方向,有效提高光的利用率及液晶分子开口率,使更多光可以透过液晶面板,能够降低电视的反射,增加亮度和对比度并且能够增加观看视角。
也因此,X超晶面板在抑制背光灯漏光上面有着出色的表现。
由于面板中液晶分子开口大,在实际显示中像素点就会被放大,这使得X超晶面板的画面更加柔和,但是相应的锐度上表现就不是非常出色。
电视屏幕等级—电视屏幕的等级标准A/A+/A++级屏幕A/A+/A++级屏幕和屏幕的类型没有直接关系,这仅仅是液晶电视面板的一种等级标准。
实际上液晶面板按照品质可以分为A、B、C 三个等级,其等级区分的依据便是坏点数量的多少。
A级、B级、C级面板的质量主次下降,一般只有品质达到了A级才会用作液晶电视屏幕,也就说是A级面板的液晶电视才算合格。
至于A++级、A+、A则是A级面板中的三个小等级。
液晶面板等级鉴定
1.液晶面板的坏点
在未介绍液晶面板的等级之前,笔者先为各位读者介绍液晶面板上所存在的“坏点”的具体概念,以便于后面以此为根据来区分液晶面板的等级。
液晶面板是由大量的像戛点所组成的,它们都能够显示黑白两色和红、黄、蓝三原色。
再由显示着不同颜色的像素点进行组合,我们便可以看到液晶面板所显示的图像。
但液晶面板上的少数像素点则无法产生颜色变化,不管液晶屏幕所显示的是怎样的图像,这些像素点都永远显示看同一种颤色。
这些存在故障的像素点是形去修复的,只能更换整个液晶面板才能够解决。
而这些存在故障的像素点又通常分为两类,其中“暗点”是无论屏幕显示图像如何变化都形去显示的“黑点”,而更令人讨厌的则是那种只要开机便一直发光的“亮点”。
液晶显示技术发展到现在,仍然无法从根本上克服这一缺陷。
因为液晶面板由两块玻璃板所构成,中间的夹层是厚约5微米的水晶液滴。
这些水晶液滴被均匀分隔开来,并包含在细小的单元格里,每三个单元格构成屏幕上的一个像素点。
在放大镜下像素点呈正方形,一个像素点即是一个发光点。
每个发光点都有独立的晶硅管来控制其自流的强弱,如果控制该点的晶体管坏掉,就会造成该光点永远点亮或不亮。
这就是前面提到的亮点或暗点,统称为“坏点”。
2.液晶面板的等级
液晶面板按照品质可以分为A, B, C三个等级,其等级区分的依据便是坏点数量的多少。
但国际上并没有相关的硬性规定,所以各个国
家地区的等级标准也不尽相同。
通常情况下,液晶面板的坏点数量在5个以内便是A级,坏点数量多于5个而少于10个便属于B级,坏点数量在10个以上则属于C级面板。
原则上A级面板最适合于显示器的生产制造,但液晶面板生产出B级面板也是不可避免的事情,所以这类B级面板也大多会被杂牌显示器厂商所消化。
而C级面板则完全不适合显示器的生产制造,大多被切割成小面积的液晶面板应用于其他领域。
但也有极少数液晶界示器生产厂商会采用C级面板,在两三年前就曾出现过低价劣质液晶显示器扰乱市场的风波。
当然除了在坏点数量的多少以外,B级和C级面板在其他方面的表现也无法与越及面板相比。
与越及面板相比,B级和C级面板的亮度相对不均匀、色彩饱和度相对不足、图像色彩还原能力较差、外观甚至有可能存在损伤。
除了利用专业的仪器来判定液晶面板的级别,消费者还可以利用肉眼进行直观的辨别。
最好利用已知的越及面板进行对比,B级和C级面板立刻会现出原形。
另外,面板厂商还将越及面板分为A++, A+, A这三个阶梯,最优品质的液晶面板适合于对显示质量要求更高的消费者。
一般情况下,越及面板的暗点数量少于3个、亮点数量也少于3个,而亮点与坏点的总和则少于5个;A+级面板的暗点数量少于3个,并且整个屏幕没有亮点,坏点数量则少于3个;A++级面板既没有亮点也不存在暗点,坏点数量为0。
少数液晶显示器厂商宣称自己的显示器产品没有亮点,其液晶显示器所采用的便是A+级面板。
3.面板鉴别的方法
随看竞争加剧和技术工艺水平的提高,液晶屏的生产厂家提高了原料标准。
加强了生产和检验等内部质量控制,大大减少了坏点出现的频率。
检测坏点的方法也比较简单,只要将液晶屏的亮度及对比度调到最大显示反白的画面或调成最小显示全黑的画面,就会发现屏幕上有多少个亮点和多少个暗点。
只要坏点的数量没有超出一定标准,出现一个多个坏点也是正常的,但最好不要低于A级面板标准。
另外,还可以利用专业的测试软件对液晶显示器的其他指标进行测试。
比如说NOKIAMONITOR TEST,这款软件,就是消费者可随身带在磁盘里的测试程序。
该款软件共提供了15个选项,分别是Geometry几何、Brightness and contrast亮度与对比度、High Voltage 高自压、Coors色彩、To control panel/ds控制面板显示属性、Convergence收敛、Focus聚焦、Resolution分辨率、Moire水波纹、Readability文本清晰度、jitter斜动、Sound噪音等项目。
对于液晶显示器来说,除了不能测试AEI时间以外,其他的主要性能参数一览无遗,消费者关注的坏点更是不在话下。
如果显示器的色纯、对比度、明暗度有问题,B级和C级面板也就无所遁形了。
4.液晶显示器的品牌
B级和C级面板本应该是被淘汰或用于其他用途次品面板,但却因为价格低廉和利润丰厚的缘故而被少数显示器厂商所采用。
近期引起轩然大波的B级面板潜入市场事件,正是由此而来。
所以消费者在近期购买液晶显示器的时候,一定要注重液晶显示器的品质。
除非厂商明确的宣称自己采用了A级以上的液晶面板,否则还是买口碑更
好一些的品牌。
显示器绝对是当前竞争最激烈的领域之一,这种现象从CRT显示器时代一直延续到了LCD寸代。
三星、LG、飞利浦、明基、优派五大厂商在显示器领域享有盛誉,五大厂商均在较早时间启动了液晶显示器市场。
凭借先入为主的优势,再加上在整个显示器领域创下的品牌知名度,五大显示器厂商在液晶显示器市场获得了众多用户的认可,同时也赢得了较大的市场份额。
众所周知,打造一个品牌的难度是相当大的。
所以对于五家一线厂商来说,使用B级面板绝对是得不偿失的事情,所以它们的产品还是值得信赖的。
另外就是AOC这些,、新锐下商,其产品也敢于打出“无亮点”的标语,同样值得消费者信赖。