公路小修保养日常巡查记录表
- 格式:doc
- 大小:21.00 KB
- 文档页数:1
南邓高速公路绿化养护巡查表2010年1月—6月南邓高速公路绿化养护巡查表编号:2010-01-01 2010年1月4日天气:晴巡查时间:上午起止桩号:S83 K290+000—G55K1453+075巡查记录:未发现异常情况。
拟处理办法:无。
巡查人员:刘勤保、张少中南邓高速公路绿化养护巡查表编号:2010-01-02 2010年1月7日天气:晴巡查时间:上午起止桩号:S83 K290+000—G55K1453+075巡查记录:中分带有干旱情况。
拟处理办法:安排水车上路浇水。
巡查人员:刘勤保、张少中南邓高速公路绿化养护巡查表编号:2010-01-03 2010年1月11日天气:晴巡查时间:上午起止桩号:S83 K290+000—G55K1453+075巡查记录:K294+500-- K294+600发现有蚧壳虫。
拟处理办法:中分带黄杨喷布石硫合剂进行防治。
巡查人员:刘勤保、张少中南邓高速公路绿化养护巡查表编号:2010-01-04 2010年1月14日天气:晴巡查时间:上午起止桩号:S83 K290+000—G55K1453+075巡查记录:未发现异常情况。
拟处理办法:无。
巡查人员:刘勤保、张少中南邓高速公路绿化养护巡查表编号:2010-01-05 2010年1月18日天气:阴巡查时间:上午起止桩号:S83 K290+000—G55K1453+075巡查记录:未发现异常情况。
拟处理办法:无。
巡查人员:刘勤保、张少中南邓高速公路绿化养护巡查表编号:2010-01-06 2010年1月21日天气:晴巡查时间:上午起止桩号:S83 K290+000—G55K1453+075巡查记录:未发现异常情况。
拟处理办法:无。
巡查人员:刘勤保、张少中南邓高速公路绿化养护巡查表编号:2010-01-07 2010年1月25日天气:晴巡查时间:上午起止桩号:S83 K290+000—G55K1453+075巡查记录:未发现异常情况。
乡村公路养护管理台帐、图表等制度一、业台帐1、管养线路明细表2、桥梁卡片3、公路路况巡查记录4、桥梁经常性检查记录5、公路养护质量评定记录6、公路小修保养责令整改通知7、养护月度计划8、管护经费使用情况二、报表1、农村公路养护质量报表2、路况质量分部汇总表3、乡村公路水毁情况统计表(不定期)三、上墙图表1、镇农村公路示意图(管养线路明细表)2、乡镇农村公路管养机构养护管理网络图3、乡镇农村公路管理养护办公室工作职责及各岗位人员职责4、养护作业单位及养护人员职责附表1管养线路明细表填卡人:负责人:说明:即公路路况登记表,一路一档。
- . 附表2:公路桥梁基本情况- -.可修编- .公路小修保养日常巡查记录表公路桥梁经常检查记录表管理单位:附表5-1公路养护质量检查记录表(沥青路面)路线名称: 路线编码: 调查面积:m 2养护单位:m 2公路养护质量检查记录表(沥青路面)路线名称:线调查面积:3000年 月份养护单位:5检查日期: 负责人:附表5-2公路养护质量检查记录表(水泥混凝土路面)路线名称: 路线编码: 调查面积:m 2养护单位:m 2公路养护质量检查记录表(水泥路面)路线名称:线调查面积:3000年 月份养护单位:5检查日期: 负责人:附表6公路小修保养缺陷整改通知养护单位:检查单位:注:本表一式三份,承包人签收后,乡级农村公路管理机构、养护承包单位、养护承包人各留一份。
附表7农村公路月度作业计划表- .- . 附表8农村公路管护经费使用情况表- -.可修编- .附表1农村公路养护质量报表养护单位:年月日附表2 路况质量分部汇总表填报单位:填表人:- -.可修编- .附表3乡村公路水毁情况统计表填表人: 负责人:填报日期:年月- -.可修编- .附图2XX乡镇农村公路管养机构养护管理网络图镇农村公路管理养护办公室职责1、认真学习、宣传和贯彻执行国家和上级有关农村公路养护的行业政策、法规和技术标准,具体负责辖区乡道、村道的管理养护工作。
公路小修保养日常巡查记录表夫或妻一方死亡,生者对婚姻关系存续期间的共同债务承担清偿责任,这样的案例实践中并不少见。
但当死者是个文盲,债务凭证上只有签名、已无法辨别签名真伪时,认定案件事实就成为非常棘手的事情。
扬州市邗江区法院就遇上这样一起比较罕见的案件,并最终运用推理和证据规则,支持了债权人的诉讼请求。
原告倪某要求被告金某偿还其亡夫陈某生前欠下的7000余元债务,倪某的证据是其本人代书的两张借条,落款时间是2003年10月,上有陈某的签字。
而陈某已在2007年2月因意外死亡。
借款事实也没有他人可以证明。
被告金某辩称,其对债务发生并不知情,陈某是文盲,生前几乎没有留下字迹,借条上的签名可能不实。
故请求驳回原告的诉讼请求。
金某并且提供了据说是唯一能找到的一份陈某手迹,上面有两个歪歪斜斜的名字和电话号码,以此说明陈某确实是个文盲。
法院审理后认为,陈某是个文盲,正可以解释倪某代书借条而由陈某签字的原因。
被告的证据能证明陈某可以写出数字和少量汉字;而即使是一个文盲,写出姓名也符合常情。
因此,借条上的签名由陈某本人所写是有可能的。
借款发生于数年之前,从借条外观形式看,纸张明显陈旧,字迹也不似近期所写,能让人相信其记载时间与形成时间一致。
如果借条确实形成于数年之前,就不太可能是由原告伪造,因为陈某是因意外事故死亡,原告不可能在几年前就预见到这一事件,相比陈某活着,其死亡也并不更有利于原告主张债权。
因此,基本可以排除原告利用陈某死亡这一意外事件伪造证据的可能。
通过以上分析,法院认为,借条上签名是陈某本人所写的概然性明显高于原告伪造陈某签名的可能性。
被告如坚持主张借条不真实,即应由被告来承担举证责任。
此时被告可以通过申请对借条的形成时间进行司法鉴定来证明其主张。
法院向被告释明以后,被告未能提出申请。
法院遂认定了原告的主张,认定该债务为夫妻共同债务,并依法支持了原告的诉讼请求。
判决后当事人未上诉,判决已发生法律效力。
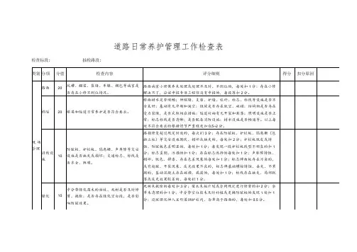
公路小修保养日常巡查记录表
合同号:编号:
承包人:检查单位:
日期:年月日天气:
巡查人员:巡查车牌号:
巡查线路、桩号及具体时间(本栏目不允许留空白):
巡查线路路况及存在问题(填写病害及隐患的类型、桩号、部位;若无,则注明路况正常,不允许留空白):
处理意见及整改要求(注明时限级别):
经办人签字:
整改情况及结果:
经办人签字:
注:1、★★★★为突发抢修工程或造成影响公路安全畅通的公路桥涵病害,经发现或接到通报后,及时采取相应应急措施,并按业主指令实施抢修;
2、★★★为经发现或接到通报后,24小时内安全措施到位或修复的;
3、★★为经发现或接到通报后,10天内安全措施到位或修复的;
4、★为经发现或接到通报后,20天内修复或按季节、时间修复的。
欢迎您的下载,
资料仅供参考!
致力为企业和个人提供合同协议,策划案计划书,学习资料等等
打造全网一站式需求。
养护各类台账乡村公路养护管理台帐、图表等制度⼀、内业台帐1、管养线路明细表2、桥梁卡⽚3、公路路况巡查记录4、桥梁经常性检查记录5、公路养护质量评定记录6、公路⼩修保养责令整改通知7、养护⽉度计划8、管护经费使⽤情况⼆、报表1、农村公路养护质量报表2、路况质量分部汇总表3、乡村公路⽔毁情况统计表(不定期)三、上墙图表1、镇农村公路⽰意图(管养线路明细表)2、乡镇农村公路管养机构养护管理⽹络图3、乡镇农村公路管理养护办公室⼯作职责及各岗位⼈员职责4、养护作业单位及养护⼈员职责附表1管养线路明细表单位名称:说明:即公路路况登记表,⼀路⼀档。
附表2:公路桥梁基本情况附表3公路⼩修保养⽇常巡查记录表附表4公路桥梁经常检查记录表管理单位:附表5-1公路养护质量检查记录表(沥青路⾯)路线名称:路线编码:调查⾯积:m2养护单位:m 2公路养护质量检查记录表(沥青路⾯)路线名称:线调查⾯积:3000年⽉份养护单位:5检查⽇期:负责⼈:附表5-2公路养护质量检查记录表(⽔泥混凝⼟路⾯)路线名称:路线编码:调查⾯积: m 2 养护单位:m 2公路养护质量检查记录表(⽔泥路⾯)路线名称:线调查⾯积:3000年⽉份养护单位:5检查⽇期:负责⼈:附表6公路⼩修保养缺陷整改通知养护单位:检查单位:注:本表⼀式三份,承包⼈签收后,乡级农村公路管理机构、养护承包单位、养护承包⼈各留⼀份。
附表7农村公路⽉度作业计划表附表8农村公路管护经费使⽤情况表镇农村公路管护办公室附表1农村公路养护质量报表养护单位:年⽉⽇附表2 路况质量分部汇总表填报单位:填表⼈:乡村公路⽔毁情况统计表填表⼈: 负责⼈:填报⽇期:年⽉附图2XX乡镇农村公路管养机构养护管理⽹络图镇农村公路管理养护办公室职责1、认真学习、宣传和贯彻执⾏国家和上级有关农村公路养护的⾏业政策、法规和技术标准,具体负责辖区内乡道、村道的管理养护⼯作。
2、编制乡道、村道公路养护建议计划,按照批准的计划组织实施,负责安全⽣产。
公路小修保养日常巡查记录表1 公路小修保养日常巡查记录表养护单位: 姜堰市顾高市政工程队检查单位: 顾高镇农村公路管护办公室日期: 2009 年 7 月 2 日天气:多云巡查人员:孔兆庆、钱月华巡查车牌号:电动车巡查线路、桩号及具体时间,本栏目不允许留空白,:8:30—9:30 钱夏路 0K+000—1K+30010:00—11:00 桥北路 0K+000—1K+1562:30—3:30 兴芦路 0K+000—2K+6434:00—5:00 镇南路 0K+000—1K+590巡查线路路况及存在问题,填写病害及隐患的类型、桩号、部位,若无~则注明路况正常~不允许留空白,:路面:钱夏路、桥北路、兴芦路、镇南路整洁~无病害。
路肩、边坡:钱夏路、桥北路、兴芦路平整密实~无冲沟~无堆积物~无种植物,镇南路有2处冲沟。
边沟:钱夏路、桥北路、兴芦路、镇南路排水畅通~无淤塞。
桥涵:钱夏路、桥北路、兴芦路、镇南路排水良好~无泄水孔堵塞,构部件完好无损坏。
沿线设施:钱夏路、桥北路、兴芦路、镇南路标志位置正确~无歪斜,安全设施完好无损坏。
绿化:钱夏路、桥北路、兴芦路、镇南路树木无歪斜~花草修剪得当~无病虫害。
处理意见及整改要求,注明时限,:无经办人签字: 整改情况及结果:无经办人签字:公路小修保养日常巡查记录表养护单位: 姜堰市顾高市政工程队检查单位: 顾高镇农村公路管护办公室日期: 2009 年 7 月 3 日天气:晴巡查人员:孔兆庆、钱月华巡查车牌号:电动车巡查线路、桩号及具体时间,本栏目不允许留空白,:8:30—9:30 申洋路 0K+000—4K+69710:00—11:00 野庄西路 0K+000—1K+6542:30—3:30 双尧路 0K+000—1K+0004:00—5:00 野庄中路 0K+000—1K+100巡查线路路况及存在问题,填写病害及隐患的类型、桩号、部位,若无~则注明路况正常~不允许留空白,:路面:申洋路、野庄西路、双尧路、野庄中路整洁~无病害。
农村公路基本情况统计表负责人:填报人:填报日期:农村公路养护工程完成情况统计表负责人:填报人:填报日期:农村公路养护质量统计表注:2010年度村道暂时可是不参与评定。
负责人:填报人:填报日期:农村公路日常养护费到位及使用情况统计表负责人:填报人:填报日期:农村公路水毁情况统计表填报单位:市统-05负责人:填报人:填报日期:农村公路基本情况统计表负责人:填报人:填报日期:农村公路桥梁基本情况统计表(大桥)注:按特大桥、大桥、中桥、小桥四个类型分4张表填写,在标题括号内注明。
负责人:填报人:填报日期:农村公路隧道基本情况统计表农村公路涵洞基本情况统计表注:涵洞类型:管涵、拱涵、板涵、倒虹吸、箱涵。
负责人:填报人:填报日期:农村公路养护质量统计表注:2010年度村道暂时可以不参与评定。
负责人:填报人:填报日期:农村公路信息报告单负责人:填表人:第页第页说明:1.县交通局信息员对养护公司和养护所上报的问题进行汇总,根据情况电话报县交通局或安排处理,突发事件及时上报市级管理机构。
2.信息类型主要包括养护信息、路政信息、突发事件信息。
其中:养护信息主要指需进行小修的养护生产信息;路政信息主要指路政事案信息;突发事件信息主要指影响道路正常通行的自然灾害、交通事故、社会安全事故等道路通阻信息。
农村公路日常养护巡查记录表农村公路养护巡查通知单农村公路养护巡查通知单农村公路小修通知单农村公路小修通知单巡查人员:被检查对象:巡查人员:被检查对象:(存根为县站,养护中心,路面养护中心、各执一份,右联养护工区。
)农村公路小修验收单农村公路小修验收单巡查人员: 被检查对象:巡查人员: 被检查对象:(存根为县站,路面作业队各执一份,右联养护公司,工区各执一份。
)农村公路阻断信息报告单负责人:填表:农村公路大修工程完成情况统计表负责人:填报人:填报日期:农村公路中修工程完成情况统计表负责人:填报人:填报日期:农村公路小修保养完成情况统计表负责人:填报人:填报日期:农村公路水毁情况统计表农村公路交通标志统计表负责人:填表人:填表日期:农村公路安全保障设施统计表负责人:填表人:填表日期:村公路日常养护考核评分表检查人:检查时间:桥梁基本状况卡片病危桥卡片主管领导:复核:填表:隧道基本状况卡片主管领导填卡人填卡日期隧道定期(特别)检查记录表县(市、区)农村公路管理局(站)县管-17 隧道名称:(左洞/右洞)路线编号:中心桩号:路线名称:养护单位:保养责任人:上次检查日期:年月日本次检查日期: 年月检查人:记录人:涵洞基本状况卡片涵洞定期检查表村公路日常养护工作内容乡管-01村公路日常养护考核评分表检查人:检查时间:村公路养护管理巡查记录表巡查日期年月日天气乡管-03乡管-04 村公路养护管理巡查通知单(存根) 村公路养护管理巡查通知单检查被检查对象: 检查负责人:负责人:养护所年日常保养完成情况汇总表乡管-05负责人:统计员:填表日期:区街办(乡)村公路日常养护经费第季度兑付表主管:制表:制表时间:养护经费兑付单乡管-07(乡农村公路管理所(站)与领养员)区街办(乡)农村公路养护承包费兑付单第一联:乡镇留存领款人:制表:时间:区街办(乡)农村公路养护承包费兑付单村公路日常养护巡查记录表农村公路日常养护巡查记录表农村公路养护巡查通知单农村公路养护巡查通知单巡查单位:县养-02 县养-02农村公路小修申报单负责人:填表人:填表日期:月农村公路小修完成统计表负责人:填表人:填表日期:月农村公路保养完成统计表负责人:填表人:填表日期:桥梁经常检查记录表。
乡村公路养护管理台帐、图表等制度一、内业台帐1、管养线路明细表2、桥梁卡片3、公路路况巡查记录4、桥梁经常性检查记录5、公路养护质量评定记录6、公路小修保养责令整改通知7、养护月度计划8、管护经费使用情况二、报表1、农村公路养护质量报表2、路况质量分部汇总表3、乡村公路水毁情况统计表(不定期)三、上墙图表1、镇农村公路示意图(管养线路明细表)2、乡镇农村公路管养机构养护管理网络图3、乡镇农村公路管理养护办公室工作职责及各岗位人员职责4、养护作业单位及养护人员职责附表1管养线路明细表说明:即公路路况登记表,一路一档。
附表2:公路桥梁基本情况负责人:填卡人:填卡日期:4公路小修保养日常巡查记录表公路桥梁经常检查记录表管理单位:附表5-1公路养护质量检查记录表(沥青路面)路线名称: 路线编码: 调查面积: m 2 养护单位:m 2公路养护质量检查记录表(沥青路面)路线名称:线调查面积:3000年 月份养护单位:5检查日期: 负责人:附表5-2公路养护质量检查记录表(水泥混凝土路面)路线名称: 路线编码: 调查面积: m 2 养护单位:m 2公路养护质量检查记录表(水泥路面)路线名称:线调查面积:3000年 月份养护单位:5检查日期: 负责人:公路小修保养缺陷整改通知养护单位:检查单位:注:本表一式三份,承包人签收后,乡级农村公路管理机构、养护承包单位、养护承包人各留一份。
农村公路月度作业计划表附表8农村公路管护经费使用情况表镇农村公路管护办公室年制表:负责人:附表1农村公路养护质量报表养护单位:年月日附表2 路况质量分部汇总表填报单位:填表人:附表3乡村公路水毁情况统计表附图2XX乡镇农村公路管养机构养护管理网络图镇农村公路管理养护办公室职责1、认真学习、宣传和贯彻执行国家和上级有关农村公路养护的行业政策、法规和技术标准,具体负责辖区内乡道、村道的管理养护工作。
2、编制乡道、村道公路养护建议计划,按照批准的计划组织实施,负责安全生产。
2005年全国干线公路养护与管理检查记录表---宏观检查1.1项1、检查内容:省级交通主管部门或公路管理机构对普通干线公路的行业管理力度力度和监管水平。
2、评分标准:可从管理体制、养护工程计划调控能力、监督检查力度等方面进行检查。
优秀为满分,良好为5分,一般为3分。
3、注意事项:分值只能为10、5、3分。
考虑到公路的特殊属性,根据《公路养护工程管理办法》有关规定,养护工程计划宜全辖区统筹考虑。
“条条管理”体制重点检查对各下属单位的监督检查情况,一般为优秀水平。
“条块结合”体制重点检查养护工程计划制定方式,资金是“切块”下拨,不能统筹安排辖区养护计划的,最高为5分,并由行业监管力度和水平决定;若能够按照《公路养护工程管理办法》相关规定统筹考虑辖区养护计划,且相关监管手段、水平等能够得到检查组确认的为优秀,否则,可视监管情况评为5或3分。
不宜过多强调公路养路费超收分成部分地市或县的自主支配力度。
4、检查记录:本项建议得分:检查人员签字:2005年全国干线公路养护与管理检查记录表---宏观检查1.2项1、检查内容:省级交通主管部门或其指定的行业管理机构对高速公路管理力度和监管水平。
2、评分标准:行业管理力度较大,监管到位为满分,一般为5分,行业管理难度大,监管难以到位为3分。
3、注意事项:分值选择10、5、3分。
省级交通主管部门或其指定的行业管理机构“条条管理”本辖区所有高速公路的,一般为优秀;“条条管理”为主的,是否为优秀,要看对收费经营公路和其他政府还贷公路的监管力度和水平。
监督力度和水平的考核办法是看其保证这些公路的养护质量、服务水平等方面的规定、相关监管办法、手段、效果。
高速公路实行“行业管理”的,如果检查组能够对其监管手段的强制性、力度予以认可,可以为优秀。
《交通部公路统计年报制度》、《交通部收费公路统计报表制度》及其他交通主管部门或指定的行业管理机构需要的行业管理统计数据难以要求有关单位完成的,可以直接评为3分。
甘肃省国省干线公路小修保养管理办法第一章总则第一条为加强全省国省干线公路小修保养管理工作,根据《中华人民共和国公路法》、交通运输部《公路养护技术规范》和《公路养护工程管理办法》,以及《甘肃省国省干线公路养护管理办法》和等法律法规,结合我省实际,制定本办法(以下简称《办法》)。
第二条公路小修保养是指对管养范围内的公路及其沿线设施经常进行维护保养和修补其轻微损坏部分的作业。
具体工作内容详见《公路养护技术规范》。
第三条公路小修保养应遵循“预防为主,防治结合”的原则和坚持“科学养护,规范管理,提高质量,保障畅通”的工作方针。
积极采用现代化管理手段,大力推广和应用先进的养护技术和装备,不断提高公路养护管理技术水平,努力实现小修保养“零返修”目标。
第四条加强小修保养安全管理,严格执行《甘肃省省养公路养护施工作业安全管理规定》和《甘肃省公路养护安全作业八不准》等规定,确保安全生产无事故。
第五条本《办法》适用于甘肃省国省干线公路小修保养管理,其它公路可参照执行。
第二章组织机构及职责第六条省属各公路管理局是所管养公路小修保养管理的责任单位。
负责编制、报送和执行小修保养预算计划,对养护质量进行监督、控制和考核。
第七条公路管理段(高养中心)具体负责公路小修保养的组织实施。
应积极推进专业化、机械化、精细化养护,组建路面、路基、桥隧涵构造物、交通工程及沿线设施专业养护队(各单位应根据管养实际并结合《公路养护技术规范》要求合理设置专业化养护队)。
的规定,落实日常巡查制度,及时发现公路出现的各类问题,为公路管理段(高养中心)编制养护作业计划提供依据。
第九条养管站(养护工区)主要工作职责1.负责养护路段路基、路面、桥隧涵构造物、交通工程及沿线设施等日常巡查,并及时记录和报告巡查发现的问题(含突发事件信息);2.及时清扫保洁路面,保持路面经常性处于干净状态;3.经常性维护保养公路路肩、边坡、排水设施及防护构造物;4.负责养护路段内公路绿化、修剪灌木花草;5.组织间歇式交通量调查、水毁修复、道路防滑和绩效考核工作等。
养护资料各类台账(总18页)-CAL-FENGHAL-(YICAI)-Company One 1■CAL■本页仅作为文档封面,使用请直接删除乡表一、内业台帐1、管养线路明细表2、桥梁卡片3、公路路况巡查记录4、桥梁经常性检查记录5、公路养护质量评定记录6、公路小修保养责令整改通知7、养护月度计划&管护经费使用情况二、扌艮表1、农村公路养护质量报表2、路况质量分部汇总表3、乡村公路水毁情况统计表(不定期)三、上墙图表1、镇农村公路示意图(管养线路明细表)2、乡镇农村公路管养机构养护管理网络图3、乡镇农村公路管理养护办公室工作职责及各岗位人员职责4、养护作业单位及养护人员职责附表1管养线路明细表单位名称: 曰期:负责人- 填卡人:说明:即公路路况登记表,一路一档。
附表2:公路桥梁基本情况单位名称:负责人:填卡人:填卡日期:5附表3公路小修保养日常巡查记录表养护单位: __________ 检查单位:附表4公路桥梁经常检査记录表管理单位:附表5-1公路养护质量检查记录表(沥青路面)路线名称:________ 路线编码: _______ 调查面积: ________ nF养护单位:公路养护质量检査记录表(沥青路面)路线名称:线调查面积:3000 m2年月份养护讯位:检查曰期: ________ 负贲人:附表5-2公路养护质量检查记录表(水泥混凝土路面)路线名称:________ 路线编码: _______ 调查面积: _______ nr养护单位:路线名称:线年月份养护单位:检查曰期:________ 负责人:公路养护质量检查记录表(水泥路面)调査而积:3000 m2公路小修保养缺陷整改通知养护单位:_________ 检查单位:注:本表一式三份,承包人签收后,乡级农村公路管理机构、养护承包单位、养护承包人各留一份。
附表7农村公路月度作业计划表镇农村公路管护办公室一、概况二、路面作业计划三、路基构造物作业计划四、桥涵作业计划五、绿化作业计划六、沿线设施作业计划制表:负责人:附表8农村公路管护经费使用情况表镇农村公路管护办公室年13制表:负责人:14附表1农村公路养护质量报表养护单位: __________ —年—月—曰附表2 填表人:16附表3乡村公路水毁情况统计表填表人:负责人:填报日期:年月17XX 乡镇农村公路管养机构养护管理网络图附图2计划︑统计管理人员副主任镇相关所长公路︑桥梁养护技术人镇农村公路管理养护办公室职责1、认真学习、宣传和贯彻执行国家和上级有关农村公路养护的行业政策、法规和技术标准,具体负责辖区内乡道、村道的管理养护工作。
公路小修保养日常巡查记录表
合同号:编号:
承包人:检查单位:
日期:年月日天气:
巡查人员:巡查车牌号:
巡查线路、桩号及具体时间(本栏目不允许留空白):
巡查线路路况及存在问题(填写病害及隐患的类型、桩号、部位;若无,则注明路况正常,不允许留空白):
处理意见及整改要求(注明时限级别):
经办人签字:
整改情况及结果:
经办人签字:
注:1、★★★★为突发抢修工程或造成影响公路安全畅通的公路桥涵病害,经发现或接到通报后,及时采取相应应急措施,并按业主指令实施抢修;
2、★★★为经发现或接到通报后,24小时内安全措施到位或修复的;
3、★★为经发现或接到通报后,10天内安全措施到位或修复的;
4、★为经发现或接到通报后,20天内修复或按季节、时间修复的。