最新应急救援物资清单(1)
- 格式:doc
- 大小:40.50 KB
- 文档页数:3
一、前言为确保我国在自然灾害、重大事故、环境污染等突发事件发生时,能够迅速、有效地进行应急救援,最大限度地减少人员伤亡和财产损失,特制定本物资清单。
以下物资清单涵盖了我司三防应急预案所需的主要物资,以确保应急救援工作的顺利进行。
二、物资清单1. 应急指挥与通信设备(1)卫星电话:10部(2)对讲机:50部(3)移动电源:20个(4)应急广播系统:1套(5)手电筒:100个(6)应急照明设备:20套2. 救援器材与设备(1)救生衣:100件(2)救生圈:50个(3)救生绳:500米(4)绳索:1000米(5)切割工具:10套(6)挖掘工具:10套(7)应急帐篷:10顶(8)折叠床:50张3. 医疗救护物资(1)急救包:50套(2)常用药品:50箱(3)医疗器材:10套(4)消毒液:50瓶(5)体温计:50个(6)血压计:10个4. 防护用品(1)防尘口罩:1000个(2)防毒面具:100个(3)防寒服:100件(4)雨衣:200件(5)雨靴:100双(6)手套:200副5. 食品与饮用水(1)方便面:100箱(2)矿泉水:100箱(3)饼干:100箱(4)食品罐头:100箱(5)瓶装水:100箱6. 其他物资(1)应急照明灯:50个(2)帐篷地钉:1000个(3)帐篷拉绳:1000米(4)帐篷顶布:10套(5)帐篷底布:10套(6)折叠椅:50张三、物资管理1. 物资储备:应急物资由专门仓库储存,定期进行检查和维护,确保物资质量。
2. 物资调度:应急救援时,根据实际情况,由应急指挥部统一调度物资。
3. 物资使用:应急物资的使用应严格按照规定程序进行,确保物资使用安全、高效。
4. 物资补充:应急物资在使用过程中,如出现短缺,应及时进行补充。
四、结语本物资清单旨在为我国三防应急预案提供全面、实用的物资支持。
在实际应用中,应根据具体情况对物资清单进行适当调整,以确保应急救援工作的顺利进行。
应急装备清单
应急装备清单
在突发紧急情况发生时,良好的应急准备是至关重要的。
以下
是一个应急装备清单,可帮助您在可能出现的不可预测情况下安全、生存和舒适。
基本装备
1. 呼叫应急电话号码(如911)。
2. 急救包,其中包括绷带、敷料、医用胶带、药品等。
3. 火柴或打火机。
4. 太阳能或机械式手电筒。
5. 水瓶或备用补水罐。
6. 食品储备,如干红豆、花生、杏仁、能量棒、罐头、饼干等。
7. 紧急水处理设备,如净水器或滤水器。
8. 概况地图、指南针和GPS(若有条件)。
9. 外套或雨衣。
10. 保温铺垫或毯子。
特殊装备
11. 珍惜品,如照片、重要文件、首饰等。
12. 最新版本的紧急救援书或着陆指南。
13. 反映当地风土人情和紧急情况的指南或手册(如果有的话)。
14. 雷达探测器、信标或其他需要的登山装备。
15. GPS追踪器、手持无线电或其他通讯装备。
16. 个人防护用品,如口罩、防雾霾口罩、手套等。
17. 微型便携式炉子和餐具。
18. 额外的燃烧物,如木柴或炭。
19. 密封式塑料袋,可用于收集垃圾或充当储物袋。
20. 其他必要的特殊装备,如血压计、口腔呼吸器等。
总结
以上是一个应急装备清单,其中包括基本装备和特殊装备。
这个清单可能不完全适用于所有情况,因此请根据您的需要进行自定义。
在任何情况下,根据您的特定情况谨慎选择应急装备,这将确保您在需要时能够幸免于难。
一、前言火灾是一种常见的自然灾害,对人民生命财产安全构成严重威胁。
为提高火灾应急响应能力,保障人民群众生命财产安全,特制定本火灾应急预案应急物资清单。
二、应急物资清单1. 灭火器材(1)灭火器:手提式灭火器、推车式灭火器、泡沫灭火器、二氧化碳灭火器等。
(2)灭火器箱:铁质灭火器箱、塑料灭火器箱等。
(3)消防水带:内径不小于19mm的消防水带。
(4)消防水枪:高压水枪、泡沫水枪等。
2. 消防装备(1)消防服:消防战斗服、消防隔热服、消防手套等。
(2)消防头盔:防火隔热头盔、防静电头盔等。
(3)消防靴:防火隔热靴、防静电靴等。
(4)呼吸器:正压式呼吸器、自给式呼吸器等。
3. 应急照明设备(1)手电筒:防水、防尘、防震手电筒。
(2)应急灯:LED应急灯、荧光应急灯等。
4. 疏散设备(1)应急疏散指示牌:逃生方向指示牌、紧急疏散指示牌等。
(2)应急疏散通道:临时疏散通道、应急疏散楼梯等。
(3)应急疏散标志:应急疏散通道标志、应急疏散区域标志等。
5. 通讯设备(1)对讲机:防水、防尘、防震对讲机。
(2)手机:确保手机电量充足,以便随时与外界联系。
6. 救援工具(1)破拆工具:多功能工具、撬棍、切割机等。
(2)救援绳索:消防绳、救援绳等。
(3)急救包:包含急救药品、医疗器械等。
7. 防护用品(1)防毒面具:适用于有毒气体环境的防护。
(2)防护手套:适用于高温、腐蚀性环境。
(3)防护眼镜:适用于高温、腐蚀性环境。
8. 食品与饮水(1)方便食品:饼干、面包、罐头等。
(2)饮用水:瓶装水、矿泉水等。
三、应急物资管理1. 应急物资应存放于安全、干燥、通风的地方,避免受潮、受热、受腐蚀。
2. 定期检查应急物资的有效期,确保应急物资处于良好状态。
3. 加强应急物资的维护保养,确保应急物资在关键时刻能够正常使用。
4. 建立应急物资使用记录,详细记录应急物资的发放、使用、回收等情况。
四、结语火灾应急预案应急物资是火灾应急响应的重要保障。
应急救援物资清单应急救援工作是指在发生突发灾害、事故等紧急情况下,为保护人们的生命安全和健康,减轻灾害的损失和影响,迅速采取行动,开展各类救援工作。
在应急救援工作中,物资是非常重要的一环,合理的物资准备可以极大地提高救援工作的效率和成功率。
下面是一份应急救援物资清单,供参考:1.帐篷和帐篷杆:帐篷是组建临时避难场所的基本设备,能够为灾民提供住所,遮蔽天气和提供适度的保暖。
帐篷杆则用于支撑帐篷。
2.饮用水和水净化设备:饮用水是生存必需品,储备足够的饮用水可以满足应急救援现场的基本需求。
水净化设备可以将不洁净的水源转化为饮用水,如便携式水过滤器。
3.食品和食品加热设备:储备长效保存的食品可以保障被困人员的生活需求。
食品加热设备,如便携式燃气炉,可以为人们提供热食。
4.医疗设备和急救药品:医疗设备包括各种急救器材和医疗仪器,如急救箱、担架、心电监护仪等。
急救药品包括感冒药、止痛药、抗菌药等,用于应对各种急救情况。
6.配电设备和发电机:电力是现代社会中的基本需求,配电设备和发电机可以为救援现场提供电力支持,保证各种设备正常运行。
7.照明设备和电池:在应急情况下,往往会出现断电的情况,照明设备和电池可以为现场提供光线,确保救援工作的进行。
8.救援工具:救援工具包括锯子、铲子、榔头、绳索等,可以用于救援被困人员、破坏或拆除障碍物。
9.救生装备:救生装备包括救生衣、救生圈、救生罐等,用于水上救援工作。
10.保暖物品:保暖物品包括毛毯、棉被、棉衣等,可以在寒冷的环境中提供温暖。
11.清洁用品和卫生用品:清洁用品包括纸巾、抹布、消毒剂等,用于保持清洁卫生环境;卫生用品包括卫生巾、手套、口罩等,用于防止传染疾病。
12.救援人员个人防护装备:救援人员在救援现场可能面临危险和风险,个人防护装备包括头盔、防护服、手套、面罩等,可以保护他们的安全。
以上是一份应急救援物资清单,各类物资的准备必须根据实际情况和需求进行调整。
同时,应急救援物资的储备和维护也是一项重要的工作,要定期检查和更新物资,确保其可用性和完整性,以应对突发情况。
最新应急救援器械清单
以下是最新的应急救援器械清单,为各种应急情况提供必要的设备和工具。
这些器械和工具可以帮助应急救援人员快速、有效地处理紧急情况,保障人们的安全。
1. 急救箱
- 医疗用手套
- 止血带
- 纱布和绷带
- 创可贴
- 创伤敷料
- 口罩和面罩
- 着装保护用品
2. 救生器械
- 救生衣
- 救生圈
- 救生绳
- 救生哨
- 浮动装置
3. 照明设备
- 手电筒和备用电池- 蓄电手灯
- 关键区域照明灯具
4. 通信工具
- 手提对讲机
- 无线电台
- 手机和充电器
5. 定位和导航工具- 地图和指南针
- GPS设备
- 信标和标志物
6. 水净化器材
- 水过滤器
- 消毒药品
- 和储存袋
7. 搜救和解救工具
- 救援绳索
- 搜救用具
- 低温保护装备
- 斧子和锤子
8. 简易维修工具
- 螺丝刀、扳手
- 绝缘胶带和线缆
- 简易修补材料
9. 避难所设备
- 帐篷
- 塑料布和绳索
- 折叠椅和桌子
以上清单列举了常见的应急救援器械,但根据具体应急情况的不同,可能还需要其他专业设备和工具。
在应急救援行动中,保持
设备的完好性和有效性非常重要。
应急救援团队应定期检查和维护这些器械,确保在需要时能够有效使用。
注意:此清单仅供参考,具体应急救援行动应根据实际情况进行评估和调整。
一、引言雨雪天气对交通、生产、生活等方面产生严重影响,为保障人民群众的生命财产安全,提高应急处置能力,特制定本应急预案物资清单。
二、物资分类1. 应急救援物资(1)救援队伍服装:救援服、雨衣、雨靴、手套、帽子等。
(2)救援工具:铁锹、镐头、手电筒、绳索、救援绳、应急照明灯等。
(3)救援设备:破拆工具、切割工具、破冰设备、应急帐篷、担架、急救包等。
2. 防御保暖物资(1)防寒服:羽绒服、棉衣、棉裤、防风保暖衣等。
(2)保暖用品:手套、帽子、围巾、保暖鞋、袜子等。
(3)取暖设备:电暖器、红外线取暖器、煤油炉、炭火炉等。
3. 交通保障物资(1)交通警示设施:反光锥筒、反光标志、警示牌、警戒线等。
(2)除雪设备:铲雪车、撒盐车、除雪板、融雪剂等。
(3)救援车辆:越野车、皮卡、工程车等。
4. 生活保障物资(1)食品:方便面、矿泉水、面包、饼干、巧克力等。
(2)药品:感冒药、消炎药、止痛药、急救包等。
(3)饮用水:桶装水、瓶装水、矿泉水等。
5. 信息通讯物资(1)通讯设备:对讲机、手机、卫星电话等。
(2)办公设备:笔记本电脑、打印机、投影仪等。
(3)记录设备:笔记本、记录本、笔等。
三、物资储备与管理1. 物资储备:根据预案要求,各相关部门应按照实际需求,提前储备相应数量的应急物资。
2. 物资管理:应急物资应分类存放,明确标识,定期检查,确保物资完好、可用。
3. 物资调配:发生雨雪天气时,根据实际需求,由应急指挥部统一调配物资,确保物资供应。
四、物资使用与维护1. 物资使用:在雨雪天气应急处置过程中,严格按照操作规程使用应急物资,确保人员安全。
2. 物资维护:使用后的应急物资应及时清洗、消毒、晾晒,并进行必要的维护保养。
五、总结雨雪天气应急预案物资的储备与管理,对于提高应急处置能力具有重要意义。
各相关部门应高度重视,加强物资储备、管理、使用与维护,确保在雨雪天气发生时,能够迅速有效地应对各类突发事件,保障人民群众的生命财产安全。
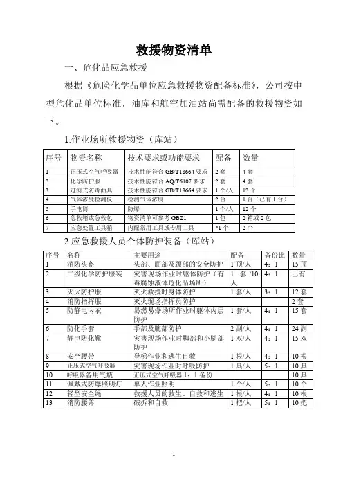
救援物资清单
一、危化品应急救援
根据《危险化学品单位应急救援物资配备标准》,公司按中型危化品单位标准,油库和航空加油站尚需配备的救援物资如下。
1.作业场所救援物资(库站)
2.应急救援人员个体防护装备(库站)
3.中型危化品单位抢险救援物资配备标准
二、药品清单
油库、航空加油站各备1份。
急救箱药品清单
2网状弹力绷带台湾材质3#(1m) 1 盒
3不粘伤口无菌敷料9X10cm 2 盒
4防水创可贴8片 1 袋
5压缩脱脂棉10克X1包 2 包
6酒精棉片1X10片10 片
7强力碘伤口消毒棉签20支X1包 1 包
8医用剪刀不锈钢 1 把
9医用橡胶手套橡胶 1 副
10人工呼吸隔离面罩CPR 1 个
11风油精 1 瓶
12 洗眼水250毫升 1 瓶
13 消毒药膏 1 支
14 酒精250毫升 1 瓶
15 胶布10 卷
16 烫伤膏 1 支
17医用钳 1 把
18 记事本A5 1 本
19 铅笔HB 1 支
三、预案中所需的其它应急救援物资
大撬棍20根、十字铁镐20把、电锯3把、20吨千斤顶4个、应急灯18套、编织袋2000个。
工厂应急救援物资清单
生命救援物资
- 急救箱和医疗用品:包括绷带、消毒剂、止血带、消毒棉、药品等常用急救物品。
- 自动体外除颤器(AED):提供心脏骤停紧急救援。
- 心肺复苏(CPR)人工呼吸面罩和手套:用于心肺复苏的急救操作。
- 应急药品:如止痛药、抗过敏药、抗心绞痛药等。
- 应急通信设备:如应急电台、手机和备用电池等。
灭火器材
- 灭火器:包括泡沫灭火器、二氧化碳灭火器、干粉灭火器等多种类型的灭火装备。
- 灭火毯:用于扑灭小规模明火和阻止火势蔓延。
防护物资
- 头盔:保护头部免受可能的伤害。
- 护目镜和面具:保护面部免受化学品溅射、烟雾等伤害。
- 防护手套:用于保护双手免受化学物品、切割等伤害。
- 防护服:提供全身防护,保护皮肤免受化学品和火灾等伤害。
- 防滑鞋套:在湿滑地面上提供额外的安全保护。
应急设备
- 泄漏应急设备:包括泄漏清除工具、堵漏剂等,用于应对泄
漏事件。
- 割爆设备:用于处理危化品等爆炸风险的设备。
- 照明设备:如应急手电筒、应急照明灯等,保证能在断电情
况下提供照明。
- 应急发电机:提供断电情况下的紧急电力供应。
以上是一份简要的工厂应急救援物资清单,清单中的物资应根
据工厂的具体情况和风险评估进行定制和补充。
工厂应定期检查物
资的状态和有效期,并确保员工熟悉使用这些应急物资的方法。
同时,应建立完善的应急物资管理制度,确保物资的及时更新和补充,以提高工厂应急响应能力。
一、前言为确保工地施工安全,提高应急救援能力,减少事故损失,特制定本预案救援物资清单。
以下物资为工地应急救援的基本配备,可根据实际情况进行调整和补充。
二、救援物资清单1. 通讯设备- 手机若干- 对讲机若干- 无线电话若干- 卫星电话1部2. 应急照明设备- 便携式应急灯若干- 手电筒若干- 照明灯具若干3. 生命救援设备- 急救包若干- 心肺复苏器1台- 氧气瓶若干- 急救毯若干- 紧急医疗药品(如:止痛药、消炎药、止血药等)4. 逃生与救援设备- 逃生绳若干- 逃生梯1套- 便携式救援梯1套- 拖车若干- 便携式救援绳索若干5. 防护设备- 安全帽若干- 安全带若干- 安全绳若干- 防尘口罩若干- 防护眼镜若干6. 环保与消毒设备- 消毒液若干- 环保口罩若干- 环保手套若干7. 办公与记录设备- 笔记本电脑1台- 打印机1台- 复印机1台- 白板1块- 水笔若干8. 食品与饮用水- 饮用水若干- 食品若干- 火炉1台- 食具若干9. 临时住宿设备- 帐篷若干- 地垫若干- 睡袋若干- 热水袋若干10. 临时医疗设施- 医疗帐篷1个- 医疗药品若干- 医疗设备(如:血压计、听诊器等)若干三、物资管理1. 物资的采购、验收、储存、分发等环节应严格按照相关规定执行,确保物资的质量和安全。
2. 定期对救援物资进行检查和维护,确保其处于良好的使用状态。
3. 建立救援物资使用记录,对使用过的物资进行及时补充和更新。
4. 定期对救援人员进行培训,提高其应对突发事件的能力。
四、结语本预案救援物资清单旨在为工地应急救援提供有力保障。
在实际工作中,应根据工程特点和现场情况,不断优化和调整物资配置,提高应急救援能力,确保施工安全。
生产安全事故应急救援物资清单为了有效应对生产安全事故,提高救援工作的效率和质量,必须合理准备应急救援物资。
应急救援物资清单需要根据具体的生产环境和潜在的危险性来确定,并且随时根据需要进行调整和完善。
以下是一个生产安全事故应急救援物资清单的建议:1.急救包:急救包是应对各种突发情况的基本工具。
它应包含适量的消毒纱布、绷带、创可贴、止血带、止痛药、消炎药、酒精消毒液、生理盐水等物品。
2.呼吸器具:包括防毒面具、呼吸器等,用于应对因化学品泄漏或事故造成的有毒气体泄露。
根据具体情况,应提前准备适量的过滤器和防毒面具。
3.消防器材:消防器材是应对火灾事故的重要物资。
包括灭火器、消防泡沫、灭火器、防爆手套等,确保在火灾发生时能够及时进行扑救和疏散。
4.照明设备:应急情况下,由于电力中断或其他原因,可能出现照明不足的情况。
因此,应准备适量的手电筒、备用电池、头灯等照明设备。
6.防护服装:根据不同事故的危险性评估和任务需求,应提前准备一定数量和类型的防护服、安全帽、安全鞋、手套、护目镜等个人防护装备。
7.急救设备:根据生产设备的特点,准备相应的急救设备,如担架、急救器械、输液设备、心电图监护仪等,用于处理伤亡人员。
8.应急救援工具:根据需要准备一些常用工具,如手锯、撬棍、绳索、铁锹、垒砖等,以便在需要时可以进行简单的救援和开拓工作。
9.食品和水:应急救援物资清单中应考虑到被困人员的基本生活需求,准备适量的食品、水和双层被褥等。
以上是生产安全事故应急救援物资清单的建议,具体清单应根据生产环境和危险因素进行调整和补充。
在日常工作中,还需要定期检查和维护这些物资,确保其完好有效。
同时,应开展相关培训和演练,提高救援人员的应急救援能力和反应速度。
应急救援预案物质清单一、总则1.1 编制目的为确保公司在发生突发事件时,能够迅速、有效地开展应急救援工作,降低事故损失,保障人员安全和财产损失最小化,特制定本应急救援预案物质清单。
1.2 编制依据本预案物质清单依据国家相关法律法规、标准和公司实际情况编制。
1.3 适用范围本预案物质清单适用于公司内部各种突发事件应急救援工作。
二、应急救援预案物质清单2.1 应急救援设备(1)救援器材:救援支架、救援绳索、救援梯子、救生圈、救生衣、防护眼镜、防护手套等。
(2)消防设备:消防水枪、消防泡沫、干粉灭火器、二氧化碳灭火器、消防栓、消防报警器等。
(3)医疗急救设备:急救包、担架、氧气袋、心脏起搏器、急救药品等。
2.2 应急救援物资(1)防护用品:口罩、防尘面具、防酸碱手套、防静电服、防护靴等。
(2)警示标志:警示带、警示灯、警示牌等。
(3)交通设施:交通锥、警示灯、道路隔离板等。
(4)生活物资:食品、饮用水、被褥、帐篷等。
(5)其他物资:发电机、照明设备、通讯设备、工具箱等。
三、应急救援设备及物资管理3.1 应急救援设备及物资的采购、储存、维护和管理应严格按照国家相关法律法规和公司相关规定执行。
3.2 应急救援设备及物资应定期检查、维护,确保设备及物资处于良好状态,保证在紧急情况下能够迅速投入使用。
3.3 应急救援设备及物资的存放应遵循安全、便捷、合理的原则,确保在紧急情况下能够迅速取出和使用。
3.4 应急救援设备及物资的使用应遵循节约、合理、有效的原则,避免浪费和滥用。
四、应急救援设备及物资的培训与演练4.1 公司应定期组织应急救援设备及物资的培训与演练,提高员工应对突发事件的能力。
4.2 培训内容应包括应急救援设备及物资的使用方法、维护保养等方面。
4.3 演练应模拟真实事故场景,检验应急救援设备及物资的实际效果。
五、应急救援设备及物资的改进与更新5.1 公司应根据实际情况和国家相关法律法规的要求,不断改进和更新应急救援设备及物资。
最新应急救援物资清单
以下是应急救援物资清单,包括公司及在建项目物品和精品。
每个物品都有单位、数量和存放地点。
公司及在建项目物品:
1.酒精瓶 6个,存放在资仓库。
2.紫药水盒 8个,存放在资仓库。
3.创可贴盒 3个,存放在资仓库。
4.绷带卷 10个,存放在资仓库。
5.无菌敷料盒 3个,存放在资仓库。
6.仁丹瓶 10个,存放在资仓库。
7.常用小夹板块 10个,存放在资仓库。
8.担架 3个,存放在资仓库。
9.止血袋 3个,存放在资仓库。
10.氧气袋 3个,存放在资仓库。
精品:
11.雨衣 80个,存放在资仓库。
12.铁锹把 6个,存放在资仓库。
13.气割工具台 2个,存放在资仓库。
14.小型金属切割机台 2个,存放在资仓库。
15.灭火器 20只,存放在资仓库。
16.消防桶 10只,存放在资仓库。
17.架子管副 2个,存放在资仓库。
18.安全帽 50顶,存放在资仓库。
19.安全带 10条,存放在资仓库。
20.应急灯 20盏,存放在资仓库。
21.对讲机 30台,存放在资仓库。
一、引言为确保桥梁施工过程中突发事件的有效应对,降低事故损失,保障人民群众生命财产安全,根据《中华人民共和国安全生产法》等相关法律法规,结合桥梁施工特点,特制定本应急预案物资清单。
二、物资分类1. 应急救援物资(1)急救包:包括止血带、绷带、三角巾、急救药品(如:创可贴、消毒液、止痛药等)。
(2)救援工具:包括急救担架、救援绳索、救援钩、救援梯等。
(3)通信设备:包括对讲机、卫星电话、手机等。
(4)照明设备:包括手电筒、应急照明灯、发电机等。
2. 防灾物资(1)防水材料:包括防水布、防水板、防水卷材等。
(2)排水设备:包括水泵、排水管、排水沟等。
(3)防洪器材:包括沙袋、防洪板、防洪门等。
3. 环保物资(1)环保口罩、手套、护目镜等。
(2)环保垃圾袋、清洁剂等。
4. 维修物资(1)桥梁专用工具:包括千斤顶、撬棍、扳手、螺丝刀等。
(2)维修材料:包括焊条、焊机、切割机、铆钉等。
(3)涂料、防腐材料等。
5. 食品、饮水(1)方便面、矿泉水、饼干等。
(2)保温瓶、水壶等。
三、物资管理1. 建立健全物资管理制度,明确物资采购、验收、保管、使用等环节的责任人。
2. 定期对应急物资进行检查,确保物资完好、充足。
3. 对应急物资进行分类存放,便于快速领取。
4. 对应急物资的使用情况进行登记,确保物资使用有据可查。
5. 定期对应急物资进行更新,确保物资的先进性、实用性。
四、应急物资的使用1. 发生突发事件时,应急物资应立即投入使用。
2. 根据事故性质、规模和影响范围,合理调配应急物资。
3. 优先保障救援人员的安全和生命健康。
4. 在应急物资使用过程中,确保物资的合理使用,避免浪费。
5. 事故处理后,对应急物资进行清点和维护,为下一次应急提供保障。
五、总结本预案物资清单旨在为桥梁施工过程中的突发事件提供有力保障。
在实际工作中,应根据实际情况对物资清单进行补充和完善,确保应急预案的顺利实施。
同时,加强应急物资的管理,提高应急救援能力,最大限度地减少事故损失。
一、应急物资分类1. 生命救援物资2. 食品及饮用水3. 医疗救护物资4. 通讯设备5. 交通工具6. 安全防护物资7. 消防器材8. 清洁及卫生用品9. 生活必需品10. 应急办公设备二、应急物资清单1. 生命救援物资- 救援绳索、绳梯、救生圈- 救援工具包(包括手电筒、切割工具、绳结工具等) - 救援毯、救生衣、救生圈- 便携式担架、急救包- 救援头盔、手套、防护服2. 食品及饮用水- 营养食品、方便面、饼干等- 矿泉水、饮料、茶叶等- 食品保温袋、保温瓶3. 医疗救护物资- 常用药品(如止痛药、消炎药、消毒剂等) - 急救包(包括绷带、剪刀、止血带等)- 心肺复苏器、血压计、体温计等- 消毒液、酒精棉、碘伏等4. 通讯设备- 对讲机、手机充电宝、卫星电话等- 无线网卡、路由器等- 应急广播设备5. 交通工具- 救援车辆、摩托车、自行车等- 无人机、航拍设备等6. 安全防护物资- 防尘口罩、防毒面具、防化服等- 防火服、隔热服、防水服等- 防护眼镜、耳塞等7. 消防器材- 消防灭火器、灭火毯、灭火砂等- 水枪、水带、水炮等- 消防泵、消防栓等8. 清洁及卫生用品- 洗手液、肥皂、纸巾等- 隔离服、防护服、手套等- 雨具、防寒用品等9. 生活必需品- 塑料袋、纸箱、绳索等包装材料- 便携式炉灶、煤气罐等- 蚊帐、防潮垫等10. 应急办公设备- 笔记本电脑、打印机、复印机等- 文件夹、胶带、笔等办公用品- 应急物资清单、应急响应流程图等三、应急物资管理1. 建立应急物资储备库,对各类物资进行分类、编号、登记。
2. 定期检查应急物资的有效期、损坏程度,确保物资处于良好状态。
3. 对应急物资进行定期演练,提高应急队伍的物资使用能力。
4. 建立应急物资调用机制,确保在应急情况下能够迅速、高效地调配物资。
5. 加强应急物资的宣传和培训,提高公众的应急物资储备意识。
总之,应急预案中所需应急物资是应急响应和救援工作的基石。