批生产计划指令单(生产科).
- 格式:doc
- 大小:29.50 KB
- 文档页数:1
生产指令单生产:生产(produce),指人类从事创造社会财富的活动和过程,包括物质财富、精神财富的创造和人自身的生育,亦称社会生产。
狭义生产仅指创造物质财富的活动和过程。
也指动物的繁衍后代。
基本含义:概念生产是指人们创造物质财富的过程。
《经济学》中的生产:将投入转化为产出的活动,或是将生产要素进行组合以制造产品的活动。
生产要素主要有:(1)劳动。
包括各种不同工作性质的人,如电工、秘书、医生等所提供的劳务。
(2)土地。
包括地上和地下的一切自然资源,如矿藏和树木等。
(3)资本。
指在生产过程中被生产出来的,并被用于进一步的生成的物品,即是所有人造的投入。
如机器、工具等(都是人们造出来,又被用于进一步的生产)。
生产管理学中定义:生产是一切社会组织将它的输入转化为输出的过程。
含义从抽象意义上说,生产是在特定的技术条件下,通过将人的劳动作用与劳动对象和劳动资料,生产人们所需要的各种物品或服务的过程。
在这一过程中,人们会运用整个人类在改造自然和利用自然的过程中积累起来的各种经验、知识和操作技巧来改造自然物质。
这里的生产具有一般的技术属性,反映了人与自然的相互关系,是作为人类生存的永恒的自然条件而存在的。
生产区分为:①满足人们衣、食、住、行等必需的物质资料生产;②使人类自身世代延续的人自身的生产,即种族的繁衍;③满足人们必需的文化生活的精神生产(见物质生产与精神生产)。
马克思和恩格斯在《德意志意识形态》第1卷第1章中,将这三种生产分别称为“自己生命的生产”,“他人生命的生产”,“思想、观念、意识的生产”。
动物不进行物质资料的生产,它仅仅利用外部自然界,单纯地以自己的存在来改变自然界;也没有精神生产。
人类则必须通过劳动改变自然界,创造自己生活所需要的物质资料。
只有人类才进行物质和精神生产。
种族的繁衍作为自然行为是人和动物共有的,但人类的繁衍有一定的社会生活的组织形式。
类型生产类型是指根据生产过程的不同特点划分的类别。
**化妆品有限公司
批生产指令单
表单编号:SW-SC-1-3
**化妆品有限公司
成品放行单
配料工序批生产记录表单编号:SW-SC-1-4
乳化工序批生产记录表单编号:SW-SC-1-5
半成品检验工序批生产记录表单编号:SW-SC-1-7
打码工序批生产记录表单编号:SW-SC-1-6
分装、包装工序批生产记录表单编号:SW-SC-1-8、10
分装、包装工序检验批生产记录表单编号:SW-SC-1-9(11)
巡检单填写标准: 1.各项目必须完整填写,填写内容需清晰明了,状态良好直接画“√”;2.检验项目必须按我公司检验标准进行检验;3.首件确认时如检验结果NG,请在异常记录中填写临时处理方法,并且需再次做首件确认4.员工自主做完首件确认OK后需通知QC再次确认OK后方可批量量产。
5.检验频率:巡检频率统一半小时做产品巡检,每次至少检测3PCS并至少每班2次记录于报表中.
**化妆品有限公司成品检验报告单。
一、填空题(30分,每题3分)1.批记录包括批生产(包括批生产指令单、生产、包装)记录、中间控制记录(包括环境监控记录)、批检验记录、批审核放行记录。
2.质量受权人负责批记录的最终审核及产品放行。
3.QA工程师负责批记录的收集、审核。
4.每批产品包装结束5个工作日内,车间主管将经审核的批生产记录交于QA工程师处。
5.每批产品全检结束5个工作日内,QC主管将经审核的批检验记录(含成品检验报告单)交于QA工程师处。
6.批生产记录是药品整个生产过程。
7.物料称量记录应有复核人独立复核记录,各工序操作记录应有操作者签名。
8.批生产记录的每一页应当标注产品的名称、规格和批号。
9.批记录应字迹清晰、内容真实、数据完整,并由操作人及复核人签名。
记录应保持整洁,不得撕毁和任意涂改;更改时,在更改处签名,并使原数据仍可辨认。
10.每批产品均应当有相应的批生产记录,可追溯该批产品的生产历史以及与质量有关的情况。
二、判断题(20分,每题2分)1.指令单上有产品名称、规格和包装规格、批号、生产日期、有效期/贮存期(适用于中间产品)、计划批量、所需领取的物料名称和数量等内容。
(√)2.原版空白的批生产记录(包括包装记录)无需生产负责人和质量负责人审核和批准。
(×)注:原版空白的批生产记录(包括包装记录)需经生产负责人和质量负责人审核和批准。
3.记录填写内容真实,字迹清晰、易读,不易擦除。
(√)4.记录填写的任何更改都应当签注姓名与日期,并使原有信息仍清晰可辨,必要时,应当说明更改的理由。
记录如需重新誊写,需要把原记录销毁。
(×)注:记录重新誊写后不能把原始记录销毁。
5.批生产记录的复制与发放均应当按照操作规程进行控制并有记录,每批产品的生产可发放多份原版空白批生产记录的复制件。
(×)注:空白批记录不能有多份复制件。
6.批生产记录审核是生产结束后,对整个生产过程及其质量监控的全面审核,是确认生产过程是否符合GMP要求、产品质量能否达到标准,最终能否放行的重要依据。
GMP管理文件一、目的:制定配制指令的审核、发布与领发料程序,使生产车间与仓库的领发料得以规范进行。
二、适用范围:适用于所有产品的配制及原辅材料的领发料。
三、责任者:生产部负责人及工艺员、质管部负责人及QA监督员、仓库管理员。
四、程序:1 生产部工艺员提前一天依生产计划和气候条件开具产品的批生产指令单,如遇到沙尘天气,建议停产,组织工人学习、培训。
a 产品名称、规格、批量、批号、生产日期;b 原辅材料的名称、理论用量、编码。
1.1 对原、辅材料的要求在备注栏内清楚注明。
1.2 批生产指令单一式二份,由工艺员签字后交生产部经理审核签字。
2 生产部经理对批生产指令在1小时之内审核后,由工艺员送质量管理部经理审核签字。
3 质量管理部审核在一小时内完成,审核后由监督员将批生产指令单送回生产部。
4 生产部工艺员收到审定的批生产指令单后,将其中一份送仓库管理员作备料依据,另一份批生产指令单交车间班长。
5 由原料仓库管理员根据批生产指令备料,由质量监督员复核品名、数量、规格、编号、检验报告单,复核无误后。
仓库管理员通知车间领料。
6 领料员用平推车将原料由原料库通过综合仓库推到车间,辅料由综合仓库直接推到车间,通过传递门传入原辅料暂存间,将批生产指令单和领料单一块传入原辅料暂存间。
7 领料时严格按《领料岗位操作规程》操作,复核物料的品名、规格、编号、数量、供货单位及合格证明,核对无误后由领料员在领料单及批生产指令单上签字,留正件领料单放入批生产记录,另一份复件交仓库管理员。
第 1 页共 1 页。
生产指令单1.目的:建立填充,批准和下达批量生产订单的程序,以便计划和物流部门可以按照规定的程序进行物料进料和间接分批。
2.适用范围:适用于所有生产品种。
3.责任:3.1物料计划员负责填写和下达批量生产订单。
3.2质量部门主任负责审核批量生产订单。
3.3生产综合部长负责生产指令的审批。
3.4生产车间负责按照批生产指示接收物料。
4内容:4.1生产综合部根据每周生产计划安排生产,并填写(SG / R-PS-001-00)“批量生产说明表”。
原料和辅助材料的数量根据配料数量和单一品种加工规定进行计算。
4.2完整的批量生产说明表应由质量部部长审查,并在综合生产部长批准后发布。
填写的内容应包括名称,批号,规格,生产能力以及准备用的原辅材料的名称,规格和剂量。
4.3批量生产说明书的说明书应明确注明产品名称,理论用量和固定用量,并规定计划工作时间4.4批准的批生产说明表一式四份,其中第一页是首页,由生产综合部门保存,第二页发送到计划后勤部门进行材料准备,第三页发送到车间。
带有批生产记录,第四个发送给质量控制人员。
4.5规划后勤部应在收到批量生产订单后准备材料。
4.6生产综合部门下达批量生产指导书后,车间领料员应按照指导书中规定的材料填写物料申请表,只有经车间主任批准后方可进行领料,仓库应根据请购单发出材料。
4.7提货时,提货成员应检查名称,规格,批号和数量。
检验正确后,仓库主管,仓库管理员和拣配人员应在物料拣配清单上签名以进行确认。
4.8物料拣选人员应将物料送到车间,以移出外室,清洁外包装,并执行《进入洁净区的物料提纯管理标准》(SG / SMP-CS-010-00)。
4.9配料人员应按批生产说明书领料,核对每种物料的名称,规格和数量,正确后在领料单上签名,交还领料员;车间主任应按照批量生产说明书和该品种的生产工艺规程组织生产。
4.10批量生产订单应在该品种生产前两天发布批量生产记录。
4.11如果任何部门在执行批量生产订单时遇到特殊情况而无法正常执行,则应向生产综合部门报告解决方案。
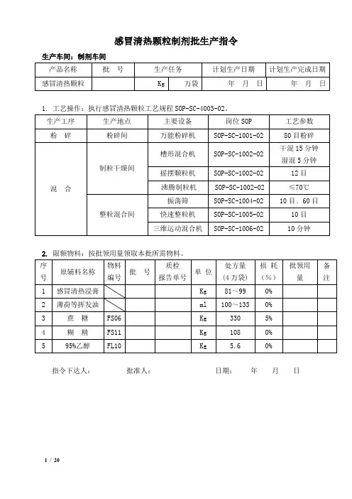
生产车间:制剂车间1. 工艺操作:执行感冒清热颗粒工艺规程SOP-SC-4003-02。
2. 限额物料:按批领用量领取本批所需物料。
指令下达人:批准人:日期:年月日6. 干燥:将湿颗粒放入沸腾制粒机中烘干,操作执行《制粒岗位标准操作规程》SOP–SC-1002-02。
7. 完工清场:开始时间:结束时间:感冒清热颗粒制剂批生产记录二、感冒清热颗粒混合工序批生产记录1. 工前准备2. 整粒:用快速整粒机整粒,操作执行《制粒岗位标准操作规程》SOP–SC-1002-02。
3. 总混:用三维运动混合机混匀,操作执行《制粒岗位标准操作规程》SOP–SC-1002-02。
注:半成品检验报告单附后4. 完工清场:开始时间:结束时间:感冒清热颗粒批包装指令1. 工艺操作执行感冒清热颗粒工艺规程SOP-SC-4003-02。
2. 工作标准指令下达人:批准人:日期:年月日感冒清热颗粒制剂批包装记录颗粒分装装量抽检称量记录产品名称:批号:设备名称:全自动颗粒包装机设备编号:SC0710190 每15分钟抽检一次感冒清热颗粒制剂批包装记录二、感冒清热颗粒外包装工序批包装记录1. 工前准备2. 包装材料领取及喷码记录2.1根据批包装指令,领取相应的包装材料。
2.2在小盒及外箱上喷上批号、有效期至,操作执行《外包装岗位标准操作规程》SOP–SC-1008-02。
3. 装小盒:将数好的药品﹑说明书装入小盒中,执行《外包装岗位标准操作规程》。
4. 装箱:按规定将小盒、合格证装入纸箱,执行《外包装岗位标准操作规程》。
5. 打包:按规定,将包装完毕纸箱打包,执行《外包装岗位标准操作规程》。
工序负责人:日期:年月日6.销毁:本批报废销毁包装材料,操作执行《标签及类标签物管理规程》SMP-WL-1016-02。
成品记录表感冒清热颗粒批包装指令1. 工艺操作执行感冒清热颗粒工艺规程SOP-SC-4003-02。
2. 工作标准指令下达人:批准人:日期:年月日感冒清热颗粒制剂批包装记录颗粒分装装量抽检称量记录产品名称:批号:设备名称:全自动颗粒包装机设备编号:SC0710190 每15分钟抽检一次感冒清热颗粒制剂批包装记录二、感冒清热颗粒外包装工序批包装记录1. 工前准备2. 包装材料领取及喷码记录2.1根据批包装指令,领取相应的包装材料。
云南楷林中药饮片有限责任公司REC-SC1005-00-03第1页共1页编制人:日期:年月日审核人:日期:年月日批准人:日期:年月日颁发部门质量管理部颁发日期:年月日生效日期:年月日分发部门质量管理部、生产管理部批生产记录品名:批号:生产日期:计划产量:生产负责人:审核人(QA):云南楷林中药饮片有限责任公司REC-SC1005-01-03第1页共1页生产指令单品名规格生产批号生产日期计划产量计划生产周期生产依据按生产工艺规程进行生产操作工艺代码 1.净选2.洗润3.切制4.炒制5.蒸制6.煮制7.干燥8.微生物控制9.粗碎10.粉碎11.混合原辅料计划领料量序号物料名称入库批号/编码计划领料量单位备注拟定人签名:日期:年月日审核人签名:日期:年月日接收人签名:生产部质量部仓库年月日年月日年月日注:1.本生产指令单一式三份,生产部、质量部、仓库各一份。
质量部接到生产指令后需对指令内容进行核对并安排检验、监管工作;仓库按生产指令发放物料、并核对相应信息;生产车间严格按生产指令内容安排生产,生产结束后生产车间指令单归集至批生产记录中统一收回。
2.物料入库批号或代码由仓库管理员填写。
3.指令接收人指定为生产车间主管、质量部QA或QA主管及仓库管理员。
云南楷林中药饮片有限责任公司REC-SC1005-02-03第1页共1页原辅料收料记录品名产品批号计划产量生产日期年月日序号物料名称物料编码批号数量/重量单位备注12345仓库发料人车间收料人复核人日期年月日日期年月日日期年月日净选工序记录品名产品批号计划产量生产日期年月日操作步骤与要点工艺控制范围操作记录1.工前准备1.1核对文件与记录1.2确认上批清场结果1.3确认设备完好、清洁状态1.4检查物料及标识状态1.1.生产文件、记录齐全且已受控1.2.清场合格并在有效期内1.3.设备完好已清洁合格1.4.物料品种、数量正确且检验合格,已有标识且与物料相一致1.□符合规定□不符合规定2.□符合规定□不符合规定3.□符合规定□不符合规定4.□符合规定□不符合规定2.净选方法执行该品种工艺规程□设备设备名称:设备编号:设备型号:□人工2.1除去非药用部位、杂质及霉变品、虫蛀品等。
1、目的:为适应公司管理要求,在生产管理中实施指令管理,利于生产管理和经济核算,保证生产计划的严肃性。
2、范围:适用于各生产车间。
3、责任者:生产部、生产车间、仓储部。
4、程序:
4.1 生产指令由生产部根据生产计划分解下达。
4.2 批生产指令内容:产品名称、批号、规格、产品编号、批产量、生产日期、有效期至、处方、投料量、包装材料数量、备注、指令人及审核人等信息,批生产指令,各生产线生产的品种(见附表1),各品种的有效期。
4.3 批生产指令由生产部生产调度员根据生产计划、库存情况及相应的工艺处方进行编制,生产部经理或部长审核,至少提前一天发放给生产车间(同时以内部邮件通知仓储部备料),每批产品生产前由生产车间专人负责分批发放,生产结束随批生产记录装订。
4.4 对于生产包装有特殊要求的情况(如出口等),按其要求进行,在生产指令中备注中表明。
4.5生产车间根据生产指令单开具物料的领用单,生产部根据批生产指令进行审核,并在领用单上签字,仓储部根据生产部审核的领用单进行发放。
4.6 为了防止混淆与差错,同一房间(称量、浓配、稀配)在相同时间内只能生产一个品种(可以为一个品种的不同规格)。
4.7 配料中若有偏差处理涉及到补加物料时,生产车间应及时填写《补料申请单》,由生产部审批后,交仓储部,仓储部凭补料申请单向生产车间发放物料。
4.8 车间领用的物料(除原辅料外),物料管理人员在发放至各批时应及时填写《车间物料使用记录》
4.9 生产车间计量人员在当天生产完毕,及时清点剩余物料,办理退库。
感冒清热颗粒制剂批生产指令生产车间:制剂车间1. 工艺操作:执行感冒清热颗粒工艺规程SOP-SC-4003-02。
2. 限额物料:按批领用量领取本批所需物料。
指令下达人:批准人:日期:年月日感冒清热颗粒制剂批生产记录操作规程》SOP–SC-1001-02。
3. 粉碎:操作执行《制粒岗位标准操作规程》SOP–SC-1002-02。
5. 混合﹑制粒:操作执行《制粒岗位标准操作规程》SOP–SC-1002-02。
6. 干燥:将湿颗粒放入沸腾制粒机中烘干,操作执行《制粒岗位标准操作规程》SOP–SC-1002-02。
7. 完工清场:开始时间:结束时间:感冒清热颗粒制剂批生产记录二、感冒清热颗粒混合工序批生产记录1. 工前准备2. 整粒:用快速整粒机整粒,操作执行《制粒岗位标准操作规程》SOP–SC-1002-02。
3. 总混:用三维运动混合机混匀,操作执行《制粒岗位标准操作规程》SOP–SC-1002-02。
注:半成品检验报告单附后4. 完工清场:开始时间:结束时间:感冒清热颗粒批包装指令1. 工艺操作执行感冒清热颗粒工艺规程SOP-SC-4003-02。
2. 工作标准指令下达人:批准人:日期:年月日感冒清热颗粒制剂批包装记录SOP–SC-1006-02。
颗粒分装装量抽检称量记录产品名称:批号:设备名称:全自动颗粒包装机设备编号:SC0710190 每15分钟抽检一次感冒清热颗粒制剂批包装记录二、感冒清热颗粒外包装工序批包装记录1. 工前准备2. 包装材料领取及喷码记录2.1根据批包装指令,领取相应的包装材料。
2.2在小盒及外箱上喷上批号、有效期至,操作执行《外包装岗位标准操作规程》SOP–SC-1008-02。
3. 装小盒:将数好的药品﹑说明书装入小盒中,执行《外包装岗位标准操作规程》。
4. 装箱:按规定将小盒、合格证装入纸箱,执行《外包装岗位标准操作规程》。
5. 打包:按规定,将包装完毕纸箱打包,执行《外包装岗位标准操作规程》。
生产指令单从精细化管理的角度,详细阐述制造企业的系统架构与岗位设计,然后分部门、分阶段阐述其各个部门、各个阶段的工作职责、关键控制点,以及各个部门、各个阶段精细化管控所需要的流程、制度、表格,同时就各个部门、各个阶段常见问题进行解答,以此为企业各级管理人员提供操作指南和借鉴,是制造业各级管理人员的行动指南。
一、生产管理制度1-001 生产计划管理办法1-002 生产计划变更管理办法1-003 PMC工作指引1-004 4M1E变更管理程序1-005 装配制程管制办法1-006 机加制程管制办法1-007 委托制造、外加工管理准则1-008 生产部车间管理制度1-009 车间巡检工艺规定1-010 生产事故责任追查规定二、质量管理制度2-001 进料检验规定2-002 制程及成品检验规程2-003 在制品控制程序2-004 客户投诉处理程序2-005 质量事故处理原则及奖惩办法2-006 不合格品控制程序2-007 特采工作指引2-008 返工工作指引2-009 报废工作指引三、采购管理制度3-001 采购控制程序3-002 供应商管理办法四、仓储管理制度4-001 仓库进出存管理办法4-002 仓库人员工作及奖惩制度4-003 在库品防护程序4-004 客户财产控制程序4-005 仓库盘点作业管理流程五、安全管理制度5-001 生产安全管理制度5-002 职工职业健康检查管理办法5-003 劳保用品管理办法六、设备管理制度6-001 设备控制程序6-002 生产设备管理与维护办法6-003 检验仪器量规管理校正办法七、营销管理制度7-001 内销业务处理规定7-002 外销业务处理制度7-003 订货受理管理规定7-004 销售货款收取控制规范八、研发管理制度8-001 设计和开发控制程序8-002 新产品开发管理制度8-003 样品制作及更改控制程序8-004 工程文件更改单(ECO)控制程序九、5S管理制度9-001 5S实施办法9-002 5S推动/稽查作业办法9-003 5S评分作业指引9-004 5S个人考核办法。
记录类文件起草(修订)、审核、批准登记表×××中药饮片有限公司请验单×××中药饮片有限公司请验单领料单XX中药饮片有限公司领料单退料单XX中药饮片有限公司退料单XXX中药饮片有限公司生产计划编号:XX-SC-BG-00-004日期:日期:日期:XXX中药饮片有限公司生产流转卡编号:XX-SC-BG-00-005编号:XX-SC-BG-00-006编号:XX-SC-BG-00-007XXX中药饮片有限公司挑选生产记录表编号:XX-SC-BG-00-008XXX中药饮片有限公司洗(润)生产记录表编号:XX-SC-BG-00-009XXX中药饮片有限公司蒸(煮)制生产记录表编号:XX-SC-BG-00-010XXX中药饮片有限公司切制生产记录表编号:XX-SC-BG-00-011编号:XX-SC-BG-00-012编号:XX-SC-BG-00-013编号:XX-SC-BG-00-014编号:XX-SC-BG-00-015编号:XX-SC-BG-00-016编号:XX-SC-BG-00-017XXX中药饮片有限公司包装生产记录表XXX中药饮片有限公司清产记录单编号:XX-SC-BG-00-019XXX中药饮片有限公司清产记录单编号:XX-SC-BG-00-019XXX中药饮片有限公司印刷性包装材料使用记录中间产品进出站台帐包装剩余饮片处理记录药材废品物处理记录生产安全事故调查记录生产状态牌编号:XX-SC-BG-00-025交接班记录。
生产订单号:客户白德生客户名称缅甸柚木g041 8,纸箱内环生产日期要求每小时生产一次成品捆扎完成时间1个月,包装工要求每小时生产一个成品,每件产品包装一个月,一个月,一个月类型,数量生产批准质量确认388部门项目生产时间完成时间工时消耗操作员实际生产数量不良产品类型,数量生产签署质量确认81部门项目生产时间,完成时间,工作时间,操作人员实际生产数量,不良品类型、数量、生产批准、质量确认、80个部门、项目生产时间、完成时间、工作时间、操作人员实际生产数量、缺陷产品类型、数量、生产批准、质量确认、f、质量确认16 swl-p-120713025订单号(订单数量(m)7月7月12日12日25日,产品说明书4-3厚度(mm)宽度(mm)成品编号(带标识零件m4909-1 m4909-2 NW(kg/体积)GW(kg/箱)生产机械需求(kg)异常情况描述,生产设备需求(体积)异常情况描述分析情况描述分析和异常情况描述分析生产设备需求分析(案例)异常情况描述分析表:沈兆芬审核员:黄伟审核员:生产订单号:客户帕特森客户名称缅甸柚木I015 10000交货期要求交货期产品编号wp19471.5 22底色br-15压花编号r43滚筒编号内圈尺寸od=33100包装规格纸箱规格其他要求部门产品吸风时间完成时间消耗工时操作工实际生产数量不良产品类型,批生产批准质量确认483部门生产时间、完成时间、时间消耗、工时、实际生产数量、不良品类型、数量生产批准、质量确认100部门项目生产时间、完成时间、消耗工时、操作人员实际生产数量,不良产品类型、数量生产、质量确认20 swl-p-120905019订单号(订单号9月15日,产品规格3-3厚度(mm)宽度(mm)成品编号(标注零件4909-1 m4909-2净重(kg/卷)GW(kg/纸箱生产机需求(kg)异常说明,生产机械需求(数量)异常情况分析产品描述、生产机械需求(数量)异常分析、情况描述及生产机械需求分析(箱)异常情况描述与分析:沈兆芬审核员:黄伟批准:生产指令是计划部到达现场指导现场生产安排的报告。