化工制图习题册答案
- 格式:doc
- 大小:1.64 MB
- 文档页数:24
化工制图试题及答案一、选择题(每题2分,共20分)1. 在化工制图中,表示管道内流体流向的符号是:A. 箭头B. 点线C. 虚线D. 实线答案:A2. 化工制图中,表示阀门的符号是:A. 圆形B. 矩形C. 三角形D. 方框答案:C3. 化工制图时,用于表示设备名称的代码通常采用:A. 拼音首字母B. 英文缩写C. 数字编号D. 汉字答案:C4. 在化工制图中,管道直径的标注通常采用哪种方式:A. 文字描述B. 符号表示C. 数字编号D. 图形表示答案:B5. 化工制图中,表示泵的符号是:A. 圆形B. 矩形C. 椭圆形D. 梯形答案:C6. 化工制图中,表示阀门开启状态的符号是:A. 一个圆圈B. 一个叉号C. 一个箭头D. 一个点答案:C7. 化工制图中,表示管道连接的符号是:A. 直线B. 曲线C. 点线D. 虚线答案:A8. 在化工制图中,表示设备内部结构的视图是:A. 剖面图B. 轴测图C. 透视图D. 侧视图答案:A9. 化工制图中,表示管道分支的符号是:A. 一个圆圈B. 一个叉号C. 一个箭头D. 一个点答案:A10. 化工制图中,表示管道阀门关闭状态的符号是:A. 一个圆圈B. 一个叉号C. 一个箭头D. 一个点答案:B二、填空题(每题2分,共20分)1. 在化工制图中,管道的尺寸通常用________表示。
答案:直径2. 化工制图中,设备的位置通常用________来表示。
答案:坐标3. 化工制图中,管道的材质通常用________来表示。
答案:符号4. 在化工制图中,表示管道内流体压力的符号是________。
答案:P5. 化工制图中,表示管道内流体温度的符号是________。
答案:T6. 化工制图中,设备的操作条件通常用________来表示。
答案:注释7. 在化工制图中,表示管道内流体速度的符号是________。
答案:V8. 化工制图中,表示管道内流体流量的符号是________。
化工制图与识图复习题+答案一、单选题(共19题,每题1分,共19分)1.不属于阅读零件图的方法或步骤的是()A、管道布置分析B、概括了解C、总结归纳正确答案:A2.下列说法正确的是()A、向视图是剖视图B、向视图只允许向特定方向的基本视图C、向视图是可以自由配置的基本视图正确答案:C3.管理布置图说法正确的是()A、标题栏上行写平面下行写布置图B、需要标注与设备有关的建筑物的尺寸C、安装方位标一般南向标志正确答案:B4.不属于化工设备结构特点的是()A、壳体以回转体为主B、广泛采用标准零部件C、尺寸相差不大正确答案:C5.基本视图有几种()A、6B、5C、4D、3正确答案:A6.标注圆的直径尺寸时,()一般应通过圆心,尺寸箭头指到圆弧上。
A、尺寸界限B、尺寸数字C、尺寸线正确答案:C7.管道范程线的画法错误的是()A、用粗线画出各设备之间的主要物流通过线B、用中粗线画出其他辅助物料的疏沟线C、用细点画线画出主要和改要物画流形线正确答案:C8.压力较高的设备,一般选用直径为()mm的人孔。
A、500B、600C、400正确答案:C9.关于法兰连接说法错误的是()A、可拆连接B、一般由法兰、垫片、螺母等零件组成C、不可拆连接正确答案:C10.贮罐是化工生产中常用的一种贮存设备,一般由()组成。
A、筒体、封头、管件、阀门B、简体、封头、支座、人孔、接管C、筒体、封头、支座、阀门正确答案:B11.工艺管道及仪表流程图说法错误的是()A、不按比例绘制B、采用标准规格的AO图幅C、采用标准规格的A1图幅正确答案:B12.关于公差说法正确的是()A、公差可能为正、负或零B、公差为正C、公差为负正确答案:A13.合理布置管道时不需要考虑的是()A、管道的生产价格B、物料因素C、便于操作及安全生产正确答案:A14.关于流程线说法正确的是()A、一般用折线B、一般画成水平线和垂直线C、一般用斜线正确答案:B15.下列不属于剖视图的种类是()A、全部视图B、断面图C、局部剖视正确答案:B16.国家标准规定,机械图样中的尺寸以()为单位。
cad化工制图期末考试题及答案一、选择题(每题2分,共20分)1. CAD化工制图中,哪种线型代表中心线?A. 虚线B. 点划线C. 实线D. 双点划线答案:B2. 在CAD化工制图中,如何表示管道的直径?A. 直接标注数字B. 使用φ符号后跟数字C. 使用D符号后跟数字D. 使用直径符号后跟数字答案:B3. 化工制图中,哪个命令用于创建直线?A. LINEB. CIRCLEC. ARCD. POLYLINE答案:A4. 化工制图中,如何表示管道的流向?A. 使用箭头B. 使用虚线C. 使用实线D. 使用点划线答案:A5. 在CAD化工制图中,哪个命令用于创建圆?A. LINEB. CIRCLEC. ARCD. ELLIPSE答案:B6. 化工制图中,表示阀门的符号是什么?A. 矩形B. 三角形C. 圆形D. 菱形答案:D7. CAD化工制图中,哪个命令用于创建多段线?A. LINEB. POLYLINEC. SPLINED. PEDIT答案:B8. 化工制图中,表示泵的符号是什么?A. 矩形B. 三角形C. 圆形D. 椭圆形答案:D9. 在CAD化工制图中,哪个命令用于创建圆弧?A. LINEB. CIRCLEC. ARCD. ELLIPSE答案:C10. 化工制图中,表示压缩机的符号是什么?A. 矩形B. 三角形C. 圆形D. 椭圆形答案:B二、填空题(每空1分,共10分)1. 在CAD化工制图中,管道的直径通常用________符号表示。
答案:φ2. 化工制图中,表示管道连接的符号是________。
答案:焊接符号3. CAD化工制图中,创建直线的快捷键是________。
答案:L4. 化工制图中,表示阀门开启状态的符号是________。
答案:开符号5. CAD化工制图中,创建圆的快捷键是________。
答案:C6. 化工制图中,表示管道断开的符号是________。
答案:断开符号7. CAD化工制图中,创建多段线的快捷键是________。
化工制图与识图试题(含答案)一、单选题(共19题,每题1分,共19分)1.关于管架错误的是()A、管架是起支撑管道作用B、管架类别A表示固定架C、管架类别K表示吊架正确答案:C2.下列不属于化工设备上一些常用的零部件的是()A、封头B、液面计C、泵正确答案:C3.关于管道连接为式说法正确的是()A、螺纹连接不需要拆卸维护B、法兰连接是不可拆连接C、焊接密封性格好正确答案:C4.在管道布置图上标注标高流法错误的是()A、管道之间间隔较小时。
允许引出标准。
B、当标高以管底为基准时,加注管底代号“DPELSI、SIT”C、当标高以量道中心线为基准时,只需要标注“配置、证件”正确答案:B5.当设备的直径超过()mm时,应开设人孔。
A、900B、600C、800正确答案:A6.管理布置图说法正确的是()A、标题栏上行写平面下行写布置图B、需要标注与设备有关的建筑物的尺寸C、安装方位标一般南向标志正确答案:B7.化工设备安装在基础或其他构件上所需要的尺寸称为()。
A、装配尺寸B、安装尺寸C、其他尺寸正确答案:B8.工艺管道及仪表流程图说法错误的是()A、不按比例绘制B、采用标准规格的AO图幅C、采用标准规格的A1图幅正确答案:B9.基本视图有几种()A、5B、4C、3D、6正确答案:D10.不属于阅读零件图的方法或步骤的是()A、管道布置分析B、概括了解C、总结归纳正确答案:A11.合理布置管道时不需要考虑的是()A、管道的生产价格B、物料因素C、便于操作及安全生产正确答案:A12.关于设备分类代号表示正确的是()A、容器:当B、塔:SC、反应器中正确答案:C13.通常以管道与管件为主体,用来指导生产与施工的工程技术图样。
称为()A、设备图B、流程图C、管道图正确答案:C14.关于不属于化工工艺流程图组成的是()A、首页图B、管道布置图C、方框图正确答案:B15.下列属于A2图幅的尺寸是()A、1189*841B、210﹡297C、420﹡594正确答案:C16.管道布置图的绘制说法正确的是()A、不需要选比例B、需要确定管道布置图的表达方案C、绘制视图用粗线画出建筑物正确答案:B17.当空间平面平等投影面时,其投影与原平面形状大小()。
化工制图与识图模拟习题(含参考答案)一、单选题(共19题,每题1分,共19分)1.关于断面图分类中不属于的是()A、移出断面B、半剖视图C、重合断面正确答案:B2.当设备的直径超过()mm时,应开设人孔。
A、800B、900C、600正确答案:B3.关于不属于化工工艺流程图组成的是()A、首页图B、管道布置图C、方框图正确答案:B4.关于物料名称及代号错误的是()A、IS表示工艺固体B、再表示工艺流体C、LS表示高压强汽正确答案:C5.关于尺寸说法正确的是()A、极限尺寸是理想尺寸B、基本尺寸是理想尺寸C、实际尺寸是理想尺寸正确答案:B6.工艺管道及仪表流程图说法错误的是()A、不按比例绘制B、采用标准规格的AO图幅C、采用标准规格的A1图幅正确答案:B7.管理布置图说法正确的是()A、需要标注与设备有关的建筑物的尺寸B、标题栏上行写平面下行写布置图C、安装方位标一般南向标志正确答案:A8.关于管架错误的是()A、管架是起支撑管道作用B、管架类别A表示固定架C、管架类别K表示吊架正确答案:C9.关于公差说法正确的是()A、公差为负B、公差为正C、公差可能为正、负或零正确答案:C10.下列不属于基本视图的是()A、剖视图B、主视图C、俯视图正确答案:A11.图样上所注尺寸,为该图样所示机件的(),否则应别加说明。
A、最后完工尺寸B、留有加工余量尺寸C、测量尺寸正确答案:A12.合理布置管道时不需要考虑的是()A、管道的生产价格B、便于操作及安全生产C、物料因素正确答案:A13.Ra、Rz分别代表()A、轮廓算术平均偏差、轮廓最大高度B、轮廓最大高度、轮廓算术平均偏差C、轮廓最小高度、轮廓最大高度正确答案:A14.下列不属于普通布置图的内容是()A、足够的尺寸B、断面图C、一组视图正确答案:B15.当空间平面平等投影面时,其投影与原平面形状大小()。
A、相等B、不相等C、相比不确定正确答案:A16.管道通常不需要用《》管件连接起来。
化工制图与识图模拟习题(含参考答案)一、单选题(共19题,每题1分,共19分)1.工艺管道及仪表流程图说法错误的是()A、不按比例绘制B、采用标准规格的AO图幅C、采用标准规格的A1图幅正确答案:B2.下列不属于基本视图的是()A、俯视图B、剖视图C、主视图正确答案:B3.关于流程线说法正确的是()A、一般用斜线B、一般画成水平线和垂直线C、一般用折线正确答案:B4.标注圆的直径尺寸时,()一般应通过圆心,尺寸箭头指到圆弧上。
A、尺寸线B、尺寸界限C、尺寸数字正确答案:A5.关于不属于化工工艺流程图组成的是()A、管道布置图B、方框图C、首页图正确答案:A6.管道布置图的绘制说法正确的是()A、绘制视图用粗线画出建筑物B、不需要选比例C、需要确定管道布置图的表达方案正确答案:C7.化工设备安装在基础或其他构件上所需要的尺寸称为()。
A、装配尺寸B、安装尺寸C、其他尺寸正确答案:B8.关于管架错误的是()A、管架是起支撑管道作用B、管架类别A表示固定架C、管架类别K表示吊架9.下列不属于普通布置图的内容是()A、断面图B、足够的尺寸C、一组视图正确答案:A10.下列不属于化工设备结构特点的是()A、壳体以回转体为主B、尺寸大小相差悬殊C、大量采用螺纹连接正确答案:C11.基本视图有几种()A、6B、5C、4D、3正确答案:A12.不属于阅读零件图的方法或步骤的是()A、概括了解B、总结归纳C、管道布置分析正确答案:C13.下列不属于化工设备上一些常用的零部件的是()A、液面计B、泵C、封头正确答案:B14.关于断面图分类中不属于的是()A、重合断面B、移出断面C、半剖视图正确答案:C15.关于设备分类代号表示正确的是()A、反应器中B、容器:当C、塔:S正确答案:A16.当设备的直径超过()mm时,应开设人孔。
A、900B、800C、60017.贮罐是化工生产中常用的一种贮存设备,一般由()组成。
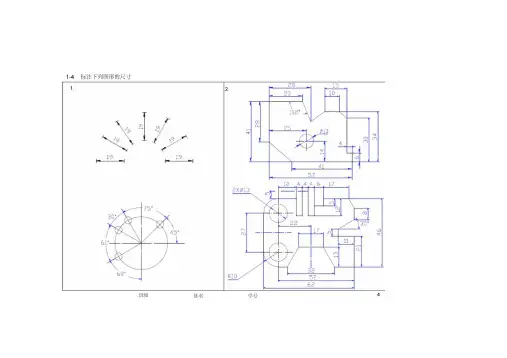
1-4 标注下列图形的尺寸1 .2.31172X(S13R10班级姓名学号41-5标注尺寸(尺寸从图中量取,取整数)1.022I 025LZ_m2X(E92 .213班级姓名学号5班级 姓名 学号 61-6线型练习一.作图目的1. 熟悉《机械制图》国家标准中的图纸幅面及格式、比例、 字体、图线及尺寸注法。
2. 掌握绘图仪器及工具的正确使用方法,培养绘图技能。
二.作图内容与要求1. A4图纸,比例1:1,按尺寸绘出图形,标注尺寸,图纸竖放。
1. 作图正确,线型粗细分明,虚线、点划线长短基本一致。
3. 字体端正,图面整洁,绘出标题栏、边框线。
三•作图步骤1•将图纸平放,用透明胶带固定在图板上。
为方便丁字尺应用, 图纸尽量固定在图板左下角。
2. 在图纸上画出标准图幅、图框线,标题栏。
3. 布置图纸。
根据图的大小,将图形合理布置在图纸上,先 画出主要点画线确定图的位置。
4. 用细线完成底稿。
5. 仔细检查并加粗加深。
6. 标注尺寸数字,填写标题栏。
注意字体及其高度要符合要求。
四•注意事项1. 做好画图前的准备工作。
2. 各种图线必须符合国标的规定,同类图线必须一致,粗实线的宽度宜采用0.7 mm 。
3. 点画线长画与短画要一次画出,注意点画线超出轮廓线的长度。
4. 各种图线的相交要符合图标的规定。
线型练习要求及指导 —1 1 1 1 1 1 O 1 O 1 1 1 1 1 1 1 30 W7 4X01C 0 930 广: t #401-7用1:1比例抄画图形班级姓名学号71-8完成下列图形的线段连接,比例1:1,标注出圆心和切点班级姓名学号81-9几何作图班级 姓名 学号 91.用四心圆法画出长轴为80,短轴为40的椭圆2.用1:1绘出设备图形班级 姓名 学号 101-10 平面图形的作图(一)一.作图目的1. 熟悉《机械制图》国家标准中的图纸幅面及格式、比例、 字体、图线及尺寸注法。
2. 掌握线段连接技巧。
化工制图与识图复习题(附参考答案)一、单选题(共19题,每题1分,共19分)1.下列不属于基本视图的是( )A、主视图B、剖视图C、俯视图正确答案:B2.基本视图有几种( )A、4B、3C、6D、5正确答案:C3.关于管架错误的是( )A、管架是起支撑管道作用B、管架类别A表示固定架C、管架类别K 表示吊架正确答案:C4.下列不属于化工设备结构特点的是( )A、尺寸大小相差悬殊B、壳体以回转体为主C、大量采用螺纹连接正确答案:C5.图样上所注尺寸,为该图样所示机件的( ),否则应别加说明。
A、最后完工尺寸B、测量尺寸C、留有加工余量尺寸正确答案:A6.关于不属于化工工艺流程图组成的是( )A、管道布置图B、方框图C、首页图正确答案:A7.当空间平面平等投影面时,其投影与原平面形状大小( )。
A、相比不确定B、不相等C、相等正确答案:C8.当设备的直径超过( ) mm时,应开设人孔。
A、800B、600C、900正确答案:C9.关于断面图分类中不属于的是( )A、半剖视图B、移出断面C、重合断面正确答案:A10.关于公差说法正确的是( )A、公差可能为正、负或零B、公差为正C、公差为负正确答案:A11.标注圆的直径尺寸时,( )一般应通过圆心,尺寸箭头指到圆弧上。
A、尺寸界限B、尺寸数字C、尺寸线正确答案:C12.下列说法正确的是( )A、向视图是可以自由配置的基本视图B、向视图只允许向特定方向的基本视图C、向视图是剖视图正确答案:A13.在管道布置图上标注标高流法错误的是( )A、当标高以管底为基准时,加注管底代号“DPELSI、SIT”B、当标高以量道中心线为基准时,只需要标注“配置、证件”C、管道之间间隔较小时。
允许引出标准。
正确答案:A14.不属于化工设备结构特点的是( )A、壳体以回转体为主B、广泛采用标准零部件C、尺寸相差不大正确答案:C15.管理布置图说法正确的是( )A、需要标注与设备有关的建筑物的尺寸B、安装方位标一般南向标志C、标题栏上行写平面下行写布置图正确答案:A16.Ra、Rz分别代表( )A、轮廓算术平均偏差、轮廓最大高度B、轮廓最大高度、轮廓算术平均偏差C、轮廓最小高度、轮廓最大高度正确答案:A17.通常以管道与管件为主体,用来指导生产与施工的工程技术图样。
化工制图与识图习题库及答案一、单选题(共19题,每题1分,共19分)1.化工设备安装在基础或其他构件上所需要的尺寸称为()。
A、装配尺寸B、安装尺寸C、其他尺寸正确答案:B2.当设备的直径超过()mm时,应开设人孔。
A、800B、600C、900正确答案:C3.关于公差说法正确的是()A、公差为负B、公差可能为正、负或零C、公差为正正确答案:B4.关于设备分类代号表示正确的是()A、容器:当B、反应器中C、塔:S正确答案:B5.下列说法正确的是()A、向视图只允许向特定方向的基本视图B、向视图是可以自由配置的基本视图C、向视图是剖视图正确答案:B6.管道通常不需要用《》管件连接起来。
A、弯头B、法兰C、塔正确答案:C7.图样上所注尺寸,为该图样所示机件的(),否则应别加说明。
A、最后完工尺寸B、留有加工余量尺寸C、测量尺寸正确答案:A8.压力较高的设备,一般选用直径为()mm的人孔。
A、500B、400C、600正确答案:B9.关于管道组合号PG0302-228流改正确的是()A、03表示工段号B、228表示工段号C、PG表示管道序号正确答案:A10.通常以管道与管件为主体,用来指导生产与施工的工程技术图样。
称为()A、流程图B、管道图C、设备图正确答案:B11.合理布置管道时不需要考虑的是()A、物料因素B、管道的生产价格C、便于操作及安全生产正确答案:B12.关于管道布置图说法正确的是()A、管道布置时要考虑便于操作及安全生产B、管道布置图又称为设备图C、管道布置无需考虑物科因素正确答案:A13.当空间平面平等投影面时,其投影与原平面形状大小()。
A、相比不确定B、相等C、不相等正确答案:B14.关于管架错误的是()A、管架是起支撑管道作用B、管架类别A表示固定架C、管架类别K表示吊架正确答案:C15.国家标准规定,机械图样中的尺寸以()为单位。
A、米B、厘米C、毫米正确答案:C16.不属于阅读零件图的方法或步骤的是()A、概括了解B、管道布置分析C、总结归纳正确答案:B17.关于物料名称及代号错误的是()A、LS表示高压强汽B、IS表示工艺固体C、再表示工艺流体正确答案:A18.关于不属于化工工艺流程图组成的是()A、管道布置图B、方框图C、首页图正确答案:A19.下列不属于化工设备上一些常用的零部件的是()A、泵B、液面计C、封头正确答案:A二、判断题(共81题,每题1分,共81分)1.穿越多层建筑物的设备,在每层平面上均需画出设备的平面位置并标注出其位号。
化工制图与识图测试题含答案一、单选题(共19题,每题1分,共19分)1.不属于化工设备结构特点的是()A、广泛采用标准零部件B、尺寸相差不大C、壳体以回转体为主正确答案:B2.下列说法正确的是()A、向视图是可以自由配置的基本视图B、向视图是剖视图C、向视图只允许向特定方向的基本视图正确答案:A3.关于设备分类代号表示正确的是()A、塔:SB、容器:当C、反应器中正确答案:C4.管道布置图的绘制说法正确的是()A、需要确定管道布置图的表达方案B、不需要选比例C、绘制视图用粗线画出建筑物正确答案:A5.管道范程线的画法错误的是()A、用粗线画出各设备之间的主要物流通过线B、用中粗线画出其他辅助物料的疏沟线C、用细点画线画出主要和改要物画流形线正确答案:C6.图样上所注尺寸,为该图样所示机件的(),否则应别加说明。
A、最后完工尺寸B、测量尺寸C、留有加工余量尺寸正确答案:A7.Ra、Rz分别代表()A、轮廓算术平均偏差、轮廓最大高度B、轮廓最大高度、轮廓算术平均偏差C、轮廓最小高度、轮廓最大高度正确答案:A8.关于流程线说法正确的是()A、一般用折线B、一般画成水平线和垂直线C、一般用斜线正确答案:B9.关于断面图分类中不属于的是()A、移出断面B、重合断面C、半剖视图正确答案:C10.国家标准规定,机械图样中的尺寸以()为单位。
A、毫米B、厘米C、米正确答案:A11.不属于阅读零件图的方法或步骤的是()A、概括了解B、总结归纳C、管道布置分析正确答案:C12.下列不属于基本视图的是()A、主视图B、俯视图C、剖视图正确答案:C13.管理布置图说法正确的是()A、安装方位标一般南向标志B、标题栏上行写平面下行写布置图C、需要标注与设备有关的建筑物的尺寸正确答案:C14.通常以管道与管件为主体,用来指导生产与施工的工程技术图样。
称为()A、设备图B、管道图C、流程图正确答案:B15.管道通常不需要用《》管件连接起来。
化工制图考试题及答案### 化工制图考试题及答案#### 一、选择题1. 化工制图中,通常用来表示管道直径的是()A. DNB. PNC. PNRD. PNRD答案:A2. 在化工制图中,表示压力的常用单位是()A. 帕斯卡(Pa)B. 巴(bar)C. 兆帕(MPa)D. 磅力/平方英寸(psi)答案:C3. 化工设备图中,下列哪一项不是必须标注的内容?()A. 设备编号B. 设备名称C. 设备材质D. 设备颜色答案:D#### 二、简答题1. 简述化工制图中管道布置图的作用及其重要性。
答案:化工制图中的管道布置图用于展示化工生产过程中管道的走向、连接方式、尺寸和材料等信息。
它对于确保化工设备的安全运行、便于维护和检修以及优化生产流程具有重要作用。
2. 描述化工制图中标注尺寸的一般规则。
答案:在化工制图中,尺寸标注应遵循以下规则:尺寸线应清晰,尺寸数字应位于尺寸线上方或旁边;尺寸应尽量标注在视图的外部,避免与图形重叠;尺寸应包括必要的单位,且单位应符合化工制图标准。
#### 三、绘图题1. 根据下列描述绘制一个简单的化工流程图:- 原料A通过泵P1进入反应器R1。
- 反应器R1的产品通过管道P2进入分离器S1。
- 分离器S1的液体产品通过管道P3返回到原料A的储罐。
答案:(此处应为绘图内容,但文字描述无法呈现图形,考生应根据描述绘制相应的化工流程图。
)#### 四、计算题1. 已知一个化工设备的压力为10兆帕,温度为300摄氏度,求该设备在标准大气压下的工作压力。
答案:标准大气压为1兆帕。
因此,化工设备在标准大气压下的工作压力为10兆帕 - 1兆帕 = 9兆帕。
#### 五、案例分析题1. 分析下列化工设备图中的错误,并给出改正建议:- 设备图中缺少设备编号。
- 管道连接处未标注法兰。
- 阀门的类型未标明。
答案:- 应为每个设备添加唯一编号,以便于识别和管理。
- 在管道连接处添加法兰的标注,以明确管道的连接方式。
化工制图考试题及答案一、单项选择题(每题2分,共20分)1. 在化工制图中,用来表示管道内流体流动方向的线是:A. 粗实线B. 细实线C. 虚线D. 点划线答案:B2. 化工制图中,用于表示设备内部结构的视图是:A. 俯视图B. 侧视图C. 剖视图D. 轴测图答案:C3. 化工制图中,表示管道连接的符号是:A. 圆圈B. 矩形C. 三角形D. 菱形答案:A4. 在化工制图中,用于表示阀门的符号是:A. 圆形B. 矩形C. 椭圆形D. 菱形答案:D5. 化工制图中,用于表示泵的符号是:A. 圆形B. 矩形C. 椭圆形D. 菱形答案:C6. 化工制图中,用于表示换热器的符号是:A. 圆形B. 矩形C. 椭圆形D. 菱形答案:B7. 在化工制图中,表示管道直径的标注方法是:A. DNB. ΦC. DD. d答案:A8. 化工制图中,表示管道壁厚的标注方法是:A. DNB. ΦC. SD. d答案:C9. 在化工制图中,表示法兰连接的符号是:A. 圆圈B. 矩形C. 三角形D. 菱形答案:B10. 化工制图中,用于表示过滤器的符号是:A. 圆形B. 矩形C. 椭圆形D. 菱形答案:A二、多项选择题(每题3分,共15分)11. 化工制图中,以下哪些元素是管道布置图中必须包含的:A. 管道编号B. 管道直径C. 管道材料D. 管道颜色答案:A, B, C12. 在化工制图中,以下哪些视图是常见的:A. 主视图B. 左视图C. 俯视图D. 右视图答案:A, B, C13. 化工制图中,以下哪些符号用于表示不同类型的阀门:A. 闸阀B. 球阀C. 蝶阀D. 止回阀答案:A, B, C, D14. 在化工制图中,以下哪些标注是用于表示管道特性的:A. 压力B. 温度C. 流量D. 材料答案:A, B, C, D15. 化工制图中,以下哪些是设备图的组成部分:A. 设备编号B. 设备名称C. 设备尺寸D. 设备材质答案:A, B, C, D三、判断题(每题2分,共20分)16. 在化工制图中,所有的尺寸线都应该从图形的外部引出。
化工制图与识图练习题(附参考答案)一、单选题(共19题,每题1分,共19分)1.不属于阅读零件图的方法或步骤的是()A、总结归纳B、概括了解C、管道布置分析正确答案:C2.管道范程线的画法错误的是()A、用粗线画出各设备之间的主要物流通过线B、用中粗线画出其他辅助物料的疏沟线C、用细点画线画出主要和改要物画流形线正确答案:C3.下列不属于基本视图的是()A、俯视图B、剖视图C、主视图正确答案:B4.管道布置图的绘制说法正确的是()A、需要确定管道布置图的表达方案B、绘制视图用粗线画出建筑物C、不需要选比例正确答案:A5.基本视图有几种()A、6B、3C、5D、4正确答案:A6.关于设备分类代号表示正确的是()A、反应器中B、容器:当C、塔:S正确答案:A7.下列不属于剖视图的种类是()A、全部视图B、断面图C、局部剖视正确答案:B8.标注圆的直径尺寸时,()一般应通过圆心,尺寸箭头指到圆弧上。
A、尺寸数字B、尺寸界限C、尺寸线正确答案:C9.关于物料名称及代号错误的是()A、LS表示高压强汽B、再表示工艺流体C、IS表示工艺固体正确答案:A10.关于不属于化工工艺流程图组成的是()A、方框图B、首页图C、管道布置图正确答案:C11.关于管道连接为式说法正确的是()A、螺纹连接不需要拆卸维护B、焊接密封性格好C、法兰连接是不可拆连接正确答案:B12.关于尺寸说法正确的是()A、基本尺寸是理想尺寸B、极限尺寸是理想尺寸C、实际尺寸是理想尺寸正确答案:A13.关于断面图分类中不属于的是()A、半剖视图B、移出断面C、重合断面正确答案:A14.关于流程线说法正确的是()A、一般画成水平线和垂直线B、一般用斜线C、一般用折线正确答案:A15.贮罐是化工生产中常用的一种贮存设备,一般由()组成。
A、筒体、封头、支座、阀门B、筒体、封头、管件、阀门C、简体、封头、支座、人孔、接管正确答案:C16.工艺管道及仪表流程图说法错误的是()A、不按比例绘制B、采用标准规格的AO图幅C、采用标准规格的A1图幅正确答案:B17.关于公差说法正确的是()A、公差可能为正、负或零B、公差为正C、公差为负正确答案:A18.下列不属于化工设备上一些常用的零部件的是()A、泵B、液面计C、封头正确答案:A19.Ra、Rz分别代表()A、轮廓算术平均偏差、轮廓最大高度B、轮廓最大高度、轮廓算术平均偏差C、轮廓最小高度、轮廓最大高度正确答案:A二、判断题(共81题,每题1分,共81分)1.化工设备的尺寸大小一般相差不大。