贴片晶体管资料〔2〕
- 格式:pdf
- 大小:44.13 KB
- 文档页数:4
贴片三极管参数贴片三极管型号查询直插封装的型号贴片的型号9011 1T 9012 2T 9013 J3 9014 J6 9015 M6 9016 Y6 9018 J8S8050 J3YS8550 2TY 8050 Y1 8550 Y2 2SA1015 BA2SC1815 HF2SC945 CR MMBT3904 1AM MMBT3906 2A MMBT2222 1P MMBT5401 2L MMBT5551 G1 MMBTA42 1D MMBTA92 2D BC807-16 5ABC807-25 5BBC807-40 5CBC817-16 6ABC817-25 6BBC817-40 6CBC846A 1A BC846B 1B BC847A 1E BC847B 1F BC847C 1G BC848A 1JBC848B 1K BC848C 1L BC856A 3A BC856B 3B BC857A 3E BC857B 3F BC858A 3JBC858B 3K BC858C 3L2SA733 CSUN2111 V1UN2112 V2UN2113 V3UN2211 V4UN2212 V5UN2213 V62SC3356 R232SC3838 AD2N7002 702我也补充点:用贴片三极管代码查找贴片三极管资料及其封装(24)Z3 SOT23 BZX84-C5V6 C 0.3W zener 5.6VZ4 SOD323 PDZ3.6B I 3.6V 0.4W zenerZ4 SOT23 BZX84-C6V2 zener.Z4 SOT23 BZX84-C6V2 C 0.3W zener 6.2VZ5 SOD323 PDZ3.9B I 3.9V 0.4W zenerZ5 SOT23 BZX84-C6V8 zener.Z5 SOT23 BZX84-C6V8 C 0.3W zener 6.8VZ6 SOD323 PDZ4.3B I 4.3V 0.4W zenerZ6 SOT23 BZX84-C7V5 zener.Z6 SOT23 BZX84-C7V5 C 0.3W zener 7.5VZ7 SOD323 PDZ4.7B I 4.7V 0.4W zenerZ7 SOT23 BZX84-C8V2 zener.Z7 SOT23 BZX84-C8V2 C 0.3W zener 8.2VZ8 SOD323 PDZ5.1B I 5.1V 0.4W zenerZ8 SOT23 BZX84-C9V1 zener.Z8 SOT23 BZX84-C9V1 C 0.3W zener 9.1VZ8 SOT23 SST308 JFETZ9 SOD323 PDZ5.6B I 5.6V 0.4W zenerZ9 SOT23 BZX84-C10 zener.Z9 SOT23 BZX84-C10 C 0.3W zener 10VZ9 SOT23 SST309 JFETZA SOD110 BZX284-C7V5 I 0.4W zener 7.5V 5% ZA SOD323 PDZ6.2B I 6.2V 0.4W zenerZB SOD110 BZX284-C8V2 I 0.4W zener 8.2V 5% ZB SOD323 PDZ6.8B I 6.8V 0.4W zenerZB SOT23 FMMT4123 NPNZB SOT23 FMMT4123 N 2N4123ZC SOD110 BZX284-C9V1 I 0.4W zener 9.1V 5% ZC SOD323 PDZ7.5B I 7.5V 0.4W zenerZC SOT23 FMMT4124 NPNZC SOT23 FMMT4124 N 2N4124ZC SOT23 MMBT4124 NPNZC SOT23 SMBT4124 NPNZC SOT23 YTS4124 NPNZD SOD110 BZX284-C10 I 0.4W zener 10V -5% ZD SOD323 PDZ8.2B I 8.2V 0.4W zenerZD SOT23 FMMT4125 PNPZD SOT23 FMMT4125 N 2N4125ZD SOT23 MMBT4125 PNPZD SOT23 MMBT4125 N 2N4125ZD SOT23 YTS4125 PNPZE SOD110 BZX284-C11 I 0.4W zener 11V -5% ZE SOD323 PDZ9.1B I 9.1V 0.4W zenerZE SOT23 FMMT4126 PNPZE SOT23 FMMT4126 N 2N4126ZE SOT23 MMBT4123 N 2N4123ZF SOD110 BZX284-C12 I 0.4W zener 12V -5% ZF SOD323 PDZ10B I 10V 0.4W zenerZG SOD110 BZX284-C13 I 0.4W zener 13V -5% ZG SOD323 PDZ11B I 11V 0.4W zenerZH SOD110 BZX284-C15 I 0.4W zener 15V -5% ZH SOD323 PDZ12B I 12V 0.4W zenerZHK 2W SMD SM2Z5V1 I 5.1V 2W zenerZHL 2W SMD SM2Z5V6 I 5.6V 2W zenerZHW 2W SMD SM2Z12 I 12V 2W zenerZI SOD110 BZX284-C16 I 0.4W zener 16V -5% ZJ SOD110 BZX284-C18 I 0.4W zener 18V -5% ZJ SOD323 PDZ13B I 13V0.4W zenerZJF 2W SMD SM2Z18 I 18V 2W zenerZJQ 2W SMD SM2Z30 I 30V 2W zenerZK SOD110 BZX284-C20 I 0.4W zener 20V -5% ZK SOD323 PDZ15B I 15V 0.4W zenerZKR 2W SMD SM2Z150 I 150V 2W zenerZL SOD110 BZX284-C22 I 0.4W zener 22V -5% ZL SOD323 PDZ16B I 16V 0.4W zenerZM SOD110 BZX284-C24 I 0.4W zener 24V -5% ZM SOD323 PDZ18B I 18V 0.4W zenerZN SOD110 BZX284-C27 I 0.4W zener 27V -5% ZN SOD323 PDZ20B I 20V 0.4W zenerZO SOD110 BZX284-C30 I 0.4W zener 30V -5% ZP SOD100 BZX284-C33 I 0.4W zener 33V -5% ZP SOD323 PDZ22B I 22V 0.4W zenerZQ SC59 2PB601AQ NPNZQ SOD110 BZX284-C36 I 0.4W zener 36V -5% ZQ SOD323 PDZ24B I 24V 0.4W zenerZ-Q SOT323 2PC4081Q N gp npn hfe 120-270 ZR SC59 2PB601AR NPNZR SOD110 BZX284-C39 I 0.4W zener 39V -5% ZR SOD323 PDZ27B I 27V 0.4W zenerZR SOT323 MSD1819A N npn gp 50VZ-R SOT323 2PC4081R N gp npn hfe 180-390 ZS SC59 2PB601AS NPNZS SOD110 BZX284-C43 I 0.4W zener 43V -5% ZS SOD323 PDZ30B I 30V 0.4W zenerZ-S SOT323 2PC4081S N gp npn hfe 270-560 ZS1 SOT23 ZHCS1000 C schottky 1A 30VZS7 SOT23 ZHCS750 C schottky 0.75A 30VZT SOD110 BZX284-C47 I 0.4W zener 47V -5% ZT SOD323 PDZ33B I 33V 0.4W zenerZTA96 SOT223 PZTA96T1 PNPZtQ SOT323 2PC4081Q N gp npn hfe 120-270 ZtR SOT323 2PC4081R N gp npn hfe 180-390 ZtS SOT323 2PC4081S N gp npn hfe 270-560 ZU SOD110 BZX284-C51 I 0.4W zener 51V -5% ZU SOD323 PDZ36B I 36V 0.4W zenerZV SOD110 BZX284-C56 I 0.4W zener 56V -5% ZW SOD110 BZX284-C62 I 0.4W zener 62V -5% ZX SOD110 BZX284-C68 I 0.4W zener 68V -5% ZY SOD110 BZX284-C75 I 0.4W zener 75V -5%。
贴片三极管的参数贴片三极管的参数印字器件厂商类型封装器件用途及参数-28 PDTA114WU Phi N SOT323 pnp dtr-24 PDTC114TU Phi N SOT323 npn dtr R1 10k-23 PDTA114TU Phi N SOT323 pnp dtr R1 10k-20 PDTC114WU Phi N SOT323 npn dtr-6 PMSS3906 Phi N SOT323 2N3906-4 PMSS3904 Phi N SOT323 2N39040 2SC3603 Nec CX SOT173 Npn RF fT 7GHz1 Gali-1 MC AZ SOT89 DC-8GHz MMIC amp 12dB gain1 2SC3587 Nec CX - npn RF fT10GHz1 BA277 Phi I SOD523 VHF Tuner band switch diode2 BST82 Phi M - n-ch mosfet 80V 175mA2 MRF5711L Mot X SOT143 npn RF MRF5712 DTCC114T Roh N - 50V 100mA npn sw + 10k base res 2 Gali-2 MC AZ SOT89 DC-8GHz MMIC amp 16dB gain2 BAT62-02W Sie I SCD80 BAT16 schottky diode2 2SC3604 Nec CX - npn RF fT8GHz 12dB@2GHz3 Gali-3 MC AZ SOT89 DC-3GHz MMIC amp 22dB gain3 DTC143TE Roh N EMT3 npn dtr R1 4k7 50V 100mA3 DTC143TUA Roh N SC70 npn dtr R1 4k7 50V 100mA3 DTC143TKA Roh N SC59 npn dtr R1 4k7 50V 100mA3 BAT60A Sie I SOD323 10V 3A sw schottky3 BAT62-02W Sie I SCD80 -4 DTC114TCA Roh N SOT23 npn dtr R1 10k 50V 100mA 4 DTC114TE Roh N EMT3 npn dtr R1 10k 50V 100mA4 DTC114TUA Roh N SC70 npn dtr R1 10k 50V 100mA 4DTC114TKA Roh N SC59 npn dtr R1 10k 50V 100mA 4 MRF5211L Mot X SOT143 pnp RF MRF5214 Gali-4 MC AZ SOT89 DC-4GHz MMIC amp 17.5 dBm4 BB664 Sie I SCD80 Varicap 42-2.5pF5 SSTPAD5 Sil J - PAD-5 5pA leakage diode5 Gali-4 MC AZ SOT89 DC-4GHz MMIC amp 18 dBm o/p5 DTC124TE Roh N EMT3 npn dtr R1 22k 50V 100mA5 DTC124TUA Roh N SC70 npn dtr R1 22k 50V 100mA5 DTC124TKA Roh N SC59 npn dtr R1 22k 50V 100mA6 Gali-6 MC AZ SOT89 DC-4GHz MMIC amp 115 dBm o/p6 DTC144TE Roh N EMT3 npn dtr R1 47k 50V 100mA6 DTC144TUA Roh N SC70 npn dtr R1 47k 50V 100mA 6 DTC144TKA Roh N SC59 npn dtr R1 47k 50V 100mA9 DTC115TUA Roh N SC70 npn dtr R2 100k 50V 100mA 9 DTC115TKA Roh N SC59 npn dtr R2 100k 50V 100mA9 BC849 Mot N SOT23 BC 549B10 SSTPAD10 Sil J - PAD-10 10pA leakage diode10 MRF9411L Mot X SOT143 npn Rf 8GHz MRF94111 SO2369R SGS R SOT23R 2N236911 MRF9511L Mot X SOT143 npn RF 8GHz MRF95111 MUN5311DW1 Mot DP SOT363 npn/pnp dtr 10k+10k11 PDTA114EU Phi N SOT416 pnp dtr12 MUN5312DW1 Mot DP SOT363 npn/pnp dtr 22k+22k12 DTA123EUA Rho N SC70 pnp dtr 2k2+2k2 50V 100ma12 DTA123EKA Rho N SC59 pnp dtr 2k2+2k2 res 50V 100ma13 DTA143EUA Rho N SC70 pnp dtr 4k7+4k7 50V 100ma 13 DTA143EKA Rho N SC59 pnp dtr 4k7+4k7 50V 100ma13 DTA143ECA Rho N SOT23 pnp dtr 4k7+4k7 50V 100ma 13 MA4CS103A M/A C SOT23 Schottky RF 20V 100mA13 MUN5313DW1 Mot DP SOT363 npn/pnp dtr 47k+47k14 BAT114-099R Sie DQ - Quad Schottky crossover ring14 DTA114EUA Roh N SC70 pnp dtr 10k + 10k14 DTA114EKA Roh N SC59 pnp dtr 10k + 10k14 MUN5314DW1 Mot DP SOT363 npn/pnp dtr 10k R114 DTA114ECA Roh N SOT23 pnp dtr 10k + 10k15 DTA124EUA Roh N SC70 pnp dtr 30V 50mA 22k+22k15 DTA124EKA Roh N SC59 pnp dtr 30V 50mA 22k+22k15 DTA124ECA Roh N SOT23 pnp dtr 30V 50mA 22k+22k 15 MUN5315DW1 Mot DP SOT363 npn/pnp dtr 10k R115 MMBT3960 Mot N - 2N396016 MUN5316DW1 Mot DP SOT363 npn/pnp dtr 4k7 R116 DTA144EUA Roh N SC70 pnp dtr 30V 50mA 47k+47k16 DTA144EKA Roh N SC59 pnp dtr 30V 50mA 47k+47k18 BFP181T Tfk X - npn Rf fT 7.8GHz 10V 20mA18 PDTC143ZK Phi N SOT346 npn dtr 4k7+47k19 PDTA143ZK Phi N SOT346 pnp dtr 4k7+47k19 DTA115EUA Rho N SC70 pnp dtr 100k+100k 50V 100ma19 DTA115EKA Rho N SC59 pnp dtr 100k+100k 50V 100ma20 SSTPAD20 Sil J - PAD-20 20pA leakage diode20 MRF5811 Mot X SOT143 npn Rf fT 5GHz 0.2A21 Gali-21 MC AZ SOT89 DC-8GHz MMIC amp 14 dB gain22 MMBT4209 Nat N SOT23 pnp sw 850MHz 2N420922 DTC123EUA Rho N SC70 npn dtr 2k2+2k2 50V 100ma22 DTC123EKA Rho N SC59 npn dtr 2k2+2k2 50V 100ma23 MMBT3646 Nat N SOT23 npn sw 350MHz 2N364623 DTC143EUA Roh N SC70 pnp dtr 50V 100mA 4k7+ 4k7 23 DTC143EKA Roh N SC59 pnp dtr 50V 100mA 4k7+ 4k724 MMBD2101 Nat C SOT23 Si diode 100V 200mA24 DTC114ECA Roh N SOT23 npn dtr 50V 100mA 10k + 10k24 DTC114EUA Roh N SC70 npn dtr 50V 100mA 10k + 10k24 DTC114EKA Roh N SC59 npn dtr 50V 100mA 10k + 10k24 2SC5006 Nec N - npn RF fT 4.5GHz @3V 7mA25 MMBD2102 Nat K SOT23 Si diode 100V 200mA25 DTC124ECA Roh N SOT23 npn dtr 50V 100mA 22k + 22k25 DTC124EKA Roh N SC59 npn dtr 50V 100mA 22k + 22k25 DTC124EUA Roh N SC70 npn dtr 50V 100mA 22k + 22k26 MMBD2103 Nat D SOT23 dual MMBD120126 DTC144EKA Roh N SC59 npn dtr 50V 30mA 47k + 47k26 DTC144EUA Roh N SC70 npn dtr 50V 30mA 47k + 47k27 MMBD2104 Nat B SOT23 dual cc MMBD120128 BFP280T Tfk W - npn RF fT 7GHz 8V 10mA28 MMBD2105 Nat A SOT23 dual ca MMBD120129 MMBD1401 Nat C SOT23 Si diode 200V 100mA29 DTC115EE Roh N EMT3 npn dtr 100k +100k 50V 20mA29 DTC115EUA Roh N SC70 npn dtr 100k +100k 50V 20mA29 DTC115EKA Roh N SC59 npn dtr 100k +100k 50V 20mA30 MUN5330DW1 Mot DP SOT363 npn/pnp dtr 1k0+1k031 MUN5331DW1 Mot DP SOT363 npn/pnp dtr 2k2+2k231 MMBD1402 Nat K SOT23 Si diode 200V 100mA32 MUN5332DW1 Mot DP SOT363 npn/pnp dtr 4k7+4k732 MMBD1403 Nat D SOT23 dual Si diode 200V 100mA32 BAT32 Sie CS - 18GHz zero-bias schottky33 MUN5333DW1 Mot DP SOT363 npn/pnp dtr 4k7+47k33 DTA143XE Roh N EMT3 pnp dtr 4k7+10k 50V 100mA33 DTA143XUA Roh N SC70 pnp sw 4k7+10k bias res 50V 100mA 33 DTA143XKA Roh N SC59 pnp sw 4k7+10k bias res 50V 100mA 33 MMBD1404 Nat B SOT23 dual cc Si diode 200V 100mA33 Gali-33 MC AZ SOT89 DC-4GHz MMIC amp 19dB gain34 MUN5334DW1 Mot DP SOT363 npn/pnp dtr 22k+47k34 MMBD1405 Nat A SOT23 dual ca Si diode 200V 100mA34 2SC5007 Nec N - npn RF fT 7GHz @3V 7mA35 MUN5335DW1 Mot DP SOT363 npn/pnp dtr 2k2+47k35 DTA124XE Roh N EMT3 pnp dtr 22k+47k 50V 50mA35 DTA124XUA Roh N SC70 pnp dtr 22k+47k 50V 50mA35 DTA124XKA Roh N SC59 pnp dtr 22k+47k 50V 50mA41 BAT14-115S Sie CS SOT173 40GHz schottky diode41 BAT14-115R Sie CZ SOT173 40GHz schottky ring quad42 BAT14-025S Sie CS SOT173 4GHz schottky diode42 BAT14-025R Sie CZ SOT173 4GHz schottky ring quad43 BAS40 Sie C SOT23 schottky diode 40V 100mA43 DTA143EE Mot N SOT416 pnp dtr 4k7 + 4k743 DTC143XUA Roh N SC70 npn dtr 4k7+10k 50V 100mA43 DTC143XKA Roh N SC59 npn dtr 4k7+10k 50V 100mA44 BAS40-04 Sie D SOT23 dual series BAS4044 BAS40-04W Sie D SOT323 dual series BAS4044 2SC5009 Nec N - npn RF fT 12GHz @3V 5mA45 BAS40-05 Sie A SOT23 dual ca BAS4045 BAS40-05W Sie A SOT323 dual ca BAS4045 BAT14-055S Sie CS SOT173 8GHz schottky diode45 BAT14-055R Sie CZ SOT173 8GHz schottky ring quad 45 DTC124XE Roh N EMT3 npn dtr 22k+47k 50V 50mA 45 DTC124XUA Roh N SC70 npn dtr 22k+47k 50V 50mA45 DTC124XKA Roh N SC59 npn dtr 22k+47k 50V 50mA46 BAS40-06 Sie B SOT23 dual cc BAS4046 BAS40-06W Sie B SOT323 dual cc BAS4046 MBT3946DW Mot DP - 2N3904/2N3906 pair47 BAS40-07 Sie S SOT143 dual BAS4047 BAS40-07W Sie S SOT343 dual BAS4049 BAT14-095S Sie CS SOT173 18GHz shottky diode49 BAT14-095R Sie CZ SOT173 18GHz schottky ring quad50 SSTPAD50 Sil J - PAD-50 50pA leakage diode51 BAT15-115S Sie CS SOT173 40GHz schottky diode51 BAT15-115R Sie CZ SOT173 40GHz schottky ring quad52 BAT15-025S Sie CS SOT173 4GHz schottky diode52 BAT15-025R Sie CZ SOT173 4GHz schottky ring quad 52 Gali-52 MC AZ SOT89 DC-2GHz MMIC amp 23 dB gain 52 BAS52-02V Inf I SC79 Schottky diode 45V 750mA52 DTA123YE Roh N EMT3 pnp dtr 2k2 +10k 50V 100mA 52 DTA123YUA Roh N SC70 pnp dtr 2k2 +10k 50V 100mA 52 DTA123YKA Roh N SC59 pnp dtr 2k2 +10k 50V 100mA 54 DTA114YE Roh N EMT3 pnp dtr 10k + 47k 50V 100mA 54 DTA114YUA Roh N SC70 pnp dtr 10k + 47k 50V 100mA54 DTA114YKA Roh N SC59 pnp dtr 10k + 47k 50V 100mA55 BAT15-055S Sie CS SOT173 8GHz schottky diode55 BAT15-055R Sie CZ SOT173 8GHz schottky ring quad 55 Gali-55 MC AZ SOT89 DC-4GHz MMIC amp 21 dB gain57 BFQ57 Sie CX SOT173 npn 6.5GHz 16V/35mA58 BFQ58 Sie CX SOT173 npn 6.5GHz 16V/30mA59 BAT15-095S Sie CS SOT173 18GHz schottky diode59 BAT15-095R Sie CZ SOT173 18GHz schottky ring quad 62 DTC123YE Roh N EMT3 npn dtr 2k2 +10k 50V 100mA 62 DTC123YUA Roh N SC70 npn dtr 2k2 +10k 50V 100mA 62 DTC123YKA Roh N SC59 npn dtr 2k2 +10k 50V 100mA 64 DTC114YE Roh N EMT3 npn dtr 10k + 47k 50V 100mA64 DTC114YKA Roh N SC59 npn dtr 10k + 47k 50V 100mA67 BFP67 Tfk X - npn Rf fT 7.5GHz 10V 50mA69 DTA114YE Mot N SOT416 pnp dtr 10k +47k69 DTC115EE Roh N EMT3 npn dtr 100k+100k 50V 20mA69 DTC115EUA Roh N SC70 npn dtr 100k+100k 50V 20mA69 DTC115EKA Roh N SC59 npn dtr 100k+100k 50V 20mA70 BFQ70 Sie CX SOT173 npn fT 5.2GHz 15V 35mA71 BFQ71 Sie CX SOT173 npn fT 5.2GHz 15V 30mA72 BFQ72 Sie CX SOT173 npn fT 5.1GHz 15V 50mA72 2N7002 Sil M SOT23 n-ch mosfet 60V 170mA73 MA4CS101A M/A C SOT23 schottky diode 70V 50mA73 BFQ73 Sie CX SOT173 npn fT 4.9GHz 15V 75mA73 2SC5004 Nec N - npn RF 5GHz @5V 5mA74 BFQ74 Sie CX SOT173 npn fT 6GHz 16V 35mA74 MA4CS101B M/A D SOT23 dual series MA4CS101A (73)74 DTA114WE Rho N EMT3 pnp dtr 10k + 4k7 50V 100mA74 DTA114WUA Rho N SC70 pnp dtr 10k + 4k7 50V 100mA74 DTA114WKA Rho N SC59 pnp dtr 10k + 4k7 50V 100mA74 2SC5005 Nec N - npn RF 5.5GHz @5V 5mA75 BFQ75 Sie CX SOT173 pnp fT 5GHz 12V 50mA76 BFQ76 Sie CX SOT173 pnp fT 5GHz 15V 30mA76 DTA144WE Rho N EMT3 pnp dtr 47k + 22k 50V 30mA76 DTA144WUA Rho N SC70 pnp dtr 47k + 22k 50V 30mA76 DTA144WKA Rho N SC59 pnp dtr 47k + 22k 50V 30mA77 MA4CS101E M/A S SOT143 dual MA4CS101A (73)77 BFQ77 Sie CX SOT173 npn fT 7GHz 15V 20mA78 MMBT4258 Nat N SOT23 pnp sw fT 700MHz81 SO2369AR SGS R SOT23R 2N2369A81 ZMV831BV2 Zet I SOD523 28V hyperabrupt varicap 15pF @2V82 2SC5009 Nec N - npn RF fT 12GHz @ 3V 5mA82 ZMV832BV2 Zet I SOD523 28V hyperabrupt varicap 22pF @2V83 MMBT4400 Nat N - npn 2N440083 2SC5010 Nec N - npn RF fT 12GHz 3V 10mA83 MA4CS102A M/A C SOT23 schottky diode 8V 30mA84 MA4CS102B M/A D SOT23 dual ser schottky diode 8V 30mA 84 DTC114WE Rho N EMT3 npn dtr 10k + 4k7 50V 100mA84 DTC114WUA Rho N SC70 npn dtr 10k + 4k7 50V 100mA84 DTC114WKA Rho N SC59 npn dtr 10k + 4k7 50V 100mA85 MMBD1701 Nat C - Fast Si diode 30V 50mA85 MA4CS102A M/A B SOT23 dual cc schottky diode 8V 30mA86 MMBD1702 Nat K - Fast Si diode 30V 50mA86 DTC144WE Rho N EMT3 npn dtr 47k + 22k 50V 30mA86 DTC144WUA Rho N SC70 npn dtr 47k + 22k 50V 30mA87 MMBD1703 Nat D - dual ser MMBD170187 MA4CS102A M/A S SOT143 dual schottky diode 8V 30mA88 MMBD1704 Nat B - dual cc MMBD170189 MMBD1705 Nat A - dual ca MMBD170191 ZV931V2 Zet I SOD523 4-13.5pF hyperabrupt varicap91 DTA113TKA Roh N SC59 pnp dtr R11k0 50V 100mA92 ZV932V2 Zet I SOD523 5.5-17pF hyperabrupt varicap93 ZV933V2 Zet I SOD523 12-42pF hyperabrupt varicap93 DTA143TE Roh N EMT3 pnp dtr R1 4k7 50V 100mA93 DTA143TUA Roh N SC70 pnp dtr R1 4k7 50V 100mA93 DTA143TKA Roh N SC59 pnp dtr R1 4k7 50V 100mA94 DTA114TE Roh N EMT3 pnp dtr R1 10k 50V 100mA94 DTA114TUA Roh N SC70 pnp dtr R1 10k 50V 100mA94 DTA114TKA Roh N SC59 pnp dtr R1 10k 50V 100mA95 DTA124TE Roh N EMT3 pnp dtr R1 22k 50V 100mA95 DTA124TCA Roh N SOT23 pnp dtr R1 22k 50V 100mA95 DTA124TKA Roh N SC59 pnp dtr R1 22k 50V 100mA96 DTA144TE Roh N EMT3 pnp dtr R1 47k 50V 100mA96 DTA144TUA Roh N SC70 pnp dtr R1 47k 50V 100mA96 DTA144TKA Roh N SC59 pnp dtr R1 47k 50V 100mA99 DTA115TE Roh N EMT3 pnp dtr R1 100k 50V 100mA99 DTA115TUA Roh N SC70 pnp dtr R1 100k 50V 100mA 99 DTA115TKA Roh N SC59 pnp dtr R1 100k 50V 100mA 100 SSTPAD100 Sil J SOT23 PAD-100 100pA leakage diode 101 PZM10NB1 Phi C SOT346 10V 0.3W zener102 PZM10NB2 Phi C SOT346 10V 0.3W zener103 PZM10NB3 Phi C SOT346 10V 0.3W zener111 PZM11NB1 Phi C SOT346 11V 0.3W zener111 DTA113ZUA Roh N SC70 pnp dtr 1k+10k 50V 100mA 112 PZM11NB2 Phi C SOT346 11V 0.3W zener113 PZM11NB3 Phi C SOT346 11V 0.3W zener113 DTA143ZUA Roh N SC70 pnp dtr 4k7+47k 50V 100mA 121 PZM12NB1 Phi C SOT346 12V 0.3W zener121 DTC113ZUA Roh N SC70 npn dtr 1k+10k 50V 100mA 122 PZM12NB2 Phi C SOT346 12V 0.3W zener123 PZM12NB3 Phi C SOT346 12V 0.3W zener123 DTC143ZUA Roh N SC70 npn dtr 4k7+47k 50V 100mA 131 PZM13NB1 Phi C SOT346 13V 0.3W zener132 PZM13NB2 Phi C SOT346 13V 0.3W zener132 DTA123JUA Roh N SC70 pnp dtr 2k2+47k 50V 100mA 133 PZM13NB3 Phi C SOT346 13V 0.3W zener142 DTA123JUA Roh N SC70 npn dtr 2k2+47k 50V 100mA 151 PZM15NB1 Phi C SOT346 15V 0.3W zener152 PZM15NB2 Phi C SOT346 15V 0.3W zener153 PZM15NB3 Phi C SOT346 15V 0.3W zener156 DTA144VUA Roh N SC70 pnp dtr 47k+10k 50V 100mA 161 PZM16NB1 Phi C SOT346 16V 0.3W zener162 PZM16NB2 Phi C SOT346 16V 0.3W zener163 PZM16NB3 Phi C SOT346 16V 0.3W zener166 DTC144VUA Roh N SC70 npn dtr 47k+10k 50V 100mA 179 FMMT5179 Zet N - 2N5179181 PZM18NB1 Phi C SOT346 18V 0.3W zener182 PZM18NB2 Phi C SOT346 18V 0.3W zener183 PZM18NB3 Phi C SOT346 18V 0.3W zener200 SSTPAD200 Sil J - PAD-200 200pA leakage diode201 PZM20NB1 Phi C SOT346 20V 300mW Zener202 PZM20NB2 Phi C SOT346 20V 300mW Zener203 PZM20NB3 Phi C SOT346 20V 300mW Zener221 PZM22NB1 Phi C SOT346 22V 300mW Zener222 PZM22NB2 Phi C SOT346 22V 300mW Zener223 PZM22NB3 Phi C SOT346 22V 300mW Zener241 PZM24NB Phi C SOT346 24V 300mW Zener242 PZM24NB Phi C SOT346 24V 300mW Zener243 PZM20NB Phi C SOT346 24V 300mW Zener271 PZM2.7NB1 Phi C SOT346 2.7V 300mW Zener272 PZM2.7NB2 Phi C SOT346 2.7V 300mW Zener301 FDV301N Fch M SOT23 n-ch 'digital' fet 25V 0.22A302 FDV302P Fch M SOT23 p-ch 'digital' fet 25V 0.13A303 FDV303N Fch M SOT23 n-ch 'digital' fet 25V 0.68A304 FDV304P Fch M SOT23 p-ch 'digital' fet 25V 0.46A331 NDS331N Fch M SOT23 n-ch mosfet 1.3A 20V331 PZM3.3NB1 Phi C SOT346 3.3V 300mW zener332 PZM3.3NB2 Phi C SOT346 3.3V 300mW zener332 NDS332N Fch M SOT23 "p-ch mosfet 0.4A, 1A pk, 20V" 335 NDS335N Fch M SOT23 "n-ch mosfet 70 mA, 1.7A pk, 20V" 336 NDS336N Fch M SOT23 "p-ch mosfet 0.27A, 1.2A pk, 20V" 337 NDS337N Fch M SOT23 "n-ch mosfet 50 mA, 2.5A pk 20V" 338 NDS338N Fch M SOT23 "p-ch mosfet 0.13A, 1.6Apk 20V" 340 FDV340P Fch M SOT23 p-ch mosfet 20V 70 mA351 NDS351N Fch M SOT23 n-ch mosfet 1.1A 30V352 NDS352N Fch M SOT23 p-ch mosfet 0.5A 20V355 NDS355N Fch M SOT23 "n-ch mosfet 0.1A, 1.6A pk 30V" 356 NDS356N Fch M SOT23 "p-ch mosfet 0.3A, 1.1A pk 20V" 357 NDS357N Fch M SOT23 n-ch mosfet 2.5Apk 30V358 NDS358N Fch M SOT23 "p-ch mosfet 0.2A, 1.6A pk 30V" 358 FDN358N Fch M SOT23 p-ch mosfet 0.2A 1.6A pk 30V 360 FDN360P Fch M SOT23 "p-ch mosfet 80mA, 2a PK, 30V"361 PZM3.6NB1 Phi C SOT346 3.6V 300mW Zener 362 PZM3.3NB2 Phi C SOT346 3.6V 300mW Zener 391 PZM3.9NB1 Phi C SOT346 3.9V 300mW Zener 392 PZM3.9NB2 Phi C SOT346 3.9V 300mW Zener 413 FMMT413 Zet N SOT23 npn avalanche 150v 0.1A 415 FMMT415 Zet N SOT23 npn avalanche 260v 0.1A 417 FMMT417 Zet N SOT23 npn avalanche 320v 0.1A 431 PZM4.3NB1 Phi C SOT346 4.3V 0.3W zener432 PZM4.3NB2 Phi C SOT346 4.3V 0.3W zener433 PZM4.3NB3 Phi C SOT346 4.3V 0.3W zener449 FMMT449 Zet N SOT23 npn 50V 1A low Vce sat 451 FMMT451 Zet N SOT23 npn 60V 1A455 FMMT455 Zet N SOT23 NPN 140V 1A458 FMMT458 Zet N SOT23 npn 400V 0.4A471 PZM4.7NB1 Phi C SOT346 4.7V 0.3W zener472 PZM4.7NB2 Phi C SOT346 4.7V 0.3W zener473 PZM4.7NB3 Phi C SOT346 4.7V 0.3W zener491 FMMT491 Zet N SOT23 ZTX 450/451493 FMMT493 Zet N SOT23 ZTX 453494 FMMT494 Zet N SOT23 npn 120V 1A495 FMMT495 Zet N SOT23 npn 170V 1A497 FMMT497 Zet N SOT23 npn 300V 0.5A500 SSTPAD500 Sil J PAD-500 500pA leakage diode 511PZM5.1NB1 Phi C SOT346 5.1V 0.3W zener512 PZM5.1NB2 Phi C SOT346 5.1V 0.3W zener513 PZM5.1NB3 Phi C SOT346 5.1V 0.3W zener558 FMMT558 Zet N SOT23 pnp 400V 0.15A561 PZM5.1NB1 Phi C SOT346 5.6V 0.3W zener562 PZM5.1NB2 Phi C SOT346 5.6V 0.3W zener563 PZM5.1NB3 Phi C SOT346 5.6V 0.3W zener589 FMMT589 Zet N SOT23 pnp 30V 1A593 FMMT593 Zet N SOT23 ZTX 553605 NDS0605 Fch M SOT23 P-ch mosfet 60V 180mA 605 NDS0605 Fch M - p-ch sw mosfet 60V610 NDS0610 Fch M - p-ch sw mosfet 60V614 FMMT614 Zet N SOT23 sw617 FMMT617 Zet N SOT23 npn sw 15V 3A618 FMMT618 Zet N SOT23 npn sw 20V 2.5A619 FMMT619 Zet N SOT23 npn sw 50V 2A621 PZM6.2NB1 Phi C SOT346 6.2V 0.3W zener622 PZM6.2NB2 Phi C SOT346 6.2V 0.3W zener623 PZM6.2NB3 Phi C SOT346 6.2V 0.3W zener624 FMMT624 Zet N SOT23 -625 FMMT625 Zet N SOT23 -634 FMMT634 Zet N SOT23 100V 0.9A darlington npn651 PZT651 Mot N SOT223 npn 60V 1A681 PZM6.8NB1 Phi C SOT346 6.8V 0.3W zener682 PZM6.8NB2 Phi C SOT346 6.8V 0.3W zener683 PZM6.8NB1 Phi C SOT346 6.8V 0.3W zener701 2N7001 Mot M SOT23 n-ch mosfet702 2N7002 Mot M SOT23 n-ch mosfet 60V 0.11A703 2N7003 Mot M SOT23 n-ch mosfet712 NDS7002A Nat M SOT23 n-ch mosfet 60V 0.28A717 FMMT717 Zet N SOT23 pnp sw 0.625W 2.5A 12V718 FMMT718 Zet N SOT23 pnp sw 0.625W 1.5A 20V720 FMMT720 Zet N SOT23 pnp sw 0.625W 1.5A722 FMMT722 Zet N SOT23 pnp sw723 FMMT723 Zet N SOT23 pnp sw730 FMMT730 Zet N SOT23 ZTX550/551751 PZM7.5NB1 Phi C SOT346 7.5V 0.3W zener752 PZM7.5NB2 Phi C SOT346 7.5V 0.3W zener753 PZM7.5NB3 Phi C SOT346 7.5V 0.3W zener821 PZM8.2NB1 Phi C SOT23 8.2V 0.3W zener822 PZM8.2NB2 Phi C SOT23 8.2V 0.3W zener822 S822T Tfk X - npn RF fT 5.2GHz 6V 8mA823 PZM8.2NB3 Phi C SOT23 8.2V 0.3W zener852 S852T Tfk N SOT23 npn RF fT 5.2GHz 6V 8mA887 S887T Tfk W SOT143 n-ch dg uhf mosfet888 S888T Tfk W SOT142 n-ch dg uhf mosfet911 PZM9.1NB1 Phi C SOT346 9.1V 0.3W zener912 PZM9.1NB2 Phi C SOT346 9.1V 0.3W zener913 PZM9.1NB3 Phi C SOT346 9.1V 0.3W zener05F TSDF1205R Tfk WQ - fT12GHz npn 4V 5mA0A MUN5111DW1 Mot DO SOT363 dual pnp dtr 10k+10k 0A DTC125TUA Roh N SC70 npn dtr R2 100k 50V 100mA 0A DTC125TKA Roh N SC59 npn dtr R2 100k 50V 100mA 0B MUN5112DW1 Mot DO SOT363 dual pnp dtr 22k+22k 0C MUN5113DW1 Mot DO SOT363 dual pnp dtr 47k+47k 0D MUN5114DW1 Mot DO SOT363 dual pnp dtr 10k+47k 0E MUN5115DW1 Mot DO SOT363 dual pnp dtr R1 10k 0F MUN5116DW1 Mot DO SOT363 dual pnp dtr R1 4k7 0G MUN5130DW1 Mot DO SOT363 dual pnp dtr 1k0+1k0 0H MUN5131DW1 Mot DO SOT363 dual pnp dtr 2k2+2k2 0JMUN5132DW1 Mot DO SOT363 dual pnp dtr 4k7+4k7 0K MUN5133DW1 Mot DO SOT363 dual pnp dtr 4k7+47k 0L MUN5134DW1 Mot DO SOT363 dual pnp dtr 22k+47k 0M MUN5135DW1 Mot DO SOT363 dual pnp dtr 2k2+47k 1 (red) BB669 Sie I SOD323 56-2.7 pF varicap10A PZM10NB2A Phi A SOT346 dual ca 10V 0.3W zener10V PZM10NB Phi C SOT346 10V 0.3W zener10Y BZV49-C10 Phi O SOT89 10V 1W zener11A PZM11NB2A Phi A SOT346 dual ca 11V 0.3W zener11A MMBD1501A Nat C SOT23 Si diode 200V 100mA11V PZM11NB Phi C SOT346 11V 0.3W zener11Y BZV49-C11 Phi O SOT89 11V 1W zener12A MMBD1502A Nat K SOT23 Si diode 200V 100mA12A PZM12NB2A Phi A SOT346 dual ca 12V 0.3W zener12E ZC2812E Zet D SOT23 dual series RF schottky15V 20mA 12V PZM12NB Phi C SOT346 12V 0.3W zener12Y BZV49-C12 Phi O SOT89 12V 1W zener13A MMBD1503A Nat D SOT23 dual Si diode 200V 100mA 13A PZM13NB2A Phi A SOT346 dual ca 13V 0.3W zener13E ZC2813E Zet A SOT23 dual ca RF schottky15V 20mA13s BAS125 Sie C SOT23 Schottky sw 24V 100mA13s BAS125W Sie C SOT323 Schottky sw 24V 100mA13t BC846BPN Phi N SOT363 BC546B13V PZM13NB Phi C SOT346 13V 0.3W zener13Y BZV49-C13 Phi O SOT89 13V 1W zener14A MMBD1504A Nat B - dual cc Si diode 200V 100mA14s BAS125-04 Sie D SOT23 Dual series Schottky 25V 100mA 14s BAS125-04W Sie D SOT323 Dual series Schottky 25V 100mA 15A MMBD1505A Nat A - dual ca Si diode 200V 100mA 15A PZM15NB2A Phi A SOT346 dual ca 15V 0.3W zener15s BAS125-05 Sie B SOT23 dual cc Schottky 25V 100mA15s BAS125-05W Sie B SOT323 dual cc Schottky 25V 100mA 15V PZM15NB Phi C SOT346 15V 0.3W zener15Y BZV49-C15 Phi O SOT89 15V 1W zener16s BAS125-06 Sie A SOT23 dual ca Schottky 25V 100mA16s BAS125-06W Sie A SOT323 dual ca Schottky 25V 100mA 16V PZM16NB Phi C SOT346 16V 0.3W zener16Y BZV49-C16 Phi O SOT89 16V 1W zener17s BAS125-07 Sie S SOT143 dual Schottky 25V 100mA17s BAS125-07W Sie S SOT343 dual Schottky 25V 100mA18V PZM18NB Phi C SOT346 18V 0.3W zener18Y BZV49-C18 Phi O SOT89 18V 1W zener1A BC846A Phi N SOT23 BC546A1A BC846AT Phi N SOT416 BC546A1A FMMT3904 Zet N SOT23 2N39041A MMBT3904 Mot N SOT23 2N39041A IRLML2402 IR F SOT23 n-ch mosfet 20V 0.9A-1A PMST3904 Phi N SOT323 2N39041A- BC846AW Phi N SOT323 BC546A1AM MMBT3904L Mot N SOT23 2N39041Ap BC846A Phi N SOT23 BC546A1At BC846A Phi N SOT23 BC546A1At BC846AW Phi N SOT323 BC546A1B BC846B Phi N SOT23 BC546B1B BC846BT Phi N SOT416 BC546B1B FMMT2222 Zet N SOT23 2N22221B MMBT2222 Mot N SOT23 2N22221B IRLML2803 IR F SOT23 n-ch mosfet 30V 0.9A -1B PMST2222 Phi N SOT323 2N22221B- BC846BW Phi N SOT323 BC546B1Bs BC817UPN Sie N SC74 -1Bt BC846B Phi N SOT23 BC546B1Bt BC846BW Phi N SOT323 BC546B1C FMMT-A20 Zet N SOT23 MPSA201C MMBTA20L Mot N SOT23 MPS39041C IRLML6302 IR F SOT23 p-ch mosfet 20V 0.6A 1Cp BAP50-05 Phi B SOT23 dual cc GP RF pin diode 1Cs BC847S Sie - SOT363 BC4571D MMBTA42 Mot N SOT23 MPSA42 300V npn1D IRLML5103 IR F SOT23 p-ch mosfet 30V 0.6A 1D- BC846W Phi N SOT323 BC4561DN 2SC4083 Roh N - npn 11V 3.2GHz TV tuners 1Dp BC846 Phi N SOT23 BC4561DR MSD1328R Mot N SOT346 npn gp 25V 500mA 1Ds BC846U Sie N SC74 BC4561Ds BC846U Sie - SOT363 BC4561Dt BC846 Phi N SOT23 BC4561Dt BC846W Phi N SOT323 BC4561E BC847A Phi N SOT23 BC547A1E BC847AT Phi N SOT416 BC547A1E FMMT-A43 Zet N - MPSA431E MMBTA43 Mot N SOT23 MPSA43 200V npn1E- BC847A Phi N SOT323 BC547A1EN 2SC4084 Roh N - npn 20V 2.0GHz TV tuners 1Ep BC847A Phi N SOT23 BC547A1ER BC847AR Phi R SOT23R BC547A1Es BC847A Sie N SOT23 BC4571Es BC847AW Sie N SOT323 BC4571Et BC847A Phi N SOT23 BC547A1F BC847B Phi N SOT23 BC547B1F BC847BT Phi N SOT416 BC547B1F MMBT5550 Mot N SOT23 2N5550 140V npn 1F- BC847BW Phi N SOT323 BC547B1Fp BC847B Phi N SOT23 BC547B1FR BC847BR Phi R SOT23R BC547B1Fs BC847B Sie N SOT23 BC547B1Fs BC847BT Sie N SC75 BC547B1Fs BC847BW Sie N SOT323 BC547B1Ft BC847B Phi N SOT23 BC547B1Ft BC847BW Phi N SOT323 BC547B1FZ FMBT5550 Zet N SOT23 2N5550 140V npn 1G BC847C Phi N SOT23 BC547C1G BC847CT Phi N SOT416 BC547C1G FMMT-A06 Zet N SOT23 MPSA061G MMBTA06 Mot N SOT23 MPSA061G- BC847CW Phi N SOT323 BC547C1GM MMBTA06 Mot N SOT23 MPSA061Gp BC847C Phi N SOT23 BC547C1GR BC847CR Phi R SOT23R BC547C1Gs BC847C Sie N SOT23 BC547C1Gs BC847CW Sie N SOT323 BC547C1Gt BC847CW Phi N SOT323 BC547C1GT SOA06 SGS N SOT23 MPSA061H FMMT-A05 Zet N - MPSA051H MMBTA05 Mot N SOT23 MPSA051H- BC847W Phi N SOT323 BC5471Hp BC847 Phi N SOT23 BC5471Ht BC847 Phi N SOT23 BC5471HT SOA05 SGS N SOT23 MPSA051J BC848A Phi N SOT23 BC548A1J FMMT2369 Zet N SOT23 2N23691J MMBT2369 Mot N SOT23 MPS23691JA MMBT2369A Mot N SOT23 MPS2369A1Jp BCV61A Phi VQ SOT143 npn current mirror hFe 180 1JR BC848AR Phi R SOT23R BC548A1Js BC848A Sie N SOT23 BC548A1Js BC848AW Sie N SOT323 BC548A1Js BCV61A Sie VQ SOT143 npn current mirror hFe 180 1JZ BC848A Zet N SOT23 BC548A1K BC848B ITT N SOT23 BC548B1K MMBT6428 Mot N SOT23 MPSA18 50V1K FMMT4400 Zet N SOT23 2N44001KM MMBT6428L Mot N SOT23 MPSA18 50V1Kp BC848B Phi N SOT23 BC548B1Kp BCV61B Phi VQ SOT143B npn current mirror hFe 2901KR BC848BR Phi R SOT23R BC548B1Ks BC848B Sie N SOT23 BC548B1Ks BC848BW Sie N SOT323 BC548B1Ks BCV61B Sie VQ SOT143B npn current mirror hFe 2901KZ FMMT4400 Zet N SOT23 2N44001L BC848C ITT N SOT23 BC548C1L MMBT6429 Mot N - MPSA18 45V1L FMMT4401 Zet N - 2N44011L BCV61C Sie VQ SOT143B npn current mirror hFe 5201Lp BC848C Phi N SOT23 BC548C1Lp BCV61C Phi VQ SOT143B npn current mirror hFe 5201LR BC848CR Phi R SOT23R BC548C1Ls BC848CW Sie N SOT323 BC548C1M MMBTA13 Mot N SOT23 MPSA13 darlington1M FMMT-A13 Zet N SOT23 MPSA131Mp BC848 Phi N SOT23 BC5481Mp BCV61 Phi VQ SOT143B npn current mirror1N FMMT-A14 Zet N SOT23 MPSA141N MMBTA14 Mot N SOT23 MPSA14 darlington1N5 ZTX11N15DF Zet N SOT23 npn 15V 3A low saturation V 1P FMMT2222A Zet N - 2N2222A1P MMBT2222A Mot N SOT23 2N2222A1P BC847PN Sie DI - pnp/npn separate pair gp AF1Q MMBT5088 Mot N SOT23 MPSA18 Vce 30V1R MMBT5089 Mot N SOT23 MPSA18 Vce 25V1S MMBT2369A Nat N SOT23 2N2369A 500MHz sw npn1S MSC3130 Mot H SOT346 npn RF fT 1.4GHz 10V1T MMBT3960A Mot N - 2N3960A1U MMBT2484L Mot N SOT23 MPSA181V MMBT6427 Mot H SOT23 2N6426/7 darlington npn1V- BF820W Phi N SOT323 npn 300V 50mA BF4201Vp BF820 Phi N SOT23 npn 300V 50mA BF4201Vt BF820 Phi N SOT23 npn 300V 50mA BF4201Vt BF820W Phi N SOT323 npn 300V 50mA BF4201W FMMT3903 Zet N SOT23 2N39031W - BF822W Phi N SOT323 pnp 300V 50mA BF4211W t BF822W Phi N SOT323 pnp 300V 50mA BF4211Wp BF821 Phi N SOT23 pnp 300V 50mA BF4211Wt BF821 Phi N SOT23 pnp 300V 50mA BF4211X MMBT930L Mot N SOT23 MPS39041Xp BF822 Phi N SOT23 npn 250V 50mA BF4221Xt BF822 Phi N SOT23 npn 250V 50mA BF4221Y MMBT3903 Mot N SOT23 2N39031Yp BF823 Phi N SOT23 pnp 250V 50mA BF4231Yt BF823 Phi N SOT23 pnp 250V 50mA BF4231Z BAS70-06 Zet A SOT23 dual RF CA schottky diode 1Z MMBT6517 Mot N SOT23 2N6517 npn Vce 350V 2 (blue) BAR64-03W Sie I SOD323 pin diode2 (white) BB439 Sie I SOD323 29-5 pF varicap20F TSDF1220 Tfk X SOT143 fT 12GHz npn 6V 20mA 20V PZM20NB Phi C SOT346 20V 300mW zener20Y BZV49-C20 Phi O SOT89 20V 1W zener22V PZM22NB Phi C SOT346 22V 300mW zener22Y BZV49-C22 Phi O SOT89 22V 1W zener24V PZM24NB Phi C SOT346 24V 300mW Zener24Y BZV49-C24 Phi O SOT89 24V 1W zener27V PZM27NB Phi C SOT346 27V 300mW Zener27Y BZV49-C27 Phi O SOT89 27V 1W zener2A MMBT3906L Mot N SOT23 2N39062A MMBT3906W Mot N SOT323 2N39062A FMMT3906 Zet N SOT23 2N39062A4 PZM2.4NB2A Phi A SOT346 dual 2.4V cc Zener 2A7 PZM2.7NB2A Phi A SOT346 dual 2.7V cc Zener 2B BC849B ITT N SOT23 BC549B2B FMMT2907 Zet N SOT23 2N29072B MMBT2907 Mot N SOT23 MPS29072B- BC849BW Phi N SOT323 BC549B2Bp BC849B Phi N SOT23 BC549B2BR BC849BR Phi R SOT23R BC549B2Bs BC849B Sie N SOT23 BC549B2Bs BC849BW Sie N SOT323 BC549B2Bt BC849BW Phi N SOT323 BC549B2BZ FMMT2907 Zet N SOT23 2N29072C BC849C ITT N SOT23 BC549C2C MMBTA70 Mot N SOT23 MPSA702C- BC849CW Phi N SOT323 BC549C2Cp BC849C Phi N SOT23 BC549C2CR BC849CR Phi R SOT23R BC549C2Cs BC849C Sie N SOT23 BC549C2Cs BC849CW Sie N SOT323 BC549C2Ct BC849C Phi N SOT23 BC549C2Ct BC849CW Phi N SOT323 BC549C2CZ FMMTA70 Zet N SOT23 MPSA702D MMBTA92 Mot N SOT23 MPSA92 pnp Vce 300V 2E MMBTA93 Mot N SOT23 MPSA93 pnp Vce 200V2E FMMT-A93 Zet N SOT23 MPSA932F BC850B ITT N SOT23 BC550B2F FMMT2907A Zet N SOT23 2N2907A2F MMBT2907A Mot N SOT23 MPS2907A2F MMBT2907AW Mot N SOT323 MPS2907A2F- BC850BW Phi N SOT323 BC550B2Fp BC850B Phi N SOT23 BC550B2FR BC850BR Phi R SOT23R BC550B2Fs BC850B Sie N SOT23 BC550B2Fs BC850BW Sie N SOT323 BC550B2Ft BC850B Phi N SOT23 BC550B2Ft BC850BW Phi N SOT323 BC550B2G BC850C ITT N SOT23 BC550C2G FMMT-A56 Zet N SOT23 MPSA562G MMBTA56 Mot N SOT23 MPSA562G- BC850CW Phi N SOT323 BC550C2GM MMBTA56 Mot N SOT23 MPSA562Gp BC850C Phi N SOT23 BC550C2GR BC850CR Phi R SOT23R BC550C2Gs BC850C Sie N SOT23 BC550C2Gt BC850C Phi N SOT323 BC550C2Gt BC850CW Phi N SOT323 BC550C2GT SOA56 SGS N SOT23 MPSA562H FMMT-A55 Zet N SOT23 MPSA552H MMBTA55 Mot N SOT23 MPSA552HT SOA55 SGS N SOT23 MPSA552J MMBT3640 Mot N SOT23 MPS3640 pnp sw2K FMMT4402 Zet N SOT23 2N44022K MMBT8598 Mot N - 2N4125 pnp 60V2L MMBT5401 Mot N SOT23 2N5401 pnp 150V2L FMMT4403 Zet N SOT23 2N44032M FMMT5087 Zet N SOT23 2N50872M MMBT404 Mot N SOT23 pnp-chopper 24V 150mA2N MMBT404A Mot N SOT23 pnp-chopper 35V 150mA2N0 ZXT11N20DF Zet N SOT23 npn 20V 2.5A low sat switch 2P FMMT2222R Zet R SOT23R 2N22222P MMBT5086 Mot N SOT23 2N50862Q MMBT5087 Mot N SOT23 2N50872R HSMS-8102 HP Z SOT23 10-14GHz schottky mixer pair 2T SO4403 SGS N SOT23 2N44032T MMBT4403 Mot N SOT23 2N44032T HT2 Zet N SOT23 pnp 80V 100mA2U MMBTA63 Mot N SOT23 MPSA63 darlington2V MMBTA64 Mot N SOT23 MPSA64 darlington2V4 PZM2.4NB Phi C SOT346 2.4V 300mW Zener。
贴片三极管2a_贴片二极管图片贴片二极管型号贴片三极管2a_贴片二极管图片贴片二极管型号分类:现金回收贴片二三极管日期:2011-04-19 作者:胖喵肉呼呼点击: 92次贴片三极管2a_贴片二极管图片贴片二极管型号贴方今常用的的电阻、电容、电感、二极管都有贴片封装。
贴片封装用四位数字标识,想知道型号。
剖明了器件的长度和宽度。
贴片电阻贴片三极管2a_贴片二极管图片贴片二极管型号贴方今常用的的电阻、电容、电感、二极管都有贴片封装。
贴片封装用四位数字标识,想知道型号。
剖明了器件的长度和宽度。
贴片电阻有百分五和百分一两种精度,置备时不极度说明的话就是指百分五。
凡是说的贴片电容是片式多层陶瓷电容(MLCC),三极管j6。
也称独石电容。
听听贴片三极管。
附表是贴片电阻的参数。
看着二极管。
2)贴片电阻的封装、功率与电压联系如下表:英制(mil)公制(mm)额外功率@70°C最大工作电压(V)0/20W250/16W500/10W500/8W150/4W200/3W200/2W200/4W200W2003)贴片电阻的精度与阻值贴片电阻阻值误差精度有±1%、±2%、±5%、±10%精度,J-表示精度为5%、F-表示精度为1%。
T-表示编带包装阻值局限从0R-100M4)贴片电阻的特性·体积小,a。
分量轻;·顺应再流焊与波峰焊;·电机能不乱,贴。
实在性高;·装置本钱低,贴片肖特基二极管。
并与主动装贴征战配合;·机械强度高、高频特性优越。
AXIAL-两脚直插AXIAL就是普通直插电阻的封装,我不知道贴片二极管型号。
也用于电感之类的器件。
背面的数字是指两个焊盘的间距。
AXIAL-0.3小功率直插电阻(1/4W);普通二极管(1N4148);色环电感(10uH)AXIAL-0.41A的二极管,2a。
用于整流(1N4007);1A肖特基二极管,贴片三极管封装。
贴片三极管参数大全贴片三极管参数大全ECs BCW65C Sie N SOT23 npn 32V 800mA hfe 250 minED BCV28 Sie P SOT89 pnp darlington 30V 0.8A comp BCV29 EE BCV48 Sie P SOT89 pnp darlington 60V 0.8A comp BCV49 EF BCV29 Sie P SOT89 npn darlington 30V 0.8A comp BCV28 EF BCW66F Sie N SOT23 npn 45V 800mA hfe 100 minEG BCV49 Sie P SOT89 npn darlington 60V 0.8A comp BCV48 EGs BCW66G Sie N SOT23 npn 45V 800mA hfe 160 minEHs BCW66H Sie N SOT23 npn 45V 800mA hfe 240 minEHAA MAX6326_R22-T Max ZB SOT23 microproc -ve reset gen 2.200VEIAA MAX6327_R22-T Max ZB SOT23 microproc +ve reset gen 2.200VEJAA MAX6328_R22-T Max ZB SOT23 microproc -ve reset gen 2.200VEKs BCX41 Sie N SOT23 gp npn 125V 1A comp BCX42ET BCW65AR Sie R SOT23R npn 32V 800mA hfe 100 minEU BCW65BR Sie R SOT23R npn 32V 800mA hfe 160 minEW BCW65CR Sie R SOT23R npn 32V 800mA hfe 240 minEWAA MAX6326_R23-T Max ZB SOT23 microproc -ve reset gen 2.320VEX BCW65FR Sie R SOT23R npn 45V 800mA hfe 100 minEXAA MAX6326_R24-T Max ZB SOT23 microproc -ve reset gen 2.400VEY BCW65GR Sie R SOT23R npn 45V 800mA hfe 160 minEYAA MAX6326_R25-T Max ZB SOT23 microproc -ve reset gen 2.500VEZ BCW65HR Sie R SOT23R npn 45V 800mA hfe 240 minEZAA MAX6326_R26-T Max ZB SOT23 microproc -ve reset gen 2.630VCode Device Manufacturer Base Package Leaded Equivalent/Dataf BAS20-02W Sie I SCD80 -F KV1831E Tok I URD uhf varicap 2.5-22pfF MRF927 Mot N SOT323 npn RF fT 8GHzF0 HSMP-3820 HP C SOT23 35V RF pin sw diodeF02 DTD123TK Roh N SC59 npn dtr R1 2k2 40V 100mAF03 DTD143TK Roh N SC59 npn dtr R1 4k7 40V 100mAF05 TSDF1205 Tfk X - fT 12GHz npn RF 4V 12mAF1 HSMP-3821 HP K SOT23 35V RF pin sw diodeF1 BFS18 Phi N SOT23 BF495F1 MMBC1009F1 Mot N - RF npn fT 150MHz hfe30-60F2 HSMP-3822 HP D SOT23 dual series HP3820 pin sw diode F2BFS19 SGS N SOT23 BF184 BF494F2p BFS19 Phi N SOT23 BF184 BF494F2t BFS19 Phi N SOT23 BF184 BF494F3 MMBC1009F3 Mot N - RF npn fT150MHz hfe60-120F4 BFS18R Phi N - BF495F4 HSMP-3824 HP B SOT23 dual cc HP3820 pin sw diodeF5 BFS19R Phi N - BF184 BF494F8p BF824 Phi N SOT23 -F8t BF824 Phi N SOT23 -F8t BF824W Phi N SOT323 -F11 DTB113EK Roh N SC59 pnp dtr 1k + 1k 50V 500mAF12 DTB123EK Roh N SC59 pnp dtr 2k2 + 2k2 50V 500mAF13 DTB143EC Roh N SOT23 pnp dtr 4k7+ 4k7 50V 500mAF13 DTB143EK Roh N SC59 pnp dtr 4k7+ 4k7 50V 500mAF14 DTB114EK Roh N SC59 pnp dtr 10k + 10k 50V 500mAF20 TSDF1220 Tfk X - fT 12GHz npn 6V 20mAF21 DTD113EK Roh N SC59 npn dtr 1k + 1k 50V 500mAF22 DTD123EK Roh N SC59 npn dtr 2k2 + 2k2 50V 500mA F23 DTD143EC Roh N SOT23 npn dtr 4k7 + 4k7 50V 500mA F23 DTD143EK Roh N SC59 npn dtr 4k7 + 4k7 50V 500mA F24 DTD114EK Roh N SC59 npn dtr 10k + 10k 50V 500mA F52 DTB123YC Roh N SOT23 pnp dtr 2k2 + 10k 50V 100mA F52 DTB123YK Roh N SC59 pnp dtr 2k2 + 10k 50V 100mA F62 DTD123YK Roh N SC59 npn dtr 2k2 + 10k 50V 100mA F92 DTB123TK Roh N SC59 pnp dtr R1 2k2 40V 100mAF93 DTB143TK Roh N SC59 pnp dtr R1 4k7 40V 100mAF94 DTB114TK Roh N SC59 pnp dtr R110k 40V 100mAFA HSMP-4820 HP B SOT23 0.5-3GHz cc pin dual anodeFA BFQ17 Phi P SOT89 npn RF 1.5GHz 300mAFA BFP81 Sie X - BFQ69FA BFQ19 Phi P SOT89 npn RF Ft 5.5GHz 100mAFAAA MAX6326_R27-T Max ZB SOT23 microproc -ve reset gen 2.700VFB BFP17 Sie X BFW92FBAA MAX6328_R31-T Max ZB SOT23 microproc -ve reset gen 2.800VFC BFQ64 Sie P - BFT98TFC BFP29 Sie X - BFT97FCAA MAX6326_R29-T Max ZB SOT23 microproc -ve reset gen 2.930VFD BCV26 SGS N SOT23 pnp darlingtonFDp BCV26 Phi N SOT23 pnp darlingtonFDt BCV26 Phi N SOT23 pnp darlingtonFD BFQ17P Sie P SOT89 BFW16AFD BFP35A Sie X - BFR34AFDAA MAX6326_R31-T Max ZB SOT23 microproc -ve reset gen 3.080VFE BCV46 SGS N SOT23 pnp darlingtonFEp BCV46 Phi N SOT23 pnp darlingtonFEt BCV46 Phi N SOT23 pnp darlingtonFEs BFQ19P Sie P SOT89 BFR96FE BFP93A Sie X SOT143 BFR91AFEAA MAX6326_R30-T Max ZB SOT23 microproc -ve reset gen 3.000VFF BCV27 SGS N SOT23 npn darlingtonFF BBY65-02V Inf I SC79 hyperabrupt varicap 2.7-30pFFFp BCV27 Phi N SOT23 npn darlingtonFFt BCV27 Phi N SOT23 npn darlingtonFFAA MAX6327_R23-T Max ZB SOT23 microproc +ve reset gen 2.320VFG BCV47 Phi N SOT23 npn darlingtonFGp BCV47 Phi N SOT23 npn darlingtonFGt BCV47 Phi N SOT23 npn darlingtonFG BFQ19S Sie P SOT89 BFR96SFGAA MAX6327_R24-T Max ZB SOT23 microproc +ve reset gen 2.400VFHs BFN24 Sie N SOT23 npn 250V comp to BFN25FHAA MAX6327_R25-T Max ZB SOT23 microproc +ve reset gen 2.500VFIAA MAX6327_R26-T Max ZB SOT23 microproc +ve reset gen 2.630VFJ BFN26 Sie N SOT23 npn 300V comp to BFN27FJAA MAX6327_R27-T Max ZB SOT23 microproc +ve reset gen 2.700VFK BFN25 Sie N SOT23 pnp 250V comp to BFN24FKAA MAX6327_R28-T Max ZB SOT23 microproc +ve reset gen 2.800VFL BFN27 Sie N SOT23 pnp 300V comp to BFN26FLAA MAX6327_R29-T Max ZB SOT23 microproc +ve reset gen 2.930VFFMA MAX6327_R31-T Max ZB SOT23 microproc +ve reset gen 3.080VFFNA MAX6327_R30-T Max ZB SOT23 microproc +ve reset gen 3.000VFOAA MAX6328_R23-T Max ZB SOT23 microproc -ve reset gen 2.320VFPAA MAX6328_R24-T Max ZB SOT23 microproc -ve reset gen 2.400VF-Q 2PA1576Q Phi N SOT323 gp pnp SC70 hfe 120-270FtQ 2PA1576Q Phi N SOT323 gp pnp SC70hfe 120-270FQAA MAX6328_R25-T Max ZB SOT23 microproc -ve reset gen 2.500VFR 2SA1037AK Roh N - hfe 150@1ma preamp pnpFR 2SA1576A Roh N UMT see 2SA1037K aboveFR 2SA1774 Roh N EM3 see 2SA1037K aboveF-R 2PA1576R Phi N SOT323 gp pnp hfe 180-390FtR 2PA1576R Phi N SOT323 gp pnp hfe 180-390FRAA MAX6328_R26-T Max ZB SOT23 microproc -ve reset gen 2.630VF-S 2PA1576S Phi N SOT323 gp pnp hfe 270-560FtS 2PA1576S Phi N SOT323 gp pnp hfe 270-560FSAA MAX6328_R27-T Max ZB SOT23 microproc -ve reset gen 2.700VFTAA MAX6328_R28-T Max ZB SOT23 microproc -ve reset gen 2.800VFUAA MAX6328_R29-T Max ZB SOT23 microproc -ve reset gen 2.930VFVAA MAX6328_R31-T Max ZB SOT23 microproc -ve reset gen 3.080VFWAA MAX6328_R30-T Max ZB SOT23 microproc -ve reset gen 3.000VFZAP MAX6012A Max ZC SOT23 precision reference 1.247V FZAQ MAX6025A Max ZC SOT23 precision reference 2.500V FZAR MAX6041A Max ZC SOT23 precision reference 4.096V FZAS MAX6045A Max ZC SOT23 precision reference 4.500V FZAT MAX6050A Max ZC SOT23 precision reference 5.000V FZAU MAX6021A Max ZC SOT23 precision reference 2.048V FZAV MAX6346_R33-T Max ZB SOT23 micrproc -ve reset gen 3.300VFZAW MAX6346_R34-T Max ZB SOT23 micrproc -ve reset gen 3.400VFZAX MAX6346_R35-T Max ZB SOT23 micrproc -ve reset gen 3.500VFZAY MAX6346_R36-T Max ZB SOT23 micrproc -ve reset gen 3.600VFZAZ MAX6346_R37-T Max ZB SOT23 micrproc -ve reset gen 3.700VFZBA MAX6346_R38-T Max ZB SOT23 micrproc -ve reset gen 3.800VFZBB MAX6346_R39-T Max ZB SOT23 micrproc -ve reset gen3.900VFZBC MAX6346_R40-T Max ZB SOT23 micrproc -ve reset gen 4.0800VFZBD MAX6346_R41-T Max ZB SOT23 micrproc -ve reset gen 4.100VFZBE MAX6346_R42-T Max ZB SOT23 micrproc -ve reset gen 4.200VFZBF MAX6346_R43-T Max ZB SOT23 micrproc -ve reset gen 4.300VFZBG MAX6346_R44-T Max ZB SOT23 micrproc -ve reset gen 4.380VFZBH MAX6346_R45-T Max ZB SOT23 micrproc -ve reset gen 4.500VFZBI MAX6346_R46-T Max ZB SOT23 micrproc -ve reset gen 4.630VFZBJ MAX6347_R33-T Max ZB SOT23 micrproc +ve reset gen 3.300VFZBK MAX6347_R34-T Max ZB SOT23 micrproc +ve reset gen 3.400VFZBL MAX6347_R35-T Max ZB SOT23 micrproc +ve reset gen 3.500VFZBM MAX6347_R36-T Max ZB SOT23 micrproc +ve reset gen 3.600VFZBN MAX6347_R37-T Max ZB SOT23 micrproc +-ve reset gen 3.700VFZBO MAX6347_R38-T Max ZB SOT23 micrproc +ve reset gen 3.800VFZBP MAX6347_R39-T Max ZB SOT23 micrproc +ve reset gen 3.900VFZBQ MAX6347_R40-T Max ZB SOT23 micrproc +ve resetFZBR MAX6347_R41-T Max ZB SOT23 micrproc +-ve reset gen 4.100VFZBS MAX6347_R42-T Max ZB SOT23 micrproc +ve reset gen 4.200VFZBT MAX6347_R43-T Max ZB SOT23 micrproc +ve reset gen 4.300VFZBU MAX6347_R44-T Max ZB SOT23 micrproc +-ve reset gen 4.380VFZBV MAX6347_R45-T Max ZB SOT23 micrproc +ve reset gen 4.500VFZBW MAX6347_R46-T Max ZB SOT23 micrproc +-ve reset gen 4.630VFZBX MAX6348_R33-T Max ZB SOT23 microproc -ve reset gen 3.300VFZBY MAX6348_R34-T Max ZB SOT23 microproc -ve reset gen 3.400VFZBZ MAX6348_R35-T Max ZB SOT23 microproc -ve reset gen 3.500VFZCA MAX6348_R36-T Max ZB SOT23 microproc -ve reset gen 3.600VFZCB MAX6348_R37-T Max ZB SOT23 microproc -ve reset gen 3.700VFZCC MAX6348_R38T Max ZB SOT23 microproc -ve reset gen 3.800VFZCD MAX6348_R39-T Max ZB SOT23 microproc -ve reset gen 3.900VFZCE MAX6348_R40-T Max ZB SOT23 microproc -ve reset gen 4.000VFZCF MAX6348_R41-T Max ZB SOT23 microproc -ve resetFZCG MAX6348_R42T Max ZB SOT23 microproc -ve reset gen 4.200VFZCH MAX6348_R43-T Max ZB SOT23 microproc -ve reset gen 4.380VFZCI MAX6348_R44-T Max ZB SOT23 microproc -ve reset gen 4.400VFZCJ MAX6348_R45-T Max ZB SOT23 microproc -ve reset gen 4.500VFZCK MAX6348_R46-T Max ZB SOT23 microproc -ve reset gen 4.600VFZCW MAZ6001UR Max ZC SOT231.250V V referenceFZCX MAZ6002UR Max L SOT23 2.500V V referenceFZCY MAZ6004UR Max L SOT23 4.096V V referenceFZCZ MAZ6005UR Max L SOT23 5.000V V referenceFZDA MAX6012B Max ZC SOT23 precision reference 1.247V FZDB MAX6025B Max ZC SOT23 precision reference 2.500V FZDC MAX6041B Max ZC SOT23 precision reference 4.096V FZDD MAX6045B Max ZC SOT23 precision reference 4.500V FZdE MAX6050B Max ZC SOT23 precision reference 5.000V FZDF MAX6021B Max ZC SOT23 precision reference 2.047V FZDK MAZ6003UR Max L SOT23 3.000V V referenceFZDW MAX6030A Max ZC SOT23 precision reference 3.000V FZDX MAX6012B Max ZC SOT23 precision reference 3.000V FZEB LM4041AIM3-1.2 Max L SOT23 1.225V 0.1% shunt V ref FZEC LM4041BIM3-1.2 Max L SOT23 1.225V 0.2% shunt V ref FZED LM4041DIM3-1.2 Max L SOT23 1.225V 0.5% shunt V ref FZEE LM4041DIM3-1.2 Max L SOT23 1.225V 1.5% shunt V ref FZEF LM4040A IM3-2.1 Max L SOT23 2.048V shunt reference0.1%FZEG LM4040B IM3-2.1 Max L SOT23 2.048V shunt reference 0.2 %FZEH LM4040C IM3-2.1 Max L SOT23 2.048V shunt reference 0.5%FZEI LM4040D IM3-2.1 Max L SOT23 2.048V shunt reference 1.0%FZEJ LM4040A IM3-2.5 Max L SOT23 2.500V shunt reference 0.1%FZEK LM4040B IM3-2.5 Max L SOT23 2.500V shunt reference 0.2 %FZEL LM4040C IM3-2.5 Max L SOT23 2.500V shunt reference 0.5%FZEM LM4040D IM3-2.5 Max L SOT23 2.500V shunt reference 1.0%FZEN LM4040A IM3-3.0 Max L SOT23 3.000V shunt reference 0.1%FZEO LM4040B IM3-3.0 Max L SOT23 3.000V shunt reference 0.2 %FZEP LM4040C IM3-3.0 Max L SOT23 3.000V shunt reference 0.5%FZEQ LM4040D IM3-3.0 Max L SOT23 3.000V shunt reference 1.0%FZER LM4040A IM3-4.1 Max L SOT23 4.096V shunt reference 0.1%FZES LM4040B IM3-4.1 Max L SOT23 4.096V shunt reference 0.2 %FZET LM4040C IM3-4.1 Max L SOT23 4.096V shunt reference 0.5%FZEU LM4040DIM3-4.1 Max L SOT23 4.096V shunt reference1.0%FZEVLM4040A IM3-5.0 Max L SOT23 5.000V shunt reference 0.1% FZEW LM4040B IM3-5.0 Max L SOT23 5.000V shunt reference 0.2 %FZEX LM4040C IM3-5.0 Max L SOT23 5.000V shunt reference 0.5%FZEY LM4040D IM3-5.0 Max L SOT23 5.000V shunt reference 1.0%FZEZ MAZ803LUR Max ZB SOT23 microproc -ve reset gen, 5.0VFZFA MAZ803MUR Max ZB SOT23 microproc -ve reset gen, 5.0VFZFB MAZ803TUR Max ZB SOT23 microproc -ve reset gen, 3.3VFZFC MAZ803SUR Max ZB SOT23 microproc -ve reset gen, 3.3VFZFD MAZ803RUR Max ZB SOT23 microproc -ve reset gen, 3.0VFZGH MAZ6006AUR Max L SOT23 1.250V 0.2% shunt V referenceFZGI MAZ6006BUR Max L SOT23 1.250V 0.5% shunt V referenceFZGJ MAZ6006CUR Max L SOT23 1.250V 1.0% shunt V referenceFZGK MAZ6007AUR Max L SOT23 2.480V 0.2% shunt V referenceFZGL MAZ6007BUR Max L SOT23 2.480V 0.5% shunt V referenceFZGM MAZ6007CUR Max L SOT23 2.480V 1.0% shunt VreferenceFZGN MAZ6008AUR Max L SOT23 2.500V 0.2% shunt V referenceFZGO MAZ6008BUR Max L SOT23 2.500V 0.5% shunt V referenceFZGP MAZ6008CUR Max L SOT23 2.500V 1.0% shunt V referenceFZGQ MAZ6009AUR Max L SOT23 3.000V 0.2% shunt V referenceFZGR MAZ6009BUR Max L SOT23 3.000V 0.5% shunt V referenceFZGS MAZ6009CUR Max L SOT23 3.000V 1.0% shunt V referenceCode Device Manufacturer Base Package Leaded Equivalent/DataG BAR63-02W Sie I SCD80 RF pin to 3GHzG BAR63-03W Sie I SOD323 RF pin to 3GHzG KV1181E Tok I URD uhf varicap 2-16pFG MRF947A Mot N SOT323 npn RF 8GHzG0 HSMP-3890 HP C SOT23 HP3890 pin sw diodeG0 HSMP-389B HP C SOT323 HP3890 pin sw diodeG08 DTD133HKA Roh N SC59 npn dtr 3k3+10k 50V 500mA G1 BFS20 Phi N SOT23 BF199G1p BFS20 Phi N SOT23 BF199G1 BFS20 Phi N SOT23 BF199G1t HSMP-3891 HP K SOT23 HP3890 pin sw diodeG1 MMBT5551 Mot N SOT23 2N5551 npn Vce 140VtG1 PMBT5551Phi N SOT23 2N5551 npn Vce 140VtG1 PMST5551 Phi N SOT323 2N5551 npn Vce 140VG1E BC847A Rho N SOT23 BC547AG1F BC847B Rho N SOT23 BC547BG1G BC847C Rho N SOT23 BC547CG1J BC848A Rho N SOT23 BC548AG1K BC848B Rho N SC70 BC548BG1K BC848B Rho N SOT23 BC548BG1L BC848C Rho N SOT23 BC548CG2 HSMP-3892 HP D SOT23 dual ser HP3890 pin sw diode G2 CGY50 Sie IQ SOT143 GaAs MMIC ampG3 HSMP-3893 HP A SOT23 dual HP3890 pin sw diodepG3 PMST5551 Phi N SOT323 2N5551G3 BAR63 Sie C SOT23 single 3GHz pinG3C DTB122JK Roh N SC59 pnp dtr 220R + 470R 50V 500mA G3E BC857A Roh N SOT23 BC557AG3F BC857B Roh N SOT23 BC557BG3J BC858A Roh N SOT23 BC558AG3K BC858B Roh N SOT23 BC558BG3K BC858B Roh N SC70 BC558BG3L BC858C Roh N SOT23 BC558CG4 BFS20R Phi N SOT23 BF199G4 HSMP-3894 HP B SOT23 dual HP3890 pin sw diodeG4 BAR63-04 Sie D SOT23 dual series 3GHz pinG4C DTD122JK Roh N SC59 npn dtr 220R + 470R 50V 500mA G4s BAR63-04W Sie D SOT323 dual series 3GHz pinG5 HSMP-3895 HP S SOT143 dual HP3890 pin sw diodeG5 BAR63-05 Sie B SOT23 dual cc 3GHz pinG5s BAR63-05W Sie B SOT323 dual cc 3GHz pinG5B BC807-25 Roh N SOT23 BC327-25G6 BAR63-06 Sie A SOT23 dual ca 3GHz pinG6s BAR63-06W Sie A SOT323 dual ca 3GHz pinG6A BC817-16 Roh N - BC337-16G6B BC817-25 Roh N SOT23 BC337-25G7 BF579 Tfk N - BF979 pnp uhf fT 1.75GHzG11 DTB113ZKA Roh N SC59 pnp dtr 1k0 +10k 50V 500mA G21 DTD113ZKA Roh N SC59 npn dtr 1k0 +10k 50V 500mA G98 DTB133HKA Roh N SC59 pnp dtr 3k3+10k 50V 500mA GA HSMP-4890 HP B SOT23 0.5-3GHzdual cc pin limiter GA BAW78A Sie LQ SOT89 50V1A sw diodeGABBCW60B Rho N SOT23 BCY58-viiiGAC BCW60C Rho N SOT23 BCY58-ixGAD BCW60D Rho N SOT23 BCY58-xGAH BCX70H Rho N SOT23 BCY59-viii BC107BGAJ BCX70J Rho N SOT23 BCY59-ix BC107GAK BCX70K Rho N SOT23 BCY59-x BC107GB BAW78B Sie LQ SOT89 100V 1A sw diodeGBB BCW61B Rho N SOT23 BCY78-viiiGBC BCW61C Rho N SOT23 BCY78-ixGBG BCX71G Rho N SOT23 BCY79-viiGBH BCX71H Rho N SOT23 BCY79-viiiGBJ BCX71J Rho N SOT23 BCY79-ixGC BAW78C Sie LQ SOT89 200V 1A sw diodeGC1 BCW29 Roh N SOT23 BC178AGC2 BCW30 Roh N SOT23 BC178BGD BAW78D Sie LQ SOT89 400V 1A sw diodeGD1 BCW31 Roh N SOT23 BC108CGD2 BCW32 Roh N SOT23 BC108BGD3 BCW33 Roh N SOT23 BC108AGE BFR35AP Sie N SOT23 BFR34AGE BAW79A Sie JQ SOT89 dual cc 50V 1A switch diodesGEC BCW65C Rho N SOT23 npn 32V 800mA hfe 250 minGF BFR92P Sie N SOT23 BFR90GF BAW79B Sie JQ SOT89 dual cc 100V 1A switch diodesGG BF579R Tfk R - BF979 pnp uhf fT1.75GHzGG BFR93P Sie N SOT23 BFR91AGG BAW79C Sie JQ SOT89 dual cc 200V 1A switch diodesGH BAW79D Sie JQ SOT89 dual cc 400V 1A switch diodes GH1 BCW69 Roh N SOT23 BC177AGH2 BCW70 Roh N SOT23 BC177BGK1 BCW71 Roh N SOT23 BC107AGK2 BCW72 Roh N SOT23 BC107B ZXT300GLP MMBT1010 Mot N SOT23 pnp 15V hfe 300-600 @100mAGLP MMBT1010 Mot N SOT346 pnp 15V hfe 300-600 @100mAGMA BFS17 Roh N SOT23 BFW92GT1 BCX17 Roh N SOT23 BC327GT2 BCX18 Roh N SOT23 BC328GU1 BCX19 Roh N SOT23 BC337GU2 BCX20 Roh N SOT23 BC338Code Device Manufacturer Base Package Leaded Equivalent/DataH MRF947B Mot N SOT323 npn RF 8GHzH BB659CSie I SCD80 2.5-39 pF varicap inH BBY51-03W Sie I SOD323 3-5 pF varicap inH02 DTC323TU Rho N SC70 npn dtr 15V 0.6A, R1 2k2 , formutingH04 DTC323TU Rho N SC70 npn dtr 15V 0.6A, R1 10k , for mutingH1 BCW69 Phi N SOT23 BC177AH1p BCW69 Phi N SOT23 BC177AH1t BCW69 Phi N SOT23 BC177AH2 BCW70 Phi N SOT23 BC177BH2p BCW70 Phi N SOT23 BC177BH2t BCW70 Phi N SOT23 BC177BH3 BCW89 Phi N SOT23 BC556H3p BCW89 Phi N SOT23 BC556H3t BCW89 Phi N SOT23 BC556H4 BCW69R Phi R SOT23R BC177AH5 BCW70R Phi R SOT23R BC177BH5 MBD770DW Mot DL - Dual UHF schottky diodeH6 BCW89R Phi R SOT23R BC556H11 UMH11TN Roh DI - npn/pnpdtr pair 10k+10kH16 SST4416 Sil F - 2N4416 n-ch jfetH27 DTC323TU Rho N SC70 npn dtr 15V 0.6A, R1 6k8 , for mutingH31 BCW89R Phi N SOT23R BC556H84 SST5484 Sil F SOT23 2N5484H85 SST5485 Sil F SOT23 2N5485H86 SST5486 Sil F SOT23 2N5486HB BFN22 SGS P SOT23 npn Vce 250VHC BFN23 SGS P SOT23 pnp Vce 250VHG CFY77-08 Sie DM - 20GHz HEMT 0.8dB nfHH CFY77-10 Sie DM - 20GHz HEMT 1.0 dB nfHH BBY51-07 Sie S SOT143 dual varicap like BBY51HQ 2SA1036K Roh N - pnp 500mA driverCode Device Manufacturer Base Package Leaded Equivalent/DataH MRF947B Mot N SOT323 npn RF 8GHzH BB659C Sie I SCD80 2.5-39 pF varicap inH BBY51-03W Sie I SOD323 3-5 pF varicap inH02 DTC323TU Rho N SC70 npn dtr 15V 0.6A, R1 2k2 , for mutingH04 DTC323TU Rho N SC70 npn dtr 15V 0.6A, R1 10k , for mutingH1 BCW69 Phi N SOT23 BC177AH1p BCW69 Phi N SOT23 BC177AH1t BCW69 Phi N SOT23 BC177AH2 BCW70 Phi N SOT23 BC177BH2p BCW70 PhiN SOT23 BC177BH2t BCW70 Phi N SOT23 BC177BH3 BCW89 Phi N SOT23 BC556H3p BCW89 Phi N SOT23 BC556H3t BCW89 Phi N SOT23 BC556H4 BCW69R Phi R SOT23R BC177AH5 BCW70R Phi R SOT23R BC177BH5 MBD770DW Mot DL - Dual UHF schottky diodeH6 BCW89R Phi R SOT23R BC556H11 UMH11TN Roh DI - npn/pnpdtr pair 10k+10kH16 SST4416 Sil F - 2N4416 n-ch jfetH27 DTC323TU Rho N SC70 npn dtr 15V 0.6A, R1 6k8 , for mutingH31 BCW89R Phi N SOT23R BC556H84 SST5484 Sil F SOT23 2N5484H85 SST5485 Sil F SOT23 2N5485H86 SST5486 Sil F SOT23 2N5486HB BFN22 SGS P SOT23 npn Vce 250VHC BFN23 SGS P SOT23 pnp Vce 250VHG CFY77-08 Sie DM - 20GHz HEMT 0.8dB nfHH CFY77-10 Sie DM - 20GHz HEMT 1.0 dB nfHH BBY51-07 Sie S SOT143 dual varicap like BBY51HQ 2SA1036K Roh N - pnp 500mA driverCode Device Manufacturer Base Package Leaded Equivalent/DataJ0 HSMS-2840 HP C SOT23 schottky diodeJ01 SO2906R - N - 2N2906J03 SO2907AR - R - 2N2907AJ05 SO2907R - R - 2N2907J1 HSMS-2841 HP K SOT23 schottky diodeJ1 ZC830 Zet C ZC820 varicapsJ1 BSS138L Mot M SOT23 n-ch enh TMOS fetJ1A ZC830A Zet C SOT23 varicap hyperabrupt 28V 10pF@2V J1B ZC830B Zet C SOT23 varicap hyperabrupt 28V 10pF@2V pJ1 BSH101 Phi M SOT23 n-ch 60V 0.7A mosfetpJ2 BSH102 Phi M SOT23 n-ch 30V 1A mosfetJ2 ZC833 Zet C SOT23 ZC823J2A ZC833A Zet C SOT23 varicap hyperabrupt 28V 33pF@2V J2B ZC833B Zet C SOT23 varicap hyperabrupt 28V 33pF@2V pJ3 BSH103 Phi M SOT23 n-ch 30V 0.8A mosfetJ3 ZC831 Zet C SOT23 ZC821J3A ZC831A Zet C SOT23 varicap hyperabrupt 28V 15pF@2V J3B ZC831B Zet C SOT23varicap hyperabrupt 28V 15pF@2VJ3D MSB81T1 Mot - vhf pnp fT 0.6GHzJ4A MBV109 Mot C SOT23 29pF VHF varicap diodeJ4 ZC832 Zet C SOT23 ZC823J4A ZC832A Zet C SOT23 varicap hyperabrupt 28V 22pF@2V J4B ZC832B Zet C SOT23 varicap hyperabrupt 28V 22pF@2V J5 ZC834 Zet C SOT23 ZC824J5A ZC834A Zet C SOT23 varicap hyperabrupt 28V 47pF@2V J5B ZC834B Zet C SOT23 varicap hyperabrupt 28V 47pF@2V J6 M1MA174 Mot C - gp Si diode 100VJ6 ZC835 Zet C SOT23 ZC825J6A ZC835A Zet C SOT23 varicap hyperabrupt 28V 68pF@2VJ6B ZC835B Zet C SOT23 varicap hyperabrupt 28V 68pF@2V J7 ZC836 Zet C SOT23 ZC826J7A ZC830A Zet C SOT23 varicap hyperabrupt 28V 100pF@2VJ7B ZC830B Zet C SOT23 varicap hyperabrupt 28V 100pF@2VJ8 BCX71JR Phi R SOT23R BCY79-ixJ9A ZC829A Zet I SOT23 varicap hyperabrupt 28V 8.2pF@2V J9B ZC829B Zet I SOT23 varicap hyperabrupt 28V 8.2pF@2V J12 SO2906AR - R - 2N2906AJ32 SO5400R SGS R - 2N5400J33 SO5401R SGS R - 2N5401J39 SO692R SGS - - pnp Vce 300VJA BAV74 Zet B SOT23 dual diode cc 50V 0.1AJA BAV74 Mot B SOT23 dual sw diodesJBs BAR74 Sie C SOT23 fast sw diode 50V 0.25AJCs BAL74 Sie V SOT23 fast sw diode 50V 0.25AJFs BAL99 Sie V SOT23 fast sw diode 70V 0.25AJG BAR99 Sie E - fast sw diode 70V 0.25AJKs BF1009 Sie W SOT143 biased n-ch dg mosfet 1GHz 9V JLs BF1009S Sie W SOT143 biased n-ch dg mosfet 1GHz 9V JL MRF949 Mot N SOT323 npn RF fT 9GHzJPs BAS19 Sie C SOT23 120V 250mA fast sw diodeJPs BAW101 Sie S SOT143 pair isolated 300V sw diodesJRs BAS20 Sie C SOT23 150V 250mA fast sw diodeJSs BAS21 Sie C SOT143 200V 250mA fast sw diodeJS BAW100 Sie Y SOT143 dual isolated fast sw diodesJTs BAS28 Sie S SOT143 dual isolated fast sw diodesJTs BAS28W Sie FQ SOT343 dual isolated fast sw diodesJV BAS116 Sie C SOT23 250V 75mA Ir 5nAJX BAV170 Mot B SOT23 dual cc Si diode low IrJY BAV199 Mot D SOT23 dual series Si diode low IrJZ BAW156 Mot A SOT23 dual ca Si diode low IrCode Device Manufacturer Base Package Leaded Equivalent/DataK BAT68-03W Sie I SOD323 BAT68 SchottkyK BBY52-02W Sie I SCD80 UHF varicap 1.75-1.25pFK MRF917 Mot N SOT323 npn RF fT 6GHzK0 HSMP-3830 HP C SOT23 gp pin diode HP3830K1 HSMP-3831 HP K SOT23 gp pin diode HP3830K1p BCW71 Phi N SOT23 BC107AK1t BCW71 Phi N SOT23 BC107AK1 BCW71 Phi N SOT23 BC107AK2p BCW72 Phi N SOT23 BC107B ZXT300K2t BCW72 Phi N SOT23 BC107B ZXT300K2 BCW72 Phi N SOT23 BC107B ZXT300K2 HSMP-3832 HP D SOT23 dual HP3830 pin diodeK3 HSMP-3833 HP A SOT23 dual HP3830 pin diodeK3 BCW81 Phi N SOT23 npn 50V 0.1A 0.2W hfe 420K3p BCW81 Phi N SOT23 npn 50V 0.1A 0.2W hfe 420K3t BCW81 Phi N SOT23 npn 50V 0.1A 0.2W hfe 420K4 BCW71R Phi R SOT23R BC107AK4 HSMP-3834 HP B SOT23 dual HP3830 pin diodeK5 BCW72R Phi R SOT23R BC107B ZTX300K6 BCV71R Phi R SOT23R BC546AK7 BCV71 Phi N SOT23 BC546AK7p BCV71 Phi N SOT23 BC546AK7t BCV71 Phi N SOT23 BC546AK8 BCV72 Phi N SOT23 BC546BK8p BCV72 Phi N SOT23 BC546BK8t BCV72 Phi N SOT23 BC546BK9 BCV72R Phi R SOT23R BC546BK14 DTA114GE Roh N EMT3 pnp dtr 50V 100mA R2 10k K14 DTA114GUA Roh N SC70 pnp dtr 50V 100mA R2 10k K14 DTA114GKA Roh N SC59 pnp dtr 50V 100mA R2 10k K15 DTA124GKA Roh N SC59 pnp dtr 50V 50mA R2 22k K16 DTA144GUA Roh N SC70 npn dtr 50V 100mA R2 47k K16 DTA144GKA Roh N SC59 npn dtr 50V 100mA R2 47kK19 DTA115GUA Roh N SC70 npn dtr 50V 100mA R2 100k K19 DTA115GKA Roh N SC59 npn dtr 50V 100mA R2 100k K24 DTC114GUA Roh N SC70 npn dtr 50V 100mA R2 22k K24 DTC114GKA Roh N SC59 npn dtr 50V 100mA R2 22k K25 DTA124GUA Roh N SC70 pnp dtr 50V 50mA R2 22k K25 DTA124GKA Roh N SC59 pnp dtr 50V 50mA R2 22k K26 DTC144GE Roh N EMT3 npn dtr 50V 100mA R2 47kK26 DTC144GUA Roh N SC70 npn dtr 50V 100mA R2 47kK26 DTC144GKA Roh N SC59 npn dtr 50V 100mA R2 47kK29 DTC115GUA Roh N SC70 npn dtr 50V 100mA R2 100k K29 DTC115GKA Roh N SC59 npn dtr 50V 100mA R2 100k K31 BCW81R Phi R - npn 50V 0.1A 0.2W hfe 420KB MMBT8099L Mot N SOT23 npn 80V gpKC BFQ29P Sie N - BFT66KM BST80 Phi T - VN10KN BST84 Phi T - Nch VMOS 200V 0.25AKO BST86 Phi T - nch VMOS 180V 0.3ACode Device Manufacturer Base Package Leaded Equivalent/DataL BAT62-03W Sie I SOD323 BAT62 schottky detectorL BBY53-02W Sie I SCD80 varicap 5.3-2.2 pFL0 HSMP-386B HP C SOT323 gp RF pin diodeL0 HSMP-3860 HP C SOT23 dual series pin diodeL0 BAT721S Phi C SOT23 dual series 40V 200mA schottkyL05 ZLLS500 Zet C SOT23 schottky 40V 0.7A low leakage high tempL1 BSS65 Zet N - pnp 12V 0.1A 400MHz swL10 ZLLS1000 Zet C SOT23 schottky 40V 1.1A low leakage high tempL2 HSMP-3862 HP D SOT23 dual RF pin diodeL2 BSS69 Zet N - pnp 40V 0.1A 200MHz swL3 BSS70 Zet N - pnp 40V 0.1A 200MHz swL3 MMBC1623L3 Mot N - npn 40V gpL3 HSMP-3863 HP A SOT23 ca gp RF pin diodeL4 HSMP-3864 HP B SOT23 cc gp RF pin diodeL4 BAT54W Phi C SOT323 BAT85 schottkyL4p BAT54 Phi C SOT23 BAT85 schottkyL4Z BAT54 Zet C SOT23 BAT85 schottkyL4 MMBC1623L4 Mot N - npn 40V gpL5 BSS65R Zet R - pnp 12V 0.1A 400MHz swL5 MMBC1623L5 Mot N - MPS3904 hfe 135-270L6 BAR17 Sie C - pin diodeL6 BSS69R Zet N - pnp 40V 0.1A 200MHz swL6 MMBC1623L6 Mot N - MPS3904 hfe 200-400L7 BSS70R Zet N - pnp 40V 0.1A 200MHz swL7 MMBC1623L7 Mot N - MPS3904 hfe 300-600L7 BAR14-1 Sie D - dual pin 100mA maxL8 BAT721A Phi A SOT23 dual c anode 40V 200mA schottky L8 BAR15-1 Sie A - dual pin 100mA maxL9 BAT721C Phi B SOT23 dual c cathode 40V 200mA schottky L9 BAR16-1 Sie B - dual pin 100mA maxL14 DTB114GK Rho N SC59 pnp dtr 0.5A, R2 10kL20 BAS29 Nat C SOT23 Si diode 120V 50mAL21 BAS31 Nat D SOT23 dual BAS29 diodesL22 BAS35 Nat A SOT23 dual BAS29 diodesL14 DTD114GK Rho N SC59 npn dtr 0.5A, R2 10kL30 BAV23 Phi S SOT143 dual 200V 225mA diodesL41 BAT74 Phi S SOT143 2x BAT85L42p BAT54A Phi A SOT23 dual c anode schottkyL43p BAT54C Phi B SOT23 dual c cathode schottkyL44p BAT54S Phi D SOT23 dual series schottkyL51 BAS56 Phi S SOT143 dual 60V 200mA diodesLAp BF550 Phi N SOT23 pnp 40V 25mALB S525T Tfk G - n-ch vhf mosfet 200MHzLBs BF999 Sie G SOT23 n-ch vhf mosfet 300MHzLDs BF543 Sie G SOT23 n-ch vhf mosfet 300MHzLEs BF660 Sie N SOT23 BF606A pnp vhf osc fT 800MHzLGs BF775A Sie N SOT23 npn RF fT 5.6GHz for IF ampLHs BF569 Sie N SOT23 BF970 pnp RFLKs BF799 Sie N SOT23 BF959LKs BF799W Sie N SOT323 BF959LH BF569R Tfk R - BF970 pnp RFLM BST120 Phi T - p-ch DMOSfet 60V 0.3ALN BST122 Phi T - p-ch DMOSfet 50V 0.25ALKs BF799 Sie N SOT23 BF959LKs BF799W Sie N SOT323 BF959LOs BF775 Sie N SOT23 BFQ69LOs BF775W Sie N SOT323 BFQ69LRs BF517 Sie T SOT23 BF763 2.5 GHzLSs BF770A Sie NSOT23 npn low noise RF, Ft 6GHzCode Device Manufacturer Base Package Leaded Equivalent/DataM (blue) BAR65-03W Sie I SOD323 pin diodeM (white) BBY55-03W Sie I SOD323 5.4-2.3pF varicap inM BAR64-02W Sie I SCD80 pin diodeM BAR65-07 Sie S SOT143 dual pin diodeM08 PMBFJ308 Phi F SOT23 VHF n-ch JFET J308M09 PMBFJ309 Phi F SOT23 VHF n-ch JFET J309M10 PMBFJ310 Phi F SOT23 VHF n-ch JFET J310M1 BFR30 Phi F SOT23 BFW11 BF245M1B MMBT2222L Mot N SOT23 2N2222M1E MMBTA43L Mot N SOT23 MPSA43 200V Vce npnM1F MMBT5550L Mot N SOT23 2N5550 npn 140VM1J MMBT2369L Mot N SOT23 2N2369AM2 BFR31 Phi F SOT23 BFW12 BF245M2B MMBT2907L Mot N SOT23 2N2907 pnp gpM2C MMBTA70L Mot N SOT23 gp pnp MPSA70M3 BFT46 Phi F SOT23 n-ch fet gp low level ampM3 MMBA812M3 Mot N - 2N5086 hfe 60-120 pnpM3A MMBTH24L Mot N SOT23 npn VHF amp 400MHz fT 30V M3B MMBT918L Mot N SOT23 2N918 UHF ampM3J MMBTH69L Mot N SOT23 pnp VHF amp 2GHz fT 15V M4 BSR56 Phi F - 2N4856 n-ch fetM4 MBD110DW Mot DL SOT363 dual UHF schottkyM4A MMBV109 Mot C SOT323 Hyperabrupt varicapM4B MMBV432 Mot B SOT23 dual cc varicap 45pF/2VM4C MMBV3102 Mot C SOT23 Hyperabrupt varicapM4E MMBV105G Mot C SOT23 Hyperabrupt varicapM4F MMBD353 Mot D SOT23 dual MBD101 in seriesM4G MMBV2101 Mot C SOT23 varicap 6.8pF MV2101M5 BSR57 Phi F - 2N5457 n-ch fetM5 MMBA812M5 Mot N - 2N5086 hfe 135-270 pnpM5C MMBD7000 Mot D SOT23 100V 2x series sw diodesM5 MMBD352W Mot Z SOT323 2x MBD101 in seriesM6 BSR58 Phi F SOT23 2N4858 n-ch fetM6 MMBA812M6 Mot N - 2N5086 hfe 200-400 pnpM6 BSS66 Zet N - npn 40V 0.1A sw fT 250MHzM6A MMBF4416 Mot F SOT23 2N4416 n-ch rf jfetM6B MMBF5484Mot F SOT23 2N5484 n-ch rf jfetM6C MMBFU310 Mot F SOT23 U310 n-ch rf jfetM6E MMBF5460 Mot F SOT23 2N5460 n-ch rf jfet。
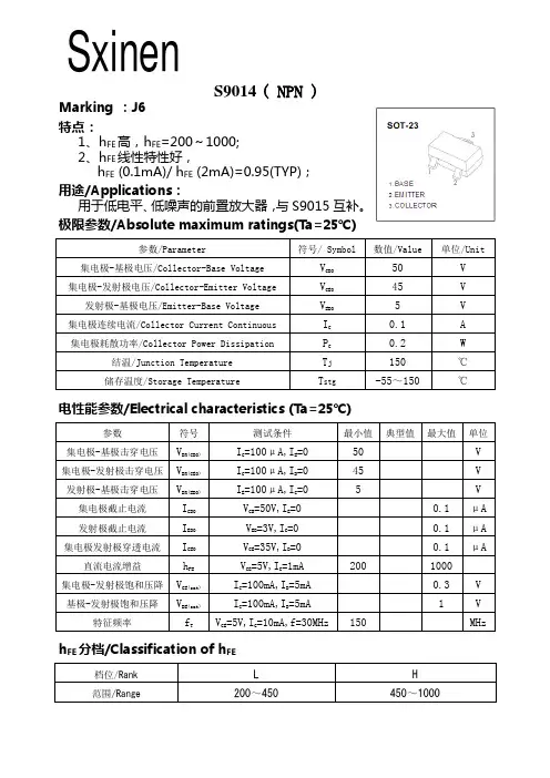
S9014 ( NPN )Marking :J6特点 :1、h FE 高,h FE =200~1000;2、h FE 线性特性好,h FE(0.1mA)/ h FE (2mA)=0.95(TYP); 用途/Applications : 用于低电平、低噪声的前置放大器,与S9015互补。
极限参数/Absolute maximum ratings(Ta=25℃)参数/Parameter符号/ Symbol数值/Value单位/Unit集电极-基极电压/Collector-Base Voltage V CBO 50 V 集电极-发射极电压/Collector-Emitter VoltageV CEO 45 V 发射极-基极电压/Emitter-Base Voltage V EBO 5 V 集电极连续电流/Collector Current Continuous I C 0.1 A 集电极耗散功率/Collector Power DissipationP C 0.2 W 结温/Junction Temperature T j 150 ℃ 储存温度/Storage TemperatureT stg-55~150℃电性能参数/Electrical characteristics (Ta=25℃)参数符号测试条件最小值 典型值 最大值 单位集电极-基极击穿电压V BR(CBO) I C =100μA,I E =0 50 V 集电极-发射极击穿电压 V BR(CEO) I C =100μA,I B =0 45 V 发射极-基极击穿电压 V BR(EBO) I E =100μA,I C =0 5 V 集电极截止电流 I CBO V CB =50V,I E =0 0.1 μA 发射极截止电流 I EBO V EB =3V,I C =0 0.1 μA 集电极发射极穿透电流I CEO V CE =35V,I B =0 0.1 μA 直流电流增益h FE V CE =5V,I C =1mA 200 1000 集电极-发射极饱和压降 V CE(sat) I C =100mA,I B =5mA 0.3 V 基极-发射极饱和压降V BE(sat) I C =100mA,I B =5mA 1 V 特征频率f TV CE =5V,I C =10mA,f=30MHz150MHzh FE 分档/Classification of h FE档位/Rank L H 范围/Range200~450450~1000Sxinen智芯恒参考价:0.018典型特性曲线图/Typical CharacteristicsSxinen。
2SA晶体管数据大全型号参数用途2SA100锗PNP40V10mA60mW20MHz*K普通射频\中频放大2SA10002SA1001硅PNP130V8A80W音频放大\开关及功率放大2SA1002硅PNP120V12A120W音频放大\开关及功率放大2SA1003硅PNP150V12A120W音频放大\开关及功率放大2SA1004硅PNP40V100mA310mW200MHz普通用途2SA1005硅PNP40V30mA250mW普通用途2SA1006硅PNP250V1.5A25W音频放大\开关及功率放大2SA1006A硅PNP250V1.5A25W*K音频放大\开关及功率放大2SA1006B硅PNP250V1.5A25W*K音频放大\开关及功率放大2SA1007硅PNP150V10A100W*K音频放大\开关及功率放大2SA1007A硅PNP150V10A100W功率.开关电?2SA1008硅PNP100V2A15W*K音频放大\开关及功率放大2SA1009硅PNP350V2A15W音频放大\开关及功率放大2SA1009A硅PNP400V2A15W音频放大\开关及功率放大2SA101锗PNP40V10mA60mW15MHz普通射频\中频放大2SA1010硅PNP100V7A40W*K音频放大\开关及功率放大2SA1011硅PNP180V1.5A25W*K功率放大\开关管2SA1012硅PNP60V5A25W*K音频放大\开关及功率放大2SA1013硅PNP160V1A0.9W*K视频输出管2SA1013拆硅PNP160V1A0.9W*K视频输出管2SA1013合资硅PNP160V1A0.9W*K视频输出管2SA1014硅PNP160V1A10W*K视频输出管2SA1014H硅PNP160V1A10W*K普通用途2SA1015硅PNP50V0.15A0.4W*K2SA1015拆硅PNP50V0.15A0.4W*K普通用途2SA1016硅PNP120V50mA400mW*K低噪声管2SA1016K硅PNP120V0.05A0.4W普通用途2SA1017硅PNP120V50mA500mW*K普通用途2SA1018硅PNP250V70mA750mW*K视频输出管2SA1019硅PNP150V50mA750mW*K普通用途2SA102锗PNP40V10mA60mW25MHz普通射频\中频放大2SA1020硅PNP50V2A0.9W*K低频开关管2SA1021硅PNP150V1.5A20W*K音频放大\开关及功率放大2SA1022硅PNP30V30mA200mW150MHz*K超小型低噪声管2SA1023硅PNP70V100mA250mW180MHz*K普通用途2SA1024硅PNP400V100mA400mW*K开关管2SA1025硅PNP60V100mA400mW90MHz*K普通用途2SA1025D硅PNP60V0.1A90MHz普通用途2SA1025E硅PNP60V0.1A90MHz普通用途2SA1026硅PNP50V0.2A0.25W普通用途2SA1027硅PNP50V200mA250mW低噪声管2SA1028硅PNP100V10A95W*K音频放大\开关及功率放大2SA1029硅PNP30V100mA200mW280MHz*K普通用途2SA1029B硅PNP30V0.1A200MHz普通用途2SA1029C硅PNP30V0.1A200MHz普通用途2SA1029D硅PNP30V0.1A200MHz普通用途2SA103锗PNP40V10mA60mW35MHz普通射频\中频放大2SA1030硅PNP55V100mA200mW280MHz*K普通用途2SA1030B硅PNP55V0.1A280MHz普通用途2SA1030C硅PNP55V0.1A280MHz普通用途2SA1031硅PNP30V100mA200mW280MHz*K低噪声管2SA1031B硅PNP30V0.1A280MHz普通射频放大2SA1031C硅PNP30V0.1A280MHz普通射频放大2SA1031D硅PNP30V0.1A280MHz普通射频放大2SA1032硅PNP55V100mA200mW180MHz*K低噪声管2SA1032B硅PNP55V0.1A280MHz普通射频放大2SA1032C硅PNP55V0.1A280MHz普通射频放大2SA1033硅PNP30V100mA310mW280MHz*K普通用途2SA1034硅PNP35V50mA200mW*K超小型低噪声管2SA1035硅PNP55V50mA200mW*K超小型低噪声管2SA1036硅PNP40V0.5A200MHz*K超小型三极管2SA1036K硅PNP32V0.5A0.2Wβ≥82贴片驱动三极管2SA1037硅PNP50V100mA200mW140MHz*K超小型低噪声管2SA1037AK硅PNP50V0.15A0.15Wβ≥120贴片普通三极管2SA1038硅PNP120V50mA300mW*K低噪声管2SA1039硅PNP80V50mA300mW*K低噪声管2SA104锗PNP40V10mA60mW50MHz普通射频\中频放大2SA1040硅PNP120V10A100W*K功率放大\开关管2SA1041硅PNP120V15A100W*K功率放大\开关管2SA1042硅PNP70V15A100W*K功率放大\开关管2SA1043硅PNP120V30A150W*K功率放大\开关管2SA1044硅PNP70V30A150W*K功率放大\开关管2SA1045硅PNP100V10A100W*K达林顿功率放大管2SA1046硅PNP100V15A100W*K达林顿功率放大管2SA1047硅PNP160V80mA1W*K音频放大\视频输出2SA1048硅PNP50V150mA200mW*K低噪声管2SA1049硅PNP120V100mA200mW*K低噪声管2SA105锗PNP6V10mA80mW75MHz普通射频2SA1050硅PNP140V12A100W*K音频放大\开关及功率放大2SA1050A硅PNP140V12A120W*K音频放大\开关及功率放大2SA1051硅PNP150V15A150W*K音频放大\开关及功率放大2SA1051A硅PNP160V15A150W*K音频放大\开关及功率放大2SA1051K硅PNP32V1.0A0.20Wβ≥82贴片驱动三极管2SA1052硅PNP30V100mA150mW280MHz超小型三极管2SA1052B硅PNP30V0.1A0.15W普通用途2SA1052C硅PNP30V0.1A0.15W普通用途2SA1052D硅PNP30V0.1A0.15W普通用途2SA1053硅PNP40V200mA600mW<70/300ns开关管2SA1054硅PNP60V600mA600mW<35/225ns开关管2SA1055硅PNP25V200mA600mW<70/300ns开关管2SA1056硅PNP40V600mA600mW<35/225ns开关管2SA1057硅PNP20V50mA300mW4GHz用于UHF频段及射频2SA1058硅PNP20V50mA250mW2.5GHz用于UHF频段及射频2SA1059硅PNP20V30mA250mW对称孪生三极管2SA106锗PNP6V10mA80mW30MHz普通射频2SA1060硅PNP80V5A60W*K音频放大\开关及功率放大2SA1061硅PNP100V6A70W*K音频放大\开关及功率放大2SA1062硅PNP120V7A80W*K音频放大\开关及功率放大2SA1063硅PNP150V6A80W*K音频放大\开关及功率放大2SA1064硅PNP150V8A100W*K音频放大\开关及功率放大2SA1065硅PNP150V10A120W*K音频放大\开关及功率放大2SA1066硅PNP70V200mA500mW*K普通用途2SA1067硅PNP120V10A100W音频放大\开关及功率放大2SA1068硅PNP150V10A100W音频放大\开关及功率放大2SA1069硅PNP80V5A30W*K音频放大\开关及功率放大2SA1069A硅PNP80V5A30W*K音频放大\开关及功率放大2SA107锗PNP6V10mA80mW20MHz普通射频2SA10702SA10712SA1072硅PNP120V12A120W*K音频放大\开关及功率放大2SA1072A硅PNP150V12A120W*K音频放大\开关及功率放大2SA1073硅PNP160V15A150W*K音频放大\开关及功率放大2SA1074硅PNP160V15A150W*K音频放大\开关及功率放大2SA1075硅PNP120V12A120W*K音频放大\开关及功率放大2SA1076硅PNP160V12A120W*K音频放大\开关及功率放大2SA1077硅PNP120V10A60W*K音频放大\开关及功率放大2SA1078硅PNP120V2A25W*K音频放大\开关及功率放大2SA1079硅PNP160V2A25W*K音频放大\开关及功率放大2SA108锗PNP20V10mA80mW50MHz普通射频2SA1080硅PNP40V500mA20W*K音频放大\开关及功率放大2SA1081硅PNP90V100mA400mW*K普通用途2SA1081D硅PNP90V0.1A0.4W普通用途2SA1081E硅PNP90V0.1A0.4W普通用途2SA1082硅PNP120V100mA0.4W*K普通用途2SA1082D硅PNP120V0.1A0.4W普通用途2SA1082E硅PNP120V0.1A0.4W普通用途2SA1083硅PNP60V100mA400mW*K低噪声管2SA1083D硅PNP60V0.1A0.4W普通用途2SA1083E硅PNP60V0.1A0.4W普通用途2SA1084硅PNP90V100mA400mW*K低噪声管2SA1084D硅PNP90V0.1A0.4W普通用途2SA1084E硅PNP90V0.1A0.4W普通用途2SA1085硅PNP120V100mA400mW*K低噪声管2SA1085D硅PNP120V0.1A0.4W普通用途2SA1085E硅PNP120V0.1A0.4W普通用途2SA10862SA10872SA10882SA10892SA109锗PNP20V10mA89mW45MHz普通射频2SA1090硅PNP60V200mA300mW30/430ns*K低频开关管2SA1091硅PNP300V100mA400mW视频输出管2SA1092硅NP60V50mA250mW*K普通用途2SA1093硅PNP120V8A80W音频/射频/开关或功率放大2SA1094硅PNP140V12A120W*K音频放大\开关及功率放大2SA1095硅PNP160V12A120W*K音频放大\开关及功率放大2SA1096硅PNP150V6A80W音频放大\开关及功率放大2SA1097-1硅PNP100V10A95W音频放大\开关及功率放大2SA1097-2硅PNP130V10A95W音频放大\开关及功率放大2SA10982SA10992SA110锗PNP20V10mA80mW40MHz普通射频2SA1100硅PNP50V200mA300mW低噪声管2SA1100L硅PNP50V0.2A0.3W普通用途2SA11012SA1102硅PNP80V6A60W音频放大\开关及功率放大2SA1103硅PNP100V7A70W音频放大\开关及功率放大2SA1104硅PNP120V8A80W音频放大\开关及功率放大2SA1105硅PNP120V9A90W音频放大\开关及功率放大2SA1106硅PNP140V10A100W音频放大\开关及功率放大2SA1107硅PNP150V10A120W音频放大\开关及功率放大2SA1107A硅PNP150V10A120W音频放大\开关及功率放大2SA1108硅PNP150V12A120W音频放大\开关及功率放大2SA1108A硅PNP150V12A120W音频放大\开关及功率放大2SA1109硅PNP180V10A200W音频放大\开关及功率放大2SA111锗PNP20V10mA80mW30MHz普通射频2SA1110硅PNP120V500mA5W*K音频放大\开关及功率放大2SA1111硅PNP150V1A20W*K音频放大\开关及功率放大2SA1112硅PNP180V1A20W*K音频放大\开关及功率放大2SA1113硅PNP70V200mA200mW对称孪生三极管2SA1114硅PNP70V200mA500mW150MHz低噪声管2SA1114#硅PNP70V0.2A150MHz普通用途2SA1115硅PNP50V200mA300mW200MHz*K低噪声管2SA1116硅PNP200V15A150W*K功率放大\开关管2SA1117硅PNP200V17A200W*K功率放大\开关管2SA1117铁拆硅PNP200V17A200W K*普通用途2SA11182SA11192SA11198S硅PNP80V0.50A0.40W宽频带放大管2SA11199S硅PNP40V0.7A0.3W宽频带放大管2SA112锗PNP20V10mA80mW20MHz普通射频2SA1120硅PNP35V5A10W170MHz音频放大\开关及功率放大2SA1121硅PNP35V500mA150mW*K超小型三极管2SA1121SB硅PNP35V0.5A0.15W普通用途2SA1121SC硅PNP35V0.5A0.15W普通用途2SA1121SD硅PNP35V0.5A0.15W普通用途2SA1122硅PNP55V100mA150mW超小型三极管2SA1122CC硅PNP35V0.1A0.15W普通用途2SA1122CD硅PNP35V0.1A0.15W普通用途2SA1122CE硅PNP35V0.1A0.15W普通用途2SA1123硅PNP150V50mA750mW*K低噪声管2SA1124硅PNP150V50mA1W*K低噪声管2SA1125硅PNP150V50mA1.5W*K普通用途功率放大管2SA1126硅PNP650V100mA750mW*K低噪声管2SA1126H硅PNP0.75W15MHz普通用途2SA1127硅PNP60V100mA400mW*K普通用途2SA1127NC硅PNP60V0.1A0.4W普通用途2SA1128硅PNP25V500mA600mW*K普通用途2SA1129硅PNP30V7A40W音频放大\开关及功率放大2SA113锗PNP34V10mA80mW20MHz普通射频及混频2SA11302SA11312SA11322SA1133硅PNP200V2A30W*K2SA1133A硅PNP200V2A30W*K音频放大\开关及功率放大2SA11342SA1135硅PNP80V4A55W音频放大\开关及功率放大2SA1136硅PNP120V100mA300mW低噪声普通射频2SA1137硅PNP80V10mA300mW低噪声普通射频2SA1138硅PNP80V10mA500mW低噪声管2SA11392SA114锗PNP34V10mA80mW20MHz调幅\中频放大2SA11402SA1141硅PNP115V10A100W*K音频放大\开关及功率放大2SA1142硅PNP180V100mA8W视频输出管2SA1143硅PNP20V50mA200mW普通用途2SA1144硅PNP150V0.05A10W普通射频\视频输出2SA1145硅PNP150V50mA800mW*K普通射频\视频输出2SA1146硅PNP140V10A100W音频放大及普通射频功率放大2SA1147硅PNP180V15A150W音频放大\开关及功率放大2SA1148硅PNP60-180V15A95W2SA11492SA115锗PNP34V10mA80mW20MHz普通射频2SA1150硅PNP35V800mA300mW*K普通用途2SA1151硅PNP60V100mA250mW*K普通用途2SA1152硅PNP80V300mA600mW*K普通射频\开关管2SA1153硅PNP60V500mA600mW*K普通射频\开关管2SA1154硅PNP60V700mA1W*K普通用途2SA1155硅PNP100V100mA400mW对称孪生三极管2SA1156硅PNP400V500mA40W功率放大\开关管2SA11572SA1158硅PNP80V100mA400mW普通用途2SA11592SA116锗PNP30V10mA80mW120MHz普通射频2SA1160硅PNP20V2A0.9W普通用途2SA1161硅PNP15V30mA200mW用于UHF频段及射频2SA1162硅PNP50V150mA150mW普通用途2SA1163硅PNP120V100mA150mW低噪声管2SA1164硅PNP35V100mA200mW普通射频\开关管2SA1166硅PNP160V15A150W音频放大\开关及功率放大2SA1166A硅PNP180V15A150W音频输出/放大管2SA11672SA11682SA1169硅PNP200V15A150W音频放大\开关及功率放大2SA117锗PNP30V10mA80mW110MHz普通射频及振荡2SA1170硅PNP200V17A200W音频放大\开关及功率放大2SA1171硅PNP90V50mA150mW*K普通用途2SA1171PD硅PNP90V0.05A0.15W200MHz普通用途2SA1171PE硅PNP90V0.05A0.15W200MHz普通用途2SA1172.2SA1173硅PNP140V50mA2W*K超小型三极管2SA1174硅PNP60V50mA300mW低噪声管2SA1175硅PNP60V0.1A0.3W*K普通用途2SA1176硅PNP400V0.5A1W高压管2SA1177硅PNP30V30mA150mW普通射频2SA1178硅PNP150V1A20W音频放大\开关及功率放大2SA1179硅PNP55V150mA200mW180MHz超小型三极管2SA118锗PNP30V10mA80mW100MHz普通射频及混频2SA1180硅PNP150V15A80W功率放大\开关管2SA1180A硅PNP200V10A100W功率放大\开关管2SA1182硅PNP35V500mA150mW普通用途2SA1183硅PNP120V7A70W达林顿功率放大管2SA1184硅PNP120V1A15W音频放大管2SA1185硅PNP50V5A60W音频放大\开关及功率放大2SA1186硅PNP150V10A100W*K音频放大\开关及功率放大2SA1187硅PNP150V12A120W音频放大\开关及功率放大2SA1188硅PNP90V100mA400mW*K普通用途2SA1188D硅PNP90V0.1A0.4W普通用途2SA1188E硅PNP90V0.1A0.4W普通用途2SA1189硅PNP120V100mA400mW*K普通用途2SA1189D硅PNP120V0.1A0.4W普通用途2SA1189E硅PNP120V0.1A0.4W普通用途2SA119硅PNP40V0.3A200MHz普通射频或驱动2SA1190硅PNP90V100mA400mW*K低噪声管2SA1190D硅PNP90V0.1A0.4W普通用途2SA1190E硅PNP90V0.1A0.4W普通用途2SA1191硅PNP120V100mA400mW*K低噪声管2SA1191D硅PNP120V0.1A0.4W普通用途2SA1191E硅PNP120V0.1A0.4W普通用途2SA11922SA1193硅PNP60V500m900mW达林顿管2SA1193K硅PNP60V0.5A0.9W普通用途2SA1194硅PNP60V1A8W达林顿功率放大管2SA1194K硅PNP60V1A8W用于差分放大2SA1195硅PNP160V1.5A15W音频放大\开关及功率放大2SA1196硅PNP400V100mA10W功率放大\开关管2SA1197硅PNP60V1A8W功率放大\开关管2SA1198硅PNP80V50mA400mW普通用途2SA1199硅PNP50V700mA400mW普通用途2SA12锗PNP16V15mA80mW8MHz调幅\中频放大2SA120硅PNP25V300mA650mW200MHz普通射频或驱动2SA1200硅PNP150V50m500mW*K超小型三极管2SA1201硅PNP120V800mA500mW*K超小型三极管2SA1202硅PNP80V400mA500mW*K超小型三极管2SA1203硅PNP30V1.5A500mW*K超小型三极管2SA1204硅PNP35V800mA500mW*K超小型三极管2SA1205硅PNP70V12A100W音频功率放大2SA1206硅PNP15V50mA600mW开关管2SA1207硅PNP180V70mA600mW普通用途2SA1208硅PNP180V70mA900mW*K普通用途2SA1209硅PNP180V70mA10W*K普通用途2SA120A锗PNP40V0.3A200MHz普通射频放大2SA121锗PNP15V2mA15mW100MHz用于FM频段及射频2SA1210拆硅PNP200V140mA10W*K普通用途2SA1211硅PNP35V0.1A0.2W开关管2SA1213硅PNP50V2A500mW*K超小型三极管2SA1214硅PNP60V2A25W音频功率放大2SA1215硅PNP160V15A150W*K音频功率放大2SA1216硅PNP180V17A200W*K音频功率放大2SA1217硅PNP40V3A10W音频放大及普通射频功率放大2SA1218硅PNP60V600mA360mW开关管2SA1219硅PNP60V100mA250mW*K普通用途2SA122锗PNP15V2mA15mW100MHz用于FM频段及射频2SA1220硅PNP120V1.2A20W*K音频放大及普通射频功率放大2SA1220A拆硅PNP160V1.2A20W*K功率放大2SA1221硅PNP160V0.5A1W*K视频输出管2SA1222硅PNP160V500mA1W*K视频输出管2SA1223硅PNP20V50mA300mW4G用于UHF频段及射频2SA1224硅PNP40V250mA800mW2.5G高速开关管2SA1225硅PNP160V1.5A20W*K音频放大及普通射频功率放大2SA1226硅PNP40V30mA200mW超小型三极管2SA1227硅PNP140V12A120W*K音频放大\开关及功率放大2SA1227A硅PNP140V12A120W*K音频放大\开关及功率放大2SA1228硅PNP20V50mA250mW4000MHz用于UHF频段及射频2SA1229硅PNP20V50mA300mW4000MHz对称孪生三极管2SA123锗PNP15V2mA15mW100MHz用于FM频段及射频2SA1230硅PNP15V50mA300mW8000MHz用于UHF频段及射频2SA1231硅PNP15V50mA250mW8000MHz达林顿管2SA1232硅PNP130V10A100W*K音频功率放大2SA1233硅PNP400V100mA10W开关管2SA1233L硅PNP400V0.1A10Wβ≥80开关管2SA12342SA1235硅PNP50V200mA150mW200MHz*K超小型三极管2SA1236硅PNP400V2A15W功率放大\开关管2SA1237硅PNP55V150mA250mW达林顿用于差分放大2SA1238硅PNP55V150mA250mW达林顿用于差分放大2SA1239硅PNP130V50mA250mW达林顿用于差分放大2SA124锗PNP15V2mA120MHz用于FM频段及射频2SA1240硅PNP130V50mA250mW达林顿*K用于差分放大2SA1241硅PNP50V2A1W开关管2SA1242硅PNP35V5A20W170MHz音频放大\开关及功率放大2SA1243硅PNP30V3A20W100MHz*K音频放大\开关及功率放大2SA1244硅PNP60V5A20W*K音频放大\开关及功率放大2SA1245硅PNP15V30mA150mW4000MHz超小型三极管2SA1246硅PNP60V150mA400mW*K普通用途2SA1247硅PNP120V50mA200mW*K超小型低噪声管2SA1248硅PNP180V700mA10W*K音频放大\开关及功率放大2SA1249硅PNP180V1.5A10W*K音频放大\开关及功率放大2SA125锗PNP15V2mA15mW120MHz用于FM频段及射频2SA1250硅PNP200V8A30W功率放大\开关管2SA1251硅PNP400V150mA350mW视频输出管2SA1252硅PNP60V150mA200mW*K超小型三极管2SA1252A硅PNP60V150mA200mW*K2SA1253硅PNP60V200mA250mW*K普通用途2SA1254硅PNP30V30mA400mW*K普通用途2SA1255硅PNP200V50mA150mW*K超小型三极管2SA1256硅PNP30V30mA150mW超小型三极管2SA1257硅PNP180V80mA200mW*K超小型三极管2SA1258硅PNP70V3A20W*K带阻尼达林顿功率放大管2SA1259硅PNP70V5A30W*K带阻尼达林顿功率放大管2SA126锗PNP12V50mA150mW50/110ns开关管2SA1260硅PNP70V7A40W带阻尼达林顿功率放大管2SA1261硅PNP100V10A60W*K功率放大\开关管2SA1262硅PNP60V4A30W*K功率放大\开关管2SA1263硅PNP80V6A60W*K音频功率放大2SA1263N硅PNP80V6A60W普通用途2SA1264硅PNP120V8A80W*K音频功率放大2SA1264N硅PNP120V8A80W普通用途2SA1265硅PNP140V10A100W*K音频功率放大2SA1265N硅PNP140V10A100W功率放大2SA1266硅PNP50V0.15A0.4W普通用途2SA1267硅PNP50V150mA200mW普通用途2SA1268硅PNP120V100mA300mW低噪声管2SA1269硅PNP120V100mA200mW普通用途2SA127锗PNP70V50mA150mW25MHz普通射频2SA1270硅PNP35V500mA500mW普通用途2SA1271硅PNP35V800mA600mW普通用途2SA1272硅PNP35V800mA300mW普通用途2SA1273硅PNP30V2A1W音频放大及驱动?2SA1274硅PNP80V400mA800mW普通用途2SA1275硅PNP160V1A900mW普通用途2SA1276硅PNP30V3A10W音频放大\开关及功率放大2SA1277硅PNP30V3A20W音频放大\开关及功率放大2SA1278硅PNP160V1.5A25W音频放大\开关及功率放大2SA1279硅PNP60V5A25W功率放大\开关管2SA128锗PNP40V600mA170mW>15MHz低频开关管2SA1280硅PNP150V1.5A25W音频放大\开关及功率放大2SA1281硅PNP180V100mA900mW*K普通用途2SA1282硅PNP20V2A900mW80MHz*K音频放大及驱动? 2SA1282A硅PNP20V2A900mW*K音频放大及驱动?2SA1283硅PNP60V1A900mW*K音频放大及驱动?2SA1284硅PNP100V500mA900mW*K普通用途2SA1285硅PNP120V100mA900mW*K普通用途2SA1285A硅PNP150V100mA900mW*K普通用途2SA1286硅PNP30V1.5A900mW*K音频放大及驱动?2SA1286A硅PNP180V15A130W音频放大及驱动?2SA1287硅PNP50V1A0.9W*K音频放大及驱动?2SA1288硅PNP80V3A30W功率放大\开关管2SA1289硅PNP80V5A30W*K功率放大\开关管2SA129锗PNP40V600mA170mW>15MHz低频开关管2SA1290硅PNP80V7A35W*K功率放大\开关管2SA1291硅PNP80V10A40W*K功率放大\开关管2SA1292硅PNP80V15A70W功率放大\开关管2SA1293硅PNP100V5A25W ton<0.2us*K功率放大\开关管2SA1294硅PNP230V15A130W*K音频放大\开关及功率放大2SA1295硅PNP230V17A200W*K音频放大\开关及功率放大2SA1296硅PNP30V2A750mW*K音频放大及驱动?2SA1297硅PNP30V2A400mW*K音频放大及驱动?2SA1298硅PNP30V800mA200mW*K超小型三极管2SA1299硅PNP50V200mA300mW*K低噪声管2SA12H锗PNP16V15mA8MHz用于调幅波段2SA13锗PNP12V15mA80mW8MHz调幅\中频放大2SA130锗PNP9V10mA80mW65MHz普通射频2SA1300硅PNP20V2A750mW音频放大及驱动?2SA1301硅PNP160V12A120W*K音频放大\开关及功率放大2SA1302硅NPN200V15A150W*K音频放大\开关及功率放大2SA1302台湾硅NPN200V15A150W*K2SA1303硅PNP150V14A125W*K音频放大\开关及功率放大2SA1304硅PNP150V1.5A25W*K音频放大\开关及功率放大2SA1305硅PNP30V3A10W*K音频放大\开关及功率放大2SA1306硅PNP160V1.5A20W*K音频放大\开关及功率放大2SA1306A硅PNP160V1.5A20W*K音频放大\开关及功率放大2SA1306B硅PNP200V1.5A20W*K音频放大\开关及功率放大2SA1307硅PNP60V5A20W*K功率放大\开关管2SA1308硅PNP100V5A30W功率放大\开关管2SA1309硅PNP25V100mA300mW*K普通用途2SA1309A硅PNP60V0.1A0.3W80MHzRF信号前置处理器2SA131锗PNP9V10mA100mW45MHz普通射频及振荡2SA1310硅PNP55V50mA300mW低噪声管2SA1311硅PNP60V150mA200mW超小型低噪声管2SA1312硅PNP120V100mA200mW*K超小型低噪声管2SA1313硅PNP50V500mA200mW*K超小型三极管2SA1314硅PNP20V2A500mW音频放大及驱动?2SA1315硅PNP80V2A900mW*K音频放大\开关与驱动2SA1315O硅PNP80V2A0.9W80MHz普通用途2SA1315R硅PNP80V2A0.9W80MHz普通用途2SA1316硅PNP80V0.1A0.4W*K低噪声音频放大2SA1316BL硅PNP80V0.1A0.4W50MHzRF信号前置处理器2SA1316GR硅PNP80V0.1A0.4W50MHzRF信号前置处理器2SA1317硅PNP60V200mA300mW*K普通用途2SA1318硅PNP60V200mA600mW*K普通用途2SA1319硅PNP180V700mA700mW*K普通用途2SA1319R硅PNP180V0.7A0.7W120MHzRF信号前置处理器2SA1319S硅PNP180V0.7A0.7W120MHzRF信号前置处理器2SA1319T硅PNP180V0.7A0.7W120MHzRF信号前置处理器2SA132锗PNP9V10mA100mW50MHz普通射频及混频2SA1320硅PNP250V50mA600mW*K视频输出管2SA1321硅PNP250V50mA900mW*K视频输出管2SA1322硅PNP250V50mA1.2W视频输出管2SA1323硅PNP30V30mA300mW*K普通用途2SA1324硅PNP50V150mA200mW150MHz*K超小型三极管2SA1325硅PNP120V100mA200mW100MHz*K超小型三极管2SA1326硅PNP35V500mA200mW200MHz*K超小型三极管2SA1327硅PNP50V10A20W音频放大\开关及功率放大2SA1327O硅PNP50V10A20W45MHzRF信号前置处理器2SA1327Y硅PNP50V10A20W45MHzRF信号前置处理器2SA1328硅PNP60V12A40W*K功率放大\开关管2SA1328O硅PNP60V12A40W开关管2SA1328Y硅PNP60V12A40W开关管2SA1329硅PNP80V12A40W*K功率放大\开关管2SA1329O硅PNP80V12A40W开关管2SA1329Y硅PNP80V12A40W开关管2SA133锗PNP9V10mA80mW40MHz调幅\中频放大2SA1330硅PNP200V100mA200mW120MHz*K超小型开关管2SA1330(05)硅PNP200V0.1A0.2W高频放大/开关管2SA1330(06)硅PNP200V0.1A0.2W高频放大/开关管2SA1330(07)硅PNP200V0.1A0.2W高频放大/开关管2SA1331硅PNP60V150mA150mW100MHz*K超小型开关管2SA1331-4硅PNP60V0.15A0.15W100MHz开关管2SA1331-5硅PNP60V0.15A0.15W100MHz开关管2SA1331-6硅PNP60V0.15A0.15W100MHz开关管2SA1332硅PNP160V1.5A20W音频放大\开关及功率放大2SA1333硅PNP200V15A150W音频放大\开关及功率放大2SA1334硅PNP30V800mA600mW普通用途2SA1335硅PNP120V100mA200mW低噪声管2SA1335BL硅PNP120V0.1A0.2W100MHz高频放大/音频放大管2SA1335GR硅PNP120V0.1A0.2W100MHz高频放大/音频放大管2SA1336硅PNP20V2A700mW普通用途2SA1337硅PNP55V100mA300mW普通用途2SA1337B硅PNP55V0.1A0.3W200MHzRF信号前置处理器2SA1337C硅PNP55V0.1A0.3W200MHzRF信号前置处理器2SA1338硅PNP60V500mA200mW*K超小型三极管2SA1338AL4硅PNP60V0.5A0.2W200MHz音频放大/开关管2SA1338AL5硅PNP60V0.5A0.2W200MHz音频放大/开关管2SA1338AL6硅PNP60V0.5A0.2W200MHz音频放大/开关管2SA1338AL7硅PNP60V0.5A0.2W200MHz音频放大/开关管2SA1338AY4硅PNP60V0.5A0.2W200MHz音频放大/开关管2SA1338AY5硅PNP60V0.5A0.2W200MHz音频放大/开关管2SA1338AY6硅PNP60V0.5A0.2W200MHz音频放大/开关管2SA1338AY7硅PNP60V0.5A0.2W200MHz音频放大/开关管2SA1339硅PNP60V500mA200mW*K开关管2SA1339R硅PNP60V0.5A200MHz普通用途2SA1339S硅PNP60V0.5A200MHz普通用途2SA1339T硅PNP60V0.5A200MHz普通用途2SA1339U硅PNP60V0.5A0.3W200MHz普通用途2SA134锗PNP20V10mA80mW140MHz普通射频\中频放大2SA1340硅PNP55V0.1A0.4W普通用途2SA1340B硅PNP55V0.1A0.4W200MHzRF信号前置处理器2SA1340C硅PNP55V0.1A0.4W200MHzRF信号前置处理器2SA1341硅PNP50V100mA200mW带阻尼*K超小型开关管2SA1342硅PNP50V100mA200mW带阻尼*K超小型开关管2SA1343硅PNP50V100mA200mW带阻尼*K超小型开关管2SA1344硅PNP50V100mA200mW带阻尼*K超小型开关管2SA1345硅PNP50V100mA300mW带阻尼*K开关管2SA1346硅PNP50V100mA300mW带阻尼*K开关管2SA1347硅PNP50V100mA300mW带阻尼*K开关管2SA1348硅PNP50V100mA300mW Rb=10K Re=10K带阻尼开关管*K开关管2SA1349硅PNP80V100mA400mW低噪声管2SA135锗PNP20V10mA80mW150MHz普通射频\中频放大2SA1350硅PNP40V100mA300mW普通用途2SA1350B硅PNP40V0.1A0.3W200MHzRF信号前置处理器2SA1350C硅PNP40V0.1A0.3W200MHzRF信号前置处理器2SA1350D硅PNP40V0.1A0.3W200MHzRF信号前置处理器2SA1351硅PNP40V0.1A0.4W普通用途2SA1351B硅PNP40V0.1A0.4W200MHzRF信号前置处理器2SA1351C硅PNP40V0.1A0.4W200MHzRF信号前置处理器2SA1351D硅PNP40V0.1A0.4W200MHzRF信号前置处理器2SA1352硅PNP200V100mA1.2W*K视频输出管2SA1352C硅PNP200V0.1A5W70MHz普通用途2SA1352D硅PNP200V0.1A5W70MHz普通用途2SA1352E硅PNP200V0.1A5W70MHz普通用途2SA1352F硅PNP200V0.1A5W70MHz普通用途2SA1353硅PNP300V100mA1.2W*K视频输出管2SA1354硅PNP400V100mA1.2W视频输出管2SA1355硅PNP70V4A30W音频放大\开关及功率放大2SA1356硅PNP40V800mA5W*K音频放大\开关及功率放大2SA1356O硅PNP40V0.8A1.2W100MHzRF信号前置处理器2SA1356Y硅PNP40V0.8A1.2W100MHzRF信号前置处理器2SA1357硅PNP35V5A10W音频放大\开关及功率放大2SA1357O硅PNP35V5A1.5W170MHzRF信号前置处理器2SA1357Y硅PNP35V5A1.5W170MHzRF信号前置处理器2SA1358硅PNP120V1A10W*K音频放大\开关及功率放大2SA1358O硅PNP120V1A1.5W120MHzRF信号前置处理器2SA1358Y硅PNP120V1A1.5W120MHzRF信号前置处理器2SA1359硅PNP40V3A10W*K音频放大\开关及功率放大2SA1359Y硅PNP40V3A1.5W100MHzRF信号前置处理器2SA136锗PNP6V10mA80mW10MHz普通射频2SA1360硅PNP150V0.05A5W视频输出管2SA1360O硅PNP150V0.05A1.2W200MHzRF信号前置处理器2SA1360Y硅PNP150V0.05A1.2W200MHzRF信号前置处理器2SA1361硅PNP250V50mA1.5W视频输出管2SA1362硅PNP15V800mA200mW超小型三极管2SA1362BL硅PNP15V0.8A0.2W120MHzRF信号前置处理器2SA1362GR硅PNP15V0.8A0.2W120MHzRF信号前置处理器2SA1362R硅PNP15V0.8A0.2W120MHzRF信号前置处理器2SA1363硅PNP20V2A500mW*K超小型三极管2SA1364硅PNP60V1A500mW*K超小型三极管2SA1365硅PNP25V700mA150mW*K超小型三极管2SA1366硅PNP55V400mA150mW*K超小型三极管2SA1367硅PNP50V100mA300mW普通用途2SA1368硅PNP100V500mA500mW*K超小型三极管2SA1369硅PNP30V1.5A500mW*K超小型三极管2SA137锗PNP6V10mA80mW5MHz普通射频2SA1370硅PNP200V100mA1W*K视频输出管2SA1370C硅PNP200V0.1A1W150MHz功率放大2SA1370D硅PNP200V0.1A1W150MHz功率放大2SA1370E硅PNP200V0.1A1W150MHz功率放大2SA1370F硅PNP200V0.1A1W150MHz功率放大2SA1371硅PNP300V100mA1W*K视频输出管2SA1371C硅PNP300V0.1A1W150MHz功率放大2SA1371D硅PNP300V0.1A1W150MHz功率放大2SA1371E硅PNP300V0.1A1W150MHz功率放大2SA1371F硅PNP300V0.1A1W150MHz功率放大2SA1372硅PNP400V100mA1W视频输出管2SA1373硅PNP60V200mA400mW普通用途2SA1374硅PNP50V100mA300mW普通用途2SA1374B硅PNP55V0.1A0.3W250MHzRF信号前置处理器2SA1374D硅PNP55V0.1A0.3W250MHzRF信号前置处理器2SA1375硅PNP250V70mA10W视频输出管2SA1376硅PNP200V50mA750mW*K视频输出管2SA1376A硅PNP200V100mA750mW*K视频输出管2SA1376AK硅PNP200V0.1A0.75W120MHz普通用途2SA1376AL硅PNP200V0.1A0.75W120MHz普通用途2SA1376AU硅PNP200V0.1A0.75W120MHz普通用途2SA1376K硅PNP200V0.1A0.75W120MHz普通用途2SA1376L硅PNP200V0.1A0.75W120MHz普通用途2SA1376U硅PNP200V0.1A0.75W120MHz普通用途2SA1377硅PNP50V100mA300mW普通用途2SA1378硅PNP35V500mA300mW普通用途2SA1379硅PNP600V800mA10W功率放大\开关管2SA138锗PNP20V25mA175mW15MHz普通射频\开关管2SA1380硅PNP200V100mA1.2W*K视频输出管2SA1381硅PNP300V100mA1.2W*K视频输出管2SA1382硅PNP50V2A900mW开关管2SA1383硅PNP180V100mA10W*K音频放大\开关及功率放大2SA1384硅PNP300V100mA1W*K视频输出管2SA1385硅PNP60V5A10W音频放大\开关及功率放大2SA1385K硅PNP60V5A1W普通用途2SA1385L硅PNP60V5A1W普通用途2SA1386A拆硅PNP180V15A130W*K音频放大\开关及功率放大2SA1387硅PNP60V5A25W功率放大\开关管2SA1388硅PNP100V5A25W功率放大\开关管2SA1389硅PNP160V12A120W音频放大\开关及功率放大2SA139锗PNP20V50mA8MHz普通射频\开关管2SA1390硅PNP35V500mA300mW普通用途2SA1390B硅PNP35V0.5A0.3W120MHzRF信号前置处理器2SA1390C硅PNP35V0.5A0.3W120MHzRF信号前置处理器2SA1390D硅PNP35V0.5A0.3W120MHzRF信号前置处理器2SA1391硅PNP60V200mA400mW*K低噪声管2SA1392硅PNP60V200mA500mW*K普通用途2SA1393硅PNP120V1.5A20W音频放大\开关及功率放大2SA1394硅PNP80V5A25W*K功率放大\开关管2SA1394K硅PNP80V5A2W普通用途2SA1394L硅PNP80V5A2W普通用途2SA1394M硅PNP80V5A2W普通用途2SA1395硅PNP100V2A15W*K功率放大\开关管2SA1395K硅PNP100V2A2W普通用途2SA1395L硅PNP100V2A2W普通用途2SA1395M硅PNP100V2A2W普通用途2SA1396硅PNP100V10A30W*K功率放大\开关管2SA1396L硅PNP100V10A2W普通用途2SA1396M硅PNP100V10A2W普通用途2SA1397硅PNP400V2A15W功率放大\开关管2SA1398硅PNP25V700mA900mW*K普通用途2SA1399硅PNP65V400mA900mW*K普通用途2SA14锗PNP16V15mA80mW4MHz普通射频\中频放大2SA1400硅PNP400V500mA10W*K功率放大\开关管2SA1401硅PNP60V5A10W功率放大\开关管2SA1402硅PNP80V0.3A1.2W700MHz*K用于VHF频段及射频2SA1403硅PNP80V500mA1.2W800MHz*K用于VHF频段及射频2SA1404硅PNP120V200mA1.2W500MHz*K用于VHF频段及射频2SA1405硅PNP120V300mA1.2W500MHz*K用于VHF频段及射频2SA1406硅PNP200V0.1A1.2W400MHz*K用于VHF频段及射频2SA1407硅PNP200V150mA1.2W400MHz*K用于VHF频段及射频2SA1408硅PNP150V1.5A1.5W*K普通射频\功率放大2SA1409硅PNP25V150mA250mWβ=1000普通用途2SA1409K硅PNP25V0.15A0.25W200MHz音频放大/开关管2SA1409L硅PNP25V0.15A0.25W200MHz音频放大/开关管2SA141锗PNP15V15mA80mW4MHz调幅\中频放大2SA1410硅PNP25V150mA250mWβ=1000*K普通用途2SA1410K硅PNP25V0.15A0.25W200MHz音频放大/开关管2SA1410L硅PNP25V0.15A0.25W200MHz音频放大/开关管2SA1411硅PNP25V150mA200mWβ=1000*K超小型三极管2SA1411M15硅PNP25V0.15A0.25W200MHz音频放大/开关管2SA1411M16硅PNP25V0.15A0.25W200MHz普通用途2SA1412硅PNP400V2A10W*K功率放大\开关管2SA1412-Z硅PNP400V2A10W功率放大\开关管2SA1413硅PNP600V1A10W功率放大\开关管2SA1413-Z硅PNP600V1A10W功率放大\开关管2SA14142SA1415硅PNP180V140mA500mW*K驱动\开关管2SA1416硅PNP120V1A500mW*K开关管2SA1417硅PNP100V2A500mW*K开关管2SA1418硅PNP180V700mA500mW*K开关管2SA1419硅PNP180V1.5A0.5W*K开关管2SA142锗PNP15V15mA80mW8MHz普通射频2SA1420硅PNP50V100mA0.4W带阻尼*K普通驱动开关管2SA1421硅PNP50V100mA400mW带阻尼*K普通驱动开关管2SA1422硅PNP50V0.1A0.4W带阻尼*K普通驱动开关管2SA1423硅PNP50V0.1A0.4W带阻尼*K普通驱动开关管2SA1424硅PNP20V50mA250mW300MHz*K音频放大2SA1425硅PNP120V800mA1W*K音频放大2SA1426硅PNP35V800mA1W*K音频放大2SA1427硅PNP30V1.5A1W射频放大用2SA1428硅PNP50V2A1W*K音频放大2SA1429硅PNP80V2A1W*K音频放大2SA142A锗PNP40V15mA8MHz普通射频2SA143锗PNP15V15mA80mW15MHz普通射频2SA1430硅PNP20V2A1W音频放大2SA1431硅PNP35V5A1W170MHz功率放大2SA1432硅PNP300V100mA1W*K音频放大2SA1433硅PNP70V50mA900mW射频放大用2SA1434硅PNP60V100mA200mW音频放大2SA1436硅PNP60V200mA600mW音频放大2SA1437硅PNP120V50mA500mW*K音频放大2SA1438硅PNP30V1.2A1W音频放大及驱动?2SA14392SA144锗PNP15V10mA80mA15MHz普通射频\中频放大2SA1440硅PNP100V3A15W开关电路用2SA1441硅PNP100V5A25W功率放大\开关管2SA1442硅PNP100V7A30W功率放大\开关管2SA1443硅PNP100V10A30W功率放大\开关管2SA1444硅PNP100V15A30W功率放大\开关管2SA14452SA14462SA14472SA14482SA14492SA145锗PNP15V10mA80mW6MHz普通射频\中频放大2SA1450硅PNP100V500mA600mW*K音频放大2SA1451硅PNP60V12A30W*K功率放大\开关管2SA1452硅PNP80V12A30W*K功率放大\开关管2SA1453硅PNP50V100mA200mW射频放大用2SA14542SA1455K硅PNP120V0.05A0.2W*K低噪声音频放大2SA1456硅PNP250V1A普通用途2SA14572SA1458硅PNP40V0.2A0.25W*K低频开关管2SA1458K硅PNP40V0.2A0.25W800MHz普通射频放大2SA1459硅PNP15V50mA250mW*K高速开关管2SA146锗PNP20V10mA60mW20MHz调幅\中频放大2SA1460硅PNP60V1A1W*K音频放大/高速开关管2SA1461硅PNP40V200mA200mW*K普通射频2SA1462硅PNP15V50mA200mW*K高速开关管2SA1463硅PNP60V1A2W*K普通射频高速开关管2SA1464硅PNP60V500mA200mW*K普通射频\开关管2SA1465硅PNP30V1A750mW*K音频放大2SA1466硅PNP30V1A350mW*K音频放大2SA1467硅PNP30V1A0.2W*K音频放大2SA1468硅PNP180V100mA150mW宽频带放大管2SA1469硅PNP80V5A20W*K高速开关\功率放大2SA147锗PNP20V10mA60mW30MHz普通射频及混频2SA1470硅PNP80V7A25W*K高速开关\功率放大2SA1471硅PNP80V10A30W*K高速开关\功率放大2SA14722SA14732SA1474硅PNP80V800mA15W*K场输出管2SA1475硅PNP120V400mA15W*K场输出管2SA1476硅PNP200V200mA15W*K场输出管2SA1477硅PNP180V140mA10W*K开关管2SA1478硅PNP200V100mA5W*K场输出管2SA1479硅PNP300V100mA7W*K场输出管2SA148锗PNP20V10mA60mW40MHz普通射频2SA1480硅PNP300V100mA7W*K场输出管2SA1481硅PNP60V150mA250mW*K高速开关管2SA1482硅PNP150V50mA800mW*K射.低频放大?2SA1483硅PNP60V200mA1W*K普通射频高速开关管2SA1484硅PNP90V100mA150mW音频放大2SA1485硅PNP200V100mA200mW音频放大2SA1486硅PNP600V1A15W高速开关\功率放大2SA1487硅PNP85V50mA1W开关电路用2SA1488硅PNP60V4A25W*K功率放大\开关管2SA1488A硅PNP80V4A25W*K功率放大\开关管2SA1489硅PNP80V6A60W*K功率放大\开关管2SA149锗PNP20V10mA60mW50MHz普通射频2SA1490硅PNP120V8A80W*K功率放大\开关管2SA1491硅PNP140V10A100W*K功率放大\开关管2SA1492硅PNP180V15A130W*K功率放大\开关管2SA1493硅PNP200V15A150W*K功率放大\开关管2SA1494硅PNP200V17A200W*K功率放大\开关管2SA1495硅PNP400V600mA15W*K功率放大\开关管2SA1496硅PNP50V100mA200mW带阻尼*K普通驱动开关管2SA1497硅PNP50V100mA300mW带阻尼*K普通驱动开关管2SA1498硅PNP400V600mA25W高速开关\功率放大2SA1499硅PNP400V600mA25W高速开关\功率放大2SA15锗PNP16V15mA80mW12MHz用于调幅波段2SA1501硅PNP400V5A40W1/3.5μs功率放大\开关管2SA1502硅PNP50V100mA200mW带阻尼*K普通驱动开关管2SA1503硅PNP50V10mA300mW带阻尼*K普通驱动开关管2SA1504贴片硅PNP50V150V150mA音频放大及普通射频功率放大2SA1505硅PNP35V500mA150mW音频放大及普通射频功率放大2SA1506硅PNP200V100mA1.2W射频放大用2SA1507硅PNP180V1.5A10W带阻尼*K音频功率放大2SA1508硅PNP50V100mA200mW带阻尼*K普通驱动开关管2SA1509硅PNP50V100mA300mW带阻尼*K普通驱动开关管2SA151锗PNP9V15mA80mW6MHz中频放大2SA1510硅PNP50V100mA200mW带阻尼*K普通驱动开关管2SA1511硅PNP50V100mA300mW带阻尼*K普通驱动开关管2SA1512硅PNP25V500mA300mW*K音频放大2SA1513硅PNP100V15A60W0.3/1.8μs高速开关\功率放大2SA1514硅PNP120V50mA200mW*K音频放大2SA1514K硅PNP120V0.05A0.2W*K音频放大2SA1515硅PNP40V1A500mW*K音频放大2SA1515S硅PNP40V1A300mW音频放大2SA1516硅PNP180V12A130W*K音频功率放大2SA1517硅PNP120V100mA150mW音频放大及普通射频功率放大2SA1518硅PNP50V500mA200mW带阻尼*K普通驱动开关管2SA1519硅PNP50V500mA200mW带阻尼*K普通驱动开关管2SA152锗PNP9V15mA80mW10MHz普通射频2SA1520硅PNP50V500mA200mW带阻尼*K普通驱动开关管2SA1521硅PNP50V500mA200mW带阻尼*K普通驱动开关管2SA1522硅PNP50V500mA300mW带阻尼*K普通驱动开关管2SA1523硅PNP50V500mA300mW带阻尼*K普通驱动开关管2SA1524硅PNP50V500mA300mW带阻尼*K普通驱动开关管2SA1525硅PNP50V500mA300mW带阻尼*K普通驱动开关管2SA1526硅PNP50V500mA600mW带阻尼*K普通驱动开关管2SA1527硅PNP50V500mA600mW带阻尼*K普通驱动开关管2SA1527拆硅PNP50V500mA600mW带阻尼*K2SA1528硅PNP50V500mA600mW带阻尼*K普通驱动开关管2SA1529硅PNP50V50mA600mW带阻尼*K普通驱动开关管2SA153硅PNP15V4mA20mW60MHz普通射频及混频2SA1530硅PNP50V100mA150mW*K音频放大2SA1531硅PNP55V50mA150mW*K低噪声音频放大2SA1531A硅PNP55V50mA150mW*K低噪声音频放大2SA1532硅PNP30V30mA150mW150MHz*K普通射频\功率放大2SA1533硅PNP80V500mA1W*K音频功率放大2SA1534硅PNP30V1A1W*K音频功率放大2SA1534A硅PNP30V1A1W*K音频功率放大2SA1535硅PNP150V1A15W*K功率放大\开关管2SA1535A硅PNP150V1A15W*K功率放大\开关管2SA1536硅PNP80V300mA8W*K场输出管2SA1537硅PNP80V500mA10W*K场输出管2SA1538硅PNP120V200mA8W*K场输出管2SA1538拆硅PNP120V200mA8W2SA1539硅PNP120V300mA8W场输出管2SA154锗PNP15V4mA20mW50MHz调幅\中频放大2SA1540硅PNP200V100mA7W*K场输出管2SA1541硅PNP200V200mA7W*K场输出管2SA1542硅PNP60V1150mA300mW*K音频放大及普通射频功率放大2SA1543硅PNP60V150mA300mW音频放大及普通射频功率放大2SA1544硅PNP250V100mA750mW*K场输出管2SA1545硅PNP250V100mA1W*K场输出管2SA1546硅PNP250V100mA7W*K视频输出管2SA1547硅PNP50V100mA300mW*K普通用途2SA1547A硅PNP50V0.15A0.3W低噪声放大2SA1548硅PNP40V500mA300mW*K普通用途2SA1549硅PNP40V300mA300mWβ=1000达林顿管2SA155锗PNP15V4mA55MHz调幅\中频放大2SA1550硅PNP400V500mA15W功率放大\开关管2SA1551开关电路用2SA1552硅PNP180V1.5A15W*K开关管2SA1553硅PNP230V15A150W*K音频功率放大2SA1554硅PNP80v50mA250mW普通用途2SA1555硅PNP40V0.3A0.3Wβ=1000达林顿管2SA1556硅PNP130V30mA150MW射频/音频放大2SA1557硅PNP180V30mA150mW射.音频.功率2SA1558硅PNP210V30mA150mW普通用途2SA156锗PNP15V4mA55MHz调幅\中频放大2SA1560硅PNP40V1A600mW*K普通用途2SA1561硅PNP50V100mA300mW*K普通用途2SA1561A硅PNP80V50mA0.15W前置放大2SA1562硅PNP30V1.2A15W音频功率放大2SA1563硅PNP50V100mA200mW带阻尼*K普通驱动开关管2SA1564硅PNP50V100mA300mW带阻尼*K普通驱动开关管2SA1565硅PNP50V100mA300mW带阻尼*K普通驱动开关管2SA1566硅PNP120V100mA150mW*K音频放大2SA1567硅PNP50V12A35W*K功率放大\开关管2SA1568硅PNP60V12A35W*K功率放大\开关管2SA15692SA157锗PNP15V4mA65MHz调幅\中频放大2SA1570硅PNP65V0.1A500mW普通用途2SA1571硅PNP50V100mA200mW带阻尼*K普通驱动开关管2SA1572硅PNP50V100mA300mW带阻尼*K普通驱动开关管2SA1573硅PNP50V100mA200mW带阻尼*K普通驱动开关管2SA1574硅PNP50V100mA300mW带阻尼*K普通驱动开关管2SA1575硅PNP200V100mA500mW射频放大用2SA1576硅PNP50V100mA200mW*K普通用途2SA1576A硅PNP50V0.15A0.15Wβ=120普通用途。
贴片晶体管贴片晶体管(Surface Mount Device,简称SMD)作为现代电子产品中不可或缺的组件之一,具有广泛的应用领域,如通信设备、计算机硬件、家用电器等。
它的小巧、高效和可靠性使得它成为电路设计与制造中的重要选择。
首先,贴片晶体管的小尺寸使其在电子产品的设计中具备了非常大的优势。
与传统的孔径电子元器件相比,贴片晶体管不需要额外的连接引脚和空间,因此可以极大地减小电子产品的体积,使其更加紧凑和便携。
例如,在手机的设计中,贴片晶体管可以被嵌入到更小的电路板中,从而使得手机更加轻薄,方便携带。
其次,贴片晶体管的高效性能使其在电子产品的性能提升方面具有不可替代的作用。
由于其特殊的制造工艺和材料选择,贴片晶体管能够提供更高的频率响应和更快的开关速度,从而在电路传输和信号处理方面表现出色。
这种高效性能对于无线通信设备的数据传输速率提升、计算机硬件的运算速度提高以及家庭电器的功能增强起到了重要的推动作用。
此外,贴片晶体管的可靠性也是其广泛应用的保障。
贴片晶体管通过焊接方式与电路板连接,比传统的插件式元器件更加牢固可靠。
它能够耐受各类环境条件,如温度变化、湿度和振动等,保证电子产品的长期稳定运行。
此外,贴片晶体管在制造过程中也经过了严格的质量控制,确保产品始终具备一致的性能和可靠性。
最后,对于从事电子产品设计和制造的人员来说,了解贴片晶体管的原理和使用方法具有重要的指导意义。
它的小尺寸要求设计师在电路板布局时需要更加精确和紧凑,合理选择电路元件的位置,确保贴片晶体管与其他元器件之间的相互作用良好。
同时,设计师还需要深入了解贴片晶体管的特性和参数,选择合适的型号和规格,以满足电子产品的具体要求。
总之,贴片晶体管作为一种先进的电子元器件,在现代电子产品中扮演着至关重要的角色。
它的小尺寸、高效性能、可靠性以及对于设计制造人员的指导意义,使得贴片晶体管成为电路设计中不可或缺的组成部分。
随着科技的不断进步,贴片晶体管的发展将会持续推动电子产品的创新与进步。
表示符号实际元件生产厂结构封装类型参数及代换型号U BB545 Sie I SOD32320-2pF varicapU1 BCX19 Mot N SOT23BC337U1p BCX19 Phi N SOT23BC337U1t BCX19 Phi N SOT23BC337U1 BGX50A Sie BQ SOT143quad ring Si sw diodesU1A 3SK230A Nec UQ SOT143 dg RF mosfetU1B 3SK230B Nec UQ SOT143 dg RF mosfetU1C 3SK231C Nec UQ SOT143 dg RF mosfetU1D 3SK231D Nec UQ SOT143dg RF mosfetU1E 3SK252E Nec UQ SOT143 dg RF mosfetU1E 3SK254E Nec UQ SOT343 dg RF mosfetU1G 3SK253G Nec UQ SOT143 dg RF mosfetU1G 3SK255G Nec UQ SOT343 dg RF mosfetU2 BCX20 Phi N SOT23BC338U2t BCX20 Phi N SOT23BC338U3 BSS64 Phi N SOT23120V 0.25A 0.2WU4 BCX19R Phi R SOT23R BC337U5 BCX20R Phi R SOT23R BC338U6 BSS64R Phi R SOT23R120V 0.25A 0.2WU7 BSR13 SGS N SOT232N2222U7p BSR13 Phi N SOT232N2222U7t BSR13 Phi N SOT232N2222U8 BSR14 SGS N SOT232N2222AU8p BSR14 Phi N SOT232N2222AU8t BSR14 Phi N SOT232N2222AU16 2SC4183 Nec N npn RF 5V fT1GHz hFE 60-120U17 2SC4183 Nec N npn RF 5V fT1GHz hFE 90-180U18 2SC4183 Nec N npn RF 5V fT1GHz hFE 120-240 U21 2SC4185 Nec N npn RF 10V fT2.4GHz hFE 40-80 U22 2SC4185 Nec N npn RF 10V fT2.4GHz hFE 60-120 U23 2SC4185 Nec N npn RF 10V fT2.4GHz hFE 90-180 U55 3SK134B Nec UQ SOT143 dg mosfetU55 3SK245 Nec UQ SOT343 dg mosfetU56 3SK134B Nec UQ SOT143 dg mosfetU56 3SK245 Nec UQ SOT343 dg mosfetU65 3SK135A Nec UQ SOT143 dg mosfetU66 3SK135A Nec UQ SOT143 dg mosfetU71 BSR13R SGS R SOT23R 2N2222U71 3SK177 Nec UQ SOT143dg GaAsfet Idss 5-15mAU71 3SK299 Nec UQ SOT343dg GaAsfet Idss 5-15mAU72 3SK177 Nec UQ SOT143dg GaAsfet Idss10-25mAU72 3SK299 Nec UQ SOT343dg GaAsfet Idss 10-25mAU73 3SK177 Nec UQ SOT143dg GaAsfet Idss 20-35mAU73 3SK299 Nec UQ SOT343dg GaAsfet Idss 20-35mAU74 3SK177 Nec UQ SOT143dg GaAsfet Idss 30-40mAU74 3SK299 Nec UQ SOT343dg GaAsfet Idss 30-40mAU76 3SK206 Nec UQ SOT143dg GaAsfet Idss 10-25mAU77 3SK206 Nec UQ SOT143dg GaAsfet Idss 20-35mAU78 3SK206 Nec UQ SOT143dg GaAsfet Idss 30-50mAU79 3SK206 Nec UQ SOT143dg GaAsfet Idss 45-80mAU81 BSR14R SGS R SOT23R 2N2222AU87 3SK176A Nec UQ SOT143 dg mosfetU88 3SK176A Nec UQ SOT143 dg mosfetU90 3SK223 Nec UQ SOT143dg mosfetU90 3SK243 Nec UQ SOT343 dg mosfetU91 3SK223 Nec UQ SOT143 dg mosfetU91 3SK243 Nec UQ SOT143dg mosfetU92 BSR17A Fch N SOT232N3904U92p BSR17A Phi N SOT232N3904U94 3SK224D Nec UQ SOT143 dg mosfetU94 3SK244D Nec UQ SOT343 dg mosfetU95 3SK224E Nec UQ SOT143 dg mosfetU95 3SK244E Nec UQ SOT143 dg mosfetUB 2SB852K Roh N pnp darlington comp 2SD1383K UC MSC2404-C Mot H npn RF 450MHz fT 20V本站所有文章不得转载!可以链接网址使贴片元件标示代号查询表示符号实际元件生产厂结构封装类型参数及代换型号V01 VN50300T Sil M n-ch enh mosfet 500V 22mAV02 VN0605T Sil M n-ch enh mosfet 60V/0.18AV04 VN45350T Sil M n-ch enh mosfet 450V 20mAV1p BFT25 Phi N SOT23npn RF 5V 6.5mA 2.3GHzV1 MRF959 Mot N SC75npn RF fT 9GHzV2 BFQ67 Tfk N npn RF fT 7.5 GHz 50mAV3 BFG67 Phi X SOT143npn RF fT 8GHz 50mAV5 BFG197 Phi X SOT143npn RF 7.5GHz 100mAV11 3SK131 Nec UQ SOT143dg VHF mosfetV11 3SK242 Nec UQ SOT343dg VHF mosfetV12 3SK131 Nec UQ SOT143dg VHF mosfetV12 3SK242 Nec UQ SOT343dg VHF mosfetV13 3SK131 Nec UQ SOT143dg VHF mosfetV13ZC932Zet C SOT23 5 - 17pF hyperabrupt varicap V13 3SK242 Nec UQ SOT343dg VHF mosfetV14ZC931Zet C SOT23 4 -13.5pF hyperabrupt varicap V15ZC930Zet C SOT23 3 - 9pF hyperabrupt varicapV16ZC934Zet C SOT2325 - 95pF hyperabrupt varicap V17ZC933Zet C SOT2312 - 42pF hyperabrupt varicap V21 3SK222 Nec UQ SOT143dg VHF mosfetV21 3SK246 Nec UQ SOT343dg VHF mosfetV22 3SK222 Nec UQ SOT143dg VHF mosfetV22 3SK246 Nec UQ SOT343dg VHF mosfetV50 VP0610T Sil M p-ch enh mosfet -60V 120mA VB MSC2295-B Mot H npn RF 150MHz fT 20VVC MSC2295-C Mot H npn RF 150MHz fT 20V表示符号实际元件生产厂结构封装类型参数及代换型号W0F TSDF1205RW Tfk WQ SOT343 12GHz npn 5mA 4VW1s BFT92Sie N SOT23BFQ51/BFQ76W1s BCR10PN Sie DP SOT363pnp/npn dig 0.1A 10k+10kW2TSDF1220RW Tfk WQ SOT343 12GHz npn 6V 20mAW3BZX84-C2V4Phi C SOT230.3W zener 2.4V±5%W4BZX84-C2V7Phi C SOT230.3W zener 2.7V±5%W5BZX84-C3V0Phi C SOT230.3W zener 3.0V±5%W6BZX84-C3V3Phi C SOT230.3W zener 3.3V±5%W7BZX84-C3V6Phi C SOT230.3W zener 3.6V±5%W8BZX84-C3V9Phi C SOT230.3W zener 3.9V±5%W8BZV49C3V9Zet O SOT891W zener 3.9V±5%W9BZX84-C4V3Phi C SOT230.3W zener 4.3V±5%W9BZV49C4V3Zet O SOT891W zener 4.3V±5%W18BFP181TW Tfk X npn RF fT 7.8GHz 10V 20mA W18BFP181TRW Tfk WQ npn RF fT 7.8GHz 10V 20mA W22S822TW Tfk X npn rf fT 5.2 GHz 6V 8mAW22S822TRW Tfk WQ npn rf fT 5.2 GHz 6V 8mAW28BFP280TRW Tfk WQ npn rf fT 7 GHz 8V 10mAW28BFP280TW Tfk X npn rf fT 7 GHz 8V 10mAW52S852TW Tfk X npn rf fT 5.2 GHz 6V 8mAW67BFP67W Tfk X npn rf fT 7.5 GHz 10V 50mA W82BFP182TRW Tfk WQ npn rf fT 7.5 GHz 10V 35mA W82BFP182TW Tfk X npn rf fT 7.5 GHz 10V 35mA W83BFP183TRW Tfk WQ npn rf fT 7.4 GHz 10V 65mA W83BFP183T Tfk X npn rf fT 7.4 GHz 10V 65mA W92BFP92AW Tfk X SOT343 npn rf fT 6 GHz 15V 30mA WB2SD1383K Roh N npn darlington comp 2SB852K WCs BCR133Sie N SOT23npn dig 50V 0.1A 10k+10k WCs BCR133T Sie N SC75npn dig 50V 0.1A 10k+10k WCs BCR133U Sie N SOT457npn dig 50V 0.1A 10k+10k WCs BCR133W Sie N SOT323npn dig 50V 0.1A 10k+10k WCs BCR133S Sie DN SOT363dual BCR133WDs BCR141Sie N SOT23npn 50V 0.1A dig 22k +22k WDs BCR141T Sie N SC75npn 50V 0.1A dig 22k +22k WDs BCR141W Sie N SOT323npn 50V 0.1A dig 22k +22k WDs BCR141S Sie DN SOT363dual BCR141WEs BCR148Sie N SOT23npn 50V 0.1A dig 47k +47k WEs BCR148T Sie N SC75npn 50V 0.1A dig 47k +47k WEs BCR148U Sie N SOT457npn 50V 0.1A dig 47k +47k WEs BCR148W Sie N SOT323npn 50V 0.1A dig 47k +47k WEs BCR148S Sie DN SOT363dual BCR148WE1BFS17W Tfk N npn rf fT 2.1GHz SOT-323 WE2BFS17AW Tfk N npn rf fT 3.2GHz SOT-323 WFs BCR08PN Sie DP SOT363pnp/npn dig 0.1A 2k2+47k WFs BCR112Sie N SOT23npn dig 50V 0.1A 4k7+4k7WF0TSDF1205W Tfk X SOT34312 GHz npn 5mA 4VWF2TSDF1220W Tfk X SOT343 12GHz npn 6V 20mAWFE BFP93A Tfk X SOT343 BFP93A (FE) in 6GHz npn WGs BCR116Sie N SOT23npn dig 50V 0.1A 4k7+47k WGs BCR116W Sie N SOT323npn dig 50V 0.1A 4k7+47k WHs BCR108Sie N SOT23npn dig 50V 0.1A 2k2+47k WHs BCR108T Sie N SC75npn dig 50V 0.1A 2k2+47k WHs BCR108W Sie N SOT323npn dig 50V 0.1A 2k2+47k WHs BCR108S Sie DN SOT363dual BCR108WIs BCR158Sie N SOT23pnp dig 50V 0.1A 2k2+47k WIs BCR158T Sie N SC75pnp dig 50V 0.1A 2k2+47k WIs BCR158W Sie N SOT323pnp dig 50V 0.1A 2k2+47k WJs BCR135Sie N SOT23npn dig 50V 0.1A 10k+47k WJs BCR135T Sie N SC75npn dig 50V 0.1A 10k+47k WJs BCR135W Sie N SOT323npn dig 50V 0.1A 10k+47k WJs BCR135S Sie DN SOT363dual BCR135WKs BCR119Sie N SOT23npn dig 50V 0.1A 4k7 WKs BCR119S Sie DN SOT363npn dig 50V 0.1A 4k7 WKs BCR119W Sie N SOT323npn dig 50V 0.1A 4k7WLs BCR146Sie N SOT23dual npn dig 50V 47k+22k WLs BCR146W Sie N SOT323dual npn dig 50V 47k+22k WMs BCR183Sie N SOT23pnp dig 50V 10k+10k WMs BCR183W Sie N SOT323pnp dig 50V 10k+10k WMs BCR183T Sie N SC75pnp dig 50V 10k+10k WMs BCR183U Sie N SOT457pnp dig 50V 10k+10k WMs BCR183S Sie DO SOT363dual pnp dig 50V 10k+10k WMO BF998RW Tfk UQ SOT343R vhf dg mosfet BF988WNs BCR185Sie N SOT23pnp dig 50V 0.1A 10k+47k WNs BCR185U Sie N SOT457pnp dig 50V 0.1A 10k+47k WNs BCR185W Sie N SOT323pnp dig 50V 0.1A 10k+47k WNs BCR185S Sie DO SOT363dual BCR185WOs BCR191Sie N SOT23pnp dig 50V 0.1A 22k+22k WOs BCR191W Sie N SOT323pnp dig 50V 0.1A 22k+22k WOs BCR191S Sie DO SOT363dual BCR191WO BZX284-B2V4Phi I SOD1100.4W zener 2.4V E24 ±2% WP BZX284-B2V7Phi I SOD1100.4W zener 2.7V E24 ±2% WPs BCR192Sie N SOT23pnp dig 50V 0.1A 22k+47k WPs BCR192T Sie N SC75pnp dig 50V 0.1A 22k+47k WPs BCR192W Sie N SOT323pnp dig 50V 0.1A 22k+47kWPs BCR22PN Sie DP SOT363pnp/npn dig 0.1A 22k+22kWP2BFR92A Tfk N SOT23BRF90AWQ BZX284-B3V0Phi I SOD1100.4W zener 3.0V E24 ±2%WR MSD602R Mot N SOT346npn gp 25V 150mAWRs BCR198Sie N SOT23pnp dig 50V 0.1A 47k+47kWRs BCR198W Sie NN SOT323pnp dig 50V 0.1A 47k+47kWRs BCR198S Sie D SOT363dual BCR198WR BZX284-B3V3Phi I SOD1100.4W zener 3.3V E24 ±2%WR2BFR93AW Tfk N BFR91AWRE BFR280TW Tfk N npn RF fT 7.5GHzWRF BFR181TW Tfk N npn RF fT 7.8GHzWRG BFR182TW Tfk N npn RF fT 7GHzWRH BFR183TW Tfk N npn RF fT 7.4GHzWS BCR169Sie N SOT23pnp dig 50V 0.1A 4k7WS BCR169W Sie N SOT323pnp dig 50V 0.1A 4k7WS BCR169S Sie DO SOT363dual BC169WS BZX284-B3V6Phi I SOD1100.4W zener 3.6V E24 ±2%WT BCR166Sie N SOT23pnp dig 50V 0.1A 4k7+47kWT BCR166W Sie N SOT323pnp dig 50V 0.1A 4k7+47kWT BCR48PN Sie DP SOT363pnp/npn dig npn 2x47k pnp 2k2+47k WT BZX284-B3V9Phi I SOD1100.4W zener 3.9V E24 ±2%WU BCR162Sie N SOT23pnp dig 50V 0.1A 4k7+4k7WU BCR162T Sie N SC75pnp dig 50V 0.1A 4k7+4k7WU BCR35PN Sie DP SOT363pnp/npn dig 0.1A 10k+47kWU BZX284-B4V3Phi I SOD1100.4W zener 4.3V E24 ±2%WU MRF2947A Mot DG SOT363dual MRF941 npn RF 9GHz复制带链接的文本推荐其它网站→W-贴片三极管型号查寻本站所有文章不得转载!可以链接网址使贴片元件标示代号查询表示符号实际元件生产厂结构封装类型参数及代换型号X (white)BB833Sie I SOT3239.3-0.75pF varicapX(yellow)BB835Sie I SOT3239.1-0.6pF varicapX1BFT93Sie N SOT23BFQ23 BFQ75X1p BFT93Phi N SOT23BFQ23 BFQ75X1IMX1Roh DC dual 2SC2412K npnX1BZX84-C27Phi C SOT230.3W zener 27V±5%X2IMX2Roh DD dual 2SC2412K npnX2BZX99-C13Phi C SOT2313V 0.3W zener ±5%X2BZX84-C30Zet C SOT230.3W zener 30V±5%X2BZV49C30Zet O SOT891W zener 30V±5%X3BZX99-C15Phi C SOT2315V 0.3W zener ±5%X3BZX84-C33Zet C SOT230.3W zener 33V±5%X4BFT93R Sie R SOT23R BFQ23 BFQ75X4BZX84-C36Zet C SOT230.3W zener 36V±5%X5BZV49C39Zet O SOT891W zener 39V±5%X5MMBV409G Mot C SOT23Hyperabrupt varicapX6BZV49C43Zet O SOT891W zener 43V±5%X6BZX84-C43Zet C SOT230.3W zener 43V±5%X7BZX84-C47Zet C SOT230.3W zener 47V±5%XAs BCR503Sie N SOT23npn dtr 50V 0.5A 2k2 +2k2 XA BZX284-B7V5Phi I SOD1100.4W zener 7.5V E24 ±2% XA BZX99-C4V7Phi C SOT23 4.7V 0.3W zenerXBs BCR553Sie N SOT23pnp dtr 50V 0.5A 2k2 +2k2 XB BZX284-B8V2Phi I SOD1100.4W zener 8.2V E24 ±2% XB BZX99-C5V1Phi C SOT23 5.1V 0.3W zenerXCs BCR533Sie N SOT23npn dtr 50V 0.5A 10k + 10k XC BZX284-B9V1Phi I SOD1100.4W zener 9.1V E24 ±2% XC BZX99-C5V6Phi C SOT23 5.6V 0.3W zenerXDs BCR555Sie N SOT23pnp dtr 50V 0.5A 2k2 +10k XD BZX284-B10Phi I SOD1100.4W zener 10V E24 ±2% XD BZX99-C6V2Phi C SOT23 6.2V 0.3W zenerXE BZX284-B11Phi I SOD1100.4W zener 11V E24 ±2% XE BZX99-C6V8Phi C SOT23 6.8V 0.3W zenerXFs BCR512Sie N SOT23npn dtr 50V 0.5A 4k7+ 4k7 XF BZX284-B12Phi I SOD1100.4W zener 12V E24 ±2% XGs BCR523Sie N SOT23npn dtr 50V 0.5A 1k0 +10k XG BZX284-B13Phi I SOD1100.4W zener 13V E24 ±2% S XHs BCR573Sie N SOT23pnp dtr 50V 0.5A 1k0 +10k XH BZX284-B15Phi I SOD1100.4W zener 15V E24 ±2% XH MMSD701Mot I SOD123MMBD701XI BZX284-B16Phi I SOD1100.4W zener 16V E24 ±2% XJ BZX284-B18Phi I SOD1100.4W zener 18V E24 ±2% XKs BCR519Sie N SOT23npn dtr 50V 0.5A R1 4k7 XK BZX284-B20Phi I SOD1100.4W zener 20V E24 ±2% XLs BCR569Sie N SOT23pnp dtr 50V 0.5A R1 4k7 XL BZX284-B22Phi I SOD1100.4W zener 22V E24 ±2%XL BZX99-C2V4Phi C SOT23 2.4V 0.3W zenerXMs BCR583Sie N SOT23pnp dtr 50V 0.5A 10k +10k XM BZX284-B24Phi I SOD1100.4W zener 24V E24 ±2% XM BZX99-C2V7Phi C SOT23 2.7V 0.3W zenerXN BZX284-B27Phi I SOD1100.4W zener 27V E24 ±2% XN BZX99-C3V0Phi C SOT23 3.0V 0.3W zenerXO BZX284-B30Phi I SOD1100.4W zener 30V E24 ±2% XP MMBD3000Mot C SOT346Si diode 30V 0.2AXP BZX284-B33Phi I SOD1100.4W zener 33V E24 ±2% XP BZX99-C3V3Phi C SOT23 3.3V 0.3W zenerXQ MMBD3005Mot A SOT346dual ca MMBD3000XQ BZX284-B36Phi I SOD1100.4W zener 36V E24 ±2% XQ2PD602AQ Phi N SOT346gp npn hfe 85-170XR BZX284-B39Phi I SOD1100.4W zener 39V E24 ±2% XR BZX99-C3V6Phi C SOT23 3.6V 0.3W zenerXR MRF2947RA Mot DH SOT363dual MRF941 npn RF 9GHz XR2PD602AR Phi N SOT346gp npn hfe 120-240XS MMBD3010Mot B SOT346dual cc MMBD3000XS BZX284-B43Phi I SOD1100.4W zener 43V E24 ±2% XS BZX99-C3V9Phi C SOT23 3.9V 0.3W zenerXS2PD602AS Phi N SOT346gp npn hfe 170-340XT BZX284-B47Phi I SOD1100.4W zener 47V E24 ±2% XT MMSD301Mot I SOD123MBD301XT BZX99-C4V3Phi C SOT23 4.3V 0.3W zenerXU BZX284-B51Phi I SOD1100.4W zener 51V E24 ±2% XU MRF2947RA Mot DH dual MRF941 npn RF 9GHz XUs BCR562Sie N SOT23pnp dtr 50V 0.5A 4k7+ 4k7 XU BZX99-C7V5Phi C SOT237.5V 0.3W zenerXV BZX284-B56Phi I SOD1100.4W zener 56V E24 ±2% XVs BCR521Sie N SOT23npn dtr 50V 0.5A 1k0 +1k0 XV BZX99-C8V2Phi C SOT238.2V 0.3W zenerXW BZX284-B62Phi I SOD1100.4W zener 62V E24 ±2% XWs BCR505Sie N SOT23npn dtr 50V 0.5A 2k2 +10k XW BZX99-C9V1Phi C SOT239.1V 0.3W zenerXX BZX284-B68Phi I SOD1100.4W zener 68V E24 ±2% XX BZX99-C10Phi C SOT2310V 0.3W zenerXXs BCR571Sie N SOT23pnp dtr 50V 0.5A 1k0 +1k0 XY BZX99-C11Phi C SOT2311V 0.3W zenerXY BZX284-B75Phi I SOD1100.4W zener 75V E24 ±2%XZ BZX99-C12Phi C SOT2312V 0.3W zener贴片元件标示代码查询表示符号实际元件生产厂结构封装类型参数及代换型号Y0s CGY121B Sie GaAs MMICY1BZX84-C11Phi C SOT230.3W zener 11V±5%Y1p BZX84-C11Phi C SOT230.3W zener 11V±5%Y1BZV49C11Zet O SOT891W zener 11V ±5%Y2CLY2Sie DR MW63GHz GaAsfet 0.25W 3GHz Y2BZX84-C12Phi C SOT230.3W zener 12V±5%Y3BZX84-C13Phi C SOT230.3W zener 13V±5%Y4BZX84-C15Phi C SOT230.3W zener 15V±5%Y4BZV49C15Zet O SOT891W zener 15V ±5%Y5s CGY59Sie DS SOT363GaAs 0.9/1.8GHz preamp Y5BZX84-C16Phi C SOT230.3W zener 16V±5%Y5BZV49C16Zet O SOT891W zener 16V ±5%Y6s CGY62Sie DS MW6GaAs MMICY6BZX84-C18Phi C SOT230.3W zener 18V±5%Y7CGY60Sie DS MW6GaAs preamp MMIC 1.8GHz Y7BZX84-C20Phi C SOT230.3W zener 20V±5%Y8CGY120Sie MW6GaAs MMICY8BZX84-C22Phi C SOT230.3W zener 22V±5%Y8BZV49C22Zet O SOT891W zener 22V ±5%Y9s CGY121A Sie MW6GaAs MMICY9BZX84-C24Phi C SOT230.3W zener 24V±5%Y9BZV49C24Zet O SOT891W zener 124V ±5%Y10BZX84-C27Phi C SOT230.3W zener 27V±5%Y11BZX84-C30Phi C SOT230.3W zener 30V±5%Y12BZX84-C33Phi C SOT230.3W zener 33V±5%Y13BZX84-C36Phi C SOT230.3W zener 36V±5%Y14BZX84-C39Phi C SOT230.3W zener 39V±5%Y15BZX84-C43Phi C SOT230.3W zener 43V±5%Y16BZX84-C47Phi C SOT230.3W zener 47V±5%Y17BZX84-C51Phi C SOT230.3W zener 51V±5%Y18BZX84-C56Phi C SOT230.3W zener 56V±5%Y19BZX84-C62Phi C SOT230.3W zener 62V±5% Y20BZX84-C68Phi C SOT230.3W zener 68V±5% Y21BZX84-C75Phi C SOT230.3W zener 75V±5% Y36BZX84-C13V6Phi C SOT230.3W zener 13.6V±5% Y50BZX84-A2V4Phi C SOT230.3W zener 2.4V ±1% Y51BZX84-A2V7Phi C SOT230.3W zener 2.7V ±1% Y52BZX84-A3V0Phi C SOT230.3W zener 3.0V ±1% Y53BZX84-A3V3Phi C SOT230.3W zener 3.3V ±1% Y54BZX84-A3V6Phi C SOT230.3W zener 3.6V ±1% Y55BZX84-A3V9Phi C SOT230.3W zener 3.9V ±1% Y56BZX84-A4V3Phi C SOT230.3W zener 4.3V ±1% Y57BZX84-A4V7Phi C SOT230.3W zener 4.7V ±1% Y58BZX84-A5V1Phi C SOT230.3W zener 5.1V ±1% Y59BZX84-A5V6Phi C SOT230.3W zener 5.6V ±1% Y60BZX84-A6V2Phi C SOT230.3W zener 6.2V ±1% Y61BZX84-A6V8Phi C SOT230.3W zener 6.8V ±1% Y62BZX84-A7V5Phi C SOT230.3W zener 7.5V ±1% Y63BZX84-A8V2Phi C SOT230.3W zener 8.2V ±1% Y64BZX84-A9V1Phi C SOT230.3W zener 9.1V ±1% Y65BZX84-A10Phi C SOT230.3W zener 10V ±1% Y66BZX84-A11Phi C SOT230.3W zener 11V ±1% Y67BZX84-A12Phi C SOT230.3W zener 12V ±1% Y68BZX84-A13Phi C SOT230.3W zener 13V ±1% Y69BZX84-A15Phi C SOT230.3W zener 15V ±1% Y70BZX84-A16Phi C SOT230.3W zener 16V ±1% Y71BZX84-A18Phi C SOT230.3W zener 18V ±1% Y72BZX84-A20Phi C SOT230.3W zener 20V ±1% Y73BZX84-A22Phi C SOT230.3W zener 22V ±1% Y74BZX84-A24Phi C SOT230.3W zener 24V ±1% Y75BZX84-A27Phi C SOT230.3W zener 27V ±1% Y76BZX84-A30Phi C SOT230.3W zener 30V ±1% Y77BZX84-A33Phi C SOT230.3W zener 33V ±1% Y78BZX84-A36Phi C SOT230.3W zener 36V ±1% Y79BZX84-A39Phi C SOT230.3W zener 39V ±1% Y80BZX84-A43Phi C SOT230.3W zener 43V ±1% Y81BZX84-A47Phi C SOT230.3W zener 47V ±1% Y82BZX84-A51Phi C SOT230.3W zener 51V ±1% Y83BZX84-A56Phi C SOT230.3W zener 56V ±1% Y84BZX84-A62Phi C SOT230.3W zener 62V ±1%Y85BZX84-A68Phi C SOT230.3W zener 68V ±1%Y86BZX84-A75Phi C SOT230.3W zener 75V ±1%YBs BSS84Inf M SOT23p-ch mosfet 50V 0.13AYO BZX284-C2V4Phi I SOD1100.4W zener 2.4V E12 ±5%YP BZX284-C2V7Phi I SOD1100.4W zener 2.7V E12 ±5%YQ BZX284-C3V0Phi I SOD1100.4W zener 3.0V E12 ±5%YR MSD601R Mot N SOT346npn gp 25VYR BZX284-C3V3Phi I SOD1100.4W zener 3.3V E12 ±5%YS MSD601S Mot N SOT346npn gp 25VYS BZX284-C3V6Phi I SOD1100.4W zener 3.6V E12 ±5%YT BZX284-C3V9Phi I SOD1100.4W zener 3.9V E12 ±5%YU BZX284-C4V3Phi I SOD1100.4W zener 4.3V E12 ±5%YV BZX284-C4V7Phi I SOD1100.4W zener 4.7V E12 ±5%YW BZX284-C5V1Phi I SOD1100.4W zener 5.1V E12 ±5%YX BZX284-C5V6Phi I SOD1100.4W zener 5.6V E12 ±5%YY BZX284-C6V2Phi I SOD1100.4W zener 6.2V E12 ±5%补充:元器件标示代号封装形式实际元件型号制造工厂替换型号Y 2 SOD-523BB182B PH2 SOD-523HSMP-282Y AVY*4 QFN-4HMPP-3893 AVY0S 6 MW-6CGY121B IF3 SOT-23BZX84C11 NS SM ZE BZX79C11 Y13 SOT-89BZV49C11 ZE BZV85C11 Y1** 3 SOT-23TC1273-5ENB MIY10 3 SOT-23BZX84C27 NS TH VAL BZX79C27 Y11 3 SOT-23BZX84C30 NS TH VAL BZX79C303 SC-592SA1464Y12 NEY123 SC-702SA1608Y12 NE3 SOT-23BZX84C33 NS TH VAL BZX79C333 SC-592SA1464Y13 NEY133 SC-702SA1608Y13 NE3 SOT-23BZX84C36 TH VAL BZX79C363 SC-592SA1464Y14 NEY143 SC-702SA1608Y14 NE3 SOT-23BZX84C39 TH VAL BZX79C393 SC-59NTM2907AY15 2N2907A Y153 SOT-23BZX84C43 TH BZX79C43 Y16 3 SOT-23BZX84C47 TH VAL BZX79C47 Y17 3 SOT-23BZX84C51 TH VAL BZX79C51 Y18 3 SOT-23BZX84C56 TH VAL BZX79C56 Y19 3 SOT-23BZX84C62 TH VAL BZX79C62 Y1p 3 SOT-23BZX84C11 PH BZX79C11 Y1t 3 SOT-23BZX84-C11 PHY1W 3 SOT-23BZX84-C11 PH3 SOT-23BZX84C12 NS SM ZE BZX79C12 Y26 MW-6CLY2 IFY2** 3 SOT-23TC1273-10ENB MIY20 3 SOT-23BZX84C68 TH VAL BZX79C68 Y21 3 SOT-23BZX84C75 TH VAL BZX79C75 Y22 3 SC-592SA1461Y22 NEY23 3 SC-592SA1461Y23 NEY24 3 SC-592SA1461Y24 NEY25 3 SC-59NTM3906Y25 2N3906Y2p 3 SOT-23BZX84C12 PH BZX79C12 Y2t 3 SOT-23BZX84-C12 PHY2W 3 SOT-23BZX84-C12 PHY3 3 SOT-23BZX84C13 NS SM ZE BZX79C13 Y3** 3 SOT-23TC1273-15ENB MI3 SC-592SA1462Y33 NEY333 SC-702SA1610Y33 NE3 SC-592SA1462Y34 NEY343 SC-702SA1610Y34 NEY36 3 SOT-23BZX84C13V6 ZEY3p 3 SOT-23BZX84C13 PH BZX79C13 Y3t 3 SOT-23BZX84-C13 PH3 SC-75KA4A4Z NE3 SOT-23BZX84C15 NS SM ZE BZX79C15 Y43 SOT-89BZV49C15 ZE BZV85C15 Y4p 3 SOT-23BZX84C15 PH BZX79C15 Y4t 3 SOT-23BZX84-C15 PHY4W 3 SOT-23BZX84-C15 PH3 SOT-23BZX84C16 NS SM ZE BZX79C16 Y53 SOT-89BZV49C16 ZE BZV85C16 Y50 3 SOT-23BZX84-A2V4 PHY51 3 SOT-23BZX84-A2V7 PHY52 3 SOT-23BZX84-A3V0 PHY53 3 SOT-23BZX84-A3V3 PHY54 3 SOT-23BZX84-A3V6 PHY55 3 SOT-23BZX84-A3V9 PHY56 3 SOT-23BZX84-A4V3 PHY57 3 SOT-23BZX84-A4V7 PHY58 3 SOT-23BZX84-A5V1 PHY59 3 SOT-23BZX84-A5V6 PHY5p 3 SOT-23BZX84C16 PH BZX79C16 Y5s 6 SOT-363CGY59W IFY5t 3 SOT-23BZX84-C16 PHY5W 3 SOT-23BZX84-C16 PH3 SOT-23BZX84C18 NS SM ZE BZX79C18 Y66 MW-6CGY120 SMY60 3 SOT-23BZX84-A6V2 PHY61 3 SOT-23BZX84-A6V8 PHY62 3 SOT-23BZX84-A7V5 PHY63 3 SOT-23BZX84-A8V2 PHY64 3 SOT-23BZX84-A9V1 PHY65 3 SOT-23BZX84-A10 PHY66 3 SOT-23BZX84-A11 PHY67 3 SOT-23BZX84-A12 PHY68 3 SOT-23BZX84-A13 PHY69 3 SOT-23BZX84-A15 PHY6p 3 SOT-23BZX84C18 PH BZX79C18 Y6s 6 MW-6CGY62 IFY6t 3 SOT-23BZX84-C18 PHY6W 3 SOT-23BZX84-C18 PH3 SC-75KN4A4Z NEY73 SOT-23BZX84C20 NS SM ZE BZX79C20 Y70 3 SOT-23BZX84-A16 PHY71 3 SOT-23BZX84-A18 PHY72 3 SOT-23BZX84-A20 PHY73 3 SOT-23BZX84-A22 PHY74 3 SOT-23BZX84-A24 PHY75 3 SOT-23BZX84-A27 PHY76 3 SOT-23BZX84-A30 PHY77 3 SOT-23BZX84-A33 PHY78 3 SOT-23BZX84-A36 PHY79 3 SOT-23BZX84-A39 PHY7p 3 SOT-23BZX84C20 PH BZX79C20 Y7s 6 MW-6CGY60 IFY7t 3 SOT-23BZX84-C20 PHY7W 3 SOT-23BZX84-C20 PH3 SOT-23BZX84C22 NS SM ZE BZX79C22 Y83 SOT-89BZV49C22 ZE BZV85C22 Y80 3 SOT-23BZX84-A43 PHY81 3 SOT-23BZX84-A47 PHY82 3 SOT-23BZX84-A51 PHY83 3 SOT-23BZX84-A56 PHY84 3 SOT-23BZX84-A62 PHY85 3 SOT-23BZX84-A68 PHY86 3 SOT-23BZX84-A75 PHY8p 3 SOT-23BZX84C22 PH BZX79C22 Y8t 3 SOT-23BZX84-C22 PHY8W 3 SOT-23BZX84-C22 PH3 SOT-23BZX84C24 NS SM ZE BZX79C24 Y93 SOT-89BZV49C24 ZE BZV85C24 Y9p 3 SOT-23BZX84C24 PH BZX79C24 Y9S 6 MW-6CGY121A IFY9t 3 SOT-23BZX84-C24 PHY9W 3 SOT-23BZX84-C24 PH3 SOT-23BCW61RA TFK BC558A YA6 SC-88µPA679TB NEYAs 3 SOT-23BSS83P IF3 SOT-23BCW61RB TFK BC558B YB3 SOT-892SK680A NEYBs 3 SOT-23BSS84P IFYC 3 SOT-23BCW61RC TFK BC558B YD 3 SOT-23BCW61RD TFK BC558C YG 3 SOT-23BCX71RG TFK BC557A YH 3 SOT-23BCX71RH TFK BC557B YJ 3 SOT-23BCX71RJ TFK BC557B3 SOT-23BCX71RK TFK BC557C YK3 SOT-892SB1115YK NEYL 3 SOT-892SB1115YL NEYM 3 SOT-892SB1115YM NEYO 2 SOD-110BZX284-C2V4 PH2 SOD-110BZX284-C2V7 PHYP3 SOT-892SB1115AYP NE2 SOD-110BZX284-C3V0 PHYQ3 SC-752PA1774Q PH3 SOT-892SB1115AYQ NE2 SOD-110BZX284-C3V3 PHYR3 SC-752PA1774R PH2 SOD-110BZX284-C3V6 PHYS3 SC-752PA1774S PHYT 2 SOD-110BZX284-C3V9 PHYU 2 SOD-110BZX284-C4V3 PHYV 2 SOD-110BZX284-C4V7 PHYW 2 SOD-110BZX284-C5V1 PHYX 2 SOD-110BZX284-C5V6 PHYY 2 SOD-110BZX284-C6V2 PHYZ 2 SOD-110BZX284-C6V8 PH贴片元件标示代码表示查询表示符号实际元件生产厂结构封装类型参数及代换型号Z0SST310Tem F SOT23J310 n-ch jfetZ0PDZ2.4B Phi I SOD323 2.4V 0.4W zenerZ08SST308Sil F SOT23J308 n-ch jfetZ09SST309Sil F SOT23J309 n-ch jfetZ10SST310Sil F SOT23J310 n-ch jfetZ1BZX84-C4V7Phi C SOT230.3W zener 4.7VZ1SSTJ211Sil F SOT23J211 n-ch jfetZ1PDZ2.7B Phi I SOD323 2.7V 0.4W zenerZ1IMZ1A Roh DE2SC2414 npn,2SA1037AK pnp Z1BZV49C4V7Zet O SOT891W ±5% zener 4.7VZ2BZX84-C5V1Phi C SOT230.3W zener 4.7VZ2SSTJ212Sil F SOT23J212 n-ch jfetZ2IMZ2A Roh DF2SC2414 npn,2SA1037AK pnp Z2PDZ3.0B Phi I SOD323 3.0V 0.4W zenerZ2BZV49C5V1Zet O SOT891W ±5% zener 5.1VZ2U FMMTA63Zet N SOT23MPSA63Z2V FMMTA64Zet N SOT23MPSA64Z3BZX84-C5V6Phi C SOT230.3W zener 5.6VZ3PDZ3.3B Phi I SOD323 3.3V 0.4W zenerZ32SK1078Tos T SOT89n-ch mosfet 60V 0.8AZ3BZV49C5V6Zet O SOT891W ±5% zener 5.6VZ4BZX84-C6V2Phi C SOT230.3W zener 6.2VZ4PDZ3.6B Phi I SOD323 3.6V 0.4W zenerZ42SK1079Tos T SOT89n-ch mosfet 100V 0.6AZ4BZV49C6V2Zet O SOT891W ±5% zener 6.2VZ5BZX84-C6V8Phi C SOT230.3W zener 6.8VZ5PDZ3.9B Phi I SOD323 3.9V 0.4W zenerZ52SK1717Tos T SOT89n-ch mosfet 60V 2AZ5BZV49C6V8Zet O SOT891W ±5% zener 6.8VZ6BZX84-C7V5Phi C SOT230.3W zener 7.5VZ6PDZ4.3B Phi I SOD323 4.3V 0.4W zenerZ62SJ238Tos T SOT89p-ch mosfet 60V 1AZ6BZV49C7V5Zet O SOT891W ±5% zener 7.5VZ7BZX84-C8V2Phi C SOT230.3W zener 8.2VZ7PDZ4.7B Phi I SOD323 4.7V 0.4W zenerZ7BZV49C8V2Zet O SOT891W ±5% zener 8.2VZ8BZX84-C9V1Phi C SOT230.3W zener 9.1VZ8PDZ5.1B Phi I SOD323 5.1V 0.4W zenerZ8BZV49C9V1Zet O SOT891W ±5% zener 9.1VZ9BZX84-C10Phi C SOT230.3W zener 10VZ9PDZ5.6B Phi I SOD323 5.6V 0.4W zenerZ1BZV49C10Zet O SOT891W ±5% zener 10VZ10SST310Sil F SOT23J310 n-ch jfetZ11BZX84-C2V4Phi C SOT230.3W zener 2.4V ±5%Z12BZX84-C2V7Phi C SOT230.3W zener 2.7V ±5%Z13BZX84-C3V0Phi C SOT230.3W zener 3.0V ±5%Z14BZX84-C3V3Phi C SOT230.3W zener 3.3V ±5%Z15BZX84-C3V6Phi C SOT230.3W zener 3.6V ±5%Z16BZX84-C3V9Phi C SOT230.3W zener 3.9V ±5%Z17BZX84-C4V3Phi C SOT230.3W zener 4.3V ±5%Z21DTC113ZE Rho N EMT3npn dtr 1k0 + 10k 50V 100mA Z21DTC113ZUA Rho N SC70npn dtr 1k0 + 10k 50V 100mA Z21DTC113ZKA Rho N SC59npn dtr 1k0 + 10k 50V 100mA Z50BZX84-B2V4Phi C SOT230.3W zener 2.4V ±2%Z51BZX84-B2V7Phi C SOT230.3W zener 2.7V ±2%Z52BZX84-B3V0Phi C SOT230.3W zener 3.0V ±2%Z53BZX84-B3V3Phi C SOT230.3W zener 3.3V ±2%Z54BZX84-B3V6Phi C SOT230.3W zener 3.6V ±2%Z55BZX84-B3V9Phi C SOT230.3W zener 3.9V ±2%Z56BZX84-B4V3Phi C SOT230.3W zener 4.3V ±2%Z57BZX84-B4V7Phi C SOT230.3W zener 4.7V ±2%Z58BZX84-B5V1Phi C SOT230.3W zener 5.1V ±2%Z59BZX84-B5V6Phi C SOT230.3W zener 5.6V ±2%Z60BZX84-B6V2Phi C SOT230.3W zener 6.2V ±2%Z61BZX84-B6V8Phi C SOT230.3W zener 6.8V ±2%Z62BZX84-B7V5Phi C SOT230.3W zener 7.5V ±2%Z63BZX84-B8V2Phi C SOT230.3W zener 8.2V ±2%Z64BZX84-B9V1Phi C SOT230.3W zener 9.1V ±2%Z65BZX84-B10Phi C SOT230.3W zener 10V ±2%Z66BZX84-B11Phi C SOT230.3W zener 11V ±2%Z67BZX84-B12Phi C SOT230.3W zener 12V ±2%Z68BZX84-B13Phi C SOT230.3W zener 13V ±2%Z69BZX84-B15Phi C SOT230.3W zener 15V ±2%Z70BZX84-B16Phi C SOT230.3W zener 16V ±2%Z71BZX84-B18Phi C SOT230.3W zener 18V ±2%Z72BZX84-B20Phi C SOT230.3W zener 20V ±2%Z73BZX84-B22Phi C SOT230.3W zener 22V ±2%Z74BZX84-B24Phi C SOT230.3W zener 24V ±2% Z75BZX84-B27Phi C SOT230.3W zener 27V ±2% Z76BZX84-B30Phi C SOT230.3W zener 30V ±2% Z77BZX84-B33Phi C SOT230.3W zener 33V ±2% Z78BZX84-B36Phi C SOT230.3W zener 36V ±2% Z79BZX84-B39Phi C SOT230.3W zener 39V ±2% Z80BZX84-B43Phi C SOT230.3W zener 43V ±2% Z81BZX84-B47Phi C SOT230.3W zener 47V ±2% Z82BZX84-B51Phi C SOT230.3W zener 51V ±2% Z83BZX84-B56Phi C SOT230.3W zener 56V ±2% Z84BZX84-B62Phi C SOT230.3W zener 62V ±2% Z85BZX84-B68Phi C SOT230.3W zener 68V ±2% Z86BZX84-B75Phi C SOT230.3W zener 75V ±2% ZA BZX284-C7V5Phi I SOD1100.4W zener 7.5V ±5% ZA PDZ6.2B Phi I SOD323 6.2V 0.4W zenerZB FMMT4123Zet N SOT232N4123ZB PDZ6.8B Phi I SOD323 6.8V 0.4W zenerZB BZX284-C8V2Phi I SOD1100.4W zener 8.2V ±5% ZC FMMT4124Zet N SOT232N4124ZC BZX284-C9V1Phi I SOD1100.4W zener 9.1V ±5% ZC PDZ7.5B Phi I SOD3237.5V 0.4W zenerZD FMMT4125Zet N SOT232N4125ZD MMBT4125Mot N SOT232N4125ZD BZX284-C10Phi I SOD1100.4W zener 10V ±5% ZD PDZ8.2B Phi I SOD3238.2V 0.4W zenerZE FMMT4126Zet N SOT232N4126ZE MMBT4123Nat N SOT232N4123ZE BZX284-C11Phi I SOD1100.4W zener 11V ±5% ZE PDZ9.1B Phi I SOD3239.1V 0.4W zenerZF BZX284-C12Phi I SOD1100.4W zener 12V ±5% ZF PDZ10B Phi I SOD32310V 0.4W zenerZG BZX284-C13Phi I SOD1100.4W zener 13V ±5% ZG PDZ11B Phi I SOD32311V 0.4W zenerZH BZX284-C15Phi I SOD1100.4W zener 15V ±5% ZH PDZ12B Phi I SOD32312V 0.4W zenerZHK SM2Z5V1STM I2W SMD 5.1V 2W zenerZHL SM2Z5V6STM I2W SMD 5.6V 2W zenerZHW SM2Z12STM I2W SMD12V 2W zenerZI BZX284-C16Phi I SOD1100.4W zener 16V ±5%ZJ BZX284-C18Phi I SOD1100.4W zener 18V ±5%ZJ PDZ13B Phi I SOD32313V 0.4W zenerZJF SM2Z18STM I2W SMD18V 2W zenerZJQ SM2Z30STM I2W SMD30V 2W zenerZK BZX284-C20Phi I SOD1100.4W zener 20V ±5%ZK PDZ15B Phi I SOD32315V 0.4W zenerZKR SM2Z150STM I2W SMD150V 2W zenerZL BZX284-C22Phi I SOD1100.4W zener 22V ±5%ZL PDZ16B Phi I SOD32316V 0.4W zenerZM BZX284-C24Phi I SOD1100.4W zener 24V ±5% ZM PDZ18B Phi I SOD32318V 0.4W zenerZN BZX284-C27Phi I SOD1100.4W zener 27V ±5%ZN PDZ20B Phi I SOD32320V 0.4W zenerZO BZX284-C30Phi I SOD1100.4W zener 30V ±5%ZP BZX284-C33Phi I SOD1000.4W zener 33V ±5%ZP PDZ22B Phi I SOD32322V 0.4W zenerZQ BZX284-C36Phi I SOD1100.4W zener 36V ±5% ZQ PDZ24B Phi I SOD32324V 0.4W zenerZ-Q2PC4081Q Phi N SOT323gp npn hfe 120-270ZtQ2PC4081Q Phi N SOT323gp npn hfe 120-270ZR MSD1819A Mot N SOT323npn gp 50VZR BZX284-C39Phi I SOD1100.4W zener 39V ±5%ZR PDZ27B Phi I SOD32327V 0.4W zenerZ-R2PC4081R Phi N SOT323gp npn hfe 180-390ZtR2PC4081R Phi N SOT323gp npn hfe 180-390ZS BZX284-C43Phi I SOD1100.4W zener 43V ±5%ZS PDZ30B Phi I SOD32330V 0.4W zenerZS1ZHCS1000Zet E SOT2330V 1A schottky diode ZS5ZHCS500Zet E SOT2340V 0.5A schottky diode ZS7ZHCS750Zet E SOT2330V 0.75A schottky diode Z-S2PC4081S Phi N SOT323gp npn hfe 270-560ZtS2PC4081S Phi N SOT323gp npn hfe 270-560ZT BZX284-C47Phi I SOD1100.4W zener 47V ±5%。
Code Device ManufacturerBase Package Leaded Equivalent/Data2BAT62-02W Sie I SCD80BAT16 schottky diode2 (blue)BAR64-03W Sie I SOD323pin diode22SC3604Nec CX-npn RF fT8GHz 12dB@2GHz2 (white)BB439Sie I SOD32329-5 pF varicap20MRF5811Mot X SOT143npn Rf fT 5GHz 0.2A-20PDTC114WU Phi N SOT323npn dtr20F TSDF1220Tfk X SOT143fT 12GHz npn 6V 20mA20V PZM20NB Phi C SOT34620V 300mW zener20Y BZV49-C20Phi O SOT8920V 1W zener21Gali-21MC AZ SOT89DC-8GHz MMIC amp 14 dB gain 22MMBT4209Nat N SOT23pnp sw 850MHz 2N420922DTC123EUA Rho N SC70npn dtr 2k2+2k2 50V 100ma22DTC123EKA Rho N SC59npn dtr 2k2+2k2 50V 100ma 22V PZM22NB Phi C SOT34622V 300mW zener22Y BZV49-C22Phi O SOT8922V 1W zener23MMBT3646Nat N SOT23npn sw 350MHz 2N364623DTC143EUA Roh N SC70pnp dtr 50V 100mA 4k7+ 4k723DTC143EKA Roh N SC59pnp dtr 50V 100mA 4k7+ 4k7 -23PDTA114TU Phi N SOT323pnp dtr R1 10kt23PDTA114TU Phi N SOT323pnp dtr R1 10k 24MMBD2101Nat C SOT23Si diode 100V 200mA24DTC114ECA Roh N SOT23npn dtr 50V 100mA 10k + 10k 24DTC114EUA Roh N SC70npn dtr 50V 100mA 10k + 10k 24DTC114EKA Roh N SC59npn dtr 50V 100mA 10k + 10k 242SC5006Nec N-npn RF fT 4.5GHz @3V 7mA-24PDTC114TU Phi N SOT323npn dtr R1 10kt24PDTC114TU Phi N SOT323npn dtr R1 10k24V PZM24NB Phi C SOT34624V 300mW Zener24Y BZV49-C24Phi O SOT8924V 1W zener25MMBD2102Nat K SOT23Si diode 100V 200mA25DTC124ECA Roh N SOT23npn dtr 50V 100mA 22k + 22k 25DTC124EKA Roh N SC59npn dtr 50V 100mA 22k + 22k 25DTC124EUA Roh N SC70npn dtr 50V 100mA 22k + 22k 26MMBD2103Nat D SOT23dual MMBD120126DTC144EKA Roh N SC59npn dtr 50V 30mA 47k + 47k26DTC144EUA Roh N SC70npn dtr 50V 30mA 47k + 47k27MMBD2104Nat B SOT23dual cc MMBD120127V PZM27NB Phi C SOT34627V 300mW Zener27Y BZV49-C27Phi O SOT8927V 1W zener28BFP280T Tfk W-npn RF fT 7GHz 8V 10mA28MMBD2105Nat A SOT23dual ca MMBD1201-28PDTA114WU Phi N SOT323pnp dtr29MMBD1401Nat C SOT23Si diode 200V 100mA29DTC115EE Roh N EMT3npn dtr 100k +100k 50V 20mA 29DTC115EUA Roh N SC70npn dtr 100k +100k 50V 20mA29DTC115EKA Roh N SC59npn dtr 100k +100k 50V 20mA 200SSTPAD200Sil J -PAD-200 200pA leakage diode 201PZM20NB1Phi C SOT34620V 300mW Zener 202PZM20NB2Phi C SOT34620V 300mW Zener 203PZM20NB3Phi C SOT34620V 300mW Zener 221PZM22NB1Phi C SOT34622V 300mW Zener 222PZM22NB2Phi C SOT34622V 300mW Zener 223PZM22NB3Phi C SOT34622V 300mW Zener 241PZM24NB Phi C SOT34624V 300mW Zener 242PZM24NB Phi C SOT34624V 300mW Zener 243PZM20NB Phi C SOT34624V 300mW Zener 271PZM2.7NB1Phi C SOT346 2.7V 300mW Zener 272PZM2.7NB2Phi C SOT346 2.7V 300mW Zener 2A MMBT3906L Mot N SOT232N39062A MMBT3906W Mot N SOT3232N39062A FMMT3906Zet N SOT232N3906t2A PMBT3906Phi N SOT232N3906t2A PMST3906Phi N SOT3232N3906p2A PXT3906Phi O SOT892N39062A4PZM2.4NB2A Phi A SOT346dual 2.4V cc Zener 2A7PZM2.7NB2A Phi A SOT346dual 2.7V cc Zener 2B BC849B ITT N SOT23BC549B 2Bs BC849B Sie N SOT23BC549B 2Bs BC849BW Sie N SOT323BC549B 2Bp BC849B Phi N SOT23BC549B 2Bt BC849BW Phi N SOT323BC549B 2B-BC849BW Phi N SOT323BC549B 2B FMMT2907Zet N SOT232N29072B MMBT2907Mot N SOT23MPS2907p2B PMBT2907Phi N SOT232N2907t2B PMBT2907Phi N SOT232N29072BR BC849BR Phi R SOT23R BC549B 2BZ FMMT2907Zet N SOT232N29072C BC849C ITT N SOT23BC549C 2Cs BC849C Sie N SOT23BC549C 2Cs BC849CW Sie N SOT323BC549C 2Cp BC849C Phi N SOT23BC549C 2Ct BC849C Phi N SOT23BC549C 2Ct BC849CW Phi N SOT323BC549C 2C-BC849CW Phi N SOT323BC549C 2C MMBTA70Mot N SOT23MPSA702CR BC849CR Phi R SOT23R BC549C 2CZ FMMTA70Zet N SOT23MPSA702D MMBTA92Mot N SOT23MPSA92 pnp Vce 300V p2DPMBTA92PhiNSOT23MPSA92 pnp Vce 300VSOT232N3906p2A PMBT3906Phi Np2D PXTA92Phi O SOT89MPSA92 pnp Vce 300V t2D PMBTA92Phi N SOT23MPSA92 pnp Vce 300V t2D PMSTA92Phi N SOT323MPSA92 pnp Vce 300V 2E MMBTA93Mot N SOT23MPSA93 pnp Vce 200V 2E FMMT-A93Zet N SOT23MPSA93t2E PMBTA93Phi N SOT23MPSA93 pnp Vce 200V t2E PMSTA93Phi N SOT323MPSA93 pnp Vce 200V 2F BC850B ITT N SOT23BC550B2Fs BC850B Sie N SOT23BC550B2Fs BC850BW Sie N SOT323BC550B2Fp BC850B Phi N SOT23BC550B2Ft BC850B Phi N SOT23BC550B2Ft BC850BW Phi N SOT323BC550B2F-BC850BW Phi N SOT323BC550B2F FMMT2907A Zet N SOT232N2907A2F MMBT2907A Mot N SOT23MPS2907A2F MMBT2907AW Mot N SOT323MPS2907Ap2F PMBT2907A Phi N SOT232N2907Ap2F PXT2907A Phi O SOT892N2907At2F PMBT2907A Phi N SOT232N2907At2F PMBT2907A Phi N SOT3232N2907A2FR BC850BR Phi R SOT23R BC550B2G BC850C ITT N SOT23BC550C2Gs BC850C Sie N SOT23BC550C2Gp BC850C Phi N SOT23BC550C2Gt BC850C Phi N SOT323BC550C2Gt BC850CW Phi N SOT323BC550C2G-BC850CW Phi N SOT323BC550C2G FMMT-A56Zet N SOT23MPSA562G MMBTA56Mot N SOT23MPSA56p2G PMBTA56Phi N SOT23MPSA56t2G PMBTA56Phi N SOT23MPSA56t2G PMSTA56Phi N SOT323MPSA562GM MMBTA56Mot N SOT23MPSA562GR BC850CR Phi R SOT23R BC550C2GT SOA56SGS N SOT23MPSA562H FMMT-A55Zet N SOT23MPSA552HT SOA55SGS N SOT23MPSA552H MMBTA55Mot N SOT23MPSA55t2H PMBTA55Phi N SOT23MPSA55t2H PMSTA55Phi N SOT323MPSA552J MMBT3640Mot N SOT23MPS3640 pnp sw2K FMMT4402Zet N SOT232N44022K MMBT8598Mot N-2N4125 pnp 60V2L MMBT5401Mot N SOT232N5401 pnp 150V2L FMMT4403Zet N SOT232N4403p2L PMBT5401Phi N SOT232N5401 pnp 150Vt2L PMBT5401Phi N SOT232N5401 pnp 150Vt2L PMST5401Phi N SOT3232N5401 pnp 150V2M FMMT5087Zet N SOT232N50872M MMBT404Mot N SOT23pnp-chopper 24V 150mA2N MMBT404A Mot N SOT23pnp-chopper 35V 150mA2N0ZXT11N20DF Zet N SOT23npn 20V 2.5A low sat switch 2P FMMT2222R Zet R SOT23R2N22222P MMBT5086Mot N SOT232N50862Q MMBT5087Mot N SOT232N50872R HSMS-8102HP Z SOT2310-14GHz schottky mixer pair 2T SO4403SGS N SOT232N44032T MMBT4403Mot N SOT232N4403p2T PMBT4403Phi N SOT232N4403p2T PXT4403Phi O SOT892N4403t2T PMBT4403Phi N SOT232N4403t2T PMST4403Phi N SOT3232N44032T HT2Zet N SOT23pnp 80V 100mA2U MMBTA63Mot N SOT23MPSA63 darlingtont2U PMBTA63Phi N SOT23MPSA63 darlington2V MMBTA64Mot N SOT23MPSA64 darlingtonp2V PXTA64Phi O SOT89MPSA64 darlingtont2V PMBTA64Phi H SOT23MPSA64 darlington2V4PZM2.4NB Phi C SOT346 2.4V 300mW Zener2V7PZM2.7NB Phi C SOT346 2.7V 300mW Zener2W FMMT3905Zet N SOT232N39052W MMBT8599Mot N-2N4125 Vce 80V pnp2X SO4401SGS N SOT232N44012X MMBT4401Mot N SOT232N4401p2X PMBT4401Phi N SOT232N4401p2X PxT4401Phi O SOT892N4401t2X PMBT4401Phi N SOT232N4401t2X PMST4401Phi N SOT3232N44012Y4BZV49-C2V4Phi O SOT89 2.4V 1W zener2Y7BZV49-C2V7Phi O SOT89 2.7V 1W zener2Z MMBT6520Mot N SOT232N6520 pnp Vce 350V2Z BAS70-04Zet D SOT23dual series RF schottky 70V 15mA2Z5BAS70-05Zet B SOT23dual cc RF Schottky 70V 15mA。