项目登记表
- 格式:doc
- 大小:88.50 KB
- 文档页数:6
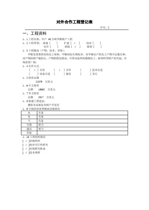
序号:2一、工程资料1、1工程名称:年产40万吨甲醇联产工程1、2工程类型:新建[]扩建[√]技改[]允许[]鼓励[√]限制[]1、3工程描述〔产物、技术、市场〕:甲醇是重要的有机化工原料,甲醇的衍生物较多,有甲醇出产的化工产物可达数百种,该产物的财产链较长、产物的附加值高,可带动处所的精细化工、新材料等财产的兴起,市场前景广阔。
1、4合作方式[√]合资[√]合作[]技术引进[]设备引进[]独资[]其它1、5投资总额21879万美元1、6中方投资总额16862万美元1、7外方投资总额5017万美元1、8拟建工程选址:濮阳市高新技术财产开发区1、10工程材料情况[√]详细资料[√]初步可行性研究[√]市场研究陈述[√]技术调研序号:2 二、公司资料2.1企业概况No. 2 IDENTIFICATION FORM FOR PROPOSED PROJECT(English Version)Part One Description of the Proposed Project1·1 Project TitleDerivative Project of Methanol 400,000t/y1·2 Project Type [ ] New [ √]Expansion [ ]Rehabilitation[ ]Permitted [ √] Encouraged [ ]Restricted by the State 1·3 General Description of ProjectMethanol is a kind of important organic raw chemical material, it has many kinds of derivation, there are hundreds of chemical products, which have byproducts of methanol. The Industry line is very long, and its additive value is very high. The methanol industry could active local refining chemistry and new material industry. The market will be great.1·4 Intended Mode of Cooperation[ √]Joint Venture [ √]Cooperative [ ]Technical Introduction [ ]Equipment Import [ ]Compensation Trade [ ]Other forms1·5 Total Investment (in 1 million US Dollar)218.791·6 Local Investment and Structure (in 1 million US Dollar)Total: 168.621·7 Foreign Part and Structure (in 1 million US Dollar)Total: 50.171·8 Project SitePuyang High-tech Industry Development Zone1·12Background Information[√] Detailed Project Description[√] Pre-feasibility Study[√] Market Study[√] Technical StudyNo. 2 Part Two Local Company Data序号:4一、工程资料1、1工程名称:年产40万吨甲醇扩建工程1、2工程类型:新建[ ] 扩建[ √] 技改[ ]允许[ ] 鼓励[ √] 限制[ ]1、3工程描述〔产物、技术、市场〕:甲醇是碳一化学中的重要产物,世界畅旺国家的甲醇产量仅次于乙烯、丙烯、苯位居第四位,甲醇是重要的有机化工原料,在畅旺国家其产量仅次于已烯、丙烯和苯,居第四位,它广泛用于出产塑料、合成纤维、合成橡胶、染料、涂料、香料、医药和农药等,市场前景良好。
项目备案信息登记表(样表)
注:本表通过河北省投资项目在线审批监管平台进行网上填报。
汽车项目备案信息填写要求
1.项目名称:企业全称+项目全称
说明:企业全称为营业执照上企业名称。
项目全称的格式为“年产+数量+单位+产品名称+项目”或“产品名称+生产项目”。
例:*****有限公司年产1000万套汽车车门项目、*****有限公司汽车车门生产项目
2.建设地点:具体到市县;详细地址:具体到街道。
3.建设规模:年产+产品名称+数量+单位、
说明:多种产品需要分列。
例:年产车门1000万套、车窗1000万套。
4.建设内容:(1)用地情况,土建情况;
说明:用地情况为“新增土地(利用原有土地)+数量+亩/平方米”或“项目利用原有厂房+数量+平方米”。
土建情况需列明拟建的主要设施(仅限于工业项目允许建设的设施),总建筑面积+数字+平方米。
例:新增/利用原有土地10亩,建设生产车间、仓库等配套及辅助设施,总建筑面积10000平方米。
或利用原有/租用厂房10000平方米。
(2)新增主要设备+设备总台数。
说明:主要设备应列三台以上重要工序的生产设备,包括其他部门重点审查的设备。
设备名称应为通用全称。
例:新增开式可倾压力机、数控等离子切割机、液压剪板机、喷漆线等生产和辅助设备20台套。
5.总建筑面积:企业全部的建筑面积(包括原有建筑面价+新增建筑面积)或本项目使用的建筑面积。
6.投资情况:总投资=固定资产投资+铺底流动资金,资本金应大于总投资的20%。
项目备案登记表范文部门名称:__________
项目名称:__________
备案时间:__________
一、项目概要
1.项目背景及目标:
2.项目内容:
3.项目实施地点:
4.项目周期:
5.项目预算:
6.项目影响范围:
7.项目风险及应对措施:
二、项目组织架构
2.项目组成员及职责分工:
3.项目沟通机制:
三、项目进度计划
1.项目启动计划:
2.项目实施计划:
3.项目监控计划:
1.项目预算总额:
3.资金使用计划:
五、项目风险管理
1.主要风险及预防措施:
2.风险评估表:
六、项目评估与监控
1.项目评估指标:
2.监控方法:
七、项目沟通与合作
1.项目相关人员:
2.沟通方式及频率:
3.合作伙伴:
八、项目备案审核
1.备案审核人:
2.审核意见:
3.备案审核结果:
九、项目备案登记表确认
项目负责人签名:__________
审核人签名:__________。
建筑业工程项目情况登记表1.本表依据《国家税务总局关于印发〈不动产、建筑业营业税项目管理及发票使用管理暂行办法〉的通知》(国税发[2006]128号)设置。
2.适用范围:纳税人向应税劳务发生地主管税务机关办理建筑业工程项目登记时使用。
3.纳税人提供建筑业应税劳务,应在签订建筑业工程合同并领取建筑施工许可证之日起30日内,向应税劳务发生地主管税务机关申请办理建筑业工程项目登记,完整、真实、准确地填写《建筑业分包工程项目情况登记表》。
4.纳税人办理建筑业工程项目登记应当出示、提供以下证件资料(所提供资料原件用于税务机关审核,复印件留存税务机关):A.中标通知书等建筑业工程项目证书(无项目证书的工程,纳税人提供书面材料,包括工程施工地点、工程总造价、参建单位、联系人、联系电话等);B.建筑业工程施工合同;C.建筑业工程项目施工许可证(办理建筑工程项目开工登记时,纳税人未取得建筑施工许可证的,在取得建筑施工许可证后通过项目变更登记实现补充登记);D.税务机关要求提供的其他有关资料。
5.填表说明:(1)“工程项目名称”:《建筑业工程项目施工许可证》核准的“工程名称”;(2)“工程项目地址”:《建筑业工程项目施工许可证》核准的“建设项目地址”;(3)“项目分类”:建筑、安装、装饰、修缮、其他工程作业;(4)“开工时间”:建筑业工程施工合同约定的开工日期;(5)“竣工时间”:建筑业工程施工合同约定的竣工日期;(6)“项目用途”:①办公用房、②生产用房、③仓储用房、④商品房、⑤市政工程、⑥道路、⑦桥梁、⑧大坝、⑨隧洞、⑩涵洞、⑾广场、⑿河堤、⒀土方、⒁其它;(7)“项目预算”:建筑业工程施工合同约定的项目预算金额;(8)“建筑面积”:建筑业工程施工合同约定的建筑面积,没有约定的可以不填;(9)“承包方式”:包工包料、包工部分包料、包工不包料;(10)“建设单位名称”:建设单位全称;(11)“计算机代码”:建筑业应税劳务发生地主管税务机关分配的计算机代码;(12)“施工单位名称”:施工单位全称;(13)“外出经营活动税收管理证明发放单位”:外出经营活动税收管理证明发放地主管税务机关全称,同时注意省内和省外;(14)“外出经营活动税收管理证明编号”:全部字轨编号;(15)“施工许可证发证机关”:《建筑业工程项目施工许可证》发放机关全称;(16)“施工许可证编号”:必须严格按照规划部门编写的号码填报,包含全部的字轨号码;(17)“合同规定的付款日期”:建筑业工程施工合同约定的全部付款日期;(18)“合同规定的工程竣工结算方式”:建筑业工程施工合同约定工程竣工结算方式。
“体育、艺术2+1项目”登记表
“体育、艺术2+1项目”内容
一、体育项目
1、体操类项目
艺术体操(形体练习)、健美操、舞蹈、技巧和轻器械体操
2、田径类项目
耐久跑、短跑、跳跃、投掷
3、棋类项目
中国象棋、围棋
4、球类项目
篮球、足球、软式排球、乒乓球、羽毛球、板羽球
5、民族传统体育项目
武术基本功和基本动作、青年拳单练、健身拳、剑术、对练、短棍
二、艺术项目
1、音乐表演类项目
钢琴、手风琴、电子琴、课堂乐器(竖笛、横笛、口琴、口风琴、葫芦丝)、中国民族乐器(二胡、笛子、古筝等)、西洋管弦乐器、声乐、戏曲、曲艺舞蹈(中国民族民间舞、中国古典舞、芭蕾舞)
2、美术类项目
素描、中国画、版画、水彩(水粉)画、漫画卡通、雕刻、工艺、设计、书法篆刻、摄影、民间美术。
建设项目环境保护审批登记表
13 所占比例(
注:
1. 排放增减量:(+)表示增加,(-)表示减少
2. 计量单位:废水排放量--万吨/年;废气排放量--万标立方米/年;工业固体废物排放量--万吨/年;水污染物排放浓度--毫克/升;大气污染物排放浓度--毫克/立方米;水污染物排放量--吨/年;大气污染物排放量--吨/年
3. (12)指该项目所在区域通过“区域平衡”专为本工程替代削减的量
4. (9)=(7)-(8),(15)=(9)-(11)-(12),(13)=(3)-(11)+(9)
5. 其中,“环境影响区域”为非必填项
自然保护区
饮用水水源保护区风景名胜区森林公园基本农田保护区沙化地封禁保护区
水土流失重点防治区
地质公园
世界自然文化遗产
文物保护单位
重点湖泊两控区
重要湿地
基本草原
重点流域
珍稀动植物栖息地。
登记编号:201 []号省外勘察设计企业进豫承接业务登记表
申请企业:
填报日期:
河南省住房和城乡建设厅印制
—1 —
一、省外勘察设计企业基本情况登记编号:
备注:本表一式4份:省住房和城乡建设厅、省辖市建委、施工图审查机构、进豫企业各1份。
—2 —
二、承揽该勘察设计项目的技术人员登记表
—3 —
—4 —
三、承揽该勘察设计项目的注册执业人员印模及本人签字样:
(执业印章请盖端正、清晰。
页面不够可另附纸张)
—5 —
四、企业公章、法人章、合同专用章、单位出图专用章
进豫勘察设计企业登记须知
一、市场准入规定
1. 年度工商营业执照年检合格;
2. 具有建设行政主管部门颁发的甲级(有效期内)工程勘察设计资质证书且年度动态考核合格;
3. 依法取得的工程勘察、工程设计项目合同;
4. 参与承接项目的所有技术人员应缴纳社保的证明;
5. 所承接业务未超出本企业资质认定的等级和范围。
二、登记程序
1. 向工程项目所在地省辖市建设行政主管部门提交进豫相关材料;
2. 省辖市建设行政主管部门对经审查合格的在《登记表》签署意见并加盖公章;
3 持经省辖市建设行政主管部门签署意见的《登记表》到省建设行政主管部门办理进豫登记手续。
三、进豫企业项目登记须提供材料
1. 企业工商注册地省级建设行政主管部门提供的出省承揽勘察设计业务介绍信、诚信证明;
2. 《企业法人营业执照》、《勘察设计资质证书》副本原件和复印件;企业法定代表人对该项目技术负责人的授权委托书原件及身份证明原件、复印件;参与所承揽项目各专业技术人员身份证、毕业证、职称证、执业资格证书复印件及执业印模、执业人员、技术人员签字字样和企业工商注册地缴纳的近3个月的社保证明原件;
3. 所承接项目合同
-6-。