2017-2018学年山西省应县第一中学高一上学期第四次月考物理试题
- 格式:doc
- 大小:3.30 MB
- 文档页数:8
山西省应县第一中学校2018-2019学年高一物理上学期期末考试试题时间:100分钟满分:110分一.单项选择题(每小题4分,共40分,)1、如图所示,某人沿着倾角为45°的楼梯从一楼A位置走到了二楼B位置,如果楼梯间的宽度为L,则人的位移和路程分别为()A. 2L,B. 2L,(1+)LC. L,2LD. L,(1+)L2、匀变速直线运动的小球在第1s内的位移为1m,第2s内的位移为2m,第3s内的位移为3m,第4s内的位移为4m,下列描述正确的是( )A. 小球在这4s内的平均速度是2.5m/sB. 小球在第3s内的平均速度是1m/sC. 小球在第3s初至第4s末的平均速度是7m/sD. 小球在第3s末的瞬时速度是3m/s3、一汽车在路面情况相同的公路上直线行驶,下面关于车速、惯性、质量和滑行路程的讨论,正确的().A、车速越大,它的惯性越大B、车速越大,刹车后滑行的路程越短C、质量越大,它的惯性越大D、车速越大,刹车后滑行的路程越长,所以惯性越大4、如图所示,一个木块放在水平地面上,在水平恒力F作用下,以速度v匀速运动,下列关于摩擦力的说法中正确的是()A.木块受到的滑动摩擦力的大小等于FB.地面受到的静摩擦力的大小等于FC.若木块以2v的速度匀速运动时,木块受到的摩擦力大小等于2FD.若用2F的力作用在木块上,木块受到的摩擦力的大小为2F5、如图所示,在教室里某同学站在体重计上研究超重与失重.她由稳定的站姿变化到稳定的蹲姿称为“下蹲”过程;由稳定的蹲姿变化到稳定的站姿称为“起立”过程.关于她的实验现象,下列说法中正确的是( )A.只有“起立”过程,才能出现失重的现象B.只有“下蹲”过程,才能出现超重的现象C.“下蹲”的过程,先出现超重现象后出现失重现象D.“起立”、“下蹲”的过程,都能出现超重和失重的现象6、如下图所示,小球从竖直砖墙某位置静止释放,用频闪照相机在同一底片上多次曝光,得到了图中1、2、3、4、所示小球运动过程中每次曝光的位置连续两次曝光的时间间隔均为T,每块砖的厚度为d。
山西省应县第一中学校2017-2018学年第一学期期中考试高一物理试题一.单项选择题1. 在物理学的重大发现中科学家们创造出了许多物理学研究方法,如理想实验法、控制变量法、极限思想法、类比法和科学假说法、建立物理模型法等等.以下关于所用物理学研究方法的叙述不正确...的是()A. 在不需要考虑物体本身的大小和形状时,用质点来代替物体的方法叫理想模型法B. 根据加速度定义式,当非常非常小时,就可以表示物体在时刻的瞬时加速度,该定义应用了极限思想方法C. 在研究一段变速直线运动的时间时把变速运动当成匀速运动处理,采用的是控制变量法D. 在推导匀变速直线运动位移公式时,把整个运动过程划分成很多小段,每一小段近似看作匀速直线运动,然后把各小段的位移相加,这里采用了微元法【答案】C【解析】质点属于理想模型,所以用到了理想模型法,A正确;时中的v可近似等于瞬时速度,故用到了极限思想法,B正确;在研究一段变速直线运动的时间时把变速运动当成无数个匀速运动处理,用到了微分法,C错误;在推导匀变速直线运动位移公式时,把整个运动过程划分成很多小段,每一小段近似看作匀速直线运动,然后把各小段的位移相加,用到了微元法,D正确.2. 关于匀变速直线运动的下列说法正确的是()A. 匀减速直线运动就是加速度为负值的运动B. 匀加速直线运动的速度一定与时间成正比C. 匀变速直线运动的速度随时间均匀变化D. 速度先减小再增大的运动一定不是匀变速直线运动【答案】C【解析】A、若规定初速度为正方向,匀减速直线运动的加速度方向与初速度方向相反,则加速度为负值;若规定初速度的相反为正方向,匀减速直线运动的加速度方向与初速度方向相反,加速度为正值,故A错误;B、根据速度公式,可知,当,与不成正比,故B错误;C、根据,不变,可知相等时间内速度的变化量相等,说明匀变速直线运动的速度随时间均匀变化,故C正确;D、对于速度先减小再增大的运动,若加速度不变,也可能是匀变速直线运动,比如竖直上抛运动,故D错误.点睛:解决本题的关键知道匀变速直线运动的特点,以及掌握匀变速直线运动的速度公式,即可根据公式进行分析。
山西省应县一中2017-2018学年高一9月月考物理试卷一.单项选择题(每小题4分,共40分,每小题只有一个选项正确)1. 学习了惯性知识后,小明有了如下认识。
其中下列说法正确的是()A. 物体运动时的惯性比静止时的惯性大B. 任何物体在任何情况下都有惯性C. 自由下落的物体没有惯性D. 地球上的物体都有惯性,在太空行走的宇航员没有惯性【答案】B【解析】A、惯性大小只与物体的质量有关,而与其他因素无关,所以此选项是错误的;B、任何物体在任何情况下都有惯性,所以此选项是正确的;C、任何物体在任何情况下都有惯性,那么就不存在没有惯性的物体,所以此选项是错误的;D、不存在没有惯性的物体,所以此选项是错误的;故选B.【点睛】正确的理解惯性的定义,以及影响惯性大小的因素.2. 下列现象中,不能说明大气压存在的是( )A. 用吸管把饮料吸入口中B. 堵上茶盖上的小孔,茶壶里的水就不容易被倒出来C. 水坝的形状上窄下宽D. 两块玻璃合在一起,若中间有水,则很难把它们分开【答案】C【解析】A、当用口吸吸管时,口内气压减小,小于外界大气压,大气压压着饮料进入口中,能说明大气压的存在;B、堵上小孔,当壶内的水流出部分后,壶内气压减小,小于外界大气压,大气压压着里面的水不易流出来;能说明大气压的存在;C、水坝的形状上窄下宽是因为液体压强随深度的增加而增大,故C符合题意.D、两块玻璃板的表面用水浸湿,由于分子间的存在相互的引力,玻璃板在水分子的引力作用下很难被分开,这是分子间作用力的结果,与大气压力无关.故选C.【点睛】生活中有很多现象能说明大气压的存在,但具体工作过程中是否利用了大气压却要具体问题,具体分析.3. 在港口的集装箱码头上,吊车正吊着集装箱匀速上升。
下列关于物体间作用力关系的说法中正确的是( )A. 集装箱受到的重力和它对钢丝绳的拉力是一对平衡力B. 集装箱受到的重力和钢丝绳对它的拉力是一对平衡力C. 集装箱受到的合力方向竖直向上D. 集装箱受到的重力小于它对钢丝绳的拉力【答案】B【点睛】本题考查平衡力的判断,明确二力平衡的四个条件,和平衡力的合力为零.4. 如图是演示物体具有惯性的实验装置,有关现象及其分析中错误..的是()A. 木片飞出后下落──木片受重力的作用B. 弹簧片被压弯──力可以改变物体的形状C. 弹簧片打击木片,木片飞出去──物体间力的作用是相互的D. 弯曲的弹簧片释放后以一定的速度打出木片──弹性势能转化为动能【答案】C【解析】A、地球上的一切物体都要受到重力作用,木片飞出后下落是因为木片受重力的作用,故A正确.B、弹簧片被压弯说明了力可以改变物体的形状,故B正确;C、弹性钢片打击小木片时,小木片受到力的作用,在力的作用下小木片飞出去,小木片的运动状态发生改变,这说明:力可以改变物体的运动状态.故C错误;D、弯曲的弹簧片释放后以一定的速度打出木片,此时弹性势能转化为动能,故D正确.故选C.【点睛】本题考查了力的作用效果、重力、能量的相互转化等,考查的知识点较多,难度不大,是一道基础题.5. 如图所示,把两支完全相同的密度计分别放在甲、乙两种液体中,它们所受到的浮力分别为F甲和F乙,若两种液体的深度相同,两种液体对容器底部的压强分别为P甲和P乙,那么,下列说法中正确的是( )A. F甲=F乙P甲=P乙B. F甲=F乙P甲<P乙C. F甲>F乙P甲>P乙D. F甲<F乙P甲<P乙【答案】B【解析】∵密度计均为漂浮,∴密度计受到液体的浮力:F甲=F乙=G;由图知密度计排开液体的体积V排甲>V排乙,∵F浮=ρ液V排g,∴ρ甲<ρ乙,又∵p=ρgh,两液体深度相同,∴两液体对容器底部的压强:p甲<p乙.故选B.【点睛】本题考查了学生对液体压强公式、阿基米德原理、物体的漂浮条件的掌握和运用,利用好密度计测液体密度时漂浮是本题的关键.6. 物体A重10N,现用一光滑棒对A施加一水平力F=20N,将A压在竖直墙壁上,A保持静止状态。
山西省应县第一中学校2017-2018学年高一上学期月考(四)化学试题1. 常温下,能用铁制容器盛放的液体是( )A. 稀硫酸B. CuSO4溶液C. FeCl3溶液D. NaOH溶液【答案】D【解析】稀硫酸与铁反应生成硫酸亚铁和氢气;CuSO4溶液可以与铁制品发生置换反应生成铜和硫酸亚铁;FeCl3溶液与铁反应生成氯化亚铁;NaOH溶液与铁不反应,所以NaOH溶液能用铁制容器盛放;故选D。
2. 将一小块金属钠投入到硫酸铜溶液中,最终得到的主要产物有:( )A. Cu和Na2SO4B. Cu(OH)2 、Na2SO4和H2C. Cu、Na2SO4和H2D. Cu、Cu(OH)2 、Na2SO4和H2【答案】B【解析】钠是活泼的金属,极易和水反应生成氢气和氢氧化钠。
生成的氢氧化钠再和溶液中的硫酸铜发生复分解反应生成硫酸钠、氢氧化铜,故B正确。
3. 下列反应中既能与稀盐酸反应,又能与NaOH溶液反应的一组物质是()① NaHCO3②Al2O3 ③Al(OH)3④AlA. 只有②、③、④B. 只有③、④C. 只有①、③、④D. ①、②、③、④【答案】D【解析】NaHCO3与盐酸反应生成氯化钠、水和二氧化碳;NaHCO3与NaOH溶液反应生成碳酸钠和水;Al2O3是两性氧化物,Al2O3与盐酸反应生成氯化铝和水,Al2O3与氢氧化钠溶液反应生成偏铝酸钠和水;Al(OH)3是两性氢氧化物,Al(OH)3与盐酸反应生成氯化铝和水,Al(OH)3与氢氧化钠溶液反应生成偏铝酸钠和水;Al与盐酸反应生成氯化铝和氢气,铝与氢氧化钠溶液反应生成偏铝酸钠和氢气;故选D。
4. 取一小块金属钠,放在燃烧匙里加热,下列实验现象描述正确的是( )①金属先熔化②在空气中燃烧,产生苍白色火焰③燃烧后得白色固体④燃烧时火焰为黄色⑤燃烧后生成浅黄色固体物质A. ②⑤B. ①②③C. ①④⑤D. ④⑤【答案】C【解析】由于金属钠的熔点比较低,所以金属钠放在燃烧匙中加热先熔化,然后燃烧生成黄色粉末过氧化钠并且伴有黄色火焰,故选C。
高一年级月考四物理试题 2019.12时间:100分钟满分:110分一、选择题(本题共14小题,在每小题给出的四个选项中,第1—10小题只有一个选项正确,第11—14小题可能有多个选项正确,全部选对的得4分,选对但不全的得2分,有选错的得0分,共56分.)1、下列关于牛顿运动定律说法正确的是( )A.力是维持物体运动的原因B.牛顿第一定律可以用实验直接验证C.作用力与反作用力只存在于相互接触的两个物体之间D.作用力与反作用力的性质一定相同2、如图所示,质量为2 kg的物体B和质量为1 kg的物体C用轻弹簧连接并竖直地静置于水平地面上。
再将一个质量为3 kg 的物体A轻放到B上的瞬间,弹簧的弹力大小为(取g=10 m/s2)( )A.30 N B.20 NC. 0 D.12 N3、关于运动状态与所受外力的关系,下面说法中正确的是( )A.物体受到恒定的力作用时,它的运动状态不发生改变B.物体受到不为零的合力作用时,它的运动状态要发生改变C.物体受到的合力为零时,它一定处于静止状态D.物体的运动方向与它所受的合力方向一定相同4、在升降机内,一个人站在磅秤上,发现自己的体重减轻了20%,于是他做出了下列判断中正确的是()A.升降机可能以0.8g的加速度加速上升 B.升降机可能匀速度下降C.升降机可能以0.2g的加速度减速上升 D.升降机可能以0.8g的加速度减速下降。
5、如图所示,一箱苹果沿着倾角为θ的斜面,以速度v匀速下滑.在箱子的中央有一个质量为m的苹果,它受到周围苹果对它作用力的方向( )A.沿斜面向上B.沿斜面向下C.竖直向上 D.垂直斜面向上6、如图所示,甲为水平传送带,乙为倾斜传送带,当行李箱随传送带一起匀速运动时,下列判断中正确的是( )A .甲上的行李箱受到重力、支持力和摩擦力作用B .甲上的行李箱受的支持力与重力是一对作用力 与反作用力C .乙上的行李箱受的支持力与重力是一对平衡力D .乙上的行李箱受到重力、支持力和摩擦力作用7、如图所示,斜面体A 上的物块P ,用平行于斜面体的轻弹簧拴接在挡板B 上,在物块P 上施加水平向右的推力F ,整个系统处于静止状态,下列说法正确的是( ) A .物块P 与斜面之间一定存在摩擦力B .地面对斜面体A 一定存在摩擦力C .轻弹簧一定被拉长D .若增大推力F ,则弹簧弹力一定减小8、如图所示为内壁光滑的半球形凹槽M ,O 为球心,∠AOB =60°,OA 水平,小物块在与水平方向成45°角的斜向上的推力F 作用下静止于B 处。
山西省应县2017-2018学年高一物理上学期月考试题(三)一.单项选择题(每小题4分,共40分,每小题只有一个选项正确)1.下列说法正确的是( )A.木块放在桌面上受到一个向上的弹力,这是由于木块发生微小形变而产生的B.质量均匀分布,形状规则的物体的重心可能在物体上,也可能在物体外C.摩擦力的方向总是与物体的运动方向相反D.由磁铁间有相互作用可知:力可以离开物体而单独存在2.关于合力与分力,下列说法正确的是( )A.合力的大小一定大于每一个分力的大小B.合力的大小至少大于其中一个分力C.合力的大小可以比两个分力都大,也可以比两个分力都小D.合力不能与其中的一个分力相等3.人站在自动扶梯的水平踏板上,随扶梯斜向上匀速运动,如图所示,以下说法正确的是( )A.人受到重力和支持力的作用B.人受到重力、支持力和摩擦力的作用C.人受到的合外力不为零D.人受到的合外力方向与速度方向相同4.如图所示,物体A、B和C叠放在水平面上,水平力为F b=5 N,F c=10 N,分别作用于物体B、C上,A、B和C仍保持静止,以F1、F2、F3分别表示A与B、B与C、C与桌面间的静摩擦力的大小,则( )A.F1=5 N,F2=0,F3=5 NB.F1=5 N,F2=5 N,F3=0C.F1=0,F2=5 N,F3=5 ND.F1=0,F2=10 N,F3=5 N5.如图所示,弹簧的劲度系数为k,小球的重力为G,平衡时球在A位置,现用力F将小球向下拉长x至B位置,则此时弹簧的弹力为()A.G﹣kx B.kx﹣GC.kx+G D.kx6.如图所示,质量为m的木块在置于水平桌面上的木板上滑行,木板静止,它的质量为M=3m,木板与木块间、木板与桌面间的动摩擦因数均为μ,则木板受桌面的摩擦力大小为( )A.μmg B.2μmgC.3μmg D.4μmg7.如图所示,一重为10 N的球固定在支杆AB的上端,今用一段绳子水平拉球,使杆发生弯曲,已知绳的拉力为7.5 N,则AB杆对球的作用力( )A.大小为7.5 NB.大小为10 NC.方向与水平方向成53°角斜向右下方D.方向与水平方向成53°角斜向左上方8.一辆汽车正以v1=20m/s的速度在平直公路上前进,突然发现正前方s0=10m处有一辆自行车以v2=8m/s做同方向匀速直线运动,汽车立即刹车做加速度为a=﹣10m/s2的匀减速直线运动,则经过t=3s,汽车与自行车相距()A.14m B.19m C.20m D.15m9.如图所示,有4n个大小都为F的共点力,沿着顶角为120°的圆锥体的母线方向,相邻两个力的夹角都是相等的.则这4n个力的合力大小为()A.2nF B.4nF C.4(n-1)F D.4(n+1)F10.A和B表示劲度系数分别为k1和k2的两根弹簧,k1>k2;a和b表示质量分别为m a和m b的两个小物体,m a>m b.将弹簧与物体按图所示的方式悬挂起来,现要求两根弹簧的总长度最大,则应使( )A.A在上,a在上B.A在上,b在上C.B在上,a在上D.B在上,b在上二.多项选择题(每小题4分,共16分,每小题有两个或两个以上选项正确)11.质量为m的圆球放在光滑斜面和光滑的竖直挡板之间,如图所示。
应县一中高一年级月考四数学试题2017。
12时间:120分钟满分:150分一.选择题1.①某学校高二年级共有526人,为了调查学生每天用于休息的时间,决定抽取10%的学生进行调查;②一次数学月考中,某班有10人在100分以上,32人在90~100分,12人低于90分,现从中抽取9人了解有关情况;③运动会工作人员为参加4×100 m接力赛的6支队伍安排跑道.就这三件事,恰当的抽样方法分别为()A.分层抽样、分层抽样、简单随机抽样B.系统抽样、系统抽样、简单随机抽样C.分层抽样、简单随机抽样、简单随机抽样D.系统抽样、分层抽样、简单随机抽样2.如图所示,样本A和B分别取自两个不同的总体,它们的样本平均数分别为错误!A和错误!B,样本标准差分别为s A和s B,则( )图4A.x-A>错误!B,s A>s B B.错误!A<错误!B,s A>s BC.错误!A>错误!B,s A<s B D.错误!A<错误!B,s A<s B3.如图是一容量为100的样本的质量的频率分布直方图,则由图可估计样本质量的中位数为()A.11 B.11.5C.12 D.12.5 4.1001101(2)与下列哪个值相等( )A.115(8)B.113(8)C.114(8)D.116(8)5.如图茎叶图记录了甲、乙两组各五名学生在一次英语听力测试中的成绩.(单位:分)已知甲组数据的平均数为17,乙组数据的中位数为17,则x,y的值分别为( )A.2,6 B.2,7C.3,6 D.5,76.某单位有840名职工,现采用系统抽样方法抽取42人做问卷调查,将840人按1,2,…,840随机编号,则抽取的42人中,编号落入区间[481,720]的人数为()A.11 B.12 C.13 D.147.下面程序输出的结果为()A.17 B.19C.21 D.238.用秦九韶算法求多项式:f(x)=12+35x-8x2+79x3+6x4+5x5+3x6在x=-4的值时,v4的值为( )A.-57 B.220C.-845 D.33929.执行如图所示的程序框图,若要使输出的y的值等于3,则输入的x的值可以是()A.1 B.2 C.8 D.910.如下边框图所示,已知集合A={x|框图中输出的x值},集合B={y|框图中输出的y值},全集U=Z,Z为整数集.当x=-1时,(∁U A)∩B=()A.{-3,-1,5} B.{-3,-1,5,7}C.{-3,-1,7} D.{-3,-1,7,9}11.函数f(x)=e x+ln x,g(x)=e-x+ln x,h(x)=e-x-ln x的零点分别是a,b,c,则( ) A.a<b〈c B.c〈b〈aC.c<a〈b D.b<a〈c12.已知f(x)=2-x-ln (x3+1),实数a,b,c满足f(a)f(b)f(c)<0,且0〈a<b<c,若实数x0是函数f(x)的一个零点,那么下列不等式中,不可能成立的是()A.x0〈a B.x0〉bC.x0〈c D.x0〉c二.填空题13.防疫站对学生进行身体健康调查,采用分层抽样法抽取.某中学共有学生1600名,抽取一个容量为200的样本,已知女生比男生少抽了10人,则该校的女生人数应为________人.14.840和1764的最大公约数是________.15.某校从参加高一年级期中考试的学生中随机抽取60名学生,将其数学成绩(均为整数)分成六段[40,50),[50,60),…,[90,100]后得到如图所示的部分频率分布直方图.在统计方法中,同一组数据常用该组区间的中点值作为代表,观察图形的信息,据此估计本次考试的平均分为________.16.已知函数f(x)=错误!若关于x的方程f(x)=k有三个不同的实根,则实数k的取值范围是________.三.解答题。
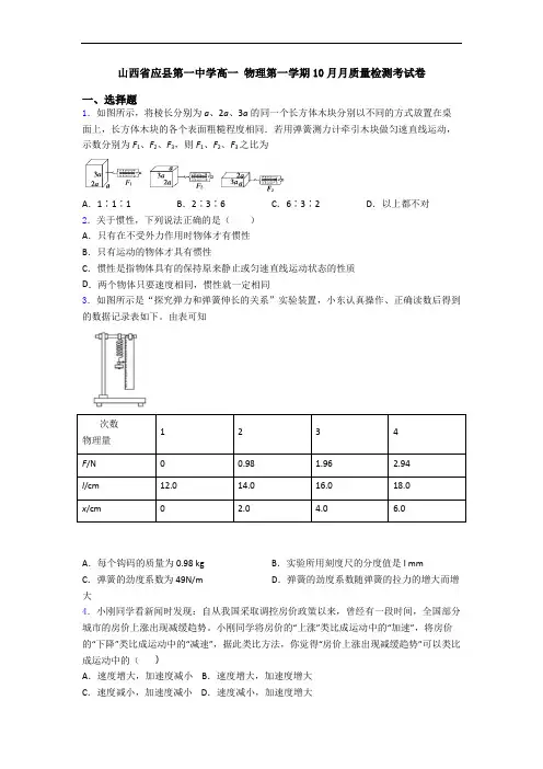
山西省应县第一中学高一物理第一学期10月月质量检测考试卷一、选择题1.如图所示,将棱长分别为a、2a、3a的同一个长方体木块分别以不同的方式放置在桌面上,长方体木块的各个表面粗糙程度相同.若用弹簧测力计牵引木块做匀速直线运动,示数分别为F1、F2、F3,则F1、F2、F3之比为A.1∶1∶1 B.2∶3∶6 C.6∶3∶2 D.以上都不对2.关于惯性,下列说法正确的是()A.只有在不受外力作用时物体才有惯性B.只有运动的物体才具有惯性C.惯性是指物体具有的保持原来静止或匀速直线运动状态的性质D.两个物体只要速度相同,惯性就一定相同3.如图所示是“探究弹力和弹簧伸长的关系”实验装置,小东认真操作、正确读数后得到的数据记录表如下。
由表可知次数1234物理量F/N00.98 1.96 2.94l/cm12.014.016.018.0x/cm0 2.0 4.0 6.0A.每个钩码的质量为0.98 kg B.实验所用刻度尺的分度值是l mmC.弹簧的劲度系数为49N/m D.弹簧的劲度系数随弹簧的拉力的增大而增大4.小刚同学看新闻时发现:自从我国采取调控房价政策以来,曾经有一段时间,全国部分城市的房价上涨出现减缓趋势。
小刚同学将房价的“上涨”类比成运动中的“加速”,将房价的“下降”类比成运动中的“减速”,据此类比方法,你觉得“房价上涨出现减缓趋势”可以类比成运动中的()A.速度增大,加速度减小 B.速度增大,加速度增大C.速度减小,加速度减小 D.速度减小,加速度增大5.如图所示,人站立在体重计上,下列说法正确的是( )A .人对体重计的压力和体重计对人的支持力是一对平衡力B .人对体重计的压力和体重计对人的支持力是一对作用力和反作用力C .人所受的重力和人对体重计的压力是一对平衡力D .人所受的重力和人对体重计的压力是一对作用力和反作用力 6.关于合力与其两个分力的关系,正确的是( ) A .合力的大小一定大于小的分力、小于大的分力 B .合力的大小一定随分力夹角的增大而增大 C .合力的大小一定大于任意一个分力D .合力的大小可能大于大的分力,也可能小于小的分力7.如图所示,粗糙的A 、B 长方体木块叠放在一起,放在水平桌面上,B 木块受到一个水平方向的牵引力,但仍然保持静止,则B 木块受力个数为A .4B .5C .6D .38.质点做直线运动的速度—时间图象如图所示,该质点A .在第1秒末速度方向发生了改变B .在第2秒末加速度方向发生了改变C .在前2秒内发生的位移为零D .第3秒和第5秒末的位置相同9.一物体在地面以速度为 v 向上竖直上抛,不计空气阻力,经过 t 时间到最高点,上升高度为 h ,则A .物体通过前半程和后半程所用时间之比为 1:21 )B .物体通过2h 处的速度为 2v C .物体经过 2t 时的速度为2vD .物体经过前2t和后 2t 的位移之比为 1:3 10.下列情况中的运动物体,不能被看作质点的是 A .欣赏某位舞蹈演员的舞姿B .用GPS 确定远洋海轮在大海中的位置C .天文学家研究地球的公转D .计算男子400米自由泳金牌得主孙杨的平均速度11.一汽车在平直公路上15m /s 的速度做匀速直线运动,当发现前方发生事故时以3m/s 2的加速度紧急刹车,停在发生事故位置前,那么刹车过程中前2s 内的位移与最后2s 的位移的比值为( ) A .4B .3C .2D .112.2018年8月26日,在雅加达亚运会男子田径100米决赛中,我国运动员苏炳添以9秒92打破亚运会记录夺冠。
山西省应县2017-2018学年高一物理上学期第四次月考试题时间:100分钟满分:110分一.单项选择题(每小题4分,共40分,每小题只有一个选项正确)1.下列关于物理学史的说法正确的是()A.牛顿首先建立了平均速度、瞬时速度和加速度等概念用来描述物体的运动B.伽利略根据理想实验推论出,如果没有摩擦,在水平面上的物体,一旦具有某一个速度,将保持这个速度继续运动下去C.牛顿认为力的真正效应总是维持物体的运动D.牛顿第一定律是牛顿第二定律在物体的加速度a=0条件下的特例,可以用实验直接验证2.下列几个关于力学问题的说法中正确的是()A.米、千克、牛顿等都是国际单位制中的基本单位B.放在斜面上的物体,其重力沿垂直斜面的分力就是物体对斜面的压力C.车速越大,刹车后滑行的路程越长,所以惯性越大D.摩擦力的方向不一定与物体的运动方向相反3.在玉树地震的救援行动中,千斤顶发挥了很大作用,如题图所示是剪式千斤顶,当摇动把手时,螺纹轴就能迫使千斤顶的两臂靠拢,从而将汽车顶起.当千斤顶两臂间的夹角为120°时汽车对千斤顶的压力为1.0×105N,下列判断正确的是 ( )A.此时两臂受到的压力大小均为1.0×104NB.此时千斤顶对汽车的支持力为2.0×105NC.若继续摇动把手,将汽车顶起,两臂受到的压力将减小D.若继续摇动把手,将汽车顶起,两臂受到的压力将增大4.如图所示,弹簧左端固定,右端自由伸长到O点并与物体m相连,现将弹簧压缩到A点,然后释放,物体向右最远运动到B点,如果物体受到的阻力恒定,则()A. 物体从A到O先加速后减速B. 物体从A到O加速运动,从O到B减速运动C. 物体运动到O点时所受合力为0D. 物体从A到O的过程加速度逐渐变小5.如图所示,轻弹簧两端拴接两个质量均为m的小球a、b,拴接小球的细线固定在天花板上,两球静止,两细线与水平方向的夹角均为α=30°,弹簧水平,以下说法正确的是()A. 细线拉力大小为mgB. 剪断左侧细线瞬间,b球加速度大小为gC. 弹簧的弹力大小为mgD. 剪断左侧细线瞬间,a球加速度大小为g6.在汽车内的悬线上挂着一个小球m,实验表明当汽车做匀变速直线运动时,悬线将与竖直方向成某一固定角度θ,如图所示.若在汽车底板上还有一个跟它相对静止的物体M,则关于汽车的运动情况和物体M的受力情况分析正确的是()A. 汽车一定向右做加速运动B. 汽车一定向左做加速运动C. M除受到重力、底板的支持力作用外,还一定受到向左的摩擦力的作用D.M除受到重力、底板的支持力作用外,还一定受到向右的摩擦力的作用7.雨滴从空中由静止落下,若雨滴受到的空气阻力随雨滴下落速度的增大而增大,图中能大致反映雨滴运动情况的是()8.质量一定的某物体放在粗糙的水平面上处于静止状态,若用一个方向始终沿水平方向,大小从零开始缓慢增大的变力F作用在物体上,如图所示是作用在物体上的变力F与物体的加速度a关系图象,取g=10m/s2,下列说法正确的是()A.物体与水平面间的最大静摩擦力14NB.物体与水平面间的动摩擦因数为0.15C.物体的质量为2kgD.由图可知力F和物体的加速度a成正比9.如图所示,质量为4 kg的物体A静止在竖直的轻弹簧上面.质量为1 kg的物体B用细线悬挂起来,A、B紧挨在一起但A、B之间无压力.某时刻将细线剪断,则细线剪断瞬间,B对A的压力大小为(g取10 m/s2)( )A.0 N B.8 NC.10 N D.50 N10.如图所示,两根粗糙的直木棍AB和CD相互平行,固定在同一个水平面上.一个圆柱形工件P架在两木棍之间,在水平向右的推力F的作用下,向右做匀加速运动.若保持两木棍在同一水平面内,但将它们间的距离稍微减小一些后固定,仍将圆柱形工件P架在两木棍之间,用同样大小的水平推力F向右推该工件,则下列说法中正确的是()A.可能静止不动 B.向右做匀速运动C.一定向右减速运动 D.一定向右加速运动二.多项选择题(每小题4分,共16分,每小题有两个或两个以上选项正确)11.已知两个共点力的合力F=50N,分力F1的方向与合力F的方向成30°角,分力F2的大小为60N,则( )A.F1的大小是唯一的 B.F2的方向是唯一的C.F2有两个可能的方向 D.F1的大小可能有两个值12.一个质量为2kg的物体,在四个恒定共点力的作用下处于静止状态,现同时撤去大小分别为15N和20N的两个力,此后关于该物体的运动正确的是()A. 一定做匀变速直线运动,加速度的大小可能是5m/s2B. 可能做加速度大小为3m/s2的匀减速直线运动C. 一定做匀变速直线运动,加速度的大小可能是15m/s2D. 一定做匀变速直线运动,加速度的大小可能是18m/s213.如图甲,某人正通过定滑轮将质量为m的货物提升到高处,滑轮的质量和摩擦均不计,货物获得的加速度a与绳子对货物竖直向上的拉力T之间的函数关系如图乙所示,由图可以判断正确的是( )A.图线与纵轴的交点M的值a M=-gB.图线与横轴的交点N的值T N=mgC.图线的斜率等于物体的质量mD .图线的斜率等于物体质量的倒数1m14.如图所示,用一根细线系住重力为G 的小球,其与倾角为α的光滑斜面劈接触,处于静止状态,球与斜面的接触面非常小,细线悬点O 固定不动,在斜面劈从图示位置缓慢水平向左移动直至绳子与斜面平行的过程中,下述正确的是( )A .细绳对球的拉力一直减小B .细绳对球的拉力先减小后增大C .斜面对球的支持力一直增大D .细绳对球的拉力最小值等于 sin G三.实验题(15题(1)4分、(2)2分,16题每空2分,共14分)15.(6分)“验证力的平行四边形定则”实验如图甲所示,其中A 为固定橡皮筋的图钉,O 为橡皮筋与细绳的结点,OB 与OC 为细绳.图乙显示的是在白纸上根据实验结果画出的图.(1)图乙中的______是力F 1和F 2的合力的理论数值;______是力F 1和F 2的合力的实际测量值.(2)下列说法中正确的是( )A .两个分力的值稍大一些较好,便于减小作图误差B .两个分力的夹角越大越好,同时在实验中应注意弹簧测力计与细线应始终平行纸板但不与纸面接触C .两分力的夹角应取90o 较好,便于之后运算中采用勾股定理以验证平行四边形定则D .在同一实验中,两次实验操作O 点的位置不能变动16.(8分)在“验证牛顿运动定律”的实验中,采用如图所示的实验装置,小车及车中砝码的质量用M 表示,所挂钩码的质量用m 表示,小车的加速度可由小车后拖动的纸带打上的点计算出.(1)当M 与m 的大小关系满足__________时,才可以认为绳对小车的拉力大小等于所挂钩码的重力.(2)一组同学在做加速度与质量的关系实验时,保持所挂钩码的质量一定,改变小车及车中砝码的质量,测出相应的加速度,采用图象法处理数据.为了比较容易地检测出加速度a 与质量M 的关系,应该做a 与_________的图象.(3)如图乙,该同学根据测量数据做出的a-F 图线,图象没过坐标原点的原因 .(4)如图乙,该同学根据测量数据做出的a-F 图线,图象变弯曲的原因 .四.计算题(本题共4小题,共41分,解答应写出必要的文字说明、方程式和重要演算步骤,只写出最后答案不能得分,有数值计算的题,答案中必须明确写出数值和单位)17.(10分)质量为m 的木块,以一定的初速度沿倾角为θ的斜面向上滑动,斜面静止不动,木块与斜面间的动摩擦因数为μ,如图所示.(1)求向上滑动时木块的加速度的大小和方向;(2)若此木块滑到最大高度后,能沿斜面下滑,求下滑时木块的加速度的大小和方向.18.(9分)水平地面上的木箱质量为20kg ,用大小为100N 的水平力推木箱,恰好能使木箱匀速前进;若用同样大小的力与水平方向成37°角斜向上拉木箱,如图所示,木箱的加速度多大?(取g =10m/s 2,sin37°=0.6,cos37°=0.8)19.(10分)如图(a),质量m =1 kg 的物体沿倾角θ=37°的固定粗糙斜面由静止开始向下运动,风对物体的作用力沿水平方向向右,其大小与风速v 成正比,比例系数用k 表示,物体加速度a 与风速v 的关系如图(b)所示.求:(1)物体与斜面间的动摩擦因数μ;(2)比例系数k.(sin37°=0.6,cos37°=0.8,g=10 m/s2)20.(11分)如图甲所示,质量均匀分布的A、B两球完全相同,质量均为m,用两根等长的细线悬挂在O点,两球之间固连着一根劲度系数为k的轻弹簧,静止不动时,弹簧位于水平方向,两根细线之间的夹角为2 ,已知下列各情况中,弹簧与AB两球新连线始终共线,求:(1)AB两球均静止时,弹簧的长度被压缩了多少。
2018-2018学年山西省朔州市应县一中高一(上)第四次月考物理试卷一.选择题(本题包括10小题,每小题4分,在每小题只有一个选项符合题意.)1.伽利略创造的把实验、假设和逻辑推理相结合的科学方法,有力地促进了人类科学认识的发展.利用如图所示的装置做如下实验:小球从左侧斜面上的O 点由静止释放后沿斜面向下运动,并沿右侧斜面上升.斜面上先后铺垫三种粗糙程度逐渐减低的材料时,小球沿右侧斜面上升到的最高位置依次为1、2、3.根据三次实验结果的对比,可以得到的最直接的结论是()A.如果斜面光滑,小球将上升到与O点等高的位置B.如果小球不受力,它将一直保持匀速运动或静止状态C.如果小球受到力的作用,它的运动状态将发生改变D.小球受到的力一定时,质量越大,它的加速度越小2.关于物体惯性,下列说法中正确的是()A.把手中的球由静止释放后,球能加速下落,说明力是改变物体惯性的原因B.优秀田径运动员在进行100m比赛中做最后冲刺时,速度很大,很难停下来,说明速度越大,物体的惯性也越大C.战斗机在空战时,甩掉副油箱是为了减小惯性,提高飞行的灵活性D.公交汽车在起动时,乘客都要向前倾,这是乘客具有惯性的缘故3.三个完全相同的物块1、2、3放在水平桌面上,它们与桌面间的动摩擦因数都相同.现用大小相同的外力F沿图示方向分别作用在1和2上,用的外力沿水平方向作用在3上,使三者都做加速运动.令a1、a2、a3分别代表物块1、2、3的加速度,则()A.a1=a2=a3 B.a1=a2,a2>a3C.a1>a2,a2<a3D.a1>a2,a2>a34.如图所示,小球系在细绳的一端,放在光滑的斜面上,用力将斜面在水平桌面上缓慢地向左推移,使小球上升(斜面最高点足够高).那么,在斜面运动过程中,绳的拉力将()A.先增大后减小B.先减小后增大C.一直增大D.一直减小5.如图所示是采用动力学方法测量空间站质量的原理图,若已知飞船质量为3.0×118kg,其推进器的平均推力为900N,在飞船与空间站对接后,推进器工作5s内,测出飞船和空间站速度变化是0.18m/s,则空间站的质量为()A.9.0×118kg B.8.7×118kg C.6.0×118kg D.6.0×118kg6.质量为2kg的物体静止在足够大的水平面上,物体与地面间的动摩擦因数为0.2,最大静摩擦力和滑动摩擦力大小视为相等.从t=0时刻开始,物体受到方向不变、大小呈周期性变化的水平拉力F的作用,F随时间t的变化规律如图所示.重力加速度g取10m/s2,则物体在t=0到t=12s这段时间内的位移大小为()A.18m B.54m C.72m D.198m7.汽球吊着两个质量相同的重物以10m/s的速度匀速上升,两个重物之间用轻弹簧连接,重力加速度为g,若在距离地面上方10m处绳子突然断裂,在断开瞬间A、B的加速度分别为a1、a2,下列说法中正确的是(以向上为正方向)()A.a1=g a2=g B.a1=2g a2=0 C.a1=﹣2g a2=0 D.a1=0a2=g8.下列物理量的单位中,属于国际单位制中基本单位的是()A.N B.kg C.m/s D.m/s29.关于作用力和反作用力,下列说法中正确的是()A.物体相互作用时,先有作用力而后才有反作用力B.作用力和反作用力大小相等、方向相反,在一条直线上,因此它们的合力为零C.弹力的反作用力一定是弹力D.车被马拉动,是因为马拉车的力大于车拉马的力10.如图所示,水平地面上固定着一竖直立柱,某人通过柱顶的定滑轮拉着绳的一端将200N的重物拉住不动.已知绳与水平地面的夹角为30°,则定滑轮所受绳的压力大小为()A.400 N B.200N C.300 N D.200 N二、多项选择题:本题共4小题,每小题4分,共计16分.每小题有多个选项符合题意.全部选对得4分,选对不全得2分,错选或不答的得0分.11.关于力和运动的关系,下列说法中正确的是()A.物体受到的合外力越大,其速度改变量越大B.物体受到的合外力不为零且不变,物体速度一定会改变C.物体受到的合外力变化,加速度就一定变化D.物体受到的合外力不变,其运动状态就不改变12.将物体竖直向上抛出,假设运动过程中空气阻力不变,其速度﹣时间图象如图所示,则()A.上升、下降过程中加速度大小之比为10:1B.上升、下降过程中加速度大小之比为11:9C.物体所受的重力和空气阻力之比为9:1D.物体所受的重力和空气阻力之比为10:113.如图所示,一小球自空中自由落下,与正下方的直立轻质弹簧接触,直至速度为零的过程中,关于小球运动状态的下列几种描述中,正确的是()A.接触后,小球做减速运动,加速度的绝对值越来越大,速度越来越小,最后等于零B.接触后,小球先做加速运动,后做减速运动,其速度先增加后减小直到为零C.接触后,速度为零的地方就是弹簧被压缩最大之处,加速度为零的地方也是弹簧被压缩最大之处D.接触后,小球速度最大的地方就是速度等于零的地方14.如图所示是骨折病人的牵引装置示意图,绳的一端固定,绕过定滑轮和动滑轮后挂着一个重物,与动滑轮相连的帆布带拉着病人的脚,整个装置在同一竖直平面内.为了使脚所受的拉力增大,可采取的方法是()A.只增加绳的长度 B.只增加重物的质量C.只将病人的脚向左移动D.只将两定滑轮的间距增大三、填空实验题(15题,每空3分,16题(1)每空2分(2)4分,共14分)15.(6分)如图甲所示为实验中用打点计时器打出的一条较理想的纸带,纸带上A、B、C、D、E、F、G为七个相邻的计数点,相邻计数点间的时间间隔是0.1s,距离如图所示,单位是cm,小车的加速度是多少m/s2?在验证质量一定时,加速度a和合外力F的关系时,某学生根据实验数据作出了如图乙所示的a﹣F 图象,该图线不过原点,其原因是.16.(8分)某探究学习小组的同学要验证“牛顿第二定律”,他们在实验室组装了一套如图所示的装置,水平轨道上安装两个光电门,小车上固定有力传感器和挡光板,细线一端与力传感器连接另一端跨过定滑轮挂上砝码盘,实验时,调整轨道的倾角正好能平衡小车所受的摩擦力(图中未画出).(1)该实验中小车所受的合力(填“等于”或“不等于”)力传感器的示数,该实验是否(填“需要”或“不需要”)满足砝码和砝码盘的总质量远小于小车的质量?(2)实验获得以下测量数据:小车、传感器和挡光板的总质量M,挡光板的宽度l,光电门1和2的中心距离为s.某次实验过程:力传感器的读数为F,小车通过光电门1和2的挡光时间分别为t1、t2(小车通过光电门2后,砝码盘才落地),已知重力加速度为g,则该实验要验证的式子是.四、计算题共40分.(解题过程要求写出公式.适当的文字说明和重要的计算过程)17.(10分)如图所示,静止在水平地面上的小黄鸭质量m=20kg,受到与水平面夹角为53°的斜向上的拉力,小黄鸭开始沿水平地面运动.若拉力F=100N,小黄鸭与地面的动摩擦因数为0.2,求:(1)把小黄鸭看作质点,作出其受力示意图;(2)小黄鸭对地面的压力;(3)小黄鸭运动的加速度的大小.(sin53°=0.8,cos53°=0.6,g=10m/s2)18.(10分)一辆汽车以20m/s的速度在平直的公路上匀速行驶.现因故刹车,已知汽车刹车过程中加速度的大小始终为5m/s2.求:(1)汽车刹车后行驶30m时的速度大小;(2)汽车从刹车开始到5s末所通过的位移.19.(10分)如图所示,AO是具有一定质量的均匀细杆,可绕O轴在竖直平面内自由转动.细杆上的P点与放在水平桌面上的圆柱体接触,圆柱体靠在竖直的档板上而保持平衡.已知杆的倾角θ=60°,球的重力大小为G,竖直档板对球的压力大小为,各处的摩擦都不计,试回答下列问题:(1)作出圆柱体的受力分析图(2)通过计算求出圆柱体对均匀细杆AO的作用力的大小和水平地面对圆柱体作用力的大小.20.(10分)质量m=20kg的物体,在大小恒定的水平外力F的作用下,在水平面上做直线运动.0﹣2s内F与运动方向相反,2﹣4s内F与运动方向相同,物(g取10m/s2)体的速度﹣时间图象如图所示.求物体与水平面间的动摩擦因数μ.2018-2018学年山西省朔州市应县一中高一(上)第四次月考物理试卷参考答案与试题解析一.选择题(本题包括10小题,每小题4分,在每小题只有一个选项符合题意.)1.伽利略创造的把实验、假设和逻辑推理相结合的科学方法,有力地促进了人类科学认识的发展.利用如图所示的装置做如下实验:小球从左侧斜面上的O 点由静止释放后沿斜面向下运动,并沿右侧斜面上升.斜面上先后铺垫三种粗糙程度逐渐减低的材料时,小球沿右侧斜面上升到的最高位置依次为1、2、3.根据三次实验结果的对比,可以得到的最直接的结论是()A.如果斜面光滑,小球将上升到与O点等高的位置B.如果小球不受力,它将一直保持匀速运动或静止状态C.如果小球受到力的作用,它的运动状态将发生改变D.小球受到的力一定时,质量越大,它的加速度越小【考点】伽利略研究自由落体运动的实验和推理方法.【分析】小球从左侧斜面上的O点由静止释放后沿斜面向下运动,并沿右侧斜面上升,阻力越小则上升的高度越大,伽利略通过上述实验推理得出运动物体如果不受其他物体的作用,将会一直运动下去.【解答】解:A、如果斜面光滑,小球不会有能量损失,将上升到与O点等高的位置,故A正确;B、通过推理和假想,如果小球不受力,它将一直保持匀速运动,得不出静止的结论,故B错误;C、根据三次实验结果的对比,不可以直接得到运动状态将发生改变的结论,故C错误;D、受到的力一定时,质量越大,它的加速度越小是牛顿第二定律的结论,与本实验无关,故D错误.故选:A.【点评】要想分清哪些是可靠事实,哪些是科学推论要抓住其关键的特征,即是否是真实的客观存在,这一点至关重要,这也是本题不易判断之处;伽利略的结论并不是最终牛顿所得出的牛顿第一定律,因此,在确定最后一空时一定要注意这一点2.关于物体惯性,下列说法中正确的是()A.把手中的球由静止释放后,球能加速下落,说明力是改变物体惯性的原因B.优秀田径运动员在进行100m比赛中做最后冲刺时,速度很大,很难停下来,说明速度越大,物体的惯性也越大C.战斗机在空战时,甩掉副油箱是为了减小惯性,提高飞行的灵活性D.公交汽车在起动时,乘客都要向前倾,这是乘客具有惯性的缘故【考点】惯性.【分析】一切物体都具有惯性,惯性是物体本身的一种基本属性,其大小只与质量有关,质量越大、惯性越大;惯性的大小和物体是否运动、是否受力以及运动的快慢是没有任何关系的.【解答】解:A、把手中的球由静止释放后,球能加速下落,说明力改变物体的运动状态,不是改变惯性,故A错误;B、惯性的大小和物体运动的速度无关,故B错误;C、战斗机在空战时,甩掉副油箱减小质量,从而减小惯性,提高飞行的灵活性,故C正确;D、公交汽车在起动时,根据惯性可知乘客都要向后倾,故D错误.故选C.【点评】需要注意的是:一切物体都有惯性,惯性的大小只与质量有关,与其他都无关.3.三个完全相同的物块1、2、3放在水平桌面上,它们与桌面间的动摩擦因数都相同.现用大小相同的外力F沿图示方向分别作用在1和2上,用的外力沿水平方向作用在3上,使三者都做加速运动.令a1、a2、a3分别代表物块1、2、3的加速度,则()A.a1=a2=a3 B.a1=a2,a2>a3C.a1>a2,a2<a3D.a1>a2,a2>a3【考点】牛顿第二定律;力的合成与分解的运用.【分析】分别对三物体进行受力分析,运用牛顿第二定律求出三者的加速度,然后进行比较.【解答】解:对1受力如图,有:=.对2有:=.对3有:.可见a1>a2,a2<a3.故C正确,A、B、D错误.故选C.【点评】解决本题的关键能够正确地进行受力分析,运用牛顿第二定律进行求解.4.如图所示,小球系在细绳的一端,放在光滑的斜面上,用力将斜面在水平桌面上缓慢地向左推移,使小球上升(斜面最高点足够高).那么,在斜面运动过程中,绳的拉力将()A.先增大后减小B.先减小后增大C.一直增大D.一直减小【考点】共点力平衡的条件及其应用;力的合成与分解的运用.【分析】将斜面在水平桌面上缓慢地向左推移,所以小球始终处于平衡状态,对小球进行受力分析画图分析即可.【解答】解:将斜面在水平桌面上缓慢地向左推移,所以小球始终处于平衡状态,受力分析并合成如图:由平衡条件得:F′=G,即:支持力N和拉力T的合力大小和方向均不发生变化.当斜面在水平桌面上缓慢地向左推移时,细线与竖直方向的夹角逐渐变大,T的方向发生变化,画出平行四边形如图所示:由图看出:拉力先减小后变大,支持力一直在变大.故选:B【点评】本题是受力平衡的应用之一:动态分析,常用的方法是解析式法和画图法,本题应用画图法分析即可.5.如图所示是采用动力学方法测量空间站质量的原理图,若已知飞船质量为3.0×118kg,其推进器的平均推力为900N,在飞船与空间站对接后,推进器工作5s内,测出飞船和空间站速度变化是0.18m/s,则空间站的质量为()A.9.0×118kg B.8.7×118kg C.6.0×118kg D.6.0×118kg【考点】牛顿运动定律的应用-连接体;加速度.【分析】由加速度公式可求得整体的加速度;由牛顿第二定律可求得整体的质量,则可求得空间站的质量.【解答】解:整体的加速度a===0.01m/s2;由牛顿第二定律F=ma可知空间站的质量M=﹣m=kg﹣3.0×118kg=8.7×118kg故选B.【点评】牛顿第二定律的应用中要注意灵活选取研究对象,并注意在公式应用时的同体性,即公式中的各量均为同一物体所具有的.6.质量为2kg的物体静止在足够大的水平面上,物体与地面间的动摩擦因数为0.2,最大静摩擦力和滑动摩擦力大小视为相等.从t=0时刻开始,物体受到方向不变、大小呈周期性变化的水平拉力F的作用,F随时间t的变化规律如图所示.重力加速度g取10m/s2,则物体在t=0到t=12s这段时间内的位移大小为()A.18m B.54m C.72m D.198m【考点】匀变速直线运动规律的综合运用;牛顿第二定律.【分析】由滑动摩擦力的公式可以得到滑动摩擦力的大小,也就是最大静摩擦力的大小,再由牛顿第二定律可以判断物体的运动情况,进而由运动学的公式可以求得位移.【解答】解:拉力只有大于最大静摩擦力时,物体才会由静止开始运动0~3 s时:F=f max,物体保持静止,s1=0;3~6 s时:F>f max,物体由静止开始做匀加速直线运动.a=m/s2,v=at=6 m/s,s2=at2=9 m,6~9 s时:F=f,物体做匀速直线运动.s3=vt=18m9~12 s时:F>f,物体以6 m/s为初速度,以2m/s2为加速度继续做匀加速直线运动,s4=vt+at2=27m,所以物体的总位移是s1+s2+s3+s4=54 m.故选B.【点评】本题考查学生的读图的能力,要能够根据F﹣t图象分析物体的运动情况,需要注意的是在0~3 s时拉力恰好等于最大静摩擦力,此时的物体还不会运动.7.汽球吊着两个质量相同的重物以10m/s的速度匀速上升,两个重物之间用轻弹簧连接,重力加速度为g,若在距离地面上方10m处绳子突然断裂,在断开瞬间A、B的加速度分别为a1、a2,下列说法中正确的是(以向上为正方向)()A.a1=g a2=g B.a1=2g a2=0 C.a1=﹣2g a2=0 D.a1=0a2=g【考点】牛顿第二定律;力的合成与分解的运用.【分析】气球和重物一起以10m/s的速度上升,当到达一定高度后,绳子断开,物体与气球脱离,这个物体由于惯性要保持原来的向上的运动状态,所以物体要继续上升一段距离,然后由于受重力作用再下降.断开细线后,弹簧的弹力不能突然改变,但绳子的力立即为零,再分别对AB受力分析,求解出合力并运用牛顿第二定律求解加速度.【解答】解:剪断细线前,对AB整体受力分析,受到总重力和细线的拉力而平衡,故T=2mg;再对物体A受力分析,受到重力、弹簧的拉力;剪断细线后,重力和弹簧的弹力不变,细线的拉力减为零,故物体A受到的力的合力等于2mg,向下,所以a1=﹣2g,物体B受到的力不变,合力为零,所以a2=0,故C正确,ABD错误.故选:C【点评】本题是力学中的瞬时问题,关键是先根据平衡条件求出各个力,然后根据牛顿第二定律列式求解加速度;同时要注意轻弹簧的弹力与形变量成正比,来不及突变,而细线的弹力是有微小形变产生的,故可以突变.8.下列物理量的单位中,属于国际单位制中基本单位的是()A.N B.kg C.m/s D.m/s2【考点】力学单位制.【分析】国际单位制规定了七个基本物理量.分别为长度、质量、时间、热力学温度、电流、光强度、物质的量.它们的在国际单位制中的单位称为基本单位,而物理量之间的关系式推到出来的物理量的单位叫做导出单位.【解答】解:A、N是国际单位制中的导出单位,故A错误;B、kg是国际单位制中基本单位.故B正确;C、m/s是国际单位制中的导出单位.故C错误;D、m/s2是国际单位制中的导出单位,故D错误;故选:B.【点评】本题的解题关键要掌握国际单位制中三个基本单位,要注意基本物理量与基本单位的区别,不能混淆.9.关于作用力和反作用力,下列说法中正确的是()A.物体相互作用时,先有作用力而后才有反作用力B.作用力和反作用力大小相等、方向相反,在一条直线上,因此它们的合力为零C.弹力的反作用力一定是弹力D.车被马拉动,是因为马拉车的力大于车拉马的力【考点】作用力和反作用力.【分析】由牛顿第三定律可知,作用力与反作用力大小相等,方向相反,作用在同一条直线上,作用在两个物体上,力的性质相同,它们同时产生,同时变化,同时消失.【解答】解:A、物体相互作用时,作用力与反作用力同时产生,同时变化,同时消失.故A错误;B、作用力与反作用力大小相等,方向相反,但是作用在两个物体上,不能进行力的合成.故B错误;C、作用力与反作用力,力的性质相同,弹力的反作用力一定是弹力,故C正确;D、车被马拉动,是因为马拉车的力大于车的阻力,马拉车的力与车拉马的力是作用力与反作用力,大小相等,方向相反,故D错误;故选:C.【点评】考查牛顿第三定律及其理解.注意作用力与反作用力大小相等,方向相反,但是作用在两个物体上,不能进行力的合成.10.如图所示,水平地面上固定着一竖直立柱,某人通过柱顶的定滑轮拉着绳的一端将200N的重物拉住不动.已知绳与水平地面的夹角为30°,则定滑轮所受绳的压力大小为()A.400 N B.200N C.300 N D.200 N【考点】共点力平衡的条件及其应用;物体的弹性和弹力.【分析】定滑轮所受的压力大小等于两侧绳子拉力的合力,根据平行四边形定则求解.【解答】解:根据定滑轮的力学特征可知,定滑轮不省力,则知绳子的拉力大小等于重物的重力为200N,定滑轮所受的压力大小等于两侧绳子拉力的合力,因两绳的夹角为60°,根据平行四边形定则可知该压力大小为F=2×200N×cos30°=200N故选:B.【点评】本题是简单的力的合成问题,关键抓住定滑轮不省力的特点,运用平行四边形定则进行求解.二、多项选择题:本题共4小题,每小题4分,共计16分.每小题有多个选项符合题意.全部选对得4分,选对不全得2分,错选或不答的得0分.11.关于力和运动的关系,下列说法中正确的是()A.物体受到的合外力越大,其速度改变量越大B.物体受到的合外力不为零且不变,物体速度一定会改变C.物体受到的合外力变化,加速度就一定变化D.物体受到的合外力不变,其运动状态就不改变【考点】牛顿第二定律;加速度.【分析】力是改变物体运动状态的原因;物体的加速度与合外力成正比;加速度越大,则速度变化越快.【解答】解:A、物体受到的合外力越大,则加速度越大,说明速度改变的越快,但是速度的改变量与时间有关,如果时间短则速度的改变量不一定大,故A错误;B、物体受到的合外力不为零且不变,则物体一定有加速度,则物体速度一定会改变,故B正确;C、由牛顿第二定律可知,加速度与物体的合外力成正比,故物体受到的合外力变化,加速度就一定变化,故C正确;D、物体受到的合外力不变,则物体加速度不变,则物体的运动状态可能改变,故D错误.故选:BC.【点评】本题考查力和运动的关系,要注意明确物体的运动不需要力来维持,力是产生加速度的原因,即力是来改变物体的运动状态的原因.12.将物体竖直向上抛出,假设运动过程中空气阻力不变,其速度﹣时间图象如图所示,则()A.上升、下降过程中加速度大小之比为10:1B.上升、下降过程中加速度大小之比为11:9C.物体所受的重力和空气阻力之比为9:1D.物体所受的重力和空气阻力之比为10:1【考点】牛顿第二定律;匀变速直线运动的图像.【分析】根据速度﹣时间图象的斜率表示加速度求解加速度大小之比;根据牛顿第二定律列式求解重力和阻力的关系.【解答】解:A、根据速度﹣时间图象的斜率表示加速度得:上升过程:a1==11m/s2,下降过程:a2==9m/s2;则加速度之比为:=;故A错误,B正确;C、上升过程,根据牛顿第二定律得:﹣mg﹣f=ma1,下落过程,根据牛顿第二定律得:mg﹣f=﹣ma2,代入数据得:=;故C错误,D正确;故选:BD.【点评】本题图象反映物体的速度与时间的关系,知道速度﹣时间图象的斜率表示加速度,同时注意牛顿第二定律公式中力的方向;从而正解合外力.13.如图所示,一小球自空中自由落下,与正下方的直立轻质弹簧接触,直至速度为零的过程中,关于小球运动状态的下列几种描述中,正确的是()A.接触后,小球做减速运动,加速度的绝对值越来越大,速度越来越小,最后等于零B.接触后,小球先做加速运动,后做减速运动,其速度先增加后减小直到为零C.接触后,速度为零的地方就是弹簧被压缩最大之处,加速度为零的地方也是弹簧被压缩最大之处D.接触后,小球速度最大的地方就是速度等于零的地方【考点】牛顿第二定律.【分析】小球自由落下,接触弹簧时有竖直向下的速度,接触弹簧后,弹簧被压缩,弹簧的弹力随着压缩的长度的增大而增大.以小球为研究对象,开始阶段,弹力小于重力,合力竖直向下,与速度方向相同,小球做加速运动,合力减小;当弹力大于重力后,合力竖直向上,小球做减速运动,合力增大.【解答】解:A、小球与弹簧接触后,开始重力大于弹力,加速度向下,做加速运动,加速度减小.当加速度减小到零以后,弹力大于重力,加速度向上,做减速运动到零.故A错误,B正确.C、当速度为零,弹簧压缩到最低点,此时合力不为零,加速度不为零.故C错误.D、小球先做加速运动再做减速运动,当加速度为零,即重力与弹簧弹力相等时,速度最大.故D正确.故选:BD.【点评】含有弹簧的问题,是高考的热点.关键在于分析小球的受力情况,来确定小球的运动情况,抓住弹力是变化的这一特点.不能简单认为小球一接触弹簧就做减速运动.14.如图所示是骨折病人的牵引装置示意图,绳的一端固定,绕过定滑轮和动滑轮后挂着一个重物,与动滑轮相连的帆布带拉着病人的脚,整个装置在同一竖直平面内.为了使脚所受的拉力增大,可采取的方法是()。
山西省应县第一中学校2018-2019学年高一物理上学期第一次月考(9月)试题一.单项选择题(每小题4分,共40分)。
1、下列关于力的概念的理解中,正确的是()A、彼此接触的物体之间一定有力的作用;B、彼此不接触的物体之间一定没有力的作用;C、一个施力物体,同时也是受力物体;D、相互作用的两个物体间的力可能不相等。
2.下面的现象中,不是由于惯性的原因是()A.放在教室里的课桌,没人搬动总是在原处B.运动员跑到终点时不能立即停下来C.站在行驶的公共汽车上的人,若汽车紧急刹车,人就要向前倾D.自行车从坡顶沿斜坡向下运动,速度不断增大3.氢气球下面吊着一个重物匀速升空,若氢气球突然爆炸,那么重物将()A.先竖直上升,后竖直下落 B.匀速竖直下落C.加速竖直下落 D.匀速竖直上升4.放在竖直的磁性黑板上的小铁片,虽受到竖直向下的重力的作用,但他不会掉下来,其主要原因是( )。
A.他受到磁性黑板的吸引力 B.它受到磁性黑板的静摩擦力C.它对黑板有吸引力 D.它受到磁性黑板的滑动摩擦力5、一块均匀的正方体木块,放在水平地面上,对地面的压强为p,若任意截去1/2;有三位同学对剩下的1/2木块对地面的压强做了如下判断:小红认为可能为p/2;小明认为可能为p;小刚认为可能为2p,则以上判断中()A. 只有小红正确B. 只有小明正确C. 小刚不正确D. 小红、小明、小刚都正确6、如图所示的三种场景中,拉力F 1、F 2、F 3大小相等,在拉力的作用下物体移动的距离也相等.若拉力所做的功分别记为W 1、W 2、W 3,下列关于它们大小关系的判断中正确的是( )A .W 1=W 2=W 3B .W 1<W 2<W 3C .W 2<W 1<W 3D .W 1=W 2<W 37、关于质点,下列说法正确的是( )A. 研究列车从昆明开往上海所需的时间,可将列车看作质点B. 研究列车经过某一桥梁所需的时间,可将列车看作质点C. 研究地球自转时,可将地球看作质点D. 研究地球绕太阳公转时,不可以将地球看作质点 8、关于时间和时刻,下列说法正确的是( ) A. “物体在4s 时”就是指物体在4s 末时,指的是时刻 B. “物体在4s 时”就是指物体在4s 初时,指的是时刻 C. “物体在4s 内”就是指物体在3s 末到4s 末的这1s 时间 D. “物体在第5s 内”就是指在4s 初到5s 末这一段时间 9、下列各组物理量中,全部是矢量的是( ) A. 位移、时间、速度、加速度B. 质量、路程、速率、速度C. 平均速度、位移、加速度、力D. 位移、路程、加速度、速率10、一质点始终向着一个方向做直线运动,在前23t 时间内平均速度为v 2,后13t 时间内平均速度为2v ,则物体在t 时间内平均速度大小是( ) A.3v 4 B.3v 2 C .v D.2v3二、多项选择题(每小题4分,共16分.每小题给出的四个选项中,有的只有一个选项正确,有的有多个选项正确,全部选对得4分,选不全的2分,选错或不答者的零分11、宇航员在太空失重的环境中生活既有趣又富有挑战性,请你根据所学知识判断一下,下面提供的四种宇航员在太空舱中进行体能锻炼的方式,哪些是正确的( )A .用弹簧握力计测握力B .跑步C .举杠铃D .用弹簧测力计测拉力 12、近年来,登山步行成为越来越多的人的健康习惯。
山西省朔州市应县第一中学高一物理上册第一学期12月月质量检测考试题一、选择题1.为提高生产效率,工厂用智能机械手代替工人搬运货物。
如图所示,一机械铁夹竖直夹起一个金属小球,小球在空中处于静止状态,铁夹与球接触面保持竖直,则()A.铁夹受到的摩擦力方向竖直向上B.小球受到的摩擦力大小与小球受到的重力大小相等C.小球没有掉下,是因为摩擦力大于小球的重力D.增大铁夹对小球的压力,小球受到的摩擦力变大2.A、B两个物体在同一直线上作匀变速直线运动,它们的速度图象如图所示,则()A.A、B两物体运动方向相反B.A物体的加速度比B物体的加速度大C.前4s内A、B两物体的位移相同D.t=4s时,A、B两物体的速度相同3.如图所示,质量为8 kg的物体A静止在竖直的轻弹簧上面。
质量为2 kg的物体B用细线悬挂起来,A、B紧挨在一起但A、B之间无压力。
某时刻将细线剪断,则细线剪断瞬间,B对A的压力大小为(取g=10 m/s2)( )A.100 N B.20 N C.16 N D.0 N4.一小船在静水中的速度为3m/s,它在一条河宽300m,水流速度为4m/s的河流中渡河,则该小船()A.能到达正对岸B.渡河的时间可能少于100sC.以最短时间渡河时,它沿水流方向的位移大小为400mD.以最短位移渡河时,位移大小为300m5.把一个小球放在玻璃漏斗中,晃动漏斗,可以使小球沿光滑的漏斗壁在某一水平面内做匀速圆周运动.小球的向心力是由什么力提供的()A.重力B.支持力C.重力和支持力的合力D.地转偏向力6.一汽车通过拱形桥顶点时速度为10 m/s,车对桥顶的压力为车重的3/4,如果要使汽车在桥顶对桥面没有压力,车速至少为;A.15 m/s B.20 m/sC.25 m/s D.30 m/s7.如图所示,在前进的车厢的竖直后壁上放一个物体,物体与壁间的动摩擦因数μ,要使物体不致下滑,车厢前进的加速度至少应为(重力加速度为g,最大静摩擦力等于滑动摩擦力)A.μg B.gμC.gμD.g8.如图是力学中的两个实验装置,其中包含相同物理思想方法是()A.极限的思想方法B.放大的思想方法C.控制变量的方法D.猜想的思想方法9.如图所示,一劲度系数为k的轻弹簧,上端固定在天花板上,下端悬挂木块A.木块A 处于静止状态时弹簧的伸长为l∆(弹簧的形变在弹性限度内),则木块A所受重力的大小等于A .l ∆B .k l ⋅∆C .l k ∆D .k l∆ 10.在滑冰场上,甲、乙两小孩分别坐在滑冰板上,原来静止不动,在相互猛推一下后分别向相反方向运动,甲在冰上滑行的距离比乙远。
山西省应县第一中学校2017-2018学年高二上学期月考(四)物理试题一.单项选择题1. 法拉第通过精心设计的一系列实验,发现了电磁感应定律,将历史上认为各自独立的学科“电学”与“磁学”联系起来,在下面几个典型的实验设计思想中,所作的推论后来被实验否定的是( )A. 既然磁铁可使近旁的铁块带磁,静电荷可使近旁的导体表面感应出电荷,那么静止导线上的稳恒电流也可在近旁静止的线圈中感应出电流B. 既然磁铁可在近旁运动的导体中感应出电动势,那么稳恒电流也可在近旁运动的线圈中感应出电流C. 既然运动的磁铁可在近旁静止的线圈中感应出电流,那么静止的磁铁也可在近旁运动的导体中感应出电动势D. 既然运动的磁铁可在近旁的导体中感应出电动势,那么运动导线上的稳恒电流也可在近旁的线圈中感应出电流【答案】A【解析】试题分析:静止导线上的稳恒电流产生稳定的磁场,穿过静止线圈的磁通量没有变化,不能在静止的线圈中感应出电流.符合题意.A正确.稳恒电流产生的磁场是稳定的,穿过在近旁运动的线圈的磁通量可能变化,可在近旁运动的线圈中感应出电流.不符合题意.B 错误.静止的磁铁周围的磁场是稳定的,在其近旁运动的导体中可切割磁感线产生感应出电动势.不符合题意.C错误.运动导线上的稳恒电流在空间产生的磁场是变化的,穿过近旁线圈中的磁通量在变化,可感应出电流.不符合题意.故D错误.考点:本题考查电磁感应现象的发现过程。
2. 如图所示,通有恒定电流的导线MN与闭合金属框共面,第一次将金属框由Ⅰ平移到Ⅱ,第二次将金属框绕cd边翻转到Ⅱ,设先后两次通过金属框的磁通量变化分别为ΔΦ1和ΔΦ2则( )A. ΔΦ1>ΔΦ2B. ΔΦ1=ΔΦ2C. ΔΦ1<ΔΦ2D. 不能判断【答案】C【解析】本题考查的是通电直导线周围的磁场情况,第一次将金属框由Ⅰ平移到Ⅱ,磁通量一直减小,减小量为Δφ1=,第二次将金属框绕cd边翻转到Ⅱ,磁通量先减小到零,然后再增加,Δφ2=,则C正确;3. 如图所示,圆环形导体线圈a平放在水平桌面上,在a的正上方固定一竖直螺线管b,二者轴线重合,螺线管与电源和滑动变阻器连接成如图所示的电路.若将滑动变阻器的滑片P向下滑动,下列表述正确的是( )A. 线圈a中将产生俯视顺时针方向的感应电流B. 穿过线圈a的磁通量变小C. 线圈a有扩张的趋势D. 线圈a对水平桌面的压力F N将增大【答案】D【解析】当滑动触头P向下移动时电阻减小,由闭合电路欧姆定律可知通过线圈b的电流增大,从而判断出穿过线圈a的磁通量增加方向向下,所以B错误;根据楞次定律即可判断出线圈a中感应电流方向俯视应为逆时针,AB错误.再根据微元法将线圈a无线分割根据左手定则不难判断出线圈a应有收缩的趋势,或直接根据楞次定律的第二描述“感应电流产生的效果总是阻碍引起感应电流的原因”,因为滑动触头向下滑动导致穿过线圈a的磁通量增加,故只有线圈面积减少时才能阻碍磁通量的增加,故线圈a应有收缩的趋势,C错误;开始时线圈a对桌面的压力等于线圈a的重力,当滑动触头向下滑动时,可以用“等效法”,即将线圈a和b看做两个条形磁铁,不难判断此时两磁铁的N极相对,互相排斥,故线圈a对水平桌面的压力将增大,所以D正确.故选D.点睛:首先应掌握楞次定律的基本应用,楞次定律的第二描述是能量守恒定律在电磁感应现象中得出的必然结果.一般在解决有关相对运动类问题时用楞次定律的第二描述将会非常简便.4. 如图甲所示,矩形导线框ABCD固定在匀强磁场中,磁感线垂直于线框所在平面且向里.规定垂直于线框所在平面向里为磁场的正方向;线框中电流沿着逆时针方向为感应电流i的正方向.要在线框中产生如图乙所示的感应电流,则磁感应强度B随时间t变化的规律可能为( )A. B. C. D.【答案】A【解析】本题考查的是电磁感应定律和图像的相关问题,感应电动势表达式,由图2看出,0~t0,产生均匀的顺时针感应电流,t0~2t0,产生均匀的逆时针感应电流,可知图B符合条件;5. 如图所示,闭合线圈abcd从高处自由下落一段时间后垂直于磁场方向进入一有界磁场,从ab边刚进入磁场到cd边刚进入磁场的这段时间内,下列说法正确的是( )A. a端的电势高于b端B. ab边所受安培力方向为水平向左C. 线圈可能一直做匀加速直线运动D. 线圈可能一直做匀速运动【答案】D6. 如图中半径为r的金属圆盘在垂直于盘面的匀强磁场B中,绕O轴以角速度ω沿逆时针方向匀速转动,则通过电阻R的电流的方向和大小是(金属圆盘的电阻不计)( )A. 由c到d,B. 由d到c,C. 由c到d,D. 由d到c,【答案】D............点睛:本题两个关键点:一是对圆盘怎么处理?把它看成是无数个半径在切割磁感线就行了.二是半径相当于电源,而电源内部电流的方向是从负极到正极,所以圆心的电势高,则外电路的电流方向就很好判断.7. 如图所示,在匀强磁场中,MN、PQ是两根平行的金属导轨,而ab、cd为串有电压表和电流表的两根金属棒,同时以相同速度向右运动时,正确的有( )A. 电压表有读数,电流表有读数B. 电压表无读数,电流表有读数C. 电压表无读数,电流表无读数D. 电压表有读数,电流表无读数【答案】C【解析】试题分析:当两棒以相同的速度向右匀速运动时,回路的磁通量不变,没有感应电流产生,电流表没有读数.电压表是由电流表改装而成的,其核心是电流表,有电流通过电压表时,电压表即有示数,没有电流通过电压表时,指针不偏转,电压表就没有读数.故C 正确.考点:本题考查感应电动势的产生条件、感应电流的产生条件及电表工作原理.8. 如图所示,在蹄形磁铁的两极间有一个可以自由转动的铜盘.现让铜盘开始转动,下列说法正确的是( )A. 铜盘中没有磁通量,没有感应电动势,也没有感应电流,铜盘将一直转动下去B. 铜盘中有磁通量的变化,有感应电动势,没有感应电流,铜盘将一直转动下去C. 铜盘中有磁通量得变化,也有感应电动势,有感应电流,铜盘将越转越慢, 直到停下D. 铜盘中虽没有磁通量得变化,但有感应电动势,又有感应电流,铜盘将越转越慢,直到停下【答案】D【解析】当铜盘转动时,切割磁感线,产生感应电动势,由于电路闭合,则出现感应电流,处于磁场中受到安培力作用,此力阻碍铜盘转动,铜盘将越转越慢, 直到停下,故D正确,ABC错误;故选D.点睛:考查楞次定律、法拉第电磁感应定律,知道感应电流的磁通量总阻碍引起感应电流的磁场变化;本题采用等效的方法来理解,要知道感应电流总阻碍引起导体与磁体间的相对运动.9. 如图所示,线圈L的自感系数很大,而且电阻可以忽略不计,L1、L2是两个完全相同的小灯泡,随着开关S的闭合和断开, L1、L2的亮度变化情况是(灯丝不会断)( )A. S闭合, L1亮度不变, L2亮度逐渐变亮,最后两灯一样亮; S断开, L2立即不亮, L1逐渐变亮B. S闭合, L1亮度不变, L2立即变亮; S断开, L1、L2立即不亮C. S闭合, L1、L2同时亮,而后L1逐渐熄灭, L2亮度不变; S断开, L2立即不亮, L1亮一下才灭D. S闭合, L1、L2同时亮,而后L1逐渐熄灭, L2则逐渐变得更亮; S断开, L2立即不亮, L1亮一下才灭【答案】D【解析】当S闭合瞬时,两灯同时获得电压,同时发光,随着线圈L电流的增加,逐渐将L1灯短路,L1逐渐变暗直到熄灭,同时,L2电流逐渐增大,变得更亮;S断开瞬时,L2中电流消失,故立即熄灭,而L1中由于电感中产生一个与电流同向的自感电动势,故右端为正,电流由灯泡L1的右侧流入,故L1亮一下逐渐熄灭.D正确;故选D.点睛:对于线圈要抓住双重特性:当电流不变时,它是电阻不计的导线;当电流变化时,产生自感电动势,相当于电源.10. 处在匀强磁场中的矩形线圈abcd,以恒定的角速度绕ab边转动,磁场方向平行于纸面并与ab边垂直.在t=0时刻,线圈平面与纸面重合(如图),线圈的cd边离开纸面向外运动.若规定由a→b→c→d→a方向的感应电流为正,则能反映线圈中感应电流i随时间t变化的图象是( )B.C. D.【答案】C【解析】试题分析:在t=0时刻线圈与磁场方向平行,此时线圈磁通量变化率最大,产生的感应电流最大,此时线圈的cd边离开纸面向外运动,此后穿过线圈的磁通量增大,则根据楞次定律可得产生的感应电流方向为a→b→c→d→a,为正,所以C正确;考点:考查了交流电的产生,楞次定律视频二、多项选择题11. 如图所示,匀强磁场方向垂直于线圈平面,先后两次将线圈从同一位置匀速地拉出有界磁场,第一次拉出时速度为 v1=v0,第二次拉出时速度为 v2=2v0,前后两次拉出线圈的过程中,下列说法正确的是( )A. 线圈中感应电流之比是1∶2B. 线圈中产生的热量之比是2∶1C. 沿运动方向作用在线框上的外力的功率之比为1∶2D. 流过任一横截面感应电荷量之比为1∶1【答案】AD【解析】试题分析:在拉出过程中,产生的感应电动势大小为,所以两次线圈中产生的感应电动势比为,两次所用时间为,两次过程中拉力比为根据欧姆定律可得,A正确,根据公式可得,B错误,根据公式,以及可得,C错误,因为过程中磁通量变化量一样,所以流过任一横截面感应电荷量相同,D正确,故选AD考点:考查了导体切割磁感线运动点评:本题采用比例法,用相同的物理量表示所求量,再求比例,是常用的方法.常见问题.12. 如图所示,光滑平行金属导轨PPˊ和QQˊ都处于同一水平面内,P和Q之间连接一电阻R,整个装置处于竖直向下的匀强磁场中,现在垂直于导轨放置一根导体棒MN,用一水平向右的力F拉动导体棒MN,以下关于导体棒MN中感应电流方向和它所受安培力的方向的说法正确的是( )A. 感应电流方向是M→NB. 感应电流方向是N→MC. 安培力水平向左D. 安培力水平向右【答案】BC【解析】根据右手定则判断可知:导体棒MN中感应电流方向N→M,根据左手定则判断可知MN所受的安培力方向水平向左,故BC正确,AD错误.故选BC.13. 一矩形线圈在匀强磁场中绕垂直于磁感线的轴匀速转动,穿过线圈的磁通量随时间的变化图象如图所示,则下列说法中,正确的是( )A. t=0时刻,线圈平面与中性面平行B. t=0.01 s时刻,穿过线圈平面的磁通量的变化率最大C. t=0.02 s时刻,线圈中有最大感应电动势D. t=0.03 s时刻,线圈中有最大感应电流【答案】BCD【解析】t=0时刻,磁通量为零,线圈平面与中性面垂直,故A错误.t=0.01s时刻,磁通量为零,感应电动势最大,磁通量的变化率最大,故B正确.t=0.02s时刻,磁通量为零,磁通量的变化率最大,感应电动势最大,故C正确.t=0.03s时刻,磁通量为零,磁通量的变化率最大,感应电动势最大,感应电流最大,故D正确.故选BCD.点睛:解决本题的关键知道中性面、以及与中性面垂直面位置的特点,当线圈处于中性面时,磁通量最大,感应电动势为零,感应电流为零;当线圈处于与中性面垂直面时,磁通量为零,感应电动势最大.14. 如图所示,电阻为R,其他电阻均可忽略,ef是一电阻可不计的水平放置的导体棒,质量为m,棒的两端分别与ab、cd保持良好接触,又能沿框架无摩擦下滑,整个装置放在与框架垂直的匀强磁场中,当导体棒ef从静止下滑一段时间后闭合开关S,则S闭合后 ( )A. 导体棒ef的加速度可能大于gB. 导体棒ef的加速度一定小于gC. 导体棒ef最终速度随S闭合时刻的不同而不同D. 导体棒ef的机械能与回路内产生的电能之和一定守恒【答案】AD【解析】试题分析:设闭合S时,ef下落的高度为h,由可求:此时ef的速度为,闭合S后ef切割磁感线产生的电动势为E=BLv,电流,安培力F=BIL,由题意知,因h大小不知,故安培力F大小不知,所以不能确定闭合S后,ef棒加速度的大小,所以A、B错误;不管h为何值,最终棒匀速下落即BIL=mg,联立解得:,故C错误;在下落的过程中只有重力和安培力做功,所以能量在机械能与焦耳热之间转化,故导体棒ef的机械能与回路内产生的内能之和不变,所以D正确。
[中学联盟]山西省应县第一中学校2017-2018学年高二上学期月考(四)物理试题一、单选题1. 法拉第通过精心设计的一系列试验,发现了电磁感应定律,将历史上认为各自独立的学科“电学”与“磁学”联系起来.在下面几个典型的实验设计思想中,所作的推论后来被实验否定的是()A.既然磁铁可使近旁的铁块带磁,静电荷可使近旁的导体表面感应出电荷,那么静止导线上的稳恒电流也可在近旁静止的线圈中感应出电流B.既然磁铁可在近旁运动的导体中感应出电动势,那么稳恒电流也可在近旁运动的线圈中感应出电流C.既然运动的磁铁可在近旁静止的线圈中感应出电流,那么静止的磁铁也可在近旁运动的导体中感应出电动势D.既然运动的磁铁可在近旁的导体中感应出电动势,那么运动导线上的稳恒电流也可在近旁的线圈中感应出电流2. 如图所示,通有恒定电流的导线MN与闭合金属框共面,第一次将金属框由位置1绕cd边翻转到位置2,第二次将金属框由位置1平移到位置2,设先后两次通过金属框的磁通量的变化量的大小分别为和,则()A .B .C .D.不能判断3. 如图所示,圆环形导体线圈a平放在水平桌面上,在a的正上方固定一竖直螺线管b,二者轴线重合,螺线管与电源和滑动变阻器连接成如图所示的电路.若将滑动变阻器的滑片P向下滑动,下列表述不正确的是( )A.线圈a中将产生俯视逆时针方向的感应电流B.穿过线圈a的磁通量变小C.线圈a有收缩的趋势D.线圈a对水平桌面的压力F N将增大4. 如图所示,闭合线圈abcd从高处自由下落一段时间后垂直于磁场方向进入一有界磁场,从ab边刚进入磁场到cd边刚进入磁场的这段时间内,下列说法正确的是( )A.a端的电势高于b端B.ab边所受安培力方向为水平向左C.线圈可能一直做匀加速直线运动D.线圈可能一直做匀速运动5. 如图所示,半径为r的金属圆盘在垂直于盘面的匀强磁场B中,绕O轴以角速度ω沿逆时针方向匀速转动,则通过电阻R的电流的方向和大小是(金属圆盘的电阻不计)( )A.由c到d,B.由d到c,C.由c到d,D.由d到c,6. 如图,在匀强磁场中,MN、PQ 是两条平行金属导轨,而 ab、cd 为串有电压表和电流表的两根金属棒,当两棒以相同的速度向右运动时()A.电压表有读数,电流表有读数B.电压表无读数,电流表无读数C.电压表有读数,电流表无读数D.电压表无读数,电流表有读数7. 如图所示,在蹄形磁铁的两极间有一个可以自由转动的铜盘.现让铜盘开始转动,下列说法正确的是( )A.铜盘中没有磁通量,没有感应电动势,也没有感应电流,铜盘将一直转动下去B.铜盘中有磁通量的变化,有感应电动势,没有感应电流,铜盘将一直转动下去C.铜盘中有磁通量得变化,也有感应电动势,有感应电流,铜盘将越转越慢, 直到停下D.铜盘中虽没有磁通量得变化,但有感应电动势,又有感应电流,铜盘将越转越慢,直到停下8. 如图所示,线圈L的自感系数很大,且其电阻可以忽略不计,L1、L2是两个完全相同的小灯泡,随着开关S闭合和断开的过程中,灯L1、L2的亮度变化情况是(灯丝不会断)( ).A.S闭合,L1亮度不变,L2亮度逐渐变亮,最后两灯一样亮;S断开,L2立即不亮,L1逐渐变亮B.S闭合,L1不亮,L2很亮;S断开,L1、L2立即不亮C.S闭合,L1、L2同时亮,而后L1逐渐熄灭,L2亮度不变;S断开,L2立即不亮,L1亮一下才熄灭D.S闭合,L1、L2同时亮,而后L1逐渐熄灭,L2则逐渐变得更亮;S断开,L2立即不亮,L1亮一下才熄灭二、多选题9. 如图所示,电阻为R ,其他电阻均可忽略,ef 是一电阻可不计的水平放置的导体棒,质量为m ,棒的两端分别与ab 、cd 保持良好接触,又能沿长度足够长的框架无摩擦下滑,整个装置放在与框架垂直的匀强磁场中,当导体棒ef 从静止下滑经一段时间后闭合开关S ,则S 闭合后( ) A .导体棒ef 的加速度一定大于g B .导体棒ef 的加速度一定小于g C .导体棒ef 最终速度随S 闭合时刻的不同而不同D .导体棒ef 的机械能与回路内产生的电能之和一定守恒10. 为观察电磁感应现象,某学生将电流表.螺线管A 和B 。