物料编码规则(所有物料)分析
- 格式:doc
- 大小:363.00 KB
- 文档页数:50
密级:★高★版本:1.0 常见物料分类及编码规则XXX股份有限公司金蝶软件(中国)有限公司2022年4月25日2022-04-25物料分类及编码规则公司所有物料(除固定资产外)实行三级分类管理,划分为大类别、小类别和品种类型,物料编码总长为15位,物料大类、小类、物料品种和物料规格型号之间用英文句号隔开。
基本编码结构如下:物料规格(10位)物料品种类型(2位阿拉伯数字)物料小分类(2位大写英文字母)物料大分类(1位大写英文字母)一、物料大分类及其代码:1、电子材料:用“T”表示电子材料是指以其电性能为主要应用的材料,根据公司目前应用情况看,包括:集成电路类、印刷电路板类、电容器类、电阻器类、电感器类、晶体管类、接插件类、稳压器类、变压器类、充电器类、开关类、电池类、电声器类、电位器类、磁珠类、数据线类和电线电缆类等。
2、光学材料:用“G”表示光学材料是指传输光线的介质材料,包括光学玻璃、光学晶体和光学塑料等光学介质材料,但不包括光电性能一体化应用的光电材料,例如发光二极管、氖灯、日光灯、显像管、液晶屏等光电类材料,该类材料归于电子材料类,3、塑胶材料:用“S”表示塑胶材料是指以高分子合成树脂为主要应用的材料,包括ABS、PVC、PA、PS、PE 等塑胶料,但不包括光学与塑胶一体化应用的材料,以及用于产品包装的塑胶材料,例如有机玻璃、玻璃钢、吸塑盒等,该类材料归于光学材料类或包装材料类。
公司目前应用的塑胶材料主要包括数码相机、车载摄像头、网络摄像头等产品的塑胶结构件,例如机壳,以及用于其他用途的PVC线管、塑胶工具、塑胶模具等。
4、金属材料:用“J”表示金属材料是指以钢、铁、铝等为主要应用的材料,公司目前主要包括数码相机、摄像头等产品使用的金属结构件,以及用于其他用途的角铁、金属线管、金属紧固件、金属工具、金属模具等。
5、包装材料:用“B”表示包装材料是指用于产品包装的材料,主要包括包装箱、吸塑盒、胶袋、包装带、封箱胶纸、不干胶标签、防潮剂、合格证等。
物料编码、BOM 规则
一、 物料编码规则:
整体规则:1-2-6
规则描述:
1)、编码全部采取阿拉伯数字;
2)、整体原则是3级9位,具体原则是:1-2-6
第一位:代表大类,按照公司目前的物料类别进行如下定义: 1:代表PCB ;
2:代表IC ;
3:代表SMT XX;
4:代表DIP电子料;
5:代表DIP CONNECTOR接插件;
6:代表包材;
7:代表成品/半成品;
8:代表辅料
9,0:暂时预留;
第二位,第三位:代表大类下的小类,比如:100:代表PCB大类下的MB小类;
101:代表PCB大类下的VGA小类;
102:代表PCB大类下的LAN小类;
其他依此类推;
特别说明:7代表成品/半成品,作如下规定:700:代表包装完成后的成品;
701:代表SMT完成后的半成品;
702:代表插件完成后的半成品;
第四位到第九位:表示流水号:
二、BOM创建规则:
1、BOM模型:
1
A1
2
A2 3
A
4
5
其中;
A1:代表SMT完成后的半成品;1,2代表完成SMT需要的原材料;A2:代表插件完成后的半成品;3,4代表插件类原材料;
A :代表包装完成后的成品;5代表包装材料。
深圳**技术有限公司编码原则1.0目的:定义深圳民爆光电技术有限公司需要的相关编码方法和编码原则。
2.0范围:适用于深圳民爆光电技术有限公司所有的产品型号编码,物料编码。
3.0职责与权限:3.1技术研究中心:负责维护成品,半成品,物料,辅料,新增部分的编码规范及编码。
4.0内容4.1产品成品型号编码原则:编码长度为14位;由数字结合等长编码半成品中类2、3位代码分类4.1.1编码基本格式如下:1 XX XXXX XX X 00004位流水码(不同客户、尺寸、结构变化) 10 客户分类8、9 颜色4、5、6、7 产品型号2、3 中类1.大类成品的色温/显指、电源、包装、标签用特征码区分4.1.2产成品分类及代码表;5.1半成品包材编码基本格式如下:1 XX XX XXXX X X 0003位流水码(不同客户、设计方案、尺寸) 11 客户分类10 类型6、7 、8、9 产品型号4、5 成品中类2、3 中类2.大类5.1.1产成品分类及代码表:5.1.2半成品灯板组件编码基本格式如下:1 XX XX XXXX X X 0003位流水码(尺寸、品牌、封装、串并) 11 显色指数10 色温6、7 、8、9 产品型号4、5 成品中类2、3 中类3.大类5.1.3产成品分类及代码表5.1.4半成品电源编码基本格式如下:1 XX X XX X XXXX 0003位流水码(尺寸、型号、品牌) 8、9、10、11功率7 电压5、6 产品功能4 产品类型2、3 中类4.大类5.1.5产成品分类及代码表5.1.6半成品电源盒编码基本格式如下1 XX XX XX XXX 00004位流水码(尺寸、丝印、升级) 8、9 、10 电源盒型号6、7 颜色4、5 材质2、3 中类1 大类5.1.7产成品分类及代码表5.1.8半成品配件编码基本格式如下1 XX XXXX XX 000005位流水码(不同的配件包) 6、7 、8、9 产品型号4、5 成品中类2、3 中类1 大类5.1.9产成品分类及代码表6.1 LED编码基本格式如下1 XX XX XX XX X X 0003位流水码(品牌、参数) 11 显指10 色温8、9 电压6、7 功率4、5 封装2、3 物料中类1 物料大类6.1.1 产成品分类及代码表6.2 贴片电阻编码4 XX XX XX XX 000005位流水码(品牌、阻值) 8、9 不定义6、7 误差4、5、封装2、3 品名1 大类6.2.1产成品分类及代码表:4 XX XX XX XX 000005 位流水码(品牌、阻值) 8、9 误差6、7 材质4、5、封装2、3 品名1 大类4 XX XX XX XX 000005 位流水码(品牌、容值) 8、9 材质6、7 耐压4、5、封装2、3 品名1 大类4 XX XX XX XX 000005 位流水码(品牌、尺寸、容值) 8、9 误差6、7 耐压4、5、材质2、3 品名1 物料大类6.5.1产成品分类及代码表6.6 电感编码4 XX XX XX XX 000005 位流水码(感量、型号) 8、9 不定义6、7 线径4、5、封装2、3 品名1 物料大类6.6.1产成品分类及代码表4 XX XX XX XX 000005 位流水码(型号、感量) 8、9 误差6、7 材质4、5、磁芯类型2、3 品名1 物料大类6.7.1产成品分类及代码表6.8 二三极管/MOS管/稳压管编码4 XX XX XX XX 000005 位流水码(品牌、型号) 8、9 电流6、7 耐压4、5、封装2、3 品名1 物料大类6.8.1产成品分类及代码表6.9 集成电路IC 编码4 XX XX XX XX 000005 位流水码(品牌、型号) 8、9 不定义6、7 不定义4、5、封装2、3 品名1 物料大类6.9.1 产成品分类及代码表4 XX XX XX XX 000005 位流水码(尺寸、型号) 8、9 成品中类6、7 层数4、5、材质2、3 品名1 物料大类6.10.1 产成品分类及代码表6.11 保险丝编码4 XX XX XX XX 000005 位流水码(品牌、型号) 8、9 电压6、7 电流4、5、封装2、3 品名1 物料大类6.11.1 产成品分类及代码表7.1 结构编码基本格式如下5 X XX XX XXXX XX 002位流水码(尺寸) 11、12 颜色7、8、9、10产品型号5、6 产品中类3、4 品名2 中类1大类7.1.1产成品分类及代码表7.2 结构五金杂类编码基本格式如下5 X XX XX XX XX X 0003位流水码10、11 颜色8、9 规格 6、7 尺寸4、5 类型3 品名 2 中类 1 大类7.2.1 产成品分类及代码表5 X XX XX XX XX X 0003位流水码10、11 颜色9 不定义 7、8 BIN位5、6 材质3、4 品名 2 中类 1 大类7.3.1 产成品分类及代码表7.4 螺丝、螺母编码基本格式如下5 6 X XX X XX XX 00004位流水码9、10 颜色 7、8 牙规格6 尾型4、5 型号3 品名2 中类1 大类7.4.1 产成品分类及代码表8.1 线材编码基本格式如下6 XX X XX XX XX 00004位流水码(长度、认证) 9、10 端部类型7、8 颜色5、6 线径4、材质2、3 中类1、大类8.1.1产成品分类及代码表9.1 包材编码基本格式如下1 XX XX XX XXX 00004位流水码(尺寸)8、9、10 不定属性 6、7 成品中类4、5 材质2、3 中类5.大类9.1.1产成品分类及代码表10.1辅料编码基本格式如下1 XX XX XXXXX 00004位流水码6、7、8、9 、10 不定属性 4、5 品名2、3 中类1. 大类10.1.1产成品分类及代码表11.1 模具编码基本格式如下9 XX XX XXXX 000005位流水码(尺寸)6、7、8、9 成品产品型号 4、5 成品中类2、3 中类6.大类11.1.1产成品分类及代码表。
公司物料编码规则公司物料编码规则是指在企业中对物料进行编码的规则和方法。
通过对物料进行编码,可以实现物料的分类、管理、统计和溯源等目的,有助于提高物料管理的效率和准确性。
下面是一个公司物料编码规则的详细说明,包括编码层次、编码构成和编码规则等方面。
一、编码层次在公司物料编码规则中,通常会划分为多个层次。
常见的编码层次包括大类、小类、品牌、型号等,也可以根据实际情况进行灵活划分。
不同层次的编码可以根据需要进行扩展和调整,以满足公司的业务需求。
二、编码构成1.大类编码:通常使用一个字母或数字表示。
大类是对物料进行初步分类的层次,根据物料的属性、功能或用途进行划分。
例如,可以将所有金属材料归为大类“M”,将所有电子元器件归为大类“E”等。
2.小类编码:通常使用两个字母或数字表示。
小类是对大类进行进一步细分的层次,可以根据物料的细分属性或特点来划分。
例如,在金属材料大类中,可以用小类编码“11”表示钢材,用小类编码“12”表示铝材等。
3.品牌编码:通常使用一个字母或数字表示。
品牌是指物料的生产厂家或供应商的标识,通过品牌编码可以方便对不同品牌的物料进行管理和统计。
例如,可以用品牌编码“A”表示品牌A的物料,用品牌编码“B”表示品牌B的物料等。
4.型号编码:通常使用一个字母或数字表示。
型号是指物料的具体规格或型号,通过型号编码可以对不同规格的物料进行区分和管理。
例如,可以用型号编码“1”表示规格为1的物料,用型号编码“2”表示规格为2的物料等。
三、编码规则1.顺序编码:通过给每个物料分配一个独立的数字或字母来进行编码。
顺序编码可以按照物料的进货顺序、字母表顺序或其他合理的顺序进行分配。
例如,按照字母表顺序,可以分别给物料分配编码“A01”、“A02”、“A03”等。
2.分类编码:通过根据物料的分类属性来进行编码。
分类编码可以根据不同的分类维度进行组合,例如使用大类编码+小类编码+品牌编码+型号编码等。
例如,可以将分类编码“M11A1”表示金属材料中的钢材A型1规格。
16常见物料分类及编码规则在企业的采购管理中,物料分类及编码规则是非常重要的环节,它能够帮助企业更高效地管理物料并实现精细化管理。
下面将介绍常见物料分类及编码规则。
一、常见物料分类1.根据物料的性质分类:(1)原材料:指用于生产的原始材料,如钢材、铜材等。
(2)半成品:指通过一定工序进行部分加工、组合或改造的材料,如半成品机械零件。
(3)成品:指经过完全加工、组合和装配后形成的最终产品,如电视机、汽车等。
(4)辅助材料:指在生产过程中起辅助作用的材料,如黄油、油漆等。
2.根据物料的用途分类:(1)生产物料:指直接用于产品生产的物料。
(2)办公物料:指用于企业办公及行政管理的物料,如文件夹、笔记本等。
(3)劳动保护物料:指用于保护员工生命安全和身体健康的物料,如安全帽、手套等。
(4)服务物料:指提供服务过程中需要使用的物料,如宣传册、名片等。
二、物料编码规则1.类别编码规则:类别编码是对不同类别的物料进行区分的编码规则。
一般以数字或字母来表示,根据物料的属性和使用情况来确定具体编码。
例如:1表示原材料类,2表示半成品类,3表示成品类。
2.功能编码规则:功能编码是对物料的功能特点进行分类的编码规则。
一般以数字或字母来表示,根据物料的用途和功能来确定具体编码。
例如:A表示生产物料,B表示办公物料,C表示劳动保护物料。
3.规格编码规则:规格编码是对不同规格的物料进行分类的编码规则。
一般以数字或字母组合来表示,根据物料的尺寸、重量等规格来确定具体编码。
例如:01表示小尺寸规格,02表示中尺寸规格,03表示大尺寸规格。
4.供应商编码规则:供应商编码是对不同供应商的物料进行区分的编码规则。
一般以数字或字母组合来表示,根据供应商的名称、地区等信息来确定具体编码。
例如:001表示供应商A,002表示供应商B。
通过以上编码规则的组合,可以形成一个完整的物料编码体系,使得企业可以通过物料编码快速准确地识别和管理物料。
常见物料分类及编码规则物料管理通常是组织和管理一个企业的物料流程,确保所需物料供应和流动的顺畅。
在物料管理中,准确分类和编码物料是非常重要的,它可以提高物料的管理效率和准确性。
下面将介绍常见的物料分类及编码规则。
一、物料分类1.根据物料属性分类:-原材料:用于生产过程中的原始物质,如木材、金属等。
-成品:生产过程结束后的产品,可以直接交付给客户。
-半成品:生产过程中的中间产品,需要经过进一步加工才能变为最终产品。
-消耗品:用于支持生产过程的办公用品、清洁用品等。
-辅助物料:用于辅助生产过程的工具、设备等。
-工具:专为生产或维修而设计的设备或工具。
2.根据需求特性分类:-主供物料:在该物料上公司具有控制权且需要进行优化管理。
-刚需物料:公司具有一定的控制权,但不容易替代。
-柔需物料:公司控制权相对较低,可以通过使用垫底物料或寻找替代品来解决供应问题。
-非关键物料:公司的控制权很低,供应方面出现问题时可以替代。
3.根据物料用途分类:-生产物料:用于生产过程的原材料、成品和半成品。
-保修物料:用于维修和保养公司产品和设备。
-间接物料:用于维持企业内部运营,如办公用品、清洁用品等。
-包装物料:用于包装和运输产品的材料。
二、物料编码规则物料编码是为了区分和标识不同物料,并方便在系统中进行管理。
以下是常见的物料编码规则:1.通用编码:采用数字和字母的组合表示,例如A001、B002等。
这种编码适用于多种物料的情况,不容易混淆。
2.分类编码:按照物料的分类进行编码,例如按照物料的属性、用途、规格等进行编码。
这种编码可以根据具体需要进行扩展和调整,易于管理和查找。
3.层次编码:采用数字和点的组合表示,例如1.1、1.2.2等。
这种编码可以表示物料之间的层次关系,方便进行结构化管理和查找。
4.单位编码:采用相同单位的物料进行编码,例如计算机配件可以用CP001、CP002等表示。
这种编码方便了物料的管理和统计。
5.地理编码:根据物料的产地或分布地区进行编码,例如国内物料编码以CN开头,国际物料编码以INT开头。
公司物料编码规则1.编码分类物料编码的第一位可以用于标识不同的物料分类,比如产品、原材料、半成品、备件等。
可以根据不同物料的特点和管理需求进行分类,方便后续的物料管理和查询。
2.编码长度物料编码的长度可以根据公司的实际情况而定。
一般来说,编码长度越短,可以减少人工录入的时间,提高效率;编码长度越长,可以提高物料的唯一标识性,减少编码重复的可能性。
一般建议物料编码长度在8到12位之间。
3.编码规则物料编码的规则可以根据公司的实际情况而定,通常包括以下几个方面的内容。
a.物料属性:可以根据物料的属性进行编码,比如材料、尺寸、颜色、重量等。
例如,A代表材料为金属,B代表材料为塑料,C代表材料为玻璃等。
b.物料类型:根据物料的种类进行编码,比如电子产品、机械设备、服装类物料等。
可以用字母或数字表示不同的物料类型,例如1代表电子产品,2代表机械设备,3代表服装类物料等。
c.物料组别:根据物料的组别进行编码,比如手表、手机、衣服等。
可以用字母或数字表示不同的物料组别,比如A代表手表,B代表手机,C代表衣服等。
d.物料序号:在物料属性、类型和组别确定后,可以使用数字进行物料的唯一序号编码,确保物料的唯一性。
4.编码示例根据以上规则,一个物料的编码示例如下:金属类机械设备的编码:2A001塑料类电子产品的编码:1B002玻璃类服装类物料的编码:3C003根据物料编码规则,员工可以通过物料编码迅速确定物料的属性、类型和组别,提高物料查询和操作的效率。
同时,物料编码还可以用于物料的库存管理、采购和销售等业务流程中,方便系统的自动化处理和数据统计分析。
总结起来,公司物料编码规则是为了管理和识别物料,提高物料管理和操作效率,可以根据实际情况和需求进行定制。
编码规则通常包括编码分类、编码长度、编码规则等方面的内容。
物料编码可以帮助员工快速准确地查询和操作物料,提高工作效率,并且方便物料的库存管理、采购和销售等业务流程的自动化处理和数据统计分析。
16常见物料分类及编码规则常见物料分类及编码规则在企业的物料管理中起着非常重要的作用,它可以帮助企业实现对物料的有效管理和控制。
下面将详细介绍常见物料分类及编码规则。
一、常见物料分类1.按物料属性分类根据物料的属性,可以将物料分为原材料、半成品和成品。
原材料指在生产过程中必要的输入物,半成品指在加工过程中还需要进一步处理的物品,成品则是供销售和交付给客户的物品。
2.按用途分类根据物料的用途,可以将物料分为生产物料、办公物料和消耗品。
生产物料是指在生产过程中需要使用的物品,办公物料是指办公室日常运营所需要的物品,消耗品是指使用频繁、寿命较短的物品。
3.按保存方式分类根据物料的保存方式,可以将物料分为常温存放、低温存放和特殊存放。
常温存放一般指室温下正常存放的物料,低温存放指需要在低温环境下保存的物料,特殊存放则是指需要特殊条件或设备进行存放的物料。
4.按重要性分类根据物料的重要性,可以将物料分为关键物料、重要物料和一般物料。
关键物料是指对产品质量和生产进度影响较大的物料,重要物料是指对生产过程有一定影响但不会严重影响产品质量和生产进度的物料,一般物料则是指对生产没有重大影响的物料。
二、物料编码规则1.通用规则物料编码应具有唯一性,即不同物料具有不同的编码。
编码应简洁明了,便于识别和辨别。
同时,还应考虑编码的可扩展性,以适应企业业务的发展和变化。
2.层次规则物料编码一般采用层次结构,通过不同层次的编码来表示物料的不同属性和分类。
比如,可以将物料编码分为大类、中类、小类和子类等层次,每个层次的编码可以用数字、字母或符号来表示。
3.长度规则物料编码的长度要根据企业的实际情况和需求来确定,一般建议不要过长,以免编码过于复杂和难以记忆。
长度可以根据物料的分类层次和编码规则来灵活设定。
4.有序规则物料编码应按照一定的顺序来编排,使得相似的物料可以有相近的编码。
可以根据物料的属性、分类和特点来设定编码的有序规则,便于快速找到和识别物料。
仓库物料分类及编码的规则常见物料分类及编码规则2020-07-29物料分类及编码规则公司所有物料(除固定资产外)实行三级分类管理,划分为大类别、小类别和品种类型,物料编码总长为15位,物料大类、小类、物料品种和物料规格型号之间用英文句号隔开。
基本编码结构如下:X.XX.XX.XXXXXXXXXX10位)物料品种类型(2位阿拉伯数字)物料小分类(2位大写英文字母)物料大分类(1位大写英文字母)一、物料大分类及其代码:1、电子材料:用“T”表示电子材料是指以其电性能为主要应用的材料,根据公司目前应用情况看,包括:集成电路类、印刷电路板类、电容器类、电阻器类、电感器类、晶体管类、接插件类、稳压器类、变压器类、充电器类、开关类、电池类、电声器类、电位器类、磁珠类、数据线类和电线电缆类等。
2、光学材料:用“G”表示光学材料是指传输光线的介质材料,包括光学玻璃、光学晶体和光学塑料等光学介质材料,但不包括光电性能一体化应用的光电材料,例如发光二极管、氖灯、日光灯、显像管、液晶屏等光电类材料,该类材料归于电子材料类,3、塑胶材料:用“S”表示塑胶材料是指以高分子合成树脂为主要应用的材料,包括ABS、PVC、PA、PS、PE等塑胶料,但不包括光学与塑胶一体化应用的材料,以及用于产品包装的塑胶材料,例如有机玻璃、玻璃钢、吸塑盒等,该类材料归于光学材料类或包装材料类。
公司目前应用的塑胶材料主要包括数码相机、车载摄像头、网络摄像头等产品的塑胶结构件,例如机壳,以及用于其他用途的PVC线管、塑胶工具、塑胶模具等。
4、金属材料:用“J”表示金属材料是指以钢、铁、铝等为主要应用的材料,公司目前主要包括数码相机、摄像头等产品使用的金属结构件,以及用于其他用途的角铁、金属线管、金属紧固件、金属工具、金属模具等。
5、包装材料:用“B”表示包装材料是指用于产品包装的材料,主要包括包装箱、吸塑盒、胶袋、包装带、封箱胶纸、不干胶标签、防潮剂、合格证等。
物料分类及编码规则物料分类及编码规则是指将企业所使用的物料按照一定的规则进行分类和编码,以便于进行物料管理和统计。
一个合理的物料分类和编码规则可以提高企业的物料管理效率,减少物料重复采购和库存过多的问题。
下面将介绍一些常见的物料分类及编码规则。
一、物料分类规则1.根据物料的性质分类:可以按照物料的物理性质、化学性质、功能性质等进行分类,例如原材料、半成品、成品、辅材等。
2.根据物料的用途分类:可以按照物料的主要用途进行分类,例如生产物料、维修物料、办公物料等。
3.根据物料的供应商分类:可以按照物料的供应商进行分类,方便统计和管理供应商提供的物料。
4.根据物料的有效期分类:可以按照物料的有效期进行分类,便于管理有固定有效期的物料。
5.根据物料的质量等级分类:可以按照物料的质量等级进行分类,方便进行质量管理。
二、物料编码规则1.编码长度和形式:物料编码的长度和形式可以根据企业的实际需求进行设计。
通常情况下,物料编码长度不宜过长,可以使用数字、字母、符号等组合进行编码。
2.扩展编码:对于大型企业或物料种类繁多的企业,可以采用扩展编码,将物料编码分为不同的层级进行编码,以便于管理。
3.分段编码:可以按照物料的大类、小类、细类进行分段编码,方便进行分类管理。
4.直观编码:物料编码可以设计成对物料的特征、属性或用途有一定直观象征作用的编码方式,方便操作人员进行识别。
6.计量单位编码:可以在物料编码中加入计量单位的编码,方便进行物料的计量和统计。
综上所述,物料分类及编码规则对于企业的物料管理至关重要。
一个合理的物料分类和编码规则可以提高企业的物料管理效率,减少物料重复采购和库存过多的问题。
企业在制定物料分类和编码规则时,应根据自身的需求和实际情况进行合理设计,并不断完善和调整,以适应企业发展的需要。
物料编码、BOM 规则
一、 物料编码规则:
整体规则:1-2-6
规则描述:
1)、编码全部采取阿拉伯数字;
2)、整体原则是3级9位,具体原则是:1-2-6
第一位:代表大类,按照公司目前的物料类别进行如下定义: 1:代表PCB ;
2:代表IC ;
3:代表SMT XX;
4:代表DIP电子料;
5:代表DIP CONNECTOR接插件;
6:代表包材;
7:代表成品/半成品;
8:代表辅料
9,0:暂时预留;
第二位,第三位:代表大类下的小类,比如:100:代表PCB大类下的MB小类;
101:代表PCB大类下的VGA小类;
102:代表PCB大类下的LAN小类;
其他依此类推;
特别说明:7代表成品/半成品,作如下规定:700:代表包装完成后的成品;
701:代表SMT完成后的半成品;
702:代表插件完成后的半成品;
第四位到第九位:表示流水号:
二、BOM创建规则:
1、BOM模型:
1
A1
2
A2 3
A
4
5
其中;
A1:代表SMT完成后的半成品;1,2代表完成SMT需要的原材料;A2:代表插件完成后的半成品;3,4代表插件类原材料;
A :代表包装完成后的成品;5代表包装材料。
仓库物料分类及其编码的规则
一、物料分类规则:
1.材料类别分类:根据物料的材质、功能性质和用途进行分类,如:金属材料、木材材料、塑料材料、电子材料等。
2.产品类别分类:根据物料的产品形态、品种和用途进行分类,如:机械产品、电子产品、家具产品等。
3.零件类别分类:根据物料在产品中的零部件位置和功能进行分类,如:机械零件、电子元件等。
4.包装类别分类:根据物料的包装形式和用途进行分类,如:纸箱包装、木板包装、塑料袋包装等。
二、物料编码规则:
1.类别编码:将物料分类的大类别分别分配一个固定的编码,比如:金属材料编码为“01”,木材材料编码为“02”等。
2.子类编码:根据类别编码的基础上,将每个类别的子类别再进行编码,比如:金属材料中的不锈钢编码为“0101”。
三、物料编码举例:
以金属材料分类为例,具体编码规则如下:
1.钢材编码:0101
2.铝材编码:0102
3.铜材编码:0103
其中,编码的前两位表示大类别,后两位表示子类别,再后两位表示物料的规格编码。
通过以上的物料分类和编码规则,可以准确地对仓库中的物料进行分类和编码,方便物料的查找、管理和使用,提高仓库管理的效率。
同时,规范的物料分类和编码规则还可以减少物料混乱、丢失等问题的发生。
密级:★高常见物料分类及编码规则XXX股份有限公司金蝶软件(中国)有限公司2022年4月26日2022-04-26物料分类及编码规则公司所有物料(除固定资产外)实行三级分类管理,划分为大类别、小类别和品种类型,物料编码总长为15位,物料大类、小类、物料品种和物料规格型号之间用英文句号隔开。
基本编码结构如下:X.XX.XX.XXXXXXXXXX物料规格(10位)物料品种类型(2位阿拉伯数字)物料小分类(2位大写英文字母)物料大分类(1位大写英文字母)一、物料大分类及其代码:1、电子材料:用“T”表示电子材料是指以其电性能为主要应用的材料,根据公司目前应用情况看,包括:集成电路类、印刷电路板类、电容器类、电阻器类、电感器类、晶体管类、接插件类、稳压器类、变压器类、充电器类、开关类、电池类、电声器类、电位器类、磁珠类、数据线类和电线电缆类等。
2、光学材料:用“G”表示光学材料是指传输光线的介质材料,包括光学玻璃、光学晶体和光学塑料等光学介质材料,但不包括光电性能一体化应用的光电材料,例如发光二极管、氖灯、日光灯、显像管、液晶屏等光电类材料,该类材料归于电子材料类,3、塑胶材料:用“S”表示塑胶材料是指以高分子合成树脂为主要应用的材料,包括ABS、PVC、PA、PS、PE等塑胶料,但不包括光学与塑胶一体化应用的材料,以及用于产品包装的塑胶材料,例如有机玻璃、玻璃钢、吸塑盒等,该类材料归于光学材料类或包装材料类。
公司目前应用的塑胶材料主要包括数码相机、车载摄像头、网络摄像头等产品的塑胶结构件,例如机壳,以及用于其他用途的PVC线管、塑胶工具、塑胶模具等。
4、金属材料:用“J”表示金属材料是指以钢、铁、铝等为主要应用的材料,公司目前主要包括数码相机、摄像头等产品使用的金属结构件,以及用于其他用途的角铁、金属线管、金属紧固件、金属工具、金属模具等。
5、包装材料:用“B”表示包装材料是指用于产品包装的材料,主要包括包装箱、吸塑盒、胶袋、包装带、封箱胶纸、不干胶标签、防潮剂、合格证等。
常见物料分类及编码规则常见物料分类及编码规则XXX实行三级分类管理,对所有物料(除固定资产外)进行分类,分为大类别、小类别和品种类型。
物料编码总长为15位,物料大类、小类、物料品种和物料规格型号之间用英文句号隔开。
基本编码结构如下:X.XX.XX.XXXXXXXXXX。
一、物料大分类及其代码:1、电子材料:用“T”表示。
电子材料是指以其电性能为主要应用的材料,包括集成电路类、印刷电路板类、电类、电阻器类、电感器类、晶体管类、接插件类、稳压器类、变压器类、充电器类、开关类、电池类、电声器类、电位器类、磁珠类、数据线类和电线电缆类等。
2、光学材料:用“G”表示。
光学材料是指传输光线的介质材料,包括光学玻璃、光学晶体和光学塑料等光学介质材料,但不包括光电性能一体化应用的光电材料,例如发光二极管、氖灯、日光灯、显像管、液晶屏等光电类材料,该类材料归于电子材料类。
3、塑胶材料:用“S”表示。
塑胶材料是指以高分子合成树脂为主要应用的材料,包括ABS、PVC、PA、PS、PE等塑胶料,但不包括光学与塑胶一体化应用的材料,以及用于产品包装的塑胶材料,例如有机玻璃、玻璃钢、吸塑盒等,该类材料归于光学材料类或包装材料类。
公司目前应用的塑胶材料主要包括数码相机、车载摄像头、网络摄像头等产品的塑胶结构件,例如机壳,以及用于其他用途的PVC线管、塑胶工具、塑胶模具等。
4、金属材料:用“J”表示。
金属材料是指以钢、铁、铝等为主要应用的材料,公司目前主要包括数码相机、摄像头等产品使用的金属结构件,以及用于其他用途的角铁、金属线管、金属紧固件、金属工具、金属模具等。
5、包装材料:用“B”表示。
包装材料是指用于产品包装的材料,主要包括包装箱、吸塑盒、胶袋、包装带、封箱胶纸、不干胶标签、防潮剂、合格证等。
6、辅助材料:用“F”表示。
辅助材料是指构成产品实体的非主要材料,或辅助产品生产的应用材料,公司目前主要包括:UV胶、热固胶、酒精、锡膏、锡浆、清洗剂、无尘布、泡棉垫、双面胶、保护膜、钢网纸、胶水、锡条等。
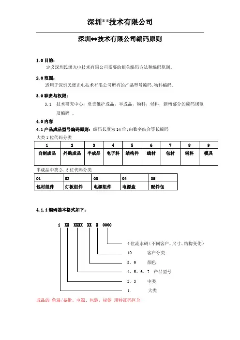
深圳**技术有限公司编码原则1.0目的:定义深圳民爆光电技术有限公司需要的相关编码方法和编码原则。
2.0范围:适用于深圳民爆光电技术有限公司所有的产品型号编码,物料编码。
3.0职责与权限:3.1技术研究中心:负责维护成品,半成品,物料,辅料,新增部分的编码规范及编码。
4.0内容4.1产品成品型号编码原则:编码长度为14位;由数字结合等长编码半成品中类2、3位代码分类4.1.1编码基本格式如下:1 XX XXXX XX X 00004位流水码(不同客户、尺寸、结构变化) 10 客户分类8、9 颜色4、5、6、7 产品型号2、3 中类1.大类成品的色温/显指、电源、包装、标签用特征码区分4.1.2产成品分类及代码表;5.1半成品包材编码基本格式如下:1 XX XX XXXX X X 0003位流水码(不同客户、设计方案、尺寸) 11 客户分类10 类型6、7 、8、9 产品型号4、5 成品中类2、3 中类2.大类5.1.1产成品分类及代码表:5.1.2半成品灯板组件编码基本格式如下:1 XX XX XXXX X X 0003位流水码(尺寸、品牌、封装、串并) 11 显色指数10 色温6、7 、8、9 产品型号4、5 成品中类2、3 中类3.大类5.1.3产成品分类及代码表5.1.4半成品电源编码基本格式如下:1 XX X XX X XXXX 0003位流水码(尺寸、型号、品牌) 8、9、10、11功率7 电压5、6 产品功能4 产品类型2、3 中类4.大类5.1.5产成品分类及代码表5.1.6半成品电源盒编码基本格式如下1 XX XX XX XXX 00004位流水码(尺寸、丝印、升级) 8、9 、10 电源盒型号6、7 颜色4、5 材质2、3 中类1 大类5.1.7产成品分类及代码表5.1.8半成品配件编码基本格式如下1 XX XXXX XX 000005位流水码(不同的配件包) 6、7 、8、9 产品型号4、5 成品中类2、3 中类1 大类5.1.9产成品分类及代码表6.1 LED编码基本格式如下1 XX XX XX XX X X 0003位流水码(品牌、参数) 11 显指10 色温8、9 电压6、7 功率4、5 封装2、3 物料中类1 物料大类6.1.1 产成品分类及代码表6.2 贴片电阻编码4 XX XX XX XX 000005位流水码(品牌、阻值) 8、9 不定义6、7 误差4、5、封装2、3 品名1 大类6.2.1产成品分类及代码表:4 XX XX XX XX 000005 位流水码(品牌、阻值) 8、9 误差6、7 材质4、5、封装2、3 品名1 大类4 XX XX XX XX 000005 位流水码(品牌、容值) 8、9 材质6、7 耐压4、5、封装2、3 品名1 大类4 XX XX XX XX 000005 位流水码(品牌、尺寸、容值) 8、9 误差6、7 耐压4、5、材质2、3 品名1 物料大类6.5.1产成品分类及代码表6.6 电感编码4 XX XX XX XX 000005 位流水码(感量、型号) 8、9 不定义6、7 线径4、5、封装2、3 品名1 物料大类6.6.1产成品分类及代码表4 XX XX XX XX 000005 位流水码(型号、感量) 8、9 误差6、7 材质4、5、磁芯类型2、3 品名1 物料大类6.7.1产成品分类及代码表6.8 二三极管/MOS管/稳压管编码4 XX XX XX XX 000005 位流水码(品牌、型号) 8、9 电流6、7 耐压4、5、封装2、3 品名1 物料大类6.8.1产成品分类及代码表6.9 集成电路IC 编码4 XX XX XX XX 000005 位流水码(品牌、型号) 8、9 不定义6、7 不定义4、5、封装2、3 品名1 物料大类6.9.1 产成品分类及代码表4 XX XX XX XX 000005 位流水码(尺寸、型号) 8、9 成品中类6、7 层数4、5、材质2、3 品名1 物料大类6.10.1 产成品分类及代码表6.11 保险丝编码4 XX XX XX XX 000005 位流水码(品牌、型号) 8、9 电压6、7 电流4、5、封装2、3 品名1 物料大类6.11.1 产成品分类及代码表7.1 结构编码基本格式如下5 X XX XX XXXX XX 002位流水码(尺寸) 11、12 颜色7、8、9、10产品型号5、6 产品中类3、4 品名2 中类1大类7.1.1产成品分类及代码表7.2 结构五金杂类编码基本格式如下5 X XX XX XX XX X 0003位流水码10、11 颜色8、9 规格 6、7 尺寸4、5 类型3 品名 2 中类 1 大类7.2.1 产成品分类及代码表5 X XX XX XX XX X 0003位流水码10、11 颜色9 不定义 7、8 BIN位5、6 材质3、4 品名 2 中类 1 大类7.3.1 产成品分类及代码表7.4 螺丝、螺母编码基本格式如下5 6 X XX X XX XX 00004位流水码9、10 颜色 7、8 牙规格6 尾型4、5 型号3 品名2 中类1 大类7.4.1 产成品分类及代码表8.1 线材编码基本格式如下6 XX X XX XX XX 00004位流水码(长度、认证) 9、10 端部类型7、8 颜色5、6 线径4、材质2、3 中类1、大类8.1.1产成品分类及代码表9.1 包材编码基本格式如下1 XX XX XX XXX 00004位流水码(尺寸)8、9、10 不定属性 6、7 成品中类4、5 材质2、3 中类5.大类9.1.1产成品分类及代码表10.1辅料编码基本格式如下1 XX XX XXXXX 00004位流水码6、7、8、9 、10 不定属性 4、5 品名2、3 中类1. 大类10.1.1产成品分类及代码表11.1 模具编码基本格式如下9 XX XX XXXX 000005位流水码(尺寸)6、7、8、9 成品产品型号 4、5 成品中类2、3 中类6.大类11.1.1产成品分类及代码表。
深圳**技术有限公司编码原则
1.0目的:
定义深圳民爆光电技术有限公司需要的相关编码方法和编码原则。
2.0范围:
适用于深圳民爆光电技术有限公司所有的产品型号编码,物料编码。
3.0职责与权限:
3.1技术研究中心:负责维护成品,半成品,物料,辅料,新增部分的编码规范
及编码。
4.0内容
4.1产品成品型号编码原则:编码长度为14位;由数字结合等长编码
4.1.1编码基本格式如下:
1 XX XXXX XX X 0000
4位流水码(不同客户、尺寸、结构变化)
10 客户分类
8、9 颜色
4、5、6、7 产品型号
2、3 中类
1.大类成品的色温/显指、电源、包装、标签用特征码区分
4.1.2产成品分类及代码表;
5.1半成品包材编码基本格式如下:
1 XX XX XXXX X X 000
3位流水码(不同客户、设计方案、尺寸)
11 客户分类
10 类型
6、7 、8、9 产品型号
4、5 成品中类
2、3 中类
2.大类
5.1.1产成品分类及代码表:
5.1.2半成品灯板组件编码基本格式如下:
1 XX XX XXXX X X 000
3位流水码(尺寸、品牌、封装、串并)
11 显色指数
10 色温
6、7 、8、9 产品型号
4、5 成品中类
2、3 中类
3.大类
5.1.3产成品分类及代码表
5.1.4半成品电源编码基本格式如下:
1 XX X XX X XXXX 000
3位流水码(尺寸、型号、品牌)
8、9、10、11功率
7 电压
5、6 产品功能
4 产品类型
2、3 中类
4.大类
5.1.5产成品分类及代码表
5.1.6半成品电源盒编码基本格式如下
1 XX XX XX XXX 0000
4位流水码(尺寸、丝印、升级)
8、9 、10 电源盒型号
6、7 颜色
4、5 材质
2、3 中类
1 大类
5.1.7产成品分类及代码表
5.1.8半成品配件编码基本格式如下
1 XX XXXX XX 00000
5位流水码(不同的配件包)
6、7 、8、9 产品型号
4、5 成品中类
2、3 中类
1 大类5.1.9产成品分类及代码表
6.1 LED编码基本格式如下
1 XX XX XX XX X X 000
3位流水码(品牌、参数)
11 显指
10 色温
8、9 电压
6、7 功率
4、5 封装
2、3 物料中类
1 物料大类
6.1.1 产成品分类及代码表
6.2 贴片电阻编码
4 XX XX XX XX 00000
5位流水码(品牌、阻值)
8、9 不定义
6、7 误差
4、5、封装
2、3 品名
1 大类
6.2.1产成品分类及代码表:
6.3 插件电阻编码:
4 XX XX XX XX 00000
5 位流水码(品牌、阻值)
8、9 误差
6、7 材质
4、5、封装
2、3 品名
1 大类
6.3.1产成品分类及代码表
6.4 贴片电容编码
4 XX XX XX XX 00000
5 位流水码(品牌、容值)
8、9 材质
6、7 耐压
4、5、封装
2、3 品名
1 大类
6.4.1产成品分类及代码表
6.5 插件电容编码
4 XX XX XX XX 00000
5 位流水码(品牌、尺寸、容值)
8、9 误差
6、7 耐压
4、5、材质
2、3 品名
1 物料大类6.5.1产成品分类及代码表
6.6 电感编码
4 XX XX XX XX 00000
5 位流水码(感量、型号)
8、9 不定义
6、7 线径
4、5、封装
2、3 品名
1 物料大类
6.6.1产成品分类及代码表
6.7 变压器编码
XX 00000
5 位流水码(型号、感量)
8、9 误差
6、7 材质
4、5、磁芯类型
2、3 品名
1 物料大类
6.7.1产成品分类及代码表
6.8 二三极管/MOS管/稳压管编码
4 XX XX XX XX 00000
5 位流水码(品牌、型号)
8、9 电流
6、7 耐压
4、5、封装
2、3 品名
1 物料大类6.8.1产成品分类及代码表
6.9 集成电路IC 编码
4 XX XX XX XX 00000
5 位流水码(品牌、型号)
8、9 不定义
6、7 不定义
4、5、封装
2、3 品名
1 物料大类
6.9.1 产成品分类及代码表
6.10 PCB 编码
4 XX XX XX XX 00000
5 位流水码(尺寸、型号)
8、9 成品中类
6、7 层数
4、5、材质
2、3 品名
1 物料大类
6.10.1 产成品分类及代码表
6.11 保险丝编码
4 XX XX XX XX 00000
5 位流水码(品牌、型号)
8、9 电压
6、7 电流
4、5、封装
2、3 品名
1 物料大类
6.11.1 产成品分类及代码表
7.1 结构编码基本格式如下
5 X XX XX XXXX XX 00
2位流水码(尺寸)
11、12 颜色
7、8、9、10产品型号
5、6 产品中类
3、4 品名
2 中类
1大类7.1.1产成品分类及代码表
7.2 结构五金杂类编码基本格式如下
5X XX XX XX XX X 000
3位流水码
10、11 颜色
8、9 规格
6、7 尺寸
4、5 类型
3 品名
2 中类
1 大类7.2.1 产成品分类及代码表
7.3 结构塑胶杂类编码基本格式如下
5X XX XX XX XX X 000
3位流水码
10、11 颜色
9 不定义
7、8 BIN位
5、6 材质
3、4 品名
2 中类
1 大类7.3.1 产成品分类及代码表
7.4 螺丝、螺母编码基本格式如下
5 6 X XX X XX XX 0000
4位流水码
9、10 颜色
7、8 牙规格
6 尾型
4、5 型号
3 品名
2 中类
1 大类7.4.1 产成品分类及代码表
8.1 线材编码基本格式如下
6 XX X XX XX XX 0000
4位流水码(长度、认证)
9、10 端部类型
7、8 颜色
5、6 线径
4、材质
2、3 中类
1、大类8.1.1产成品分类及代码表
9.1 包材编码基本格式如下
1 XX XX
XX XXX 0000
4位流水码(尺寸) 8、9、10 不定属性 6、7 成品中类 4、5 材质 2、3 中类
5. 大类
9.1.1产成品分类及代码表
10.1辅料编码基本格式如下
1 XX XX XXXXX 0000
4位流水码
6、7、8、9 、10 不定属性
4、5 品名
2、3 中类
1. 大类
10.1.1产成品分类及代码表
11.1 模具编码基本格式如下
9 XX XX XXXX 00000
5位流水码(尺寸)
6、7、8、9 成品产品型号
4、5 成品中类
2、3 中类
6.大类
11.1.1产成品分类及代码表。