ao工艺设计计算参考
- 格式:docx
- 大小:24.19 KB
- 文档页数:22
AO工艺设计计算参考AO工艺设计计算是指在AO(Atomic Operations)制造工艺中,通过对制造过程和制造设备参数等进行计算和优化,以实现高效、高质量的制造过程。
AO工艺设计的目标是提高制造过程的效率和准确性,降低制造成本和资源消耗,同时保证产品的质量和可靠性。
下面将从AO工艺设计中常见的计算内容和具体的计算方法进行详细介绍。
一、AO工艺设计中的常见计算内容1.制造过程能力分析和优化计算制造过程能力分析是指通过统计分析和计算,评估制造过程的稳定性和可靠性。
在AO工艺设计中,可以通过计算过程的CP(Process Capability)指数和Cpk(Process Capability Index)指数,来评估过程的能力和稳定性。
CP指标描述了过程的能力,Cpk指标描述了过程的稳定性。
通过对CP和Cpk进行计算,可以了解制造过程的能力水平,进而采取合适的措施进行优化。
2.制造设备参数优化计算制造设备参数优化计算是指通过对制造设备的参数进行计算和优化,实现制造过程的高效和高质量。
常见的制造设备参数包括速度、温度、力度等。
在AO工艺设计中,可以通过计算设备参数的响应曲线和性能曲线,来确定最佳的设备参数组合。
通过计算和优化制造设备参数,可以提高制造过程的效率和准确性,降低制造成本和资源消耗。
3.制造过程中的数据收集和分析计算制造过程中的数据收集和分析计算是指通过对制造过程中的数据进行收集和分析,来了解过程的状态和变化。
在AO工艺设计中,可以通过计算制造过程中的数据均值、方差等统计特性,来分析过程的变化和偏差。
通过数据分析计算,可以及时发现和纠正制造过程中的问题,保证制造过程的稳定性和可靠性。
二、AO工艺设计中的具体计算方法1.统计分析方法统计分析方法是AO工艺设计中常用的计算方法之一、通过对制造过程中的数据进行统计分析,可以了解过程的变化和偏差,进而采取合适的措施进行优化。
常用的统计分析方法包括正态性检验、方差分析、回归分析等。
A/O工艺设计参数①水力停留时间:硝化不小于5~6h;反硝化不大于2h,A段:O段=1:3②污泥回流比:50~100%③混合液回流比:300~400%④反硝化段碳/氮比:BOD5/TN>4,理论BOD消耗量为1.72gBOD/gNOx--N⑤硝化段的TKN/MLSS负荷率(单位活性污泥浓度单位时间内所能硝化的凯氏氮):<0.05KgTKN/KgMLSS·d/KgMLSS·d⑥硝化段污泥负荷率:BOD/MLSS<0.18KgBOD5⑦混合液浓度x=3000~4000mg/L(MLSS)⑧溶解氧:A段DO<0.2~0.5mg/LO段DO>2~4mg/L⑨pH值:A段pH =6.5~7.5O段pH =7.0~8.0⑩水温:硝化20~30℃反硝化20~30℃⑾ 碱度:硝化反应氧化1gNH4+-N需氧4.57g,消耗碱度7.1g(以CaCO3计)。
反硝化反应还原1gNO3--N将放出2.6g氧,生成3.75g 碱度(以CaCO3计)⑿需氧量Ro——单位时间内曝气池活性污泥微生物代谢所需的氧量称为需氧量(KgO2/h)。
微生物分解有机物需消耗溶解氧,而微生物自身代谢也需消耗溶解氧,所以Ro应包括这三部分。
Ro=a’QSr+b’VX+4.6Nra’─平均转化1Kg的BOD的需氧量KgO2/KgBODb’─微生物(以VSS计)自身氧化(代谢)所需氧量KgO2/Kg VSS·d。
上式也可变换为:Ro/VX=a’·QSr/VX+b’ 或Ro/QSr=a’+b’·VX/QSrSr─所去除BOD的量(Kg)Ro/VX─氧的比耗速度,即每公斤活性污泥(VSS)平均每天的耗氧量KgO2/KgVSS·dRo/QSr─比需氧量,即去除1KgBOD的需氧量KgO2/KgBOD由此可用以上两方程运用图解法求得a’ b’Nr—被硝化的氨量kd/d 4.6—1kgNH3-N转化成NO3-所需的氧量(KgO2)几种类型污水的a’ b’值⒀供氧量─单位时间内供给曝气池的氧量,因为充氧与水温、气压、水深等因素有关,所以氧转移系数应作修正。
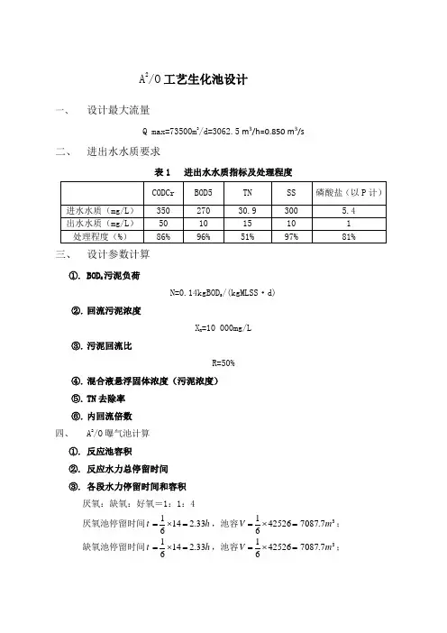
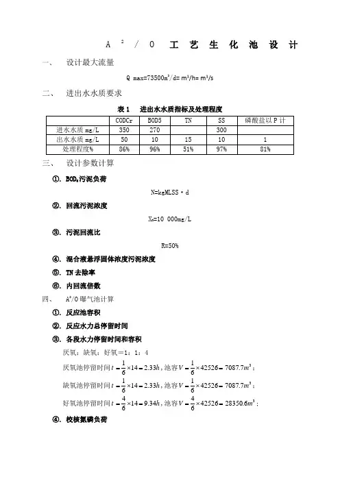
A2/O 工艺生化池设计一、 设计最大流量Q max=73500m 3/d= m 3/h= m 3/s二、 进出水水质要求表1 进出水水质指标及处理程度三、 设计参数计算①. BOD 5污泥负荷N=kgMLSS ·d②. 回流污泥浓度X R =10 000mg/L③. 污泥回流比R=50%④. 混合液悬浮固体浓度污泥浓度 ⑤. TN 去除率 ⑥. 内回流倍数 四、 A 2/O 曝气池计算 ①. 反应池容积②. 反应水力总停留时间 ③. 各段水力停留时间和容积厌氧:缺氧:好氧=1:1:4厌氧池停留时间h t 33.21461=⨯= ,池容37.70874252661m V=⨯=; 缺氧池停留时间h t 33.21461=⨯= ,池容37.70874252661m V=⨯=; 好氧池停留时间h t 34.91464=⨯= ,池容36.283504252664m V=⨯=; ④. 校核氮磷负荷好氧段TN 负荷为:()d kgMLSS kgTN N ⋅=⨯⨯=••/024.06.8350233339.3073500V X T Q 30厌氧段TP 负荷为:()d kgMLSS kgTN P ⋅=⨯⨯=••/017.07.708733334.573500V X T Q 10① 剩余污泥量:X ∆,kg/d 式中:取污泥增值系数Y=,污泥自身氧化率05.0=d K ,代入公式得: =5395kg/d 则:湿污泥量:设污泥含水率P=% 则剩余污泥量为: ⑤. 反应池主要尺寸反应池总容积:V=425263m设反应池2组,单组池容积:V =3212632m V= 有效水深5m,则: S=V/5=2m取超高为,则反应池总高m H 0.60.10.5=+= 生化池廊道设置:设厌氧池1廊道,缺氧池1廊道,好氧池4廊道,共6条廊道;廊道宽10m;则每条廊道长度为m bn S L 88.706106.4252=⨯==,取71m 尺寸校核1.71071==b L ,2510==h b 查污水生物处理新技术,长比宽在5~10间,宽比高在1~2间 可见长、宽、深皆符合要求五、 反应池进、出水系统计算1) 进水管单组反应池进水管设计流量s m Q Q /425.0285.023max 1=== 管道流速s m v /0.1=管道过水断面面积21425.00.1/425.0/m v Q A === 管径m Ad 74.0425.044=⨯==ππ取进水管管径DN800mm 2) 回流污泥管单组反应池回流污泥管设计流量 设管道流速s m v /85.01= 管道过水断面积 管径取出水管管径DN800mm 3) 出水管单组反应池出水管设计流量 设管道流速s m v /8.01= 管道过水断面积 管径取出水管管径DN1200mm六、 曝气系统设计计算1. 需氧量计算碳化需氧量: 硝化需氧量: 反硝化需氧量: 总需氧量:最大需氧量与平均需氧量之比为,则: 去除1kg 5BOD 的需氧量为: 2. 标准需氧量采用鼓风曝气,微孔曝气器;曝气器敷设于池底,距池底,淹没深度,氧转移效率A E =20%,计算温度T=25℃,将实际需氧量AOR 换算成标准状态下的需氧量SOR;式中:ρ——气压调整系数,ρ=所在地区实际气压/×510,取值为1 L C ——曝气池内平均溶解氧,取L C =2mg/L取85.0=α,95.0=β查表得20C 和25C 时,水中饱和溶解氧值为:L mg C S /17.9)20(=;L mg C S /38.8)30(=空气扩散器出口处的绝对压力 空气离开曝气池池面时,氧的百分比 曝气池混合液中平均氧饱和度 最大时需氧量为好氧反应池最大时供气量为3. 所需空气压力式中 阻力之和—供风管到沿程与局部—m h h 2.021=+m h 3.43 =——曝气器淹没水头4. 曝气器数量计算按供氧能力计算所需曝气器数量: 4.542114.020.1518max =⨯==c q SOR h 个,为分布均匀,取5616个 采用MT215型薄膜盘式微孔空气曝气器,动力充氧效率()h kw ⋅/kgO 2,工作水深,在供风量33-1m /h ×个时,曝气器氧利用率A E =20%,充氧能力14.0=c q 2kgO /h ×个,则:5. 供风管道计算供风干管采用树状布置 流量为设流速s m v /10=则管径取干管管径DN800mm单侧供气向两侧廊道供气支管设流速s10=v/m则管径为:取支管管径为DN400mm双侧供气向单廊道供气支管设流速s10=v/m则管径为:取支管管径为DN600mm七、设备选择1.厌氧池设备选择以单组反应池计算厌氧池内设QJB/12-621/3-480推流式潜水搅拌机4台,功率5kW,混合全部污水所需功率为:5×4=20kW;2.缺氧池设备选择以单组反应池计算缺氧池内设QJB/12-621/3-480推流式潜水搅拌机4台,功率5kW,混合全部污水所需功率为:5×4=20kW;3.混合液回流设备1.混合液回流泵混合液回流比%R106=N混合液回流量设混合液回流泵房2座,每座泵房内设3台潜污泵2用一备则单泵流量为:采用300QW900-8-30型潜水排污泵,扬程为8m,功率为30kW,转速为960r/min;2.混合液回流管回流混合液由出水井流至混合液回流泵房,经潜污泵提升后送至缺氧段首端;混合液回流管设计流量泵房进水管设计流速采用s8.0=v/m管道过水断面积则管径为:取泵房进水管管径DN1200mm同理,泵房出水管设计流量为泵房进水管设计流速采用s=m0.1v/管道过水断面积则管径为:取泵房进水管管径DN1200mm4.鼓风机选择好氧反应池最大时供气量为因此,鼓风机选择L83WD-980二叶罗茨鼓风机2用1备,该鼓风机进口流量为216minm,转速980r/min,升压,轴功率,配套电机型号为Y280S-6,电机功率45kW,主/3机重量为5530kg;。
AO工艺设计计算参考一、计算设计过程在AO工艺设计中,计算设计是整个设计过程中的重要环节,它主要包括以下几个步骤:1.数据采集:通过实验、实测等手段获取原材料和加工过程中的相关数据。
这些数据包括材料的物理性质、原材料的成分、加工过程中的温度、速度、压力等。
2.数据处理:对采集到的数据进行处理和整理,以便后续的计算分析。
数据处理可以使用统计学方法,如平均值、方差等,也可以使用图表分析、数据拟合等方法。
3.参数计算:根据采集到的数据和相关的工艺参数,计算得出最佳的工艺参数。
这些参数包括加工温度、速度、压力、时间等。
4.结果评估:评估计算得到的结果是否满足产品质量要求和生产效率的要求。
如果不满足,需要重新调整工艺参数进行计算。
二、计算方法在AO工艺设计中,常用的计算方法包括数值计算、实验计算和经验计算等。
1.数值计算:利用计算机模拟工具进行工艺参数的计算。
数值计算可以通过建立数学模型来描述工艺过程,并利用计算机软件进行求解。
数值计算具有高精度和较强的预测能力,但需要大量的计算资源和较长的计算时间。
2.实验计算:通过实验室试验和工厂实验来进行工艺参数的计算。
实验计算可以直接测量和观察工艺过程中的各种参数,并以此为基础进行参数计算。
实验计算可以得到实际的工艺参数,但受到实验条件和设备的限制。
3.经验计算:根据过去的经验和类似工艺的实际情况,进行工艺参数的估算和预测。
经验计算可以通过适当的调整和修正,得到比较准确的工艺参数。
经验计算具有操作简便、计算快速的特点,但其准确度和可靠性有待提高。
三、计算技术的应用在AO工艺设计中,计算技术的应用可以提高工艺参数的计算精度、预测能力和效率。
1.模拟仿真技术:利用计算机模拟软件对工艺过程进行仿真和模拟。
模拟仿真技术可以在计算机上重现实际的工艺过程,从而进行工艺参数的计算和优化。
模拟仿真技术可以减少实验试验的次数和成本,提高计算精度和效率。
2.神经网络技术:利用神经网络模型对工艺过程进行学习和训练。
二 沉砂池计算1. 基 本 数据1.1 流 量日平 均 流 量Qav = m3 / d =0.46 日最 小 流 量Qmin = m3 / d =0.46 日变 化 系 数Kz =#NAME?日最 大 流 量Qmax =Kz * Qav =#NAME? m3/d ==#NAME? m3 /s 2 进 水 井及 堰2.1 进 水井 尺 寸最 大流 量 Qmax=#NAME? m3 /s最 小流 量 Qmin=0.46 m3 /s进水井格数 n =格进水井堰板方向宽L =m进水井长 W =m进水井高 H =m进水最大上升流速V =Qmax/(n*w*L) =#NAME?m/s 进水最小上升流速V =Qmin/(n*w*L) =0.26m/s 2.2 矩形堰2.2.1 薄壁平顶堰 (不淹没,无侧面收缩,流速忽略)使用公式: 通过堰口的流量为Q = m * b* (2 *g)1/2* H3/2流量系数为m = 0.405+ 0.0027 /H公式 取值 :堰数n1 =单堰宽b =m单堰流量Qma =Qmax/n1 = m3 /s重力加速度g =9.81 m / s2使用试算方法得到以下结果:堰上水深H =#NAME?m流量系数为m =#NAME?堰负荷q =#NAME?l / (m * s) 按单堰过流平均流量校核堰数n2 =单堰宽b =m单堰流量Q' =Qav/(n1-1)= m3 /s重力加速度g =9.81 m / s2 使用试算方法得到以下结果:堰上水深H =#NAME?m流量系数为m =#NAME?堰负荷q =308.6l / (m * s) 2.3 渠道尺寸流量 q =#NAME?cu m / s水深 h=0.500m渠宽 w=0.900m流速 v =q/h/w#NAME?m/s2. 机械格栅选用回转式格栅,拟用宜昌市第二冷作机械厂的产品.每套由两台HF1000并联而成.格栅台数量n =格栅间隙b =格栅安装角度a =单套设备宽Wo =设备总高H2 =单套设备总宽W2 =渠道数n1 =每条渠道宽W =每条渠道深H =导流槽长度 L1= H *ctg(a) =m排渣高度(距渠底) H1=m栅前水深h1 =m栅前流速V1 =m/s过栅流速V =m/s单套格栅过流量Qs =m3/d过栅水头损失dh =m栅后水深h2 =m栅后流速V2 =m/s栅渣产率f =m3/103m3污水 栅渣产量 Wf =Qav * f = 2.000m3按单渠过流平均流量校核栅前水深h1 =m栅前流速V1 =0.51m/s过栅流速V =#NAME?m/s单套格栅过流量Qs = Qav=40000.0m3/d过栅水头损失dh =#NAME?m栅后水深h2 =#NAME?m栅后流速V2 =#NAME?m/s 3 沉砂池 :D=3.5 m4. 沉砂池出水堰计算使用公式: 通过堰口的流量为Q = m * b* (2 *g)1/2* H3/2流量系数为m = 0.405+ 0.0027 /H公式 取值 :堰数n1 =单堰宽b =m单堰流量Qma =Qmax/n1 = m3 /s 重力加速度g =9.81 m / s2 使用试算方法得到以下结果:堰上水深H =#NAME?m流量系数为m =#NAME?堰负荷q =#NAME?l / (m * s)三 配水井计算使用公式: 通过堰口的流量为Q = m * b* (2 *g)1/2* H3/2流量系数为m = 0.405+ 0.0027 /H公式 取值 :堰数n1 =单堰宽b =m单堰流量Qma =Qmax/n1 = m3 /s重力加速度g =9.81 m / s2 使用试算方法得到以下结果:堰上水深H =#NAME?m流量系数为m =#NAME?堰负荷q =#NAME?l / (m * s)m3 /sm3 /s#NAME? m3 / h。
A/O工艺(1)A池(缺氧池)容积,可按以下公式计算:V n={0.001Q(N k-N te)-0.12△X v}/(K de×X)(△X v=y×Y t×Q(S0-S e)/1000)式中:V n-缺氧池容积Q-生物反映池的设计流量(m3 /d)Q=80X-混合液悬浮固体平均浓度(gMLSS/L)X=12 N k-进水总凯氏氮浓度(mg/L)N k=1000N te- 出水总氮浓度(mg/L)N te=30△X v-排出生物反应池出水微生物量(kgMLVSS/d) K de-脱氮速率,取0.03kgNO3-N/(kgMLSS×d)Y t-污泥总产率系数(kgMLSS/kgBOD5) Y t=0.5y-MLSS中MLVSS所占比例y=0.6S0-进水BOD5 S0=6000S e-出水BOD5 S e=300将上面数值代入公式可得V n=170 m3有效水深取4 m,则面积A=170/4=42.5 m2(2)碳氧化池容积,可按下式计算:V= Q(S0-S e)/(1000×N S×X)式中:V-碳氧化池容积Q-进水流量N S-污泥有机负荷(kgBOD5/kgMLSS d),取N S=0.1X-悬浮固体浓度(gMLSS/L)代入上式有:V=380 m3有效水深度取4 m,则面积A=380/4=95 m2(3)强化消化池面积V=Q(S0(NH3-N)-S e(NH3-N))/(1000×N S(NH3-N)×X)Q-进水流量(m3 /d)S0(NH3-N)-NH3-N进水浓度S e(NH3-N)- NH3-N出水浓度N S(NH3-N)-污泥氨氮负荷(kgNH3-N/kgMLSS d),(取0.05)X-悬浮固体浓度(gMLSS/L),(取12)代入上式有:V=130 m3有效水深度取4.0 m,则该池面积A=130/4=32.5 m2(4)碳氧化-消化反应的需气量按下列公式计算:O2= 0.001aQ(S0-S e)-c△X v+b[0.001Q(N k-N ke)-0.12△X v]-0.626[0.001Q(N t-N ke-N oe)-0.12△X v]式中: Q-进水流量(m3 /d)O2-废水需氧量(m3 /d)N K-进水总凯氏氮浓度(mg/L)N ke-出水总凯氏氮浓度(mg/L)N oe-出水硝态氮浓度(mg/L)a-碳的氧当量,取1.47b- 氨氮的氧当量,取4.57c- 常数,细菌细胞的氧当量,取1.42代入上式有: O 2=813.97kg O 2/d查表可知:水中的溶解氧饱和度为:C S(20)=9.17(mg/L ); C S(30)=7.63(mg/L ).本项目采用微孔曝气头曝气,淹没水深为4m,计算温度定为30℃, 曝气头出口处的绝对压力(P b )为: P b =1.013×105+9.8×103×4=1.405×105 P a 空气离开曝气池池面时,氧的百分比为:O t =21(1-E A )×60%/[79+21(1-E A )]=17.54% (氧转化效率E A 20%) 最不利温度条件下(取30℃) 曝气池混合液中平均饱和度: C sb(30)=C s(30)( P b /202600+O t /42)=8.474 mg/L换算为20℃条件下,脱氧清水的充氧量:R 0= RC s(20)/{C βρα[sb(T)-]C 1.024T-20}取,0.1,0.2,9.0,8.0====ρβαC 代入得R 0=1309.7kgO 2/d曝气池的平均供气量为:G S =R 0×100/(0.3×E A )=21828.3 m 3空气 /d=909.5 m 3空气/h =15.16 m 3空气/min若微孔曝气头单盘气量2 m 3 /h ,面积0.25 m 2/个,氧转移效率E A 为20%,则所需曝气头的个数为909.5/2=455个。
A1/O生物脱氮工艺一、设计资料设计处理能力为日处理废水量为30000m3废水水质如下:PH值7.0~7.5 水温14~25℃BOD5=160mg/L VSS=126mg/L(VSS/TSS=0.7) TN=40mg/L NH3-N=30mg/L根据要求:出水水质如下:BOD5=20mg/L TSS=20mg/L TN 15mg/L NH3-N 8mg/L根据环保部门要求,废水处理站投产运行后排废水应达到国家标准《污水综合排放标准》GB8978-1996中规定的“二级现有”标准,即COD 120mg/l BOD 30 mg/l NH -N<20 mg/l PH=6-9 SS<30 mg/l二、污水处理工艺方案的确定城市污水用沉淀法处理一般只能去除约25~30℅的BOD5,污水中的胶体和溶解性有机物不能利用沉淀方法去除,化学方法由于药剂费用很高而且化学混凝去除溶解性有机物的效果不好而不宜采用。
采用生物处理法是去除废水中有机物的最经济最有效的选择。
废水中的氮一般以有机氮、氨氮、亚硝酸盐氮和硝酸盐氮等四种形态存在。
生活污水中氮的主要存在形态是有机氮和氨氮。
其中有机氮占生活污水含氮量的40%~60%,氨氮占50%~60%,亚硝酸盐氮和硝酸盐氮仅占0%~5%。
废水生物脱氮的基本原理是在传统二级生物处理中,将有机氮转化为氨氮的基础上,通过硝化和反硝化菌的作用,将氨氮通过硝化转化为亚硝态氮、硝态氮,再通过反硝化作用将硝态氮转化为氮气,而达到从废水中脱氮的目的。
废水的生物脱氮处理过程,实际上是将氮在自然界中循环的基本原理应用与废水生物处理,并借助于不同微生物的共同协调作用以及合理的认为运用控制,并将生物去碳过程中转化而产生及原废水中存在的氨氮转化为氮气而从废水中脱除的过程。
在废水的生物脱氮处理过程中,首先在好氧(oxic)条件下,通过好氧硝化的作用,将废水中的氨氮氧化为亚硝酸盐氮;然后在缺氧(Anoxic)条件下,利用反硝化菌(脱氮菌)将亚硝酸盐和硝酸盐还原为氮气(N2)而从废水中逸出。
A 2/O 工艺生化池设计一、 设计最大流量Q max=73500m 3/d=3062.5 m 3/h=0.850 m 3/s二、 进出水水质要求表1 进出水水质指标及处理程度三、 设计参数计算①. BOD 5污泥负荷N=0.14kgBOD 5/(kgMLSS ·d)②. 回流污泥浓度X R =10 000mg/L③. 污泥回流比R=50%④. 混合液悬浮固体浓度(污泥浓度) ⑤. TN 去除率 ⑥. 内回流倍数 四、 A 2/O 曝气池计算 ①. 反应池容积 ②. 反应水力总停留时间 ③. 各段水力停留时间和容积 厌氧:缺氧:好氧=1:1:4厌氧池停留时间h t 33.21461=⨯= ,池容37.70874252661m V=⨯=; 缺氧池停留时间h t 33.21461=⨯= ,池容37.70874252661m V=⨯=;好氧池停留时间h t 34.91464=⨯= ,池容36.283504252664m V =⨯=。
④. 校核氮磷负荷好氧段TN 负荷为:()d kgMLSS kgTN N ⋅=⨯⨯=∙∙/024.06.8350233339.3073500V X T Q 30厌氧段TP 负荷为:()d kgMLSS kgTN P ⋅=⨯⨯=∙∙/017.07.708733334.573500V X T Q 10① 剩余污泥量:X ∆,(kg/d) 式中:取污泥增值系数Y=0.5,污泥自身氧化率05.0=d K ,代入公式得: =5395kg/d 则:湿污泥量:设污泥含水率P=99.2% 则剩余污泥量为: ⑤. 反应池主要尺寸反应池总容积:V=425263m设反应池2组,单组池容积:V =3212632m V= 有效水深5m ,则:S=V/5=4252.62m取超高为1.0m ,则反应池总高m H 0.60.10.5=+= 生化池廊道设置:设厌氧池1廊道,缺氧池1廊道,好氧池4廊道,共6条廊道。
A1/O生物脱氮工艺一、设计资料设计处理能力为日处理废水量为30000m3废水水质如下:PH值7.0~7.5 水温14~25℃BOD5=160mg/L VSS=126mg/L(VSS/TSS=0.7) TN=40mg/L NH3-N=30mg/L根据要求:出水水质如下:BOD5=20mg/L TSS=20mg/L TN 15mg/L NH3-N 8mg/L根据环保部门要求,废水处理站投产运行后排废水应达到国家标准《污水综合排放标准》GB8978-1996中规定的“二级现有”标准,即COD 120mg/l BOD 30 mg/l NH -N<20 mg/l PH=6-9 SS<30 mg/l二、污水处理工艺方案的确定城市污水用沉淀法处理一般只能去除约25~30℅的BOD5,污水中的胶体和溶解性有机物不能利用沉淀方法去除,化学方法由于药剂费用很高而且化学混凝去除溶解性有机物的效果不好而不宜采用。
采用生物处理法是去除废水中有机物的最经济最有效的选择。
废水中的氮一般以有机氮、氨氮、亚硝酸盐氮和硝酸盐氮等四种形态存在。
生活污水中氮的主要存在形态是有机氮和氨氮。
其中有机氮占生活污水含氮量的40%~60%,氨氮占50%~60%,亚硝酸盐氮和硝酸盐氮仅占0%~5%。
废水生物脱氮的基本原理是在传统二级生物处理中,将有机氮转化为氨氮的基础上,通过硝化和反硝化菌的作用,将氨氮通过硝化转化为亚硝态氮、硝态氮,再通过反硝化作用将硝态氮转化为氮气,而达到从废水中脱氮的目的。
废水的生物脱氮处理过程,实际上是将氮在自然界中循环的基本原理应用与废水生物处理,并借助于不同微生物的共同协调作用以及合理的认为运用控制,并将生物去碳过程中转化而产生及原废水中存在的氨氮转化为氮气而从废水中脱除的过程。
在废水的生物脱氮处理过程中,首先在好氧(oxic)条件下,通过好氧硝化的作用,将废水中的氨氮氧化为亚硝酸盐氮;然后在缺氧(Anoxic)条件下,利用反硝化菌(脱氮菌)将亚硝酸盐和硝酸盐还原为氮气(N2)而从废水中逸出。
1、缺氧池、好氧池(曝气池)的设计计算: (1)、设计水量的计算由于硝化和反硝化的污泥龄和水力停留时间都较长,设计水量应按照最高日流量计算。
Q K Q •=式中:Q ——设计水量,m 3/d ; Q ——日平均水量,m 3/d ;K ——变化系数;(2)、确定设计污泥龄C θ需反硝化的硝态氮浓度为e e 0-)S -.05(S 0-N N N O =式中:N ——进水总氮浓度,mg/L ;0S ——进水BOD 值【1】,mg/L ; e S ——出水BOD 值,mg/L ; e N ——出水总氮浓度,mg/L ;反硝化速率计算S N K Ode =计算出de K 值后查下表选取相应的V V D /值,再查下表取得C θ值。
反硝化设计参数表(T=10~12℃)(3)、计算污泥产率系数Y【2】]072.1θ17.01072.1θ102.0-6.075.0[)15-()15-(00T C T C S X K Y •+•+=式中:Y ——污泥产率系数,kgSS/kgBOD ;K ——修正系数,取9.0=K ;0X ——进水SS 值mg/L;T ——设计水温,与污泥龄计算取相同数值。
然后按下式进行污泥负荷核算:)-(θ00e C S S S Y S L •=式中:S L ——污泥负荷,我国规范推荐取值范围为0.2~0.4kgBOD/(kgMLSS •d)。
活性污泥工艺的最小污泥龄和建议污泥龄表(T=10℃)【3】单位:d(4)、确定MLSS(X)MLSS(X)取值通过查下表可得。
反应池MLSS 取值范围取定MLSS(X)值后,应用污泥回流比R 反复核算XX XR R -=310007.0E R t SVIX ו= 式中:R ——污泥回流比,不大于150%;E t ——浓缩时间,其取值参见下表。
浓缩时间取值范围(5)、计算反应池容积XS S Y Q V e C 1000)-(θ240=计算出反应池容积V 后,即可根据V V D /的比值分别计算出缺氧反应池和好氧反应池的容积。
AO工艺设计计算公式A/O工艺设计参数在A/O工艺的设计中,需要考虑以下参数:1.水力停留时间:硝化不少于5-6小时,反硝化不超过2小时,A段:O段=1:3.2.污泥回流比:50-100%。
3.混合液回流比:300-400%。
4.反硝化段碳/氮比:BOD5/TN>4,理论BOD消耗量为1.72gBOD/gNOx--N。
5.硝化段的TKN/MLSS负荷率(单位活性污泥浓度单位时间内所能硝化的凯氏氮):<0.05KgTKN/KgMLSS·d。
6.硝化段污泥负荷率:BOD5/MLSS<0.18KgBOD5/KgMLSS·d。
7.混合液浓度x=3000-4000mg/L(MLSS)。
8.溶解氧:A段DO2-4mg/L。
9.pH值:A段pH=6.5-7.5,O段pH=7.0-8.0.10.水温:硝化20-30℃,反硝化20-30℃。
11.碱度:硝化反应氧化1gNH4+-N需氧4.57g,消耗碱度7.1g(以CaCO3计)。
反硝化反应还原1gNO3--N将放出2.6g 氧,生成3.75g碱度(以CaCO3计)。
12.需氧量Ro:单位时间内曝气池活性污泥微生物代谢所需的氧量称为需氧量(KgO2/h)。
微生物分解有机物需消耗溶解氧,而微生物自身代谢也需消耗溶解氧,所以Ro应包括这三部分。
Ro=a’QSr+b’VX+4.6Nr。
其中,a’为平均转化1Kg的BOD的需氧量KgO2/KgBOD,b’为微生物(以VSS计)自身氧化(代谢)所需氧量KgO2/KgVSS·d。
13.Nr为被硝化的氨量,kd/d4.6为1kgNH3-N转化成NO3-所需的氧量(KgO2)。
对于不同类型的污水,其a’和b’值也有所不同。
最后,还需要考虑供氧量的问题。
由于充氧与水温、气压、水深等因素有关,因此氧转移系数应作修正。
ρ表示所在地区实际压力(Pa)与标准大气压下Cs值的比值。
公式为ρ=实际Cs值/(Pa)=所在地区实际压力(Pa)/(Pa)。
1、缺氧池、好氧池(曝气池)的设计计算: (1)、设计水量的计算由于硝化和反硝化的污泥龄和水力停留时间都较长,设计水量应按照最高日流量计算。
Q=K Q式中:Q——设计水量,m3/d;Q——日平均水量,m3/d;K——变化系数;(2)、确定设计污泥龄0C需反硝化的硝态氮浓度为N O =N-0.05(S0 -S e)-N e式中:N——进水总氮浓度,mg/L;S---- 进水BOD值【1】,mg/L;S e——出水BOD值,mg/L;N e——出水总氮浓度,mg/L;反硝化速率计算K =N O de S 0计算出K“e值后查下表选取相应的V D/ V值,再查下表取得0°值。
反硝化设计参数表(T=10~12℃)式中:Y ——污泥产率系数,kgSS/kgBOD ;K ——修正系数,取K =0.9 ; x 0——进水SS 值mg/L;T ——设计水温,与污泥龄计算取相同数值。
然后按下式进行污泥负荷核算:L = -------- S -------- S e 「Y (S 0-S )式中:L S ——污泥负荷,我国规范推荐取值范围为0.2〜0.4kgBOD/(kgMLSS • d )。
XY =K [0.75 +0.6—0S0.102 e 「1.072(T -15)] 1 +0.174・1.072(T -15)C(4)、确定 MLSS(X)MLSS(X)取值通过查下表可得。
反应池MLSS 取值范围RX R - X式中:R ——污泥回流比,不大于150%;t ——浓缩时间,其取值参见下表。
E(5)、计算反应池容积V = 24Q呼(S 0 - S )1000X~一计算出反应池容积V 后,即可根据匕/V 的比值分别计算出缺氧反应池和好氧反应池 的容积。
2、厌氧池的设计计算:X =0.7R1000 ~VIT厌氧反应池的容积计算V =0.75Q (1+R ) +0.15VAD式中:V A ——厌氧反应池容积,m 3。
AO工艺设计计算公式1.焊接速度计算公式焊接速度是指焊接过程中焊接头在单位时间内移动的距离。
根据焊接速度的计算公式,可以优化焊接过程中的速度控制,以实现焊缝的质量和效率的最佳平衡。
焊接速度(mm/min)=焊接头长度(mm)/焊接时间(min)2.焊接电流计算公式焊接电流是焊接过程中产生热能的重要参数,它的选择会直接影响焊缝的质量和熔化深度。
根据焊接电流的计算公式,可以选择出适合的焊接电流,使焊缝达到最佳的力学性能。
焊接电流(A)=(0.5-1)×焊接材料的截面积(mm²)×焊接速度(mm/min)3.激光切割速度计算公式激光切割是一种高精度、高效率的切割方法,在工业制造中得到广泛应用。
根据激光切割速度的计算公式,可以选择合适的切割速度,以实现切割质量和效率的最佳平衡。
激光切割速度(mm/s)=焊接电源功率(W)/焊接材料的切割比(mm/W)4.高速铣削进给速度计算公式高速铣削是一种高效率、高精度的加工方法,在模具制造等领域广泛应用。
根据高速铣削进给速度的计算公式,可以选择适合的进给速度,以满足加工的表面粗糙度要求和加工时间的限制。
高速铣削进给速度(mm/min)=铣削切削深度(mm)×铣削切割宽度(mm)×铣削转速(r/min)5.数据传输速度计算公式数据传输速度是指在网络通信中数据传输的速率,它会直接影响网络传输的效率和稳定性。
根据数据传输速度的计算公式,可以选择适合的传输速度,以满足大数据传输和实时传输的需求。
数据传输速度(Mbps)=数据大小(MB)/传输时间(s)6.机床刚度计算公式机床刚度是机床在加工过程中承受切削力和振动的能力。
根据机床刚度的计算公式,可以选择适合的机床刚度,以实现加工精度和稳定性的最佳平衡。
机床刚度(N/mm)=切削力(N)/加工深度(mm)7.卡位力计算公式在装配和紧固等工艺过程中,卡位力是一种将工件固定在一定位置的力。
A1/O生物脱氮工艺一、设计资料设计处理能力为日处理废水量为30000m3废水水质如下:PH值7.0~7。
5 水温14~25℃BOD5=160mg/L VSS=126mg/L (VSS/TSS=0.7) TN=40mg/L NH3-N=30mg/L根据要求:出水水质如下:BOD5=20mg/L TSS=20mg/L TN 15mg/L NH3—N 8mg/L根据环保部门要求,废水处理站投产运行后排废水应达到国家标准《污水综合排放标准》GB8978—1996中规定的“二级现有”标准,即COD 120mg/l BOD 30 mg/l NH —N〈20 mg/l PH=6-9 SS<30 mg/l二、污水处理工艺方案的确定城市污水用沉淀法处理一般只能去除约25~30℅的BOD5,污水中的胶体和溶解性有机物不能利用沉淀方法去除,化学方法由于药剂费用很高而且化学混凝去除溶解性有机物的效果不好而不宜采用。
采用生物处理法是去除废水中有机物的最经济最有效的选择。
废水中的氮一般以有机氮、氨氮、亚硝酸盐氮和硝酸盐氮等四种形态存在。
生活污水中氮的主要存在形态是有机氮和氨氮。
其中有机氮占生活污水含氮量的40%~60%,氨氮占50%~60%,亚硝酸盐氮和硝酸盐氮仅占0%~5%.废水生物脱氮的基本原理是在传统二级生物处理中,将有机氮转化为氨氮的基础上,通过硝化和反硝化菌的作用,将氨氮通过硝化转化为亚硝态氮、硝态氮,再通过反硝化作用将硝态氮转化为氮气,而达到从废水中脱氮的目的。
废水的生物脱氮处理过程,实际上是将氮在自然界中循环的基本原理应用与废水生物处理,并借助于不同微生物的共同协调作用以及合理的认为运用控制,并将生物去碳过程中转化而产生及原废水中存在的氨氮转化为氮气而从废水中脱除的过程。
在废水的生物脱氮处理过程中,首先在好氧(oxic)条件下,通过好氧硝化的作用,将废水中的氨氮氧化为亚硝酸盐氮;然后在缺氧(Anoxic)条件下,利用反硝化菌(脱氮菌)将亚硝酸盐和硝酸盐还原为氮气(N2)而从废水中逸出。
A1/0生物脱氮工艺一、设计资料设计处理能力为日处理废水量为30000m3废水水质如下:PH 值7.0~7.5 水温14~25 C B0D5=160mg/LVSS=126mg/L(VSS/TSS=0.7) TN=40mg/LNH3-N=30mg/L根据要求:出水水质如下:B0D5=20mg/L TSS=20mg/L TN 15mg/L NH3-N 8mg/L根据环保部门要求,废水处理站投产运行后排废水应达到国家标准《污水综合排放标准》GB8978-1996 中规定的“二级现有”标准,即COD 120mg/l BOD 30 mg/l NH -N<20 mg/lPH=6-9 SS<30 mg/l二、污水处理工艺方案的确定城市污水用沉淀法处理一般只能去除约25~30%的BOD5污水中的胶体和溶解性有机物不能利用沉淀方法去除,化学方法由于药剂费用很高而且化学混凝去除溶解性有机物的效果不好而不宜采用。
采用生物处理法是去除废水中有机物的最经济最有效的选择。
废水中的氮一般以有机氮、氨氮、亚硝酸盐氮和硝酸盐氮等四种形态存在。
生活污水中氮的主要存在形态是有机氮和氨氮。
其中有机氮占生活污水含氮量的40%~60%氨氮占50%~60% 亚硝酸盐氮和硝酸盐氮仅占0%~5%。
废水生物脱氮的基本原理是在传统二级生物处理中,将有机氮转化为氨氮的基础上,通过硝化和反硝化菌的作用,将氨氮通过硝化转化为亚硝态氮、硝态氮,再通过反硝化作用将硝态氮转化为氮气,而达到从废水中脱氮的目的。
废水的生物脱氮处理过程,实际上是将氮在自然界中循环的基本原理应用与废水生物处理,并借助于不同微生物的共同协调作用以及合理的认为运用控制,并将生物去碳过程中转化而产生及原废水中存在的氨氮转化为氮气而从废水中脱除的过程。
在废水的生物脱氮处理过程中,首先在好氧(oxic )条件下,通过好氧硝化的作用,将废水中的氨氮氧化为亚硝酸盐氮;然后在缺氧(Anoxic )条件下,利用反硝化菌(脱氮菌)将亚硝酸盐和硝酸盐还原为氮气(N2)而从废水中逸出。
因而,废水的生物脱氮通常包括氨氮的硝化和亚硝酸盐氮及硝酸盐氮的反硝化两个阶段,只有当废水中的氨以亚硝酸盐氮和硝酸盐的形态存在时,仅需反硝化(脱氮)一个阶段.♦与传统的生物脱氮工艺相比,A/0脱氮工艺则有流程简短、工程造价低的优点。
该工艺与传统生物脱氮工艺相比的主要特点如下:①流程简单,构筑物少,大大节省了基建费用;②在原污水C/N 较高(大于4)时,不需外加碳源,以原污水中的有机物为碳源,保证了充分的反硝化,降低了运行费用;③好养池设在缺养之后,可使反硝化残留的有机物得到进一步去除,提高出水水质;④缺养池在好养池之前,一方面由于反硝化消耗了一部分碳源有机物,可减轻好养池的有机负荷,另一方面,也可以起到生物选择器的作用,有利于控制污泥膨胀;同时,反硝化过程产生的碱度也可以补偿部分硝化过程对碱度的消耗;⑤该工艺在低污泥负荷、长泥龄条件下运行,因此系统剩余污泥量少,有一定稳定性;⑥便于在常规活性污泥法基础上改造A1/O 脱氮工艺;⑦混合液回流比的大小,直接影响系统的脱氮率,一般混合液回流比取200%~500%,太高则动力消耗太大。
因此A1/O工艺脱氮率一般为70% ~80%,难于进一步提高。
三、污水处理工艺设计计算(一)、污水处理系统1 、格栅设计流量:平均日流量Qd=3000m3/d=0.35m3/s则K2=1.42最大日流量Qmax=K2Qd=0.50m3/s设计参数:格栅倾角=60 栅条间隙b=0.021m 栅条水深h=0.4m 过栅流速v=0.9m/s (1 )栅槽宽度①栅条的间隙数n 格栅设两组,按两组同时工作设计,一格停用,一格工作校核。
则n= = =31 个②栅槽宽度B栅槽宽度一般比格栅宽0.2~0.3m,取0.2m设栅条宽度S=10mm(0.01m)则栅槽宽度B=S(n-1 )+bn+0.2=0.01 (31-1)+0.021 31+0.2=1.15m(2)通过格栅的水头损失h1①进水渠道渐宽部分的L1。
设进水渠宽B仁0.85m其渐宽部分展开角1=20 进水渠道内的流速为0.77m/sL1= = =0.41m②栅槽与出水渠道连接出的渐窄部分长宽L2,mL2= = =0.21m③通过格栅的水头损失h1,mh1=h0k(k 一般采用3)h0= sin , =h1= sin k=2.42 sin60 3=0.097m (设=2.42)(3)栅后槽总高度H,m设栅前渠道超高h2=0.3mH1= h+h1+h2=0.4+0.097+0.3=0.797 〜0.8m4)栅槽总长度L1 ,m式中H1=h+h2) (5) 每日栅渣量W,m/3dw=式中,w1为栅渣量m3/10 m污水,格栅间隙为16~25mm寸w1=0.10~0.05m /10 m3 污水;格栅间隙为30~50mrfl寸,w1=0.03~0.1m3/103m3 污水本工程格栅间隙为21mm取W仁0.07m3/10m3亏水W= =2 . 1 8( m3/d) 0.2(m3/d)采用机械清渣2、提升泵站采用A1/O生物脱氮工艺方案,污水处理系统简单,污水只考虑一次提升。
污水经提升后入平流式沉砂池,然后自流通过缺养池、好养池、二沉池等。
设计流量Qmax=1800m3/h采用3台螺旋泵,单台提升流量为900m3/h。
其中两台正常工作, 一台备用。
3.平流式沉池砂(1) 沉沙池长度L,mL=vt ( 取v=0.25m/s,t=30s)则L=0.25 30=7.5m(2) 水流端面面积A,m2A= = =2m2(3) 池总宽度B,mB=nb (取n=2, b=0.6m)则B=2 0.6=1.2m(4) 有效水深h2, mh2= = =1.7m(5) 沉砂池容积v, m3V=(取x=30m3/106m3亏水,T=2d k2=1.42 )则V= =1.83m3(6) 每个沉斗砂容积V0,m3设每个分格有 2 个沉沙斗,共 4 个沉砂斗则V0= =0.46m3(7) 沉砂斗尺寸①沉砂斗上口宽a,ma= +a1 (式中h/3为斗高取h/3=0.35m, al为斗底宽取,a仁0.5m,斗壁与水平面的倾角55 ) 则a= +0.5=1.0m②沉砂斗容积V0,m3V0=h/3(2a2+2aa1+2a12)= (2 12 2 1 0.5 +2 0.5)2 =0.2m3(8) 沉砂室高度h3 ,m采用重力排沙,设池底坡度为0.06 ,坡向砂斗,沉砂室有两部分组成:一部分为沉砂斗,另一部分为沉砂池坡向沉砂斗的过滤部分,沉砂室的宽度为 2 (L2+a) +0.2L2= = =2.65mh3=h/3+0.06 L2=0.35+0.06 2.65=0.51m(9) 沉砂池总高度H,m取超高h1=0.3mH=h1+h2+h3=0.3+1.7+0.51=2.51m(10) 验算最小流速Vmin m/s 在最小流速时,只用一格工作( n1=1)Vmin= Qmin= = =0.25m3/s则Vmin= = =0.25m/s > 0.15m/s(11) 砂水分离器的选择沉砂池的沉砂经排砂装置排除的同时,往往是砂水混合体,为进一步分离出砂和水,需配套砂水分离器清除沉砂的间隔时间为2d,根据该工程的排砂量,选用一台某公司生产的螺旋水分离器。
该设备的主要技术性能参数为:进水砂水分离器的流量为1〜3L/S,容积为0.6m3,进水管直径为100mm,出水管直径为100mm配套功率为0.25KW4、A1/O 生物脱氮工艺设计计算(1) 好氧区容积V1V1= ( 取Y=0.6;Kd=0.05)①出水溶解性BOD5为使出水所含BOD5笔到20mg/L,出水溶解性BOD報度S应为:S=20- 1.42 x x TSS(1—e—kt)=20- 1.42 x 0.7 x 20x (1 —e —0.23 x 5)=6.41(mg/L)②设计污泥龄。
首先确定硝化速率(取设计pH=7.2),计算公式:—15)][ ][ ][1 —0.0833(7.2 —Ph)]—15) x=0.462x0.958x0.606=0.247(d —1)硝化反应所需的最小污泥龄= = =4 。
05(d)选用安全系数K=3;设计污泥龄=K =3X 4.05=12.2(d)③好氧区容积V1,m3V1= =7482.38(m3)⑵好氧区容积V2V2=①需还原的硝酸盐氮量。
微生物同化作用去除的总氮NW:NW=0.124 =0.124X =7.2(mg/L)被氧化的NH3-N进水总氮量—出水氨氮量—用与合成的总氮量=40—8 —7.2=24.8(mg/L)所需脱硝量=进水总氮量-出水总氮量-用与合成的总氮量=40-15-7.2=17.8(mg/L)需还原的硝酸盐氮NT=30000X 17.8 X =534(kg/d)②反硝化速率qdn.T=qdn,20 ( qdn20 取0.12kgNO - N/(kgMLVSS・ d);取 1.08。
) qdn.T=0. 12X1.0814—20=0.076(kgNO -N/(kgMLVSS)③缺氧区容积V2= =2509.4(m3)缺氧区水力停留时间t2= = =0.084(d)=2.0(h)⑶曝气池总容积V总,m3V 总=V1+V2=7482.32+2509.4=9991.78m3系统总设计泥龄二好氧池泥龄+ 缺氧池泥龄=12.2+12.2 X =16.29d⑷污泥回流比及混合液回流比①污泥回流比R。
设SVI=150,回流污泥浓度计算公式:XR= X r (r取1.2)XR= X1.2=8000mg/L混合液悬浮固体浓度X(MLSS)=4000mg/L污泥回流比R= X 100% = X 100% =100%(一般取50% ~100%)②混合液回流比R内。
混合液回流比R内取决与所要求的脱氮率。
脱氮率可用下式粗略估算:= = =62.5 %r= = =167 %〜200%⑸剩余污泥量生物污泥产量:PX= = =1523.73kg/d对存在的惰性物质和沉淀池的固体流失量可采用下式计算:PS=Q(X1-Xe) (Q 取30000m3/d)Ps=Q(X1— Xe)=30000X (0.18 —0.126 —0.02)=1020kg/d 剩余污泥量△ X=PX+PS=1523.73+1020=2543.73kg/d 去除每1kgBOD产生的干泥量===0.61kgDs/kgBOD5 ⑹反应池主要尺寸①好氧反应池。
总容积V仁7482 38m3,设反应池2组单组池容V1单===3741.19m3有效水深h=4.0m,单组有效面积S1单===935.30m3采用3廊道式,廊道宽b=6m反应池长度L仁==52m超高取1.0, 则反应池总高H=4.0+1.0=5.0m②缺氧反应池尺寸总容积V2=2509.4m3设缺氧池2组,单组池容V2单==1254.7m3有效水深h=4.1m,单组有效面积S2单===306.02m长度与好氧池宽度相同,为L=18 m池宽===17m⑺反应池进,出水计算①进水管。