全光纤偏振波分复用器
- 格式:doc
- 大小:23.50 KB
- 文档页数:2
偏振复用技术提升网络容量方法一、偏振复用技术概述偏振复用技术是一种在光通信领域广泛应用的技术手段,旨在提升光通信系统的性能。
其核心原理在于利用光的偏振特性,将不同偏振态的光信号加载不同的数据信息,然后在同一光信道中进行传输,从而实现对信道资源的高效利用。
(一)偏振复用技术的基本原理光作为一种电磁波,其电场矢量的振动方向具有特定的偏振特性。
在偏振复用技术中,通常可以将光的偏振态分为水平偏振(H)和垂直偏振(V)两种基本状态,或者其他正交的偏振态组合。
通过专门的光学器件,如偏振分束器等,可以将这两种偏振态的光信号分离并处理。
在发送端,将两路的数据流分别调制到相互正交的偏振态上,然后合并到同一根光纤中进行传输。
在接收端,再利用偏振分束器将两种偏振态的光信号分离出来,并通过相应的解调技术恢复出原始的数据信号。
这种方式相当于在同一物理信道上开辟了两个逻辑信道,从而在不增加光纤等物理资源的情况下,实现了传输容量的翻倍。
(二)偏振复用技术在网络中的应用场景1. 长途骨干网传输在长途骨干网中,数据流量巨大且对传输容量要求极高。
偏振复用技术能够充分利用光纤的带宽资源,大幅提升网络的传输容量,满足海量数据的长距离传输需求。
例如,在跨洋通信等场景中,偏振复用技术可以有效提高光纤的频谱效率,降低单位带宽成本,确保数据在长距离传输过程中的高效性和稳定性。
2. 城域网数据业务承载城域网中汇聚了多种类型的数据业务,如企业数据通信、视频传输等,业务流量呈现多样化和动态变化的特点。
偏振复用技术可以根据不同业务的需求灵活分配信道资源,实现高效的数据承载。
通过动态调整偏振态上的数据分配,可以更好地适应城域网中业务流量的潮汐变化,提高网络资源的利用率,为用户提供更优质的服务体验。
3. 数据中心互联数据中心之间需要进行大量的数据交互,包括虚拟机迁移、数据备份等业务,对网络带宽和延迟要求极为严格。
偏振复用技术可以为数据中心互联提供高带宽、低延迟的通信链路。
光纤波分复用器的作用
光纤波分复用器是一种电路元器件,它可将来自多路光纤的模拟或数字信号分
别复用成一条信号。
它是互联网领域中非常重要的仪器,它广泛应用于客户接入网、国际范围内长距离通信传输、网络交换中心等不同的系统应用环境中。
光纤波分复用器的作用是将分布式的光模拟信号或光数字信号进行波分复用,
有效地对多路信号调制格式进行复用。
它可以将一系列原始信号进行多路加工,并将其复用成一条新的信号。
此外,它还可以用于数据传输,可有效地提高传输带宽,改善电路性能,延伸传输距离,以满足不同的网络应用。
借助光纤波分复用器,企业可以实现对接入网的带宽的动态调整,高效率地实
现数据传输,并便于管理、监控和设施的维护。
由于具有无源性、噪声小、抗电磁干扰性强、耐受力大、耗电量小等特点,因此会逐渐替代传统的模拟复用技术,成为互联网应用中重要的一环。
综上所述,光纤波分复用器是互联网应用中一种重要的装备,它可以有效地复
用多路光模拟信号和光数字信号,从而有效降低系统成本,增强系统稳定性,提高系统性能。
可见,光纤波分复用器在互联网应用中起到的作用已经日益突出,未来的发展前景也很广阔。
用于波分复用的全光纤通信技术随着数据通信技术的快速发展,全光纤通信技术也迎来了蓬勃发展的新时期。
其中,用于波分复用的全光纤通信技术是目前最先进的通信技术之一。
其可以实现高速、大带宽、远距离的光纤通信,扩大了通信的覆盖范围,提升了传输速度和质量,同时也降低了通信成本。
下面我们将来详细介绍全光纤通信技术在波分复用领域的应用。
一、波分复用技术概述波分复用技术是一种基于光传输的多路复用技术,其原理是将多个不同波长的光信号利用波分复用器复用在一根光纤上,通过解复用器实现信号的分离。
它实现了在光纤传输中的高速、高带宽、长距离的通信。
波分复用技术广泛应用于光纤通信、数据中心等领域。
二、全光纤通信技术的发展随着信息交流越来越频繁,传输速率和质量也成为了数据传输的重要指标。
全光纤通信技术的发展与这种需求之间存在密切的关系。
1980年代,全光纤通信技术开始萌芽,但当时光学元件的性能不足,无法实现稳定的波分复用通信。
随着技术的不断发展,高价的光纤通信设备逐渐升级以后,全光纤通信技术逐渐普及。
到了1990年代,全光纤通信技术应用于长距离的带宽传输,并得到了广泛的应用和推广。
三、全光纤通信技术在波分复用领域的应用1.高速传输全光纤通信技术的传输速度非常快,可以用于高速的波分复用通信。
波分复用技术多路复用不同波长的光信号,使得巨量的信息可以在一根光纤里进行传输,从而实现了高速传输的效果。
2.大带宽全光纤通信技术所采用的光纤可以在较短的距离内支持更多的信号传输,从而实现了大带宽的目标。
这种技术可以满足高速传输的需求,并且具有较高的稳定性,有利于实现计算机和网络的高效交互。
3.远距离传输全光纤通信技术可以实现远距离传输,这对于大型网络通信非常有价值。
高速、大带宽数据的远距离传输,完全可以充分利用全光纤通信技术的优势。
4.降低通信成本全光纤通信技术不仅可以提供高速、大带宽、远距离的通信服务,而且可以提供较低的传输成本。
这是因为在光纤通信的结构中,只需要光学元件和纤芯,不需要电子元件,从而减少了设备的负载和设备之间的同时传输,从而降低了通信成本。
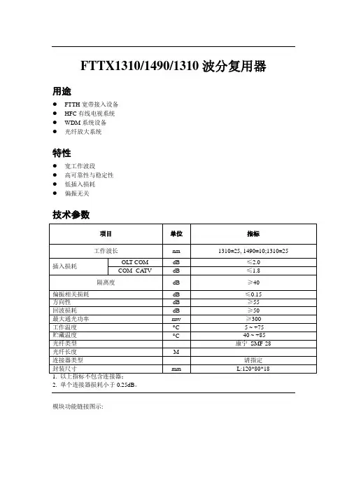
FTTX1310/1490/1310波分复用器用途●FTTH宽带接入设备●HFC有线电视系统●WDM系统设备●光纤放大系统特性●宽工作波段●高可靠性与稳定性●低插入损耗●偏振无关技术参数项目单位指标工作波长nm 1310±25, 1490±10;1310±25插入损耗OLT-COM dB ≤2.0COM -CATV dB ≤1.8 隔离度dB ≥40偏振相关损耗dB ≤0.15方向性dB ≥55回波损耗dB ≥50最大通光功率mw ≥300工作温度︒C -5 ~ +75贮藏温度︒C -40 ~ +85 光纤类型康宁SMF-28 光纤长度M连接器类型请指定封装尺寸mm L:120*80*181. 以上指标不包含连接器;2. 单个连接器损耗小于0.25dB。
模块功能链接图示:图解:模块1,2成对使用,模块1有3个端口,OLT 端口与OLT 链接,CATV 端口与发射机链接,COM 口与干线光纤链接.模块2有3个端口,COM 口与干线光纤链接,CATV 端口与CATV 接收机链接,ONU 端口与ONU 链接.整个链路插入此2模块后每路损耗会增加4dB 左右.订货信息透射波长光纤型号9=Corning SMF-28X=其它 (请指定) 尾纤类型0=250μm 裸光纤5=0.9mm 松套封装尺寸 (mm)C=φ5.5⨯33F=φ5.5⨯36 L=120x80x18X=其它 (请指定)尾纤长度05~99=0.5~9.9m 00=适配器(模块封装) X=其它 (请指定)连接器类型FP=FC/PC FA=FC/APC SP=SC/PC SA=SC/APC FU=FC/UPC TP=ST/PC TU=ST/UPC X=其它 (请指定) 0=无配置FWDM-FXOLT(1490/1310)CA TV (1310)MODU LE 1OLTCA TVMODUL E 2ONU(1310/1490CATV 接收机 (1310)CA TVCOMONU。
光信息专业实验报告:WDM光波分复用器一.实验目的1:了解WDM光波分复用器的工作原理。
2:认识WDM光波分复用器的基本参数的实际意义,分别测量合波与分波功能,学会测量插入损耗,隔离度和偏振相关损耗。
3:分析测量误差的来源。
二.实验原理1.波分复用技术的概念波分复用(WDM)是将两种或多种不同波长的光载波信号(携带各种信息)在发送端经复用器(亦称合波器,Multiplexer)汇合在一起,并耦合到光线路的同一根光纤中进行传输的技术;在接收端,经解复用器(亦称分波器或称去复用器,Demultiplexer)将各种波长的光载波分离,然后由光接收机作进一步处理以恢复原信号。
这种在同一根光纤中同时传输两个或众多不同波长光信号的技术,称为波分复用。
通信系统的设计不同,每个波长之间的间隔宽度也有不同。
按照通道间隔的不同,WDM 可以细分为CWDM(稀疏波分复用)和DWDM(密集波分复用)。
CWDM的信道间隔为20nm,而DWDM的信道间隔从0.2nm 到1.2nm,所以相对于DWDM,CWDM称为稀疏波分复用技术。
CWDM和DWDM的区别主要有二点:一是CWDM载波通道间距较宽,因此,同一根光纤上只能复用5到6个左右波长的光波,“稀疏”与“密集”称谓的差别就由此而来;二是CWDM 调制激光采用非冷却激光,而DWDM采用的是冷却激光。
冷却激光采用温度调谐,非冷却激光采用电子调谐。
由于在一个很宽的波长区段内温度分布很不均匀,因此温度调谐实现起来难度很大,成本也很高。
CWDM避开了这一难点,因而大幅降低了成本,整个CWDM 系统成本只有DWDM的30%。
CWDM是通过利用光复用器将在不同光纤中传输的波长结合到一根光纤中传输来实现。
在链路的接收端,利用解复用器将分解后的波长分别送到不同的光纤,接到不同的接收机。
2.WDM的基本原理WDM光波分复用器是使两个或两个以上波长的光信号在同一根光纤中进行传输的无源器件,一般应有分波器和合波器分置于光纤的两端。
光信息专业实验说明:波分复用器一、实验目的和内容:1.了解波分复用技术和各种波分复用器件的工作原理和制作工艺;2.认识波分复用器的基本技术参数的实际意义,学会测量插入损耗,隔离度,偏振相关损耗等;3.分析测量误差的来源。
二、实验基本原理:波分复用技术(WDM)波分复用技术就是在单一光纤内同步传输多个不同波长的光波,让数据传输速度和容量获得倍增,它能充分利用单模光纤的低损耗区的巨大带宽资源。
在发送端经复用器(亦称合波器) 将不同规定波长的光载波汇合在一起,并耦合到同一根光纤中进行传输;在接收端,经解复用器(亦称分波器)将各种波长的光载波分离,然后由光接收机作进一步处理以恢复原信号。
图1 波分复用系统图波分复用系统最大的优点是节约光纤。
它将原来需要多对光纤承载的系统复用在一对或一根光纤上传输,大大节约光纤的用量,对于租用光纤的运营商更有吸引力;其次WDM系统结合掺铒光纤放大器,大大延长了无电中继的传输距离,减少中继站的数目,节约了建设和运行维护成本;波分复用通道对数据格式是透明的,即与信号速率及电调制方式无关,可以承载多种业务,在现在多业务需求的运营环境下很有竞争力;利用WDM技术选路来实现网络交换和恢复,从而可能实现未来透明的、具有高度生存性的光网络。
根据我国实际应用情况,1310/1550nm两波复用扩容系统,980/1550nm、1480/1550nmEDFA 泵浦合波系统,1510/1550nm、1650/1550nm监控信道合波系统的使用都很广泛。
目前多波长波分复用器一般研制的产品都在1550nm区域,这是由于掺铒光纤放大器的需要,也是因为光纤在1550nm区域具有更小的损耗。
一个16路密集波分复用(D WDM)系统的16个光通路的中心频率(或中心波长),信道间隔为100GHz,0.8nm。
为了确保波分复用系统的性能,对波分复用器件提出的基本要求包括:插入损耗小,隔离度大,带内平坦,带外插入损耗变化陡峭,温度稳定性好,复用通路数多,尺寸小等。
波分复用器的作用一、引言波分复用技术是一种将多路信号通过不同波长的光纤进行传输的技术,可以实现光纤网络的高速、大容量传输。
而波分复用器则是实现波分复用技术的重要设备之一。
二、什么是波分复用器波分复用器(Wavelength Division Multiplexer,简称WDM)是一种将多路信号通过不同波长的光纤进行传输的设备。
它可以把多个不同波长的光信号合并到一个光纤中进行传输,也可以将一个光纤中的多个不同波长的光信号拆分成单独的信号输出。
同时,由于每个波长可以携带独立的信息流,在保证带宽利用率和数据传输速度的同时,还可以提高网络容量和可靠性。
三、波分复用器的作用1. 带宽利用率提高在传统通信系统中,每根光纤只能承载一个信道,因此需要铺设大量光缆才能满足通信需求。
而采用波分复用技术后,不同波长之间互相独立,可以在同一根光纤上同时传输多个信道,从而大大提高了光纤的带宽利用率。
2. 提高网络容量由于采用波分复用技术后,每个波长可以携带独立的信息流,因此可以在同一根光纤上传输多个信道,从而提高了网络的容量。
同时,随着科技的不断发展,波分复用器的通道数也在不断增加,从最初的几个通道到现在的数百个通道,进一步提高了网络容量。
3. 数据传输速度提高采用波分复用技术后,每个波长可以携带独立的信息流,在保证带宽利用率和数据传输速度的同时,还可以提高网络容量和可靠性。
因此,在同等条件下,采用波分复用技术比传统通信系统具有更快的数据传输速度。
4. 网络可靠性提高由于采用波分复用技术后,每个波长之间互相独立,在某一个信道出现故障时,并不会影响其他信道的正常运行。
因此,在保证数据传输速度和网络容量的同时,还能够提高网络的可靠性。
四、波分复用器的分类1. 分束式波分复用器(CWDM)分束式波分复用器是一种使用多个窄带滤波器将不同波长的信号分别分离出来的设备。
它通常用于较小规模的网络中,可以支持2-18个通道,适用于短距离传输。
光缆终端分线盒的波分复用与光解复用技术光缆终端分线盒是光通信网络中的一个重要组成部分,用于将光信号从光缆中分配到不同的设备或用户终端。
其中,波分复用和光解复用技术是光缆终端分线盒中常用的技术。
本文将重点介绍光缆终端分线盒的波分复用和光解复用技术及其应用。
波分复用技术是一种多路复用技术,它可以通过在光纤中同时传输多个波长的光信号,从而提高光纤传输容量。
在光缆终端分线盒中,波分复用技术通过将来自多个光纤的多个波长的光信号合并到一个光纤中,然后再将其分发给不同的设备或用户终端。
这样,可以更高效地利用光纤资源,减少光纤的使用量,提高传输带宽。
波分复用技术需要使用Mux(复用器)和Demux(解复用器)来实现。
Mux负责将不同波长的光信号合并到一根光纤中,而Demux则负责将合并后的光信号从一根光纤中提取并分发到不同的设备或用户终端。
光缆终端分线盒中的波分复用器通常使用波导或波纹光纤,这种光纤可以将不同波长的光信号有效地分离开来,从而降低光信号之间的串扰。
通过波分复用技术,光缆终端分线盒可以实现可靠的光信号传输和分发,满足不同设备或用户终端的需求。
例如,在数据中心中,波分复用技术可以将来自不同服务器的光信号合并到一根光纤中,然后分发到不同的交换机或路由器。
这样,可以减少光纤的使用量,简化网络布线,提高数据中心的传输效率。
另一种常用的技术是光解复用技术,它与波分复用技术相反,用于将光信号从一根光纤中提取出来,并将其分配给不同的设备或用户终端。
在光缆终端分线盒中,光解复用技术通过使用解复用器将合并后的光信号从一根光纤中提取并分发出去。
解复用器通常使用分束器或分光器来实现,它们可以将光信号按照不同的波长分离开来,并分发到不同的设备或用户终端。
光解复用技术可以使光缆终端分线盒实现高效的光信号分配和传输。
例如,在光纤到户(FTTH)网络中,光解复用技术可以将来自光交接箱的多个光信号提取出来,并分发给不同的用户终端。
全光纤滤波器波分复用器
罗小兵; 胡力
【期刊名称】《《电子科技大学学报》》
【年(卷),期】1991(020)002
【摘要】用简化模型分析了单模光纤横向耦合的波谱特性。
在自行设计、筹建的研制和测试系统上研制出高性能的全光纤滤波器和波分复用器。
1.3/1.55μm 波分复用器主要指标:波长隔离度分别优于20 dB 和25 dB,插损小于0.5 dB。
实用化的带通滤波器工作波长为1.3μm,带宽小于80nm,插损小于1 dB。
【总页数】7页(P204-210)
【作者】罗小兵; 胡力
【作者单位】不详
【正文语种】中文
【中图分类】TN929.11
【相关文献】
1.光纤-薄膜型粗波分复用器件制备技术研究 [J], 徐进;陈抱雪;周建忠
2.光波分复用器件和光学梳状滤波器理论及最新进展 [J], 邵永红;姜耀丽;钱龙生
3.可调谐双芯光子晶体光纤波分复用器设计 [J], 汪徐德;周正;窦德召;李素文
4.光通信技术讲座--(四):光滤波器和波分解复用器 [J], 原荣
5.基于三芯光纤的波分解复用器的研究 [J], 解清明;季敏宁;毛艳萍;刘珍
因版权原因,仅展示原文概要,查看原文内容请购买。
全光纤偏振波分复用器
陈华上海大学光纤研究所引言:全光纤型偏振分束器是以熔融拉锥技术制成的一种特殊的耦合器。
通过这一器件,能将构成基模的两个正交偏振模分离(分束),可以认为它是一个纤维型的Wollaston棱镜。
他在相干通信、高级光纤传感系统和光纤测量技术方面均有广阔的应用前景。
本文先对偏振分束器的结构及原理进行了描述与分析,进而通过对偏振分束器的偏振谱的测定与分析,最终我们发现,偏振分束器在一个较宽的波长范围内是一个极好的全光纤型偏振波分复用器。
原理:熔锥型光纤偏振分束器是以熔融拉锥的方法将两根局部裸露的光纤进行熔烧拉制所制成的熔锥型器件,该器件的结构可以用图1所示的结构来表示。
其中, P1、P2分别为输入端的光功率,P3、P4分别表示输出端的光功率。
熔锥型光纤偏振分束器耦合段的横截面为哑铃状如图2所示。
图1 偏振分束器的外形结构
图2 偏振分束器的横断面
其几何形状由2ρx和2ρy来描述。
(1)
其中
n=1.46 石英;n0=1 空气
假定偏振分束器拉细了的哑铃状耦合段中ρx=2ρy=10μm,当λ=1.3μm,其V值记作V(1.3),结果如下:
V(1.3)≈26
这样大的V值当然已不满足单模条件,这表明在拉细了的耦合段已不能区分原有的芯子和包层,因此可以说熔锥型器件是一种包层模器件。
进而考虑两个最低阶模:LP01和LP11,他们对应的传播参数为β01和β11。
由于原始的单模光纤不可能绝对圆对称,因此他们的偏振分量;。
偏振分量的功率写作, (或y)
Ci为偏振模的耦合系数
当耦合器有足够长度时,在经整数N次耦合振荡后,在某一波长λ0,有可能出现如下的情况:
(2)
即两个偏振分量恰好差了π/2。
在这种情况下则有:;
这就是说,对某一波长λ0,当两个偏振分量恰好产生π/2的相位差时,可达到最大的偏振消光比。
从而可以实现在λ0处的偏振分束。
进而我们可以推导出上述所需整数耦合振荡次数N的数学表达式:
(3)
将λ0=1.3μm的有关数值代入,得到耦合振荡次数N:
N(1.3) ≈37
再进一步可以推导出实现偏振分束所要求的耦合长度L。
经推导,最后获得下式(4)器件耦合长度:
(4)
将λ0=1.3μm的有关数值代入式(4),可得到耦合长度L:
L(1.3) ≈9mm
当然实际器件的长度,还应包括与此数值相当的锥度区长度。
实验:
1、制备
根据上述理论分析,采用熔融拉锥的方法完全可以制成实用化的偏振波分复用器。
本实验采用单色以分光光源作为注入监控光,以氢-氧焰为加热源进行熔融拉锥,整个过程通过计算机自动控制。
图3为器件拉制过程中耦合功率与拉伸长度之间的关系曲线。
在整个拉伸过程中,注入光功率的变化呈正弦振荡,且功率变化的速度随着拉伸长度的增加而越来越变快。
2、偏振谱的测定
对于全光纤偏振分束器的光谱测定与分析应该从两种状态进行测定,即以非偏振状态注入和偏振状态注入两种不同情况下,对器件的输出谱特性进行测定和分析。
对全光纤偏振分束器的应用,通常情况下人们是以非偏振状态注入,利用该器件可将构成单模的两个正交偏振模分离开来这一特性。
我们在对偏振分束器性能测定时,不仅对它在非偏振状态下的偏振特性进行测定外,主要以偏振注入的情况下,对该器件的输出偏振特性进行测量和研究,进而得出,偏振分束器除了可以被用作分束以外,还可以被用作为一种偏振波分复用器。
实验中,我们用白光经单色仪分光作为注入测量用光源,因此,波长测量范围可以从600nm-1600nm。
当某一个偏振光被注入到光纤偏振分束器时,这时偏振分束器则作为检偏器,通过调节起偏器的注入偏振光轴(00,900),我们可以获得相应的偏振输出谱的实验曲线。
图4(a)、图4(b)即是光纤偏振分束器在两个不同偏振注入状态的情况下器件的光谱特性。
从中可以看出,在从1200-1600nm相当宽的波段内,光纤偏振分束器表现出相当有规律的周期性波动,且刚好可以被认为是一个复用波长间隔约40nm的偏振波分复用器;从中我们还可以看出,在这个相当宽的波长范围内光功率的响应是呈正弦振荡,且波长隔离度大于20dB。
如果能将该器件和单模光纤窄复用波长间隔的波分复用器结合起来,这必将进一步成倍的提高和扩大信息容量。
结论:各种波分复用器都是以熔锥技术为基础而发展起来的,波分复用器目前主要用于提高单模光纤通信系统的信息容量,以及高精度的光纤传感系统中,它所起的作用只是将不同波长的光进行合束或分束,如果两个偏振态通过保偏光纤来控制,那么不同波长的偏振模式的合束则可以通过偏振波分复用器来实现。
实验结果表明,该器件完全可以被用作偏振波分复用器,从而将信息容量进一步成倍地增加。
图3 拉伸长度与功率变化
图4(a) 偏振注入0度时,两个输出端的光谱相应
图4(b) 偏振注入90度时,两个输出端的光谱相应
参考文献
[1] 魏道平等熔锥型光纤偏振分束器的一种新型制作方法铁道学报Vol. 21 No. 1 1999。