液压泵和液压马达的主要参数及计算公式
- 格式:doc
- 大小:50.50 KB
- 文档页数:2
液压泵理论功率的计算公式液压泵是液压系统中的核心元件之一,它的工作原理是通过驱动装置(通常是电机)提供动力,将液体压力能转换为机械能,从而驱动液压系统中的执行元件(液压缸、液压马达等)进行工作。
在液压系统设计和运行过程中,液压泵的理论功率计算是非常重要的一部分,它可以帮助工程师合理选择泵的型号和参数,确保液压系统的正常运行和高效工作。
液压泵的理论功率计算公式如下:P = Q × p ÷ 600。
其中,P 为液压泵的理论功率(单位为千瓦,kW);Q 为液压泵的排量(单位为立方米/秒,m³/s);p 为液体的工作压力(单位为帕斯卡,Pa);600 是一个常数,用于将单位从帕斯卡转换为千瓦。
在实际应用中,液压泵的排量和工作压力是两个非常重要的参数,它们直接影响着液压泵的理论功率。
排量是指液压泵在单位时间内输送液体的体积,通常用单位时间内液体通过泵的体积来表示,比如立方米/秒。
工作压力是指液体在液压系统中的工作压力,通常用帕斯卡来表示。
在实际工程中,我们可以通过液压泵的技术参数和工作条件来计算其理论功率。
首先,我们需要了解液压泵的排量和工作压力,这些参数通常可以从液压泵的产品手册或技术资料中获取。
其次,我们需要根据实际工作条件来确定液体的工作压力。
最后,将这些参数代入上述公式中,就可以计算出液压泵的理论功率了。
液压泵的理论功率计算对于液压系统的设计和运行非常重要。
首先,它可以帮助工程师选择合适的液压泵型号和参数,确保液压系统能够满足工作需求。
其次,它可以帮助工程师评估液压系统的能耗和效率,从而优化系统的设计和运行。
此外,通过对液压泵的理论功率进行计算和分析,还可以帮助工程师预测和评估液压系统的运行状态,及时发现和解决问题,确保系统的安全和稳定运行。
在实际工程中,液压泵的理论功率计算是一个复杂而繁琐的过程,需要考虑液压泵的多个参数和工作条件。
因此,工程师在进行计算时需要仔细核对数据,确保计算结果的准确性和可靠性。
液压泵液压马达功率计算 This model paper was revised by the Standardization Office on December 10, 2020应用:(1)已知液压泵的排量是为136毫升/120kgf/cm 2,计Q=qn=136(毫升/转)×970转/分=131920(毫升/分)=131.92(升/分)系统所需功率 考虑到泵的效率,电机功率一般为所需功率的1.05~1.25倍 N D =()N=28.5~32.4(kW )查有关电机手册,所选电机的功率为30kW 时比较适合。
(2)已知现有液压泵的排量是为136毫升/转,所配套的电机为22kW ,计算系统能达到的最高工作压力。
解:已知Q=qn=131.92(升/分),N D =22kW将公式变形考虑到泵的效率,系统能达到的最高工作压力不能超过90kgf/cm 2。
液压泵全自动测试台液压泵全自动测试台是根据各国对液压泵出厂试验的标准设计制造,可测试液压叶片泵(单联泵、双联泵、多联泵)、齿轮泵、柱塞泵等的动静态性能。
测试范围、测试项目、测试要求符合JB/T7039-2006、JB/T7041-2006、JB/T7043-2006等有关国家标准,试验测试和控制精度:B 或C 级。
液压泵全自动测试台是液压泵生产和维修企业的最重要检测设备。
液压泵全自动测试台:主要由驱动电动机、控制和测试阀组、检测计量装置、油箱冷却、数据处理和记录输出部分等组成,驱动电动机选用了先进的变频电机,转速可在0—3000rpm 内进行无级调速,满足各类不同转速的液压泵的试验条件,也可测试各类液压泵在不同转速下的性能指标。
控制阀选用了目前先进的比例控制装置,同时配置手动控制装置,因此测试时可以采用计算机自动控制和检测,也可以切换为手动控制和检测。
压力、流量、转速和扭矩的测量采用数字和模拟两种方法,数字便于用计算机采集、整理和记录,模拟便于现场观察控制。
液压系统泵马达计算公式液压系统中,泵和马达是关键组件,用于产生和传递液压能。
在设计和分析液压系统时,需要计算泵的流量和压力以及马达的扭矩和转速等参数。
在本文中,将介绍液压系统中泵和马达的计算公式,并提供一些常见的应用示例。
一、泵的计算公式1.流量计算公式:液压泵的流量指的是单位时间内从泵中排出的液体体积。
根据流速传递公式,液压泵的流量可以用以下公式计算:Q=(n*D*V)/1000其中,Q表示泵的流量(L/min),n表示泵的转速(rpm),D表示泵的排量(cm³/rev),V表示泵的工作压力(MPa)。
2.压力计算公式:液压泵的压力指的是泵能够提供的最大工作压力。
根据功率公式,液压泵的压力可以用以下公式计算:P=(Q*ΔP)/600其中,P表示泵的压力(kW),Q表示泵的流量(L/min),ΔP表示泵的工作压力差(MPa)。
3.功率计算公式:液压泵的功率指的是泵在工作过程中所产生的功率。
根据功率公式,液压泵的功率可以用以下公式计算:P=(Pw*Q)/600其中,P表示泵的功率(kW),Pw表示泵的平均效率(%),Q表示泵的流量(L/min)。
二、马达的计算公式1.扭矩计算公式:液压马达的扭矩指的是驱动负载旋转的力矩。
根据扭矩公式,液压马达的扭矩可以用以下公式计算:T=9550*P/n其中,T表示马达的扭矩(Nm),P表示马达的功率(kW),n表示马达的转速(rpm)。
2.转速计算公式:液压马达的转速指的是马达的输出转速。
根据转速公式,液压马达的转速可以用以下公式计算:n=(1000*Q)/(D*V)其中,n表示马达的转速(rpm),Q表示马达的流量(L/min),D 表示马达的排量(cm³/rev),V表示马达的工作压力(MPa)。
3.功率计算公式:液压马达的功率指的是马达在工作过程中所产生的功率。
根据功率公式,液压马达的功率可以用以下公式计算:P=(T*n)/9550其中,P表示马达的功率(kW),T表示马达的扭矩(Nm),n表示马达的转速(rpm)。
液压泵和液压马达的主要参数及计算公式液压泵和液压马达是液压系统中的核心部件。
液压泵负责将液压油从储油器中吸入并提供给液压系统,液压马达通过接收液压系统提供的液压油来驱动执行机构,完成所需的工作。
以下是液压泵和液压马达的主要参数及计算公式。
一、液压泵的主要参数及计算公式:1.流量(Q):液压泵的输出流量,通常以升/分钟或立方米/小时为单位。
计算公式为:Q=V*n其中,Q为流量,V为排量,n为转速。
2.排量(V):液压泵每转一圈提供的油液体积。
计算公式为:V=A*L其中,A为泵的活塞面积,L为活塞行程。
3.转速(n):液压泵每分钟转动的圈数。
4.输出压力(P):液压泵提供的最大工作压力。
单位通常为兆帕(MPa)。
5.效率(η):液压泵的输出功率与输入功率之比。
其中,P为液压泵的工作压力,Q为液压泵的流量,P0为液压泵的输入功率。
二、液压马达的主要参数及计算公式:1.转速(n):液压马达的输出转速。
2.扭矩(T):液压马达的输出扭矩。
计算公式为:T=P*V/1000其中,T为扭矩,P为液压马达的工作压力,V为液压马达的排量。
3.输出功率(P):液压马达的输出功率。
计算公式为:P=T*n/1000其中,P为输出功率,T为扭矩,n为转速。
4.效率(η):液压马达的输出功率与输入功率之比。
η=(P*1000)/(P0*n)其中,P为输出功率,P0为输入功率,n为转速。
以上是液压泵和液压马达的主要参数及计算公式。
根据这些参数,我们可以根据液压系统的需求选择适合的液压泵和液压马达,以确保系统的工作效率和性能。
液压泵液压缸液压马达的型及参数以及精选文档TTMS system office room 【TTMS16H-TTMS2A-TTMS8Q8-液压、气动一、液压传动1、理解:液压传动是以流体为工作介质进行能量传递的传动方式。
2、组成原件1、把机械能变换为液体(主要是油)能量(主要是压力能)的液压泵2 、调节、控制压力能的液压控制阀3、把压力能转换为机械能的液压执行器(液压马达、液压缸、液压摆动马达)4 、传递压力能和液体本身调整所必需的液压辅件液压系统的形式3、部分元件规格及参数(1)液压泵液压泵是液压系统的动力元件,是靠发动机或电动机驱动,从液压油箱中吸入油液,形成压力油排出,送到执行元件的一种元件。
分类:齿轮泵:体积较小,结构较简单,对油的清洁度要求不严,价格较便宜;但泵轴受不平衡力,磨损严重,泄漏较大。
叶片泵:分为双作用叶片泵和单作用叶片泵。
这种泵流量均匀、运转平稳、噪音小、作压力和容积效率比齿轮泵高、结构比齿轮泵复杂。
柱塞泵:容积效率高、泄漏小、可在高压下工作、大多用於大功率液压系统;但结构复杂,材料和加工精度要求高、价格贵、对油的清洁度要求高。
一般在齿轮泵和叶片泵不能满足要求时才用柱塞泵。
还有一些其他形式的液压泵,如螺杆泵等,但应用不如上述3种普遍。
适用工况和应用举例【KCB/2CY型齿轮油泵】工作原理:2CY、KCB齿轮式输油泵在泵体中装有一对回转齿轮,一个主动,一个被动,依靠两齿轮的相互啮合,把泵内的整个工作腔分两个独立的部分。
A为入吸腔,B为排出腔。
泵运转时主动齿轮带动被动齿轮旋转,当齿化从啮合到脱开时在吸入侧(A)就形成局部真空,液体被吸入。
被吸入的液体充满齿轮的各个齿谷而带到排出侧(B),齿轮进入啮合时液体被挤出,形成高压液体并经泵的排出口排出泵外。
KCB/2Y型齿轮油泵型号参数和安装尺寸如下:【KCB/2CY型齿轮油泵】性能参数:【KCB/2CY型齿轮油泵】安装尺寸图:KCB18.3~83.3与2CY1.1~5安装尺寸图KCB200~960与2CY8~150安装尺寸图双联叶片泵型号参数:双联叶片泵(两个单级泵并联组成,有多种规格)型号识别说明液压泵的主要技术参数和计算公式(2)液压马达:是把液体的压力能转换为机械能的装置分类:1、按照额定转速选择:分为高度和低速两大类,高速液压马达的基本形式有齿轮式、螺杆式、叶片式和轴向柱塞式等,高速液压马达主要具有转速较高,转动惯性小,便于启动和制动,调速和换向的灵敏度高。
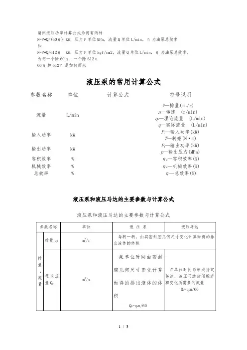
.请问液压功率计算公式为何有两种N=P*Q/(60 η ) KW,压力 P 单位 MPa,流量 Q 单位 L/min ,η为油泵总效率和N=P*Q/612 η KW ,压力 P 单位 kgf/cm2 ,流量 Q 单位 L/min ,η为油泵总效率。
为何一个除60η,一个除612η60η和 612 η是如何而来液压泵的常用计算公式参数名称单位计算公式符号说明V—排量 (mL/r)流量L/minn—转速 (r/min)q0—理论流量(L/min) q—实际流量(L/min)输入功率kW P i—输入功率 (kW) T—转矩 (N·m)输出功率kW P0—输出功率 (kW) p—输出压力 (MPa)容积效率%η0—容积效率(%)机械效率%ηm—机械效率(%)总效率%η—总效率(%)液压泵和液压马达的主要参数及计算公式液压泵和液压马达的主要参数及计算公式参数名称排量 q0排量理论流、量 Q0流量实际流量 Q额定压力压最高压力力p max工作压力 p额定转速 n转最高转速速最低转速输入功率 P t功输出功率率P0机械功率扭理论扭单位m3/rm3/sPar/minW液压泵液压马达每转一转,由其密封腔内几何尺寸变化计算而得的排出液体的体积泵单位时间内由密封腔内几何尺寸变化在单位时间内为形成指定转速,液压马达封闭腔计算而得的排出液体容积变化所需要的流量Q0=q0n/60的体积Q0=q0n/60泵工作时出口处流量马达进口处流量Q=q0nηv /60Q=q0n/60 ηv在正常工作条件下,按试验标准规定能连续运转的最高压力按试验标准规定允许短暂运行的最高压力泵工作时的压力在额定压力下,能连续长时间正常运转的最高转速在额定压力下,超过额定转速而允许短暂运行的最大转速正常运转所允许的最低同左〔马达不出现爬行转速现象〕驱动泵轴的机械功率马达入口处输出的液压功率tP =pQ/ηtP =pQ泵输出的液压功率,其马达输出轴上输出的机值为泵实际输出的实际流械功率量和压力的乘积P0=pQηP0=pQP t =πTn/30P0=πTn/30T–压力为 p 时泵的输入扭矩或马达的输出扭矩,液体压力作用下液压马矩矩实际扭矩容积效率η v效机械效率率η m总效率ηq0n单位Q换算p式P t达转子形成的扭矩液压泵输入扭矩 T液压马达轴输出的扭矩t TT t =pq0/2 πηm0T0=pq0ηm/2 π泵的实际输出流量与理马达的理论流量与实际论流量的比值流量的比值η v=Q/Q0η v=Q0/Q泵理论扭矩由压力作用于转子产生的液马达的实际扭矩与理论压扭矩与泵轴上实际扭矩之比值m00η =2πT/pq输出扭矩之比m0tη =pT /2πT泵的输出功率与输入功马达输出的机械功率与率之比输入的液压功率之比η=ηvηmη=ηvηmml/rr/minQ=q0n10-3 / ηvQ=q0nηv10-3L/minP t =pQ/60ηT0=pq0ηm/2 πMPakWT0。