消费税纳税申报
- 格式:ppt
- 大小:157.00 KB
- 文档页数:28
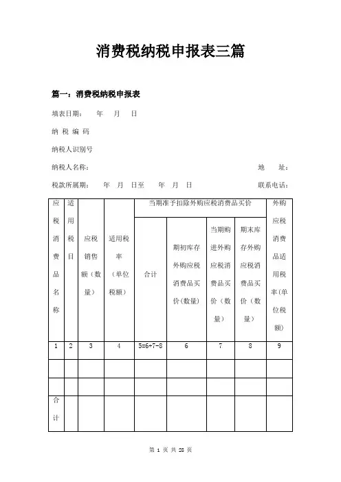
消费税纳税申报表三篇篇一:消费税纳税申报表填表日期:年月日纳税编码纳税人识别号纳税人名称:地址:税款所属期:年月日至年月日联系电话:填表说明:1、表中2栏“适用税目”必须按照《中华人民共和国消费税暂行条例》规定的税目填写。
2、第10栏,准予抵扣项目无减税优惠的按10=5*9的勾稽关系填报;准予抵扣项目有减税优惠的按10=5*9(1-减征幅度)的勾稽关系填报。
目前准予抵扣且有减税优惠的项目为石脑油、润滑油,减征幅度为70%。
3、第26栏,全额免税的应税消费品按“26=3*4”填报,减征税款的应税消费品按“26=3*4*减征幅度”填报,目前有减税优惠的项目为石脑油、润滑油、燃料油,减征幅度为70%。
4、本表一式三份,区(分)局、计征局、纳税人各一份。
篇二:其他应税消费品消费税纳税申报表税款所属期: 年 月 日 至 年 月 日 纳税人名称(公章):纳税人识别号:填表日期: 年 月 日 金额单位:元(列至角分)受理人(签章):受理日期:年月日受理税务机关(章):填表说明一、本表限化妆品、贵重首饰及珠宝玉石、鞭炮焰火、汽车轮胎、摩托车、高尔夫球及球具、高档手表、游艇、木制一次性筷子、实木地板等消费税纳税人使用。
二、本表“应税消费品名称”和“适用税率”按照以下内容填写:化妆品:30%;贵重首饰及珠宝玉石:10%;金银首饰(铂金首饰、钻石及钻石饰品):5%;鞭炮焰火:15%;汽车轮胎(除子午线轮胎外):3%;汽车轮胎(限子午线轮胎);3%(免税);摩托车(排量>250毫升):10%;摩托车(排量≤250毫升):3%;高尔夫球及球具:10%;高档手表:20%;游艇:10%;木制一次性筷子:5%;实木地板:5%。
三、本表“销售数量”为《中华人民共和国消费税暂行条例》、《中华人民共和国消费税暂行条例实施细则》及其他法规、规章规定的当期应申报缴纳消费税的应税消费品销售(不含出口免税)数量。
计量单位是:汽车轮胎为套;摩托车为辆;高档手表为只;游艇为艘;实木地板为平方米;木制一次性筷子为万双;化妆品、贵重首饰及珠宝玉石(含金银首饰、铂金首饰、钻石及钻石饰品)、鞭炮焰火、高尔夫球及球具按照纳税人实际使用的计量单位填写并在本栏中注明。
消费税纳税申报课程设计一、教学目标本课程旨在让学生掌握消费税纳税申报的基本知识和技能,能够理解和运用消费税相关政策,具备独立完成纳税申报的能力。
具体目标如下:1.知识目标:学生能够理解消费税的基本概念、税率和征收范围;掌握消费税纳税申报的流程和所需资料。
2.技能目标:学生能够运用所学知识,独立完成消费税纳税申报表的填写和审核;能够运用信息技术进行纳税申报。
3.情感态度价值观目标:学生能够认识到消费税纳税申报的重要性,增强法律意识和责任感;培养诚实守信、遵守法律法规的价值观。
二、教学内容本课程的教学内容主要包括消费税的基本概念、税率和征收范围,消费税纳税申报的流程和所需资料,以及纳税申报表的填写和审核。
具体安排如下:1.第一课时:消费税的基本概念、税率和征收范围。
2.第二课时:消费税纳税申报的流程和所需资料。
3.第三课时:纳税申报表的填写和审核。
4.第四课时:实践操作,学生独立完成消费税纳税申报。
三、教学方法本课程采用讲授法、讨论法和案例分析法相结合的教学方法,以激发学生的学习兴趣和主动性。
具体安排如下:1.讲授法:讲解消费税的基本概念、税率和征收范围,消费税纳税申报的流程和所需资料。
2.讨论法:分组讨论纳税申报表的填写和审核过程中可能遇到的问题及解决办法。
3.案例分析法:分析实际案例,让学生更好地理解消费税纳税申报的实际情况。
四、教学资源本课程所需教学资源包括教材、参考书、多媒体资料和实验设备。
具体安排如下:1.教材:选用权威、实用的消费税纳税申报教材作为主要教学资源。
2.参考书:提供相关领域的参考书籍,丰富学生的知识体系。
3.多媒体资料:制作精美的PPT,生动形象地展示消费税纳税申报的相关内容。
4.实验设备:配备计算机、投影仪等设备,保障教学活动的顺利进行。
五、教学评估本课程的评估方式包括平时表现、作业和考试,以全面客观地评估学生的学习成果。
具体安排如下:1.平时表现:通过课堂参与、提问、讨论等方式,评估学生的学习态度和理解程度。
消费税纳税申报消费税是指在商品和服务交易过程中征收的一种税收,它是按照消费者和企业在购买商品或接受服务时产生的交易金额来计征的。
每个纳税人都有义务按照相关法律法规的规定及时、准确地申报消费税。
本文将介绍消费税的纳税申报流程及注意事项。
一、登陆税务网站首先,纳税人需要登陆所在地税务局的网站,点击“税务申报”或类似选项来进入申报页面。
二、选择申报表在申报页面上,纳税人需要根据自身纳税情况选择正确的申报表格。
消费税申报表分为主表和附表,根据纳税人所在行业的不同,可能有不同的附表。
纳税人应根据自身的纳税情况,选择相应的申报表格并下载到本地计算机。
三、填写纳税申报表打开下载的申报表格,纳税人需要按照申报要求逐项填写各个栏目的内容。
在填写过程中要注意准确无误地输入相关信息,如纳税人的纳税人识别号、纳税年度、所在地等。
对于一些涉及金额的栏目,应仔细核对提供准确的数据。
如果有附表需要填写,也要按照相应的顺序填写相关内容。
四、核对和上传申报表填写完申报表格后,纳税人需要仔细核对所填信息的准确性。
确认无误后,选择“保存”并上传申报表格至税务网站。
五、缴纳税款申报表格上传成功后,系统会自动计算出纳税人应缴纳的税款金额。
纳税人可以通过银行转账、支付宝等方式缴纳税款。
需注意,缴纳税款的截止日期是在纳税申报表格上传成功后的规定时间内。
六、保存核对凭证在完成纳税申报过程后,纳税人需要及时保存相关核对凭证。
凭证包括申报表格的电子版本、税款缴纳凭证等。
这些凭证将作为日后纳税审查的依据,因此必须妥善保存。
注意事项:1. 纳税人在填写申报表格时,要仔细阅读填表说明,确保理解每一项内容的意义和填写要求。
2. 在填报金额时,要确保所填金额与相关票据一致,避免出现差错。
3. 如需填写附表,应根据要求填写相关细节,确保附表内容的准确性。
4. 在上传申报表格前,务必核对表格中的内容是否准确无误,避免因为错误导致税务申报不通过或产生其他问题。
总结:消费税纳税申报是每个纳税人应尽的义务,准确无误地申报消费税是确保税务合规的重要环节。
消费税纳税申报表填表日期:_____年_____月_____日纳税人识别号_____________________金额单位:元(列至角分)填表说明1.表中2栏,“适用税目”必须按照《中华人民共和国消费税暂行条例》规定的税目填写。
2.表第3栏“销售数量”在填写时要写清数量单位。
卷烟、雪茄烟单位为箱,烟丝、酒及酒精、汽油、柴油的单位为吨,摩托车、小汽车单位为辆,汽车轮胎单位为套。
如啤酒1(吨)。
3.表第4栏,“销售额”指不含增值税的销售额。
4.表第5、6栏,“视同销售数量”、“视同销售金额”指申报单位自产自用、用于馈赠、赞助集资、广告、样品、职工福利、奖励以及销售应税消费品向购买方收取的价外费用等方面的应税消费品的销售数量和销售额。
5.表中第7栏,“计税金额或计税数量”如果没有发生外购或委托加工准予扣除已税消费品的买价或数量。
第七栏=4+6或3+5。
6.本表第8栏,“税率%,税额”指按照《中华人民共和国消费税暂行条例》规定的“适用税目”所对应的规定“税率%税额”。
7.本表第9栏,“本期准予扣除税额”指按当期生产领用数量数的外购或委托加工收回应税消费品的已纳消费税税额。
8.本表第10栏,“本期应交税金”如果发生准予抵扣税款的行为,第10栏计算公式如表。
9.本表一式三联,第一联纳税人留存;第二联由主管税务机关留存;第三联税务机关做税收会计原始凭证。
营业税纳税申报表填表日期:______年_____月_____日纳税人识别号_____________________金额单位:元(列至角分)注:1.本表适用于营业税纳税人填报。
2.“全部收入”,系指纳税人的全部营业收入。
3.“减除项目”,系指税法规定允许从营业收入中的扣除项目的营业额。
4.“减免税项目”系指税法规定的减免税项目的营业额。
××税代扣代缴税款报告表填表日期:_______年_____月_____日金额单位:元(列至角分)注:1.除个人所得税、外商投资企业和外国企业所得税外,本报告表各税通用。
消费税申报流程详解消费税是指对某些特定消费品在销售环节征收的一种税费,旨在引导和调节市场经济中的消费行为。
为了规范纳税人对消费税的申报和缴纳流程,以保证纳税人的权益和税收的及时到账,税务部门制定了一系列的消费税申报流程。
本文将详细介绍消费税申报的具体步骤。
第一步:了解申报对象和期限首先,纳税人需要明确自己是否属于消费税的纳税对象。
消费税的纳税对象包括生产、进口、销售特定消费品的单位和个人。
其次,纳税人需要了解消费税申报的期限。
按照规定,纳税人一般每月或每季度需向税务部门申报并缴纳消费税。
第二步:准备申报所需材料在进行消费税申报前,纳税人需要准备相关的申报材料。
这些材料包括销售记录、进货记录、发票、凭证等。
销售记录是指纳税人销售特定消费品的相关数据,进货记录是指纳税人购买特定消费品的相关数据。
纳税人还需保存完整的发票和凭证,以备税务部门核查。
第三步:填写申报表格纳税人需要根据税务部门提供的申报表格填写相关信息。
申报表格一般包括销售情况、进货情况、应纳税额等内容。
纳税人应准确无误地填写相关数据,如有特殊情况需要注明说明。
第四步:自行申报或委托申报根据个体情况,纳税人可以选择自行申报消费税或委托专业机构进行申报。
自行申报的纳税人需要在申报期限内将填好的申报表格和相关材料提交至当地税务部门。
委托申报的纳税人需要按照约定将申报表格和材料提供给委托机构,由其负责向税务部门申报和缴纳消费税。
第五步:缴纳税款根据申报的数据和税率,税务部门会根据实际情况计算出纳税人应缴纳的消费税款。
纳税人在收到税务部门的通知后,需按照规定的期限将税款缴纳到指定的银行账户或通过其他指定的支付方式进行缴纳。
第六步:接受税务部门核查税务部门有权对纳税人的消费税申报进行核查。
核查的方式可以是现场查账、索要原始凭证等。
纳税人应如实提供相关信息和材料,并配合税务部门进行核查工作。
如果发现申报数据存在问题,税务部门有权对纳税人进行处罚并要求纳税人补缴欠税。
一、实训背景随着我国经济的快速发展,税收在国民经济中的地位日益重要。
消费税作为一种重要的税种,其纳税申报流程和规定日益完善。
为了使学生在学习税法课程的基础上,更好地掌握消费税的纳税申报流程和规定,提高学生的实际操作能力,我们开展了消费税实训。
二、实训目的1. 使学生了解消费税的基本概念、征收范围和税率等基本知识。
2. 使学生熟悉消费税纳税申报的流程和操作规范。
3. 提高学生的实际操作能力,为将来从事税收工作打下坚实基础。
4. 培养学生的团队协作精神,提高学生的沟通能力。
三、实训内容1. 消费税基本概念、征收范围和税率2. 消费税纳税申报流程3. 消费税纳税申报表的填写4. 消费税纳税申报软件的操作5. 消费税纳税申报案例分析四、实训过程1. 消费税基本概念、征收范围和税率在实训开始阶段,我们首先介绍了消费税的基本概念、征收范围和税率。
通过讲解,使学生了解了消费税的定义、征收对象、税率等基本知识。
2. 消费税纳税申报流程接着,我们详细讲解了消费税纳税申报的流程。
包括纳税人办理税务登记、申报纳税、缴纳税款、纳税申报表填写等环节。
3. 消费税纳税申报表的填写在了解了纳税申报流程后,我们指导学生如何填写消费税纳税申报表。
通过实际操作,使学生掌握了申报表的填写技巧。
4. 消费税纳税申报软件的操作为了提高学生的实际操作能力,我们让学生使用消费税纳税申报软件进行操作。
通过实际操作,使学生熟悉了软件的使用方法。
5. 消费税纳税申报案例分析最后,我们选取了几个具有代表性的消费税纳税申报案例,让学生进行分析。
通过分析案例,使学生进一步理解消费税纳税申报的相关知识。
五、实训成果通过本次消费税实训,学生取得了以下成果:1. 掌握了消费税的基本概念、征收范围和税率等基本知识。
2. 熟悉了消费税纳税申报的流程和操作规范。
3. 提高了实际操作能力,为将来从事税收工作打下了坚实基础。
4. 培养了团队协作精神,提高了沟通能力。
六、实训体会1. 税收工作是一项严谨、细致的工作,需要我们认真对待每一个环节。
消费税纳税申报【工作过程与岗位对照表】【知识准备】一、纳税义务发生时间消费税纳税义务发生时间分为以下几种情况:(1)纳税人销售的应税消费品,其纳税义务发生的时间为:①纳税人采取赊销和分期收款结算方式的,其纳税义务的发生时间,为销售合同规定的收款日期的当天。
②纳税人采取预收货款结算方式的,其纳税义务的发生时间,为发出应税消费品的当天。
③纳税人采取托收承付结算方式销售的应税消费品,其纳税义务的发生时间,为发出应税消费品并办妥托收手续的当天。
④纳税人采取其他结算方式的,其纳税义务的发生时间,为收讫销售款或者取得索取销售款凭据的当天。
(2)纳税人自产自用的应税消费品,其纳税义务的发生时间,为移送使用的当天。
(3)纳税人委托加工的应税消费品,其纳税义务的发生时间,为纳税人提货的当天。
(4)纳税人进口的应税消费品,其纳税义务的发生时间,为报关进口的当天。
二、纳税地点(1)纳税人销售的应税消费品及自产自用的应税消费品,除国家另有规定外,应当向纳税人机构所在地或者居住地的主管税务机关申报纳税。
纳税人总机构和分支机构不在同一县(市)的,应在生产应税消费品的分支机构所在地申报纳税。
但经国家税务总局及所属分局批准,纳税人分支机构应纳消费税,也可由总机构汇总向总机构所在地主管税务机关申报纳税。
(2)卷烟批发企业的纳税地点应在卷烟批发企业的机构所在地,总机构与分支机构不在同一地区的,由总机构申报纳税。
(3)纳税人到外县(市)销售或委托外县(市)代销自产应税消费品的,应事先向其所在地主管税务机关提出申请,并于应税消费品销售后,回纳税人核算地缴纳税款。
(4)委托加工的应税消费品,除受托方为个人外,由受托方向机构所在地或者居住地的主管税务机关报缴税款。
(5)进口的应税消费品,由进口人或由其代理人向报关地海关申报纳税。
此外,个人携带或者邮寄进境的应税消费品,连同关税由海关一并计征。
三、纳税环节(一)生产环节纳税人生产的应税消费品,由生产者于销售时纳税。
消费税申报与缴纳流程解析消费税是一种针对特定商品和服务的税收,用于调节消费行为和改善国家财政收入。
对于税务机关来说,消费税的申报和缴纳流程是非常重要的,下面将对消费税申报与缴纳流程进行详细解析。
一、消费税的基本概念和范围消费税是国家对生产经营者、进口商和特定行业单位销售确定商品和提供服务所征收的一种间接税,广泛适用于烟草、酒精、高级燃料、汽车、豪华化妆品等高消费品。
对于涉及到消费税的纳税人,按照法定规定,需要进行申报和缴纳。
二、消费税申报的要求和程序对于纳税人来说,按照税法规定,应当保持真实、准确、完整地记录、记载、保存涉及消费税的业务发生情况。
在申报过程中,纳税人需要注意以下几个方面:1.确定纳税期间:消费税的申报基本上依据纳税期间来进行,纳税期间通常为一个月,纳税人需要在每个纳税期间结束后的指定时间内进行申报。
2.填写申报表格:申报表格是纳税人向税务机关申报消费税的重要工具。
纳税人需要准确填写个人或企业的纳税人识别号码、征税办法、销售额、消费税额等信息。
3.提交申报资料:填写完申报表格后,纳税人需要将申报表格以及相关的证明文件一起提交给税务机关。
这些文件可以包括购销合同、商品价格发票、交易明细表等。
4.报税和缴款:税务机关在接收到纳税人提交的申报表格和资料后,会审核相关信息,核对数据的准确性。
如果没有问题,纳税人需要按照税务机关的要求,及时缴纳消费税。
三、消费税缴纳的方式和注意事项消费税的缴纳方式主要有以下几种:1.预缴方式:纳税人可以根据预估的销售额和征税办法,预先缴纳消费税。
预缴的消费税将作为后续纳税义务的一部分。
2.月度缴付方式:按照纳税期间进行缴纳,纳税人需要在每个纳税期间结束后的指定时间内向税务机关缴纳当期消费税。
3.购销扣税方式:符合条件的纳税人可以通过购销扣税的方式进行消费税的缴纳,在销售过程中进行税款的抵扣。
在缴纳消费税时,纳税人需要注意以下事项:1.及时申报和缴纳:纳税人需要在规定时间内完成申报和缴纳程序,逾期可能会产生滞纳金等额外费用。