项目部质量检查记录表(空白)
- 格式:doc
- 大小:16.50 KB
- 文档页数:2
项目部质量检查整改记录表背景在项目实施过程中,为了确保项目质量,项目部需要进行质量检查。
质量检查过程中,发现存在质量问题时,需要及时整改,保证项目质量达标。
为了记录质量检查和整改情况,项目部需要建立“质量检查整改记录表”。
目的这个文档的目的是记录项目部质量检查和整改情况,为项目实施提供有力的支持。
通过记录问题、原因和整改措施,可以及时发现问题并加以解决,提升项目质量。
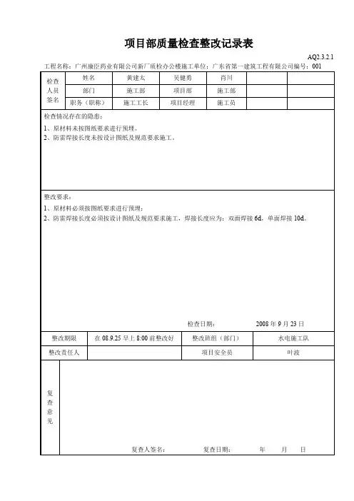
内容“质量检查整改记录表”应包含以下内容:1. 检查时间记录质量检查的时间。
2. 检查内容记录本次质量检查的内容。
3. 质量问题记录本次质量检查中发现的问题。
需要包括问题的描述、位置和影响等信息。
4. 原因分析对于每个质量问题,应进行原因分析,确定问题产生的原因。
原因分析可以采用“5W2H”方法(即What、Why、Where、When、Who、How、How much),或是其他方法。
5. 整改措施针对每个质量问题,应制定相关的整改措施,并确定责任人和整改期限。
整改措施需要具体可行,确保质量问题得到彻底解决。
6. 整改结果记录对于每个质量问题的整改结果。
确认整改措施是否到位、是否解决了质量问题。
7. 质量状态记录整改后的质量状态。
如果整改彻底,问题被解决,那么质量状态应该得到了提升。
如果存在问题未得到彻底解决,那么质量状态应该保持不变或得到下降。
使用方法在项目实施过程中,根据实际情况进行质量检查。
检查过程中,记录检查时间、内容和发现的问题等。
对于每一个问题,进行原因分析,制定可行的整改措施,并确定责任人和整改期限。
在整改完成后,记录整改结果和质量状态。
通过记录和跟踪记录表,实现对于问题的全面掌控和彻底解决,提升项目的整体质量。
总结通过建立“质量检查整改记录表”,能够全面记录质量问题、整改措施和结果,提升项目的整体质量水平。
在实际使用过程中,应严格按照要求记录和跟踪记录表,及时发现和解决问题。
质量检查记录(表格)日期: [填写日期]
项目名称: [填写项目名称]
检查人员: [填写检查人员姓名]
检查标准
检查结果
安全性
检查结果: [填写安全性检查结果] 可用性
检查结果: [填写可用性检查结果] 效率
检查结果: [填写效率检查结果] 可靠性
检查结果: [填写可靠性检查结果] 完整性
检查结果: [填写完整性检查结果]
兼容性
检查结果: [填写兼容性检查结果]
用户友好性
检查结果: [填写用户友好性检查结果]
总结
检查人员总结: [填写检查人员的总结和建议] 签名
检查人员签名: [检查人员签名]
审核人员签名: [审核人员签名]。