FANUC系统数控车操作程序
- 格式:ppt
- 大小:1.25 MB
- 文档页数:31
Fanuc数控车床操作步骤:1、开机1)打开机床电源2)打开数控系统电源;3)打开急停开关2、回零(建立机床坐标系)1) 先在手轮方式下,分别选择X轴、Z轴“-”向移动至X—200。
Z-200。
(可以按下POS 键来观察)2) 选择回参考点方式,按下“+X”、“+Z”,直到显示X0.000,Z0。
000,(指示灯亮时),表示已经完成回零操作。
3、安装工件与安装刀具1)工件要留有一定的夹持长度,其伸出长度要考虑零件的加工长度及必要的安全距离(机床已经调整为6毫米左右)。
如所要夹持部分已经经过加工,必须在外圆上包一层铜皮,以防止外圆面损伤.2)①安装前保证刀杆及刀片定位面清洁,无损伤。
②将刀杆安装在刀架上时,应保证刀杆方向正确。
③安装刀具时需注意使刀尖等高于主轴的回转中心。
④车刀不能伸出过长,一般为20-25毫米左右。
4、对刀(建立工件坐标系)特别提示:根据车刀安装,选择正反转通常将工件坐标系原点建立在工件右端面的中心,手轮方式进行对刀(车刀离工件较远时,选X100档,靠近后选择X10档)①先让主轴旋转,分别选择X轴、Z轴“—”向移动至靠近棒料右端面处;②对Z原点:分别选择X轴、Z轴并移动使刀尖轻碰右端面,并用很小的切削量切平端面后,沿+X方向退出,主轴停止。
在手动数据输入方式下,按OFFSET按钮---形状——-光标移到与程序对应的刀补号里,输入“Z0",点击“测量”;③对X原点:刀尖轻碰外圆,并用很小的切削量切一段外圆(千分尺能测量即可),然后沿+Z方向退出,主轴停止。
在手动数据输入方式下,按OFFSET按钮-—-形状———光标移到与程序对应的刀补号里,输入用千分尺测量的试切外圆的直径(如X56。
23),点击“测量”;④X方向预留加工余量:在手动数据输入方式下,按OFFSET按钮-—-磨损--—光标移到与程序对应的刀补号里,输入余量(如:X2.0),点击“输入”;则加工完后,各档外圆尺寸均比图纸尺寸大2mm.5、程序输入选择程序编制方式,按下“PRGRM"按钮,先输入文件名(必须以英文字母O开头,后面四位数字),如:O1111按INSRT键,再按EOB(;),即O1111;然后输入程序内容,每一段程序的结束符为EOB(;),再按INSRT键,一段程序输入完成……直到全部输入.6、图形模拟选择自动循环方式,按下“GRAPH”按钮,并点亮“机床锁住”和“空运行”按钮,选中程序后,循环启动,观察运动轨迹和图纸是否相同.7、粗加工选择自动循环方式,选中程序,(特别提示:点亮单段方式先来检验对刀是否正确,一般运行三段程序“如:假设毛坯直径为50mm,运行T0101;M3 S800;G0 X52。
FANUC OIT数控车床操作步骤一、开机1)按下绿色电源按钮,机床正常送电,显示屏显示界面。
2)打开红色急停按钮,使机床正常工作。
二、返回参考点操作正常开机后,旨先应完成返回参考点操作。
因为机床断电后就失去对各坐标轴位置的记忆,所以接通电源后,必须让各坐标轴返回参考点。
机床返回参考点后,要通过于动操作(JOG)方式,分别按下“方向键”中x轴负向键和z轴负向键,使刀具回到换刀位置附近。
三、车床于动操作通过数控车床面板的手动操作,可以完成主轴旋转、进给运动、刀架转位、冷却液开/关等动作,检查机床状态,保证机床正常工作。
三、安装毛坯根据加工产品要求选择合适毛坯(毛坯要留有足够的加工余量)四、刀具和工件装夹根据加工要求,合理选择加工刀具,刀具安装时,要注意刀具伸出刀架的长度。
选择合适工装夹具,完成工件的装夹,并用百分表等进行找正。
五、数据校验选择MDI方式在参数对照中对补正的磨耗和形状数据进行校验。
六、对刀手动选择各刀具,用试切法或对刀仪测量各刀的刀补,并置入程序规定的刀补单位,注意小数点和正负号。
根据加工程序需要,用G50或G54设定工件坐标系。
1)在参数对照栏中选择坐标选项依次对刀具进行对刀2)选择JOG模式通过方向Z正负方向键使刀具接触毛坯(接近毛坯时选择手轮模式,根据情况用适当的倍率接触毛坯,切勿心急损坏工件)3)使机床转动(正反转之间的切换必须经过停止)4)切削毛坯断面并记录下Z轴向的坐标5)通过方向键先少量切削X轴向外端面毛坯6)使用测量工具测量毛坯的半径并输入X半径记录X轴向坐标(测量前切记停止机床转动)七、输入工件加工程序。
选择编辑方式(EDIT)和功能键(PRoG)进入加工程序编辑画面,按照系统要求完成加工程序的输入,并检查输入无误。
详细过程:选择编辑方式-》程序-》DIR-》打工程序保护-》输入程序编号-》输入程序八、程序校验(1)选择自动运行模式,按下机床锁紧和单步运行按钮,在按下循环肩动按钮,这样可以逐步检查编辑输入的程序是否正确无误。
FANUC发那科系统数控车床的编程与操作实例FANUC发那科系统是一种广泛应用于机床行业的数控系统。
在数控车床的编程与操作方面,FANUC发那科系统具有强大的功能和灵活的编程方式,下面将通过一个实例来介绍FANUC发那科系统数控车床的编程与操作。
假设我们要加工一个简单的圆柱零件,直径为50mm,长度为100mm。
首先,我们需要进行准备工作,包括将工件夹紧在车床主轴上,并对刀具进行安装和调整。
在FANUC发那科系统中,我们可以通过编程实现自动化操作。
首先,我们需要设置零点。
在FANUC发那科系统中,零点可以通过编程设置或者手动设置。
在本例中,我们将使用编程设置零点的方式。
N10G54G92X0Z0N20T0101N30M06N40G96S200M03N50G01X50F0.3N60Z-5N70G01Z0N80G00X100N90M05N100M30上述代码说明如下:N10:设置工件坐标系,并将X和Z轴设置为零点。
N20:选择1号刀具,并将其装入刀套。
N30:刀套放置完毕,做正向旋转。
N40:设置主轴转速为200,同时使主轴正转。
N50:以0.3mm/min的进给速度,将刀具沿X轴移动到50mm处。
N60:将刀具沿Z轴移动到-5mm处。
N70:将刀具沿Z轴移动到0mm处。
N80:以快速移动速度,将刀具沿X轴移动到100mm处。
N90:停止主轴旋转。
N100:程序结束。
在上述程序中,G54是设置工件坐标系的指令,G92是设置零点坐标的指令;T0101是选择1号刀具,M06是刀具换向指令;G96是设定恒定切削进给的指令,S200是设定主轴转速,M03是主轴正转指令;G01是线性插补指令,F0.3是设定进给速度;G00是快速移动指令;M05是主轴停止指令;M30是程序结束指令。
有了上述程序,我们就可以进行加工操作了。
启动FANUC发那科系统,加载程序后,选择启动程序,数控车床将按照程序中的指令进行自动加工。
FANUC系统数控车床编程与操作FANUC系统是一种工业机器人控制系统,也是目前最常用的数控机床控制系统之一。
FANUC系统数控车床编程与操作对于车床操作员来说是一项非常重要的技能,下面将为大家详细介绍其编程和操作方面的知识。
一、FANUC系统数控车床编程1. 编程基础FANUC系统数控车床编程需要对数控机床、加工工艺、机械制图、数学知识等多方面的知识有一定的了解。
编程语言主要包括G代码和M代码,G代码用于描述加工路径和运动轨迹,M 代码用于描述加工过程中的辅助功能。
它们可以通过程序编辑器编写,最终转换成机床控制器能够识别的机器语言。
2. 编程规范在FANUC系统的数控车床编程中,需要遵守一定的编程规范,以保证程序的正确性和高效性。
下面列出一些常用的编程规范:•尽量使用标准G代码和M代码•将程序分段,每段不超过50条指令•采用子程序和循环结构,重复利用部分程序•使用变量,如(#1, #2, …)•始终在程序的开头和结尾处加上固定的代码3. 编程实例下面是一个简单的FANUC系统数控车床编程实例,它用于加工一个圆柱体:O10(圆柱加工程序)G90 G54 G17 G40 G49 G80T1 M6S1000 M3G0 X-25. Y0. Z50.G43 H1 Z5. M8G1 Z-30. F500.G2 X-25. Y0. Z-35. I25. J0. F300.G1 Z-70. F500.G2 X-25. Y0. Z-105. I25. J0. F300.G1 Z-110. F500.G0 Z50.M304. 编程工具FANUC系统数控车床编程可以使用许多工具,包括FANUC软件、CAD/CAM 软件和集成开发环境(IDE)等。
一些常见的工具包括:•FANUC编程软件:FANUC提供了许多编程软件,如FANUC Manual Guide i、FANUC Custom Macro B和FANUC Custom Macro C等。
FANUC Series 0i-TF 数控车床操作步骤1. 开电源:(急停键一定是按下的)机床侧面的开关打到ON ,开系统电源启动,初始化到系统界面显示报警后,顺时针旋转打开急停键。
2. 初始速度设置:在MDI 方式下,按下编辑区“PROG ”按钮,输入命令:O0000 ; (分号按EOB) , G98 F100 S300 M03; M05;然后光标移动最上行按下加工启动按钮,为了更清楚的观察每一行语句的运行结果,按下单段(工作状态选择)按钮。
3. 拷贝程序:插入U 盘,在“工作方式”—“编辑”方式下,按编辑区“PROG ”键,显示屏显示程序菜单,选择“目录”—“操作”—“设备”—按“→”向右的按键—“USBMEM ”—找到要拷贝的文件—“复制”—回到“设备”—“CNCMEM ”—输入与系统里不同的文件名(O 开始,后面跟4位数字键)—然后在“菜单按键区”按多几次“→”向右的按键—找到“粘贴”按键,按下“粘贴”按键,在当前的目录下找到拷贝的文件打开。
4. 刀补:在手动或者手摇轮方式下设定加工坐标系。
(用三爪夹盘将工件装夹好,注意不要使装夹工具留在卡盘上)一般设定工件右端面的旋转中心点为加工坐标系零点,对于不同的刀号,要通过对刀来确定每把刀的偏置。
<1>(开主轴)移动刀架沿端面切削——Z 轴不动,移动X 方向到安全处,停止主轴,在编辑区按“OFS SET ”(刀补)按键,按下“刀偏”——对应的刀偏号——输入Z0.0——系统电源开关急停键 菜单按键 手摇轮手摇轮的方向开关进给速度选择加工暂停加工启动主轴转速调节快速进给速度选择 XZ 轴的方向键工作状态选择工作方式选择编辑区 分号 程序按钮 刀补按钮 修改按钮插入按钮 复位按钮测量(注意:不要漏输了小数点)<2>(开主轴)移动刀架沿外圆切削——X轴不动,移动Z方向到安全处,停止主轴,测量切削处工件的直径值,按下“刀偏”——对应的刀偏号——输入X(直径值)——测量(注意:不要漏输了小数点)按上述步骤,依次设定需用到的多把车刀的偏置。
FANUC系统数控车床的编程与操作实例FANUC系统是一种广泛应用于数控机床领域的控制系统。
在数控车床中,通过FANUC系统可以实现车削、镗削、攻丝、齿轮加工等多种加工操作。
下面将以一种常见的操作实例来介绍FANUC系统数控车床的编程与操作。
假设需要在一根直径为100mm、长度为200mm的圆柱体上进行车削操作。
首先,需要在FANUC系统的编程界面中编写相应的程序。
1.在线性插补(G01)模式下,首先使用G96指令将进给速度模式调整为外径进给。
G96 S150;设置进给速度为150mm/min2.设置主轴转速为500转/分钟。
S500;设置主轴转速为5003.在编程界面中输入车削指令,并指定切入点和切出点坐标。
G01 X50 Z0; 在X=50mm,Z=0mm处开始车削4.指定车削切削速度和进给量。
F0.2;设置切削速度为0.2mm/转5.指定车削的切削深度和宽度。
G42 P1 D4 W2;设置刀具切削半径为4mm,刀具宽度为2mm6.编写车削程序,具体指定车削的路径和切削参数。
G94 G01 X200;车削到X=200mm处,即车削长度为200mmG92S5000;设定主轴转速为5000转/分钟G01 Z-10;车削深度为10mmG00 X50; 切入点坐标X=50mmG42 P2;更换刀具,设定刀具半径为2mmG01 Z-20;车削深度增加到20mmG40 G01 X200;以直径200mm为终点,车削结束G92S0;主轴停止转动M30;程序结束在编写好程序之后,就可以进行实际的操作了。
首先,需要将工件夹紧在车床上,并校准工件的初始位置。
然后,将程序通过介质(如U盘)上传到FANUC系统中。
在FANUC系统的操作界面中,可以选择编程模式,并选择上传的程序进行运行。
在运行程序之前,需要对数控车床进行准备工作,如调整刀具的切削角度和刀具的位置。
同时,需要根据工件的材质和需求,设置合适的切削速度和进给速度。
FANUC系统数控车床的编程与操作实例本文介绍了如何使用FANUC系统数控车床进行编程和操作的实例。
FANUC系统是一种常见的数控系统,广泛应用于各种机械加工领域。
了解如何使用FANUC 系统进行编程和操作,可以提高机械加工的效率和效果。
1. FANUC系统的基本概念FANUC系统是一种数控系统,它可以控制数控机床进行各种加工操作。
在使用FANUC系统进行编程和操作之前,需要先了解以下基本概念:1.1. G代码和M代码G代码是一种用于控制数控机床进行加工操作的代码。
例如,G01表示直线插补,G02表示圆弧插补,G03表示逆时针圆弧插补等等。
M代码是一种用于控制机床附件和辅助功能的代码。
例如,M03表示主轴正转,M04表示主轴反转,M05表示主轴停止等等。
1.2. 坐标系坐标系是用于确定数控机床上各部件位置和移动方向的系统。
在FANUC系统中,通常使用绝对坐标系进行编程和操作,即以机床工作台上的固定点为参照点,通过X、Y和Z三个轴向对工件进行定位。
1.3. 数控程序数控程序是一种用于控制机床进行加工操作的程序。
数控程序通常由一系列G 代码、M代码和相关参数组成,可以通过输入到机床控制器中来实现加工操作。
2. FANUC系统数控车床的编程实例下面以FANUC系统数控车床进行编程实例来介绍如何使用G代码和M代码控制机床进行加工操作。
2.1. 直线插补加工操作下面以一个简单的工件为例,介绍如何进行直线插补加工操作。
该工件的加工尺寸为10mm×10mm×10mm,材料为铝合金。
首先,需要将机床加工台上的工件放置在合适的位置并固定好。
然后,根据工件的尺寸和精度要求,确定加工路径和参数。
假设需要进行以下加工路径:1.在X轴正方向移动10mm;2.在Y轴正方向移动10mm;3.在X轴负方向移动10mm;4.在Y轴负方向移动10mm。
为了实现上述加工路径,需要使用以下G代码和M代码:G01 X10 F500 ; 在X轴正方向移动10mmG01 Y10 ; 在Y轴正方向移动10mmG01 X-10 ; 在X轴负方向移动10mmG01 Y-10 ; 在Y轴负方向移动10mmM05 ; 停止主轴上述代码中,F500表示移动速度为500mm/min。
发那科数控系统的编程与操作第⼀节指令详解⼀、FANUC系统准备功能表表4-1 FANUC 0iMATE-TB数控系统常⽤G代码(A类)⼀览表- 1 -102 - -- 1 -⼆、FANUC 0i MATE-TB编程规则1.⼩数点编程:在本系统中输⼊的任何坐标字(包括X、Z、I、K、U、W、R等)在其数值后须加⼩数点。
即X100须记作X100.0。
否则系统认为所坐标字数值为100×0.001mm=0.1mm。
2.绝对⽅式与增量⽅式:FANUC-0T数控车系统中⽤U或W表⽰增量⽅式。
在程序段出现U即表⽰X⽅向的增量值,出现W即表⽰Z⽅向的增量值。
同时允许绝对⽅式与增量混合编程。
注意与使⽤G90和G91表⽰增量的系统有所区别。
3.进给功能:系统默认进给⽅式为转进给。
4.程序名的指定:本系统程序名采⽤字母O后跟四位数字的格式。
⼦程序⽂件名遵循同样的命名规则。
通常在程序开始指定⽂件名。
程序结束须加M30或M02指令。
5.G指令简写模式:系统⽀持G指令简写模式。
三、常⽤准备功能代码详解1.直线插补(G01)格式:G01 X(U)Z(W) F说明:基本⽤法与其它各系统相同。
此处主要介绍G01指令⽤于回转体类⼯件的台阶和端⾯交接处实现⾃动倒圆⾓或直⾓。
104- -- 1 -⑴圆⾓⾃动过渡:——格式:G01 X R FG01 Z R F——说明:X 轴向Z 轴过渡倒圆(凸弧)R 值为负,Z 轴向X 轴过渡倒圆(凹弧)R 值为正。
——程序⽰例:O4001 N10 T0101N20 G0 X0 Z1. S500 M03 N30 G1Z0 F0.2 N40 G1 X20. R -5. N50 G1 Z -25. R3. N60 G1 X30.5N70 G28 X120. Z100. N80 M30⑵直⾓⾃动过渡:——程式:G01 X C FG01 Z C F——说明:倒直⾓⽤指令C ,其符号设置规则同倒圆⾓。
1.快速定位指令G00指令格式:G00 X(U)_Z(W)_;2.直线插补指令G01指令格式:G01 X(U)_Z(W)_F_;3.圆弧插补指令G02、G03(2)多重复合固定循环指令1)精加工循环指令G70在采用G71、G72、G73指令进行粗车后,用G70指令进行精车循环切削。
指令格式:G70 Pns Qnf;其中:ns为精加工程序组的第一个程序段的顺序号;nf为精加工程序组的最后一个程序段的顺序号。
2)外径、内径粗加工循环指令G71G71指令用于粗车圆柱棒料,以切除较多的加工余量。
0.2㎜)X40.0;X60.0 Z-30.0;Z-65.0;G02 X70.0 Z-70.0 R5.0;G01 X88.0;G03 X98.0 Z-75.0 R5.0;G01 Z-90.0;N20 G40 X106.0;(去刀补)G00 X150.0 Z200.0 M09;(换刀点)T0202;(换精车刀)G00 X106.0 Z5.0;(外圆精车循环点)G70 P10 Q20;G28 U0 W0 T0 M05;(X轴、Z轴回参考点)M30;如图1-71所示的螺纹曲面轴,毛坯尺寸为φ55mm×170mm,材料为45钢,无热处理要求,完成数控编程。
1.工艺路线三爪自定心夹盘夹持工件左端1)车右端面。
2)粗车外形轮廓。
3)精车外形轮廓。
4)车M20×2-6h螺纹。
5)切断。
调头,车另一端面。
2.根据要求作出解题分析图注:本节所有基点图是以刀架后置数控机床为基础建立的坐标系。
(1)基点坐标表:(2)相关计算表M20×2—6h螺纹切削参数4. 编写数控加工工序卡、刀具卡、程序卡:程序卡编制人: 年月日螺纹曲面轴零件图号13-2 数控系统主程序号T0101 ; 换1号刀M03 S500 ; 设定主轴转速,正转G00 X60 Z5 ; 到循环起点G94X0 Z1.5 F100 ; 端面切削循环Z0 ; 第二刀G00 X100 Z80; 回换刀点T0202 ; 换2号刀G00 X60 Z3 ; 到循环起点G90 X52.6 Z-133 F100 ; 外圆切削循环(精车留量0.6),G01 X54 ; 到循环起点G71 U1 R1G71 P20 Q40 U0.3W0 F100; 外圆粗车循环G01 X10 F100 ; 精加工轮廓开始,到倒角延长线处X19.1 Z-2 ; 至点2.Z-33 ; 点2至点5X30 Z-33 ; 点5至点6Z-43 ; 点6至点7G03 X42 Z-49 R6 ; 点7至点8G01 X42 Z-53 ; 点8至点9X36 Z-65 ; 点9至点10Z-73 ; 点10至点11G02 X40 Z-75 R2 ; 点11至点12G01 X44 ; 点12至点13X46 Z-76 ; 点13至点14Z-83 ; 点14至点15G02 X46 Z-113 R25 ; 点15至点16G03 X52 Z-123.28 R15 ; 点16至点.17G01 Z-133 ; 点17.至点18X55 ; 退出加工表面,粗加工轮廓结束G00X100 Z80 T0200;T0303;G00 G42 X70 Z3 ; 3号刀加入刀补G01X10 F60 精加工外轮廓X19.1 Z-2 ;Z-33;X30;Z-43;G03 X42 Z-49 R6G01 Z-53;X36 Z-65;Z-73;G02 X40 Z-75 R2 ;G01 X44 ;X46 Z-76 ;Z-83 ;G02 X46 Z-113 R25 ;G03 X52 Z-123.28 R15 ;G01 Z-133 ;X55 ;G00 G40 X100 Z80 T0300; 回换刀点,去刀补M05 ; 主轴停转T0404 ; 换4号刀M03 S200 ; 设定转速,正转G00 X30 Z5 ; 至循环起点1G92X19.2 Z-26 F2 ; 螺纹单循环,对角点1 X18.9 ; 对角点2X18.85 ; 对角点3X18.85 ; 对角点4G00 X30 Z6 ; 至循环起点2G92 19.2 Z-26 F2 ; 螺纹单循环,对角点1X18.9 ; 对角点2X18.85 ; 对角点3X18.85 ; 对角点4G00 X100 Z80 ; 回换刀点,消除刀补M30 ;主轴停、主程序结束并复位。
FANUC发那科系统数控车床的编程与操作实例首先,我们来看一个简单的编程实例。
假设我们要加工一个圆柱体,直径为100mm,高度为200mm。
我们可以使用G代码进行编程。
以下是一个用于该任务的简单编程示例:```O0001(程序编号)G54G17G40G49G80(G代码初始化设置)G90(绝对坐标编程方式)M03S1000(主轴正转,速度为1000转/分钟)G00 X-50 Z5 (定位到刀具起点,X轴位置为-50mm,Z轴位置为5mm) G01 Z-210 F200 (刀具下切,Z轴位置为-210mm,并以200mm/min的速度下切)G01 X50 (刀具横向移动,X轴位置为50mm)G01 Z5 (刀具抬起,Z轴位置为5mm)G00X0Z0(刀具迅速定位到初始位置)M05(主轴停止旋转)M30(程序结束)```以上是一个简单的数控车床编程示例,旨在展示如何使用G代码进行基本的数控车床加工操作。
编程完成后,可以将编写好的程序上传至FANUC发那科系统,并通过控制面板启动该程序进行加工。
除了编程,操作数控车床同样需要掌握一定的技巧。
下面是一个操作数控车床的实例:1.打开数控车床电源,待系统自检完成后,进入主菜单界面。
2.选择“自动模式”,进入自动操作界面。
3.弹出气囊夹紧工件,确保工件牢固固定在车床上。
4.在自动操作界面,输入程序号或选取预设程序。
5.确认所选程序后,点击“开始”按钮,系统将开始执行程序中的加工操作。
6.监视加工过程中的刀具位置,并随时检查工件是否被牢固夹住。
7.在加工结束后,关闭数控车床电源,并及时清洁和维护数控车床。
总的来说,FANUC发那科系统数控车床的编程和操作相对简单,只需要掌握一些基本的编程语法和操作步骤即可。
通过熟练掌握数控车床的编程与操作,可以实现高效、精确的加工任务。
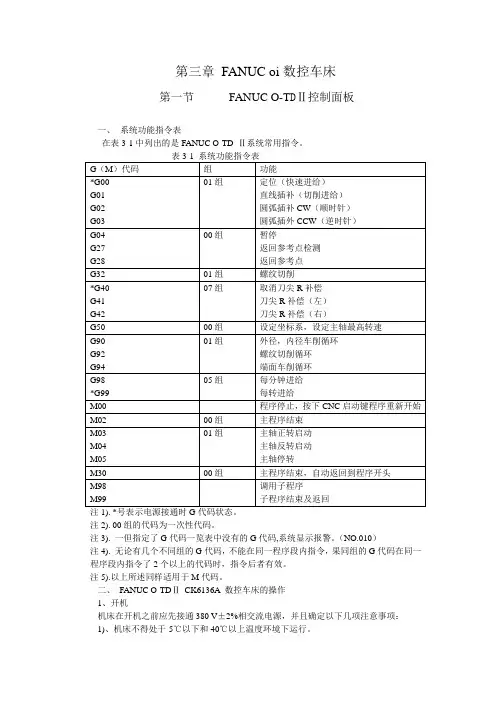
第三章FANUC oi数控车床第一节FANUC O-T DⅡ控制面板一、系统功能指令表在表3-1中列出的是FANUC O-TD Ⅱ系统常用指令。
表3-1 系统功能指令表G(M)代码组功能*G00 G01 G02 G03 01组定位(快速进给)直线插补(切削进给)圆弧插补CW(顺时针)圆弧插外CCW(逆时针)G04 G27 G28 00组暂停返回参考点检测返回参考点G32 01组螺纹切削*G40 G41 G42 07组取消刀尖R补偿刀尖R补偿(左)刀尖R补偿(右)G50 00组设定坐标系,设定主轴最高转速G90 G92 G94 01组外径,内径车削循环螺纹切削循环端面车削循环G98 *G99 05组每分钟进给每转进给M00 程序停止,按下CNC启动键程序重新开始M02 00组主程序结束M03 M04 M05 01组主轴正转启动主轴反转启动主轴停转M30 00组主程序结束,自动返回到程序开头M98 M99 调用子程序子程序结束及返回注1). *号表示电源接通时G代码状态。
注2). 00组的代码为一次性代码。
注3). 一但指定了G代码一览表中没有的G代码,系统显示报警。
(NO.010)注4). 无论有几个不同组的G代码,不能在同一程序段内指令,果同组的G代码在同一程序段内指令了2个以上的代码时,指令后者有效。
注5).以上所述同样适用于M代码。
二、FANUC O-TDⅡCK6136A 数控车床的操作1、开机机床在开机之前应先接通380 V±2%相交流电源,并且确定以下几项注意事项:1)、机床不得处于-5℃以下和40℃以上温度环境下运行。
2)、机床不得处于湿度大于75%环境下运行。
3)、机床不得在高粉尘杂质空气和含污染腐蚀的物质的[空气中运行。
确定以上几项之后,接通电源,打开机床电源开关,按下CNC启动按钮后等待系统启动正常即可对其进行操作,系统启动过程中不要碰MDI面板上的任何键。
2、熟悉机床操作面板CK6136A数控车床的操作面板由CRT/MDI面板和机床操作面板组成。
FANUC系统数控车床编程与操作一、编程相关1.编程语言FANUC系统数控车床采用的编程语言是G代码。
G代码是一种结构化的编程语言,用于描述数控机床上各种运动、速度、刀具等相关参数。
在G代码中,通常以N开头的数字表示每一行代码,例如N10表示第10行代码。
2.G代码指令-G00:快速定位,将刀具快速移动到指定位置。
-G01:线性插补,刀具按照指定的速度和路径进行直线运动。
-G02/G03:圆弧插补,刀具按照指定的速度、半径和路径进行圆弧运动。
-G20/G21:切换长度单位,G20表示英寸,G21表示毫米。
-G40/G41/G42:刀具半径补偿,G40表示关闭刀具半径补偿,G41表示左侧刀具半径补偿,G42表示右侧刀具半径补偿。
-G90/G91:切换坐标系,G90表示绝对坐标系,G91表示增量坐标系。
3.坐标系二、操作相关1.切削参数在操作FANUC系统数控车床时,需要设置切削参数,以确保切削过程的准确性和效果。
切削参数包括切削速度、进给速度、切削深度等。
根据不同的加工材料和刀具情况,需要选择合适的切削参数。
2.程序输入在FANUC系统数控车床中,输入程序有两种方式:手工输入和外部输入。
手工输入是指在数控机床的控制面板上直接输入G代码和相应的参数。
外部输入是通过外部存储器(如U盘)将程序文件导入到数控机床中。
3.程序调试与运行4.故障排除在操作FANUC系统数控车床时,可能会出现一些故障,需要进行排除。
常见的故障包括主轴故障、伺服电机故障、刀具接触传感器故障等。
在排除故障时,可以参考FANUC系统的故障诊断手册,根据报警代码和故障现象进行判断和修复。
总结本文对FANUC系统数控车床的编程与操作进行了简要的介绍。
FANUC系统数控车床是一种高精度高效率的数控设备,熟练掌握其编程与操作方法对于提高数控车床的加工效率和质量至关重要。
希望本文对读者在学习和应用FANUC系统数控车床编程与操作方面有所帮助。
F A N U C i系统数控车床的编程与操作Revised by Chen Zhen in 2021二、 FANUC 0i系统数控车床的编程与操作FANUC 0i系统面板的操作一、FANUC 0i系统面板的结构FANUC 0i系统面板的结构如图1-19所示。
主要分三部分:位于下方的机床控制和操作面板区、位于右上方MDI编辑键盘区、位于左上方的CRT屏幕显示区。
图 FANUC 0i车床标准面板1、机床控制、操作面板按钮机床控制、操作面板按钮说明见表。
表机床操作面板按钮说明下此按钮运行暂停。
按“循环启动”恢循环停止程序运行停止,在数控程序运行中,按下此按钮停止程序运行。
回原点机床处于回零模式;机床必须首先执行回零操作,然后才可以运行。
手动机床处于手动模式,可以手动连续移动。
手动脉冲机床处于手轮控制模式。
手动脉冲机床处于手轮控制模式。
X轴选择按钮在手动状态下,按下该按钮则机床移动X轴。
Z轴选择按钮在手动状态下,按下该按钮则机床移动Z轴。
正方向移动按钮手动状态下,点击该按钮系统将向所选轴正向移动。
在回零状态时,点击该按钮将所选轴回零。
负方向移动按钮手动状态下,点击该按钮系统将向所选轴负向移动。
快速按钮按下该按钮,机床处于手动快速状态。
主轴倍率选择旋钮将光标移至此旋钮上后,通过点击鼠标的左键或右键来调节主轴旋转倍率。
进给倍率调节主轴运行时的进给速度倍率。
急停按钮按下急停按钮,使机床移动立即停止,并且所有的输出如主轴的转动等都会关闭。
超程释放系统超程释放。
主轴控制按钮从左至右分别为:正转、停止、反转。
手轮显示按钮按下此按钮,则可以显示出手轮面板。
手轮面板点击按钮将显示手轮面板手轮轴选择旋钮手轮模式下,将光标移至此旋钮上后,通过点击鼠标的左键或右键来选择进给轴。
手轮进给倍率旋钮手轮模式下将光标移至此旋钮上后,通过点击鼠标的左键或右键来调节手轮步长。
X1、X10、X100分别代表移动量为、、。
手轮将光标移至此旋钮上后,通过点击鼠标的左键或右键来转动手轮。
FANUCOIT数控车床操作步骤一、开机操作步骤:1.确保车床的电源已经连接好并接通电源开关。
2.检查控制面板上的开关是否处于关闭状态。
3.打开主电源开关,等待数控系统启动。
4.检查机床各轴是否处于初始位置,并进行零点调整。
二、程序传输步骤:1.使用U盘或其他外部存储设备将需要加工的程序文件传输到数控系统。
2.在主菜单界面点击“文件管理”选项。
3.在文件管理界面点击“U盘”选项,找到需要传输的程序文件。
4.选择程序文件后,点击“复制”按钮,选择存储路径,开始传输。
1.在主菜单界面点击“产品加工”选项。
3.选择已经传输到数控系统的程序文件。
四、工艺参数设定步骤:1.在主菜单界面点击“产品加工”选项。
2.在产品加工界面点击“工艺数据”选项。
3.根据加工需要,选择相应的工艺参数进行设定。
4.完成设定后,点击“保存”按钮。
五、加工刀具设定步骤:1.在主菜单界面点击“工具管理”选项。
2.在工具管理界面点击“辅助工具”选项。
3.根据需要设定加工所需的刀具信息,如刀具编号、尺寸、长度等。
4.完成设定后,点击“保存”按钮。
六、机床坐标系设定步骤:1.在主菜单界面点击“机械坐标”选项。
2.在机械坐标界面点击“零点设定”选项。
3.按照操作提示,逐个设定机床各轴的坐标原点。
4.完成设定后,点击“保存”按钮。
七、自动加工步骤:1.在主菜单界面点击“生产加工”选项。
2.在生产加工界面选择相应的加工程序。
3.按照操作提示,设定加工起点、终点、加工深度等参数。
4.确认设置后,点击“启动”按钮,开始自动加工。
八、程序运行监控步骤:1.在主菜单界面点击“运行监控”选项。
2.在运行监控界面可以实时监测数控系统的运行状态和加工进度。
3.可以进行进一步的运行控制,如暂停、继续、停止等。
九、关机操作步骤:1.在主菜单界面点击“系统管理”选项。
2.在系统管理界面点击“关机”选项。
3.按照提示操作,关闭数控系统和机床电源。
以上就是FANUCOIT数控车床的基本操作步骤,按照上述步骤进行操作,可以实现对数控车床的控制和加工。
FANUC-0iT系统数控车床操作附录C FANUC-0iT系统数控车床操作一、记住操作面板外观及按键作用菜菜单单返继回续键键章节选择软键图C-1 BEIJING-FANUC0iMate-TB数控车床 BEIJING-FANUC-0iMate-TB车床面板如图C-1所示。
1(CRT/MDI数控系统操作面板图C-1虚线框所示BEIJING-FANUC0iMate-TB数控系统CRT/MDI操作面板,其按键说明见表C-1。
表C-1 BEIJING-FANUC0iMate-TB数控系统MDI按键说明 MDI软键功能向上翻页; 向下翻页。
光标键地址字符键。
点击键后再点击字符键,将输入右下角的字符;用“EOB”输入“;”,表示程序段结束等。
数字字符键。
点击键后再点击字符键,将输入右下角的字符。
465显示坐标值进入程序编辑和显示画面设定、显示刀具补偿值和其他数据。
系统参数的设定及显示显示各种信息用户宏画面或图形的显示字符下档切换键删除CRT最下输入行显示的最后一个字符将CRT最下输入行显示出来的数据移入到寄存器光标所在编辑单位的替换在光标后插入编辑单位删除光标所在编辑单位显示如何操作机床,可在CNC发生报警时提供报警的详细信息。
CNC复位,解除报警;当自动运行时,按此键所有运动都停止。
2(数控车床遥控操作面板图C-1除虚线框所示面板是BEIJING-FANUC0iMate-TB系统CKA6150数控车床遥控操作面板,其按键说明见表C-2。
表C-2 按键说明按钮名称功能说明数控系统电源开关启动数控系统数控系统电源开关关闭数控系统466启动:自动运行开始,系统处于“自动运行”或“MDI”位置时有效,其循环启动/停止余方式下无效。
停止:自动运行停止,进给保持。
超程解锁机床超程释放,与点动键同时按。
在手动方式下,按下此钮,系统进入快速按钮手动快速移动状态。
手动进给按钮手动进给点动。
有级调整进给速度,实际进给速度=进给倍率开关编程进给速度(F值)×倍率百分比摇手轮时:表示手轮移动倍率选钮,×1、×10、×100分别代表手轮转过一个刻度时机床的移动量为0.001mm、手轮倍率、 0.01mm、0.1mm;坐标轴增量值按键按坐标轴键时:表示增量进给,×1、×10、×100分别代表按一下坐标轴键机床的移动量为0.001mm、0.01mm、0.1mm。