导管水密性试验
- 格式:docx
- 大小:14.31 KB
- 文档页数:5
1、大体积砼:现场浇注的最小边尺寸为1~3m且必须采取措施以
避免水化热引起的温差超过25℃的混凝土称为大体积混凝土。
在P149页钻孔桩施工的质量保证措施“值班人员24h跟班……进行检查。
”后增加“每次下导管前应对导管进行水密试验,严禁用气试压,水压不应小于孔深1.3倍的压力,也不应小于导管壁和焊缝可能承受混凝土时最大压力P的1.3倍。
”
2、导管使用前应进行水密承压和接头抗拉试验,严禁用气试压。
进行水密试验的水压不应小于孔深1.3倍的压力,也不应小于导管壁和焊缝可能承受混凝土时最大压力P的1.3倍,可按下式计算:
P=γc h c-γw H w
式中:P——导管可能受到的最大内压力
γc——混凝土拌合物的容重
h c——导管内混凝土柱的最大高度,以导管全长或预计
的最大高度计
γw——井孔内水或泥浆的重度
H w——井孔内水或泥浆的深度。
1、目的
保证桥梁桩基灌注桩作业的工艺流程,不影响施工工艺。
2、要求及方法
1)导管使用前应进行水密承压和接头抗拉试验,严禁用压气试压。
2)导管技术要求灌注水下砼采用钢导管灌注,采用导管内径为25-30cm。
3)将所有导管制作应力求坚固,内壁应光滑、顺直、光洁和无局部凹凸。
各节导管内径应大小一致,偏差不大于±2mm。
4)导管在使用前和使用一个时期后,除应对其规格、质量和拼接构造进行认真地检查外,还需做拼接、水密、等试验。
5)先把导管首尾用密封扣件相连。
导管可在钻孔旁预先分段拼装,在吊放时再逐段拼装。
分段拼装时应仔细检查,变形和磨损严重的不得使用。
6)把拼装好的导管先灌入70%的水,两端封闭,一端焊输风管接头,输入计算的风压力,导管需滚动数次,经过15min不漏水即为合格。
3、计算方法
导管水密试验时的水压应不小于井孔内水深
1.5倍的压力,进行承压试验时的水压不应小于导管壁可能承受的最大内压力Pmax,Pmax可按下式计算:
Pmax=
1.5(Rc * Hcmax-Rw * Hw)
公式中:
Pmax——导管壁可能承受的最大内压力(KPa);Rc——混凝土容重(用24KN/m3),KN/m3;
1/ 2
Hcmax——导管内混凝土柱最大高度(m),以导管全长或预计的最大高度计;
Rw——钻孔内水或泥浆容重(KN/m3),泥浆容重大于12KN/m3时不宜灌注水下混凝土;
Hw——钻孔内水或泥浆xx(m)。
参照规范:
2/ 2。
导管水密性试验方案精编W O R D版IBM system office room 【A0816H-A0912AAAHH-GX8Q8-GNTHHJ8】钻孔灌注桩导管水密性试验方案一、试验目的1、检验导管是否有漏水,漏气现象,保证灌注砼质量。
2、检验导管壁及焊缝承压强度是否满足施工要求。
二、要求及方法导管施压水密性试验应采用管内注水充压的方法进行,严禁用压气施压的方法进行导管水密性试验检测。
施压步骤:1.检查每节导管有无明显孔洞,检查每节导管的密封圈完整情况,所有导管制作应力求坚固,内壁应光滑、顺直、光洁和无局部凹凸缺陷。
各节导管内径应大小一致(现场施工所用导管内径为260mm),偏差不大于±2mm。
现场发现缺少或破旧的导管,要及时拆除更换或添加,并在钢索槽中涂适当的黄油。
2.选择场地,使导管在地面上平整对接,对接时就各节导管按顺序编号(导管首尾对接顺序为4.0m/节+2.7m/节*15节=44.5m)先把导管首尾用密封扣件相连。
导管可在钻孔旁预先分段拼装,在吊放时再逐段拼装。
分段拼装时应仔细检查。
3.对导管两端安装封闭装置,封闭装置采用既有施压套。
安装时使两孔位于管道的正上方,以使注水时空气从空中溢出。
4.安装水管向导管内注水,注水至管道另一端出水时停止,并应保证导管内冲水达70%以上,方可停止。
5.将一端注水孔密封,另一端与空气压力机连接,检查导管连接处封闭端安装情况,检查合格后压风机充压,进行水密试验的水压不应小于孔内水深或泥浆深度的1.3倍压力,也不应小于导管壁和焊缝可能承受灌注混凝土时最大压力的1.3倍,保持压力15分钟。
以匡山互通式立交桥二环西路主线桥125#墩125-4#桩基础为标准做导管水密性试验,其中125#墩125-4#桩基础,桩径1.5m,护筒顶标高27.05,桩顶标高23.076m,桩底标高-19.724m,桩长42.8m,理论孔深46.774m,导管长度44.5m根据上述数据计算导管能承受的最大内压力p,可按下式计算:P=Yc*hc-Yw*Hw式中:P—导管可能受到的最大压力(KPa);Yc—混凝土拌合物的重度(取ρ=2500kg/m3);hc—导管内混凝土柱的最大高度,以导管全长计(m);Yw—桩孔内水或泥浆的容重(取ρ=1200kg/m3);Hw—桩孔内水或泥浆的深度(m)。
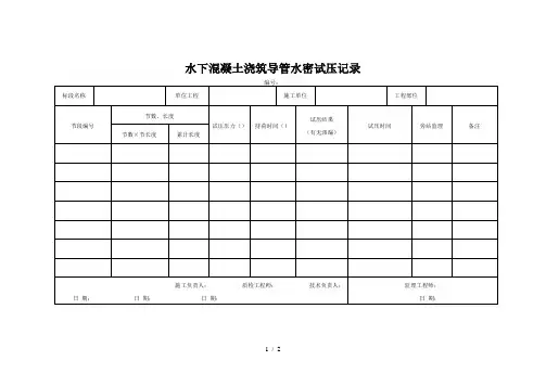
水下混凝土浇筑导管水密试压记录
1 / 2
个人收集整理-ZQ
导管试验方法及步骤
导管应进行水密、承压和接头抗拉试验.
、检查每节导管有无明显孔洞,检查每节导管地密封圈情况.如缺少或破旧不能使用,要及时拆除更换或添加,并在钢索槽中涂适当黄油.
、选择场地,使导管在地面上平整对接.对接时就各管按顺序编号.
、对导管两端安装封闭装置,封闭装置采用既有试压套.在试压封闭两端安装进水孔.安装时使两孔位于管道地正上方,以使注水时空气从孔中溢出.
、安装水管向导管内注水,注水至管道另一端出水时停止,并应保证导管内充水达以上,方可停止.
、将一端注水孔密封,另一端与空气压力机连接,检查导管连接处封闭端安装情况,检查合格后压风机充压时,保持压力分钟.检查导管接头处溢水情况,对溢水处做好记录,试压将导管翻滚º,再次加压,保持压力分钟,检查情况做好记录.
、导管水密试验时地水压应不小于井孔内水深倍地压力,进行承压试验时地水压不应大于导管壁可能承受地最大内压力,可按下式计算:
(ㄚㄚ)
式中:——导管壁可能承受地最大内压力,;
ㄚ——混凝土容重(用);
——导管内混凝土柱最大高度,采用导管全长;
ㄚ——钻孔内水或泥浆容重,泥浆容重大于时不宜灌注水下混凝土,;
——钻孔内水或泥浆深度.
2 / 2。
广州中煤江南基础工程公司南昌3号线8标
导管气密性试验方法
导管水密试验时的水压应不小于井孔内水深1.3倍的压力,进行承压试验时的水压不应小于导管壁可能承受的最大内压力Pmax,Pmax可按下式计算:Pmax=1.3(ㄚ1h1-ㄚ2h2)
式中:Pmax——导管壁可能承受的最大内压力,KPa;
ㄚ1――混凝土容重(用24KN/m3),KN/m3;
h1――导管内混凝土柱最大高度,采用导管全长,m;
ㄚ2――钻孔内水或泥浆容重,取最小值为水容重等于10KN/m3
h2――钻孔内水或泥浆深度,m。
试验方法是把拼装的导管先灌入70%的水,两端封闭,一端焊输风管接头,输入计算的风压力。
导管需滚动数次,经过15min不漏水即为合格。
计算:
Pmax=1.3(ㄚ1h1-ㄚ2h2)
=1.3×(24×27-10×25)
=1.3×398
=5.17×105Pa
=0.52MPa。
目录1. 工程概况 (1)2. 试验目的、适用范围 (2)3. 试验依据 (2)4. 试验要求及方法 (2)灌注桩导管水密性试验方案1.工程概况(1)古梅桥古梅桥与桥位处河道正交,起止点桩号分别为K0+098.309~K0+194.309,中心桩号为K0+141.309,桥梁全长86m,全宽8.5m,按单幅桥设计,上部结构采用25+30+25m预应力混凝土简支T梁,25mT梁梁高1.7m,30mT梁梁高2m,0#、3#桥台处设置F-80伸缩缝,1#、2#梁桥墩处设置桥面连续;下部结构桥墩采用主墩为圆柱型桥墩,下接桩基础,桥台采用桩接盖梁桥台。
桥梁墩台盖梁采用连续梁模型进行设计,活载分配系数采用杠杆法计算。
桥墩采用圆柱型桥墩,桥墩盖梁长8m,全宽1.9m,由于桥墩两侧跨径及T 梁梁高不同,本次设计桥墩采用高低帽设计,盖梁低侧宽1.03m,高1.6m,高侧宽0.87m,高1.9m,高低帽高度差0.3m,并考虑两侧恒、活载不同引起的桥墩受力偏心作用,本次设计桥墩顺桥向偏心8cm。
墩柱直径为Ф1.4m,桩基直径为Ф1.6m,桩基中心间距为4.6m。
系梁高1.4m,宽1.1m。
桥台采用桩基础盖梁,桩基直径为Ф1.6m,桩基中心间距为4.8m。
桥台盖梁长8.5m,高1.5m。
墩台基础均采用钻孔灌注桩基础,按摩擦桩设计,共8根。
(2)龙德-坟台公路桥龙德~坟台桥与桥位处于河道正交,起止点桩号分别为K0+101.21~K0+198.79,中心桩号为K0+150.0,桥梁全长97.58m,全宽12m,按单幅桥设计,上部结构采用3×30m预应力混凝土简支T梁,梁高2m,0#、3#桥台处设置F-80伸缩缝,1#、2#梁桥墩处设置桥面连续;下部结构桥墩采用主墩为圆柱型桥墩,下接桩基础,桥台采用桩接盖梁桥台。
①桥梁墩台盖梁采用连续梁模型进行设计,活载分配系数采用杠杆法计算。
②墩台盖梁顶底面不设置横坡,桥面横坡通过支座垫石调整。
钻孔灌注桩钻注前导管试验拼装内容
1、新导管进场必须进行气密性试验,水密性试验时的水压应不小于井坑内水深1.3倍的压力;进行承压试验时的水压不应小于导管壁可能承受的最大内压力。
试验方法:把拼装好的导管先灌入70%的水,两端封闭,一端焊输风管接头,输入计算的风压力。
导管滚动数次,经过15min不漏水即为合格。
2、下完导管后(导管底距孔底须满足20~40cm),安装上导管顶帽,用泥浆泵往导管里注入泥浆(比重小于孔内泥浆比重),进行二次清孔,直至混凝土运至现场,检查沉渣合格后才能结束。
3、混凝土到场后,测试混凝土的指标,每50m3混凝土测一次坍落度与含气量,坍落度:180~220mm,含气量:不小于2%,砼温:5~30℃,并检测下泥浆的温度;并制作混凝土试块2组,与此同时,拆除导管顶帽及顶上一节导管,进行导管内降压:将导管缓缓放下,至护筒内浆面以上3~5cm,待导管内的泥浆不再喷涌时,方为降压完成。
4、首批混凝土灌注方量须满足封底要求,第一盘须采用1.5m3容量的大料斗进行封底,首盘完毕时,应及时测量混凝土顶面高度,计算导管埋深,不得小于1m,并不宜大于3m。
5、水下混凝土应连续浇筑,中途不得停顿,混凝土的等待间隔不宜
超过30min。
浇筑过程中应用测锤及时测量孔内混凝土顶面位置,将导管埋深应控制在1.5~6m并应尽量缩短拆除导管的间断时间,每根桩的浇筑时间不应太长,宜在8h内浇筑完成。
混凝土顶面浇筑到设计桩顶标高以上1.15 m,不得超过1.4m。
水下混凝土浇筑导管水密试压记录
水下混凝土浇筑导管水密试压记录
水下混凝土浇筑导管水密试压记录
导管试验方法及步骤
导管应进行水密、承压和接头抗拉试验。
1、检查每节导管有无明显孔洞,检查每节导管的密封圈情况。
如缺少或破旧不能使用,要及时拆除更换或添加,并在钢索槽中涂适当黄油。
2、选择场地,使导管在地面上平整对接。
对接时就各管按顺序编号。
3、对导管两端安装封闭装置,封闭装置采用既有试压套。
在试压封闭两端安装进水孔。
安装时使两孔位于管道的正上方,以使注水时空气从孔中溢出。
4、安装水管向导管内注水,注水至管道另一端出水时停止,并应保证导管内充水达 70% 以上,方可停止。
5、将一端注水孔密封,另一端与空气压力机连接,检查导管连接处封闭端安装情况,检查合格后压风机充压 0.6MPa 时,保持压力 15 分钟。
检查导管接头处溢水情况,对溢水处做好记录,试压将导管翻滚 180o ,再次加压,保持压力 15 分钟,检查情况做好记录。
6、导管水密试验时的水压应不小于井孔内水深 1.3 倍的压
力 ,
进行承压试验时的水压不应大于导管壁可能承受的最大内压力Pmax , Pmax 可按下式计算:
Pmax=1.3( ㄚ cHcmax- ㄚ wHw )
式中: Pmax ——导管壁可能承受的最大内压力, KPa;
丫 c——混凝土容重(用 24KN/m3 ) ,KN/m3 ;
Hcmax ——导管内混凝土柱最大高度,采用导管全长 ,m;
丫 w --- 钻孔内水或泥浆容重,泥浆容重大于12KN/m3时不
宜灌注水下混凝土, KN/m3 ;
Hw——钻孔内水或泥浆深度 m。
1 导管水密性试验及安装1.1 导管在使用前或使用一段时间后,除应对其规格、质量和拼接构造进行认真的检查外,还需做拼装、过球和水压试验,水压试验时的压力应不小于灌注混凝土时导管可能承受的孔底静水压力的1.5倍。
导管壁可能承受的最大压力按下式计算:Pw=1.3(Yc×hc-Yw×hw)式中 Pw ——导管壁可能承受的最大压力(kg/㎡);Yc ——混凝土容重(kg/m³);Hc ——导管内混凝土柱最大高度,采用导管全长(m);Yw ——钻孔内水或泥浆比重,一般为1.0~1.25kg/㎡,大于1.25时不宜灌注水下混凝土;Hw ——钻孔内水或泥浆深度(m)。
1.2 水密试验方法是把拼装好的导管先灌满水,两端封闭,一端焊接出水管接头,另一端焊接进水管接头,并与水泵出水管相接,启动水泵给导管注入压力水,当水泵的压力表压力达到导管须承受的计算压力时,稳压15min后接头及接缝处不渗漏即为合格。
1.3 导管可在钻孔旁预先分段拼装,在吊放时在逐段拼装。
分段拼装时,应仔细检查,变形和磨损严重的不能使用。
导管内壁和法兰表面如黏附有灰浆和泥砂应擦拭干净。
1.4 导管在吊放时宜用两根钢丝绳分别系吊在最下端一节导管的两个吊耳上,并沿导管每隔6m左右用铁丝将导管和钢丝绳捆扎在一起。
导管吊放时,应使位置距孔中,轴线顺直,稳步沉放,防止卡挂钢筋骨架和碰撞孔壁。
导管上用油漆划上刻度,导管安装好后,插入孔底,然后提离孔底30㎝,检验导管实际长度。
导管下放完毕后,做提升试验,检查在导管提升过程中是否与钢筋笼相互影响,确保在混凝土浇注过程中提升导管时不会出现导管挂住钢筋笼的情况。
2 首批混凝土灌注方量计算首批混凝土的方量应能满足导管初次埋置深度大于等于1m 和填充导管底部间隙的需要,首批混凝土的数量为:12212h 4d π)H (H 4D πV ⨯⨯++⨯≥ 式中: (首批混凝土灌注数量计算示意见图5.1)V------首批混凝土所需方量(m ³);D------孔的直径(m );H 1------导管底端至钻孔底间隙,一般取0.3m ;H 2------导管初次埋置深度(m);d------导管内径;h 1------孔内混凝土面高度达到H 2时,导管内混凝土柱需要的高度(m),h 1=γω×H ω/γc ;H w ------孔内混凝土面以上; 图5.1 首批混凝土数量计算示意图 γc ------混凝土拌和物的容重(取24KN/m ³);γw ------孔内水或泥浆的容重(KN/m ³);。
钻孔灌注桩导管水密性试验方案一、工程概述本工程为_____工程,位于_____。
钻孔灌注桩作为基础承载结构,其施工质量直接关系到整个工程的安全性和稳定性。
为确保灌注桩施工中混凝土灌注的顺利进行,导管的水密性是至关重要的环节,因此需进行导管水密性试验。
二、试验目的钻孔灌注桩导管水密性试验的主要目的是检验导管在承受水压时的密封性能,确保在混凝土灌注过程中不会出现漏水现象,从而保证灌注桩的质量和施工安全。
三、试验依据1、《建筑桩基技术规范》(JGJ 94-2008)2、《公路桥涵施工技术规范》(JTG/T F50-2011)3、本工程的设计文件和施工图纸四、试验准备1、试验设备(1)试压泵:选用额定压力不小于导管最大工作压力的 15 倍,且能保持稳定压力的试压泵。
(2)压力表:精度不低于15 级,量程为试验压力的15 倍至2 倍。
(3)连接管件:用于连接试压泵、导管和压力表等设备。
2、试验材料(1)水:清洁的自来水或符合要求的施工用水。
3、导管准备(1)选用符合设计要求和施工规范的导管,导管的直径、壁厚和长度应符合施工要求。
(2)对导管进行外观检查,确保导管无变形、裂缝、孔洞等缺陷。
(3)对导管的连接部位进行检查,确保连接牢固、密封良好。
五、试验步骤1、安装导管将导管按照施工要求进行组装,连接牢固,确保连接处密封良好。
2、封闭导管一端使用封头或堵板将导管的一端封闭严密,不得有漏水现象。
3、注水通过试压泵向导管内注水,直至导管内充满水,排除导管内的空气。
4、加压启动试压泵,缓慢增加压力,直至达到试验压力。
试验压力一般为导管可能承受的最大内压力的 13 倍。
5、稳压保持试验压力不变,稳压时间不少于 15 分钟。
6、检查在稳压期间,检查导管的各个连接部位和封头处是否有漏水现象。
观察压力表的读数是否稳定,如有压力下降,应查明原因并及时处理。
7、记录在试验过程中,应详细记录试验压力、稳压时间、漏水情况等数据。
六、试验结果判定1、如在稳压期间,导管无漏水现象,且压力表的读数稳定,试验压力未下降,则判定导管水密性合格。
简述水下混凝土的浇筑工艺流程水下混凝土浇筑最常用的方法是导管法,其工艺流程大致如下:1.导管水密性试验及安装:导管使用前需检查是否漏气、漏水、变形,接头连接要牢固可靠。
一般导管内径为20~35mm,每节长2~3m,配1~2节1~1.5m的短管。
导管下端至孔底一般为25~35cm,首次灌注导管的埋置深度应不小于1m。
使用前需定期(一般每半个月)进行水密性试验,试验水压不应小于孔内水深1.3倍的压力,也不应小于导管壁和焊缝可能承受灌注砼时最大内压力p的1.3倍。
2.二次清孔:检查孔内泥浆相对密度、含砂率以及沉渣厚度等是否符合要求,必要时进行二次清孔,以确保孔底干净。
3.混凝土现场检测:检测混凝土的坍落度、和易性等指标,确保其符合水下浇筑的要求。
混凝土进入导管的坍落度一般为18~25cm,桩径小、桩身短的取低限,反之取高限。
首批灌注的混凝土初凝时间不得早于灌注桩全部混凝土灌注完成的时间,灌注需要较长时间时可加入混凝剂,减缓初凝时间。
4.首批混凝土灌注:计算并控制首批封底混凝土的数量,下落时需有一定的冲击能量,能把泥浆从导管中排出,并能把导管下口埋入混凝土不小于1m深,以冲开桩底沉渣。
5.灌注混凝土:首批混凝土灌注成功后,应连续进行灌注,灌注过程中要注意观察管内混凝土下降和孔内水位升降情况,及时测量孔内混凝土面高度,正确指挥导管的提升和拆除。
导管的埋置深度应控制在2~6m,同时应经常测探孔内混凝土面的位置,即时调整导管埋深。
6.导管和导管随混凝土灌注进程的提拔、拆卸:应根据混凝土的浇筑高度,适时提升和拆卸导管,保证导管埋深在合适范围内。
提拔导管时要注意避免挂住钢筋笼。
7.清卸:浇筑完成后,清理和拆卸导管等设备。
8.埋深控制:在整个浇筑过程中,严格控制导管的埋深,防止埋深过浅导致导管提漏或埋管过深难以拔出。
9.声测管检查:如有设置声测管,需对其进行检查,确保其完好无损。
10.填写灌注作业记录:记录灌注过程中的各项数据和情况,包括混凝土用量、导管埋深、灌注时间等。
水下混凝土浇筑导管水密试压记录
水下混凝土浇筑导管水密试压记录
水下混凝土浇筑导管水密试压记录
导管试验方法及步骤
导管应进行水密、承压和接头抗拉试验。
1、检查每节导管有无明显孔洞,检查每节导管的密封圈情况。
如缺少或破旧不能使用,要及时拆除更换或添加,并在钢索槽中涂适当黄油。
2、选择场地,使导管在地面上平整对接。
对接时就各管按顺序编号。
3、对导管两端安装封闭装置,封闭装置采用既有试压套。
在试压封闭两端安装进水孔。
安装时使两孔位于管道的正上方,以使注水时空气从孔中溢出。
4、安装水管向导管内注水,注水至管道另一端出水时停止,并应保证导管内充水达70%以上,方可停止。
5、将一端注水孔密封,另一端与空气压力机连接,检查导管连接处封闭端安装情况,检查合格后压风机充压0.6MPa时,保持压力15分钟。
检查导管接头处溢水情况,对溢水处做好记录,试压将导管翻滚180o,再次加压,保持压力15分钟,检查情况做好记录。
6、导管水密试验时的水压应不小于井孔内水深1.3倍的压力,进行承压试验时的水压不应大于导管壁可能承受的最大内压力Pmax,Pmax可按下式计算:
Pmax=1.3(ㄚcHcmax-ㄚwHw)
式中:Pmax——导管壁可能承受的最大内压力,KPa;
ㄚc——混凝土容重(用24KN/m3),KN/m3;
Hcmax——导管内混凝土柱最大高度,采用导管全长,m;
ㄚw——钻孔内水或泥浆容重,泥浆容重大于12KN/m3时不宜灌注水下混凝土,KN/m3;
Hw——钻孔内水或泥浆深度m。