民用建筑空调冷负荷的估算指标
- 格式:doc
- 大小:158.50 KB
- 文档页数:6
有关民用建筑空调冷负荷估算指标
注:
1。
中庭层高4.5米,若层高增加2m ,则冷负荷增加20%。
2.本表总冷负荷为瞬时最大负荷,在求建筑物总冷负荷时,应考虑各空调房间同时使
用系数0.7—0.9。
有关民用建筑空调冷负荷估算指标
有关民用建筑空调冷负荷估算指标
注:①建筑面积小于5000m2时,取上限值;大于10000m2时,取下限值。
②上述指标确定的冷负荷,既是制冷机的容量,不必再加系数。
③由于地区差异较大,上述指标以北京地区为准,南方地区可按上限取值。
有关民用建筑空调热负荷估算指标。
风管设计负荷指标(估算)(仅供参考)方法一、估算法总送风量(m3\h):G=换气次数×房间体积各场所每小时换气次数新风量=10%-30%×总送风量新风量或者按每个人的新风量标准×人数算表4.1 新风机组选型风量参数表备注:(1)确定房间所需新风量时,应根据房间空间大小及室内人员数量综合考虑。
根据上表推荐资料分别按“每人所需新风量”和“房间新风换气次数”计算出新风数量值,取二者中较大值,作为设备选型依据。
2、根据计算式准确算估算出总冷负荷,总送风量G=Q(KW)/(HN-HO)KG/S, HN是室内温度下的焓值,HO送风温度下的焓值,已知室内温度及风机盘管的送风温差,送风温度=室内温度-送风温差根据房间大小确定散流器个数,确定送风风道给各支管分配风量,低速风管系统送风区域的最大允许流速根据鸿业软件---双线风管弹出对话框,输入风量,核对风速,选择风管尺寸给每个散流器分配风量,散流器的尺寸先根据送风风速标准,再根据各类风口的风量表选出合适的散流器出口尺寸,回风口尺寸按选出的送风口尺寸大一号选择主风管尺寸根据软件,输入风量,核对风速,得到尺寸送风管渐缩风量,得渐缩风管尺寸风压估算如弯头、三通、变径较少的情况下每米损失4PA左右,反之每米损失6PA左右,机外静压/每米损失压强数=空气处理机组最长送风长度水管设计估算出冷负荷,选出风机盘管和制冷主机冷冻水制冷主机的管径可按中央空调水管道配比一览表根据总冷负荷选择,或者按公式(冷冻水流量)L=Q(KW)/(4.5~5)×1.163(M3/H)计算,D=根号下L/0.785×3600×流速(M/S)根据冷负荷,查到各个风机盘管的管径,(EXCEL)空调水管选择计算表或中央空调水管道配比一览表,算得各主管的管径。
冷冻水泵的水流量是冷水机组蒸发器的水流量的1.1倍冷冻水泵扬程Hmax=△P1+△P2+0.05L (1+K)△P1为冷水机组蒸发器的水压降。
⼀张表告诉你各类建筑物空调负荷估算指标1、什么是空调负荷?(1)为了保持房间⼀定的温度,需要向房间供应的冷量称为冷负荷。
(2)为了补偿房间失去的热量⽽需向房间供应的热量称为热负荷。
(3)为了维持室内相对湿度所需由房间除去或增加的湿量称为湿负荷。
2、影响负荷⼤⼩的因素有哪些?(1)⽓候条件(2)使⽤⾯积(3)窗的数量、朝向(4)外墙的朝向(5)维护结构隔热效果(6)房间⽤途(7)房间内的⼈数(8)⽤电器散热3、不同建筑负荷概算表⼀般情况下,办公楼、写字间、客房负荷可以按照约90~100⼤卡每平⽅⽶,会议室、影剧院、演播⼤厅约160~200⼤卡每平⽅⽶,酒店、洗浴、餐厅160~260⼤卡每平⽅⽶计算。
建筑物负荷取值表建筑类型冷负荷 W/m2(KCal/h.m2)住宅、公寓、标准客房114-138(98-118)西餐厅200-286(170-246)中餐厅257-438(220-376)⽕锅城、烧烤465-698(400-600)⼩商店175-267(150-230)⼤商场、百货⼤楼250-400(215-344)理发、美容150-225(129-193)会议室210-300(180-258)办公室128-170(110-146)中庭、接待112-150(97-129)图书馆90-125(77-108)展厅、陈列室130-200(112-172)剧场180-350(154-310)计算机房、⽹吧230-410(200-350)有洁净要求的⼚房、⼿术室等300-500(258-430)注:(1)上述指标为总建筑⾯积的冷负荷指标:建筑⾯积的总建筑⾯积⼩于5000平⽶时,取上限;⼤于l0000平⽶,取下限值。
(2)按上述指标确定的冷负荷,即是制冷机的容量,不必再加系数。
(3)由于地区差异较⼤,上述指标以北京地区为准。
南⽅地区可按上限采取。
免责声明:本⽂版权归原作者所有。
如涉及作品版权问题,请与我们联系,我们将在第⼀时间协商版权问题或删除内容!内容为作者个⼈观点,并不代表本公众号赞同其观点和对其真实性负责。
民用公共建筑空调工程的冷热负荷量的确定民用公共建筑空调工程的冷热负荷量的确定中国房屋建筑可分民用建筑和工业建筑。
民用建筑又分为居住建筑与公共建筑。
居住建筑主要是指住宅建筑。
公共建筑则包含办公建筑(包括写字楼、政府办公楼等,商业建筑(如商场、金融建筑),旅游建筑(如旅馆饭店、娱乐场所),科教文卫建筑(包括文化、教育、科研、医疗、卫生、体育建筑),通信建筑(如邮电、通信、广播用房)以及交通运输用房(如机场车店建筑等)。
在我国的公共建筑的全年能耗中大约50%~60%消耗在空调制冷与采暖系统中,20%~30%用于照明。
在大型的公共建筑的电耗中,空调用电占30%~60%。
在大型公共建筑中,(如同样面积的,同样使用功能的大型商场或宾馆,高档办公楼),其建筑节能设计类同。
而空调系统的设计质量(如:计算的冷热负荷量不同,选择!的冷热媒源不同等等),设备材枓选用的质量与是否节能不予认真分析,工程的施工质量优劣:空调系统在投入运行后的运行管理好与坏,都会影响公共建筑中的空调系统的耗能高低。
在此、不论述其它各种因素对空调工程降低能耗,节约运行费用的措施。
就如何确定公共建筑的空调冷热负荷量选用作简单的简述。
如何合理的确定公共建筑的空调系统的冷(热)负荷量,是空调工程在设计中一个重要的关键环节。
使它能在保证公共建筑的空调效果的前堤下,降低空调工程的投资费用,运行费用(主要为电耗)。
一、空调工程负荷计算的基本构成(一)、空调房间的得热量由下列各项得到热量::1、通过围护结构传入室内的热量建筑物与室外存在温度差引起传热:冬季失热,夏季得热。
2、通过外窗进入室内的太阳辐射热量,3、人体散热量,4、照明散热量,5、设备器具管道及其他室内热源的散热量,6、食品或物料的散热量,7、渗透空气带入室内的热量。
8、伴随各种散湿过程产生的潜热量。
上述因素中,除通过房间建筑围护结构和太阳辐射的热量及室外空气渗入的热流量是室外热源负荷外,其它均为室内热源负荷。
注:①用各分类指标M分别乘以建筑中相应类型房间的空调面积N (顶层房间M值宜加大20-25%),然后全都相加所得总和就是建筑物的空调系统负荷。
考虑各类房间的同期
使用率等情况,将系统负荷乘以0.84-0.86的修正系数,计算得制冷机组总安装容量即可计算出空调系统总负荷的概算值,即Q=(0.84-0.86)M×N
用分类指标乘相应类型房间每间的面积,得各房间的空调负荷,这就是选择房间末端空气处理设备的参考数值.
②对于空气一水系统(风机盘管). 办公楼所需最小新风量可按4.60~7.20m3/h.m2选用.
旅馆卧室
单人房 0.80~1.20m3/h.m2
双人房 1.20~2.00m3/h.m2
③剧场、电影院观众厅最小新风量可按7~lOm3/(h.人)选用,电影放映机的排风量按下值选用:7OO m3/(h.台)(弧光灯);600 m3/(h.3KW)(氙灯);800 m3/(h.5KW)(氙灯)
④一般的民用建筑不考虑新风
换气负荷。
对于某些高级民用建筑,其中一些房间要求保证一定的通风量,以满足卫生换气的需要。
当卫生要求的换气量小于渗透风量时,可以不再计算卫生要求通风量。
当卫生要求的换气量大于渗透风量时,要设专门的送排风系统,要计算通风换气增加的空调负荷。
客房出风量 =新风量 / (0.8-0.9)系数。
4、冷负荷的计算先计算出每个房间的面积,房间冷负荷计算方法采用估算值。
根据国内部分建筑空调冷负荷概算指标,取为140W/m 2.冷负荷=估算指标X 空调房间面积Q A =140X ( 4 X 3.2) Q B =140X (4 X 3.2) Q C =140X (4 X 5.78) Q A =1792kg/s Q B =1792kg/s Q C =3236.8kg/sQ D =140X ( 2.8 X 3.875) Q E =140X (6 X 3.875) Q F =140X (5.83 X 3.875) Q D =1519kg/s Q E =3255kg/s Q F =3164kg/s5、湿负荷计算湿负荷是指空提案房间的湿源向室内的散湿量,所以这里的湿负荷定为零。
6、空气调节送、回风量计算空气调节系统一般由空气处理设备和空气输送管道以及空气分配装置组成,根据需要,它能组成许多不同形式的要求。
本建筑为办公楼,各房间均为小空间结构,要求各房间能独立进行调控,因此宜采用风机盘管加新风系统。
G=Q/(i n - i 0)Q--------空调房间的冷负荷(W )W-------空调房间湿负荷 (kg/s)G--------空调房间送风量 (kg/s) i n ----排出空调房间空气的焓 (KJ/kg)i0----送出空调房间空气的焓 (KJ/kg) 房间设计送风温差为8℃及查表得到i n=55.5 i0=47G A=1792/8.5 G B=1792/8.5 G C=3236.8/8.5 G A=210.82kg/s G B=1792kg/s G C=380.8kg/sG D=1519/8.5 G E= 3255/8.5 G F=3164/8.5 G D=178.7kg/s G E =328.94kg/s G F=372.24kg/s由检验得,每个房间的送风量都小于5,所以数据不成立。
送风量=房间的体积X换气次数由上式可知:G A=268.8kg/s G B=268.8kg/s G C=485.52kg/sG D=227.85kg/s G E =488.25kg/s G F=474.6kg/s新风量=送风量X 10%注:本建筑为办公楼,查资料得:办公室高级无烟区,每人最小新风量30~50,取32(m3 /h).由上式可知:G A=32kg/s G B=32kg/s G C=48.56kg/sG D=32kg/s G E =48.83kg/s G F=47.46kg/s。
注:①用各分类指标M分别乘以建筑中相应类型房间的空调面积N (顶层房间M值宜加大20-25%),然后全都相加所得总和就是建筑物的空调系统负荷。
考虑各类房间的同期使用率等情况,将系统负荷乘以的修正系数,计算得制冷机组总安装容量即可计算出空调系统总负荷的概算值,即Q=()M×N
用分类指标乘相应类型房间每间的面积,得各房间的空调负荷,这就是选择房间末端空气处理设备的参考数值.
②对于空气一水系统(风机盘管). 办公楼所需最小新风量可按~选用.
旅馆卧室
单人房~
双人房~
③剧场、电影院观众厅最小新风量可按7~lOm3/(h.人)选用,电影放映机的排风量按下值选用:7OO m3/(h.台)(弧光灯);600 m3/()(氙灯);800 m3/()(氙灯)
④一般的民用建筑不考虑新风
换气负荷。
对于某些高级民用建筑,其中一些房间要求保证一定的通风量,以满足卫生换气的需要。
当卫生要求的换气量小于渗透风量时,可以不再计算卫生要求通风量。
当卫生要求的换气量大于渗透风量时,要设专门的送排风系统,要计算通风换气增加的空调负荷。
客房出风量 =新风量 / 系数。
空调负荷估算表《速查》空调负荷计算一、负荷指标(估算)(仅供参考)建筑类型冷负荷 W/m2(Cal/m2)住宅、公寓、标准客房114-138(98-118)西餐厅200-286(170-246)中餐厅257-438(220-376)火锅城、烧烤465-698(400-600)小商店175-267(150-230)大商场、百货大楼250-400(215-344)理发、美容150-225(129-193)会议室210-300(180-258)办公室128-170(110-146)中庭、接待112-150(97-129)图书馆90-125(77-108)展厅、陈列室130-200(112-172)剧场180-350(154-310)计算机房、网吧230-410(200-350)有洁净要求的厂房、手术室等300-500(258-430)二、空调冷负荷法估算冷指标。
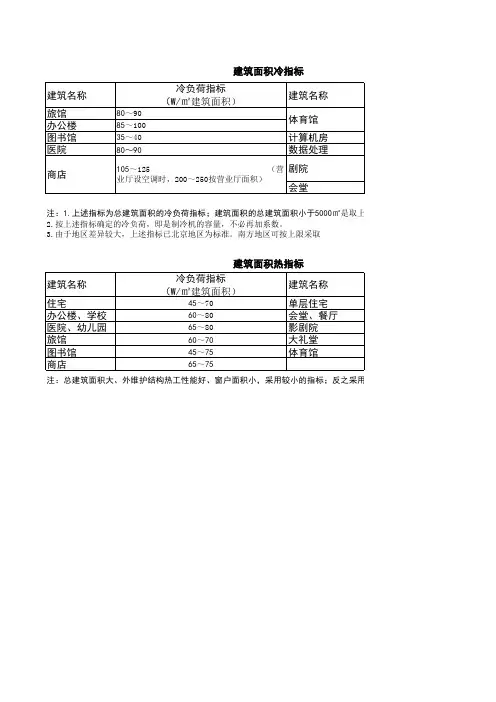
空调冷负荷法估算冷指标(W/m2空调面积)见下表序号建筑类型及空调建筑面积建筑人体照明新风量W/m2新风总负荷房间名称平方米/人负荷负荷负荷负荷1客房10607205027114 2宴会厅 1.25301343025190360 3小会议室36043402592235 4大会议室 1.5408840251903585健身房保龄球535872*********6舞厅320972033119256 7科研办公楼54028402043151商场8底层1351604012130365 9二层 1.235128401210430710三层及三层以上24080401265225图书馆11阅览室105014302527121展览厅12陈列室45831202568177会堂13报告厅23558402513626914公寓住宅107014205054158硬剧院15观众厅0.53022815817444716休息厅27064204021637017化妆室44035502055180体育馆18比赛馆 2.5356540156520519休息厅57027.520408620320贵宾厅85817305068173医院21高级病房11022一般手术室15023洁净手术室30024X光CTB超15025餐馆300注:本表为最大负荷,在求建筑总冷负荷时,应考虑空调房间同时使用系数0.7-0.9三、按建筑面积冷指标进行估算建筑面积冷指标建筑名称冷负荷指标W/m22建筑面积建筑名称冷负荷指标W/m2建筑面积旅馆80-90体育馆100-135200-350(按人员座位数)办公楼85-100图书馆35-40 计算机房190-380医院80-90 数据处理320-400商店105-125营业厅设空调时,200-250按营业厅面积剧院126-160200-300(按观众厅面积)会堂180-225注:l、上述指标为总建筑面积的冷负荷指标:建筑面积的总建筑面积小于50 00平米时,取上限;大于l0000平米,取下限值。
住宅内空调设备负荷的电功率计算从事电气设计的工程技术人员,需要对室内空调的用电负荷进行估算。
这是一个有经验的电气工程师应该具有的能力。
这需要了解一些相关的基础技术资料。
影响室内消耗冷负荷的因素很多,有人体散热、建筑物的吸收和向外传导、照明灯具的发热、新风的吸收和排出室外的空气带走冷量等。
部分场所空调冷负荷的估算指标房间类型室内人数建筑负荷人体负荷照明负荷新风量新风负荷总负荷人/m2W/m2m3/人.hW/m2Kcal/m2公寓住宅0.1070.0050.0054.00睡房0.2550.0025.0067.00普通房间0.10 20.0025.0036.00W/m2W/m2W/m214.0020.00 158.00135.8850.0041.00208.00178.8850.0014.00145.00124.70客房0.0660.007.00 20.0050.0040.00177.00152.22饭厅客厅0.5035.0070.00 20.0025.0040.00190.00163.406酒吧0.5035.0070.00 15.0025.00136.00256.00220.167咖啡厅0.5035.0070.00 15.0025.00136.00256.00220.168小卖部0.2040.0031.00 40.0020.0050.00181.00156.669商店0.2040.0031.00 40.0020.0050.00181.00156.66小型个人办公室0.1040.0014.00 50.0025.0040.00145.00124.7011一般办公室0.2040.0028.00 40.0025.0045.00178.00148.7812图书阅览0.2050.0028.0030.0025.0060.00193.00166.00三制冷机的效能比13 会议室0.6460.0089.0040.0025.00136.00350.00301.0014商场 1.0035.00140.0040.0012.00136.00347.00298.00二 当量计算1.冷量的单位: 冷量(即热量) 的单位有焦耳(J )、千焦耳(KJ )、 瓦(W )千瓦(KW );卡(cal )、千卡(kcal )(大卡)在标准大气压的状况下,将一千克的水从19.56℃加热到20.5℃所需要的热 量定义为一千卡(kcal )的热量。
民用建筑空调冷负荷的估算指标在估算民用建筑空调冷负荷时,需要考虑到建筑物的结构、朝向、外部环境、内部热源等多个因素。
冷负荷估算常用的指标有设计室内温度、传热系数、换气量、照明负荷等。
1.设计室内温度:根据不同类型的建筑,室内设计温度会有所差异。
一般来说,住宅建筑的设计室内温度为24-26摄氏度,商业建筑如办公楼和购物中心的设计室内温度为23-25摄氏度。
2.传热系数:建筑构件的传热系数是影响冷负荷估算的重要因素。
传热系数取决于建筑外墙、屋顶和地面的材料选择和厚度。
不同建筑材料的传热系数差异很大,例如,玻璃的热传导系数较高,因此需要更大的冷负荷。
3.换气量:换气量的大小对冷负荷有重要影响。
换气量受建筑物类型、人员密度以及空气质量要求的影响。
在办公楼和商业建筑中,人员密度较高,需要更大的换气量,所以冷负荷也会相应增加。
4.照明负荷:照明负荷是指建筑内所有照明设备所产生的热负荷。
根据照明设备的功率和数量,以及使用时间计算照明负荷。
照明负荷的增加会导致冷负荷的增加,因此需要在估算冷负荷时考虑到照明负荷。
此外,建筑物的朝向、外部环境和内部热源的影响也需要考虑:1.朝向:建筑物的朝向会影响到阳光的直射和反射,从而影响到室内的温度。
南向的建筑在冬季会有较好的太阳辐射,可以减少冷负荷,但在夏季可能需要较大的冷负荷。
2.外部环境:周围环境的相对湿度和温度也会对冷负荷产生影响。
高湿度会增加空调的负荷,因为需要花费更多的能量去除潮气。
高温环境下,空调需要花费更多能量来冷却室内空气。
3.内部热源:内部热源指室内的电器设备、照明设备、人员活动等产生的热量。
这些热源会增加空调的负荷。
需要将这些热源的功率和数量考虑在冷负荷计算中。
综上所述,民用建筑空调冷负荷的估算指标包括设计室内温度、传热系数、换气量、照明负荷、建筑物朝向、外部环境和内部热源等多个因素。
通过合理的估算冷负荷,可以有效地选择合适的空调设备和配置,并提高能效,减少能源消耗。
风管设计负荷指标(估算)(仅供参考)方法一、估算法总送风量(m3\h):G=换气次数×房间体积各场所每小时换气次数新风量=10%-30%×总送风量新风量或者按每个人的新风量标准×人数算表4.1 新风机组选型风量参数表备注:(1)确定房间所需新风量时,应根据房间空间大小及室内人员数量综合考虑。
根据上表推荐资料分别按“每人所需新风量”和“房间新风换气次数”计算出新风数量值,取二者中较大值,作为设备选型依据。
2、根据计算式准确算估算出总冷负荷,总送风量G=Q(KW)/(HN-HO)KG/S, HN是室内温度下的焓值,HO送风温度下的焓值,已知室内温度及风机盘管的送风温差,送风温度=室内温度-送风温差根据房间大小确定散流器个数,确定送风风道给各支管分配风量,低速风管系统送风区域的最大允许流速根据鸿业软件---双线风管弹出对话框,输入风量,核对风速,选择风管尺寸给每个散流器分配风量,散流器的尺寸先根据送风风速标准,再根据各类风口的风量表选出合适的散流器出口尺寸,回风口尺寸按选出的送风口尺寸大一号选择主风管尺寸根据软件,输入风量,核对风速,得到尺寸送风管渐缩风量,得渐缩风管尺寸风压估算如弯头、三通、变径较少的情况下每米损失4PA左右,反之每米损失6PA左右,机外静压/每米损失压强数=空气处理机组最长送风长度水管设计估算出冷负荷,选出风机盘管和制冷主机冷冻水制冷主机的管径可按中央空调水管道配比一览表根据总冷负荷选择,或者按公式(冷冻水流量)L=Q(KW)/(4.5~5)×1.163(M3/H)计算,D=根号下L/0.785×3600×流速(M/S)根据冷负荷,查到各个风机盘管的管径,(EXCEL)空调水管选择计算表或中央空调水管道配比一览表,算得各主管的管径。
冷冻水泵的水流量是冷水机组蒸发器的水流量的1.1倍冷冻水泵扬程Hmax=△P1+△P2+0.05L (1+K)△P1为冷水机组蒸发器的水压降。
负荷指标(估算)(仅供参考)
空调冷负荷法估算冷指标
注:本表为最大负荷,在求建筑总冷负荷时,应考虑空调房间同时使用系数
0.7-0.9
按建筑面积冷指标进行估算
注:l、上述指标为总建筑面积的冷负荷指标:建筑面积的总建筑面积小于5000平米时,取上限;大于l0000平米,取下限值。
2、按上述指标确定的冷负荷,即是制冷机的容量,不必再加系数。
3、由于地区差异较大,上述指标以北京地区为准。
南方地区可按上限采
取。
热负荷估算:
(l)按建筑面积热指标进行估算
注:总建筑面积、大外围结构热工性能好、窗户面积小,采用较小的指标;反之采用较大的指标。
(2)窗墙比公式法:
q=(7a+1.7)W/F(tn-tw)W/m2;
说明:
q—建筑物的供热指标,W/m2²。
a—外窗面积与外墙面积(包括窗之比);
W一外墙总面积(包括窗),m2²
F一总建筑面积, m2
tn一室内供暖设计温度,℃
tw一室外供暖设计温度,℃
建筑物冷负荷概算指标香港
各类建筑物锅炉负荷估算W/m3℃
热损失概算W/m℃
W/m℃一每m3房间容积,室内外温差1℃时的热量W。
冷库冷负荷概算指标。
所空调冷负荷w/m 2 (千卡/h)采暖热负荷(w/m2)新风量m 3 /h.m 2 (m3/h.人2)一、综合指标:按整幢建筑面积平均折算负荷量旅馆、招待所95-115(80-100)58-70 1-5(30)高级旅游宾馆140-175(120-150)64-87 2-8(30)办公大楼、学校110-140(95-120)58-81 5-18(8.5)综合大楼130-160(110-140)64-87 27-36(8.5)百货大楼140-175(120-150)64-87 27-36(8.5)医院、幼儿园110-140(95-120)64-81 5-18(8.5)普通电影院260-350(225-300)93-116 27-46(8.5)综合影剧院290-385(250-330)93-116 27-46(8.5)大会堂190-290(160-250)116-163 27-46(8.5)体育馆(比赛厅)280-470(240-400)116-163 27-46(8.5)二、分类指标:按室内面积平均折算负荷量客房(标准型)105-145(90-125)58-70 1-5(30)一般办公室140-175(120-150)58-81 5-8(17)家用客厅、饭厅140-175(120-150)64-87 27-46(17)图书馆、博物馆145-175(125-150)47-76 27-46(8.5)服装店、珠宝店160-200(140-175)64-81 27-36(8.5)幽雅餐厅、包房190-220(165-190)116-140 46-64(17)一般会议室175-290(150-250)116-140 32-36(17)中餐厅350-465(300-400)116-140 46-64(17)西餐厅、酒吧230-350(200-300)116-140 46-64(17)音乐厅、舞厅290-410(250-350)116-140 32-36(8.5)商场230-340(200-290)64-87 27-36(8.5)发廊、美容厅230-350(200-300)64-87 27-46(17)大型营业厅200-290(170-250)64-87 32-36(8.5)门厅175-290(150-250)47-70 2-8(8.5)走廊70(60)47-70 5-8(8.5)住宅、公寓75-95(65-81)47-70 5-8(8.5)计算机房190-380(163-327)47-70 36-72(30)地下室130-190(114-163)47-70 27-36(17)银行下厅130-175(114-151)64-87 27-36(8.5)特护病房、手术室160-320(140-280)64-87 36-72(30)注:①用各分类指标M 分别乘以建筑中相应类型房间的空调面积N (顶层房间M值宜加大20-25%),然后全都相加所得总和就是建筑物的空调系统负荷。
风管设计负荷指标(估算)(仅供参考)方法一、估算法总送风量(m3\h):G=换气次数×房间体积各场所每小时换气次数新风量=10%-30%×总送风量新风量或者按每个人的新风量标准×人数算表4.1 新风机组选型风量参数表备注:(1)确定房间所需新风量时,应根据房间空间大小及室内人员数量综合考虑。
根据上表推荐资料分别按“每人所需新风量”和“房间新风换气次数”计算出新风数量值,取二者中较大值,作为设备选型依据。
2、根据计算式准确算估算出总冷负荷,总送风量G=Q(KW)/(HN-HO)KG/S, HN是室内温度下的焓值,HO送风温度下的焓值,已知室内温度及风机盘管的送风温差,送风温度=室内温度-送风温差根据房间大小确定散流器个数,确定送风风道给各支管分配风量,低速风管系统送风区域的最大允许流速根据鸿业软件---双线风管弹出对话框,输入风量,核对风速,选择风管尺寸给每个散流器分配风量,散流器的尺寸先根据送风风速标准,再根据各类风口的风量表选出合适的散流器出口尺寸,回风口尺寸按选出的送风口尺寸大一号选择主风管尺寸根据软件,输入风量,核对风速,得到尺寸送风管渐缩风量,得渐缩风管尺寸风压估算如弯头、三通、变径较少的情况下每米损失4PA左右,反之每米损失6PA左右,机外静压/每米损失压强数=空气处理机组最长送风长度水管设计估算出冷负荷,选出风机盘管和制冷主机冷冻水制冷主机的管径可按中央空调水管道配比一览表根据总冷负荷选择,或者按公式(冷冻水流量)L=Q(KW)/(4.5~5)×1.163(M3/H)计算,D=根号下L/0.785×3600×流速(M/S)根据冷负荷,查到各个风机盘管的管径,(EXCEL)空调水管选择计算表或中央空调水管道配比一览表,算得各主管的管径。
冷冻水泵的水流量是冷水机组蒸发器的水流量的1.1倍冷冻水泵扬程Hmax=△P1+△P2+0.05L (1+K)△P1为冷水机组蒸发器的水压降。
风管设计
负荷指标(估算)(仅供参考)
方法一、估算法
总送风量(m3\h):G=换气次数×房间体积
各场所每小时换气次数
新风量=10%-30%×总送风量
新风量或者按每个人的新风量标准×人数算
表4.1 新风机组选型风量参数表
备注:(1)确定房间所需新风量时,应根据房间空间大小及室人员数量综合考虑。
根据上表推荐资料分别按“每人所需新风量”和“房间新风换气次数”计算出新风数量值,取二者中较大值,作为设备选型依据。
2、根据计算式准确算
估算出总冷负荷,总送风量G=Q(KW)/(HN-HO)KG/S, HN是室温度下的焓值,HO 送风温度下的焓值,已知室温度及风机盘管的送风温差,送风温度=室温度-送
风温差
根据房间大小确定散流器个数,确定送风风道给各支管分配风量,低速风管系统
送风区域的最大允许流速
根据鸿业软件---双线风管弹出对话框,输入风量,核对风速,选择风管尺寸给每个散流器分配风量,散流器的尺寸先根据送风风速标准,
再根据各类风口的风量表选出合适的散流器出口尺寸,回风口尺寸按选出的送风
口尺寸大一号选择
主风管尺寸根据软件,输入风量,核对风速,得到尺寸送风管渐缩风量,得渐缩
风管尺寸风压估算
如弯头、三通、变径较少的情况下每米损失4PA左右,反之每米损失6PA左右,机外静压/每米损失压强数=空气处理机组最长送风长度
水管设计
估算出冷负荷,选出风机盘管和制冷主机冷冻水
制冷主机的管径可按中央空调水管道配比一览表根据总冷负荷选择,或者按公式(冷冻水流量)L=Q(KW)/(4.5~5)×1.163(M3/H)计算,D=根号下L/0.785×3600×
流速(M/S)
根据冷负荷,查到各个风机盘管的管径,(EXCEL)空调水管选择计算表或中央空调水管道配比一览表,算得各主管的管径。
冷冻水泵的水流量是冷水机组蒸发器的水流量的1.1倍
冷冻水泵扬程Hmax=△P1+△P2+0.05L (1+K)
△P1为冷水机组蒸发器的水压降。
△P2为该环中并联的各占空调未端装置的水压损失最大的一台的水压降。
mH2O
L为该最不利环路的管长
K为最不利环路中局部阻力当量长度总和和与直管总长的比值,当最不利环路较长时K值取0.2~0.3,最不利环路较短时K值取0.4~0.6
膨胀水箱一般按冷冻水系统管路总水容量的2%--3%选择,
冷却水
根据冷却水流量,冷却水流量L(m3/h)=Q×(1.15~1.2)/(4.5~5)×1.163计
算,
,D=L/0.785×0.785×3600×流速(M/S)计算冷却水管径,或者按
中央空调水管道配比一览表选出冷却水管径
冷却水泵的水流量是冷水机组(冷凝器)的水流量的1.1倍,
冷却水泵的扬程H=1.1(制冷机组冷凝器水阻力+冷却塔提升高度+5+L×0.06)
冷却塔的水流量是冷却水流量的1.2倍
冷却系统的补水量应为循环水量的1%-1.6%。