微动开关技术资料教学文稿
- 格式:ppt
- 大小:1.32 MB
- 文档页数:20
GOLDEN-SWITCH38◆ 接线端子尺寸 Terminal dimensions◆ 安装孔尺寸 Mounting hole dimensions◆ 外型尺寸和动作特性 Dimensions and operating characteristicsMS2-Z0F100MS2-Z0F150MS2-Z0F200MS2-Z0F300MS2-Z3F100MS2-Z3F150MS2-Z3F200MS2-Z3F300MS2-Z1F100MS2-Z1F150MS2-Z1F200MS2-Z1F300MS2-Z2F100MS2-Z2F150MS2-Z2F200MS2-Z2F300MS2-Z6F100MS2-Z6F150MS2-Z6F200MS2-Z6F300MS2-Z5F100MS2-Z5F150MS2-Z5F200MS2-Z5F300MS2-Z4F100MS2-Z4F150MS2-Z4F200MS2-Z4F30035MICRO SWITCHMS2型微动开关系列 Micro switch series◆ 特点和用途 Characteristics and usage.■ 安全可靠的小型开关 Safe reliable miniature switch.■ 结构紧凑。
具有微小触点间隙、快速动作、高灵敏和微小动作行程的特点。
Nice appearance, tight configuration,characteristic,small contact gap,quick action,high sensitivity and small operating travel.■ 长寿命,高可靠 Long life,high reliability.■ 接线端子种类齐全 Variety of contact terminals. ■ 配备各种形式动臂 Variety of levers.■ 适用于电话、空调、电脑、增湿器、报警器、计时器、焊枪、传真机、游戏控制杆、榨汁机、搅伴机、玩具车、灯具、电热水壶等。
如对您有帮助,可购买打赏,谢谢微动开关的工作原理-微动开关怎么拆?
导语:微动开关具有微小接点间隔和速动机构,用规定的行程和力进行开关动作的接点机构,被外壳覆盖,其外部有传动器,且外形较小。
微动开关由5个大类的构成要素组成。
微动开关的工作原理-微动开关怎么拆?
微动开关的简介
微动开关是具有微小接点间隔和快动机构,用规定的行程和规定的力进行开关动动作的接点机构,用外壳覆盖,其外部有驱动杆的一种开关,因为其开关的触点间距比较小,故名微动开关,又叫灵敏开关。
电气文字符号为:SM。
微动开关的种类繁多,内部结构有成百上千种,按体积分有普通型、小型、超小型;按防护性能分,有防水型、防尘型、防爆型;按分断形式分,有单联型、双联型、多连型。
还有一种强断开微动开关(当开关的簧片不起作用的时候,外力也能使开关断开);按分断能力分,有普通型、直流型、微电流型、大电流型。
按使用环境分,有普通型、
生活常识分享。
技术参数1微动开关测试工装1.1概述:本测试台是用于测试微动开关在正常工作状态下的电气寿命或机械寿命。
能同时对6个微动开关进行测试,可预置压紧时间和松开时间、预置目标测试次数及记录总有效次数。
配置“电气寿命测试/机械寿命测试”的2种模式选择和“常开触点/常闭触点/常开、常闭触点转换”的3种模式选择。
1.2结构:测试台为台式结构,外型尺寸约:长(1200mm)×宽(600mm)×高(850mm),控制箱体用铁板压制而成,表面喷涂处理,底部有4个避震胶脚,可以平放在地面上。
支承台面采用理化板。
测试台面上有用于安装6个微动开关(6个微动开关分为2组,每组的3个开关须为同一类型,每组的3个开关须同时进行测试)的工装夹具以及固定用于按压开关的机械组件。
每组用于按压开关的机械组件由各自的步进电机进行驱动,实现对微动开关的压紧和松开(接通和断开)。
正面为控制面板,上有用于预置压紧时间、松开时间的拨码开关,显示触点回路电流的电流表,显示开关有效寿命次数的计数器,控制功能指示灯、接通/断开指示灯、电源开关,控制箱内有电控器件、专用控制板,步进电机控制、驱动板等。
1.3主要技术参数:a)、使用电源:带地线、单相AC220V±5%/50Hz;电源容量≥3KW。
b)、数显计数器量程:0~999999次(步进电机带动机械组件按压微动开关,如果微动开关触点接通,电流表实时显示流经微动开关触点的回路电流;经过预置的压紧时间后,步进电机带动机械组件复位松开,如果微动开关触点正常断开,则计数器计数1次。
经过预置的松开时间后,再周而复始。
任何时候,如每组中的某一个微动开关触点异常失效,则报警停机;将失效的微动开关取下,余下的微动开关可以继续进行测试。
到达预置测试次数后会自动停止测试)。
c)、检测工位数:同时对6个微动开关进行测试(6个微动开关分为2组,每组的3个开关须为同一类型,每组的3个开关须同时进行测试)。
微动开关微动开关一种电子开关,使用时轻轻点按开关按钮就可使开关接通,当松开手时开关既断开,其内部结构是靠金属弹片受力弹动来实现通断的。
微动开关由于体积小重量轻在家用电器方面得到广泛的应用如:彩电按键,影碟机按键,电脑鼠标等等。
但微动开关也有它不足的地方,频繁的按动会使金属弹片疲劳失去弹性而失效。
因此现在大部分电器的按钮都使用导电橡胶来代替,比如电脑键盘,遥控器等。
还可用于控制照明灯和排风扇等小功率家用电器。
微动开关在市电停电后自动断开。
再次来电时不会自行接通 (需按动控制按钮才能接通),可避免因电器长期通电而耗费电能或引发意外事故。
关于微动开关四角的接法问题:距离较远的两脚短接即可,四角是为了微动开关焊接得更稳固。
热电偶传感器热电偶传感器是一种自发电式传感器,测量时不需要外加电源,直接将被测量转换成电势输出。
使用十分方便,常被用作测量炉子、管道内的气体或液体的温度及固体的表面温度。
它的测温范围很广:-270℃~2500℃。
它具有结构简单、制造方便、测量范围广、精度高、惯性小和输出信号便于远传等许多优点。
三、热电偶的分类:1.热电偶的结构分类:(1)普通装配式热电偶:一般由热电极、绝缘套管、保护套管和接线盒等几部分组成。
(2)铠装式热电偶(缆式热电偶):此种热电偶是将热电极、绝缘材料连同保护管一起拉制成型,经焊接密封和装配等工艺制成的坚实的组合体热电偶工作原理一、热电效应(又称温差电效应):将两种不同成分的导体组成一个闭合回路,当闭合回路的两个接点分别置于不同的温度场图3-5 热电偶回路中,回路中产生一个方向和大小与导体的材料及两接点的温度有关的电动势,这种效应称为“热电效应”。
一、均质导体定律:如果热电偶回路中的两个热电极材料相同,无论两接点的温度如何,热电偶回路内的总热电动势均为零。
应用:由于两相同的热电极材料间无自由电子的扩散运动,总电动势为零。
因此,可用于检查热电极成分是否相同。
二、中间导体定律:在热电偶A、B回路中接入第三种导体C,只要第三种导体的两接点温度相同,则回路中总的电动势不变。
微动开关的定义微动开关具有微小接点间隔和速动机构,用规定的行程和力进行开关动作的接点机构,被外壳覆盖,其外部有传动器,且外形较小。
下图为典型的微动开关构造的一个示例。
微动开关由5个大类的构成要素组成。
微动开关用语说明■一般用语(1)一般用语微动开关:具有微小接点间隔和快动机构,用规定的行程和规定的力进行开关动作的接点结构,用外壳覆盖,其外部有驱动杆的一种开关。
(以下称开关)有接点:在开关类型中,和具有开关特性的半导体开关相比,通过接点的机械开关来实现开关的功能。
接触形式:根据各种用途构成接点的电气输入输出电路[(16)中显示]。
额定值:一般指作为开关特性和性能的保证基准的值,例如额定电流、额定电压等,其前提是特定的条件(负载的种类、电流、电压、频率等)。
树脂固定(塑封端子):在端子部位用导线配线后,通过填充树脂来固定该部分,消除露出的带电部位来提高防滴性的方法。
绝缘电阻:指非连接端子间、各端子和不带电金属部位间、各端子和地间的电阻值。
耐压:在规定的测定部位加1分钟高电压后,不会引起绝缘损坏的临界值。
接触电阻:表示接点的接触部位的电阻,但一般表示包含弹簧和端子部位导体电阻的电阻值。
抗振性:误动作振动微动开关在使用时,由于振动闭合的接点在超过规定的时间内不分离的振动范围。
抗冲击性:耐久冲击指微动开关在运输中或者安装时不会受到由该机械冲击带来的各部位的损伤,并满足动作特性的范围内的冲击。
误动作冲击?指微动开关使用时由于冲击闭合的接点在超过规定的时间内不分离的冲击范围。
(2)关于结构、构造的用语●微动开关的结构、构造(3)有关寿命的用语机械寿命:指接点不通电,以规定的操作频率将过行程(OT)设定为规格值使其运行时的开关寿命。
电气寿命:在接点上连接额定负载,以规定的操作频率将过行程(OT)设定为规格值进行开关时的开关寿命。
(4)标准试验状态开关的试验条件如下。
环境温度:20±2℃、相对湿度:65±5%RH、气压:101.3kPa(5)N水平参考值表示可靠度为60%(λ60)下的故障水平。
微动开关的定义微动开关具有微小接点间隔和速动机构,用规定的行程和力进行开关动作的接点机构,被外壳覆盖,其外部有传动器,且外形较小。
下图为典型的微动开关构造的一个示例。
微动开关由5个大类的构成要素组成。
微动开关用语说明■一般用语(1)一般用语微动开关:具有微小接点间隔和快动机构,用规定的行程和规定的力进行开关动作的接点结构,用外壳覆盖,其外部有驱动杆的一种开关。
(以下称开关)有接点:在开关类型中,和具有开关特性的半导体开关相比,通过接点的机械开关来实现开关的功能。
接触形式:根据各种用途构成接点的电气输入输出电路[(16)中显示]。
额定值:一般指作为开关特性和性能的保证基准的值,例如额定电流、额定电压等,其前提是特定的条件(负载的种类、电流、电压、频率等)。
树脂固定(塑封端子):在端子部位用导线配线后,通过填充树脂来固定该部分,消除露出的带电部位来提高防滴性的方法。
绝缘电阻:指非连接端子间、各端子和不带电金属部位间、各端子和地间的电阻值。
耐压:在规定的测定部位加1分钟高电压后,不会引起绝缘损坏的临界值。
接触电阻:表示接点的接触部位的电阻,但一般表示包含弹簧和端子部位导体电阻的电阻值。
抗振性:误动作振动微动开关在使用时,由于振动闭合的接点在超过规定的时间内不分离的振动范围。
抗冲击性:耐久冲击指微动开关在运输中或者安装时不会受到由该机械冲击带来的各部位的损伤,并满足动作特性的范围内的冲击。
误动作冲击?指微动开关使用时由于冲击闭合的接点在超过规定的时间内不分离的冲击范围。
(2)关于结构、构造的用语●微动开关的结构、构造(3)有关寿命的用语机械寿命:指接点不通电,以规定的操作频率将过行程(OT)设定为规格值使其运行时的开关寿命。
电气寿命:在接点上连接额定负载,以规定的操作频率将过行程(OT)设定为规格值进行开关时的开关寿命。
(4)标准试验状态开关的试验条件如下。
环境温度:20±2℃、相对湿度:65±5%RH、气压:101.3kPa(5)N水平参考值表示可靠度为60%(λ60)下的故障水平。
微动开关限位结构-概述说明以及解释1.引言1.1 概述微动开关是一种常见的电子元件,它具有小巧灵活、可靠性高、使用寿命长等特点。
它通常用于控制电路的开关动作,并且常用于限位控制、触发检测等方面。
微动开关限位结构是微动开关的一种重要设计形式,其作用是在特定位置上实现开关的触发或切换。
微动开关限位结构通常包括一个活动臂、一个触发物和一个触发点。
活动臂是微动开关中的关键部件,它能够在外力的作用下做出弯曲或折断动作,将触发物推动到特定的位置。
触发物可以是一根杆、一个按钮或其他形式,它与活动臂相连,当活动臂发生动作时,触发物会随之移动。
触发点是微动开关中的电触点,当触发物到达特定位置时,触发点会闭合或断开,从而实现电路的开关动作。
微动开关限位结构的设计原理主要基于几何学和力学原理。
通过合理的设计和调整活动臂的长度、形状和材料,可以实现特定的启动力、行程以及稳定的动作特性。
同时,触发物的设计也很关键,它需要具备足够的刚性和灵敏度,以保证微动开关在受到外力作用时能够准确触发。
此外,在选择触发点时,要考虑其接触性能和导电性能,以确保可靠的电路开关。
微动开关限位结构具有许多优势。
首先,它的设计紧凑,适合于空间有限的应用场合。
其次,微动开关具有较高的可靠性和稳定性,能够承受较大的压力和外力。
此外,微动开关限位结构的使用寿命长,一般可达到几十万次的动作次数。
微动开关限位结构在工业自动化、航空航天、电子设备等领域有着广泛的应用前景。
随着科技的不断发展,对微动开关性能的要求也越来越高,未来的发展方向将集中在提高微动开关的精度、灵敏度和可靠性,以满足日益复杂的工程需求。
同时,随着智能化的推进,微动开关限位结构也将与其他传感器、控制器相结合,实现更加智能化和自动化的控制系统。
1.2 文章结构文章结构部分的内容:文章结构是指整篇文章的组织架构和展示方式,它对于读者理解和掌握文章内容非常重要。
本文分为引言、正文和结论三个部分。
引言部分主要包括概述、文章结构和目的三个小节。
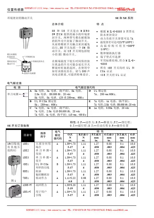
环境密封的微动开关SE 和XE 系列模压硅橡胶 柱塞密封 不锈钢柱塞塑料封闭式 阳极化铝外壳微动开关浇铸环氧树脂总体介绍SE 和XE 开关是由MICRO SWITCH 提供的最小的环境密封开关两种型号都在耐腐蚀的铝外壳中封装了微动开关从而将精密开关触点密封避免玷污SE 开关包括一个SM 微动开关而XE 开关则包括较小的SX 微动开关在极端温度下较长时间保持按压状态的开关可能会延长开关释放时柱塞的返回在使用中如有该情况存在请与800声讯电话联系可提供特殊设计特 点• 根据MIL-S-8805 3类罩壳防水密封设计• 动力负荷开关容量可达7A • 温度容差可达+221°F(105°C) • 高温结构可用至+300°F (149°C)• 数种辅助执行器 • 端子型式可选择• 军用标准结构符合MIL-S- -8805• 所有4SE 开关均经UL 和CSA 认证• 4XE 开关经UL 认证电气额定值电 路 电气额定值代码单刀双掷 A 5A 电阻3A 电感(海平面)5A 电阻 2.5A 电感(50,000 ft)28 vdc 5A 电阻5A 电感125或250vac 60Hz D UL 额定值7A 250 vac 60Hz B UL 和CSA 额定值 5A 250vac 60Hz E 7A 电阻4A 电感(海平面)7A 电阻2.5A 电感(50,000 ft)28 vdcC 7A 电阻4A 电感(海平面) 7A 电阻 2.5A 电感(50,000 ft)28 vdc7A 电阻4A 电感(海平面)115 vac 400 HzR 1A 电阻0.50A 电感28 vdcSE 开关订货指南特性: O.F. 动作力; R.F. 释放力; P.T. 预行程; O.T. 超行程; D.T. 差动行程O.P. 操作位置特 性目录号 推荐 用于电气 额定 值代码O.F. N oz. R.F.最小 N oz. P.T.最大 mm in. O.T.最小 mm in. D.T.最大 mm in.O.P. mm in. 1SE1 大部分应用场合 A 1,39-4,73 5-17 1,11 4 1,27 .050 0,08 .003 0,1 .004 10,8 .425 1SE2 单刀单掷-常闭 A 1,39-4,73 5-17 1,11 4 1,27 .050 0,08 .003 0,1.004 10,8 .425 1SE3 单刀单掷-常开 A 1,39-4,73 5-17 1,11 4 1,27 .050 0,08 .003 0,1 .004 10,8 .425 4SE1 UL 和CSA 列举的引线 B 1,39-4,73 5-17 1,11 4 1,27 .050 0,08 .003 0,1 .004 10,8 .425 5SE1 防油 氟硅酮密封 A 1,39-4,73 5-17 1,11 4 1,27 .050 0,08 .003 0,1 .004 10,8 .425 1ft 引线(也 有其他长度供应) 图1 7SE1 低动作力 A 1,11-2,22 4-8 0,56 2 1,27 .050 0,08 .003 0,1 .004 10,8 .425 12SE4-T 高回程力 A 1,39-5,28 5-19 1,11 4 1,27 .050 0,08 .003 0,1 .004 10,8 .425 1SE1-T 用于用户 引线 A 1,39-4,73 5-17 1,11 4 1,27 .050 0,08 .003 0,1 .00410,8 .425图2环境密封的微动开关SE 系列SE 开关用辅助执行器的订货指南 (开关不包括执行器)特性: O.F. 动作力; R.F. 释放力; P.T. 预行程;O.T. 超行程; D.T. 差动行程O.P. 操作位置用安装在1SE1上的执行器测定的特性说明执行器长度A mm in.O.F .最大 N. oz. R.F .最小 N. oz. P.T.约 mm in. O.T.最小 mm in. D.T .最大 mm in. O.P. mm in. F.R. mm in. 图3 JE-1直刀形叶片 (包括安装用五金件)16,8 .663,34 120,56 23,81 .1500,38 .0150,64 .02511,2 .44015±0,76 .590±.030图4 JE-4滚轮刀形叶片滚轮相对开关轴旋转90°(包括安装用五金件)16,8 .663,34 120,56 23,81 .1500,38 .0150,64 .02516,3 .64020,1 .790 约图5 JE-5滚轮刀形叶片 (包括安装用五金件)14,2 .5603,34 120,56 23,81 .1500,38 .0150,64 .02516,3 .64020,1±0,76 .790±.030图6 JE-17反向位置滚轮刀形叶片(包括安装用五金件)14,2 .5603,34 120,56 23,81 .1500,38 .0150,64 .02516,3 .64020,1±0,76 .790±.030图7 JE-21滚轮杠杆 13,7 .5401,6760,28 12,54 .1000,25 .0100,41 .01616,3 .64018,8±0,76 .740±.030图8JE-22串列式滚轮杠杆7,8 .7004,73 171,11 42,54 .1000,15 .0060,3 .01216,8±1,3 .660±.05019,3±1,3 .760±.050环境密封的微动开关XE系列XE开关订货指南特性: O.F. 动作力; R.F. 释放力; P.T. 预行程;D.T. 差动行程O.P. 操作位置特性推荐用于电气额定值代码O.F.最大Noz.R.F.最大Noz.P.T.最大mmin.O.T.最小mmin.D.T.最大mmin.O.R.mmin.±.020(0,51) 1ft引线(亦有其他长度供应)1XE1(MS27994-1)大部分应用场合MIL-S-8805要求C 1,39-4,735-171,1141,27.0500,1.0040,13.00510,8.4251XE201(MS27994-4)一般用途MIL-S-8805要求MIL-W-22759/11导线C 1,39-4,735-171,1141,27.0500,1.0040,13.00510,8.4251XE3单刀单掷-常开 C1,39-4,735-171,1141,27.0500,1.0040,13.00510,8.4251XE301(MS27994-5)金触点MIL-W-22759/11导线R 1,39-4,735-171,1141,27.0500,1.0040,13.00510,8.4254XE1UL列出UL和CSA列出的引线D 1,39-4,735-171,1141,27.0500,1.0040,13.00510,8.4255XE1防油氟硅酮密封C 1,39-4,735-171,1141,27.0500,1.0040,13.00510,8.425图914XE1 小动作力可在+300°F(149°C)下使用E 2,50最大90,5620,76.0300,1.0040,13.00510,9.43014XE1-T用于用户引线可在300°F(149°C)下使用E 2,50最大90,5620,76.0300,1.0040,13.00510,9.430图101XE1-T(MS27994-3)用于用户引线 C1,39-4,735-171,1141,27.0500,1.0040,13.00510,8.425XE开关用辅助执行器订货指南(开关不包括执行器)特性: O.F. 动作力; R.F. 释放力; P.T. 预行程; O.T.超行程; D.T. 差动行程O.P. 操作位置F.P. 自由位置特性1XE1装有执行器目录号说明O.F.最大NOZR.F.最大Noz.P.T.约mmin.O.T.最小mmin.D.T.最大mmin.O.R.mmin.F.R.mmin.图11JM-1 直刀形叶片 5,84210,8333,18.1250,23.0090,3.01210,8±0,76.425±.03014±0,76.550±.030 图12JM-5 滚轮刀形叶片 5,84210,8333,18.1250,23.0090,3.01215,9±0,89.625±.03519,1±0,89.750±.035图3图4 图5直径宽滚轮含油铜滚轮直径直径宽宽滚轮 含油铜滚轮图8环境密封的微动开关SE 系列SE 安装尺寸(仅供参考)SE 开关20号引线脚安装孔可用销钉或22,1/.087最大直径的螺钉图1图2SE 辅助执行器直径宽含油铜滚轮直径宽含油铜滚轮图6图70,0 = mm 图例:0,00 = in.环境密封的微动开关XE系列XE安装尺寸(仅供参考)XE开关不锈钢柱塞不锈钢柱塞20号引线脚安装孔可用销钉或22,1/.087最大直径的螺钉图9图10XE辅助执行器直径宽滚轮图11图120,0 = mm图例:0,00 = in.SUNSTAR传感与控制/TEL:0755-********FAX:0755-********E-MAIL:**************SUNSTAR商斯达实业集团是集研发、生产、工程、销售、代理经销、技术咨询、信息服务等为一体的高科技企业,是专业高科技电子产品生产厂家,是具有10多年历史的专业电子元器件供应商,是中国最早和最大的仓储式连锁规模经营大型综合电子零部件代理分销商之一,是一家专业代理和分銷世界各大品牌IC芯片和電子元器件的连锁经营綜合性国际公司,专业经营进口、国产名厂名牌电子元件,型号、种类齐全。
2-135技术参数外壳:塑料触头:纯银、并镀金开关元件:单断点转换触头开关系统:自摩擦、速动系统接线:焊接、镀金绝缘电压Ui:250VAC, 25 - 60Hz 恒电流Ith:1A工作电流:0.6A ( 220VAC )短路保护:4A(慢); 6A(快)工作温度:-30 ... +85℃机械寿命:≥106次操动力:约1.5牛顿最终位置:最大8牛顿复原力:至少0.25牛顿认证:CE, 3C 认证M600/601 微动开关此系列微动开关体积小,精确度高,特别适用于加工机械及其它精密仪器安装空间小的情况。
此系列开关有二种规格:短结构的M600-11-2和长结构、带固定螺纹M 5×0.5及六角螺母的M601-11-2。
二种类型的开关触头为单断点转换触头,接触为自摩擦过程。
含银触头和焊接处均镀金。
开关底座及盖子具有高度防止爬行电流特性。
开关行程图速动开关摩擦接触型号重量操动力(N)M600-11-20.5g 约1.5型号重量操动力(N)M601-11-2 1.6g约1.52-136M610-11-20 (焊接)M610-11-30 (插座连接)M610-11-60 (螺丝接线)此系列微动开关可作机械量和电信号的转换元件,广泛应用于控制和精密机械技术领域里。
开关的外形尺寸可在国际通用,符合DIN 标准。
开关的镀金接线端子嵌压进开关底座,底座的材料具有高的防爬行电流之特点,接线方式有螺丝、插头及焊接三种方式。
开关可通过其塑料滚珠直接、且多方向操动,开关的操动件种类多样,而且可随时更换。
开关里的弹簧为结实的不锈钢材料,具有寿命长的特点,其余部件均镀金,镀金的银触头和自摩擦接触机理确保可靠优异的电接触性能。
当在弱直流电压条件下时,可选择M610系列的镍-金触头微动开关(后缀为 AuNi),此型号开关特别适用于驱动小继电器(比如: 24VDC/100mA)。
此系列开关也可提供操动力小的(0.8N)型号,后缀-1006。
KW-811微动开关的设计摘要:文章简述了微动开关的研制,该产品的主要性能、结构特点和设计理念。
这种开关具有体积小,行程短,高可靠性等特点。
关键词:微动开关;技术指标;可靠性;机械寿命1引言开关的种类繁多,按照结构分类有微动开关、钮子开关、拨动开关、按键开关,还有时尚潮流的薄膜开关、点开关等。
其中微动开关是具有微小接点间隙和快动机构,用规定的行程和规定的力进行卡关动作的接点机构,其开关的触点间距比较小。
微动开关在需频繁换接电路的设备中进行自动控制及安全保护等,广泛应用在电子设备、仪器仪表、电器设备,以及航天、航空、舰船、导弹、坦克等军事领域,开关虽小,但起着不可替代的作用。
本文所介绍的KW-811属于微动开关,其中阐述该产品的性能、设计结构、动作特性及可靠性等内容。
2 KW-811微动开关的性能2.1主要技术指标及外形尺寸如下:外型尺寸 12.5mm×6.5mm×5mm接触电阻≤40mΩ绝缘电阻≥1000MΩ介质耐电压 1000Vdc触点回跳≤6ms机械寿命 15000次电寿命 5000次2.2使用环境要求与其它特殊要求如下:温度范围 -65℃~+125℃振动 10~2000Hz冲击 1000m/s2盐雾 96h耐湿交变240h3 产品结构设计3.1设计依据及工作原理该产品是根据用户提供的国外样品进行仿制的,是激光制导仪控制系统的一个关键元件。
根据产品的特殊性能要求,在设计中考虑到开关动作的精密性、一致性及环境性,考虑到整机使用中的互换性,其结构形式、外形尺寸、动作尺寸、要完全符合国外样品。
该产品是一种单刀双掷的小间隙的精密微动开关,是有基座、按钮、动簧片组及两个静簧片引出端组成,其工作原理如图所示:a)两种不同规格尺寸的簧片装入基座,做为开关的两个引出端。
b)将动簧片组装入基座,簧片(2)卡入簧片(1)和接线端之间,在簧片(2)的作用下簧片(1)形成弓形,其作用力使动触点与引出端相接,形成一组常闭接点。
D2SD2S超小型基本开关具有出色的耐焊剂性的超小型系列●备有印刷基板独立端子和焊接端子。
●焊剂无法进入的一体成型端子结构。
●动作位置(OP)的精度高达±0.25mm ,周边设计 和定位简单。
●采用了横向操作中也能方便动作的针状按钮型。
■型号标准■种类●1c型(双投型)D2S超小型基本开关D 2S■接点规格*关于最小适用负载,请参考[■请正确使用]的[●关于微小负载型中的使用]。
■负载分类开关能力(参考值)注1.()内仅为D2S-10系列的额定值。
注2.上述数值表示稳定电流。
注3.所谓感性负载,为功率因数0.4以上(交流)、时间常数7ms 以下(直流)的负载。
注4.所谓电灯负载,就是有10倍的浪涌电流的负载。
注5.所谓电动机负载,就是有6倍的浪涌电流的负载。
开关电流(A)■性能*1. 耐压为使用了隔板时的数值。
(请参考相关页)*3. 有关试验条件请另行垂询。
*2. 在针状按钮型中为自由位置和总行程位置的数值,摆杆型时是总行程位置 上的数值。
接点的闭路或开路在1ms 以内。
注.上述数值表示稳定电流。
■额定值注.上述额定值是在下面条件下测得的数据。
(1)环境温度:20±2℃(2)环境湿度:65±5%RH (3)操作频率:30次/min■安全规格认证额定值UL (UL1054)/CSA (CSA C22.2 No.55)关于个别的认证型号请垂询本公司。
■参考数据●机械寿命曲线(针对按钮型的情况)●电气寿命曲线动作次数(×次)104过行程OT(mm)动作次数(×次)104D2S超小型基本开关D 2S■外形尺寸(单位:mm )/动作特性●摆杆型D2S-10L □D2S-5L □D2S-5L-F □D2S-01L □D2S-01L-F□●R 形摆杆型D2S-10L13□D2S-5L13□D2S-5L13-F □D2S-01L13□D2S-01L13-F□■端子种类/形状(单位:mm )●焊接端子●印刷基板独立端子■端子孔加工尺寸(单位:mm )注1.上述外型尺寸图中未注公差为±0.4mm 。