制冷空调系统安装维修工国家标准
- 格式:doc
- 大小:248.50 KB
- 文档页数:17
制冷设备维修工职业标准一、职业简介制冷设备维修工是指专门从事制冷设备维修与保养工作的职业人员。
他们通过检查、调试、维修和保养制冷设备,确保其正常运行,并及时诊断和修复设备故障,以保证设备的性能和寿命。
二、职业要求1.熟悉制冷设备的工作原理、结构和性能,掌握相关的操作流程和检修方法;2.具备良好的电气、机械、自控等专业知识,能够独立完成设备的诊断、检修和维护;3.具备分析和解决问题的能力,能够迅速定位设备故障并进行修复;4.具备安全意识和责任心,能够严格按照操作规程进行操作,确保操作过程的安全性;5.具备团队合作意识,能够与其他维修人员和客户进行有效沟通,协同完成工作任务。
三、主要工作任务1.检查设备:定期巡检制冷设备,检查设备的运行状态、温度、压力等参数,发现异常情况及时进行记录;2.故障诊断:对设备故障进行定位和诊断,分析故障原因,并进行相应的维修措施;3.维修与更换:根据维修方案进行故障修复或零部件更换,确保设备的正常运行;4.保养与维护:定期对设备进行保养和维护,包括清洗、润滑、紧固等工作,保持设备的良好状态;5.协助其他工作:协助其他相关工作,如设备的安装、拆卸等工作。
四、工作环境制冷设备维修工主要在室内进行工作,工作环境可能存在较高的温度、噪音和粉尘。
同时,他们可能需要在高处进行工作,因此需要具备一定的体力和耐力。
五、职业发展制冷设备维修工可以通过培训和学习不断提升自己的技能和知识,提高维修水平。
他们还可以通过取得相关的职业资格证书,如《制冷设备维修工职业资格证书》等,进一步提升自己的职业素质。
随着科技的不断发展,新型的制冷设备不断涌现,制冷设备维修工需要不断学习新知识和新技术,保持自己的技术更新和适应能力,才能适应行业的发展变化。
六、职业素养制冷设备维修工需要具备以下职业素养:•责任心:对工作负责,严格按照操作规程进行操作,确保操作过程的安全性;•团队合作:与其他维修人员和客户进行有效沟通,协同完成工作任务;•学习能力:不断学习新知识和新技术,适应行业的发展变化;•分析和解决问题的能力:能够迅速定位设备故障并进行修复;•具备安全意识:遵守相关的安全操作规程,保障工作安全。
国家职业技能标准制冷空调系统安装维修工一、背景介绍1.1 制冷空调系统在现代社会中发挥着重要作用,其安装维修工作的专业技能对于保障人民生活所需的舒适环境具有至关重要的意义。
1.2 国家职业技能标准制冷空调系统安装维修工作的制定是为了规范从业人员的专业技能,提高技术水平,确保制冷空调系统的安全、稳定运行。
二、职业技能标准的制定依据2.1 国家相关法律法规和政策2.2 行业标准和规范2.3 技术发展趋势和需求分析2.4 人力资源市场需求分析2.5 职业技能竞赛及评比结果分析2.6 相关企业实际需求和现场工作实践积累三、职业技能标准的内容和要求3.1 安装技能要求3.1.1 掌握制冷空调系统的组装和安装流程3.1.2 熟练使用安装工具和设备3.1.3 熟悉相关安装标准和规范3.2 维修技能要求3.2.1 掌握制冷空调系统的基本原理及构造3.2.2 能够快速准确地判断系统故障,并进行维修处理3.2.3 具备维修现场的安全意识和应急处理能力3.3 专业知识要求3.3.1 熟悉制冷空调系统的相关理论知识3.3.2 对新型制冷空调技术有一定了解3.3.3 具备相关专业资格证书和技能等级证书四、职业技能标准的评价方法4.1 理论知识考核4.2 实际操作能力考核4.3 事故应急处理能力考核4.4 综合技能考核五、职业技能标准的实施5.1 职业教育培训5.1.1 针对从业人员进行相应的技能培训5.1.2 加强对制冷空调系统安装维修工作的专业知识和技能培训5.2 职业资格认定5.2.1 设立相关职业技能鉴定机构进行职业技能鉴定5.2.2 根据职业技能标准开展职业技能等级认定5.3 持续跟踪评价5.3.1 定期组织职业技能竞赛和评比活动5.3.2 对从业人员进行继续教育和技能培训六、职业技能标准的意义和价值6.1 提高从业人员的专业技能水平6.2 规范制冷空调系统安装维修工作流程6.3 保障制冷空调系统的正常运行6.4 提升制冷空调系统安装维修工作的社会地位和职业认可度七、结语制冷空调系统安装维修工作的职业技能标准的制定与实施,对于提高从业人员的专业水平,保障制冷空调系统的安全、稳定运行具有重要意义。
目次前言 (1)1 范围 (2)2 规范性引用文件 (2)3 术语和定义 (3)4 适应院校专业 (5)5 面向职业岗位(群) (6)6 职业技能要求 (6)参考文献 (13)1 范围本标准规定了制冷空调系统安装与维修职业技能等级对应的工作领域、工作任务及职业技能要求。
本标准适用于制冷空调系统安装、维修与运维管理职业技能培训、考核与评价,相关用人单位的人员聘用、培训与考核可参照使用。
2 规范性引用文件下列文件对于本标准的应用是必不可少的。
凡是注日期的引用文件,仅注日期的版本适用于本标准。
凡是不注日期的引用文件,其最新版本适用于本标准。
GB/T 18517-2012 制冷术语GZB 6-29-03-05 制冷空调系统安装维修工国家职业技能标准(2018年版)GB50254-2014 电气装置安装工程低压电器施工及验收规范GB50189-2015 公共建筑节能设计标准JGJ174-2010 多联机空调系统工程技术规程JGJ158-2018 蓄能空调工程技术标准GB50366-2009 地源热泵系统工程技术规范GB/T18430.1 蒸汽压缩循环冷水(热泵)机组GB/T25127.2-2020 低环境温度空气源热泵(冷水)机组GB50736-2012 民用建筑供暖通风与空气调节设计规范GB/T8175-2008 设备管道绝热设计导则GB/T14294-2008 组合式空调机组GB/T14296-2008 空气冷却器与空气加热器GB/T17758-2010 单元式空气调节机GB/T21087-2020 热回收新风机组GB/T19409-2013 水(地)源热泵机组GB50325-2020 民用建筑工程室内环境污染控制标准GB17790-2008 家用和类似用途空调器安装规范GB50072-2010 冷库设计规范GB28009-2011 冷库安全规程GB/T50106-2010 建筑给排水制图标准GB/T267597-2011 中央空调水系统节能控制装置技术规范GB/T25128-2010 直接蒸发式全新风空气处理机组TSG21-2016 固定式压力容器安全技术监察规程GB50236-2011 现场设备、工业管道焊接工程施工规范GB/T 9237-2017 制冷系统及热泵安全与环境要求GB/T 7778-2017 制冷剂编号方法和安全性分类GB 50243-2016 通风与空调工程施工质量验收规范GB/T17981-2007 空气调节系统经济运行GB/T26205-2010 制冷空调设备和系统减少卤代制冷剂排放规范QB/T4975-2016 使用可燃性制冷剂生产家用和类似用途房间空调器安全技术规范AQ7004-2007 制冷空调作业安全技术规范3 术语和定义国家、行业标准界定的以及下列术语和定义适用于本标准。
国家空调安装标准一、安装标准根据国家质量技术监督局发布的国家空调安装标准,特制定空调安装标准:1. 空调器应安装在儿童不易触及的地方。
2. 尽量避开自然条件恶劣(如油烟重、风沙大,阳光直射或有高温热源)的地方。
3. 尽量缩短室内机和室外机连接的长度。
4. 避开人工强电、磁场直接作用的地方,尤其是在涉及到消费者人身安全的方面,该标准更是提出了严格的量化要求。
5. 室外机组安装架承载能力至少不低于 180公斤。
6. 建筑物内部的过道,楼梯、出口等公用地方不应安装空调器的室外机7. 空调器的室外机组不应占用公共人行道,沿道路两侧建筑物安装的空调器其安装架底部距地面的距离应大于 2.5米。
8. 空调器的室外机应尽可能远离相邻方的门窗和绿色植物,与对方门窗距离不得小于 3米。
二、安装规范1. 检查家中、电源电压、电线材质与线径、电源保险大小及插座质量、耐压、性能。
2. 检查室内、外机规格是否一致,室内、外机及安装附件是否齐全,有效。
3. 检查室内、外机的外观有无损伤。
4. 将室内机电源接通,使用遥控器进行功能转换,检查机器运转和噪声及遥控器是否正常。
5. 管路每贰米有固定点。
连接管如需自配,铜管应按厂家规定壁厚选配6. 安装室内、室外机时应注意水平,室内机左右高低不得超过 3厘米,室外机尽量水平,最大左右高低不得超过3公分。
附件如需自行选购,不得低于厂家规定标准。
7. 室内机固定螺丝不得少于 6个,室外机架固定胀栓不得少于4个,室外的膨胀螺栓都应加垫片及弹簧垫,选用规格、质量均不得低于厂家规定。
室外机地脚螺栓不得少于4个。
所有螺栓螺母定要拧紧。
如遇墙体疏松应打穿钉或采用其他相应措施固定。
并保证室内机与室外机的固定年限在20年以上。
8. 使用的电源线必须达到厂家规定的质量标准和规格。
决不允许使用杂牌,亏方,劣质的电源线及信号线,功率在 1500W以下的选用10A的保险开关,在1500W到2500W使用15A的保险开关,功率在2500W到3500W使用20A保险开关,功率在3500W到6000 使用30A保险开关。
制冷空调系统安装维修工职业技能等级认定一、介绍制冷空调系统安装维修工是指掌握制冷空调系统的安装、维修和维护技能,可以负责制冷空调设备的安装、维修和维护工作。
他们需要具备系统的制冷空调知识、技能及相关法律法规的了解,能够对制冷空调设备进行高效、安全的安装和维修。
制冷空调系统安装维修工的职业技能等级认定是对他们所掌握的技能水平进行评定和认证,在职业发展中起着重要的作用。
二、职业技能等级认定标准制冷空调系统安装维修工的职业技能等级认定标准是由相关部门制定的,其中包括技能等级划分、技能考核内容、考核标准等。
在中国,制冷空调系统安装维修工职业技能等级认定标准一般由国家人力资源和社会保障部门制定,并由相关行业协会或职业技能鉴定机构负责具体实施。
1.技能等级划分制冷空调系统安装维修工的职业技能等级一般分为几个等级,通常包括初级、中级、高级等等。
不同等级的制冷空调系统安装维修工对所需的技能水平、工作经验和专业知识等都有不同的要求。
2.技能考核内容制冷空调系统安装维修工的职业技能考核内容一般包括制冷空调设备的安装、调试、维修和保养等方面的技能。
具体包括但不限于以下方面:(1)安装能力:包括对制冷空调系统各种设备的安装技能,如空调室内外机的安装、管道连接、电气接线等。
(2)调试能力:包括对已安装的制冷空调设备进行调试,确保其正常工作。
(3)维修能力:包括对制冷空调设备进行故障检修和维护,能够快速准确地发现和解决故障。
(4)安全意识:包括对工作场所安全和操作规程的了解和遵守,能够确保工作过程中的安全。
3.考核标准制冷空调系统安装维修工的职业技能考核标准是对其技能水平和工作表现进行评定的依据。
考核标准一般由相关部门或行业协会制定,包括理论知识考核、实际操作考核和综合评定等内容。
三、职业技能等级认定的流程制冷空调系统安装维修工的职业技能等级认定一般需要经过一定的流程,包括报名、考核、评定和认证等环节。
具体流程如下:1.报名制冷空调系统安装维修工需要向相关部门或职业技能鉴定机构进行报名,提供相关个人信息和证明材料,并缴纳相关报名费用。
制冷空调设备维修安装服务企业等级资质评价标准制冷空调设备维修安装服务企业等级资质评价标准引言制冷空调设备在现代社会发挥着重要作用,对于我们的生活和工作环境起到了至关重要的作用。
然而,由于相关设备的复杂性和技术要求的不断提高,对于维修安装服务企业的要求也越来越高。
为了确保用户能够获得高质量和可靠的维修安装服务,各个地区纷纷制定了一系列的评价标准,用于对制冷空调设备维修安装服务企业的等级资质进行评估和认定。
本文将从简单到复杂,由浅入深地探讨制冷空调设备维修安装服务企业等级资质评价标准。
一、资质评价标准的简介1.1 什么是制冷空调设备维修安装服务企业等级资质评价标准?制冷空调设备维修安装服务企业等级资质评价标准是一个评估和认定制冷空调设备维修安装服务企业的体系,旨在确保企业具备一定的技术和管理能力,以提供高质量、可靠和安全的维修安装服务。
1.2 资质等级的分类和要求根据维修安装服务企业的能力和实力,资质评价标准一般分为几个等级,如初级、中级和高级资质等级。
不同等级对于企业的技术、人员素质、管理水平、设备设施等方面都有一定的要求。
通常,随着企业资质等级的提升,其维修安装服务的能力和水平也会相应提高。
二、制冷空调设备维修安装服务企业等级资质评价标准的具体要求2.1 技术要求制冷空调设备的维修和安装通常需要具备一定的技术能力和专业知识。
对于高级资质等级的企业,技术要求通常更高。
这包括但不限于:(1)拥有一定数量和质量的技术人员,包括持有相关证书或经验丰富的工程师和技术人员;(2)具备专业的技术设备和工具,以进行设备的维修和安装工作;(3)能够熟练操作并修理各种制冷空调设备,包括常见的中央空调系统、冷冻设备、冷库等;(4)了解和应用最新的制冷技术和维修方法,以确保服务的质量和效率。
2.2 管理要求维修安装服务企业的管理水平对于提供高质量的服务至关重要。
各个资质等级的企业都应该具备一定的管理要求,包括但不限于:(1)建立和完善企业内部的管理体系,包括技术、质量、安全、人力资源等方面的管理;(2)拥有一套科学、规范和有效的工作流程和操作规范,以确保工作的有序进行和质量的可控;(3)建立维修安装服务质量监控机制,及时发现和纠正问题,提供优质的客户服务。
深圳市职业技能鉴定(制冷设备维修工)考核大纲1、职业概况1.1职业名称:制冷设备维修工1.2职业定义:运用各种电工仪器仪表、工具,对制冷设备进行安装、调试、保养、检测、修理和排除故障的人员。
1.3职业等级:本大纲共设三个等级,分别为:初级(国家职业资格五级)、中级(国家职业资格四级)、高级(国家职业资格三级)。
1.4基本文化程度:初中毕业1.5培训期限要求:全日制职业学校教育,根据其培训目标和教学计划确定。
晋级培训期限:初级不少于120标准学时,中级不少于150标准学时,高级不少于150标准学时。
1.6报考条件:——初级(具备下列条件之一者)(1)经本职业初级正规培训达规定标准学时数,并取得结业证书。
(2)在本职业连续见习工作2年以上。
(3)本职业学徒期满。
——中级(具备下列条件之一者)(1)取得本职业初级职业资格证书后,连续从事本职业工作2年以上,经本职业中级正规培训达规定标准学时数,并取得结业证书。
(2)取得本职业初级职业资格证书后,连续从事本职业工作4年以上。
(3)连续从事本职业工作6年以上。
(4)取得经教育或劳动保障行政部门审核认定的、以中级技能为培训目标的中等以上职业学校本职业(专业)毕业证书。
——高级(具备下列条件之一者)(1)取得本职业中级职业资格证书后,连续从事本职业工作3年以上,经本职业高级正规培训达规定标准学时数,并取得结业证书。
(2)取得本职业中级职业资格证书后,连续从事本职业工作5年以上。
(3)取得经教育或劳动保障行政部门审核认定的、以高级技能为培训目标的高等职业学校(含高级技工学校)本职业(专业)毕业证书。
(4)取得本职业中级职业资格证书的大专本专业或相关专业毕业生,连续从事本职业工作2年以上。
1.7鉴定方式、鉴定时间分为理论知识考试和技能操作考核。
理论知识考试采用闭卷笔试方式,技能操作考核采用现场实际操作方式。
理论知识考试和技能操作考核均实行百分制,成绩皆达60分及以上者为合格。
制冷空调系统安装维修工职业技能等级认定随着人们对生活品质的追求,空调已经成为了现代家居的必备装备。
而制冷空调系统安装维修工,则是保证空调正常运转的关键人员。
本文将探讨制冷空调系统安装维修工的职业技能等级认定。
一、职业技能等级认定的背景与意义制冷空调系统安装维修工作作为一项技术含量较高的职业,其对员工的技能水平和专业素养要求较高。
因此,进行职业技能等级认定,可以有效评估员工的技能水平,为员工提供职业发展的方向和目标,同时也可以为企业提供全面的技术人才信息,提高员工的整体素质和企业的服务质量。
二、职业技能等级认定的标准和内容1.技能等级标准根据国家相关政策和行业规范,制冷空调系统安装维修工的技能等级认定主要包括初级、中级和高级三个等级。
初级制冷空调系统安装维修工应具备一定的技能和基本的安装维修能力;中级制冷空调系统安装维修工应具备较强的技能水平和独立解决问题的能力;高级制冷空调系统安装维修工应具有深厚的专业知识和丰富的实践经验,能够独立完成复杂的安装维修任务。
2.技能等级内容制冷空调系统安装维修工的技能等级认定内容主要包括理论知识、实际操作技能、安全操作规范、管理能力等方面的考核。
理论知识主要包括相关的物理学、化学、机械学等方面的知识,实际操作技能主要包括空调设备的拆装、维护保养、故障排除等方面的技能,安全操作规范主要包括操作规程和安全防护知识等,管理能力主要包括工作组织协调能力、应急处理能力等。
三、职业技能等级认定的方法和程序1.认定方法制冷空调系统安装维修工的技能等级认定主要采用理论考试和实际操作考核相结合的方法。
理论考试主要考核员工对相关理论知识的掌握情况,实际操作考核主要考核员工对实际操作技能的掌握情况。
同时,还可以结合案例分析、论文撰写等方式进行全面评估。
2.认定程序技能等级认定程序主要包括申请、资格审核、考试培训、考试评定等多个环节。
员工首先需要向相关部门提交申请,通过资格审核后可以参加考试培训,通过培训后参加考试评定,最终确定技能等级。
制冷空调系统安装维修工职业技能等级认定一、背景介绍随着城市化进程的加快和人们生活水平的提高,空调产品在日常生活中的应用越来越普遍。
在这种情况下,制冷空调系统安装维修工这一职业成为了越来越受欢迎的职业。
制冷空调系统安装维修工的主要职责是安装、维修和保养制冷空调设备,这就要求他们具备一定的专业技能和知识。
而为了更好地评定他们的技能水平,需要对其进行职业技能等级认定。
二、职业技能等级认定的意义1.为制冷空调系统安装维修工提供一个能力验证的平台,使其在实际工作中能够更好地发挥自己的技能。
2.为制冷空调系统安装维修工提供一个技能提升的机会,促使他们不断提高自身的专业水平。
3.为用人单位提供一个衡量员工技能水平的依据,有助于提高用人单位的用工质量。
三、职业技能等级认定的标准制冷空调系统安装维修工的职业技能等级认定主要参考以下标准:1.职业技能等级标准:根据职业技能等级标准,对制冷空调系统安装维修工的技能水平进行评定,包括安装、维修、保养等方面的能力。
2.相关法律法规:考虑到制冷空调系统安装维修工的工作与相关法律法规有关,对其了解并遵守相关法律法规的能力也是职业技能等级认定的标准之一。
3.安全意识:制冷空调系统安装维修工的工作涉及到安全风险,因此安全意识是评定其职业技能等级的重要标准之一。
四、职业技能等级认定的程序1.提交申请:希望进行职业技能等级认定的制冷空调系统安装维修工需要向相应的认定机构提交申请,填写相关申请表格,并提交相应的材料。
2.资格审核:认定机构对申请人的资格进行审核,包括个人的学历、工作经历等。
3.职业技能测试:认定机构组织对申请人的职业技能进行测试,测试内容包括安装、维修、保养等方面的能力。
4.考核通过:通过考核的申请人将获得相应的职业技能等级证书,来证明其在制冷空调系统安装维修方面的技能水平。
五、职业技能等级证书的意义职业技能等级证书是对制冷空调系统安装维修工技能水平的一种证明,具有一定的权威性。
制冷空调系统安装维修工职业技能等级认定制冷空调系统在现代社会中扮演着重要的角色,为人们提供舒适的居住环境和工作场所。
因此,制冷空调系统的安装和维修工作显得尤为重要。
为了保障人们的安全和健康,国家对制冷空调系统安装维修工职业技能进行了认定和等级划分。
本文将探讨制冷空调系统安装维修工职业技能等级认定的相关内容。
一、制冷空调系统安装维修工的职责制冷空调系统安装维修工作是一项技术含量较高的职业,需要具备一定的专业知识和技能。
其主要职责包括:1.安装制冷空调系统:包括空调主机、室内机、室外机的安装,以及管道连接和电路接线等工作。
2.维修制冷空调系统:包括故障排除、零部件更换、系统调试和保养等工作。
二、制冷空调系统安装维修工的技能要求为了胜任制冷空调系统安装维修工作,必须具备以下技能要求:1.掌握制冷空调系统的工作原理和结构,了解各种制冷剂的性质和用途。
2.能够熟练操作安装维修工具,包括钳子、扳手、电焊机等。
3.具备一定的电气知识,能够进行空调电路的接线和调试。
4.具备一定的机械维修知识,能够进行空调压缩机、风机等零部件的维修和更换。
5.具备一定的安全意识,能够在高处作业和密闭空间工作时采取必要的安全措施。
三、制冷空调系统安装维修工的技能等级认定标准为了评定制冷空调系统安装维修工的技能水平,国家制定了相应的技能等级认定标准。
一般来说,制冷空调系统安装维修工的技能等级主要包括初级、中级和高级三个等级。
具体的技能等级认定标准包括以下几个方面:1.理论知识水平:包括制冷空调系统的工作原理、结构和性能特点等方面的知识。
2.操作技能水平:包括安装维修工具的操作技能,以及制冷空调系统的安装、维修和调试技能。
3.安全意识和职业道德:包括在工作中能够遵守相关安全规定,保护环境并具备一定的职业道德。
四、制冷空调系统安装维修工的技能等级认定程序通常情况下,制冷空调系统安装维修工的技能等级认定程序包括以下几个步骤:1.提交申请:制冷空调系统安装维修工向相关部门提交技能等级认定的申请书,并缴纳相应的认定费用。
制冷空调系统安装维修工国家职业技能标准1职业概况1.1 职业名称制冷空调系统安装维修工1.2 职业编码6-29-03-051.3 职业定义使用通用和专用工具,安装、连接、装配、调试和维修制冷空调系统的人员。
1.4 职业技能等级本职业共设五个等级,分别为:五级/初级工、四级 /中级工、三级 /高级工、二级 /技师、一级 /高级技师。
1.5 职业环境条件在低温、高温、潮湿环境下作业,过程中可能会接触可燃、有毒气体、光辐射、焊接烟灰、振动与噪音等。
1.6 职业能力特征运用手、眼和耳等身体部位,准确、协调地完成既定作业的能力;对工艺规程和技术参数的记忆、理解、辨识和执行的能力;觉察机械设备或图形资料及有关细部的能力;灵活应变和独立处理问题的能力;学习和获取外界信息的能力。
1.7 普通受教育程度初中毕业(或相当文化程度)1.8 职业技能鉴定要求1.8.1 申报条件——具备以下条件之一者,可申报五级/初级工:(1)累计从事本职业或相关职业工作 1 年(含)以上。
(2)本职业或相关职业学徒期满。
——具备以下条件之一者,可申报四级/中级工:(1)取得本职业或相关职业五级 /初级工职业资格证书后,累计从事本职业或相关职业工作 4 年(含)以上。
..(2)累计从事本职业或相关职业工作 6 年(含)以上。
(3)取得技工学校本专业或相关专业毕业证书(含尚未取得毕业证书的在校应届毕业生);或取得经评估论证、以中级技能为培养目标的中等及以上职业学校本专业或相关专业毕业证书(含尚未取得毕业证书的在校应届毕业生)。
——具备以下条件之一者,可申报三级 /高级工:(1)取得本职业或相关职业四级/中级工职业资格证书后,累计从事本职业或相关职业工作 5 年(含)以上。
(2)取得本职业或相关职业四级/中级工职业资格证书,并具有高级技工学校、技师学院毕业证书(含尚未取得毕业证书的在校应届毕业生);或取得本职业或相关职业四级 /中级工职业资格证书,并具有经评估论证、以高级技能为培养目标的高等职业学校本专业或相关专业毕业证书(含尚未取得毕业证书的在校应届毕业生)。
空调制冷系统维修安全操作规范空调的制冷系统是一个压力系统,并且在维修时可能进行焊接、通电运行等操作,所以存在触电、冻伤、烫伤和爆炸等危险。
为了维护操作人员的切身利益和生命安全,请各维修人员自觉遵守以下安全操作注意事项。
一、整体检查如果需要检测机器的压力、系统各点运行温度值等参数,若为分体机必须在连通室内、外机的情况下进行。
如果需要连接压力表检测压机排气压力,请在机器静态时连接好压力表,避免在运行时连接造成高温烫伤。
如果需要用手感触压机排气口至冷凝器段管路的温度,请先用手指快速试探,以免造成烫伤。
二、焊接操作如果需要进行焊接操作,必须先放掉系统里的氟里昂,并且在焊接时请戴好防护眼镜。
放氟过程中,操作人员不得面对工艺口或对着他人放气,避免被氟利昂冻伤。
焊接时请遵守相关的焊接安全操作规程。
三、压力检漏如果需要对系统实施压力检漏,必须使用氮气进行,严禁使用其它易燃易爆气体。
充入系统的氮气压力不允许超过3MPa。
在使用充氮接头进行充氮接头时,接头不得对着人和其它可能造成损害的地方,以免接头飞出伤人或导致其它损失.严禁在压缩机工作的情况下充入气体检漏。
四、通电运转在单独对分体机室外机组维修时,不得在高压阀门或低压阀门关闭的情况下通电运行,避免压力过高产生系统爆裂事故或压缩机真空运转产生爆炸事故。
在对室外风扇系统进行检查时,如果需要通电运转,必须保证在调面板和风扇网罩安装好的情况进行。
在通电的情况下检查机器请遵守相关的电工安全操作规程。
五、压缩机检查如果需要对压缩机进行吸、排气性能检测,可单独拆下压缩机在空气中通电运转,严禁在封死压机排气口或吸气口的情况下运行压缩机。
不允许利用压缩机进行抽真空操作。
六、加氟操作如果需要在低压侧进行动态加氟操作,请使用复合式压力表缓慢地进行,不允许把制冷剂钢瓶倒置,并尽可能保证加入系统的为气体状态制冷剂。
若为分体机必须保证此过程中室内、外机处于连通状态。
如果在系统完全无氟的情况下加氟必须先对系统抽真空,在保证真空度的前提下才可以充氟。
家用电器产品维修工国家职业标准1. 职业概况1.1 职业名称家用电器产品维修工。
1。
2 职业定义使用兆欧表、万用表等电工仪器仪表、工具,对电冰箱、空调器、洗衣机等家用电器进行维护、修理的人员.1.3 职业等级本职业共设四个等级,分别为:中级(国家职业资格四级)、高级(国家职业资格三级)、技师(国家职业资格二级)、高级技师(国家职业资格一级)。
1.4 职业环境室内、常温。
1.5 职业能力特征有一定的观察、判断和推理能力,手指、手臂灵活,动作协调。
1.6 基本文化程度高中毕业.1。
7 培训要求1.7.1 培训期限全日制职业学校教育,根据其培养目标和教学计划确定。
晋级培训期限:中级培训时间不少于300标准学时;高级培训时间不少于150标准学时;技师培训时间不少于150标准学时;高级技师培训时间不少于150标准学时。
1.7。
2 培训教师培训中级、高级人员的教师应由具有本职业技师以上职业资格或具有中、高级职称的专业技术人员担任;技师和高级技师的培训教师由具有本职业高级技师以上职业资格或具有相应职业的高级职称的专业技术人员担任。
1.7.3 培训场地设备标准教室及具备必要实验设备的实践场所和家电产品测试仪表及工具。
1。
8 鉴定要求1。
8。
1 适用对象从事或准备从事本职业的人员。
1.8。
2 申报条件—-中级(具备下列条件之一者)(1)连续从事或见习本职业工作3年以上,经本职业中级正规培训达规定标准学时数,并取得毕(结)业证书。
(2)连续从事本职业工作6年以上.(3)取得经劳动保障行政部门审核认定的、以中级技能为培养目标的中等以上职业学校本职业毕业证书。
-—高级(具备下列条件之一者)(1)取得本职业中级职业资格证书后,连续从事本职业工作4年以上,经本职业高级正规培训达规定标准学时数,并取得毕(结)业证书。
(2)取得本职业中级职业资格证书后,连续从事本职业工作7年以上.(3)取得经劳动保障行政部门审核认定的、以高级技能为培养目标的高等职业学校本职业毕业证书。
制冷空调系统安装维修工资格证书一、工资格证书的概述制冷空调系统安装维修工资格证书是一种资格证明,用于验证持有人在制冷空调系统安装维修领域具备相应的专业能力和知识。
持有该证书的人员可以从事制冷空调系统的安装、维修、检测和保养等相关工作。
本文将详细介绍该证书的申请条件、培训内容、考核方式和证书使用。
二、申请条件1.年龄要求:申请人需年满18周岁以上;2.学历要求:无学历限制,但持有相关制冷空调系统安装维修专业职业学校或技术培训机构的学历证明或毕业证书者优先;3.培训经历:须具备相关的制冷空调系统安装维修工作经验,培训机构提供的证明或单位工作证明可作为经验依据;4.健康状况:申请人需身体健康,无传染病和与从事制冷空调系统工作不相适应的疾病;5.无犯罪记录:申请人需无刑事犯罪记录,需提供公安机关出具的无犯罪记录证明;6.其他要求:根据具体的培训机构或行业协会要求进行补充。
三、培训内容制冷空调系统安装维修工资格证书的培训内容主要包括以下几个方面:1.制冷空调系统的原理和构成:掌握制冷循环和空调系统的工作原理,了解各种制冷设备和空调设备的构成和功能;2.安装与调试:熟悉制冷设备和空调设备的安装和调试流程,能够根据图纸和规范进行设备的安装和调试;3.维修与故障排除:具备制冷设备和空调设备的维修和故障排除能力,能够准确判断故障原因并采取相应措施进行修复;4.工作安全与环境保护:了解制冷空调系统安装维修工作的相关安全知识和环保要求,能够在工作中注重安全和环保;5.相关法律法规及标准:熟悉制冷空调系统安装维修行业的相关法律法规和行业标准,确保操作合法合规。
四、考核方式制冷空调系统安装维修工资格证书的考核一般包括以下几个环节:1.理论考核:采取书面考试的形式,测试申请人对制冷空调系统的原理、构成、安装和维修等方面的理论知识掌握程度;2.实践操作考核:进行实际操作考核,测试申请人在制冷空调系统安装和维修过程中的操作能力和技巧;3.综合评价:将理论考核成绩和实践操作考核成绩进行综合评价,达到一定标准方可取得资格证书。
中国制冷空调标准大全现代生活中,制冷空调已经成为了我们不可或缺的一部分。
无论是家庭住宅、商业办公楼,还是工业生产厂房,制冷空调都被广泛应用。
然而,在使用制冷空调的过程中,我们需要关注的不仅仅是舒适度,还有安全性、节能性和环保性等方面。
为了确保制冷空调在中国市场的质量和安全,中国制定了一系列与制冷空调相关的标准。
本文将为大家介绍中国制冷空调标准的一些重要内容。
一、制冷空调产品标准制冷空调产品标准是确保制冷空调产品的质量、性能和安全性的基础。
在中国,制冷空调产品必须符合以下标准:1. GB/T 19454-2017 制冷空调器能效限定值及能效等级该标准规定了制冷空调器的能效等级和能效限定值。
根据能效等级,制冷空调产品被分为1至5级,能效等级越高,产品的能效越好。
2. GB 4706.1-2014 家用和类似用途电器的安全第1部分:通用要求该标准规定了制冷空调产品的通用安全要求,包括电气安全、防火安全和机械安全等方面的要求。
这些要求旨在确保制冷空调产品在正常使用过程中不会对人身、财产安全造成威胁。
3. GB/T 19232-2011 制冷空调器噪声限值及检测方法此标准规定了制冷空调器的噪声限值和检测方法。
根据不同的使用环境,制冷空调产品必须符合相应的噪声限值,以确保对人们的生活和工作不会产生噪声污染。
二、制冷空调安装及维修标准除了制冷空调产品标准外,中国还制定了一系列与制冷空调安装和维修有关的标准,以确保制冷空调的正常运行和使用安全。
1. JGJ 150-2018 建筑给排水与暖通空调工程施工及验收规范此标准规定了制冷空调系统施工的技术要求、验收标准和安全措施等。
在安装制冷空调系统时,必须按照该标准的要求进行施工,以确保施工质量和安全性。
2. GB 50847-2012 城市给水排水工程节能设计标准该标准规定了制冷空调系统中水泵和水管的设计要求。
通过合理设计制冷空调系统的水力系统,可以降低能耗,提高系统的节能性。
制冷空调系统安装维修工
国家职业技能标准
1职业概况
1.1职业名称
制冷空调系统安装维修工
1.2职业编码
6-29-03-05
1.3职业定义
使用通用和专用工具,安装、连接、装配、调试和维修制冷空调系统的人员。
1.4职业技能等级
本职业共设五个等级,分别为:五级/初级工、四级/中级工、三级/高级工、二级/技师、一级/高级技师。
1.5职业环境条件
在低温、高温、潮湿环境下作业,过程中可能会接触可燃、有毒气体、光辐射、焊接烟灰、振动与噪音等。
1.6职业能力特征
运用手、眼和耳等身体部位,准确、协调地完成既定作业的能力;对工艺规程和技术参数的记忆、理解、辨识和执行的能力;觉察机械设备或图形资料及有关细部的能力;灵活应变和独立处理问题的能力;学习和获取外界信息的能力。
1.7普通受教育程度
初中毕业(或相当文化程度)
1.8职业技能鉴定要求
1.8.1申报条件
——具备以下条件之一者,可申报五级/初级工:
(1)累计从事本职业或相关职业工作1年(含)以上。
(2)本职业或相关职业学徒期满。
——具备以下条件之一者,可申报四级/中级工:
(1)取得本职业或相关职业五级/初级工职业资格证书后,累计从事本职业或相关职业工作4年(含)以上。
(2)累计从事本职业或相关职业工作6年(含)以上。
(3)取得技工学校本专业或相关专业毕业证书(含尚未取得毕业证书的在校应届毕业生);或取得经评估论证、以中级技能为培养目标的中等及以上职业学校本专业或相关专业毕业证书(含尚未取得毕业证书的在校应届毕业生)。
——具备以下条件之一者,可申报三级/高级工:
(1)取得本职业或相关职业四级/中级工职业资格证书后,累计从事本职业或相关职业工作5年(含)以上。
(2)取得本职业或相关职业四级/中级工职业资格证书,并具有高级技工学校、技师学院毕业证书(含尚未取得毕业证书的在校应届毕业生);或取得本职业或相关职业四级/中级工职业资格证书,并具有经评估论证、以高级技能为培养目标的高等职业学校本专业或相关专业毕业证书(含尚未取得毕业证书的在校应届毕业生)。
(3)具有大专及以上本专业或相关专业毕业证书,并取得本职业或相关职业四级/中级工职业资格证书后,累计从事本职业或相关职业工作2年(含)以上。
——具备以下条件之一者,可申报二级/技师:
(1)取得本职业或相关职业三级/高级工职业资格证书后,累计从事本职业或相关职业工作4年(含)以上。
(2)取得本职业或相关职业三级/高级工职业资格证书的高级技工学校、技师学院毕业生,累计从事本职业或相关职业工作3年(含)以上;或取得本职业或相关职业预备技师证书的技师学院毕业生,累计从事本职业或相关职业工作2年(含)以上。
——具备以下条件者,可申报一级/高级技师:
取得本职业或相关职业二级/技师职业资格证书后,累计从事本职业或相关职业工作4年(含)以上。
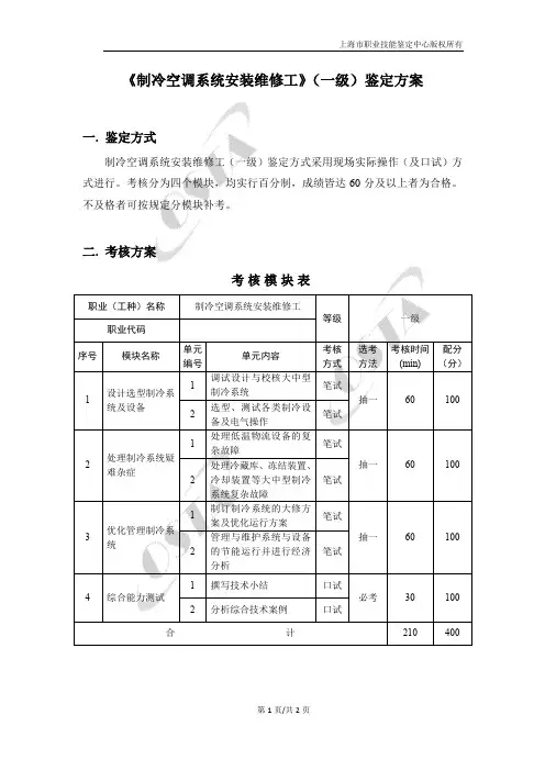
1.8.2鉴定方式
分为理论知识考试和操作技能考核。
理论知识考试以笔试为主,操作技能考核采用现场实际操作、模拟实际工况等方式。
理论知识考试和操作技能考核均实行百分制,成绩皆达60分及以上者为合格。
技师、高级技师还须进行综合评审。
1.8.3监考及考评人员与考生配比
理论知识考试中的监考人员与考生配比为1:15,每个标准教室不少于2名监考人员,操作技能考核中的考评人员与考生配比为1:5,且不少于3名考评人员,综合评审委员不少于3人。
1.8.4鉴定时间
理论知识考试时间不少于90分钟;操作技能考核时间:初级技能为90分钟,中级技能、高级技能不少于120分钟,技师和高级技师不少于90分钟;综合评审时间不少于30分钟。
1.8.5鉴定场所设备
理论知识考试在标准教室进行,教室必须具有能够覆盖全部学员范围的监控设备;操作技能考核场所能安排10个以上工位,每个工位必须具有符合国家标准或其他规定要求且能满足技能鉴定要求的工装设备、制冷设备、空调设备、焊接设备、电气部件、安全防火与防毒设备、排风设备以及物料、工具等。
2基本要求
2.1职业道德
2.1.1职业道德基本知识
2.1.2职业守则
(1)遵纪守法,爱岗敬业;
(2)努力学习,勤奋工作;
(3)严谨求实,一丝不苟;
(4)克尽职守,不断进取;
(5)团结协作,安全生产。
2.2基础知识
2.2.1技术基础知识
(1)工程热力学和传热学基础知识
(2)流体力学及泵与风机基础知识
(3)电工、电子技术基础知识
(4)智能化控制基础知识
(5)机械制图及CAD基础知识
(6)工程材料和绝热材料知识
(7)管道施工技术知识
(8)通用工具、专用检修工具和常用仪器仪表知识2.2.2制冷空调技术知识
(1)制冷设备及其主要部件知识
(2)制冷剂与冷冻油知识
(3)空气及空气输送与处理知识
(4)冷却水、冷冻水及其输送系统知识
(5)空调设备及系统知识
(6)制冷空调系统电气控制基础知识
2.2.3工艺技术知识
(1)钎焊知识
(2)电焊知识
(3)熔接知识
(4)制冷空调系统安装知识
(5)制冷空调系统调试与检修知识
2.2.4安全环保知识
(1)安全用电知识
(2)钎焊安全知识
(3)电焊安全知识
(4)制冷剂替代与环保、安全知识
(5)防火、防爆、防中毒知识
(6)高空作业安全知识
(7)制冷剂、冷冻油等回收及处理知识
2.2.5有关法律法规知识
(1)《中华人民共和国劳动法》的相关知识
(2)《中华人民共和国劳动合同法》的相关知识
(3)《中华人民共和国特种设备安全法》的相关知识
(4)《中华人民共和国安全生产法》的相关知识
(5)《消耗臭氧层物质管理条例》的相关知识
2.2.6相关标准与规范知识
(1)《制冷空调设备安装规范》的相关知识
(2)《制冷空调系统良好操作》等相关知识
(3)《可燃制冷剂安全使用规范》等相关知识
(4)《液氨制冷剂安全使用技术规范》等相关知识
(5)《氨制冷系统安装规范》等相关知识
(6)《工商业或类似用途的制冷空调设备维修保养技术规范》等相关知识3工作要求
本标准对初级、中级、高级、技师、高级技师的技能要求依次递进,高级别涵盖低级别的要求。
3.1五级/初级工
3.2 四级/中级工
3.3 三级/高级工
3.4 二级/技师
3.5 一级/高级技师
4权重表
4.1 理论知识权重表
4.2 技能要求权重表。