结构力学(专升本)复习题1
- 格式:doc
- 大小:165.50 KB
- 文档页数:4
《结构力学》复习题一、填空题1、位移法方程系数的物理意义是,方程的物理意义是。
2、平面桁架的结点隔离体受力图是属于力系,应满足____个平衡条件。
3、虚功方程中,力和位移之间的关系是。
4、力矩分配法适用于求解和。
5、矩阵位移法求解时的两个要点为和。
6、对作用于静定结构某一几何不变部分的荷载进行时,只有该部分的内力发生变化,其余部分的反力和内力均保持不变。
7、力矩分配法适用于求解和。
8、平面桁架的结点隔离体受力图是属于力系,应满足____个平衡条件。
9、杆轴为曲线,在竖向荷载作用下产生的结构是拱结构。
10、矩阵位移法求解时的两个要点为和。
11、虚功方程中,力和位移之间的关系是。
12、位移法方程系数的物理意义是,方程的物理意义是。
二、选择题1、静定结构有变温时:()A、无变形,无位移,无内力;B、有变形,有位移,有内力;C、有变形,有位移,无内力;D、无变形,有位移,无内力。
2、图示桁架,各杆EA为常数,除支座链杆外,零杆数为:( )A、四根;B、二根; C.、一根; D、零根。
l= a63、绘制任一量值的影响线时,假定荷载是()A、一个方向不变的单位移动荷载B、一组移动荷载C、动力荷载D、单个移动荷载4、机动法作简支梁内力影响线所依据的原理是( )A、刚体系虚位移原理B、刚体系虚力原理C、变形体虚位移原理D、变形体虚力原理5、下列说法,哪一句是错的:()A.超静定结构具有多余约束;B.对于超静定结构支座位移、温度改变产生反力和内力;C.在荷载作用下超静定结构内力与各杆刚度的绝对值大小有关;D.在荷载作用下超静定结构内力与各杆刚度的相对比值有关;6、图示体系的几何组成为 ( )A.几何不变,无多余联系;B.几何不变,有多余联系;C. 瞬变;D.常变。
7、机动法作简支梁内力影响线所依据的原理是( )A.刚体系虚位移原理B.刚体系虚力原理C.变形体虚位移原理D.变形体虚力原理8、下列说法,哪一句是错的:()A.超静定结构具有多余约束;B.对于超静定结构支座位移、温度改变产生反力和内力;C.在荷载作用下超静定结构内力与各杆刚度的绝对值大小有关;D.在荷载作用下超静定结构内力与各杆刚度的相对比值有关;9、力法典型方程中δij的物理意义为:()A.在i处作用的单位力引起的j处的位移大小;B.在j处作用的单位力引起的i处的位移大小;C.在j处作用的单位位移引起的i处的力大小;D.在i处作用的单位位移引起的j处的力大小;10、静定结构的内力计算与()A、EI无关;B、 EI 相对值有关;C、EI绝对值有关;D、 E无关,I 有关。
结构力学(2)(专升本)阶段性作业1总分: 100分考试时间:分钟单选题1. 力法典型方程的物理意义是_____。
(6分)(A) 结构的平衡条件(B) 结构的变形协调条件(C) 结点的平衡条件(D) 结构的平衡条件及变形协调条件参考答案:B2. 右图所示刚架中支座的反力为_____。
(6分)(A)(B)(C)(D)参考答案:B3. 对右图所示的单跨超静定梁,支座A产生逆时针转角,支座B产生竖直沉降,若取简支梁为其基本结构,则力法方程为_____。
(6分)(A)(B)(C)(D)参考答案:A4. 用力法解图4所示结构的未知量个数为_____。
(6分)(A) 5(B) 6(C) 9(D) 12参考答案:C5. 图示结构用力法计算时,不能选作基本结构的是_____。
(6分)(A)(B)(C)(D)参考答案:C6. 图示连续梁用力法求解时,简便的基本结构是_____。
(6分)(A) 拆去B、C两支座(B) 将A支座改为固定铰支座,拆去B支座(C) 将A支座改为滑动支座,拆去B支座(D) 将A支座改为固定铰支座,B处改为完全铰参考答案:D判断题7. 力法的基本体系必须是静定的。
(6分)正确错误参考答案:错误解题思路:8. 对图中a图所示桁架用力法计算时,取图b作为基本体系(杆AB被去掉),则其典型方程为:。
(6分)正确错误参考答案:错误解题思路:9. 力法方程中,主系数恒为正,副系数可为正、负或零。
(6分)正确错误参考答案:正确解题思路:10. n次超静定结构,任意去掉n个多余约束均可作为力法基本结构。
(6分)正确错误参考答案:错误解题思路:11. 用力法解超静定结构时,只能采用多余约束力作为基本未知量。
(6分)正确错误参考答案:错误解题思路:12. 图示结构用力法求解时,可选切断杆件2、4后的体系作为基本结构。
(6分)正确错误参考答案:错误解题思路:13. 图a所示结构,取b为力法基本结构,则其力法方程为。
云南2018年普通高校”专升本”招生考试 结构力学试卷第一大题、单项选择题,本大题共20小题,共60分。
1.如图所示的组合结构,构件中DE 的内力F NDE 为( )A 、300kN(拉)B 、300kN(压)C 、360kN(拉)D 、360kN(压)2.如图所示,仅将(a )图荷载作用情况变为(b )图荷载作用情况,以下对(b )图支座A 、B 约束反力分析正确的是 ( A )A 、支座A 、B 竖向约束反力均不变,水平约束反力均改变 B 、支座A 、B 竖向约束反力均不变,水平约束反力均不变C 、支座A 、B 竖向约束反力均改变,水平约束反力均改变D 、支座A 、B 竖向约束反力均改变,水平约束反力均不变 3.如图所示两种状态弯矩图,运用图乘计算正确的是( B )A 、EIb a y y )()(2211+++ωωB 、EIb y a y )()(2211+++ωωC 、EI y y 2211ωω+D 、EIb a 21ωω+4.某梁中AB 段的剪力图如图(a )所示。
可能的弯矩图为 ( )A 、(b)图B 、(c)图C 、(d)图D 、(e)图5.如图所示,几何组成分析正确的是( )A 、几何不变体系,且无多余约束B 、几何不变体系,且有多余约束C 、几何可变体系D 、瞬变体系6.下列既能使静定结构产生位移又能产生支座反力和内力的因素是 ( ) A 、支座沉降 B 、温度变化 C 、荷载作用 D 、制造误差7.静定结构位移计算时。
图(b )所示虚拟单位力状态是计算图(a )所式荷载实际引起的( D )A 、A 点水平线位移B 、B 点水平线位移C 、A 、B 两截面相对角位移D、A、B两点相对角水平线位移8.如图所示平面刚架,C支座的约束反力为( A )A、22.5kN(↑)B、22.5kN(↓)C、12.5kN(↑)D、12.5kN(↓)9.若图(b)是图(a)所示结构力法基本体系。
结构力学模拟试题一一、选择题(将选中答案的字母填入括弧内) 1、图示体系为:A .几何不变无多余约束;B .几何不变有多余约束;C .几何常变;D .几何瞬变。
()2、图示结构M A 、M C (设下面受拉为正)为:A.M A =0 ,M C =Pa /2;B.M A =2Pa ,M C =2Pa ;C.M A =Pa ,M C =Pa ;D.M A =-Pa ,M C =Pa 。
( )aa3、图a 结构,其基本结构可如图中所示四种情况,其中力法方程右端项完全相同的是:A .(1)、(2) 与 (3) ;B .(1)、(2) 与 (4);C .(2)、(3) 与 (4);D .(1)、(3) 与 (4) 。
()a ABC()(1)(2)(3)(4)1221二、填充题(将答案写在空格内)一组平衡力系作用在静定结构的某一几何 部分,则结构其余部分内力为。
2、图示桁架,设其制作完工后,各杆均发生 1 / 1000 的收缩,则结点 C 的竖向位移∆CV = 。
C三、分析图示体系的几何组成。
四、求图示桁架结构杆1和杆2的轴力。
五、作图示结构的M 、Q 、N图。
P六、图示刚架支座 A 发生水平位移和竖向位移分别为a = 3 cm 和b = 1.5 cm ,试求支座C 处截面的转角ϕC 。
七、用力法计算,并作图示结构由于各杆温度均习上升tC 而引起的M 图。
已知线膨胀系数α,各杆EA →∝、EI 等于常数,截面对称于中性轴。
ll l八、用力法计算并作出图示结构的M 图。
E = 常数。
九、已知荷载作用下桁架各杆的内力如图所示,试求结点D 的水平位移。
EA =常数。
6 m-()N P ⨯结果力学模拟试题一答案(注:□代表=)一、选择题1、( A )2、( C )3、( A ) 二、填充题1不变,零 2、0三用三刚片、六链杆法则,几何不变无多余约束 四N P N P 12==- , 五、PlPl/2Pl /2Pl 图MQ 图、N 图六、R ϕCrad =0005. ( 顺时针方向)七、ll1δ11343=l EI /,∆1t tl =-α,X tEI l 1234=α/。
专升本结构力学复习题结构力学是土木工程专业中一门重要的基础课程,对于专升本的同学来说,掌握好这门课程的知识至关重要。
以下是为大家精心准备的一些结构力学复习题,希望能对大家的复习有所帮助。
一、选择题1、图示结构,EI=常数,欲使结点 B 的转角为零,比值 P1 / P2 应为()A 15B 2C 25D 32、图示结构,EI=常数,用力矩分配法计算时,分配系数μBA为()A 3/4B 4/7C 1/2D 1/33、图示结构,各杆 EI=常数,用位移法计算时,基本未知量数目最少为()A 2B 3C 4D 54、图示结构,用力法计算时,不能选取的基本结构是()A 图(a)B 图(b)C 图(c)D 图(d)5、图示桁架中,零杆的数目为()A 5B 6C 7D 8二、填空题1、结构的计算简图应能反映结构的实际受力情况,同时应尽量简化,以方便计算。
在简化过程中,通常需要对结构的、和进行简化。
2、静定结构在温度变化时,产生内力;超静定结构在温度变化时,产生内力。
3、用力矩分配法计算多跨连续梁时,一般先计算,然后再计算。
4、位移法的基本未知量是,力法的基本未知量是。
5、影响线是表示单位移动荷载作用下,某一量值变化规律的图形。
绘制影响线的基本方法有和。
三、判断题1、静定结构的内力只与荷载有关,而与杆件的刚度无关。
()2、超静定结构在荷载作用下的内力与各杆刚度的相对值有关。
()3、位移法只能用于求解超静定结构。
()4、力法的基本结构是唯一的。
()5、影响线的横坐标表示移动荷载的位置,纵坐标表示某一指定量值的大小。
()四、计算题1、用力法计算图示结构,并绘制弯矩图。
EI=常数。
2、用位移法计算图示结构,并绘制弯矩图。
EI=常数。
3、绘制图示结构的弯矩影响线。
4、求图示桁架中指定杆件的内力。
在复习结构力学的过程中,大家需要注意以下几点:首先,要理解基本概念和原理。
结构力学中的很多概念和原理是后续学习和解题的基础,比如静定结构和超静定结构的区别、力法和位移法的基本思路等。
结构力学专升本练习题结构力学是工程学科中的一个重要分支,它涉及到对建筑物、桥梁、塔架等结构的力学行为的研究。
以下是一个结构力学专升本练习题的示例:一、选择题1. 结构力学中的“结构”指的是什么?A. 建筑物的装饰部分B. 建筑物的承重部分C. 建筑物的非承重部分D. 建筑物的附属设施2. 静定结构与超静定结构的区别是什么?A. 静定结构有多余约束,超静定结构没有多余约束B. 静定结构没有多余约束,超静定结构有多余约束C. 静定结构和超静定结构都没有多余约束D. 静定结构和超静定结构都有多余约束3. 以下哪个不是结构力学分析中的基本假设?A. 材料是均匀的B. 材料是各向同性的C. 材料是完全弹性的D. 材料是完全塑性的二、简答题1. 简述结构力学中的“内力”和“外力”的概念。
2. 描述静定结构和超静定结构在实际工程中的意义。
三、计算题1. 给定一个简支梁,长度为10米,承受均布荷载q=10 kN/m。
求梁的弯矩图和剪力图。
2. 考虑一个由两根柱子支撑的悬臂梁,柱子之间的距离为5米,梁的自重忽略不计。
若在梁的自由端施加一个向下的集中力P=20 kN,求梁的支反力。
四、分析题1. 分析一个三铰拱结构在受到竖直荷载作用时的内力分布情况。
2. 讨论在地震作用下,结构的抗震设计原则。
五、论述题1. 论述结构力学在现代建筑工程中的应用及其重要性。
2. 阐述结构优化设计的概念及其在提高结构性能方面的作用。
请注意,以上内容仅为示例,实际的练习题应根据具体的教学大纲和课程内容来设计。
结构力学(一)试题一、单项选择题(本大题共10小题,每题2分,共20分)在每题列出的四个备选项中只有一个是符合题目要求的。
请将其代码填写在题后的括号内。
错选、多项选择或未选均无分。
1.图示体系是( )2.欲使图示平面体系成为几何不变体系,需要添加链杆(包括支座链杆)的最少数目是( )3.图示桁架,零杆的数目(不包括支座链杆)是( )4.图示刚架的超静定次数为( )5.图示对称结构,作用反对称荷载,沿对称轴截面C截开,暴露出三对内力,可以判断( )c=0,Q c=0,N c=0c≠0,Q c=0,N c=0c=0,Q c≠0,N c=0c=0,Q c=0,N c≠06.图示结构,不计轴向变形,EI=常数,杆端弯矩M AB 的数值为( )B.3PLC.2PL7.图示结构,EI=常数,不计轴向变形,用位移法求解时,最少的根本未知量数是( )LA ∆ϕ2=和B 端线位移△产生的杆端弯矩M AB (以对杆端顺时针转为正)为( )∆2L EI 6C.∆2L EL 3 D.∆2L EI 69.用力矩分配法计算图示刚架时,分配系数μ1A 为( )B.61 C.41 D.3110.图示结构截面B 的弯矩(以对杆端顺时针转为正)等于( )21qa 2 41qa 2 C. 41qa 2D.21qa 2 二、填空题(本大题共8小题,每题2分,共16分)11.在分析体系的几何组成时,增加或拆去二元体,原体系的_____性质不变。
12.图示三铰拱,拱轴线方程为y=2Lf 4x(L-x),在均布荷载q 作用下截面D 的弯矩为_____。
13.图乘法求结构位移的应用条件是_____;等截面(EI=常数);相乘的两个弯矩图中至少有一个是直线图形。
14.支座移动在_____结构中产生内力。
15.在力法计算中,柔度系数δij 的物理意义是X j =1引起的_____。
16.位移法以_____为根本未知量。
17.用力矩分配法计算图示结构时,结点B 的不平衡力矩(约束力矩)等于_____kN ·m 。
青岛理工大学继续教育学院课程考试20 18 ~20 19 学年第 2 学期结构力学课试卷使用层次专升本出题教师张立伟学号:姓名:专业:年级:函授站:请将答案写在答题纸上,写在其他地方无效一、选择题(每小题3分,共30分)1.轴力图应画在()A.结构的受拉边B.结构的任意边,不要标正负号C.结构的任意边,但要标正负号D.结构的上边,不要标正负号2.图示体系有几个多余约束?A.3个B.5个C.6个D.1个3.图示结构截面K的轴力值Nk为________:A.712qlB.2ql-C.2qlD.12ql-4.下列说法中,哪个说法正确?( )A. 位移法的基本结构是超静定梁B. 力法的基本结构是超静定刚架C. 力法的基本方程是平衡方程D. 力法和位移法的基本未知量相同5.力法典型方程的物理意义是( )A.结构的变形协调条件B.结点的平衡条件C.结构的平衡条件D.结构的平衡条件及变形协调条件6.位移法的基本未知数是( )A.结构上所有结点的角位移和线位移B.结构上所有结点的独立角位移和独立线位移C.结构上所有截面的角位移和线位移D.结构上任一截面的角位移和线位移7.梁在集中力偶作用的截面处,它的内力图为( )。
A.M图有突变,FQ图无变化B.FQ图有突变,M图有转折C.M图有突变,FQ图有转折D.FQ图有突变,M图无变化8.剪力图应画在()A.结构的任意边,但要标正负号B.结构的右边,不要标正负号C.结构的受拉边D.结构的任意边,不要标正负号学号: 姓名: 专业: 年级: 函授站:..........................................................密.......................................................封...........................................................线.......................................................9.图示结构的内力图是( )A.M 图不正确、Q 图为正确B.M 图正确、Q 图不正确C.M 图、Q 图均不正确D.M 图、Q 图均正确10.若两刚片由三根链杆相连构成无多余约束的几何不变体系,可以把这三根链杆按( )的方式布置。
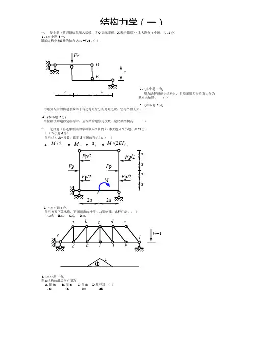
一.是非题(将判断结果填入括弧:以O表示正确,X表示错误)(本大题分4小题,共11分)1 . (本小题 3分)图示结构中DE杆的轴力F NDE =F P/3。
().2 . (本小题 4分)用力法解超静定结构时,只能采用多余约束力作为基本未知量。
()3 . (本小题 2分)力矩分配中的传递系数等于传递弯矩与分配弯矩之比,它与外因无关。
()4 . (本小题 2分)用位移法解超静定结构时,基本结构超静定次数一定比原结构高。
()二.选择题(将选中答案的字母填入括弧内)(本大题分5小题,共21分)1 (本小题6分)图示结构EI=常数,截面A右侧的弯矩为:()A.2/M; B.M; C.0; D. )2/(EIM。
2. (本小题4图示桁架下弦承载,下面画出的杆件内力影响线,此杆件是:()A.ch; B.ci; C.dj; D.cj.3. (本小题 4分)图a结构的最后弯矩图为:A. 图b;B. 图c;C. 图d;D.都不对。
()( a) (b) (c) (d)=124. (本小题 4分)用图乘法求位移的必要条件之一是: A.单位荷载下的弯矩图为一直线; B.结构可分为等截面直杆段; C.所有杆件EI 为常数且相同; D.结构必须是静定的。
( ) 5. (本小题3分)图示梁A 点的竖向位移为(向下为正):( )A.F P l 3/(24EI ); B . F P l 3/(!6EI ); C . 5F P l 3/(96EI ); D. 5F P l 3/(48EI ).三(本大题 5分)对图示体系进行几何组成分析。
四(本大题 9分)图示结构B 支座下沉 4 mm ,各杆EI=2.0×105 kN ·m 2,用力法计算并作M 图。
五(本大题 11分) 用力矩分配法计算图示结构,并作M 图。
EI =常数。
六(本大题14分)已知图示结构,F PM /44 m=4 mm422.110 kN m,10 kN/mEI q=⨯⋅=求B点的水平位移。
专升本结构力学复习题一、选择题1. 结构力学研究的对象是什么?A. 建筑物B. 机械结构C. 桥梁D. 所有结构2. 静定结构和超静定结构的区别是什么?A. 静定结构的内力可以通过静力平衡条件求解B. 超静定结构的内力无法通过静力平衡条件求解C. 静定结构可以承受任何载荷D. 超静定结构不能承受任何载荷3. 梁的弯曲变形属于哪种变形类型?A. 平面变形B. 空间变形C. 线性变形D. 非线性变形二、填空题1. 结构力学中,_______是指结构在受到外力作用时,其内部各部分之间力的平衡关系。
2. 梁的内力包括_______、_______和_______。
3. 根据结构的几何特征,可以将结构分为_______结构和_______结构。
三、简答题1. 解释什么是力的平衡条件,并简述其在结构力学中的应用。
2. 简述静定结构和超静定结构的定义及其特点。
3. 描述梁在受力时的弯曲变形过程,并解释如何通过结构力学的方法来预测和计算这种变形。
四、计算题1. 某简支梁,长度为10米,承受均布载荷q=20kN/m。
求梁在中点的挠度和最大弯矩。
2. 考虑一个悬臂梁,长度为5米,自由端受到集中力P=50kN。
求梁端部的反力和弯矩。
3. 一个平面桁架结构,由三个相同的三角形单元组成,每个三角形单元的边长为2米。
若在每个三角形单元的顶点施加一个向下的集中力F=10kN,求该桁架结构的内力分布。
五、论述题1. 论述结构力学在现代建筑和桥梁设计中的应用及其重要性。
2. 分析超静定结构在实际工程中可能遇到的问题,并提出相应的解决策略。
参考答案一、选择题1. D2. A3. B二、填空题1. 静力平衡条件2. 弯矩、剪力、轴力3. 平面、空间三、简答题1. 力的平衡条件指的是在任何物体上,作用力和反作用力大小相等、方向相反。
在结构力学中,平衡条件用于计算结构在受力状态下的内力分布,确保结构的稳定性和安全性。
2. 静定结构是指在静力作用下,结构的内力和位移可以通过静力平衡条件和几何约束直接确定的结构。
结构力学(2)(专升本)阶段性作业1总分:100分得分:0分一、单选题1。
力法典型方程的物理意义是_____.(6分)(A)结构的平衡条件(B) 结构的变形协调条件(C) 结点的平衡条件(D)结构的平衡条件及变形协调条件参考答案:B2. 右图所示刚架中支座的反力为_____.(6分)(A)(B)(C)(D)参考答案:B3. 对右图所示的单跨超静定梁,支座A产生逆时针转角,支座B产生竖直沉降,若取简支梁为其基本结构,则力法方程为_____.(6分)(A)(B)(C)(D)参考答案:A4。
用力法解图4所示结构的未知量个数为_____。
(6分)(A) 5(B) 6(C) 9(D) 12参考答案:C5。
图示结构用力法计算时,不能选作基本结构的是_____.(6分)(A)(B)(C)(D)参考答案:C6. 图示连续梁用力法求解时,简便的基本结构是_____。
(6分)(A)拆去B、C两支座(B) 将A支座改为固定铰支座,拆去B支座(C)将A支座改为滑动支座,拆去B支座(D) 将A支座改为固定铰支座,B处改为完全铰参考答案:D二、判断题1。
力法的基本体系必须是静定的.(6分)正确错误参考答案:错误解题思路:2. 对图中a图所示桁架用力法计算时,取图b作为基本体系(杆AB被去掉),则其典型方程为:.(6分)正确错误参考答案:错误解题思路:3。
力法方程中,主系数恒为正,副系数可为正、负或零。
(6分)正确错误参考答案:正确解题思路:4. n次超静定结构,任意去掉n个多余约束均可作为力法基本结构。
(6分) 正确错误参考答案:错误解题思路:5。
用力法解超静定结构时,只能采用多余约束力作为基本未知量。
(6分)正确错误参考答案:错误解题思路:6. 图示结构用力法求解时,可选切断杆件2、4后的体系作为基本结构.(6分) 正确错误参考答案:错误解题思路:7. 图a所示结构,取b为力法基本结构,则其力法方程为。
(6分)正确错误参考答案:错误解题思路:8。
专升本《结构力学》一、(共75题,共150分)1。
图示梁剪力等于零的截面位置x距A点之值为(). (2分)A。
5a/6 B.6a/5 C。
6a/7 D.7a/6。
标准答案:D2。
下列剪力图和弯矩图中的错误为( ). (2分)A。
梁(A)图C截面剪力应连续,C截面弯矩应有突变;图B.梁C截面弯矩应连续B。
图(A)梁B截面剪力不应为零,A截面弯矩不应为零;图B。
梁C截面剪力应有突变,C截面弯矩应光滑连续C。
图(A)梁B截面剪力应为零,弯矩不为零;图B。
AC段剪力应为曲线,弯矩图在AC段有极值点D。
图(A)梁剪力在C截面应连续,弯矩在AC段的凹向应一至,图B。
梁弯矩在C截面应连续标准答案:A3。
梁在集中力作用的截面处,它的内力图为( )。
(2分)A。
Q图有突变,M 图光滑连续 B。
Q图有突变,M 图有转折C.M图有突变,Q 图光滑连续 D。
M图有突变,Q 图有转折。
标准答案:B4. 梁的剪力图和弯矩图如图所示,则梁上的荷载为( )。
(2分) A。
AB段无荷载,B 截面有集中力B。
AB段有集中力,BC 段有均布力C。
AB段有均布力,B 截面有集中力偶D。
AB段有均布力,A 截面有集中力偶。
标准答案:D5。
用力矩分配法计算弹性结构时,放松结点的顺序________:(2分) A。
对计算过程无影响,但对结果有影响;B.对计算过程有影响,但对结果无影响C。
对计算结果和过程均有影响;D。
对计算结果和过程均无影响。
标准答案:B6。
图示结构超静定次数为________: (2分)A。
4 B.12 C。
15 D.24。
标准答案:C7. 图示结构截面K的轴力值N k为________: (2分) A。
B。
C。
D.。
标准答案:C8。
用几何组成规则分析图示体系是:________ : (2分)A.无多余约束的几何不变体系;B.有多余约束的几何不变体系;C。
可变体系;D。
瞬变体系。
标准答案:A9。
等截面直杆AB的A端的转动刚度S AB________: (2分)A。
结构力学(2)(专升本)综合测试1填空题1. 题1图所示结构属于______ 次超静定结构。
若用位移法求解,共有______ 个基本未知量。
(5分)(1). 参考答案: 9(2). 参考答案: 32. 对称结构在对称荷载作用下,若取对称基本结构,并取对称与反对称未知力,其中______ 未知力为零。
(5分)(1). 参考答案: 反对称3. 虚位移原理应用条件是:力系满足______ 条件,位移是______ 的。
(5分)(1). 参考答案: 平衡(2). 参考答案: 变形协调单选题4. 超静定结构的内力计算与_____。
(5分)(A)EI无关;(B)EI相对值有关;(C)EI绝对值有关;(D)E无关,I有关。
参考答案:B5. 题5(a)图所示桁架,力法基本结构如图b,力法典型方程中的系数为___。
(5分)(A)(B)(C)(D)参考答案:C6. 力矩分配法适用于的结构是_____。
(5分)(A)有已知结点线位移;(B)无已知结点线位移;(C)有结点线位移;(D)无结点线位移。
参考答案:B问答题7. 用力法计算图示刚架,画M图;EI=常数。
(20分)(20分)参考答案:1.解:(1)一次超静定,基本体系和基本未知量,如图(a)。
(2)列力法方程(3)作图,见图(b)。
作MP图,见图(c)。
(4)计算、(5)解方程(6)作M图,见图(d)。
解题思路:8. 试用位移法作图(a)所示结构M图,各杆线刚度为i,杆长为l ,固端弯矩见图_____。
(25分)(25分)参考答案:解:基本体系、单位和荷载弯矩图如下所示:(a) 基本体系(b) 图(c) 图位移法方程、系数及求解结果如(d)图所示:(d)图解题思路:9. 用力矩分配法求作图示结构弯矩图,EI=常数,FP = 28 kN。
(25分)(25分)3i 4i 4i 3i参考答案:解:计算过程如下表所示:3/7 4/7 4/7 3/70 21 -28 28 0 0-8 -16 -126.43 8.57 4.28-2.45-1.22 -1.83 0.52 0.700 27.95-27.9513.83 -13.83 0M图解题思路:结构力学(2)(专升本)综合测试2填空题1. 力法方程各项的物理意义是______ ,整个方程的物理意义是______ 。
结构力学参考试题一、是非题,对的画√ ,错的打×((每小题1分)1. 除荷载外,其他因素例如温度变化、支座位移等会使超静定结构产生位移, 因而也就有可能使静定结构产生内力 。
( )2. 刚架中所有的结点都为刚结点。
( )3. 几何不变体系都为静定结构。
( )4. 力法中的基本结构为超静定结构。
( )5. 二元体是指由两根链杆联结一个新结点的装置( )6. 静定多跨梁由基本部分和附属部分组成。
( )7. 拱结构是指杆轴为曲线的结构。
( )8. 力法中基本结构和位移法中的基本结构都为超静定结构。
( )9. 弯矩分配法主要适用于有结点线位移的刚架和连续梁。
( ) 10. 刚结点只传递力矩,不传递力 ( )11. 剪力分配法主要适用于无结点线位移的刚架和连续梁。
( )12.桁架中所有的结点都为铰结点。
( ) 13.虚功原理适用于一切变形体系( )二、填空题(每小题2分)1.平面杆件结构可分为——— ——— ——— —— —— 2.结构的定义是___________3.从几何组成分析上来看,超静定结构和静定结构的区别是_______________________ 4.用公式Mi Ni hta at ωω∑∑∆±0 计算静定结构由于支座位移原因引起结构的位移时,式中Mi ω的含义是____________________________________5.按几何特征来分,结构可分为三大类,分别是_________ _______ _______ 6.用公式△=-∑R c 计算静定结构由于支座位移原因而引起的结构位移时, 式中的R 含义是 ____________________________________7.刚结点上各杆端转角_____________,各杆端都能承受_____________。
8.不考虑杆件的变形,而几何形状和位置会发生改变的体系称为_____________ 9.组成杆件结构的杆件,其几何特征是________。
结构力学专升本练习题### 结构力学专升本练习题一、选择题1. 静定结构在受力后,其内力分布情况是()。
A. 可变B. 不变C. 部分可变D. 完全可变2. 根据弯矩图分析,当梁的某一段受压时,其弯矩图在该段应呈现()。
A. 正斜率B. 负斜率C. 零斜率D. 无法确定3. 在结构力学中,若某结构的自由度大于零,则该结构是()。
A. 静定结构B. 超静定结构C. 非静定结构D. 以上都不是二、简答题1. 简述影响结构刚度的因素有哪些?2. 何为结构的稳定性?请举例说明。
三、计算题1. 已知一简支梁,跨中受集中力P作用,求跨中的最大弯矩和支反力。
2. 某桁架结构由三个铰接杆件组成,形成一个等边三角形。
若在顶点施加一垂直向下的力P,求各杆件的轴力。
四、分析题1. 某框架结构在水平力作用下,分析其可能产生的内力有哪些,并说明如何通过设计来减小这些内力的影响。
2. 描述在进行结构动力分析时,需要考虑哪些因素?答案提示:一、选择题1. B2. B3. B二、简答题1. 影响结构刚度的因素包括材料的弹性模量、截面尺寸、支撑条件、结构形式等。
2. 结构的稳定性是指结构在受到外力作用时,能够保持其形状和位置不发生明显变化的能力。
例如,细长的柱子在受到侧向力作用时可能会发生弯曲,影响其稳定性。
三、计算题1. 跨中的最大弯矩为 PL/4,支反力为各 PL/4。
2. 等边三角形桁架在顶点受力P时,若不考虑自重,各杆件的轴力均为 P/3。
四、分析题1. 框架结构在水平力作用下可能产生的内力包括弯矩、剪力和轴力。
通过合理布置支撑点、增加结构刚度或采用延性设计可以减小内力的影响。
2. 进行结构动力分析时需要考虑的因素包括结构的质量分布、阻尼特性、激励频率和幅度等。
请注意,以上内容仅为练习题的示例,实际练习题应根据具体课程内容和教学要求进行设计。
《结构力学》专升本 一1、图1 属几何 体系。
( ) A. 不变,无多余约束 B. 不变,有多余约束 C. 可变,无多余约束 D. 可变,有多余约束图12、两个刚片,用三根链杆联结而成的体系是:( ) A .几何常变 B .几何瞬变C .几何不变D .几何不变或几何常变或几何瞬变 3、三个刚片用( )的三个铰两两相联可以组成几何不变体系。
A .共线 B .不共线 C .虚拟 D .非虚拟4、静定结构的几何组成特征是( )。
A .体系几何不变B .体系几何不变且无多余约束C .体系几何可变D .体系几何瞬变 5、计算内力的一般方法是( )。
A .静力分析B .节点法C .截面法D .综合几何、物理和静力学三方面 6、在温度改变的影响下,静定结构将:( ) A. 有内力、有位移 B. 无内力、有位移 C. 有内力、无位移 D. 无内力、无位移7、梁的绝对最大弯矩表示在一定移动荷载作用下( )。
A. 梁某一截面的最大弯矩B. 梁某一截面绝对值最大的弯矩C. 梁所有截面最大弯矩中的最大值D. 当移动荷载处于某一最不利位置时相应的截面弯矩8、欲使支座B 截面出现弯矩最大负值maxB M ,梁上均布荷载的布局应为:( )9、作用于静定多跨梁基本部分上的荷载在附属部分上( )。
A .绝对不产生内力B .一般不产生内力C .一般会产生内力D .一定会产生内力B A CD(a)(b)2110、在竖向荷载作用下,三铰拱( )A .有水平推力B .无水平推力C .受力与同跨度、同荷载作用下的简支梁完全相同D .截面弯矩比同跨度、同荷载作用下的简支梁的弯矩要大 11、图3所示结构内力为零的杆件有( )。
A .BE 杆,B .AE 、BE 杆,C .AE 、BE 、CE 杆D .AE 、CE 杆12、图4所示对称刚架,在反对称荷载作用下,求解时取半刚架为( D )A .图(a )B .图(b )C .图(c )D .图(d )图4 图(a ) 图(b ) 图(c ) 图(d )13、图5所示桁架下弦承载,下面画出的杆件内力影响线,此杆件是:( )A.chB.ciC.djD.cj14、图6所示简支梁上有单位力偶移动,其截面C 的剪力影响线应该是第 图。
青岛理工大学继续教育学院课程考试
20 18 ~20 19 学年第 2 学期结构力学课试卷使用层次专升本出题教师张立伟
学号:姓名:专业:年级:函授站:
请将答案写在答题纸上,写在其他地方无效
一、选择题(每小题3分,共30分)
1.轴力图应画在()
A.结构的受拉边
B.结构的任意边,不要标正负号
C.结构的任意边,但要标正负号
D.结构的上边,不要标正负号
2.图示体系有几个多余约束?
A.3个
B.5个
C.6个
D.1个
3.图示结构截面K的轴力值Nk为________:
A.7
12
ql
B.2
ql
-
C.2
ql
D.12
ql
-
4.下列说法中,哪个说法正确?( )
A. 位移法的基本结构是超静定梁
B. 力法的基本结构是超静定刚架
C. 力法的基本方程是平衡方程
D. 力法和位移法的基本未知量相同
5.力法典型方程的物理意义是( )
A.结构的变形协调条件
B.结点的平衡条件
C.结构的平衡条件
D.结构的平衡条件及变形协调条件
6.位移法的基本未知数是( )
A.结构上所有结点的角位移和线位移
B.结构上所有结点的独立角位移和独立线位移
C.结构上所有截面的角位移和线位移
D.结构上任一截面的角位移和线位移
7.梁在集中力偶作用的截面处,它的内力图为( )。
A.M图有突变,FQ图无变化
B.FQ图有突变,M图有转折
C.M图有突变,FQ图有转折
D.FQ图有突变,M图无变化
8.剪力图应画在()
A.结构的任意边,但要标正负号
B.结构的右边,不要标正负号
C.结构的受拉边
D.结构的任意边,不要标正负号
学号: 姓名: 专业: 年级: 函授站:
..........................................................密.......................................................封...........................................................线.......................................................
9.图示结构的内力图是( )
A.M 图不正确、Q 图为正确
B.M 图正确、Q 图不正确
C.M 图、Q 图均不正确
D.M 图、Q 图均正确
10.若两刚片由三根链杆相连构成无多余约束的几何不变体系,可以把这三根链杆按( )的方式布置。
A.任意 B.互相平行 C.不相交于一点也不互相平行 D.相互交于一点 二、判断题(每小题2分,共16分)
1、两杆相交的刚结点,其杆端弯矩一定等值同侧(即两杆端弯矩代数和为零)。
( )
2、图示梁AB 在所示荷载作用下的M 图面积为33
ql。
( )
l
A
B
q
2
ql
3、图示结构用力法求解时,可选切断杆件2、4后的结构为基本结构。
( )
b
b
a a
12
3
4
5
a
4、位移法基本方程的物理意义是基本体系附加约束中的反力或反力矩等于零,实质上是原结构的平衡条件。
( )
5、在静定刚架中,只要已知杆件两端的弯矩和该杆所受外力情况,则该杆内力分布就可完全确定。
( )
6、图示梁的跨中挠度为零。
( )
EI
M
M
7、位移法不能计算静定结构。
( )
8、图示对称桁架,各杆 EA 常数,杆1、2、3的轴力为零。
( )
F P
12
3
学号:姓名:专业:年级:函授站:..........................................................密.......................................................封...........................................................线.......................................................
学号:姓名:专业:年级:函授站:..........................................................密.......................................................封...........................................................线.......................................................。