咨询工程师考试复习资料
- 格式:doc
- 大小:77.00 KB
- 文档页数:13
2024年注册工程咨询师考试资料1. 在工程咨询中,通常首先考虑的因素是?A. 技术先进性B. 经济合理性C. 社会效益D. 环境友好性2. 工程咨询的核心目标是?A. 优化设计方案B. 降低工程成本C. 提高工程质量D. 确保工程进度3. 在工程咨询中,以下哪项工作通常在项目前期进行?A. 施工图设计B. 施工组织设计C. 项目建议书编制D. 施工进度安排4. 工程咨询师在进行项目可行性研究时,应重点考虑的因素是?A. 技术可行性B. 经济可行性C. 社会可行性D. 环境可行性5. 在工程咨询中,以下哪项工作通常在项目后期进行?A. 项目建议书编制B. 可行性研究报告编制C. 初步设计D. 竣工验收6. 工程咨询师在进行项目评估时,应重点关注的内容是?A. 项目设计方案的优劣B. 项目施工进度的快慢C. 项目经济效益的高低D. 项目社会效益的大小7. 在工程咨询中,以下哪项工作通常由专业机构或专家完成?A. 施工图设计B. 施工组织设计C. 项目建议书编制D. 施工进度安排8. 工程咨询师在进行项目策划时,应首先考虑的因素是?A. 技术创新性B. 经济合理性C. 社会效益最大化D. 环境可持续性9. 在工程咨询中,以下哪项工作通常是不可省略的步骤?A. 现场踏勘B. 工程测量C. 设计方案比选D. 工程报价编制10. 在工程咨询中,工程咨询师的职业素质不包括以下哪项?A. 专业理论知识丰富B. 良好的沟通协调能力C. 熟悉相关法律法规D. 无须具备实践经验。
一、单项选择题(共60题,每题1分。
每题的备选项中,只有1个最符合题意)1.整个国民经济()活动的总量与结构构成宏观经济。
A.生产、投资、储蓄、消费B.生产、分派、互换、消费C.储蓄、消费、投资、折旧D.三次产业部门的生产、经营2.社会劳动生产率是指()平均每人发明的国内生产总值。
A.全社会劳动力B.全社会从业人员C.全社会经济活动人口D.全国总人口3.在以下关于我国经济体制的描述中,错误的是()。
A.我国实行的是社会主义市场经济体制B.市场机制在我国经济生活中对资源配置起主导性、支配性作用C.宏观经济管理在我国经济生活中占有重要地位D.宏观经济管理的手段涉及经济手段、法律手段和必要的行政手段4.反映科技进步对经济增长奉献的指标是()。
A.社会劳动生产率变动率B.资金利税率变动率C.国内生产总值综合能耗变动率D.全要素生产率5.根据马克思主义再生产原理,产业部门可划分为()。
A.劳动密集型产业、资本密集型产业和技术密集型产业B.第一产业、第二产业、第三产业C.初级产品部门、再生产部门、非物质生产部门D.物质资料生产领域和非物质资料生产领域;前者又划分为生产资料生产部门和消费资料生产部门6.在以下经济活动中,属于经济学意义的投资是()。
A.购买证券B.更新生产设备C.购买土地D.公司并购7.设某一年度固定资产价值为2023亿元,上一年度固定资产价值为l000亿元;同期新增国内生产总值5000亿元,投资完毕总额为2500亿元。
则当年固定资产交付使用率为()。
A.20%B.40%C.50%D.80%8.按资本金制度的规定,投资项目资本金的缴纳方式是()。
A.一次认缴、一次到位B.逐年认缴,逐年到位C.一次认缴,并根据实际的建设进度按比例逐年到位D.一次认缴,并根据批准的建设进度按比例逐年到位9.测定在建投资总规模的方法有增长率法和()。
A.投资率法B.累计法C.倍数法D.支出法10.按形成资产盼眭质不同,投资可分为()。
2023年咨询工程师考试考前冲刺复习资料汇总1.2023年咨询工程师考试考前冲刺复习资料汇总篇一投资项目资本金的概念及特点:投资项目资本金是指在投资项目总投资中,由投资者认缴的出资额。
它有三个特点:(1)对投资项目来说是非债务性资金(项目法人不承担这部分资金的任何利息和债务)。
(2)投资者可按其出资比例依法享有所有者权益,也可转让出资,但不得以任何方式抽回。
(3)在投资项目的总投资中,除项目法人从银行或资金市场筹措的债务性资金外,还必须拥有一定比例的资本金。
作为计算资本金基数的总投资,是投资项目的固定资产投资与铺底流动资金之和,以经批准的动态概算为依据。
2.2023年咨询工程师考试考前冲刺复习资料汇总篇二货币出资的资金来源:各级人民政府的财政预算内资金、国家批准的各种专项基金、“拨改贷”和经营性基本建设基金回收的本息、土地批租收入、国有企业产权转让收入、地方人民政府按国家有关规定收取的各种规费及其他预算外资金。
国家授权的投资机构及企业法人的所有者权益(包括资本金、资本公积金、盈余公积金和未分配利润、股票上市收益资金等)、企业折旧资金以及投资者按照国家规定从资金市场上筹措的资金。
社会个人合法所有的资金。
国家规定的其他可作投资项目资本金的资金。
3.2023年咨询工程师考试考前冲刺复习资料汇总篇三投资项目资本金的规定:(1)不同行业投资项目资本金的最低比例规定①交通运输、煤炭项目,资本金比例≥35%②钢铁、邮电、化肥项目,资本金比例≥25%③电力、机电、建材、化工、石油加工、有色、轻工、纺织、商贸及其他行业的项目,资本金比例≥20%(2)实际执行原则①投资项目资本金的具体比例,由项目审批单位在审批可行性研究报告时核定;经国务院批准,对个别情况特殊的国家重点建设项目,可以适当降低资本金比例。
②经国务院批准,对某些投资回报率稳定,收益可靠的基础设施、基础产业投资项目,以及经济效益好的竞争性投资项目,可以试行通过发行可转换债券或组建股份制公司发行股票方式筹措资本金。
第3章循环经济与能源资源开发利用【本章结构】工程项目费用管理循环经济的3R原则循环经济发展政策发展循环经济的重要环节发展循环经济的基本管理制度循环经济评价指标体系能源开发利用的一般原则和要求能源资源优化配置与合理性分析能源资源开发项目的资源条件评价能源资源开发利用的合理性分析能源资源开发利用与项目节能项目节能分析评价节能的原则与要求节能评价【重点难点】1. 循环经济评价指标体系。
2. 项目节能评价。
【专家点评】此章为定性内容,考核方式比较简单,以案例中小问题的形式出现。
循环经济、项目节能评价及节能评估和审查时复习的重点内容。
【内容讲解】第一节循环经济发展政策无论是利用土地资源、矿产资源、水资源还是利用能源资源,都应遵循循环经济的基本要求,提高项目资源综合利用水平。
一、循环经济的3R原则我国《循环经济促进法》规定,循环经济是指在生产、流通和消费等过程中进行的减量化、再利用、资源化活动的总称。
循环经济的3R原则:即资源利用的减量化( Reduce)原则,再利用(Reuse)原则和资源化(Recycle,也称再循环)原则,在资源利用的各个环节中做到合理利用资源、最大限度地减少废弃物排放,力争做到排放的无害化,实现资源再循环利用。
减量化是指在生产、流通和消费等过程中减少资源消耗和废物产生; 再利用是指将废物直接作为产品或者经修复、翻新、再制造后继续作为产品使用,或者将废物的全部或者部分作为其他产品的部件予以使用; 资源化 指将废物直接作为原料进行利用或者对废物进行再生利用。
二、发展循环经济的重要环节在项目建设和运营管理中,应重点从五个环节推进循环经济发展: (1)在资源开采环节大力提高资源综合开发和回收利用率。
(2)在资源消耗环节 大力提高资源利用效率。
(3)在废弃物产生环节大力开展资源综合利用。
(4)在再生资源产生环节大力回收和循环利用各种废旧资源。
(5)在社会消费环节 大力提倡绿色消费。
三、发展循环经济的基本管理制度1. 规划制度 循环经济发展规划应当包括规划目标、适用范围、主要内容、重点任务和保障措施等,并规定资源产出率、废物再利用和资源化率等指标。
2024年注册工程咨询师考试资料引言概述:2024年注册工程咨询师考试是工程咨询行业的重要考试,对于想要从事工程咨询师职业的人来说,备考是非常重要的一环。
本文将从五个大点来详细阐述2024年注册工程咨询师考试的相关资料,帮助考生更好地准备考试。
正文内容:1. 考试大纲1.1 考试科目和权重:详细介绍2024年注册工程咨询师考试的科目设置和各科目的权重,包括工程咨询基础、工程经济与管理、工程咨询实务等。
1.2 考试内容要点:列举并详细解释每个科目的考试要点,包括相关理论知识、实践经验、法规政策等,帮助考生了解考试重点。
2. 考试参考书目2.1 专业教材:介绍一些经典的专业教材,涵盖考试科目的各个方面,包括工程咨询理论、案例分析、项目管理等。
2.2 辅助教材:推荐一些辅助教材,如考试指南、复习资料、模拟试题等,帮助考生更好地理解和掌握考试内容。
3. 考试辅导课程3.1 在线课程:介绍一些在线培训机构提供的注册工程咨询师考试辅导课程,包括视频课程、在线讲座、模拟考试等,帮助考生系统地学习和复习考试内容。
3.2 线下培训班:推荐一些知名的线下培训机构,提供注册工程咨询师考试的培训班,包括面授课程、模拟考试、答疑解惑等,帮助考生深入理解和应用考试知识。
4. 考试经验分享4.1 考试技巧:总结一些备考和考试的技巧,包括时间管理、答题技巧、复习方法等,帮助考生提高备考效率和应试能力。
4.2 成功经验:分享一些成功考取注册工程咨询师证书的考生经验,包括备考心态、学习方法、解题思路等,给考生以启示和借鉴。
5. 考试相关资源5.1 网络资源:介绍一些在线平台和论坛,提供注册工程咨询师考试的相关资源,如学习资料下载、考试经验交流等。
5.2 考试机构官网:给出注册工程咨询师考试的官方网站,提供最新的考试信息、报名通知、考试时间等。
5.3 考试辅助工具:推荐一些考试辅助工具,如考试计算器、词典、笔记本等,帮助考生更好地应对考试。
2024年咨询工程师考试题库第一部分单选题(500题)1、—般资料:求助者,女性,50岁,高级职员,身高1.52米,体重78公斤。
A.制定干预措施B.制定咨询方案C.矫正歪曲认知D.评估咨询效果【答案】:B2、项目风险管理是一种()手段。
A.被动控制B.主动控制C.事前控制D.事后控制【答案】:B3、《生态文明体制改革总体方案》明确要求建立健全环境治理体系,具体包括()。
A.建立耕地草原河湖休养生息制度B.完善污染物排放许可制C.建立生态环境损害责任终身追究制D.完善资源循环利用制度【答案】:B4、—般性货币政策工具包括()A.存款准备金、再贴现和公开市场业务B.存款准备金、再贴现和银行备付金C.再贴现、银行备付金和公开市场业务D.银行备付金、信用配额和存款准备金【答案】:A5、根据规划,“十二五”期末国家高速公路网基本覆盖()城市。
A.20万以上人口B.30万以上人口C.40万以上人口D.50万以上人口【答案】:A6、我国能源发展“十一五”规划提出,在水能资源丰富但地处偏远的地区,因地制宜开发()A.大中小型水电站B.大中型水电站C.中小型水电站D.小型水电站【答案】:C7、银行对贷款项目管理的特点是()。
A.管理的主动权随资金的投入而提高B.管理手段带有更强的金融专业性C.以项目进度为主线进行管理D.相对其他参与方来说直接的管理对象比较多元【答案】:B8、整个组织按从上到下的顺序通常分为决策层、协调层、执行层和操作层四个层面,管理目标与计划的制定者阶层是()。
A.决策层B.协调层C.执行层D.操作层【答案】:A9、“十三五”时期,所要健全的金融机构体系的特点是()。
A.多层次、广覆盖、有差异B.公开透明、健康发展C.分工合理、相互补充D.全面规范、方式可控【答案】:C10、根据《建设工程工程量清单计价规范》,施工企业为从事危险作业的建筑安装施工人员缴纳的工伤保险应计入建筑安装工程造价的是()。
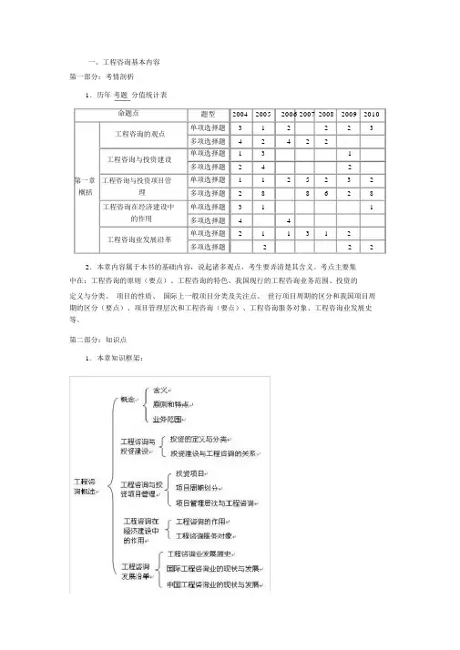
一、工程咨询基本内容第一部分:考情剖析1.历年考题分值统计表命题点工程咨询的观点工程咨询与投资建设第一章工程咨询与投资项目管概括理工程咨询在经济建设中的作用工程咨询业发展沿革题型200420052006 2007200820092010单项选择题312223多项选择题42422单项选择题131多项选择题242单项选择题1125232多项选择题288628单项选择题311多项选择题44单项选择题211312多项选择题2222.本章内容属于本书的基础内容,说起诸多观点,考生要弄清楚其含义。
考点主要集中在:工程咨询的原则(要点)、工程咨询的特色、我国现行的工程咨询业务范围、投资的定义与分类、项目的性质、国际上一般项目分类及关注点、世行项目周期的区分和我国项目周期的区分(要点)、项目管理层次和工程咨询(要点)、工程咨询服务对象、工程咨询业发展史等。
第二部分:知识点1.本章知识框架:2.本章考试大纲领求:(1)工程咨询的原则、特色、范围。
(2)投资建设与工程咨询的关系。
(3)投资项目、项目周期、项目管理层次和相应的工程咨询服务。
(4)工程咨询在经济建设中的作用及服务对象。
(5)国内外工程咨询发展沿革。
3.重难点内容依据历年考题状况,考生复习的要点有:工程咨询的观点、工程咨询原则、项目生命周期、项目管理等。
第三部分:系统解说第一节工程咨询的观点(P1~ 5)本节知识框架:一、工程咨询的含义(P1~ 2)(一)咨询的含义咨询是运用知识、技术、经验、信息供应服务的脑力劳动,旨在为别人出谋献策,帮助解决疑难问题。
咨询与决议的关系,是建言与“纳谏”的关系。
(二)工程咨询的含义依照的原则:独立、科学、公正P13 页“工程咨询服务对象”服务对象:政府部门、项目业主、其余各种客户(与教材联合学习)服务内容:供应经济社会发展和工程项目决议与实行的智力服务手段:多学科知识和经验、现代科学技术和管理方法(1)工程咨询的原则、特色、范围(2)投资建设与工程咨询的关系投资建设与工程咨询的关系 ( 理解 )投资建设是实现社会扩大重生产的根本门路,是保持经济和社会长久稳固发展的重要手段。
2024年咨询工程师考试辅导资料咨询工程师是一个涉及广泛领域的职业,他们负责为企业和组织提供专业的咨询服务,帮助他们解决各种管理和业务问题。
2024年咨询工程师考试是咨询工程师们迎来晋升更高级别的关键考试之一,下面将为大家提供相关的考试辅导资料。
一、考试概况2024年咨询工程师考试分为笔试和面试两个阶段,主要考察考生在咨询工程师领域的专业知识、实践经验以及解决实际问题的能力。
考试内容包括从诊断问题、制定咨询方案、实施咨询项目到评估成果等全过程的知识和技能。
二、考试大纲1.项目管理知识咨询工程师需要具备项目管理的基本知识和技能,包括项目规划、执行、监控和收尾等方面的内容。
2.咨询过程管理知识咨询工程师需要掌握咨询过程中的各个环节,如需求分析、问题诊断、咨询方案设计等,以及面对各种实际问题时的解决方案。
3.组织管理知识咨询工程师需要了解企业组织的各个层次和各个部门的运作,以便能够更好地进行咨询和提出改进建议。
4.决策分析知识咨询工程师需要具备决策分析的技能,从而能够帮助企业进行决策,评估各种选项的优劣,并给出合理的建议。
5.专业实践知识咨询工程师需要了解咨询工程师行业的最新动态和新技术,不断提升自己的专业素养。
三、备考建议1.熟悉考试大纲备考之前,先仔细阅读考试大纲,确保了解考试内容和重点。
2.查找相关资料咨询工程师考试是一项综合性的考试,可以通过查找相关资料来扩充自己的知识面,并将其应用到实际问题的解决中。
3.制定学习计划根据考试大纲,制定一个合理的学习计划,并且要按计划执行,不要拖延。
4.做题训练在备考过程中,多解做题训练是十分必要的。
可以通过做真题和模拟题,熟悉考试形式和节奏,并提高解题的速度和准确性。
5.制定复习计划在考试前的最后一个月,制定一个详细的复习计划,将每个知识点都复习到位,并进行归纳总结,以便在考试中能够有条理地展示自己的知识。
四、备考技巧1.理论与实践结合咨询工程师考试不仅考察理论知识,更注重实际操作能力。
咨询工程师《咨询概论》复习讲义3篇咨询工程师《咨询概论》复习讲义1一、投标准备(了解)投标前的准备工作主要是:(1)咨询投标和编写咨询单位实力介绍文件;(2)加强与客户沟通,深入研究,以获取更详细的工程信息,争取被列入短名单中。
二、投标文件的编制投标文件经常采用“建议书”的形式,建议书分技术建议书和财务建议书两部分。
(一)编制准备工作(了解)包括:认真研究招标文件;充分了解工程项目的有关信息;合理选配执行任务的咨询专家。
(二)技术建议书的编制(10项)(掌握)技术建议书应根据招标文件中投标人须知、委托服务范围的要求编制,典型的技术建议书包括以下10项内容:1.概述包括投标单位名称;建议书的主要内容;投标单位优势;所建议方案的可行性和。
2.投标单位概况(公司实力介绍)3.工程咨询的经验重点介绍在类似项目、类似地区、类似自然条件下完成咨询任务的情况,以表明本单位的技术水、工作经验和承担该咨询项目的优势。
4.对本项目的理解包括项目的背景;对所在地区和行业发展的影响;项目的特征、技术指标和环境条件;影响本项目的关键因素和性因素等。
5.对委托服务范围的理解和建议主要阐述工作大纲中每项任务的工作内容与深度的理解;改进意见和合理化建议。
6.完成任务的方法与途径本部分是技术建议书的核心内容,应详细描述完成任务拟采取的方法、途径和步骤。
主要包括:完成咨询任务的总体方案与计划;各子项目的划分、工作标准、技术措施、质量保证体系;提交成果的方式、内容和时间。
7.工作进度计划应充分了解各种因素,编制切实可行的工作进度计划。
8.咨询人员工作安排咨询人员工作安排主要包括:项目组组长和成员的组成、主要咨询人员资历和经验;咨询单位总部对项目的;项目组成员的任务分工及其工作时间安排计划。
可用横道图表示,作为财务建议书中费用估算的时间依据。
9.需要客户提供的协助根据委托服务范围,为完成咨询任务所需要客户提供的协助。
包括:提供有关的文件、基础资料、辅助设施与设备,以及人员的协助和配合;帮助办理咨询专家的出入境手续以及咨询单位使用的仪器设备的进出关手续等。
2024年咨询工程师考试题库第一部分单选题(500题)1、工职业生涯后期的管理包括()。
A.做好细致的思想工作B.做好退休的计划与安排C.做好退休之际的职业工作衔接D.分配给员工挑战性工作E.帮助和指导员工寻觅职业锚【答案】:A2、工程咨询业务按照大约()个专业划分。
A.10B.12C.15D.21【答案】:D3、对工作分解结构(WBS)中规定的可交付成果或半成品必须进行的工作进行界定,并形成相应的文件,这是()的含义。
A.工作成果B.工作清单C.工作顺序D.工作定义【答案】:D4、经批准可以进行邀请招标的是()。
A.项目技术复杂的B.项目受自然地域环境限制的C.涉及抢险救灾的D.公开招标费用占合同金额的比例过大的【答案】:D5、摄人性会谈中提问过多容易使求助者()。
A.转移责任B.减少自我探索C.形成依赖D.社会交往下降【答案】:A6、工程项目试运行总结报告由()负责编制。
A.建设单位B.设计单位C.施工单位D.监理单位【答案】:C7、让处于项目团队计划执行链中末端的团队成员参与团队计划的制订过程,属于团队能力开发中()活动。
A.改善工作环境B.表彰与奖励C.进行人员配合训练D.开展团队建设性【答案】:D8、在FIDIC施工合同条件中,关于计量与估价的表述,正确的为()。
A.红皮书属于重新计量的单价合同,签订合同时的中标合同金额为实际合同价格B.除非合同中另有规定,对永久工程的每一项工作都应以净实际工程量进行计量C.临时工程、土石方工程,应进行工程现场实地测量,由承包商和工程师共同完成D.如果工程量清单或其他数据表中没有相同的工作,应本着成本加利润的原则进行估价【答案】:B9、管理者是把人看作“社会人”,工作能给员工带来一定的正效用,员工把工作当成一件快乐的事,社会人自我引导自我实现的是()。
A.双因理论B.X理论C.Y理论D.公平理论【答案】:C10、咨询工程师在项目前期准备阶段的工作:①研究项目工作大纲;②编写咨询项目工作计划;③接受委托;④成立A.①-②-③-④B.①-③-②-④C.③-①-②-④D.③-④-①-②【答案】:C11、凡取得丙级资格证书满()年的单位,达到规定的上一级资格标准,可按规定程序申请办理升级或扩大专业服务范围手续。
咨询工程师证书考试资料
以下是关于咨询工程师证书考试的相关资料:
1. 咨询工程师考试学习资料:此资料涵盖了咨询工程师所需掌握的基本知识和技能,以及考试涉及的各科目的内容,为考生提供了全面系统的复习材料。
2. 咨询工程师考试大纲:此大纲详细列出了考试涉及的知识点,以及各知识点的要求程度,为考生提供了明确的学习方向。
3. 咨询工程师考试题库:此题库包括历年咨询工程师考试的真题和模拟试题,通过实战演练,有助于考生更好地掌握考试技巧,提高应试能力。
4. 咨询工程师考试教材:此教材详细介绍了咨询工程师所需的专业知识和技能,包括工程管理、经济、法律等方面的内容,是考生系统学习咨询工程师知识的重要资料。
5. 咨询工程师考试备考策略:此策略从备考的角度为考生提供了具体的复习方法和建议,有助于考生更好地规划复习时间和安排复习进度。
这些资料可以作为咨询工程师证书考试的参考资料,有助于考生系统掌握咨询工程师所需的专业知识和技能,提高应试能力和通过考试的几率。
请注意,这些资料仅供参考,具体使用时请结合实际情况进行调整。
学习攻略—收藏助考锦囊系统复习资料汇编考试复习重点推荐资料百炼成金模拟考试汇编阶段复习重点难点梳理适应性全真模拟考试卷考前高效率过关手册集高效率刷题好资料分享学霸上岸重点笔记总结注:下载前请仔细阅读资料,以实际预览内容为准助:逢考必胜高分稳过2022年咨询工程师考试《方法实务》复习资料二《方法实务》复习资料(4)1、赢得值法是重点,要理解、运用。
赢得值法的三个基本参数都要会计算,历年考试的重点难点。
2、赢得值法的四个评价指标:费用偏差CV、进度偏差SV、费用绩效指数(CPI)、进度绩效指数(SPI)的概念和相关公式一定要掌握。
3、工程项目招标投标程序理解。
4、投标申请人资格审查:掌握资格审查方式和资格审查内容。
5、编制招标文件应遵循的原则和要求7条仔细理解掌握。
6、投标人根据招标文件载明的项目实际情况,拟在中标后将中标项目的部分非主体、非关键性工作进行分包的,应当在投标文件中载明。
7、招标人可以在招标文件中要求投标人提交投标担保。
投标保证金可以使用支票、银行汇票等,一般不得超过投标总价的2%。
投标人应当按照招标文件要求的方式和金额,将投标保函或者投标保证金随投标文件提交招标人。
8、投标文件的送达与签收和投标文件的补充、修改或撤回的内容理解,尤其是一些日期和数字的考查。
9、联合体投标的概念和相关展开内容要理解,历年考试有涉及此部分内容。
10、施工合同双方的一般权利和义务,包括:发包人,承包人,监理人,承包人项目经理的合同约定等相关内容要掌握。
《方法实务》复习资料(5)1、不利物质条件、异常恶劣的气候条件、不可抗力等几个特殊的合同处理。
此部分内容要理解。
2、理解掌握索赔的程序5个。
3、市场调查的类型:市场普查、重点调查、典型调查和抽样调查四种。
四种类型的特点和适用情况。
4、市场调查的方法(四方法):文案调查法、实地调查法、问卷调查法、实验调查法;掌握这几种调查方法的方法简介、特点及其它注意问题;选择调查方法要考虑收集信息的能力、调查研究的成本、时间要求、样本控制和人员效应的控制程度。
第二章宏观经济管理一、单项选择题【例题1】生产资料价格和工资上涨过快导致的价格总水平上升,属于()通货膨胀。
(2011年真题)A.成本推动型B.需求拉动型C.结构型D.混合型[答疑编号502329020101]『正确答案』A『答案解析』通货膨胀根据成因,分为需求拉动型通货膨胀、成本推动型通货膨胀、需求拉动与成本推进相互作用型通货膨胀、结构型通货膨胀四种。
参见教材P35。
【例题2】因社会总支出和产出下降,对劳动整体需求减少引起的失业称为()。
(2011年真题)A.摩擦性失业B.结构性失业C.稳态性失业D.周期性失业[答疑编号502329020102]『正确答案』D『答案解析』参见教材P34。
【例题3】经济学关于经济萧条的解释是()。
(2011年真题)A.实际产出低于实际需求水平B.实际产出高于潜在产出水平C.实际产出下降,与潜在产出之间缺口不大D.实际产出持续下降,与潜在产出之间缺口巨大[答疑编号502329020153]『正确答案』D『答案解析』C称为衰退,D称为萧条。
参见教材P36。
【例题4】为应对经济衰退,需要扩大货币供给,中央银行通常采取的措施是()。
(2011年真题)A.出售政府债券、提高准备金率、降低再贴现率B.出售政府债券、降低准备金率、提高再贴现率C.购入政府债券、提高准备金率、提高再贴现率D.购入政府债券、降低准备金率、降低再贴现率[答疑编号502329020103]『正确答案』D『答案解析』扩大货币供给,要将货币投入到市场上。
参见教材P40。
【例题5】衡量经济体所生产的所有物品和劳务价格变动的指标是()。
(2011年真题)A.消费物价指数B.GDP平减指数C.生产价格指数D.核心价格指数[答疑编号502329020104]『正确答案』B『答案解析』衡量价格变动的指标有三个,消费物价指数、生产价格指数和GDP平减指数。
消费物价指数针对消费品。
生产价格指数针对生产或批发环节,只有GDP平减指数范围最广。
参见教材P35。
【例题6】在衡量一个国家产出水平的诸多指标中,目前最全面的指标是()。
(2011年真题)A.国内生产总值B.国民生产总值C.国民收入D.国民净收入[答疑编号502329020105]『正确答案』A『答案解析』参见教材P32。
【例题7】实际GDP是指()。
(2011年真题)A.按固定价格或不变价格计算的国民生产总值B.按实际市场价格计算的国民生产总值C.按固定价格或不变价格计算的国内生产总值D.按实际市场价格计算的国内生产总值[答疑编号502329020106]『正确答案』C『答案解析』实际GDP的概念。
参见教材P32。
【例题8】按收入法统计GDP是指()。
(2011年真题)A.对一个国家所有常住单位一定时期内的营业收入进行汇总B.对一个国家所有常住单位一定时期内的纯收入进行汇总C.对一个国家一定时期内所有生产要素的收入、折旧和政府间接税收入进行汇总D.对一个国家一定时期内所有常住单位和个人的财产性收入进行汇总[答疑编号502329020107]『正确答案』C『答案解析』请记清GDP三种统计方法的公式。
参见教材P32。
【例题9】社会劳动生产率是指()平均每人创造的国内生产总值。
(2007年真题)A.全社会劳动力B.全社会从业人员C.全社会经济活动人口D.全国总人口[答疑编号502329020108]『正确答案』B『答案解析』劳动生产率=国内生产总值/全社会从业人员年均人数。
参见教材P41。
【例题10】国内生产总值是指按市场价格计算的,一个国家(或地区)所有()在一定时期内生产活动的最终结果。
(2006年真题)A.常住单位B.物质生产部门C.企业、事业单位D.居民[答疑编号502329020109]『正确答案』A『答案解析』国内生产总值只区别区域,不区别身份。
参见教材P32。
【例题11】国民生产总值等于国内生产总值加上()。
(2005年真题)A.折旧B.财产收入C.国外的净要素收入D.净出口[答疑编号502329020110]『正确答案』C『答案解析』国民生产总值=GDP+来自国外的要素收入-向国外的要素支付。
参见教材P32。
【例题12】国内生产总值是指()。
A.一个国家所有常住单位在一定时期内收入初次分配的最终结果B.所有常住单位在一定时期内生产的全部货物和服务价值扣除同期中间投入的全部非固定资产货物和服务价值的差额C.所有常住单位在一定时期内生产的全部货物和服务价值扣除折旧D.国民生产总值加上国外净要素收入[答疑编号502329020111]『正确答案』B『答案解析』国内生产总值的定义。
A是国民生产总值;C是国内生产净值;D表达为国内生产总值=国民生产总值+国外净要素收入,应该为国民生产总值=国内生产总值+国外净要素收入。
参见教材P32。
【例题13】实现我国宏观经济管理目标和主要任务的两个主要调控手段是()。
A.经济社会发展战略和国土规划B.可持续发展战略和宏观经济政策C.国民经济计划和生产力布局规划D.宏观经济政策和经济社会发展规划[答疑编号502329020112]『正确答案』D『答案解析』综合理解。
本门课的两大部分内容。
【例题14】经济总量平衡是指()之间的平衡与协调。
A.消费品供给与消费品需求B.国民经济供给能力与国民消费欲望C.国民经济供给能力与国民消费需求结构D.总供给与总需求[答疑编号502329020113]『正确答案』D『答案解析』参见教材P39。
【例题15】全要素生产率是指经济增长中()。
A.劳动力、资本、土地要素投入的贡献B.全部要素投入增长的贡献C.除去劳动力、资本、土地等要素投入的贡献后的“余值”部分D.劳动力、资本、土地、技术等投入的贡献。
[答疑编号502329020114]『正确答案』C『答案解析』全要素生产率的内涵,即技术的经济增长的贡献。
参见教材P41。
【例题16】宏观经济政策是通过调整()来影响实现目标。
A.社会价格水平B.总供给C.总需求D.货币供给量[答疑编号502329020115]『正确答案』C『答案解析』宏观经济政策的作用途径,即主动是运用货币政策和财政政策积极地影响决需求水平。
参见教材P39。
【例题17】根据我国社会主义现代化建设三步走发展战略的部署,全面完成第三步发展战略的目标是:到建国l00年时,()。
A.全面实现现代化,建成富强、民主、文明的社会主义国家B.基本实现现代化,建成富强、民主、文明的社会主义国家C.人均国民生产总值达到发达国家水平D.全面建成惠及十几亿人口的高水平小康社会[答疑编号502329020116]『正确答案』B『答案解析』新三步。
参见教材P56。
【例题18】用外国货币表示的本国货币的价格,称为()A.直接标价B.间接标价D.本币标价E.外币标价[答疑编号502329020117]『正确答案』A『答案解析』汇率。
直接标价-外国货币的本币价格。
间接标价-本币的外国货币价格。
参见教材P47。
【例题19】在浮动汇率制度且资本具有流动性情况下()。
A.财政政策无效B.货币政策无效C.财政和货币政策均无效D.财政和货币政策均有效[答疑编号502329020118]『正确答案』A『答案解析』汇率制度。
固定汇率制度:货币政策失效,财政政策有效。
浮动汇率制度:货币政策有效,财政政策失效或部分无效。
参见教材P48。
【例题20】()是指企业或个人在市场交易之外,强加给其他人的成本或利益。
A.非排他性B.竞争性C.外部性D.不完全竞争[答疑编号502329020119]『正确答案』C『答案解析』此为外部性的概念。
参见教材P30。
【例题21】以下哪项措施属于针对负的外部性的公共政策()。
A.对该项活动征税B.制定反垄断法C.进行价格管制D.设立公共企业[答疑编号502329020120]『正确答案』A『答案解析』公共政策的分类。
针对负的外部性的公共政策有对负外部性活动征税(征税)、提供消除外部性的激励措施(鼓励改进技术装备)、可转让产生负的外部性的权力(许可证)、规范经济主体的行为(管制);针对不完全竞争的公共政策有反垄断法、价格管制、设立公共企业三类。
参见教材P49。
【例题22】()是指在经济处于充分就业时的产出A.名义GDPB.实际GDPC.潜在GDPD.国内生产总值[答疑编号502329020121]『正确答案』C『答案解析』潜在GDP的概念。
参见教材P32。
【例题23】以()为核心的市场机制,可以自发地解决市场面临的三个基本问题。
A.自由经济B.宏观调控C.理性经济人D.价格机制[答疑编号502329020122]『正确答案』D『答案解析』市场机制的核心是价格机制。
参见教材P28。
【例题24】关于影响供给的基本因素的叙述中,不正确的是()。
A.生产者或销售者的价格预期往往会引起供给数量的变化B.技术水平在一定程序上决定着生产成本并进而影响供给数量C.在其他条件不变的情况下,成本降低,供给数量会减少D.在其他条件不变的情况下,某种产品的价格和其供给数量的变动呈正方向变化[答疑编号502329020123]『正确答案』C『答案解析』成本与供给成反比。
参见教材P27。
【例题25】以下有关最高限价和保护价格的说法中,不正确的是()。
A.当实行最高限价时,会出现市场短缺现象B.当实行保护价格后,会出现过剩现象C.保护价格的后果就是可能出现价格大涨D.最高限价的后果,是可能出现配给制[答疑编号502329020124]『正确答案』C『答案解析』保护价格的后果是可能出现变相降价。
参见教材P27-28。
【例题26】在完全竞争状态下,当整个经济的价格体系恰好使所有商品供求都相等时,经济就处理一种均衡状态,称之为()。
A.恩格尔系数B.帕累托效率C.稳定均衡状态D.帕累托改进[答疑编号502329020125]『正确答案』B『答案解析』帕累托效率的概念。
参见教材P29。
【例题27】一个市场中有许多厂商生产和销售有差别的同种产品,而每个厂商对自己的产品价格都具有一定的垄断力量,称之为()。
A.垄断市场B.非完全垄断市场C.垄断竞争市场D.寡头市场[答疑编号502329020126]『正确答案』C『答案解析』不完全竞争市场分为三种,即垄断市场、寡头市场和垄断竞争市场。
参见教材P29。
【例题28】公共产品均具有()。
A.排他性和竞争性B.非排他性和非竞争性C.排他性和非竞争性D.非排他性和竞争性[答疑编号502329020127]『正确答案』B『答案解析』参见教材P30。
【例题29】由于交易双方信息不对称和市场价格下降产生的劣质品驱逐优质品,进而出现市场交易产品平均质量下降的现象,称之为()。
A.负的外部性B.非排他性C.非竞争性D.逆向选择[答疑编号502329020128]『正确答案』D『答案解析』逆向选择的概念。