固结灌浆回填灌浆表格汇总资料
- 格式:docx
- 大小:45.32 KB
- 文档页数:20
引水隧洞回填、固结及接触灌浆施工方案4.3.3.5 引水隧洞回填、固结灌浆★1#、2#隧洞长334m,洞径1.7m;3#隧洞长475.2m,洞径3.2m。
隧洞洞顶120°范围进行回填灌浆;全断面进行固结灌浆。
固结灌浆因围岩类别的不同而灌浆形式也不同,固结灌浆有关参数见下表的灌浆形式图。
★由于隧洞洞径较小,因此,不必搭设灌浆平台,直接采用岩石电钻造孔,灌浆设备运至洞内安装进行施工,浆液来源于洞口制浆系统。
主要钻孔灌浆工程量统计表回填灌浆()1#、2#引水隧洞参数表3#引水隧洞参数表A 型固结灌浆C 型固结灌浆 B 型固结灌浆D 型固结灌浆E 型固结灌浆固结灌浆形式参数表 灌浆 形式 孔深 (米) 排距 (米) 每断面孔 数(个) A 型 23 6 B 型 3 2 8 C 型 2 3 6 D 型 2 3 6 E 型328(1)水、电及制浆系统的布置_水电利用总体布局的水电线路,就近搭接。
考虑总用电量200KW 。
_采用分散供水、供电,集中供浆和分散供浆方式相结合。
在隧洞口附近布置 1 个固定制浆平台,制浆平台面积均为50。
制浆系统的具体位置要尽量避开干扰,制浆系统安放输浆机一台、高速制浆机一台、1和0.2搅拌桶各一台。
输浆管采用Dg40 铁管,从制浆站连接到各用浆点,可制浆站沿各洞口进入。
制浆站制备水灰比为0.5:1 的纯水泥浆液,输送浆液流速应为1.4m/s ~2.0m/s ,各灌浆地点应测定来浆密度,并根据各灌浆点的不同需要调制使用。
浆液温度应保持在5℃~40℃。
制浆站的制浆能力应满足灌浆进度高峰期用浆需要。
(2)回填灌浆_工艺流程:衬砌砼达70%设计强度→Ⅰ序钻孔→Ⅰ序灌浆→待凝48 小时以上→Ⅱ序钻孔→Ⅱ序灌浆→每个单元结束且满足7 天以后进行灌浆质量检查。
具体每孔的施工程序见回填灌浆工艺流程图。
_钻孔a、在素混凝土衬砌中的回填灌浆孔,采用岩石电钻钻孔的方法;在钢筋混凝土衬砌中的回填灌浆孔应采用在预埋管中钻孔的方法,孔深深入岩石10cm,并测记混凝土厚度和空腔尺寸。
金沙江白鹤滩水电站钻孔灌浆班报表工程名称:右岸导流洞工程施工单位:葛洲坝灌浆二处日期:2013 年 3 月12 日白(夜)班工程部位:右岸导流洞出口围堰孔号:CW1-1 交班钻孔深: 5 m 交班灌浆深:/ m 本班钻孔进尺:_____5_____m 排序:_____1________________ 钻孔顶角:0°接班钻孔深:0 m 接班灌浆深:/ m 本班灌浆段长:____/______m记录:班长:质检:监理单位:监理工程师:金沙江白鹤滩水电站灌浆工程钻孔裂隙冲洗记录表工程部位:孔号:孔序:记录:班长:质检:监理单位:监理工程师:灌浆工程单元工程准灌证灌浆工程集中制浆记录表记录:班长:质检:监理单位:监理工程师:灌浆工程抬动观测记录表记录:班长:质检:监理单位:监理工程师:金沙江白鹤滩水电站水泥领用量统计表填报人:施工单位审核:监理审核:注:1.“日期”一栏中,周报中按日统计,月报中按周统计,年报中按月统计;2.本表应根据不同水泥种类分别进行统计。
水泥加工量统计表填报人:施工单位审核:监理审核:注:1.“日期”一栏中,周报中按日统计,月报中按周统计,年报中按月统计;2.库存量指统计周期内各制浆站的总库存量;3.本表应根据不同水泥种类分别进行统计;4.损耗=(水泥领用量+期初库存)-(水泥加工量+期末库存);损耗率=…(水泥领用量+期初库存)-(水泥加工量+期末库存)‟÷水泥加工量×100%。
水泥消耗量统计表填报人:施工单位审核:监理审核:注:1.“日期”一栏中,周报中按日统计,月报中按周统计,年报中按月统计;2.“总计”一栏中应根据不同灌浆类型、水泥种类分别进行统计;3.“部位”按分部分项进行统计;4.损耗=水泥加工量-总注入量,损耗率=(水泥加工量-总注入量)÷水泥加工量×100%。
金沙江白鹤滩水电站灌浆工程钻孔封孔记录表记录:班长:质检:监理单位:监理工程师:金沙江白鹤滩水电站灌浆工程终孔验收记录表(固结灌浆、帷幕灌浆)灌浆工程钻孔测斜现场记录表记录:班长:质检:监理单位:监理工程师:灌浆工程记录表施工部位:地下水位:m 设计压力:Mpa 单位吸水率:__________Lu排序:孔号:孔序:桩号:孔口高程:m 灌浆段次:记录:班长:质检:监理单位:监理工程师:金沙江白鹤滩水电站灌浆工程终孔验收记录表(回填灌浆)记录:班长:质检:监理单位:监理工程师:金沙江白鹤滩水电站帷幕灌浆现场单孔验收记录表注:1)此表为钻灌过程的原始资料,由复检管理,工程完工后随原始报表上报、保存,复印件报监理部;2)灌浆开始、灌浆结束按“规范”、“技术要求”有关项目检验,满足要求或达到标准后,经初检、复检签名后方可进行下道工序实施;3)灌浆压力、浆液变换、结束标准满足标准者以“√”表示。
固结、帷幕灌浆、排水孔专用表格引言在土木工程领域中,土体工程是一项极为重要的领域。
其中,固结、帷幕灌浆和排水孔是三个常用的土体加固技术。
而固结、帷幕灌浆、排水孔专用表格是一种十分方便的工具,用来记录采用上述技术的各项参数,以便后期评估和优化。
固结概述固结是通过在土体中注入固结剂(如水泥、石灰等),来使土体达到增强的目的。
固结作业通常包括以下几个步骤:•钻孔•安装固结管•注入固结剂表格序号钻孔深度(m)固结管间距(m)固结剂类型固结剂用量(kg/m³)1 8 1.5 水泥2002 12 1.2 石灰1503 10 1.0 水泥250帷幕灌浆概述帷幕灌浆是一种加固土体的方法,常用于支护隧道和井筒。
帷幕灌浆通常包括以下几个步骤:•钻孔•安装灌浆管•灌浆表格序号钻孔深度(m)灌浆管间距(m)灌浆压力(MPa)灌浆质量(kg/m³)1 15 1.5 0.5 502 12 1.2 0.3 403 10 1.0 0.4 60排水孔概述排水孔是通过在土体中开凿一定大小和位置的孔洞,来使土体中的水分排出。
排水孔通常包括以下几个步骤:•钻孔•安装排水管•排水表格序号钻孔深度(m)排水管间距(m)排水孔直径(mm)排水管长度(m)1 15 1.5 50 302 12 1.2 40 253 10 1.0 30 20结论固结、帷幕灌浆、排水孔专用表格是用来记录采用土体加固技术的重要参数的便捷工具。
通过在表格中记录相关参数,能够更好地后期评估施工效果和优化工艺,进一步提高土体加固工作的质量。
固结灌浆灌浆记录表填写范文
一、基本信息
本记录表详细记录了固结灌浆灌浆的各项参数和操作过程,以确保灌浆质量和工程安全。
本记录表记录了灌浆工程的名称、日期、时间、负责人等信息。
二、灌浆参数
1. 浆液材料:水泥浆液,水灰比为1:1;
2. 灌浆压力:灌
浆压力为0.5MPa,持续时间为30分钟; 3. 灌浆量:本次灌浆共
注入水泥量5吨。
三、现场操作过程
1. 准备工作:检查设备运行状况,确保设备正常;准备足够
的浆液材料;确定灌浆孔位及深度; 2. 钻孔:按照设计要求钻孔,确保孔位准确、深度符合要求; 3. 清洗:用高压水清洗孔内杂物,确保孔内清洁; 4. 压水:将灌浆管插入孔内,进行压水实验,以
了解孔内情况; 5. 灌浆:按照设计要求压力和时间进行灌浆,确
保灌浆质量; 6. 封孔:待灌浆结束后,用砂浆封孔,确保孔口安全。
四、问题及解决方案
在灌浆过程中,发现有少量浆液泄漏现象,我们及时调整灌浆压力和时间,并加强设备检查和维护,确保灌浆质量。
五、结论
本次灌浆工作顺利完成,灌浆质量良好,符合设计要求。
我们将在以后的工作中继续加强设备维护和管理,确保工程安全和质量。
六、签字
本记录表由xxx负责填写,签名确认。
监工、技术负责人、项目经理等也需要在记录表上签字,以示负责和确认。
帷幕灌浆单孔质量检查记录资料清单承建单位:仁寿水务局合同编;施工质量负责人:监理单位审核人:年月日年月日表A.7-1-1-表B.1-1 地质钻机钻孔记录表承建单位:仁寿水务局合同编号:风动钻机钻孔记录表承建单位:仁寿水务局合同编号:表A.7-1-1-表B.2 钻孔取芯柱状图承建单位:中国地质工程集团公司合同编号:CDT-HLJDS-C-[2011]001表A.7-1-1-表B.3 单孔钻孔检查记录表承建单位:仁寿水务局合同编号:表A.7-1-1-表B.4 洗孔记录表承建单位:仁寿水务局合同编号:表A.7-1-1-表B.5 压水记录表承建单位:仁寿水务局合同编号:表A.7-1-1-表B.6 准灌证承建单位:仁寿水务局合同编号:表A.7-1-1-表B.7-1 灌浆记录表(人工)承建单位:仁寿水务局合同编号:表A.7-1-1-表B.7-2 灌浆记录表(自动)承建单位:中国地质工程集团公司合同编号:CDT-HLJDS-C-[2011]001表A.7-1-1-表B.8 单孔封孔检查记录表承建单位:仁寿水务局合同编号:帷幕灌浆工程单元工程验收资料清单承建单位:中国地质工程集团公司合同编号:CDT-HLJDS-C-[2011]001施工质量负责人:监理单位审核人:年月日年月日表A.7-1 岩石地基帷幕灌浆单元工程质量评定表承建单位:中国地质工程集团公司合同编号:CDT-HLJDS-C-[2011]001表A.7-1-表B.1 钻孔检查记录汇总表承建单位:中国地质工程集团公司合同编号:CDT-HLJDS-C-[2011]001表A.7-1-表B.2 灌浆成果分序统计表承建单位:中国地质工程集团公司合同编号:CDT-HLJDS-C-[2011]001表A.7-1-表B.3 灌浆成果综合统计表承建单位:中国地质工程集团公司合同编号:CDT-HLJDS-C-[2011]0012、单位注灰量频率指“区间段数/频率%”,透水率频率指“区间段数/频率%”。
附录 D灌浆工程施工记录和成果图表灌浆工程施工记录应包括下列主要表格:1钻孔灌浆施工记录表(表D01)。
2灌浆施工记录表(表D02)。
3灌浆施工成果单孔统计表(表D03)。
4灌浆施工成果分序统计表(表D04)。
5灌浆施工成果单元工程统计表(表D05)。
6回填灌浆施工成果综合统计表(表D06)。
7帷幕灌浆施工成果综合统计表(表D07)。
8固结灌浆施工成果综合统计表(表D08)。
9灌浆工程完成情况表(表D09)。
10混凝土坝接缝灌浆单区灌浆施工成果表(表D10)。
11混凝土坝接缝灌浆施工成果综合统计表(表D11)。
12钻孔压水试验记录表(表D12)。
13、注水试验记录与资料整理记录表(表D13)。
14、检查孔注水试验成果表(表D14)。
灌浆工程施工应包括下列成果图:1 各次序孔单位注灰量频率曲线图(图D01)。
2 帷幕灌浆综合剖面图(图D02)。
3 深孔固结灌浆成果综合平、剖面图(图D03)。
4 隧洞固结灌浆成果展示图(图D04)。
5 混凝土坝接缝灌浆(纵缝)综合剖面图(图D05)。
表 D01 钻孔灌浆施工记录表施工部位孔号桩号排序孔序钻孔顶角 方位角 孔口高程接班孔深m本班钻孔进尺 m 交班孔深m 接班灌浆深度 m交班灌浆深度m 本班灌浆段长时 间钻孔情况灌浆情况工作内容钻 头钻具机上余尺 (m)灌浆段 (m)灌注进尺孔深开始 终止 间隔名 规格 长度总长(m)段次结束继续称(mm)(m) (m) 始止(m)自止段长(-)(+)m 机地距mm孔内情况岩性、变层、坍孔、掉块、岩芯采取率、回水、串浆、抬动等情况使用机械工 时 利 用 (时:分)主要材料消耗 使用人工起灌浆纯钻机钻准 冲 扫 机 迁 孔 机 停 停 待 其钻普泵型项目钻 合计水电油水泥其他技工合计型号下备孔孔修安故故水电料它头工号灌塞钻孔灌浆机长:班长: 记录: 年 月 日 班注:本表下半部分是为进行施工工效、成本计算所用。
如不需要可省略。
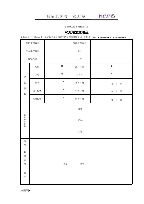
新疆乔巴特水利枢纽工程
水泥灌浆准灌证单位工程名称分部工程名称单元工程名称孔号
灌浆性质桩号
钻孔参数
孔径 mm 孔口高程m
顶角度岩石厚m
砼厚m 开孔日期年月日设计孔深m 结束日期年月日实测孔深
m
交接日期
年月日
施工单位意见初检:复检:终检:
监
理
工
程
师
意
见签字:日期:
备
注
说明:一式三份报监理人
新疆乔巴特水利枢纽工程
灌后压水检查记录表
单位工程名称或编码
分部工程名称或编码
单元工程
名称或编码
施工时段
孔号段长(m)压力(Mpa)设计透水率(L/min)
起止时间(时分)截至时间()间隔时间
(分)注入水量
(L)
单位透水率(L/min)
时分时分。
目录1、固结灌浆工程................................. 错误!未定义书签。
表1.1 固结灌浆开工证 (2)表1.2 固结灌浆钻孔冲洗、压水试验记录表 ................... 错误!未定义书签。
表1.4 固结灌浆施工记录表.. (5)表1.5 固结灌浆抬动观测记录表 (6)表1.6 固结灌浆孔封孔记录表 (7)表1.7 钻孔原始记录板报表 (8)表1.8 检查孔压水试验记录表(记录仪用) (9)表1.9 灌浆水泥现场确认记录表 (10)表1.10 固结灌浆制浆记录表 (12)XXX龙峡水库工程固结灌浆开工证施工单位:XXX水利电力建设有限公司合同编号:LXSK施工(2015)-003说明:本表一式四份报送监理机构,审批后返回申报单位两份,作相应单元编码质量评定资料备查。
固结灌浆压水试验记录表施工单位:XXX水利电力建设有限公司合同编号:LXSK施工(2015)-003固结钻孔洗孔记录表施工单位:XXX水利电力建设有限公司合同编号:LXSK施工(2015)-003记录员:班长:质检:监理:固结灌浆施工记录表记录员:班长:质检:监理:帷幕灌浆抬动观测记录表施工单位:XXX水利电力建设有限公司合同编号:LXSK施工(2015)-003记录员:班长:质检员:监理:日期:XXX龙峡水库工程固结灌浆孔封孔记录表施工单位:XXX水利电力建设有限公司合同编号:LXSK施工(2015)-003XXX龙峡水库电站钻孔原始记录班报表施工单位: XXX水利电力建设有限公司合同编号:LXSK施工(2015)-003记录员:班长:质检:监理:XXX龙峡水库工程检查孔压水试验记录表(记录仪用)施工单位:XXX水利电力建设有限公司合同编号:LXSK施工(2015)-003XXX龙峡水库工程灌浆水泥现场确认记录表施工单位:XXX水利电力建设有限公司合同编号:LXSK施工(2015)-003填写说明:1、施工单位制浆站,灌浆水泥进入灌浆工作面后,必须通知监理到场清点确认进场数量,共同在本表签字确认,并及时进行取样检验。
灌浆工程准灌证(灌前检查验收签证单) 施工单位:合同编号:N0. 单位工程名称
(mm)
(cm)
(º´")
钻探记录班报表
钻孔部位:孔口高程:设计孔深: m 设计角度:度
原下本班
表3钻孔测斜记录表
工程部位:孔号:孔序:设计顶角:设计:方位:
表4岩石变形观测记录
工程部位:观测点编号:第页年月日时分
表5 洗孔记录表
实钻孔深米第页实测孔深米第坝段排孔号第段段长米(自米至米) 年月日
工程名称:孔号段顶深度米段长米孔内地下稳定水位米共页工程部位:段号段底深度米压水方法压力表至孔口距离米第页
浆液比重
灌浆记录表
工程名称:孔号段顶深度米段长米水泥标号:共页工程部位:段号段底深度米灌浆性质灌浆方法:第页
班
次时分间隔时间
孔
部位
孔号孔位孔口高程施工次序开竣工项目至
毫
(mm)
至段长
表11 灌浆成果综合表
工程部位:高程施工次序开竣工项目至
表12 灌浆成果综合统计表
表13 电站工程基础灌浆工程验收申报表施工单位: 合同编号
表14 电站工程固结(回填)灌浆单元工程验收合格证施工合同编号编号
基岩
固结灌浆单元工程质量评定表
承建单位: 合同编号: №名称
注:“√”表示符合质量标准;“
”表示基本符合质量标准;“×”表示不符合质量标准。
回填灌浆单元工程质量评定表单元工程名称。
拉西瓦水电站工程
岩石地基固结灌浆单元工程质量评定表
说明:一式四份报监理人
拉西瓦水电站工程
固结灌浆单元工程验收合格证
拉西瓦水电站工程
岩石地基帷幕灌浆单元工程质量评定表
铁索桥水电站工程水泥灌浆准灌证
拉西瓦水电站工程
回填灌浆单元工程验收合格证
拉西瓦水电站工程
隧洞回填灌浆单元工程质量评定表
拉西瓦水电站
高压喷射灌浆单元工程质量评定表
说明:一式四份报监理人。
拉西瓦水电站工程
灌浆钻孔检查记录表
说明:一式四份报监理人。
拉西瓦水电站工程
钻孔压水试验记录表
拉西瓦水电站工程
钻孔冲洗记录表
拉西瓦水电站工程
拉西瓦水电站工程
基础排水孔质量抽查表
基础处理排水孔验收签证
拉西瓦水电站工程
基础排水单元工程质量评定表。
固结灌浆施工表格(全套)目录1、固结灌浆工程................................. 错误!未定义书签。
表1.1 固结灌浆开工证 (2)表1.2 固结灌浆钻孔冲洗、压水试验记录表 ................... 错误!未定义书签。
表1.4 固结灌浆施工记录表.. (5)表1.5 固结灌浆抬动观测记录表 (6)表1.6 固结灌浆孔封孔记录表 (7)表1.7 钻孔原始记录板报表 (8)表1.8 检查孔压水试验记录表(记录仪用) (9)表1.9 灌浆水泥现场确认记录表 (10)表1.10 固结灌浆制浆记录表 (12)XXX龙峡水库工程固结灌浆开工证施工单位:XXX水利电力建设有限公司合同编号:LXSK施工(2015)-003说明:本表一式四份报送监理机构,审批后返回申报单位两份,作相应单元编码质量评定资料备查。
固结灌浆压水试验记录表施工单位:XXX水利电力建设有限公司合同编号:LXSK施工(2015)-003固结钻孔洗孔记录表施工单位:XXX水利电力建设有限公司合同编号:LXSK施工(2015)-003记录员:班长:质检:监理:固结灌浆施工记录表记录员:班长:质检:监理:帷幕灌浆抬动观测记录表施工单位:XXX水利电力建设有限公司合同编号:LXSK施工(2015)-003记录员:班长:质检员:监理:日期:XXX龙峡水库工程固结灌浆孔封孔记录表施工单位:XXX水利电力建设有限公司合同编号:LXSK施工(2015)-003XXX龙峡水库电站钻孔原始记录班报表施工单位: XXX水利电力建设有限公司合同编号:LXSK施工(2015)-003记录员:班长:质检:监理:XXX龙峡水库工程检查孔压水试验记录表(记录仪用)施工单位:XXX水利电力建设有限公司合同编号:LXSK施工(2015)-003XXX龙峡水库工程灌浆水泥现场确认记录表施工单位:XXX水利电力建设有限公司合同编号:LXSK施工(2015)-003填写说明:1、施工单位制浆站,灌浆水泥进入灌浆工作面后,必须通知监理到场清点确认进场数量,共同在本表签字确认,并及时进行取样检验。
新疆乔巴特水利枢纽工程水泥灌浆准灌证说明:一式三份报监理人灌后压水检查记录表说明:本表格一式三份,签证后返承包商两份作竣工资料备查。
封孔记录表承包单位:中国水电十一局新疆乔巴特工程项目经理部合同号:XJXH-QBT-TJ03-ZB201105-03-0003监理: 质检: 技术: 记录:说明:本表一式三份,签证后承包商两份作竣工资料备查灌浆钻孔检查记录表说明:一式四份报监理人。
水工隧洞回填灌浆单元工程质量评定表说明:一式三份报监理人监理灌浆旁站记录表帷幕灌浆验收用表格表格填写及使用说明一、表格填写1.工程名称:金安桥水电站;2.工程部位:分部工程所在部位;3.工程项目:灌浆工程;4.灌浆类别:回填灌浆、固结灌浆、帷幕灌浆或接缝灌浆等;5.地距:指孔位所在位置的开孔面至钻机底座的距离(垂直或斜距),排架上施工时为开孔口与钻机底座的距离;6.孔号、孔序及桩号:原则上按设计图或施工图统一填写,如有调整则按调整后的实际情况填写;7.压力阶段:单点法为一个压力阶段,五点法为三个压力阶段;8.全压力:需考虑地下水位所在的位置及孔斜的影响;9.承建单位:施工单位全称;10.施工单位:施工队全称;11.弃浆量:包括管路占浆、无效孔段占浆及槽内余浆;12.水尺对应浆量:采用杭探厂生产的200L搅拌槽时,考虑浆液搅拌过程中有波动,满槽时槽内浆量亦不足200L,根据计算每cm水尺读数对应浆量取4.2L;13.纯灌时间:孔段用于灌浆作业的时间,不包括中断或间歇时间;14.延灌时间:孔段自开始至结束总历时;15.栓塞压缩:每个塞球按2cm~3cm计算,压缩值与塞球规格成正比;16.内管上余:指外管顶端与内管顶端的差值;17.统计图表及竣工图:按照《水工建筑物水泥灌浆施工技术规范》(DL/T 5148-2001)的有关规定;18.单元工程验收表格:按照《水电水利基本建设工程质量等级评定标准第一部份:土建工程》(DL/T5113.1-2005)有关规定填写。