商业综合体项目给排水设计方案
- 格式:doc
- 大小:38.50 KB
- 文档页数:4
超高层商业综合体给排水设计要点摘要:商业综合体是集餐饮、娱乐、住宅以及办公商务为一体的大型建筑物,解决了城市人们工作生活中的很多不便,广受各个领域人群的欢迎。
由于商业综合体在城市中越来越多,人们对商业综合体的需求也越来越大,所以出现了一些超高层商业综合体。
本文针对超高层商业综合体的给水排水设计要点进行分析,希望可以为超高层商业综合体的建设提供一定的作用。
关键词:超高层;商业综合体;排水设计;要点随着当前人们的生活质量越来越高,对生活品质的要求也越来越高,在此情况下诞生了集餐饮、娱乐、住宿以及办公商务为一体的商业综合体建筑。
商业综合体服务完善,根据人们需要的经营项目应有尽有,不仅满足了人们的消费需要,还大大方便了人们的出行,使人们在一个商业综合体中就能够完成对多项事务。
由于人们对商业综合体的要求越来越高,诞生超高层商业综合体建筑,对建筑的给排水设计有更高的要求。
超高层商业综合体给排水设计非常复杂,但是对于建筑的安全和稳定有着十分重要的作用,如果没能进行科学合理的设计,后续修补过程中将会耗费更多的人力物力成本,会损害建筑单位的利益。
一、系统设计概述超高层商业综合体的给排水系统应包括给水系统、排水系统、消防系统以及节能系统。
给排水系统的设计要满足商业综合体的实际情况,根据用户的需求和建筑物的结构进行设计。
对于建筑综合体较低的楼层可以直接通过政府的供水系统来解决给水问题;对于较高的楼层,需要增加增压装置,在遵循市政府的相关供水压力的规定下,使水源能够供应到较高楼层。
对于综合体建筑中的公寓、酒店等服务区域应该提供热水供应。
以下是我针对超高层商业综合体给排水系统设计提出的几点想法:1、给水系统设计给水系统由室内排水系统和室外排水系统组成。
室外给水系统的水质应该符合国家的相关法律卫生标准,杜宇商业综合体中的国外餐饮业或酒店,要遵循世界通用卫生标准,并且在执行标准时要遵循经营者的同意。
在给水过程中,采用环形供水形式,分两条供水路线进行供给,以便当其中一条路线出现问题时,另一条路线还能继续正常工作。
商业综合体建筑给排水设计探讨摘要:商业综合体规模比较大,是集办公、生活、娱乐为一体的综合性建筑。
因此,商业综合体建筑的给排水设计需要考虑建筑招商及后期维护方面的需求。
本文主要以商业综合体为例,对给排水设计的常见问题角度出发,探索给排水设计的的思路。
关键词:商业综合体;给排水设计前言随着城市商业综合体建筑的不断发展,规模越来越大。
商业、办公、娱乐的多元化是商业综合体建筑的主要特点,因此,对建筑给排水也提出了新的要求。
下文结合本人多年的给排水设计经验,对商业综合体建筑的给排水设计要求及特点进行分析,以期同行借鉴参考。
一、给排水的灵活性设计商业综合体建筑属于多元化的建筑,业态功能需求繁多,针对不同的的功能区域,给排水设计的要求也是不一样的。
为了满足后期的招商需要,设计时一定要具备有灵活性,以便适应各种功能需求。
对于商业综合体来说,无论是出售还是持有,首要满足的是招商的要求,从而实现最短的资金回流周期和最大的盈利目标。
但通常在设计前期,招商部门并未介入,或介入较浅,故商业给排水设计时,大多数都是根据以开发商预期的业态来设计,与将来商铺实际运营的业态会存在较大差异。
为减少这种差异给设计和施工带来的修改或反复,可在前期设计时,在以下几方面采取一定措施。
(一)水管井及接口设置商业建筑的商铺布置一般较为分散,给排水管井设置应考虑排水管线的敷设对商铺和净高的影响。
若管井间距较远,会导致排水管线过长,影响商铺或走道净高,同时增加排水管穿越商铺的情况。
若管井间距过近,管井数量会增多,进而加大地库管线排布难度,增加出墙套管和室外检查井数量。
建议每个管井的服务范围控制在 30 米左右,并结合建筑楼梯或电梯布置在公共部位,便于管井能上下对齐,减少管井转换次数。
每个管井内均设置厨房排水立管和污水立管,无论商铺业态如何调整,均能保证服务半径内的污废水接入管井内的排水立管。
对于有后勤走道的商业,给排水管道应尽量敷设在走道内,减少对商铺的影响。
浅谈城市商业综合体建筑的给排水设计刘卫杨静摘要:城市商业综合体以功能协同、空间紧凑、抗风险能力强为特点,表现出极大的生命力和充沛的发展潜能,因其规模宏大,功能齐全,常被成为“城中之城”,因此在保证建筑功能的前提下,如何合理进行给排水系统的设计,兼顾初期投资、后期维护、运行管理等方面,是一项值得探讨的课题。
关键词:城市商业综合体建筑、给排水设计随着城市的发展,商业综合体应运而生,它将城市中商业、办公、居住、旅店、展览、餐饮、会议、娱乐等城市生活空间的三项以上功能进行组合,并在各部分间建立一种相互依存、相互裨益的能动关系,从而形成一个多功能、高效率、复杂而统一的综合体。
这类工程往往规模宏大,系统复杂,多位于城市的核心区域,因此在保证建筑功能的前提下,如何合理进行给排水系统的设计,兼顾初期投资、后期维护、运行管理等方面,是一项值得探讨的课题。
1.消防给水系统设计城市商业综合体建筑人员密集,建筑功能复杂,一旦发生火灾,火势蔓延迅速、不易扑救,人员逃生困难,容易造成重大人员及财产损失,因此消防系统设计的可靠性尤为重要。
1.1自动喷水灭火系统设计城市商业综合体建筑内部应根据各区域的功能确定系统危险等级,对于超市、商场的仓库区应按照仓库危险等级确定喷水强度及延续时间;室内净高8~12m的区域,比如大堂、影院等部位,应按照非仓库类高大净空场所确定消防水量。
这些部位的喷淋水量远大于商业区、地下车库、写字楼等区域,须按最不利情况确定本工程的消防用水量。
为保证发生火灾后,自动喷水灭火系统及时动作,达到控火灭火的效果,应根据不同功能场所选择适合的喷头:写字楼、地下车库等部位,可选择普通型喷头;餐饮的厨房区须采用高温型喷头;对于商业区域等人员密集场所内的喷头,应选用快速响应喷头。
快速响应喷头的优势在于:热敏性能明显高于标准响应喷头,可在火场中提前动作,在初起小火阶段开始喷水,使灭火的难度降低,可以做到灭火迅速、灭火用水量少,可最大限度地减少人员伤亡和火灾烧损与水渍污染造成的经济损失。
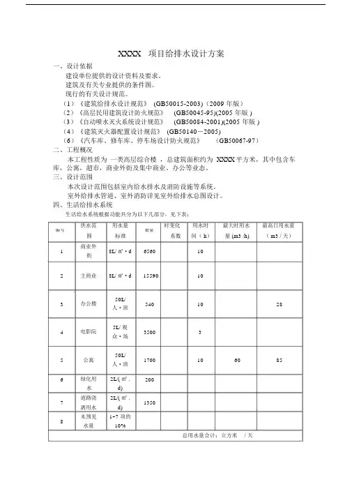
XXXX 项目给排水设计方案一、设计依据建设单位提供的设计资料及要求。
建筑及有关专业提供的条件图。
现行的有关设计规范。
(1)《建筑给排水设计规范》 (GB50015-2003)(2009 年版) (2)《高层民用建筑设计防火规范》 (GB50045-95)(2005 年版 ) (3)《自动喷水灭火系统设计规范》 (GB50084-2001)(2005 年版 ) (4)《建筑灭火器配置设计规范》 (GB50140-2005) (6)《汽车库、修车库、停车场设计防火规范》 (GB50067-97) 二、工程概况本工程性质为 一类高层综合楼 ,总建筑面积约为 XXXX 平方米,其中包含车 库,公寓,超市,商业外街及集中商业、办公等业态。
三、设计范围本次设计范围包括室内给水排水及消防设施等系统。
室外给排水管道、室外消防详见室外给排水总图设计。
四、生活给排水系统生活给水系统根据功能共分为以下几部分,见下表:供水范用水量 时变化用水时 最大时用水 最高日用水量编号标准 数量 系数间( h )量 (m3 /h)( m3 / 天)围1商业外8L/ ㎡·d656010街2 主商业 8L/ ㎡·d 15590103办公楼50L/ 5401028人·班4电影院 5L/ 观 35003众·场5公寓 50L/ 1700106085人·班6绿化用2L/( ㎡ .200水 d)7道路浇 2L/( ㎡ .1350洒用水 d)8未预见 1~7 项的水量10%总用水量合计:立方米 / 天(注:未考虑空调水量、商业外街商铺餐饮水量)根据甲方所提供资料,本建筑从市政给水管引入一根DN200的生活供水管,假设市政生活用水供水压力为(±处引入,请甲方与自来水公司确认)。
本建筑供水方式考虑如下形式:1、商业外街商铺(最高楼层标高)均采用市政管网直接供水。
商铺单独计费,每个商铺均预留给排水管道。
商业综合体建筑给排水设计要点简介1. 引言1.1 商业综合体建筑给排水设计的重要性商业综合体建筑给排水设计的重要性是在整个建筑设计过程中不可或缺的一环。
在商业综合体建筑中,排水设计直接影响到建筑物的稳定性和使用寿命,同时也关系到建筑物内部空间的舒适度和安全性。
良好的排水设计能够有效避免因雨水积聚而导致的地基沉降和裂缝,避免因排水不畅而造成的内部水浸和漏水问题,保障建筑物的整体结构和功能正常运作。
在商业综合体建筑项目中,排水设计更是需要充分考虑到建筑物周围环境、地形地势、排水坡度等因素,确保排水系统的高效性和稳定性。
商业综合体建筑给排水设计的重要性不容忽视,只有充分重视和合理设计排水系统,才能确保建筑物的长期稳定运行和使用效果。
1.2 本文内容概述本文将围绕商业综合体建筑给排水设计展开讨论,旨在探讨其在整个建筑设计中的重要性和设计要点。
将介绍商业综合体建筑的特点,包括建筑规模、功能多样性等特点,以便为后续的设计提供背景信息。
随后,将探讨给排水设计考虑因素,分析在商业综合体建筑中需要考虑的各种因素,如建筑结构、用途等对排水系统的影响。
接着,将详细讨论排水系统设计要点,包括管道设计、坡度选取等技术要点,以确保排水系统的高效运行。
还将介绍防水设计要点,以提高建筑结构的防水性能。
将探讨雨水收集利用系统设计,介绍如何通过设计将雨水资源进行有效利用。
通过本文的阐述,读者将了解商业综合体建筑给排水设计的重要性以及设计要点,从而为未来的建筑设计提供参考和指导。
2. 正文2.1 商业综合体建筑特点商业综合体是一种集商业、办公、住宅等多种功能于一体的建筑形式,通常包括购物中心、写字楼、酒店等。
其建筑特点主要包括以下几点:1. 多功能性:商业综合体结合了多种功能,使得建筑内部空间的利用更加灵活多样,能够满足不同人群的需求。
2. 大体量:商业综合体一般规模较大,建筑面积广阔,需要考虑大量人流、车流等因素的影响。
3. 复杂性:商业综合体内部通常涉及多个功能区域,如商业区、办公区、餐饮区等,需要综合考虑各个区域的排水需求。
商业综合体建筑给排水设计要点简介
商业综合体建筑是将商业、办公、酒店、公寓等多种功能和服务集于一身的大型建筑,其给排水设计是建筑设计的重要组成部分。
1. 水源设计
商业综合体建筑的水源设计包括自来水供应和二次供水系统设计。
自来水供应应满足
建筑的冷、热水、消防水和饮用水等基本需求;二次供水系统应根据建筑的用水要求,设
计节水系统和水回收系统,降低用水成本和环境影响。
商业综合体建筑的排水系统设计应满足建筑内各个功能区的排水需要,包括厨房、卫
生间、淋浴房、游泳池、洗衣房等。
设计时要考虑建筑的排水量、排水流量和管道大小、
坡度等参数。
3. 消防水系统设计
商业综合体建筑的污水处理系统设计旨在解决建筑内产生的污水排放和环境保护问题。
设计时要充分考虑废水的产生量和水质,以及不同处理技术的适用性和成本效益等因素。
5. 环保设施设计
商业综合体建筑的环保设施设计应满足建筑内的环境保护要求,包括垃圾处理装置、
污水净化设备、节能灯具等。
设计时要充分考虑效益、可行性和实用性等因素。
综上所述,商业综合体建筑给排水设计是建筑设计的重要组成部分,需要充分考虑各
种参数和因素,确保设计方案的合理性、可行性和安全性,以满足建筑使用者的各种需求
和服务。
消防及给排水施工方案一、工程概况本工程大型商业综合体的消防及给排水施工。
商业综合体包括商场、写字楼、酒店等建筑群。
施工内容主要包括消防水系统、给水系统、排水系统等。
二、消防系统施工方案1.消防水系统(1)室内消火栓系统结合商业综合体的区域分布,将室内消火栓系统设计为喷淋式,消火栓箱采用铁制材料,安装在易于发生火情的地点,比如公共走廊、楼梯间、电梯间等。
根据建筑面积和设计要求,设置合适数量的消防水池和泵房。
在公共区域设置标志牌指示灭火器具的位置。
(2)自动喷水灭火系统自动喷水灭火系统采用喷淋式,主要布置在建筑物的天花板和墙壁上。
设置合适数量的水池和水泵以满足供水要求。
(3)排烟系统在商业综合体内部的过道、楼梯间、电梯井等密闭空间中设置排烟系统,采用单向空气进出口和排风口,以确保消防安全。
2.消防设备及器材(1)灭火器具根据商业综合体各区域的火灾风险,设置合适数量的灭火器具,包括灭火器、消防水带、消防水枪等。
(2)火灾报警系统安装火灾报警系统,包括可燃气体报警器、烟雾探测器、手动火警按钮等。
三、给水系统施工方案1.给水系统设计按照商业综合体各个建筑内部的用水需求,设计合理的给水管网,包括主供水管道、支管道、分支管道等。
2.主要施工措施(1)给水管道布置根据设计图纸确定给水管道的走向、管径和连接方式。
给水管道在采取地埋布置时,应注意保护措施,避免被建筑物及其他设施损坏。
(2)阀门安装根据给水管网的需求,安装合适数量和规格的阀门,包括调节阀、截止阀、止回阀等,以便于对管网进行控制和维护。
四、排水系统施工方案1.排水设计按照商业综合体的各个建筑内部的排水需求,设计合理的排水管网,包括主排水管道、支排水管道、分支排水管道等。
2.主要施工措施(1)排水管道布置根据设计图纸确定排水管道的走向、管径和连接方式。
排水管道在采取地下埋设时,应选择合适的材料,并注意防水、防渗漏等措施。
(2)沉淀池安装商业综合体的排水系统设置合适数量的沉淀池,用于沉淀固体废物和净化污水。
工程施工给排水方案一、项目概况该项目位于某市市中心区域,总用地面积约为20000平方米,用于建设多功能商业综合体。
该项目包括地下一层,地上四层,总建筑面积约为50000平方米,主要包括商业用房、办公用房和停车库等。
为了保证施工期间和项目竣工后的排水系统正常运行和安全性,特编制本给排水方案。
二、施工前期准备工作1.对场地进行勘测,明确地形、土质等情况,并根据实地情况设计排水系统布局。
2.审查地下管线,确保施工不会影响原有排水设施。
3.准备排水设备和材料,包括排水管道、检查井、水泵等。
4.确定施工队伍和施工计划,明确工程目标和时间节点。
三、排水系统设计方案1.雨水排水系统:1.1 雨水收集系统:设计雨水收集口,将雨水引入雨水管道。
1.2 雨水管道:采用聚氯乙烯排水管道,经过设计计算,确定管道直径和坡度。
1.3 雨水排水井:设置雨水排水井,用于收集和检查雨水排放情况。
1.4 雨水泵站:在需要提升排水的地方设置雨水泵站,确保雨水正常排放。
2.污水排水系统:2.1 污水管道:采用聚乙烯排水管道,经过设计计算,确定管道直径和坡度。
2.2 污水检查井:设置污水检查井,用于检查和清理污水管道。
2.3 污水泵站:在需要提升排水的地方设置污水泵站,确保污水正常排放。
2.4 污水处理设施:根据当地法律法规,设置污水处理设施,将污水进行处理后排放或回用。
四、施工流程1.地下管道施工:按照设计方案,在地下开挖沟槽,安装排水管道和检查井。
2.排水设备安装:安装雨水泵站、污水泵站等排水设备。
3.系统调试:对排水系统进行测试和调试,确保系统正常运行。
4.系统保养:定期对排水系统进行保养和清洗,保证系统长期有效运行。
五、工程验收与维护1.工程验收:在工程竣工后,对排水系统进行验收,确保系统符合设计要求。
2.工程维护:建成后,定期对排水系统进行维护和检查,确保系统正常运行,延长使用寿命。
六、总结本给排水方案根据项目实际情况编制,包括雨水排水系统和污水排水系统设计方案,施工流程,工程验收与维护等内容。
商业综合体建筑给排水设计要点简介商业综合体建筑是一个大型的综合性建筑,其功能集合了商业、娱乐、办公、酒店等多种业态。
这类建筑工程不仅涉及建筑本身的结构和装修,也涉及到各个专业领域的工程设计。
在商业综合体建筑工程中,给排水设计是其中一个重要的专业设计。
本文将介绍商业综合体建筑给排水设计所要注意的关键点。
(一)室内污水处理商业综合体建筑室内污水处理的设计和实施要符合国家相关法律法规和规范的要求。
在设计中要评估商业综合体建筑的污水排放量,根据污水排放量的大小确定污水处理系统的规模,确定处理工艺技术和设备,制定相应的管理方案,保证排放的水质符合国家规定水质标准。
(二)水源的合理利用对于商业综合体建筑,给排水设计师需要考虑水源的合理利用。
对于所在地区的水资源状况、水质情况、水压情况、用水后的污水处理等情况进行调研,考虑到商业综合体建筑的用水量大,设计合理的供水系统来满足建筑的需求。
在用水方面要注重节水,加装水表、流量计,控制用水量,以降低建筑的运行成本。
(三)防火设计商业综合体建筑设计要考虑防火问题,给排水设计师需要考虑如何确保建筑防火措施的完善性,并在设计中采用适当的防火隔离和排水措施,以提高防火安全系数。
(四)浇注混凝土的排水设计浇注混凝土的排水设计是商业综合体建筑的一个重要的设计要点。
在浇注混凝土的设计中,给排水设计师需要考虑混凝土浇筑的水平面、倾斜度、坡度等参数,同时在设计中要根据建筑坡度和风荷载考虑设计雨水排放系统,使得建筑排水系统能够快速地排出雨水。
(五)质量控制质量控制是商业综合体建筑给排水设计的一个重要环节。
给排水设计师需要在设计中采用先进的技术、设备和材料,以确保建筑的可靠性和安全性,并要求建筑的所有给排水设施均须严格按照设计施工,保证施工质量。
综上所述,商业综合体建筑给排水设计要考虑的因素较多,包括水源的合理利用,室内污水处理,防火设计,浇筑混凝土的排水设计以及质量控制等。
只有综合考虑各方面因素,合理选择技术、方法和设备,才能真正保证商业综合体建筑的良好工程质量和可持续发展。
商业综合体建筑给排水设计要点简介商业综合体建筑是指集购物、办公、餐饮、娱乐等多种功能于一体的大型建筑群体。
在商业综合体建筑的设计中,给排水系统是一个重要的组成部分,对于建筑的正常运行和居住者的使用体验起着至关重要的作用。
下面简要介绍商业综合体建筑给排水设计的要点。
一、给水系统设计要点1. 给水系统设计要考虑到商业综合体的总用水量和峰值用水量,合理确定给水管道的尺寸和布置方式,保证供水的稳定性和足够的流量。
2. 给水系统的水质要求较高,应采取适当的水质处理措施,如预处理、加压、消毒等,确保供水的卫生安全。
3. 给水系统应合理设置给水泵房和储水设施,保证供水的连续性和稳定性。
4. 给水系统应设有合适的水表、阀门和消防设备,方便用水计量、控制和消防用水。
2. 排水系统应设有合适的排水口和检查井,方便排水管道的检修和清理。
3. 排水系统应采用合适的排水泵站和排水设备,以保证排水效果和防止积水。
4. 商业综合体的卫生间、厨房等区域的排水系统应设有合适的消声设备,减少噪音对居住环境的影响。
4. 雨水系统应与污水系统分开设计,防止雨水进入污水管道,降低污水处理的负荷。
四、综合管理和维护要点1. 给排水系统的设计应符合相关的法律法规和标准,保证建筑的安全可靠性和性能。
2. 给排水系统的维修和检修要定期进行,及时发现和解决问题,保持系统的良好运行状态。
3. 给排水系统的水质和质量要经常监测,确保供水和排水的卫生安全。
4. 给排水系统的管理和维护要与建筑的其他系统相协调,确保整个建筑的正常运行和舒适性。
商业综合体建筑的给排水系统设计要考虑供水、排水和雨水的特点和需求,合理确定管道的尺寸和布置方式,保证系统的安全可靠性和性能。
对系统的管理和维护也要给予重视,以保障建筑的正常使用和居住者的舒适体验。
大型商业综合体建筑消防给排水设计中关键要点及注意问题探讨摘要:如今,随着城市化建设的发展,大型商业综合体建筑如雨后春笋般涌现,其具有建筑群体密集型、复杂性的特点,因此对消防给排水设计提出了更高的要求,本文将会以贵阳美的广场为例来对其防给排水设计进行分析。
关键词:大型商业综合体建筑;消防给排水设计;关键要点;注意问题如今,大型商业综合体建筑已经逐渐发展成为城市化体系中比较常见的建筑形式,其集商业、办公、餐饮以及娱乐等多种功能于一体,可以更好的满足人们的基本生活需求。
同时,大型商业综合体建筑具有人流量大、建筑分布密集、经营时间长等特点,因此要求其消防给排水设计满足占地小、效率高等相关要求。
实际上,大型商业综合体建筑消防给排水本身具有十分庞大的运作体量,既要满足便于后期排查维修、便于管理、节能减排等实用性要求,而且还需要节约后期运作所投入的人力、物力和财力,进而有效提高大型商业综合体建筑的整体使用性能和寿命。
1.项目供水概况美的广场位于贵州省贵阳市,其建设总用地面积为106994.60平方米,规划总建筑面积为371930.80平方米,是一个以高档公寓为主的大型商业综合体建筑。
项目包括4栋高层公寓,-1-3层裙楼为商业,-2层为停车库。
2.消防系统设计中关键要点2.1消防系统情况该地块建筑面积约37万方,在负一层地库室内设消防加压系统供该地块室内消防用水,。
同时消防系统中所涉及到的内容如下所示:(1)泵房、水池、水箱A.该地块设置一套消防水泵房及消防水池(有效容积为684m3),置于负一层,采用临时高压系统,由消防泵房专用消防泵及屋顶消防水箱联合供水。
B.室外消火栓由室外供水管网供水,消防水池容积考虑室内消火栓系统及自动喷水灭火系统用水量。
(2)消防时间室外消火栓用水时间以3小时计,室内消火栓用水时间以3小时计,喷淋消防用水时间以1小时计。
(3)消防水量根据大型商业综合体建筑室内消火栓系统、室外消火栓系统、自动喷水灭火系统的水量标准、火灾延续时间等参数来确定一次灭火用水量,具体如表1所示。
商业综合体建筑给排水设计要点简介商业综合体建筑给排水设计是一项极其重要的工作,在设计之前要深入分析商业综合体建筑的实际情况,合理规划给排水系统,确保系统的可靠性、安全性和经济性。
下面为大家介绍商业综合体建筑给排水设计的要点。
一、给水设计要点(一)水源选择商业综合体建筑给水可以选择市政自来水、地下水、河水等自然水源。
应根据商业综合体地理位置、水源水质和水压情况等因素综合考虑选择。
(二)设置水池商业综合体建筑应该安装水池设备,以保证商业综合体供水系统平衡稳定。
在水池的设置方面,应根据供水量、尖峰峰值、波动范围等多方面考虑设计水池容积和数量。
(三)管道设计商业综合体给水管道设计应合理,管道直径应根据供水量、使用峰值和波动范围合理设置。
应选择管道材料质量好、耐用的管道材料,以保证系统安全可靠。
(一)污水排放商业综合体的污水排放主要来自于商铺、饭店、厕所等地方。
设计时应预先考虑好污水的产生和排放来源,选择合适的污水处理设备和排放点。
(二)排水管道排水管道的规划应该根据商业综合体建筑的结构和功能来制定可行的方案。
排水管道的排气口应当合理设置,以便于消除管道内的压力,防止管道的负压。
同时,为了保证排水的畅通性,管道的坡度应该合理,其级差不应该过大。
商业综合体建筑在雨季时,若排水设施不完备,可能会引起排水不畅,出现内涝、浸水等情况。
因此,在商业综合体建筑的规划中,设计雨水的收集系统,合理设置雨水管道,确保雨水的及时排放。
消防给水作为商业综合体的重点之一,其设计应该与消防设施的布局和建筑的结构相适应。
消防给水设计要点包括:(一)应配备消火栓系统,数量和分布要符合规范要求。
(二)设置消防水池,并保证水池的储水量和供水量符合规范要求。
(三)供水管道应设置可控阀门,并对消防供水管道进行专属维修保养。
(四)消防水泵应选择高效能、稳定性好的设备,并负责监测消防水泵及管道系统的稳定性和安全性。
商业综合体给排水工程施工方案一、给排水工程子分部工程1 .室内给水系统本市政给水管上分别引入二路DN300给水主管供生活、消防用水,并在室外形成环状管网,供水水压为0.30Mpa;本工程最高日用水量502.m3∕d,最大时用水量为52.3m3∕h o2 .室内排水系统本工程最高日排水量450m3∕d,生活污水一般均靠重力自流至室外污水管网,再经化粪池处理后排入市政污水管网;地下车库冲洗废水经潜污泵提升至室外,接入市政污水管。
3 .室内热水系统室内热水系统采用燃气锅炉系统供热,主要用在洗手间、部分将来预留的快捷酒店等生活区。
4 .卫生器具本项目采用节水型卫生器具5 .室内供暧系统本项目室内供暖采用地暖系统,热源接市政供热管网6 .室外给水管网本项目室外给水主要用于附属用房及室外消火栓系统7 .室外排水管网室外污水经过化粪池及污水处理后接入市政排污系统8 .雨水系统屋面雨水均由雨水斗收集后,靠重力自流至室外雨水管网,本工程在二层大平台及旅检楼五层屋面采用虹吸雨水系统。
9 .中水系统从市政中水接入一条DN1OO中水管,供场地内绿化、地下一层、地下二层、缓冲车场的车库冲洗及屋顶绿化用水;旅检楼地下二层设有一座50n∩3中水水池,其中屋顶绿化由地下二层变频恒压供水设备供水。
二.管道通用施工技术1 .管道附件及阀门的检验1.1 管道,附件,阀门必须具备制造厂的合格证明书,否则应补所缺项目的检验,其标准应符合现行国家或相关技术标准。
12管道,管件及阀门在使用前应按设计要求核对其规格,材质,型号。
13∙管道附件及阀门在使用前应进行外观检查,要求其表面(1)无裂缝,缩孔,夹渣,折迭,重皮等缺陷。
(2)不得有超过壁厚负偏差的锈蚀或凹陷。
(3)螺纹密封面良好,精度及光洁度应达到设计要求及制造标准。
14.钢管外径及壁厚尺寸偏差应符合部颁的钢管制造标准。
2 .管道加工2.1 镀锌钢管和公称直径小于或等于50mm的中,低压碳素钢管,一般应采用机械刀割法切割。
商业综合体建筑给排水设计要点简介商业综合体建筑是指结合了购物中心、写字楼、餐饮、娱乐等商业业态的综合性建筑群体,通常是城市中的标志性建筑之一。
而商业综合体建筑的给排水设计是关键的一环,它直接关系到建筑物的功能运转和使用效果。
如何进行科学合理的给排水设计就显得异常重要。
本文将为大家介绍商业综合体建筑给排水设计的要点,希望对相关从业人员有所帮助。
一、了解建筑物功能需求在进行商业综合体建筑的给排水设计之前,首先要了解建筑物的功能需求。
商场、写字楼、餐饮区域、娱乐场所等不同功能区域的给排水需求是不同的,需要针对性地进行设计。
比如商场的排水系统需要考虑到大量人流和商业活动引发的排水量,而餐饮区域则需要考虑到油水分离和食物残渣的处理等问题。
在设计之初,就要充分了解建筑物各功能区域的特点和需求,从而为给排水系统的设计提供参考依据。
二、合理布局排水管道商业综合体建筑通常是高层建筑,且建筑物内部空间复杂,因此排水管道的布局显得尤为重要。
合理的排水管道布局可以有效减少管道长度,降低管道建设和维护成本,同时也可以减少管道阻力,提高排水效率。
在进行排水管道布局设计时,需要综合考虑建筑物结构、功能分区、用水设备的位置等因素,合理安排管道的走向和连接,确保排水系统的畅通和稳定。
三、采用合适的排水设备商业综合体建筑中的排水设备一般包括排水管道、排水管件、排水井、泵站等。
在选择排水设备时,需要根据不同功能区域的实际情况和排水要求进行合理选择。
比如在商场的地下一层,如果存在洗手间、卫生间等用水设备,需要考虑到负压排水系统的设计和安装;在餐饮区域,需要考虑到油水分离设备和排油管道的设置。
在商业综合体建筑的给排水设计中,选择合适的排水设备是至关重要的一环。
四、考虑雨水排水系统商业综合体建筑的雨水排水系统同样需要得到重视。
在设计雨水排水系统时,需要考虑到建筑物屋面积水问题、地面积水问题和地下室排水问题。
首先要确定合理的雨水排放点,保证排水通畅;其次要考虑到雨水排水管道的布局和连接,有效降低雨水排放对建筑物周围环境的影响。
商业综合体建筑给排水设计要点简介商业综合体建筑是指集购物、餐饮、娱乐、办公等功能于一体的综合性建筑。
在商业综合体建筑的给排水设计中,有一些要点需要注意。
要合理规划给水系统。
商业综合体建筑中涉及到大量的用水设备和用水点,如卫生间、餐厅、商铺等。
给水系统的设计要充分考虑到用水量的大小和用水的稳定性。
可以采用分区供水的方式,将用水区域划分成不同的供水区域,从而提高供水的灵活性和稳定性。
要注意排水系统的设计。
商业综合体建筑的排水相对复杂,需要考虑到不同区域的排水需求。
卫生间的排水设计要满足大量用水时的排水效果,厨房的排水设计要考虑到食物残渣的排除和污水的处理等。
还需注意排水管道的布局和斜度的设置,确保排水畅通,避免阻塞和漏水等问题的发生。
商业综合体建筑的雨水管道设计也要注意。
商业综合体建筑通常有大量的屋面和露台,需要考虑到雨水的排除和收集利用。
可以设计雨水收集系统,将雨水收集起来用于植物浇灌、景观水池充水等用途,实现雨水资源的可持续利用。
还要合理设计消防给排水系统。
商业综合体建筑中火灾的隐患较大,因此消防给排水系统的设计尤为重要。
要保证消防设施的正常使用,确保消防水源充足、消防管道畅通,消防水泵、消防栓等消防设备的位置和数量要符合规范要求,提高火灾扑救的效果。
还要考虑到商业综合体建筑的节能环保要求。
可以采用节水技术,如设置节水龙头、节水洗手器等,减少用水量的同时又不影响使用效果。
可以设计污水处理系统,对排水进行处理后可以进行二次利用,如用于冲洗马桶、浇灌植物等,达到节水和环保的目的。
商业综合体建筑的给排水设计还要符合相关法规和标准要求。
如《建筑给水排水设计规范》、《建筑给水排水工程施工及验收规范》等。
要遵循相关规范要求,确保设计方案的合法合规,保证建筑的安全可靠。
XXXX项目给排水设计方案
一、设计依据
建设单位提供的设计资料及要求。
建筑及有关专业提供的条件图。
现行的有关设计规范。
(1)《建筑给排水设计规范》(GB50015-2003)(2009年版)
(2)《高层民用建筑设计防火规范》(GB50045-95)(2005年版)
(3)《自动喷水灭火系统设计规范》(GB50084-2001)(2005年版)
(4)《建筑灭火器配置设计规范》(GB50140-2005)
(6)《汽车库、修车库、停车场设计防火规范》(GB50067-97)
二、工程概况
本工程性质为一类高层综合楼,总建筑面积约为XXXX平方米,其中包含车库,公寓,超市,商业外街及集中商业、办公等业态。
三、设计范围
本次设计范围包括室内给水排水及消防设施等系统。
室外给排水管道、室外消防详见室外给排水总图设计。
生活给排水系统
生活给水系统根据功能共分为以下几部分,见下表:
(注:未考虑空调水量、商业外街商铺餐饮水量)
根据甲方所提供资料,本建筑从市政给水管引入一根DN200的生活供水管,假设市政生活用水供水压力为(±处引入,请甲方与自来水公司确认)。
本建筑供水方式考虑如下形式:
1、商业外街商铺(最高楼层标高)均采用市政管网直接供水。
商铺单独计费,每个商铺均预留给排水管道。
2、主商业区域、公寓部分、银行办公部分均分别设置一套管网叠压供水设备进行供水,不分区,节省管道投资。
每个业态设置独立计费水表。
3、绿化,道路浇洒用水,车库冲洗用水共用一个绿化水表,由市政管网直接供水。
污水系统
(1)商业部分最高日污水量为³/d(最高日用水量的90%),餐饮部分最高日排水量为50m³/天。
(2)污水系统采用单立管排水系统,设伸顶通气管。
(3)生活污水经化粪池处理后排入市政污水管网。
(4)餐饮含油废水经隔油池处理后排入市政污水管网。
(5)车库冲洗地面的废水经加压提升后排至室外废水管网。
雨水系统
(1)雨水系统按重力流设计。
(2)屋面雨水系统总排水能力大于重现期P=50年的雨水量。
(3)屋面雨水经87型雨水斗、管道收集后排至室外雨水管网。
生活给水系统管材及接口
(1)室外埋地给水管采用PE100级给水管(),热熔连接。
(2)室内生活给水立管及横干管采用内衬塑钢管(),卡环连接;横支管采用PP-R给水管(S4),热熔连接。
排水系统管材及接口
室外埋地排水管采用PVC-U双壁波纹管,承插连接,橡胶圈接口。
室内雨、污水管采用普通PVC-U塑料管,承插连接。
压力排水管采用热镀锌钢管,螺纹连接。
消防系统
仓库危险I级,喷水强度为8L/min·㎡,作用面积200㎡,火灾延续时间为,513立方米消防水池需分两格;如甲方确定超市、商场仓库仅为难燃物品普通仓储,则自动喷淋可考虑按中危II级考虑,喷水强度为8L/min·㎡,作用面积160㎡,火灾延续时间为1h,可相应减少消防水池的容积,减少后容积为432立方米,单格即可,并相应降低泵组的能耗。
)
由于本项目(包括商业内、外街、公寓)是合用一个消防水池,故消防水池有效容积的设计是基于整个项目区域任何时间内任意一点发生一次火灾所需要的消防用水量。
合用消防水池及消防水泵均集中设置在一层车库消防水泵房内,从室外消防环网接入消防水池补水管,消防水泵直接从消防水池洗水后加压供至各个区域,以对整个区域的建筑进行消防保护。
在公寓屋面设置18立方米消防给水箱,满足整个区域的消防系统火灾初始阶段10min消防水量。
室外消火栓
室外消火栓给水由市政的主供水管引入两条DN150的管道供水,在区域内形成环网管网供给低压区域消防。
室外消火栓沿建筑四周均匀布置。
室外消火栓间距不超过120米,保护半径不大于150m;水泵接合器15~40m范围内设置室外消火栓。
室内消火栓
采用临时高压消防系统,本建筑使用一套室内消火栓消防泵。
室内消火栓栓口压力大于的楼层消火栓,采用减压稳压消火栓。
室内消火栓充实水柱15米。
消火栓箱内设DN65消火栓,φ19水枪,25米长衬胶水带(φ65),消防按钮各一支(条)。
每个消火栓备有手动报警按钮及直接启动消防水泵的按钮。
发生火灾时按动按钮直接启动消防水泵,按报警按钮启动视听报警器,发出消防警报信号至消防控制中心。
此外,消防水泵可于消防泵房或消防控制中心启动。
消火栓系统将配备三个水泵接合器。
喷淋系统
本建筑商业部分喷淋系统按照中危Ⅱ级设计,喷水强度为:8L/min·㎡,作用面积为160㎡,火灾延续时间为1小时。
商场仓库,超市仓库按最大净空高度小于9米考虑,储物高度按~考虑,仓库为仓库危险Ⅱ级,喷淋强度为12min·㎡,作用面积为200㎡,火灾延续时间为小时,按快速响应喷头估算。
本建筑采用湿式自动喷水灭火系统,每个报警阀组控制的喷头数不宜超过800个,每个报警阀组控制的最不利喷头处设末端试水装置,其他防火分区、楼层设DN25的试水阀。
每个楼层的每个防火分区内均设有水流指示器,没每路主管末端设置丝堵,供清洗管道用
喷头选择:超市最大净空高度小于8米,设置普通喷头(K80),一层车库及无吊顶的房间内采用直立型喷头;有吊顶的部分采用吊顶型喷头,坡道及自动扶梯下方应设置吊顶型喷头;商场仓库与超市仓库采用快速响应早期抑制喷头;餐饮区域的操作间喷洒头动作温度93℃,其他均为68℃。
当梁、通风管道、成排布置的管道、桥架等障碍物的宽度大于时,其下方应增设喷头。
喷淋管网系统满足管网静水压力不大于的要求,每个防火分区的配水干管供水压力不大于。
喷淋系统配备三个水泵接合器。
灭火器系统
根据《建筑灭火器配置设计规范》本项目为中危险级,建筑物内均配置手提式磷酸铵盐灭火器。
在地下室发电机房、高低压配电室设固定式燃气型干粉灭火系统。
消防给水系统管材及接口形式
室内消火栓系统及喷淋系统管道采用国标热镀锌钢管()
管道连接方式:DN <100螺纹连接,DN>=100卡箍连接。
六、给排水节能环保措施
采用节水节能型卫生洁具、水嘴、管材及附件;给水水嘴采用陶瓷芯等密封性能好,能限制出流流率并经国家有关质量检测部门检测合格的节水水嘴;大、小便器采用节水型产品,坐便器水箱容积不大于6L。
给水管材:采用热镀锌内衬塑钢管,内壁光滑,摩阻小。
水泵房设水位报警装置,当水池进水管上的液压阀失灵时,水池内的报警装置会及时向值班室报警,同时关闭进水管的电动阀,避免水资源浪费。
室内排污废水所用地漏均采用直通地漏下设存水弯,确保水封不被破坏,起到阻隔臭气污染室内环境的作用。