《空气分离装置风险隐患排查表2019》
- 格式:xls
- 大小:61.00 KB
- 文档页数:17
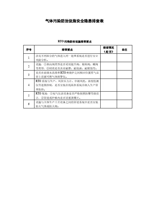
气体污染防治设施安全隐患排查表RTO污染防治设施排查要点序号排查要点排查情况(是/否)备注1涉及不同组分的气体进入同一处理系统是否进行安全风险分析。
2设施:①换向阀类型是否采用提升阀、旋转阀、蝶阀等类型,②材质是否具有耐磨、耐高温、耐腐蚀等。
3是否在前级水洗塔和RTO焚烧炉之间相应位置废气总管上设置可燃气体报警仪。
4RTO系统与生产、风管压力计、中级风机、浓度检测仪等连锁控制,是否安装在线监控系统并纳入生产管理监控。
5RTO现场:①电气仪表设备是否严格按照防爆等级设计,②管道或炉膛内是否设置泄爆片。
6设施与主体生产工艺设备之间的管道系统中是否安装防火气体或防火阀。
吸附法污染防治设施排查要点序号排查要点排查情况备注(是/否)1涉及不同气体进入同一处理装置是否进行安全条件分析。
2当吸附床内的温度超过规定温度时,是否能够启动降温设施。
3治理系统事故自动报警装置是否能够正常运行。
4①是否设置高温报警停车灭火联锁,②当吸附过程吸附器温度超过120℃时,系统报警能否正常停车。
5吸附装置内部、催化燃烧器或高温焚烧器的加热室和反应室内部的温度检测装置是否正常运行。
6治理系统与主体生产装置间的管道是否安装阻火器(防火阀)。
7设施风机、电机的防爆是否符合要求。
8废气管线是否具有防静电措施。
9吸附单元的压力指示和泄压装置是否符合要求。
10①当过滤器的阻力超过规定值时是否及时清理或更换过滤材料,②是否定期检测过滤装置两端的压差。
11设施是否具备短路保护和接地保护设施。
12设施是否配备消防灭火设施。
吸收法污染防治设施排查要点序号排查内容排查情况(是/否)备注1装置本体主体的表面温度是否不高于60℃。
2①需控制温度的单元是否设置温度指示装置、超温声光报警装置及应急处理系统;②需控制压力的单元是否设置压力指示和泄压装置。
3由计算机控制的净化装置是否具备手动操作功能。
4①吸收塔是否采用液位自控仪、pH自控仪和ORP自控仪等;②加药槽是否配备液位报警装置;③加药方式是否采用自动加药。
第1篇一、前言空气自动站是现代环境监测的重要组成部分,能够实时、准确地监测空气质量,为政府、企业和公众提供可靠的环境信息。
然而,由于空气自动站涉及多种复杂设备和技术,存在一定的安全隐患。
为确保空气自动站的安全稳定运行,降低事故发生的风险,本报告对空气自动站的安全隐患进行排查,并提出相应的整改措施。
二、空气自动站安全隐患排查范围1. 设备设施安全隐患排查(1)设备老化、损坏:检查空气自动站设备是否存在老化、损坏现象,如传感器、仪器、管道等。
(2)电气安全隐患:检查电气设备、线路、接地等方面是否存在安全隐患。
(3)通风、排水系统:检查通风、排水系统是否畅通,防止因通风不良或排水不畅导致设备损坏。
2. 操作安全隐患排查(1)操作人员资质:检查操作人员是否具备相应的资质,是否按照操作规程进行操作。
(2)维护保养:检查维护保养记录,确保设备得到及时、规范的维护保养。
(3)应急预案:检查应急预案的制定和演练情况,确保在突发事件发生时能够迅速响应。
3. 环境安全隐患排查(1)周边环境:检查空气自动站周边是否存在污染源,如工厂、工地等。
(2)气象条件:检查气象条件对空气自动站运行的影响,如高温、高湿、强风等。
(3)自然灾害:检查空气自动站所在地区是否存在地震、洪水等自然灾害风险。
三、空气自动站安全隐患排查结果1. 设备设施安全隐患排查结果(1)设备老化、损坏:发现部分设备存在老化、损坏现象,如传感器、仪器、管道等。
(2)电气安全隐患:发现部分电气设备、线路存在安全隐患,如接地不良、线路老化等。
(3)通风、排水系统:发现通风、排水系统存在堵塞现象,影响设备正常运行。
2. 操作安全隐患排查结果(1)操作人员资质:发现部分操作人员未具备相应资质,存在违规操作现象。
(2)维护保养:发现部分设备维护保养记录不完整,存在漏检、漏修现象。
(3)应急预案:发现应急预案制定不完善,演练不到位。
3. 环境安全隐患排查结果(1)周边环境:发现空气自动站周边存在污染源,对监测数据产生影响。
气化装置安全风险评估标准
备注:1.本表采用总分100分评分制。
A级,总得分60分以下;B级,总得分60-74分;C级,总得分75-90分;D级,总得分90分以上。
2.计算公式:企业自评评估得分=100分-企业固有危险程度扣分-设备设施扣分+企业管理水平得分。
3.企业最终安全风险等级由自评评估得分对应等级与直接判定条件、动态判定条件相结合确定。
4.重大危险源根据国家标准《危险化学品重大危险源辨识》(GB 18218-2009)判定。
5.火灾危险性风险按照《建筑设计防火规范》(GB50016)规定判别。
6.剧毒化学品根据《危险化学品目录(2015版)》判别。
7.极度危害物质根据《职业性接触毒物危害程度分级》(GBZ230-2010)判别。
空分厂事故隐患排查现场检查表空分厂生产隐患排查排查目的7月份公司各装置生产处于高负荷运行状态,为了保证空分装置的安全稳定运行,空分厂特对中控操作站进行隐患排查,对存在的安全隐患进行整改,确保装置的安全稳定运行。
二、排查范围空分中控DCS、ITCC逻辑关系、报警状态、报警级别等。
三、排查依据空分厂操作规程、安全技术规程等四、排查时间2011年7月16日五、参加排查人员六、排查记录1、人员:空分厂岗位人员按时巡检及做好监控,能够掌握空分中控逻辑关系、阀门状态等。
2、设备:事故氮泵水浴式气化器温度联锁报警级别为普通报警。
3、物料:蒸汽、空气、循环水等正常,无影响。
4、制度:制度健全。
《空分厂巡回检查制度》、《空分厂应急事故汇报程序》5、环境:工作环境良好。
七、问题排查结果1、事故氮泵水浴式气化器水温联锁报警级别为普通报警八、排查出问题的风险度分析及五定表风险度分析五定表九、结论:空分厂通过这次隐患排查,及时消除了中控报警安全隐患,并制定整改措施,保证了事故氮系统水温异常时岗位人员能够及时发现,并及时进行调节,保障装置安全。
空分厂安全隐患排查一、排查目的空分厂近期因增压机三级温度上升波动强烈,冷箱压力上升较快,严重影响空分装置的安全稳定运行,针对目前增压机三级温度上升波动强烈现象,冷箱压力上升较快现形,空分厂组织此次周安全隐患排查。
二、排查范围空压机组、装置安全操作规程,静设备及物料三、排查依据空分厂空压机组、装置操作及维修手册四、排查时间2011年3月13日五、排查人员六、排查记录1、人员:岗位人员能够按时巡检及做好监控,发现问题知道如何汇报并及时处理。
2、设备:增压机三级温度上升波动强烈,上一周达到125度进行紧急停车一次。
冷箱压力达到48mm3、物料:压缩机组进口物料压力、温度、流量合格。
装置工作状态正常,进出物料压力、温度、流量正常。
4、制度:制度健全。
《空分厂巡回检查制度》《空分厂应急事故汇报程序》空分厂应急处理措施现场、中控各方一份,全员学习执行。